Расчёт и проектирование фундаментов различного заложения

  • Вид работы:
    Курсовая работа (т)
  • Предмет:
    Строительство
  • Язык:
    Русский
    ,
    Формат файла:
    MS Word
    377,95 Кб
  • Опубликовано:
    2014-11-17
Вы можете узнать стоимость помощи в написании студенческой работы.
Помощь в написании работы, которую точно примут!

Расчёт и проектирование фундаментов различного заложения

Содержание

Введение

. Анализ инженерно-геологических данных. Определение значения условного расчетного сопротивления грунта R0

. Расчет фундамента мелкого заложения

.1 Определение глубины заложения фундамента

.2 Определение размеров подошвы фундамента в плане

.3 Расчет осадки фундамента методом послойного суммирования

.4 Расчет осадки фундамента методом эквивалентного слоя (метод Цытовича)

.5 Расчет затухания осадки во времени

. Расчет свайного фундамента

.1 Выбор глубины заложения ростверка, несущего слоя грунта и конструкции сваи

.2 Определяем несущую способность и силы расчётного сопротивления сваи по материалу и грунту

.3 Определение приближённого веса ростверка и числа свай

.4 Конструирование ростверка

.5 Расчет осадки свайного фундамента

Список литературы

Введение

1.      Местоположение площадки

Изучаемая площадка расположена на пересечении ул.Урожайной и ул.Полевой в г.Уфе.

.        Климат

В климатическом отношении площадка относится ко II климатическому району. Средняя t0 января -14,90 С, средняя t0 июля +18,80 С, средняя годовая t0 +4,30 С. Число дней со снежным покровом составляет 140 дней. Холодный период длится с середины сентября до середины мая.

. Геоморфология рельефа

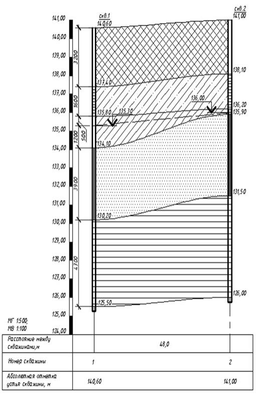
В геоморфологическом отношении площадка расположена в пределах среднерусской возвышенности (на абсолютной отметке поверхности земли 137,4).

. Геологическое строение

В геологическом строении площадки до изучаемой глубины 15-20 м принимают участие покровные и мореные отложения четвертичной системы. Представленные грунты: супесь твёрдая, суглинок тугопластичный, песок мелкий, глина полутвёрдая.

. Гидрогеологические условия

В процессе производства буровых работ подземные воды вскрыты скважинами на глубине 5,30 м от поверхности земли на абсолютной отметке 135,30 м. Максимально высокое положение уровня воды следует ожидать в весеннее время. Подземные воды являются слабоагрессивными.

. Инженерно-геологические условия

Определение физико-механических характеристик грунтов выполнялось в соответствии с требованиями нормативных документов. С учетом геологического строения, выделено 5 инженерно-геологических элементов:

.        Инженерно-геологических элемент 1:

Насыпной слой из почвы, шлака, бытовых и строительных отходов, мощностью 3,2 м.

Растительный слой состоит из почвы мощностью 0,3м.

.        Инженерно-геологических элемент 2:

Супеси желтовато-бурого цвета. Залегают на глубине 135,80 м, мощностью 1,60 м.

.        Инженерно-геологических элемент 3:

Суглинки темно-бурого цвета. Залегают на глубине 134,10 м, мощностью 1,70 м.

.        Инженерно-геологических элемент 4:

Пески желтовато-бурого цвета. Залегают на глубине 130,20 м, мощностью 3,90 м.

.        Инженерно-геологических элемент 5:

Глины темно-бурого цвета. Залегают на глубине 125,50 м, мощностью 4,70 м.

Рисунок 1. Геологический разрез.

Рисунок 2. Данные о физических свойствах грунтов.

1. Анализ инженерно-геологических данных. Определение значения условного расчётного сопротивления грунта R0

Для заданного варианта грунтовых условий производим оценку характеристик слоев грунта, с целью использования его в качестве естественного основания.

слой:

.        Число пластичности:

;

=0,189-0,152=0,037

Так как число пластичности Ip находится в интервале 0,01 < Ip ≤0,07, то делаем вывод, что 1 слой - супесь.

2.      Показатель текучести:

;

==-2,46

Так как показатель текучести IL находится в интервале IL<0, то делаем вывод, что 1 слой - супесь твердая.

3.      Коэффициент пористости:

е=(1+W)-1;

е=

4.      Расчетное сопротивление:

Таблица 1.

e

R0


IL=0

0,5

300


Вывод: 1 слой - супесь твердая с расчетным сопротивлением R0=300 кПа.

слой:

. Число пластичности:


=0,21-0,11=0,10

Так как число пластичности  находится в интервале 0,07 < <0,17 , то делаем вывод, что 2 слой - суглинок.

2.      Показатель текучести:


Так как показатель текучести  находится в интервале 0,25< IL<0,5 , то делаем вывод, что 2 слой - суглинок тугопластичный.

3.      Коэффициент пористости:

е=∙(1+W)-1;

е=

4.      Расчетное сопротивление:

Таблица 2.

e

R0


IL=0

IL=0,48

IL=1

0,5

300


250

0,62

270

240,24

208

0,7

250


180


y=300+ кПа=250+ кПа=270+ кПа

Вывод: 2 слой - суглинок тугопластичный с расчетным сопротивлением R0=240,24 кПа.

слой:

1.      Тип песчаных грунтов:

Частиц крупнее: 2,0 мм - 9,5% по весу

,5 мм - 23,4% по весу

,25 мм - 48,7% по весу

,10 мм - 88,3% по весу

,05 мм - 93% по весу

,01 мм - 96,2% по весу

,005 мм - 97,4% по весу

Менее 0,005 мм - 2,6% по весу

Делаем вывод, что 3 слой - песок мелкий.

.        Коэффициент пористости:

е=∙(1+W)-1;

е=

Так как коэффициент пористости е находится в интервале 0,60< е <0,75 , то делаем вывод, что песок средней плотности.

3.      Степень влажности:

Sr=

=

Так как степень влажности Sr находится в интервале 0,8< Sr <1 , то делаем вывод, что песок насыщенный водой.

Вывод: 3 слой - песок мелкий средней плотности насыщенный водой с расчётным сопротивлением R0=200 кПа.

слой:

. Число пластичности:


=0,461-0,205=0,256

Так как число пластичности  находится в интервале 0,17 < , то делаем вывод, что 4 слой - глина.

2.      Показатель текучести:


Так как показатель текучести  находится в интервале 0< IL<0,25 , то делаем вывод, что 4 слой - глина полутвёрдая.

3.      Коэффициент пористости:

е=

4.      Расчетное сопротивление:

Таблица 3.

e

R0


IL=0

IL=0,215

IL=1

0,6

500


300

0,73

370

340,975

235

0,8

300


200


y=500+ кПа=300+ кПа=370+ кПа

Вывод: 4 слой - глина полутвёрдая с расчетным сопротивлением R0=340,975 кПа.

Итог: В качестве основания для фундаментов наиболее благоприятным является 1 слой - супесь твёрдая, IL<0 и R0=300 кПа.

2. Расчёт фундамента мелкого заложения

фундамент заложение свая грунт

2.1 Определение глубины заложения фундамента

Расчет ведем в соответствии со СНиП 2.01.01 - 82 «Строительная климатология».

Дано:

г.Уфаw=2,1=150C

грунт - супесь твёрдая, IL<0.

Определяем нормативную глубину промерзания по формуле:

,

где - глубина промерзания: для супесей =0,28м;

- коэффициент, равный сумме абсолютных значений среднемесячных отрицательных температур воздуха в данном районе.

М = 14,9+13,7+6,7+5,1+11,2=51,6

Определяем расчетную глубину промерзания по формуле:

,

где кh - коэффициент, учитывающий влияние теплового режима сооружения на глубину промерзания грунтов у фундаментов, кh =0,5;

. Т.к. (2+df) >dwи грунт, залегающий под подошвой фундамента, - супесь c показателем текучести IL<0 , то глубина заложения подошвы фундамента не менее df.

Принимаем d не менее df.

Глубина заложения фундамента d=1,1 м.

Рисунок 2.

2.2 Определение размеров подошвы фундамента в плане

1.      Определяем необходимые размеры подошвы ленточного фундамента, при условии, что к нему приложена вертикальная сила N=150 кН.

В 1ом приближении находим площадь подошвы фундамента

- расчетная нагрузка по 2ой группе предельных состояний, приложенная к обрезу фундамента.0 - условное расчетное сопротивление грунта основания

γm - осредненное расчетное значение удельного веса грунта и материала фундамента.0=300 кПа

γm=20 кН/м3 - для зданий без подвала=1,1 м

0,54 м2

2.      Ширина подошвы.

 м

3.      Найдем расчетное сопротивление грунтов основания:


γc1, γc2 - коэффициенты условия работы

γc1=1,25 - зависит от вида грунта

γc2= - зависит от вида грунта и от отношения длины и высоты здания

к - коэффициент принимаемый равным 1, если характеристики определены опытным путём.

к=1

Мγ, Мq, Мс - коэффициенты, принимаемые в зависимости от угла внутреннего трения φ =230

Мγ =0,69, Мq =3,65, Мс =6,24.

кz - коэффициент, принимаемый равным 1, т. к.  < 10 м.

γ - îñðåäíåííîå çíà÷åíèå óäåëüíîãî âåñà ãðóíòîâ çàëåãàþùèõ íèæå ïодошвы фундамента.

γ' - тоже, но выше подошвы фундамента

γ=

γsb2= кН/м3

γsb3= кН/м3

γ= Кн/м3

γ' = γ=20,1 Êí/ì3

cII - расчетное значение удельного сцепления грунта, залегающего непосредственно под подошвой фундамента.1 - глубина заложения фундаментав - глубина пола подвала, принимаемая в зависимости от ширины подвала.II=12 кПа1=1,1 мв=0 м

 кПа

4.      Определяем площадь подошвы фундаменты при новом расчетном сопротивлением грунта.

 м2

 м

Подбираем фундамент.

Размеры фундаменты принимаем: b =800 мм, l=1180 мм, Vf=0.274 м3, h=300 мм

Выполняем расчет сопротивления для подобранного фундамента:

 кПа

5.      Проверка фундамента.

pII ==NII+NfII+NsII

fII -вес фундамента

fII =Vf ∙ γb , γb=25 кН/м3

fII =0,274∙25=6,85 кНsII -вес грунта над уступами фундамента

sII =Vs∙ γII'

sII =0,636*20,1=12,79 кН=150+6,85+12,79=169,64 кН

II = кПа

179,70 кПа < 224,07 кПа

Разница превышает 5 %-фундамент подобран неэкономично

Принимаем размеры фундамента =1м, l=0,78 м, Vf=0,17 м3 h=0.3 м

Выполняем расчет сопротивления для подобранного фундамента:

кПа

Произведем проверку подобранных размеров

II ==NII+NfII+NsII

fII -вес фундамента

fII =Vf ∙ γb , γb=25 кН/м3

fII =0,17∙25=4,25 кНsII -вес грунта над уступами фундамента

sII =Vs∙ γII'

sII =0,56*20,1=11,256 кН=150+4,25+11,256=165,506 кНII = кПа

,19 кПа < 227,73 кПа

Разница составляет 7 %, следовательно размеры фундамента подобраны верно. Окончательно принимаем фундамент ФЛ 10-8-2 с параметрами =1м, l=0,78 м, Vf=0,17 м3 h=0,3 м.

2.3 Расчет осадки фундамента методом послойного суммирования

1.      Определяем природное и вспомогательное напряжение от собственного веса грунта.

 - природное

- вспомогательное

Определяем удельный вес грунтов:

ρ·g =2,01·10=20,1 кН/м3

ρ·g =1,89·10=18,9 кН/м3

Так как во втором слое грунта проходит уровень грунтовых вод, то удельный вес  необходимо пересчитать с учётом взвешивающего действия воды.

γsb2= кН/м3

Аналогично

γsb3= кН/м3

ρ·g =1,98·10=19,8 кН/м3

1) На поверхности земли:

Дополнительное вертикальное напряжение

) Вертикальное напряжение от собственного веса грунта на подошве фундамента:

= кПа

Дополнительное вертикальное напряжение

 кПа

) Вертикальное напряжение от собственного веса грунта на уровне подошвы 1-го слоя:

= кПа

 кПа

) Вертикальное напряжение от собственного веса грунта на уровне грунтовых вод:

= кПа

 кПа

) Вертикальное напряжение от собственного веса грунта на уровне подошвы 2-го слоя:

= кПа

 кПа

) Вертикальное напряжение от собственного веса грунта на уровне подошвы 3-го слоя:

= кПа

 кПа

) Вертикальное напряжение от собственного веса грунта на кровле водоупора:

 кПа

 кПа

 кПа

) Вертикальное напряжение от собственного веса грунта на подошве 4-го слоя:

 кПа

 кПа

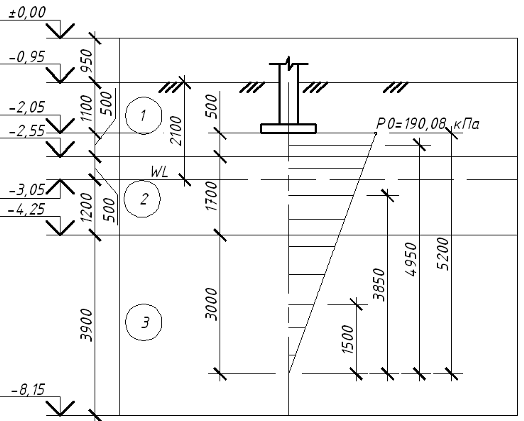
. Определяем дополнительное давление на подошву фундамента


 кПа

. Сжимающую толщу грунта ниже подошвы фундамента разбиваем на элементарные слои высотой zi Определяем высоту элементарного слоя :


 м < 0,3м, следовательно zi=0,4 м

. Определяем напряжение на каждом элементарном слое.

Для этого составляем таблицу.

Таблица 4.

Наименование слоя

zi, м

hi, м



кПа

Eo, кПа









1

Супесь твёрдая IL=-2,46 е=0,42

0

1,1

0

1

190,08

32000

2


0,4

1,5

0,8

0,881

167,46


3

Суглинок тугопластичный IL=0,48 е=0,62

0,8

1,9

1,6

0,642

122,03

19000

4


1,2

2,3

2,4

0,477

90,67


5


1,6

2,7

3,2

0,374

71,09


6


2,0

3,1

4,0

0,306

58,16


7

Песок мелкий средней плотности насыщенный водой е=0,72

2,4

3,5

4,8

0,258

49,04

18000

8


2,8

3,9

5,6

0,223

42,39


9


3,2

4,3

6,4

0,196

37,26


10


3,6

4,7

7,2

0,175

33,26


11


4,0

5,1

8,0

0,158


12


4,4

5,5

8,8

0,143

27,18


13


4,8

5,9

9,6

0,132

25,09


14


5,2

6,3

10,4

0,122

23,19


15


5,6

6,7

11,2

0,113

21,48


16


6,0

7,1

12,0

0,106

20,15



. Определяем осадку фундамента.


где β=0,8 - коэффициент бокового расширения,

- модуль деформации,

- среднее напряжение в i-ом слое.

1,36 см < 8 см

Вывод: осадка удовлетворяет условию, следовательно, допустима.

Рисунок 3.

2.4 Ðàñ÷åò îñàäêè ôóíäàìåíòà ìåòîäîì ýêâèâàëåíòíîãî ñëîÿ (ìåòîä Öûòîâè÷à)

. Íàéäåì êîýôôèöèåíò îòíîñèòåëüíîé ñæèìàåìîñòè ïî ôîðìóëå:

-êîýôôèöèåíò ñæèìàåìîñòèêîýôôèöèåíò ïîðèñòîñòè

êÏà-1

 êÏà-1

 êÏà-1

. Îïðåäåëèì ìîùíîñòü ýêâèâàëåíòíîé ýïþðû ïî ôîðìóëå:

=2,60 - êîýôôèöèåíò ýêâèâàëåíòíîãî ñëîÿ (ïðè êîýôôèöèåíòå Ïóàññîíà = 0,3- äëÿ ïåñêîâ è ñóïåñåé)=1 ì - øèðèíà ïîäîøâû ôóíäàìåíòà

. Îïðåäåëÿåì âåëè÷èíó ñæèìàþùåé òîëùè ïî ôîðìóëå:

. Ñòðîèì ýïþðó è îïðåäåëÿåì çíà÷åíèÿ hi è zi

Ðèñóíîê 4.

=0,5 ì z1=4,95 ì=1,7 ì z2=3,85 ì=3,0 ì z3=1,5 ì

. Îïðåäåëÿåì ñðåäíåå çíà÷åíèå êîýôôèöèåíòà îòíîñèòåëüíîé ñæèìàåìîñòè:


. Îïðåäåëÿåì îñàäêó ôóíäàìåíòà:


Âûâîä: 0,465 ñì <8 ñì, ÷òî óäîâëåòâîðÿåò óñëîâèþ S<Su

.5 Ðàñ÷åò çàòóõàíèÿ îñàäêè âî âðåìåíè

Âåëè÷èíà ñæèìàåìîé òîëùè:

Âåëè÷èíà îñàäêè:

Îïðåäåëåíèå ñðåäíåãî çíà÷åíèÿ êîýôôèöèåíòà ôèëüòðàöèè:


Îïðåäåëåíèå êîýôôèöèåíòà êîíñîëèäàöèè:

Îïðåäåëåíèå ïåðèîäà êîíñîëèäàöèè:



U

N

t=N*T, ãîä

St=S*U, ñì

0,2

0,02

0,06

0,09

0,4

0,13

0,42

0,19

0,6

0,42

1,34

0,28

0,8

1,08

3,46

0,37

0,95

2,54

8,13

0,44


Ðèñóíîê 5. Ãðàôèê çàòóõàíèÿ îñàäêè âî âðåìåíè.

3. Ðàñ÷åò ñâàéíîãî ôóíäàìåíòà

.1 Âûáîð ãëóáèíû çàëîæåíèÿ ðîñòâåðêà, íåñóùåãî ñëîÿ ãðóíòà è êîíñòðóêöèè ñâàè

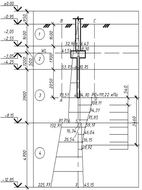
Ãëóáèíó çàëîæåíèÿ ðîñòâåðêà ïðèíèìàåì êîíñòðóêòèâíî d=2,45 ì.

Âûñîòà ðîñòâåðêà ïðèíèìàåì 0,5 ì

Ïðèíèìàåì ãëóáèíó çàäåëêè ñâàè â ðîñòâåðê ∆Z=0,1 ì

Ðèñóíîê 6.

Ïðèíèìàåì ñå÷åíèå ñâàè:

30 ñì  30 ñì, ò. å. 0,3 ì  0,3 ì

äëèíó ñâàè ïðèíèìàåì 3 ì

.2 Îïðåäåëÿåì íåñóùóþ ñïîñîáíîñòü è ñèëû ðàñ÷¸òíîãî ñîïðîòèâëåíèÿ ñâàè ïî ìàòåðèàëó è ãðóíòó

.Îïðåäåëåíèå ñèëû ðàñ÷åòíîãî ñîïðîòèâëåíèÿ ñâàè ïî ìàòåðèàëó:

, ãäå

 - êîýôôèöèåíò óñëîâèé ðàáîòû ñâàè â ãðóíòå;

 - êîýôôèöèåíò ïðîäîëüíîãî èçãèáà (çàâèñèò îò âèäà ðîñòâåðêà);

- êîýôôèöèåíò ðàáîòû áåòîíà (çàâèñèò îò ñïîñîáà ïîãðóæåíèÿ ñâàè);

- ðàñ÷åòíîå ñîïðîòèâëåíèå áåòîíà;

- ïëîùàäü ñå÷åíèÿ ñâàè;

- ðàñ÷¸òíîå ñîïðîòèâëåíèå àðìàòóðû;

- ïëîùàäü ïîïåðå÷íîãî ñå÷åíèÿ àðìàòóðû.

 =1

 =1

=1

=8,5ÌÏà

=225ÌÏà

=0,09 ì2

=4,52*10-4 ì2

.Îïðåäåëåíèå ñèëû ðàñ÷åòíîãî ñîïðîòèâëåíèÿ ñâàè ïî ãðóíòó:


- íåñóùàÿ ñïîñîáíîñòü ñâàè ïî ãðóíòó;

=1 - êîýôôèöèåíò óñëîâèÿ ðàáîòû ñâàè â ãðóíòå;

, - êîýôôèöèåíòû óñëîâèÿ ðàáîòû ãðóíòà ñîîòâåòñòâåííî ïîä íèæíèì êîíöîì ñâàè è ïî å¸ áîêîâîé ïîâåðõíîñòè.

=1, =1 ïî ÑÍèÏ.- ðàñ÷åòíîå ñîïðîòèâëåíèå ãðóíòà ïîä íèæíèì êîíöîì ñâàè;

À - ïëîùàäü îïèðàíèÿ ñâàè íà ãðóíò (ïëîùàäü ñå÷åíèÿ ñâàè);- íàðóæíûé ïåðèìåòð ïîïåðå÷íîãî ñå÷åíèÿ ñâàè;i - ðàñ÷åòíîå ñîïðîòèâëåíèå i-òîãî ñëîÿ ãðóíòà ïî áîêîâîé ïîâåðõíîñòè ñâàè;i - òîëùèíà i-òîãî ñëîÿ ãðóíòà;

; ì2;  ì;1 =20 êÏà h1=0,85 ì2 = 38 êÏà h2=2,05 ì

.Îïðåäåëåíèå ñèëû ðàñ÷åòíîãî ñîïðîòèâëåíèÿ ñâàè ïî ãðóíòó:

RS - ñèëà ðàñ÷åòíîãî ñîïðîòèâëåíèÿ ñâàè ïî ãðóíòó;

γk - êîýôôèöèåíò íàäåæíîñòè, íàçíà÷àåìûé â çàâèñèìîñòè îò ìåòîäà îïðåäåëåíèÿ íåñóùåé ñïîñîáíîñòè ñâàè;

γk=1,4

 êÍ.

Ðèñóíîê 7.

3.3    Îïðåäåëåíèå ïðèáëèæ¸ííîãî âåñà ðîñòâåðêà è ÷èñëà ñâàé


ãäå NII - íàãðóçêà âåðòèêàëüíàÿ ïî îáðåçó ôóíäàìåíòà ïî 1 ãðóïïå ïðåäåëüíûõ ñîñòîÿíèé,

Îïðåäåëåíèå ñðåäíåãî äàâëåíèÿ íà îñíîâàíèå ïîä ðîñòâåðêîì:

- äèàìåòð ñâàè

Îïðåäåëåíèå ïëîùàäè ïîäîøâû ðîñòâåðêà Ag


γf - êîýôôèöèåíò íàäåæíîñòè ïî ãðóíòó,

γm - êîýôôèöèåíò ñðåäíåãî çíà÷åíèÿ óäåëüíîãî âåñà ìàòåðèàëà ðîñòâåðêà è ãðóíòà íà óñòóïàõ.

γm ñ ïîäâàëîì - 17 êÍ/ì3

dg - ãëóáèíà çàëîæåíèÿ ðîñòâåðêà

γf=1,1

γm=17 êÍ/ì3g=2,45 ì

Îïðåäåëåíèå êîëè÷åñòâà ñâàé :


ηm - êîýôôèöèåíò, ó÷èòûâàþùèé äåéñòâèå ìîìåíòà, äëÿ öåíòðàëüíî íàãðóæåííûõ ôóíäàìåíòîâ ðàâåí 1;âåñ ðîñòâåðêà è ãðóíòà íà óñòóïàõ=18,5+71,73=90,23 êÍ


3.4 Êîíñòðóèðîâàíèå ðîñòâåðêà

Ìèíèìàëüíîå ðàññòîÿíèå ìåæäó ñâàÿìè 3d, d - äèàìåòð ïîïåðå÷íîãî ñå÷åíèÿ ñâàè. Ðàññòîÿíèå â ñâåòó îò êðàÿ ñâàè äî êðàÿ ðîñòâåðêà äîëæíî áûòü íå ìåíåå 5 ñì. Ïðîâåðêà óñèëèé, ïåðåäàâàåìûõ íà ñâàþ:

 êÍ < 222,77êÍ

Ãäå N - íàãðóçêà- êîëè÷åñòâî ñâàé

Îïðåäåëÿåì ïåðåãðóç:

 % >5%-ôóíäàìåíò ïîäîáðàí âåðíî

Ðèñóíîê 8.

3.5 Ðàñ÷åò îñàäêè ñâàéíîãî ôóíäàìåíòà

Îïðåäåëÿåì ñðåäíåâçâåøåííîå çíà÷åíèå óãëà âíóòðåííåãî òðåíèÿ


 - ðàñ÷åòíîå çíà÷åíèå, ñîîòâåòñòâåííî óãëà âíóòðåííåãî òðåíèÿ i ñëîÿ, ïðîðåçàåìîãî ñâàåé è òîëùèíà i-îãî ñëîÿ1=1,6 ì, φ1=23, h2=1,7 ì

φ2=173=2,05 ì

φ3=27

Îïðåäåëÿåì ðàçìåðû ïîäîøâû óñëîâíîãî ôóíäàìåíòà


 

Ðèñóíîê 9.                                                Ðèñóíîê 10.

Îïðåäåëÿåì âåñ óñëîâíîãî ôóíäàìåíòà:

2,71*3,99*(1,6*20,1+0,5*18,9+1,2*10,185+2,05*9,65)=795,04êÍ

Äàâëåíèå íà ãðóíò îò óñëîâíîãî ôóíäàìåíòà:

=(1200+795,04)/10,8=184,73 êÏà

Îïðåäåëÿåì ðàñ÷åòíîå ñîïðîòèâëåíèå ãðóíòà R, ðàñïîëîæåííîãî íèæå óñëîâíîãî ôóíäàìåíòà

c - ãëóáèíà çàëîæåíèÿ óñëîâíîãî ôóíäàìåíòà;

γ11=(9,65*1,85+19,8*4,7)/(1,85+4,7)=16,93 êÍ/ì3 - îñðåäíåííîå çíà÷åíèå óäåëüíîãî âåñà ãðóíòîâ ïîä ïîäîøâîé ôóíäàìåíòà

γ111=(2,05*9,65+1,2*10,185+0,5*18,9+1,6*20,1)/(2,05+1,2+0,5+1,6)=13,76 êÍ/ì3 - âûøå ïîäîøâû ôóíäàìåíòà

γc1, γc2 - êîýôôèöèåíòû óñëîâèÿ ðàáîòû

γc1=1,3

γc2=1,3

ê - êîýôôèöèåíò ïðèíèìàåìûé ðàâíûì 1.

ê=1

Ìγ, Ìq, Ìñ - êîýôôèöèåíòû, ïðèíèìàåìûå â çàâèñèìîñòè îò óãëà âíóòðåííåãî òðåíèÿ φ =270 Ñ

Ìγ =0,91, Ìq =4,64, Ìñ =7,14.

êz - êîýôôèöèåíò, ïðèíèìàåìûé ðàâíûì 1, ò. ê.  < 10 ì.II - ðàñ÷åòíîå çíà÷åíèå óäåëüíîãî ñöåïëåíèÿ ãðóíòà, çàëåãàþùåãî íåïîñðåäñòâåííî ïîä ïîäîøâîé ôóíäàìåíòà.

184,73 êÏà<R=647,57 êÏà - òðåáîâàíèå âûïîëíÿåòñÿ.

Ðàñ÷åò îñàäêè âûïîëíÿåì ìåòîäîì ïîñëîéíîãî ñóììèðîâàíèÿ.

. Îïðåäåëÿåì îðäèíàòû ýïþðû.

) Íà ïîâåðõíîñòè çåìëè:

Äîïîëíèòåëüíîå âåðòèêàëüíîå íàïðÿæåíèå:

) Âåðòèêàëüíîå íàïðÿæåíèå îò ñîáñòâåííîãî âåñà ãðóíòà íà óðîâíå ïîäîøâû 1-ãî ñëîÿ:

= êÏà

Äîïîëíèòåëüíîå âåðòèêàëüíîå íàïðÿæåíèå:  êÏà

) Âåðòèêàëüíîå íàïðÿæåíèå îò ñîáñòâåííîãî âåñà ãðóíòà íà óðîâíå ãðóíòîâûõ âîä:

= êÏà

 êÏà

) Âåðòèêàëüíîå íàïðÿæåíèå îò ñîáñòâåííîãî âåñà ãðóíòà íà óðîâíå ïîäîøâû 2-ãî ñëîÿ:

= êÏà

 êÏà 5) Âåðòèêàëüíîå íàïðÿæåíèå îò ñîáñòâåííîãî âåñà ãðóíòà íà óðîâíå ïîäîøâû óñëîâíîãî ôóíäàìåíòà:

= êÏà

 êÏà

) Âåðòèêàëüíîå íàïðÿæåíèå îò ñîáñòâåííîãî âåñà ãðóíòà íà óðîâíå ïîäîøâû 3-ãî ñëîÿ:

= êÏà

 êÏà

) Âåðòèêàëüíîå íàïðÿæåíèå îò ñîáñòâåííîãî âåñà ãðóíòà íà êðîâëå âîäîóïîðà:

 êÏà

 êÏà

 êÏà

) Âåðòèêàëüíîå íàïðÿæåíèå îò ñîáñòâåííîãî âåñà ãðóíòà íà ïîäîøâå 4-ãî ñëîÿ:

 êÏà

 êÏà

2.      Îïðåäåëÿåì äîïîëíèòåëüíîå äàâëåíèå íà ïîäîøâó ôóíäàìåíòà.

;

 êÏà.

3.      Îïðåäåëÿåì ýëåìåíòàðíóþ âûñîòó ñëîÿ.

;

 ì.

4.      Ðàçáèâàåì ãðóíòîâóþ òîëùó îò ïîäîøâû íà ýëåìåíòàðíûå ñëîè.

.        Îïðåäåëÿåì íàïðÿæåíèÿ íà êàæäîì ýëåìåíòàðíîì ñëîå. Äëÿ ýòîãî ñîñòàâèì òàáëèöó:

Òàáëèöà 5.

¹

Íàèìåíîâàíèå ñëîÿ

zi, ì

hi, ì



 êÏà

Eo, êÏà









1

Ïåñîê ìåëêèé ñðåäíåé ïëîòíîñòè íàñûùåííûé âîäîé å=0,72

0

5,35

0

1

111,22

18000

2


0,54

5,89

0,4

0,972

108,11


3


1,08

6,43

0,8

0,848

94,31


4


1,62

6,97

1,2

0,682

75,85


5

Ãëèíà ïîëóòâ¸ðäàÿ å=0,73

2,16

7,51

1,6

0,532

59,17

21000

6


2,7

8,05

2,0

0,414

46,04


7


3,24

8,59

2,4

0,325

36,15


8


3,78

9,13

2,8

0,260

28,92



.        Îïðåäåëÿåì îñàäêó ôóíäàìåíòà.

,

ãäå  - êîððåêòèðóþùèé êîýôôèöèåíò,

- ìîäóëü äåôîðìàöèè,

- ñðåäíåå íàïðÿæåíèå â i-îì ñëîå.

Âûâîä: îñàäêà óäîâëåòâîðÿåò óñëîâèþ, ñëåäîâàòåëüíî äîïóñòèìà.

Ðèñóíîê 11.

Ñïèñîê ëèòåðàòóðû

1. ÑÍèÏ 2.02.01-83. Îñíîâàíèÿ çäàíèé è ñîîðóæåíèé. Ì.: Ñòðîéèçäàò, 1983 ã.

. Áåðëèíîâ Ì.Â. Îñíîâàíèÿ è ôóíäàìåíòû. Ì.: Âûñøàÿ øêîëà, 1988ã.-319 ñ.

. Ãóñåâà Â. È. Ìåòîäè÷åñêèå óêàçàíèÿ «Ìåõàíèêà ãðóíòîâ, îñíîâàíèÿ è ôóíäàìåíòû». Ì.: Èçäàòåëüñòâî Âñåñîþçíîãî çàî÷íîãî ïîëèòåõíè÷åñêîãî èíñòèòóòà, 1991 ã.-50ñ.

. Óõîâ Ñ. Á., Ñåìåíîâ Â. Â., Çíàìåíñêèé Â. Â. è äð. Ìåõàíèêà ãðóíòîâ, îñíîâàíèÿ è ôóíäàìåíòû. Ì.: Èçäàòåëüñòâà ÀÑÂ, 1994 ã.-527 ñ.

. Äàëìàòîâ Á. È. Ìåõàíèêà ãðóíòîâ, îñíîâàíèÿ è ôóíäàìåíòû. Ì.: Ñòðîéèçäàò, 1981 ã.-319ñ.

. ÑÍèÏ 2.02.03-85. Ñâàéíûå ôóíäàìåíòû / Ãîññòðîé ÑÑÑÐ. - Ì.: ÖÈÒÏ Ãîññòðîÿ ÑÑÑÐ, 1983 ã.

. ÑÍèÏ 2.01.01-82. Ñòðîèòåëüíàÿ êëèìàòîëîãèÿ è ãåîôèçèêà / Ãîññòðîé ÑÑÑÐ. - Ì.: ÖÈÒÏ Ãîññòðîÿ ÑÑÑÐ, 1987 ã.

. ÑÍèÏ 25100-95. Ãðóíòû. Êëàññèôèêàöèÿ. - Ì.: Èç-âî ñòàíäàðòîâ, 1986 ã.

Ðàçìåùåíî íà Allbest.ru

Похожие работы на - Расчёт и проектирование фундаментов различного заложения

 

Не нашли материал для своей работы?
Поможем написать уникальную работу
Без плагиата!
Без нейросетей!