|
НМ
<#"796445.files/image003.gif"> снижен
на 0,2...0,5 м, в зависимости от типоразмера);
широкий
диапазон напоров за счет изменения числа ступеней;
детали
корпуса и проточной части выполнены из углеродистых и легированных хромистых
сталей[10].
.3
Характеристика перекачиваемых нефтепродуктов
По
трубопроводу необходимо перекачивать дизельное топливо и бензин. Дизельное
топливо предназначено для быстроходных дизельных и газотурбинных двигателей
наземной и судовой техники. Условия смесеобразования и воспламенения топлива в
дизелях отличаются от таковых в карбюраторных двигателях. Преимуществом первых
является возможность осуществления высокой степени сжатия (до 18 в быстроходных
дизелях), вследствие чего удельный расход топлива в них на 25-30 % ниже, чем в
карбюраторных двигателях. В то же время дизели отличаются большей сложностью в
изготовлении, большими габаритами. По экономичности и надежности работы дизели
успешно конкурируют с карбюраторными двигателями. Допускается изготавливать
топливо с присадками, допущенными к применению в установленном порядке. В
зависимости от условий применения устанавливаются три марки дизельного топлива:
Л
(летнее) - рекомендуемое для эксплуатации при температуре окружающего воздуха О
°С и выше;
(зимнее)
- рекомендуемое для эксплуатации при температуре окружающего воздуха минус 20
°С и выше (температура застывания топлива не выше минус 35 °С) и минус 30 °С и
выше (температура застывания топлива не выше минус 45 °С) ;
А
(арктическое) - рекомендуемое для эксплуатации при температуре окружающего
воздуха минус 50 °С и выше.
По
содержанию серы дизельные топлива подразделяются на два вида:- массовая доля
серы не более 0,2 %; II - массовая доля серы не более 0,5 % (для марки А не
более 0,4 %). В условное обозначение топлива дизельного должна входить массовая
доля серы, а также для марки Л - температура вспышки, для марки 3 -
температура застывания[11].
Технические
требования, предъявляемые к дизельным топливам, представлены в таблице 3 [8].
Таблица
3 - Характеристики дизельного топлива
|
Наименование показателя
|
Норма для марки 1 cорт
|
|
(отличающиеся значения для
марки высшего сорта указаны в скобках)
|
|
Л
|
З
|
А
|
|
1 Цетановое число, не менее
|
45
|
45
|
45
|
|
2 Фракционный состав:
|
|
|
|
|
- 50% перегоняется при
температуре, °С, не выше
|
280
|
280
|
255
|
|
- 96% перегоняется при
температуре (конец перегонки), °С, не выше
|
360
|
340
|
330
|
|
3 Кинематическая вязкость
при 20 °С, мм 2/с
|
3,0-6,0
|
1,8-5,0
|
1,5-4,0
|
|
4 Температура застывания,
°С, не выше, для климатической зоны: - умеренной;
|
Минус 10
|
Минус 35
|
|
|
- холодной
|
-
|
Минус 45
|
Минус 55
|
|
5 Температура помутнения,
°С, не выше, для климатической зоны: - умеренной;
|
Минус 5
|
Минус 25
|
|
|
- холодной
|
|
Минус 35
|
|
|
6 Температура вспышки,
определяемая в закрытом тигле, °С, не ниже: - для тепловозных и судовых
дизелей и газовых турбин;
|
62
|
40
|
35
|
|
- для дизелей общего
назначения
|
40
|
35
|
30
|
|
7 Массовая доля серы, %, не
более, в топливе вида
|
(0,2)
|
(0,2)
|
(0,2)
|
|
I
|
0,20
|
0,20
|
0,20
|
|
II
|
0,50
|
0,50
|
0,40
|
|
8 Массовая доля
меркаптановой серы, %, не более
|
0,01
|
0,01
|
0,01
|
|
9 Содержание сероводорода
|
Отсутствие
|
Отсутствие
|
Отсутствие
|
|
10 Испытание на медной
пластинке
|
Выдерживает
|
Выдерживает
|
Выдерживает
|
|
11 Содержание
водорастворимых кислот и щелочей
|
Отсутствие
|
Отсутствие
|
Отсутствие
|
|
12 Концентрация фактических
смол, мг на 100 см 3 топлива, не более
|
40 (25)
|
30 (25)
|
30 (25)
|
|
13 Кислотность, мг КОН на
100 см 3 топлива, не более
|
5
|
5
|
5
|
|
14 Йодное число, г йода на
100 г топлива, не более
|
6(5)
|
6(5)
|
6(5)
|
|
15 Зольность, %, не более
|
0,01 (0,008)
|
0,01 (0,008)
|
0,01 (0,008)
|
|
16 Коксуемость 10%-ного
остатка, %, не более
|
0,20 (0,20)
|
0,30 (0,10)
|
0,30 (0,10)
|
|
17Коэффициент
фильтруемости, не более
|
3(2)
|
3(2)
|
3(2)
|
|
18 Содержание механических
примесей и воды
|
Отсутствие
|
Отсутствие
|
Отсутствие
|
|
19 Содержание воды
|
Отсутствие
|
Отсутствие
|
Отсутствие
|
|
20 Плотность при 20 °С,
кг/м 3, не более
|
860
|
840
|
830
|
|
21 Предельная температура
фильтруемости, оС, не выше
|
Минус 5
|
|
-
|
Исходя из условий, приведенных в таблице, возьмем дизельное топливо со
следующими характеристиками
Бензин - горючая смесь лёгких углеводородов с температурой кипения от 33
до 205 °C (в зависимости от примесей). Плотность около 0,71 г/см³.
Теплотворная способность
примерно 10 200 ккал/кг (46 МДж/кг, 34,5 МДж/литр). Температура замерзания −72
°C в случае использования специальных присадок. Остальные характеристики
представлены в таблице 4.
Основные марки автомобильных бензинов ГОСТ Р 51105-97:
· Нормаль-80
- с октановым числом
<https://ru.wikipedia.org/wiki/%D0%9E%D0%BA%D1%82%D0%B0%D0%BD%D0%BE%D0%B2%D0%BE%D0%B5_%D1%87%D0%B8%D1%81%D0%BB%D0%BE>
по исследовательскому методу не менее 80;
· Регуляр-92 - с октановым числом по исследовательскому методу
не менее 92;
· Премиум-95 - с октановым числом по исследовательскому методу
не менее 95;
· Супер-98 - с октановым числом по исследовательскому методу не
менее 98[12]
Таблица 4 - Физико-химические и эксплуатационные показатели автомобильных
бензинов [9]
|
Наименование показателя
|
Нормаль-80
|
Регуляр-92
|
Премиум-95
|
Супер-98
|
|
ОЧММ
|
76
|
83
|
85
|
88
|
|
ОЧИМ
|
80
|
92
|
95
|
98
|
|
Концентрация Pb, г/л, не
более
|
0,01
|
|
Концентрация Mn, мг/л, не
более
|
50
|
нет
|
|
Концентрация фактических
смол, мг/100 см³,
не более
|
5
|
|
Индукционный период
бензина, мин, не менее
|
360
|
|
Массовая доля серы, %, не
более
|
0,05
|
|
Объемная доля бензола, %,
не более
|
5
|
|
Испытания на медной
пластине
|
Выдерживает, класс 1
|
|
Внешний вид
|
Чистый, прозрачный
|
|
Плотность при 15°C
|
700-750
|
725-780
|
725-780
|
725-780
|
Современные автомобильные и авиационные бензины должны удовлетворять ряду
требований, обеспечивающих экономичную и надежную работу двигателя, и
требованиям эксплуатации: иметь хорошую испаряемость, позволяющую получить
однородную топливовоздушную смесь оптимального состава при любых температурах;
иметь групповой углеводородный состав, обеспечивающий устойчивый,
бездетонационный процесс сгорания на всех режимах работы двигателя; не изменять
своего состава и свойств при длительном хранении и не оказывать вредного
влияния на детали топливной системы, резервуары, резинотехнические изделия и
др. В последние годы экологические свойства топлива выдвигаются на первый
план[11].
В курсовой работе взят бензин со следующими характеристиками
2 Принцип последовательной перекачки бензина и дизельного топлива и
основные ее параметры
.1 Особенности технологии последовательной перекачки
При последовательной перекачке различные нефтепродукты поступают с НПЗ в
резервуары головной перекачивающей станции, а их перекачка производится
последовательно - в виде отдельных следующих друг за другом партий.
Периодически повторяющаяся очередность следования нефтепродуктов в
трубопроводе называется циклом последовательной перекачки.
Партии нефтепродуктов в цикле формируются с учетом их состава, свойств и
качества, в нефтепродуктопроводе одновременно находится несколько партий
различных по свойствам нефтепродуктов.
В период закачки в нефтепродуктопровод очередной партии какого-либо
продукта другие нефтепродукты, поступающие с НПЗ, принимаются в резервуары
головной перекачивающей станции. В период же поступления на конечный пункт,
нефтебазу и наливной пункт очередной партии определенного нефтепродукта
снабжение потребителей нефтепродуктами других сортов осуществляется за счет
созданных ранее запасов.
Особенностью последовательной перекачки является образование некоторого
количества смеси в зоне контакта двух следующих друг за другом нефтепродуктов.
Причиной смесеобразования является неравномерность осредненных местных
скоростей по сечению трубопровода. Кроме того, некоторое количество смеси
образуется при переключении системы задвижек на начальном пункте
нефтепродуктопровода в период смены нефтепродукта (такая смесь называется
первичной).
Для уменьшения количества смеси иногда применяются специальные устройства
- разделители, помещаемые в зону контакта разносортных нефтепродуктов и
двигающихся с ними по нефтепродуктопроводам. Кроме того, на конечном пункте
предусматриваются мероприятия по исправлению и реализации получающейся смеси
нефтепродуктов[2].
.2 Смесеобразование при последовательной перекачке и борьба с ним
В месте контакта последовательно движущихся жидкостей образуется смесь,
количество которой зависит от многих факторов. Смесь - это некондиционированный
продукт. Поэтому ее количество необходимо свести к минимуму. Для этого
необходимо изучить механизм смесеобразования и установить зависимость объема
смеси от определяющих параметров.
В зависимости от режима перекачки смесеобразование в трубопроводе
протекает по-разному.
При ламинарном (струйном) течении механизм смесеобразования таков. В
начальный момент времени (t = 0) граница раздела жидкостей плоская, смеси нет.
Рисунок 2 - Механизм смесеобразования
при ламинарном режиме
Рисунок 3 - Изменение объема смеси при ламинарном режиме последовательной
перекачки
После начала последовательной перекачки позади идущая жидкость Б
вклинивается во впереди идущую жидкость А в соответствии с параболическим
профилем распределения местных скоростей. Смесью в данном случае является
участок трубы, заполненный сразу обеими контактирующими жидкостями.
Динамика изменения объема смеси представлена на рисунке 3.
Так как при ламинарном режиме перекачки скорость струек на оси трубы в 2
раза выше средней скорости потока, а на стенке скорость жидкости (по условию
“прилипания”) равна нулю, то с течением времени вытесняющая жидкость Б будет
все больше вклиниваться в вытесняемую жидкость А, а на стенке перемещаться не
будет. В момент, когда “голова” клина достигает конечного сечения трубопровода,
заканчивается фаза замещения и весь трубопровод заполнен смесью последовательно
перекачиваемых жидкостей.
Далее
начинается фаза вымывания. Заключается она в том, что постепенно конечного
сечения трубопровода достигают струйки, все более удаленные от оси трубы. Этот
процесс протекает крайне медленно. Теоретически и экспериментально установлено,
что для полного вымывания жидкости А необходимо прокачать вытесняющую жидкость
Б в количестве 3...4 объемов трубопровода  . Таким
образом, объем образующейся смеси при ламинарном режиме перекачки составляет
(4...5)× .
При
турбулентном режиме перекачки механизм смесеобразования иной (рисунок 4). После
начала последовательной перекачки позади идущая жидкость Б вклинивается во
впереди идущую жидкость А в соответствии с логарифмическим профилем
распределения местных скоростей.
Однако
уже в следующий момент времени за счет поперечных пульсаций скорости,
характерных для турбулентного режима вклинивающаяся жидкость Б полностью
перемешивается с впереди идущей жидкостью А, находящейся у стенки. Далее во
впереди идущую жидкость А вклинивается образовавшаяся смесь, а в смесь
вклинивается позади идущая жидкость Б (рисунок 5).
И
опять за счет поперечных пульсаций скорости в зоне обоих контактов происходит
полное перемешивание жидкостей. Этот процесс протекает и в дальнейшем. В
результате длина образовавшейся смеси постепенно увеличивается в обоих
направлениях. При этом кривая распределения концентрации жидкости Б по длине смеси
занимает все более пологое положение.
Рисунок 4- Механизм смесеобразования
при турбулентном режиме
Рисунок 5 - Изменение объема смеси и концентрации жидкости Б по ее длине
во времени
Благодаря существованию поперечных пульсаций скорости вытесняющая
жидкость Б не может сколь угодно долго вклиниваться в вытесняемую жидкость А.
Кроме того, при турбулентном режиме за счет поперечных турбулентных пульсаций
жидкость А вымывается из пристенной области и смесь движется как своеобразный
поршень. Поэтому объем образующейся смеси относительно невелик. Согласно
приближенной теории смесеобразования, разработанной В.С. Яблонским и В.А.
Юфиным, этот объем при турбулентном режиме перекачки не превышает 1 % от объема
трубопровода, пройденного серединой смеси[2].
.3 Контроль последовательной перекачки
Успех последовательной перекачки достигается при условии тщательного
контроля за технологическим процессом. Правильно организованный контроль позволяет
диспетчеру достаточно точно знать местонахождение партий нефтепродуктов и зоны
смеси, организовывать сбросы на попутные нефтебазы и наливные пункты,
подготовиться к четкому приему и распределению смеси на конечном пункте
трубопровода.
Для контроля за последовательной перекачкой разработан ряд методов и
средств, основанных на фиксации изменения одного из физических параметров
последовательно перекачиваемых жидкостей (плотности, диэлектрической
проницаемости, скорости прохождения ультразвука и др.), а также на контроле за
каким-либо индикатором (радиоактивные изотопы, флуоресцентные красители и
т.д.). Рассмотрим их подробнее.
) Контроль смеси по изменению плотности
Контроль за прохождением смеси по изменению плотности производят в том
случае, когда разность плотностей контактирующих жидкостей достаточно велика.
В основу определения концентраций положены следующие рассуждения.
Плотность смеси жидкостей А и Б определяется по правилу аддитивности
, (1)
где
- плотности чистых жидкостей А и Б;
КА,
КБ - их концентрации в смеси.
Концентрации
жидкостей А и Б в любом сечении связаны формулой КА + КБ = 1.
Если
непрерывно измерять rсм, то при заданных величинах , и с учетом, что КБ = 1 - КА, нетрудно найти
мгновенные концентрации чистых жидкостей в рассматриваемом сечении
, (2)
, (3)
Для
непрерывного (автоматического) измерения плотности перекачивающей жидкости
создан ряд приборов.
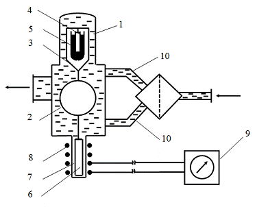
На
рисунке 6 приведена принципиальная схема поплавкового плотномера конструкции
НИИТранснефть. Он состоит из корпуса 1, поплавка 2, узла стабилизации положения
поплавка (петля 3, эбонитовый стержень 4, сосуд с ртутью 5) и узла фиксации его
перемещений (плунжер 6, трубка из немагнитного материала 7, катушка
индуктивности 8, вторичный прибор 9).
Плотномер
рекомендуется устанавливать на байпасе перед перекачивающей станцией или
конечным пунктом. Перед прибором размещается фильтр, из которого очищенная
жидкость по двум патрубкам 10 поступает в плотномер.
С
изменением плотности жидкости, проходящей через плотномер, изменяется величина
архимедовой подъемной силы, действующей на поплавок. В результате поплавок 2
вместе с петлей 3 и плунжером 6 получает вертикальное перемещение. Для того
чтобы это перемещение находилось в определенных пределах, служит узел
стабилизации положения поплавка, действие которого также основано на
использовании архимедовой силы. Предположим, что плотность смеси стала меньше и
поплавок опускается. При этом стержень 4, жестко связанный с петлей 3
опускается в сосуд с ртутью.
За
счет разности плотностей ртути и эбонита возникает выталкивающая сила,
препятствующая дальнейшему опусканию стержня, а, следовательно, и поплавка. При
повышении плотности жидкости картина обратная.
-
корпус; 2 - поплавок; 3 - петля; 4 - эбонитовый стержень; 5- сосуд со ртутью;
6- плунжер; 7- трубка из немагнитного материала; 8- катушка индуктивности; 9 -
вторичный прибор
Рисунок
6 - Поплавковый плотномер конструкции НИИ Транснефть
Каждому
значению плотности жидкости соответствует определенное положение плунжера 6,
жестко связанного с поплавком 2. Перемещение плунжера относительно индуктивной
катушки 8 приводит к изменению показаний вторичного прибора 9, которые оттарированы
в единицах плотности. Обмотка катушки 8 имеет несколько выводов, благодаря
которым можно менять чувствительность плотномера посредством переключения
катушки на различное число витков. Вторичный прибор может находиться на
расстоянии до 250 м от плотномера.
Кроме
приборов поплавкового типа для измерения плотности применяются также приборы,
основанные на принципе взвешивания исследуемого продукта и сравнения с
эталонной жидкостью, а также приборы, в которых измеряется частота колебаний
специальных вибраторов в зависимости от плотности перекачиваемой жидкости. Эти
приборы применяются для измерения плотности от 685 до 904 кг/м3 с погрешностью
не более 2,2 кг/м3.
Еще
один метод контроля плотности перекачиваемой среды - это применение
гамма-плотномеров (ПЖР). В основу метода измерения плотности положено свойство
поглощения перекачиваемой жидкостью гамма-квантов радиоактивного излучения.
Источник гамма-излучения и его приемник помещаются на диаметрально
противоположных сторонах снаружи трубопровода. Ослабление интенсивности
гамма-излучения при прохождении через жидкость находится в прямой зависимости
от ее плотности. Зная действительную активность источника излучения и замерив
активность излучения после поглощения части гамма-лучей, можно перевести
результаты измерений в единицы плотности.
В
гамма-плотномерах промышленного назначения наибольшее распространение в
качестве источников радиоактивного излучения получили радиоизотопы кобальта-60
и цезия-137. В качестве приемников излучения применяются сцинтилляционные и
газоразрядные счетчики.
Возникающие
в счетчике электрические импульсы суммируются, усиливаются и подаются на
вторичный прибор телеметрической системы.
Плотномер
измеряет плотности в диапазоне 700...900 кг/м3 и достаточно точно контролирует
движение смеси по трубопроводу.
Метод
контроля последовательной перекачки с помощью гамма-плотномеров позволяет
следить за прохождением смеси продуктов без непосредственного контакта с
потоком жидкости, находящейся в трубопроводе.
В
вибрационном АИП (рисунок 7) контролируемый продукт поступает на вход
вибрационного преобразователя 1 и с помощью распределителя 4 разветвляется на
два потока, проходящих по трубкам 9 чувствительного элемента.
Частота
собственных колебаний камертона зависит от массы, т.е. от плотности протекающей
по трубкам жидкости. Частота колебаний прибора составляет около 1250 Гц при
порожней проточной системе, а при ее заполнении жидкостью плотностью 1000 кг/м3
частота колебаний уменьшается до 1000 Гц.
Для
возбуждения и стабилизации амплитуды механических колебаний используют
специальный полупроводниковый усилитель 3, соединенный с воспринимающими и
возбуждающими колебания электромагнитами 10, расположенными между трубками 9.
Конструкция
вибратора дает возможность проводить в нужных пределах настройку частоты
собственных колебаний вибратора: грубо - путем регулировки положения
центральных перемычек 8; точно - периферийными перемычками 7, Вибрационный
преобразователь соединяется со вторичной аппаратурой 12 через блок питания 11.
Расстояние передачи сигнала от преобразователя до вторичного прибора не более
1000 м.
-
преобразователь; 2 - сильфон; 3 - усилитель; 4 - распределитель; 5 - термопары
сопротивления; 6 - влагопоглотитель; 7, 8 - упругие перемычки; 9 - трубка чувствительного
элемента; 10 - электромагнит;13 - блок питания; 12 - вторичная аппаратура
Рисунок
7 - Схема плотномера АИП
Контроль
смеси по изменению плотности не всегда приемлем, т.к. нередко производится
последовательная перекачка нефтепродуктов близкой плотности.
)
Контроль смеси по величине диэлектрической постоянной
Диэлектрические
постоянные нефтепродуктов различаются. У бензинов она составляет от 1,829 до
1,942, у керосина - от 1,989 до 2,088, у дизтоплива - от 2,054 до 2,097.
Грозненским
филиалом ВНИИКА нефтегаза разработан прибор СК-2, позволяющий контролировать
прохождение смеси, используя принцип регистрации изменения диэлектрической
проницаемости перекачиваемой жидкости (рисунок 8). Для этого в трубопровод
вмонтированы датчики 1 и 2 емкостного типа коаксиальной конструкции.
-
непроточный датчик; 2- проточный датчик; 3- сопоставитель емкостей
Рисунок
8 - Контроль смеси по величине диэлектрической постоянной
Датчик
1 - “проточный”: он имеет перфорированный кожух и регистрирует изменение
диэлектрической проницаемости жидкости, находящейся в данном сечении
трубопровода, преобразуя ее изменения в изменения электрической емкости. Датчик
2 - “компенсационный”. Он имеет герметичный корпус, заполненный очищенным трансформаторным
маслом. Температура масла в этом датчике принимает то же значение, что и
температура перекачиваемой жидкости в проточном датчике. Его электрическая
емкость меняется лишь с изменением температуры жидкости в трубопроводе, что
используется для компенсации температурной погрешности измерения датчиком 1.
Вторая пара аналогичных датчиков монтируется на трубопроводе на расстоянии от
первой пары, превышающем максимальную длину зоны смеси (~ 5 км). Каждая пара
датчиков соединяется с сопоставителем емкостей 3.
Сопоставитель
емкостей осуществляет непрерывное сравнение (сопоставление) электрических
емкостей обоих датчиков, вырабатывая на выходе сигнал, частота которого зависит
от разности электрических емкостей проточного и компенсационного датчиков.
Сигнал с сопоставителей 3 идет на вторичные приборы (усилители, преобразователи
и др.), в которых он преобразуется в напряжение, фиксируемое потенциометрами.
Установку нулевой и 100 % концентрации одной из жидкостей (например, жидкости
А) оператор производит в тот момент, когда каждая пара датчиков заполнена
чистой, но разной жидкостью, например, через одну проходит бензин, а через
другую - дизтопливо. Таким образом, при дальнейшем прохождении смеси через
вторую пару датчиков потенциометр будет показывать (и писать) концентрацию в
смеси одной из чистых жидкостей.
)
Контроль смеси по скорости распространения ультразвука
Скорость
распространения ультразвука в различных нефтях и нефтепродуктах существенно
различна (в дизтопливе - от 1375 до 1390 м/с, в керосине - от 1320 до 1335 м/c,
в бензине - от 1175 до 1190 м/с), что и позволило создать соответствующие
приборы контроля за последовательной перекачкой (например, УКП-2).
Принципиальная
схема комплекта приборов УКП-2 показана на рисунке 10. Она включает катушку
соответствующего диаметра 1, акустический излучатель 2, приемник 3, передающий
преобразователь 4, вторичную аппаратуру 5. Комплекты приборов размещаются на
выносном (ВКП) и местном (МКП) контрольных пунктах.
УКП-2
работает следующим образом. Ультразвук определенной частоты подается на
излучатели 2. При прохождении через нефтепродукт, движущийся по трубе,
изменяется частота повторения импульсов самосинхронизирующегося генератора, что
фиксируется приемниками 3. Далее результаты измерений поступают на
преобразователи 4, откуда они передаются на вторичную аппаратуру 5. Здесь
результаты измерений сравниваются и преобразуются в напряжение постоянного
тока, которое регистрируется на диаграммной ленте.
1- катушка; 2- акустический излучатель; 3- приемник; 4-передающий
преобразователь; 5- вторичная аппаратура
Рисунок 9 - Комплект приборов для контроля смеси по скорости
распространения ультразвука
На рисунке 9 приведена структурно-функциональная схема
информационно-измерительной системы «Компаунд», в которую входят: два
ультрафиолетовых абсорбционных фотометра 3 типа ФА-1, разнесенных по
нефтепродуктопроводу на расстояние 10 - 15 км, т.е. превышающее длину потока
смеси нефтепродуктов, и устройство контроля, управления и обработки информации
7 типа УКУ.
На выносном (ВКП) и местном (МКП) контрольных пунктах устанавливаются
фотометры ФА-1, элементы отбора и подготовки пробы 1, 2, 4, а в операторной -
устройство контроля, управления и обработки информации. Управление и получение
информации с ВКП осуществляется по каналам телемеханики 5, 6 типа ТМ - 800 В.
Определение концентрации СА и СВ нефтепродуктов производится следующим
образом: при прохождении смеси нефтепродуктов через кюветы фотометра ФА - 1
(ВКП) на диаграмме регистрирующего прибора типа КСП - 4 записывается график,
показывающий качественный характер изменения концентрации смеси. Значения
оптической плотности снимаются оператором с графика смеси на ВКП и вводятся в
блок обработки информации 7, что приводит к установлению в устройстве 7 диапазона
изменения на массовой концентрации 0 - 100 %. При прохождении этой смеси через
кювет фотометра ФА - 1, установленного на МКП, происходит автоматическое
измерение плотности смеси и вычисление СА и СВ с записью значений на диаграмме
прибора.
1,2, 4-элементы
отбора и подготовки пробы; 3-ультрафиолетовый абсорбционный фотомер; 5,6-
каналы телемеханики; 7 - устройство контроля, управления и обработки информации
Рисунок 10- Структурно-функциональная схема ИИС "Компаунд"
) Контроль смеси с помощью индикаторов
Сущность индикаторного метода заключается в том, что в зону контакта двух
последовательно перекачиваемых жидкостей помещается вещество-индикатор, которое
распределяется по длине зоны смеси в соответствии с законами распределения
примеси (рисунок 11).
Рисунок 11 - Распределение примеси по длине смеси
По мере продвижения по трубопроводу зона распространения индикатора
увеличивается в обе стороны, совпадая по размерам с зоной смеси перекачиваемых
жидкостей.
Между законами продольного распространения индикаторов и образования
смеси существует достаточно строгая связь, позволяющая по концентрации
вещества-индикатора находить концентрации последовательно перекачиваемых
жидкостей.
В качестве веществ-индикаторов могут применяться радиоактивные изотопы,
красители, галлоидированные углеводороды и др.
Еще в 1956 г. в нашей стране были проведены промышленные испытания по
контролю смеси тракторного керосина и дизтоплива с помощью радиоактивных
изотопов сурьмы-124. Радиоактивность смеси измеряли при помощи счетчиков,
установленных снаружи нефтепродуктопровода. Впоследствии у нас в стране и за
рубежом для этих целей применяли радиоактивные изотопы кобальта-60, йода-126,
бария-140 и др.
К радиоактивному индикатору предъявляются следующие требования: 1) он
должен обеспечивать необходимую мощность излучения, 2) период его полураспада
не должен быть очень большим (иначе нефтепродукт длительное время будет
радиоактивным) и очень малым (в противном случае это вызовет осложнения с
контролем).
В 1965 г. в США были опубликованы результаты испытаний флуоресцентных
веществ для контроля смеси. В качестве люминофора использовалась органическая
краска Oil Color-131, хорошо растворимая в бензине и керосине.
В 1968 г. на YII симпозиуме по газовой хроматографии в Копенгагене были
сообщены результаты испытаний контроля смеси с помощью галлоидопроизводных
индикаторов (CСl4, SF и др.). Проба смеси нефтепродуктов в пункте контроля
поступала в хроматограф для определения в ней концентрации индикатора.
В 1973 г. в МИНХ и ГП им. Губкина была проведена экспериментальная
проверка возможности применения красителей в качестве индикаторов для контроля
последовательной перекачки автомобильных неэтилированных бензинов. Установлено,
что наиболее целесообразно использовать в качестве красителя жировой фиолетовый
атрахиновый краситель. Он выпускается в нашей сиране, экономичен в применении и
не ухудшает свойств перекачиваемых бензинов. Оптическую плотность смеси
нефтепродуктов с красителем можно измерять при помощи автоматических
калориметров непрерывного действия, например, АКН-57.
Применение различных веществ в качестве индикаторов позволяет
осуществлять контроль последовательной перекачки жидкостей независимо от
различия их физических свойств.
К индикаторам предъявляется ряд общих требований: они не должны вступать
в химическую реакцию с нефтепродуктами, выпадать в осадок, оседать на
внутренней стенке трубопровода, вредно воздействовать на эксплуатационный
персонал; должны быть дешевыми, применение их для контроля не должно вызвать
усложнения и значительного удорожания перекачки.
Имеются также приборы контроля смеси, основанные на различии вязкости,
температуры вспышки и иных параметров последовательно перекачиваемых
нефтепродуктов.
В таблице 5 приведена сравнительная характеристика методов контроля
смеси.
Таблица 5 - Характеристика известных методов контроля смеси
по
оптической плотности по
|
плотности по вязкости по
скорости распростра-нения ультразвука По
диэлектри-ческой проницае-мости
|
|
|
|
|
|
|
Максимальный диапазон
изменения показателей нефтепродуктов для смеси, ед. измерения показателя:
бензин - дизтопливо бензин - бензин дизтопливо-дизтопливо
|
0,925-1,155 0,025-0,430
0,755-1,155
|
705 - 860 705 - 750 825 -
860
|
0,55 - 8,00 0,55 - 0,67
2,20 - 8,00
|
1130 - 1390 1130 - 1190
1375 - 1390
|
1,82 - 2,10 1,82 - 1,94
2,05 - 2,10
|
Относительная
погрешность , % по объему:
бензин
- дизтопливо
бензин
- бензин
дизтопливо-
дизтопливо
1,1
3,0 1,4
4,2
6,1 2,6
18,9
3,4 13,3
49,0
50,0 18,7
40,0
|
50,0
|
|
|
|
|
|
Как видно из таблицы 5, наибольшей точностью обладает
спектрофотометрический метод, несколько уступает ему метод контроля смеси по
плотности, наименее точны определение концентрации нефтепродуктов друг в друге
по скорости распространения ультразвука и по диэлектрической проницаемости[2].
3 Расчет последовательной перекачки
.1 Гидравлический расчет нефтепродуктопровода «Черкассы-Камбарка»
Определим
число насосных станций для последовательной перекачки 6,1 млн.т нефтепродуктов в
год, в том числе: 80% дизельного топлива, 20% автомобильного бензина АИ-92.
Сведения о нефтепродуктопроводе: внутренний диаметр  м, длина
 км,
разность нивелирных высот конца и начала трубопровода  м,
остаточный напор  м.
Характеристика
нефтепродуктов:
Дизтопливо
зимнеее (ДТЗ):
Автобензин
АИ-92:
Расчетная
температура транспортируемой принимается равной минимальной среднемесячной
температуре грунта на глубине заложения оси трубопровода с учетом начальной
температуры на головных сооружениях, тепловыделений в трубопроводе,
обусловленных трением потока, и теплооотдачи в грунт [3]. Допускается принимать
расчетную температуру равной среднемесячной температуре грунта самого холодного
месяца на уровне оси трубопровод. Расчетную температуру примем равной 253,67
К[7].
Произведем
расчет свойств нефтепродуктов при температуре перекачки. Для ДТЗ вычисляем
плотность по формуле
где
x - температурная поправка,  ;
Т
- расчетная температура перекачки, 
 ,
Расчетную
кинематическую вязкость нефтепродуктов определим по формуле Вальтера

где
 -
эмпирические коэффициенты, определяемые следующим образом

Для
ДТ
Для бензина находим аналогично
Годовые объемы перекачиваемых нефтепродуктов
Выбор насосного оборудования начнем с нахождения расчетной часовой
пропускной способности нефепродуктопровода по формуле:

где
 ,  -
соответственно годовой план перекачки и расчетная плотность i-го
нефтепродукта;
 - число
последовательно перекачиваемых продуктов.
В
соответствии с расчетной часовой производительностью выбираем насосы[6]:
магистральный
насос НМ 1250-260 (n = 3000 об/мин, D2 = 395 мм);
подпорный
насос НПВ 1250-60 (n = 1500 об/мин, D2 = 475 мм).
Определим
напоры, развиваемые насосами при расчетной производительности перекачки. Для
этого воспользуемся уравнением напорной характеристики насоса
H = a - b×Q2, (9)
где
a и b - постоянные коэффициенты напорной характеристики
насосов;
напор
магистрального насоса(D=395):
hМ = 268,9 -
4,2540×10-5×858,2082 = 237,568 м,
напор
подпорного насоса(D=475):
hП = 61,2 -
9,3754×10-6×858,2082 = 54,295м.
Определим
рабочее давление при условии, что число последовательно работающих
магистральных насосов на НПС mМ=2.
. (10)
P = 4,35 МПа £ PДОП = 6,4 МПа [2] - расчетное давление в
нефтепродуктепроводе не превышает допустимое.
Для
определение диаметра и толщины стенки трубопровода сначала найдем значение
ориентировочное значение внутреннего диаметра вычисляется по формуле
(11)
где
wo - рекомендуемая ориентировочная скорость перекачки.
Ориентировочное
значение внутреннего диаметра вычислим как
Для
дальнейших расчетов принимаем ближайший стандартный наружный диаметр
трубопровода DН = 530 мм [3]. Согласно требованиям СП
36.13330.2012[4], нефтепродуктопроводы диаметром от 500 мм до 700 мм включительно
следует относить ко второй категории (коэффициент условий работы m =
0,825).
Примем
для сооружения нефтепродуктопровода трубы ВМЗ, изготавливаемые по ТУ
14-3-1573-99 из стали марки 17ГС (временное сопротивление стали на разрыв sВ = 510МПа; коэффициент надежности по материалу k1=1,4), данные взяты
из ТУ 14-3Р-04-94.
Так
как перекачку нефтепродуктов предполагается производить по системе «из насоса в
насос» и диаметр нефтепродуктопровода попадает в интервал DУ =
(500-700)мм, согласно СП 36.13330.2012, значения коэффициентов надежности по
нагрузке принимается np=1,10 и надежности по назначению kН =
1,0 [4].
Определим
расчетное сопротивление металла трубы R1 по формуле:
(12)
Расчетное значение толщины стенки трубопровода по формуле:
(13)
Полученное
значение d округляем в большую сторону до стандартного значения
и принимаем толщину стенки равной d = 7 мм согласно ТУ
14-3Р-04-94.
Внутренний
диаметр нефтепродуктопровода равен:
D = Dн -
2d, (14)=530- 2 7=
516мм=0,516 м.
Средняя
скорость течения нефтепродуктов определяется по формуле :
(15)
Режим
течения нефтепродуктов характеризуется числом Рейнольдса Re,
значение которого составляет:
, (16)
Значения
переходных чисел Рейнольдса Re1 и Re2 определяют по формулам:
(17)
(18)
где
k= kЭ /D - относительная шероховатость трубы;Э - эквивалентная
шероховатость стенки трубы, зависящая от материала и способа изготовления
трубы, а также от ее состояния. Для сварных стальных новых чистых труб можно
принять kЭ = 0,05 мм [3].
,
Так как Re1 < Re, режим течения турбулентный в зоне гидравлически гладких
труб. Коэффициент гидравлического сопротивления l определим по формуле Блазиуса. (19)
(19)
Потери напора на трение в трубопроводе вычислим по формуле
Дарси-Вейсбаха:
(20)
Величина
гидравлического уклона вычисляется как:
(21)
Суммарные
потери напора в нефтепродуктопроводе определяются по формуле:
, (22)
где
1,02 - коэффициент, учитывающий надбавку на местные сопротивления в линейной
части трубопровода;
NТ - число
технологических участков (назначается согласно протяженности технологического
участка, в пределах до 600 км, при регулировании давления на входе и выходе НПС
методом дросселирования с применением регулирующей заслонки) [5];ост -
остаточный напор в конце технологического участка, hост = 30 - 40 м [3].
В
расчетах принимаем NТ=1, hост = 40 м. Тогда суммарные потери напора
составят:
Необходимое
число перекачивающих станций для условий обеспечения расчетной
производительности нефтепродуктопровода найдем по формуле:
(23)
где
HСТ = mМ×hМ - расчетный напор перекачивающей станции.
При
округлении числа перекачивающих станций в большую сторону предусмотрим вариант
циклической перекачки. При циклической перекачке эксплуатация
нефтепродуктопровода осуществляется на двух режимах: часть планового времени τ2 ведется на повышенном режиме с производительностью Q2
> Q. Остаток времени τ1 трубопровод работает на пониженном режиме с производительностью Q1
< Q .
Построим
совмещенную характеристику нефтепродуктопровода и перекачивающих станций (с
числом НПС = 1, НПС = 2 при работе 1 насосов, НПС = 2 при работе 2 насосов).
Для этого выполним гидравлический расчет в диапазоне расходов от 700 до 1000
м3/ч. Результаты вычислений представлены в таблице 6.
Таблица
6 - Результаты расчета характеристик трубопровода и перекачивающих станций
|
Расход, м3/ч
|
Напор насосов
|
Характеристика НПС
|
|
hм
|
hп
|
постоянного диаметра
|
n=1,m=2
|
n=2,m=2
|
n=2,m=3
|
|
700
|
261,60952
|
124,72604
|
612,50139
|
647,94509
|
1171,1641
|
647,94509
|
|
750
|
261,47777
|
124,52275
|
677,62839
|
647,47829
|
1170,4338
|
647,47829
|
|
800
|
261,33693
|
124,30544
|
746,09611
|
646,9793
|
1169,6532
|
646,9793
|
|
850
|
261,187
|
124,07411
|
817,85103
|
646,44811
|
1168,8221
|
646,44811
|
|
900
|
261,02799
|
123,82876
|
892,84368
|
645,88473
|
1167,9407
|
645,88473
|
|
950
|
260,85989
|
123,56939
|
971,02808
|
645,28916
|
1167,0089
|
645,28916
|
|
1000
|
260,6827
|
123,296
|
1052,3614
|
644,6614
|
1166,0268
|
644,6614
|
Графически совмещенная характеристика нефтепродуктопровода и
перекачивающих станций приведена на рисунке 12.
1 - Напорная характеристика 2 НПС (с 2 работающими насосами на каждой
НПС);
2 - Напорная характеристика 2 НПС (с 1 работающим насосом на каждой НПС);
- Напорная характеристика 1 НПС (с 1 работающим насосом на каждой НПС);
- Гидравлическая характеристика нефтепродуктопровода постоянного
диаметра;
Рисунок 12 - Совмещенная характеристика нефтепродуктопровода и
перекачивающих станций
При округлении числа ПС в большую сторону (n = 2) рассчитаем параметры
циклической перекачки. Из совмещенной характеристики трубопровода и
перекачивающих станций (n = 2; mM=2; рабочая точка A2 ) значение расхода в которой: Q2 = 965 м3/ч. Если на каждой
ПС отключить по одному насосу (n = 2; mM=1), то рабочая точка совмещенной
характеристики переместится в положение A3, и нефтепродуктопровод будет
работать с производительностью Q1 = 725 м3/ч.
Так как выполняется условие Q1 < Q < Q2, рассчитаем время работы нефтепродуктопровода на режимах,
соответствующих расходам Q1 и Q2 по формулам:
(25)
(26)
Общее
время работы на режимах, соответствующих расходам Q1 и Q2 будет равно
T =
4663,33+3736,67 = 8400 ч = 350 д.
Общее
время работы соответствует заданному рабочему количеству дней нефтепровода[3].
.2
Расчет контактов нефтепродуктов
Строим
совмещенную характеристику нефтепродуктопровода и насосных станций при  для
каждого из двух нефтепродуктов (рисунок 13). Получаем  м3/ч,  м3/ч.
Рисунок 13- Совмещенная характеристика нефтепродуктопровод и насосной
станции
Рассчитаем объемы смеси, образующейся в контактах нефтепродуктов
дизельного топлива и бензина.
Средние скорости перекачки нефтепродуктов :
Соответствующие числа Рейнольдса :
Сравнивая их с переходными числами Рейнольдса, видим, что нефтепродукты
перекачиваются в зоне и смешанного трения турбулентного режима.
Коэффициенты гидравлического сопротивления :
Геометрический объем нефтепродуктопровода [2]:
 (27)
Объем
смеси по формуле
Предельные
допустимые концентрации дизельного топлива в бензине и бензина в дизельном
топливе [2]:
 , (29)
 (30)
Объемы
дизельного топлива и бензина [2]:
 (31)
 =95,522
 (32)
Максимальное
возможное число циклов перекачки i-го нефтепродукта из условия материального баланса
составляет [2]:
 (33)
где
 -доля i-го
нефтепродукта, которая доходит до конечного пункта трубопровода, в связи с
наличием путевых сбросов, <1
 -
минимально возможный объем j-ой партии i-го нефтепродукта из условия
реализации образовавшейся смеси
К-число
партий i-го нефтепродукта в цикле
Максимальное
возможное число циклов перекачки всех S нефтепродуктов, определяемое по
формуле (33), в общем случае неодинаково. Чтобы сохранить принятую структуру
цикла т обеспечить возможность и обеспечить возможность реализации
образовавшейся смеси принимают[2]:
 (34)
 (35)
Продолжительность
одного цикла составляет
 (36)
4
Очистка нефтепродуктопровода
Очистка
внутренней полости магистральных трубопроводов является регулярной операцией.
Это объясняется тем, что еще в процессе строительства любого трубопровода
возникает необходимость очистки готовых участков от строительного мусора, а
после гидравлических испытаний на прочность -полного удаления опрессовочной
воды.
При
эксплуатации НПП на внутренней поверхности труб образуются смолистые отложения,
а также металлоотслоения и окалина, являющиеся результатом непрерывной коррозии
металла. По этой причине в перекачиваемых по трубопроводу нефтепродуктах
имеются механические примеси, ухудшающие их качество. Таким образом, с момента
сооружения и до конца эксплуатации существует необходимость в очистке их
внутренней полости. Эту операцию производят одним из I следующих способов:
промывкой с пропуском очистных поршней или поршней-I разделителей, продувкой с
пропуском очистных поршней, а при необходимости и поршней-разделителей,
продувкой без пропуска очистных поршней. Необходимость, возможность, а также
качественные критерии каждого из этих способов определены нормативными
требованиями СНиП Ш-42-80. С целью повышения качества очистки полости
трубопроводов, монтируемых без применения внутренних центраторов, нормативами
предусматривается предварительная очистка полости способом протягивания.
На
магистральных трубопроводах наибольшее распространение получил способ
механической очистки внутренней полости с помощью скребков, разделителей,
поршней и т.д. Для реализации этого способа очистки разработано и применяется
различное специальное оборудование: камеры пуска и приема очистных устройств,
различные конструкции очистных устройств, методы и средства их обнаружения в
трубопроводах, устройства для удаления выносимых из трубопровода загрязнений.
Трубопроводные
скребки применяют как в ходе строительства, так и при эксплуатации НПП, их
можно пропускать по трубопроводу либо в одноразовом режиме, либо регулярно.
Назначение трубопроводных скребков состоит в следующем: эффективное заполнение,
опорожнение и очистка трубопровода, борьба с внутренней коррозией трубопровода,
разделение перекачиваемых по трубопроводу продуктов, сбор информации о
состоянии трубопровода.
На
стадии строительства трубопровода скребки применяют для удаления камней,
строительного мусора. Для этого оптимально подходит конструкция со сравнительно
плоской передней поверхностью для предотвращения перекатывания скребка через
посторонние предметы, находящиеся в трубопроводе.
При
заполнении или опорожнении трубопровода в конструкции скребка должен быть
предусмотрен плотный затвор, обеспечивающий его эффективную работу. Опыт
эксплуатации НПП показал, что после прохода одного скребка по трубопроводу
небольшое количество воды снова накапливается в пониженных участках трассы
проложения. Экспериментально было обнаружено, что эффективность процесса
повышается, если скребок проталкивать сухим газом (воздухом, азотом, метаном);
сухой газ подберет пары воды и осушит трубопровод.
В
случае ограниченности запасов воды в данной местности или невозмож- ности ее
сброса возникает необходимость возврата опрессовочной воды. Для этих целей
используются двухходовые скребки, снабженные надежными уплотнениями для
возможности движения в обоих направлениях вдоль оси трубопровода. Недостатком
их является невысокое качество уплотнений по сравнению с одноходовыми
скребками.
Скребки
с коническими манжетами представляют собой конструкцию лучшего качества, которое
достигается за счет использования пары или группы манжет с уплотняющим
воротником на периферии каждой манжеты. Работа такого скребка эффективна при
движении его только в одном направлении. Скребок с коническими манжетами гибок
и надежен на сотнях километров пути с сохранением герметичности уплотнений.
Непосредственно
перед или сразу же после заполнения трубопровода продуктом используют
калибровочный скребок, который имеет круглую пластинку-калибр с металлической
облицовкой диаметром 92,5% от внутреннего диаметра трубопровода.
С
помощью калибровочных скребков из трубопровода удаляются предметы, случайно
оставленные в нем, обнаруживаются места овальности труб. Регулярные его
пропуски могут выявить деформацию трубопровода задолго до его разрушения.
Однако калибровочные скребки не могут выявить небольшие деформации, более того,
они сами могут создать гофры и царапины на исправном трубопроводе.
Этих
недостатков лишен скребок-нутромер. Благодаря особенностям конструкции, контакт
его металлических деталей с металлом трубопровода исключен. Однако любой дефект
формы трубопровода скребком регистрируется. Благодаря коническим манжетам и
корпусу малого диаметра, крупные препятствия внутри трубопровода нутромер может
обходить, а надежное уплотнение обеспечивает возможность использования скребка
как эффективного средства заполнения и опорожнения трубопроводов. Регулярные
пропуски скребка по эксплуатирующемуся трубопроводу позволяют с небольшими
затратами обновлять данные о состоянии трубопровода.
Регулярные
пропуски скребков позволяют удалять и жидкостные «карманы» (вода, оставшаяся от
строительства или гидростатических испытаний, или вода и конденсат, введенные в
трубопровод вместе с транспортируемым продуктом из скважин, танкеров или
резервуаров) и передвигать их сплошной массой к концу трубопровода для сброса.
Во избежание образования взрывоопасной смеси в трубопровод перед скребком
запускают азот или другой инертный газ. Кроме того, это способствует
поддержанию противодавления на скребке, что является необходимым при заполнении
трубопровода.
Частота
пропуска скребков зависит от параметров трубопровода, физических свойств и
расхода жидкости и даже от температуры и времени года. У каждого трубопровода
свое значение оптимальной частоты пропуска скребков.
Поддержание
в чистоте внутренней поверхности трубопровода означает удаление не только
посторонних загрязнений, но и продуктов коррозии металла труб. Образование
продуктов коррозии и коррозионных каверн снижает пропускную способность
трубопровода, кроме того, они могут увеличиться до такой степени, что
утоньшение стенок труб станет серьезной угрозой для целостности трубопровода.
Регулярный
пропуск скребков со стальными щетками помогает срывать окалину и удалять ее
вместе с грязью и водой. Для удаления парафинов и смолистых отложений из
трубопровода эффективно применение скребков с ножами, т.к. мягкий парафин и
смола склеивают проволочные щетки и препятствуют контакту проволочных концов с
внутренней поверхностью трубопровода.
Если
в трубопровод постоянно поступает жидкость в виде сконденсированных паров из
транспортируемого газа, то надеяться полностью удалить жидкость из трубопровода
скребком бессмысленно. В этом случае следует пропускать трубопроводные шаровые
разделители, заполненные водой или гликолем, автоматически связав частоту
пропусков со временем или потерей давления в трубопроводе.
При
выборе того или иного механического устройства необходимо учитывать специфику
их воздействия на пристенные отложения. Это положение подтверждается опытом
очистки целого ряда отечественных и зарубежных трубопроводов.
Основным
недостатком механических скребков является то, что в процессе очистки НПП
неизбежно изнашивается металл стенки труб, возникают царапины и подрезы, что
дополнительно уменьшает и без того незначительный остаточный ресурс
трубопроводов.
Кроме
того, механические средства полностью непригодны для очистки НПП переменного
сечения и сложного профиля, к каким относится большинство действующих
нефтепродуктопроводов.
Для
очистки подобных НПП используются системы нового поколения -эластичные гельные
разделители на основе гидрофильных полимеров. Гелеобразные поршни могут
равноценно выполнять большинство функций механических поршней, отличаясь при
этом способностью к некоторым химическим реакциям, что позволяет закачать их
непосредственно в полость трубопровода. В настоящее время при обслуживании
трубопроводных коммуникаций применяются гели 4 типов: гели-разделители партий
нефтепродуктов, гелеобразные поршни для выноса мусора из полости трубопровода,
углеводородные гели, осушающие гели. Гельные системы обладают целым набором
полезных свойств; псевдопластичностью, вязкоупругостью, когезионностью,
способностью к самовосстановлению формы и уменьшению напряжений сдвига.
Разделительные гели полностью предотвращают перетоки разделяемых жидкостей,
тогда как при применении механических скребков не менее 1% проталкивающей
жидкости проникает в проталкиваемую.
В
настоящее время к полимерным составам, применяемым в трубопроводном транспорте
нефтепродуктов, предъявляются следующие требования :
высокая
поверхностная и объемная активность не только в лабораторных, но и в реальных
гидродинамических условиях;
высокая
технико-экономическая эффективность;
повышенные
адсорбционная и адгезионная и пониженная десорбционная способность в
динамических условиях;
ярко
выраженное флокулирующее действие на коллоидно-дисперсную фазу гид-I рофобных
сред;
способность
снижать коллоидную растворимость воды в нефтепродукте;
способность
образовывать на стенках трубопровода гидрофильный слой полимера в результате
прокачки его рабочего раствора, предохраняющий поверхность металла от действия
электролитов и кристаллизации пристенных отложений; -способность сохранять н
повышать эффективность действия других реагентов и деэмульгаторов,
значительный
молекулярный вес, высокая эластичность и набухаемость макромолекул,
удовлетворительная
стабильность к механической и термической деструкциям и способность создавать
скользящий пограничный слой, способствующий снижению пристенного трения
жидкости.
В
той или иной мере вышеперечисленным требованиям удовлетворяют полиакриламид
(ПAA, АМФ) и его модификация (МПАА), карбоксиметил-целлюлоза (КМЦ),
полиакрилонитрил (гипан), поливиниловый спирт (ПВС).
На
сегодняшний день наиболее доступна технология формирования полимерной
"пробки" при использовании 1,2... 1,8 %-ного МПАА с сохранением
текучести в течение 3...4 суток и очистных свойств в течение 20 и 772 суток
соответственно для АМФ и ПАА. Образование полимерной "пробки" на
основе 1,5...7,5%-ного МПАА идет при любой положительной температуре нефтепродукта
при наличии твердых осадков в присутствии доступных наполнителей (глины, песка,
пемзы, древесных опилок). Продолжительность формирования нерастекаемой пробки
сокращается с 3 суток до 4...6 часов при использовании 4...7,5%-ного МПАА. При
нагреве 1,2 и 1,8%-ного МПАА до 45...65°С время формирования пробки сокращается
соответственно до 2 часов и до 35... 55 минут, при этом повышаются
эксплуатационные свойства МПАА и сокращается его расход.
Через
любое удобное время от 2 часов до 300 суток полученный разделитель вытесняют
потоком со скоростью не менее 0,2 м/с по схеме запуска скребка. Режим
эксплуатации трубопровода при этом существенно не изменяется. Прием выносимых
скоплений осуществляется в отдельный резервуар в конечном пункте.
Применение
вязкоупругих разделителей, обладающих рядом преимуществ, может вызвать
осложнения, связанные с их низкой механической прочностью. Разрушение
разделителя вызывает не только некачественное разделение нефтепродуктов, но и
повышение гидравлического сопротивления трубопровода в случае повышенной
адгезии к внутренней поверхности трубы нерастворенного в нефтепродукте
разделителя.
Существующий
на сегодняшний день остаточный ресурс нефтепродуктопроводов не позволяет
применять при их очистке от внутритрубных отложений и скоплений воды и газов
жесткие механические скребки, травмирующие внутреннюю поверхность НПП.
Уменьшение
объемов перекачки нефтепродуктов не позволяет увеличивать скорости потоков
нефтепродуктов до критических величин, обеспечивающих вынос жидкостных и
газовых скоплений из застойных зон рельефных участков НПП. В сложившейся
ситуации наиболее перспективными средствами очистки являются органические и
водорастворимые гели, способные проводить очистку НПП сложного профиля и
переменного диаметра.
Используемые
гельные очистные системы имеют достаточно низкую износостойкость и большую
длину, что требует при их использовании применения специального оборудования
для закачки их в трубопроводы.
Актуальным
представляется создание гельных систем повышенной износостойкости, объединяющих
достоинства как механических скребков, так и полимерных гелей, применение
которых не требует использования и модернизации имеющихся узлов приема-запуска
разделителей[10].
ЗАКЛЮЧЕНИЕ
В
данной курсовой работе мы рассмотрели проектирование нефтепродуктопровода
«Черкассы-Камбарка» протяженностью 202,5 км. Выяснили, что трасса трубопровода
пройдет через Нефтекамск, Дюртюлинский и Благовещенский районы. Привели
характеристики перекачивающих станций, насосно-силового оборудования и
перекачиваемых нефтепродуктов, рассмотрели технологию последовательной
перекачки и методы контроля за ней. Произвели подбор насосно-силового
оборудования, определили толщину стенки трубы, ее необходимый диаметр,
осуществили гидравлический расчет нефтепровода, нашли объем смеси и расчетное
время цикла. За окончательный вариант сооружения однониточного
нефтепродуктопровода был принят вариант с n =2
перекачивающими станциями. В этом случае расстановка станций на местности была
произведена исходя из максимальной производительности нефтепродуктопровода, то
есть Q2 =965 м3/ч. Также рассмотрели тему очистки
нефтепродуктопровода, причины, по которой ее применяют , и очистные устройства.
СПИСОК ИСПОЛЬЗОВАННЫХ ИСТОЧНИКОВ
1 Определение трассы трубопровода и профиля высот.
[Электронный ресурс]. - URL: http://www.vhfdx.ru/karta-vyisot .
Коршак А.А., Нечваль А.М. «Проектирование и эксплуатация
газонефтепроводов» - Уфа: ДизайнПолиграфСервис,2008.-485 с.
Нечваль, А.М. Основные задачи при проектировании и
эксплуатации магистральных трубопроводов: Учебное пособие. - Уфа: УГНТУ. - 77с.
СП 36.13330.2012. Магистральные трубопроводы. - Пересмотрен
СП 36.13330.2011; Введ. 01.07.2012.
ГОСТ Р Магистральный трубопровод. Нормы проектирования. -
[Электронный ресурс]. - URL:
http://pwreng.ru/ntd/gost/2905-gost-magistralniy-nefteprovod-normi-%20proektirovaniya-part1.
Центробежные насосы для магистральных трубопроводов: Каталог.
- 2-е изд., исправл. и доп. - М.:ЦИНТИХИМНЕФТЕМАШ, 1989. - 24 с.
Статистика температуры почвы // [Электронный ресурс].
-http://www.atlas-yakutia.ru/weather/soil_temp/climate_russia-XIII.html.
8 ГОСТ 305-82. Топливо
дизельное. Технические условия // [Электронный ресурс]. -
<http://www.nge.ru/g_305-82.htm>.
ГОСТ Р 51105-97. Топлива для
двигателей внутреннего сгорания. Неэтилированный бензин // [Электронный
ресурс]. - <http://www.nge.ru/g_p_51105-97.htm>.
Большая энциклопедия нефти и
газа // [Электронный ресурс]. -http://www.ngpedia.ru.
Википедия-свободная
энциклопедия // [Электронный ресурс]. -http://ru.wikipedia.org/wiki.
Похожие работы на - Последовательная перекачка нефтепродуктов по нефтепродуктопроводу 'Черкассы-Камбарка'
|