|
Ïåðåòèí,
ìì
|
ä0,2 , ÌÏà
|
ä â, ÌÏà
|
ä 5 ,%
|
ä ,%
|
ÊÑU, Äæ/ì2
|
ÍÂ
|
|
Ãàðò 840°Ñ, âîäà,
ìàñòèëî. ³äïóñê
400°Ñ, âîäà, ïîâ³òðÿ.
|
|
100-300
|
520-590
|
730-840
|
12-14
|
46-50
|
50-70
|
202-234
|
Äëÿ øåñòåðí³
îáèðàºìî òåðìîîáðîáêó
- ïîë³ïøåííÿ, ùî
äîçâîëÿº îòðèìàòè
òâåðä³ñòü ìåòàëó
(ðîçðàõóíêîâà
).
Äëÿ êîëåñà
îáèðàºìî òåðìîîáðîáêó
- íîðìàë³çàö³ÿ,
ùî äîçâîëÿº îòðèìàòè
òâåðä³ñòü ìåòàëó
(ðîçðàõóíêîâà
).
.2.2 Âèçíà÷åííÿ
äîïóñòèìèõ êîíòàêòíèõ
íàïðóæåíü ³ íàïðóæåíü
çãèíó
Âèçíà÷àºìî
÷èñëà öèêë³â
çì³íè íàâàíòàæåíü
çóáö³â øåñòåðí³
òà êîëåñà.
ʳëüê³ñòü
ãîäèí ðîáîòè
íà äîáó t=22,5 ãîäèí.
ʳëüê³ñòü
äí³â åêñïëóàòàö³¿
íà ð³ê D=300 äí³â.
Åêñïëóàòàö³ÿ
ïðèâîäó ð=3 ðîêè.
Âèçíà÷èìî
÷èñëî öèêë³â çì³í
íàâàíòàæåííÿ
çóáö³â íà øåñòåðí³
çà ôîðìóëîþ:
1=60·n1·Lí
; (1.12)
äå n1 - ÷àñòîòà
îáåðò³â øâèäêîõ³äíîãî
âàëó;í - äñâãîâ³÷í³ñòü
çóá÷àòî¿ ïåðåäà÷³,
ùî çíàõîäèòüñÿ
çà ôîðìóëîþ:
í =
t·D·ð; (1.13)
í
= 22,5·300·3=20250 ãîä.
×èñëî
öèêë³â íàâàíòàæåííÿ
øåñòåðí³:1 =
60·580·20250=704,7·106 öèêë³â
;
×èñëî
öèêë³â íàâàíòàæåííÿ
êîëåñà:1 =
60·145·20250=176,1·106 öèêë³â;
Ðîçðàõîâóºìî
áàçîâ³ ÷èñëà
öèêë³â íàâàíòàæåíü:
à) ïðè ðîçðàõóíêó
íà êîíòàêòíó
ì³öí³ñòü:
äëÿ øåñòåðí³:
íî1=(ÍÂñð)3;
(1.14)
Níî1=(216)3=10·106
öèêë³â;
äëÿ êîëåñà:
íî2=(ÍÂñð)3;
(1.15)
íî2=(194)3=7,3·106
öèêë³â;
á) ïðè ðîçðàõóíêó
íà çãèí:Fî=4·106
öèêë³â;
Âèçíà÷àºìî
äîïóñòèì³ êîíòàêòí³
íàïðóæåííÿ âèçíà÷àþòüñÿ
çà ôîðìóëîþ:
, (1.16)
äå:
-
ìåæà êîíòàêòíî¿
âèòðèâàëîñò³
ìàòåð³àëó,
; (1.17)
äëÿ âåäó÷îãî
âàëó:
;
äëÿ âåäåíîãî
âàëó:
;
- çàïàñ
ì³öíîñò³ (
).
Òàêèì
÷èíîì:
;
.
Ðîçðàõóíêîâ³
äîïóñòèì³ íàïðóæåííÿ:
. (1.18)
Äîïóñòèì³
íàïðóæåííÿ çãèíó
âèçíà÷àºìî çà
ôîðìóëîþ:
, (1.19)
äå
-
ìåæà ì³öíîñò³
ìàòåð³àëó ïðè
çãèí³,
; (1.20)
äëÿ âåäó÷îãî
âàëó:
- äëÿ âåäåíîãî
âàëó:
- çàïàñ
ì³öíîñò³ (
).
Òàêèì
÷èíîì:
1.2.3 Ðîçðàõóíîê
ì³æîñüîâî¿ â³äñòàí³
Âèçíà÷àºìî
ì³æîñüîâó â³äñòàíü:
; (1.21)
äå
-
êîåô³ö³ºíò ðîçïîä³ëó
íàâàíòàæåííÿ
ïî øèðèí³ çóá÷àñòîãî
â³íöÿ.
Ïîïåðåäíüî
ïðèéìàºìî
.
- êîåô³ö³ºíò
øèðèíè çóá÷àñòèõ
êîëåñ (
);
ìì;
Ïðèéìàºìî
à = 160ìì;
.2.4 Ðîçðàõóíîê
ïàðàìåòð³â ïåðåäà÷³
Ìîäóëü
çà÷åïëåííÿ:
, (1.22)
n
=(0,01÷0,02)·160 = 1,6 ÷ 3,2ìì;
Ïðèéìàºìî
mn = 3ìì.
Øèðèíà
äåòàëåé çóá÷àñòîãî
çà÷åïëåííÿ:
êîëåñà:
, (1.23)
â2 = 0,4·160 =63ìì;
- øåñòåðí³:
, (1.24)
â1 = 1,12·63 =71,6ìì;
Ïðèéìàºìî
â1=71ìì.
Ñóìàðíå
÷èñëî çóáö³â:
, (1.25)
Ïðèéìàºìî
.
ʳëüê³ñòü
çóáö³â íà øåñòåðí³:
, (1.26)
Ïðèéìàºìî
ʳëüê³ñòü
çóáö³â íà êîëåñ³:
, (1.27)
Ïåðåâ³ðêà
ïåðåäàòî÷íîãî
÷èñëà:
, (1.28)
Êóò íàõèëó
çóáö³â:
, (1.29)
ijàìåòðè
ä³ëèëüíèõ îêðóæíîñòåé:
äëÿ øåñòåðí³:
, (1.30)
- äëÿ êîëåñà:
, (1.31)
ijàìåòðè
îêðóæíîñòåé
âåðøèí çóáö³â:
äëÿ øåñòåðí³:
, (1.32)
- äëÿ êîëåñà:
, (1.33)
ijàìåòðè
îêðóæíîñòåé
çàïàäèí çóáö³â:
äëÿ øåñòåðí³:
, (1.34)
- äëÿ êîëåñà:
, (1.35)
Îêðóæíà
øâèäê³ñòü â çà÷åïëåí³:
(1.36)
ùî â³äïîâ³äàº
âîñüìîìó ñòóïåíþ
òî÷íîñò³ ïåðåäà÷³
(n = 9).
.2.5 Ïåðåâ³ðêà
çóáö³â êîë³ñ ïî
íàïðóæåííÿì
çãèíó òà êîíòàêòíèì
íàïðóæåííÿì
Ïåðåâ³ðêà
çóáö³â íà êîíòàêòíó
âèòðèâàë³ñòü:
(1.37)
äå
-
êîåô³ö³ºíò, ùî
âðàõîâóº êóò
íàõèëó çóáö³â;
, (1.38)
- êîåô³ö³ºíò,
ùî âðàõîâóº ìàòåð³àë
çóá÷àñòèõ êîëåñ
(ZÌ = 275);
- êîåô³ö³ºíò
ùî âðàõîâóº ïåðåêðèòòÿ
çóáö³â;
, (1.39)
äå
-
ïåðåêðèòòÿ çóáö³â;
(1.40)
òàêèì
÷èíîì:
- êîåô³ö³ºíò,
ùî âðàõîâóº ðîçïîä³ë
íàâàíòàæåííÿ
ì³æ çóáöÿìè (
);
Óòî÷íþºìî
êîåô³ö³ºíò
,
ÿêèé çàëåæèòü
â³ä ñï³ââ³äíîøåííÿ
ðîáî÷î¿ øèðèíè
òà ä³àìåòðó øåñòåðí³:
, (1.41)
ùî â³äïîâ³äàº
.
- äèíàì³÷íèé
êîåô³ö³ºíò (
).
Òàêèì
÷èíîì:
Ïåðåâ³ðêà
çóáö³â íà âèòðèâàë³ñòü
ïðè çãèí³:
(1.42)
äå
-
êîåô³ö³ºíò ôîðìè
çóáà, âèçíà÷àºòüñÿ
â çàëåæíîñò³
â³ä åêâ³âàëåíòíîãî
÷èñëà çóáö³â.
Åêâ³âàëåíòíå
÷èñëî çóáö³â
øåñòåðí³:
, (1.43)
ùî â³äïîâ³äàº
Åêâ³âàëåíòíå
÷èñëî çóáö³â
êîëåñà:
,
,
ùî â³äïîâ³äàº
- êîåô³ö³ºíò,
ùî âðàõîâóº êóò
íàõèëó çóáö³â;
, (1.44)
- êîåô³ö³ºíò
ì³öíîñò³ çóáö³â
(
);
- ïèòîìà
îêðóæíà ñèëà;
(1.45)
- îêðóæíà
ñèëà;
(1.46)
- êîåô³ö³ºíò,
ùî âðàõîâóº íåð³âíîì³ðí³ñòü
ðîçïîä³ëó íàâàíòàæåíü
ì³æ çóáöÿìè;
, (1.47)
- êîåô³ö³ºíò
íàâàíòàæåííÿ
(
);
- äèíàì³÷íèé
êîåô³ö³ºíò (
).
Òàêèì
÷èíîì:
Íàïðóæåííÿ
çãèíó çóáö³â
øåñòåðí³:
Íàïðóæåííÿ
çãèíó çóáö³â
êîëåñà:
Ïåðåâ³ðÿºìî
ì³öí³ñòü çóáö³â
íà ï³êîâ³ íàâàíòàæåííÿ.
Íàïðóæåííÿ,
ùî âèíèêຠâ çóáöÿõ
ïðè ï³êîâèõ íàâàíòàæåííÿõ:
, (1.48)
;
Äîïóñòèì³
ï³êîâ³ íàâàíòàæåííÿ
ðîçðàõîâóþòüñÿ
çà ôîðìóëîþ:
(1.49)
Òàêèì
÷èíîì, óìîâà
ì³öíîñò³
âèêîíóºòüñÿ.
Âèçíà÷àºìî
ñèëè, ùî ä³þòü
â çà÷åïëåíí³:
Îêðóæíà
(òàíãåíö³éíà):
.
Ðàä³àëüíà
:
(1.50)
äå
-
êóò çà÷åïëåííÿ
åâîëüâåíòíîãî
ïðîô³ëþ çóáöÿ
(
).
Îñüîâà
ñèëà:
(1.51)
Ñõåìà
䳿 ñèë â çà÷åïëåíí³
íàâåäåíà íà ìàë.
1.2.
Ìàë.1. 2 - Ñèëè
â çóá÷àñòîìó
çà÷åïëåíí³.
.3 Ðîçðàõóíîê
ïàðàìåòð³â äåòàë³
.3.1 Îð³ºíòîâàíèé
ðîçðàõóíîê ä³àìåòðó
âàëó
Âèçíà÷åííÿ
ä³àìåòðà âèõ³äíîãî
ê³íöÿ âåäó÷îãî
âàëó:
(1.52)
äå
-
äîïóñòèì³ äîòè÷í³
íàïðóæåííÿ
.
Ïðèéìàºìî
,
ùî äîð³âíþº ä³àìåòðó
âèõ³äíîãî ê³íöÿ
âàëó åëåêòðîäâèãóíà.
Òîä³, ä³àìåòð
âàëó ï³ä ï³äøèïíèêè
ïðèéìàºìî
;
ä³àìåòð âàëó â³ëüíèõ
ä³ëÿíîê
,
ùî çàáåçïå÷èòü
íåîáõ³äíèé óïîð
ï³äøèïíèêà. Âåäó÷èé
âàë âèêîíóºòüñÿ
ðàçîì ç øåñòåðíåþ
â âèãëÿä³ âàë-øåñòåðí³.
Âèçíà÷åííÿ ä³àìåòðó
âèõ³äíîãî ê³íöÿ
âåäåíîãî âàëó:
Ïðèéìàºìî
,
ä³àìåòð âàëà ï³ä
ï³äøèïíèêè
,
ä³àìåòð ï³ä êîëåñî
,
ä³àìåòð áóðòà
.
Ïîïåðåäíüî
ïðèéìàºìî ï³äøèïíèêè
øàðèêîâ³ ðàä³àëüí³:
– äëÿ âåäó÷îãî
âàëó - ¹318 ç ðîçì³ðàìè
;
- äëÿ âåäåíîãî
âàëó - ¹224 ç ðîçì³ðàìè
.
Ïðèéìàºìî
â³äñòàíü ì³æ
áîêîâîþ ïîâåðõíåþ
øåñòåðí³ òà âíóòð³øíüîþ
ïîâåðõíåþ êîðïóñà
ðåäóêòîðà
.
Òîä³, â³äñòàíü
ì³æ âíóòð³øí³ìè
áîêîâèìè ïîâåðõíÿìè
êîðïóñó áóäóòü
äîð³âíþâàòè:
(1.53)
Ðîçðàõóíêîâà
äîâæèíà âàëó
(â³äñòàíü ì³æ
îïîðàìè), ñêëàäàºòüñÿ
ç øèðèíè ï³äøèïíèêà
òà ðîçì³ðó
,
ùî äëÿ âåäó÷îãî
âàëó äîð³âíþº:
äëÿ âåäåíîãî
âàëó:
³äïîâ³äíî
äî îòðèìàíèõ
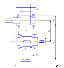
ðåçóëüòàò³â áóäóºìî
êîìïîíîâêó ðåäóêòîðà
ìàëþíîê 1.3.
Ìàëþíîê
1.3. Êîìïàíîâêà ðåäóêòîðà.
.3.2 Ïðîåêòíèé
ðîçðàõóíîê øâèäê³ñòíîãî
âàëó (âàë-øåñòåðí³)
Äëÿ ïîäàëüøèõ
ðîçðàõóíê³â âàë-øåñòåðí³
íåîáõ³äíî âèêîíàòè
ðîçðàõóíîê êëèíîïàñîâî¿
ïåðåäà÷³. Çà ïîïåðåäí³ìè
ðîçðàõóíêàìè
åëåêòðîäâèãóíà
íàì â³äîì³ òàê³
äàí³: êðóòíèé
ìîìåíò åëåêòðîäâèãóíà-
Òäâ=0,07êÍ·ì;
êóòîâà
øâèäê³ñòü åëåêòðîäâèãóíà-ù1=75,8
õâ-1; ïîòóæí³ñòü-
Ð=5,5êÂò; ïåðåäàòî÷íå
â³äíîøåííÿ êëèíîïàñîâî¿
ïåðåäà÷³
.
Âðàõîâóþ÷è
öå îáèðàºìî ïåðåòèí
Á ïàñà ç ïëîùåþ
ïîïåðå÷íîãî ïåðåòèíó
F=138ìì2, îáèðàºìî
ä³àìåòð âåäó÷îãî
âàëó D1=140ìì.
Âèçíà÷àºìî
ä³àìåòð D2 âåäåíîãî
âàëó âðàõîâóþ÷è
â³äíîñíå ñêîâçàííÿ
å =0,015 çà ôîðìóëîþ:
; (1.54)
ìì;
Ïðèéìàºìî
D2 =180ìì.
Âèçíà÷àºìî
ïîïåðåäíþ ì³æâ³ñüîâó
â³äñòàíü:
(1.55)
Ïðèéìàºìî
àñð=400ìì.
Âèçíà÷àºìî
ðîçðàõóíêîâó
äîâæèíó ïàñà
çà ôîðìóëîþ:
(1.56)
Ïðèéìàºìî
Lp =1250ìì.
Ðîçðàõîâóºìî
Dñð çà ôîðìóëîþ:
. (1.57)
Âèçíà÷àºìî
ì³æâ³ñüîâó â³äñòàíü
ç óðàõóâàííÿì
ñòàíäàðòíî¿
äîâæèíè ïàñó:
; (1.58)
ìì.
Ïðèéìàºìî
à =370ìì.
Âèçíà÷àºìî
êóò îá³ãó ìåíüøîãî
øêèâà çà ôîðìóëîþ:
(1.59)
Âèçíà÷àºìî
øâèäê³ñòü êëèíîïàñîâî¿
ïåðåäà÷³ çà ôîðìóëîþ:
(1.60)
Ïðèéìàºìî
òàáëè÷íó âåëè÷èíó
îêðóæíîãî çóñèëëÿ
ðî =322Í (íà îäèí
ïàñ).
Âèçíà÷àºìî
ðîçðàõóíêîâó
äîïóñòèìó âåëè÷èíó
îêðóæíîãî çóñèëëÿ:
(1.61)
äå Ñá
, ÑL , Ñð - êîåô³ö³ºíòè;
(1.62)
ÑL = 1;
Ñð = 1;
Âèçíà÷àºìî
îêðóæíå çóñèëëÿ
çà ôîðìóëîþ:
(1.63)
Ðîçðàõîâóºìî
ê³ëüê³ñòü ðåìåí³â:
(1.64)
Ïðèéìàºìî
z = 3.
Âèçíà÷àºìî
çóñèëëÿ â ïàñîâ³é
ïåðåäà÷³, ïðèéíÿâøè
íàïðóæåííÿ â³ä
ïîïåðåäíüîãî
íàòÿãíåííÿ äî=1,6Í/ìì2;
Ïîïåðåäíå
íàòÿãíåííÿ íà
êîæíîìó ðåìåí³
:
(1.65)
Ðîáî÷å
íàòÿãíåííÿ âåäó÷î¿
ä³ëÿíêè:
(1.66)
Ðîáî÷å
íàòÿãíåííÿ âåäîíî¿
ä³ëÿíêè:
(1.67)
Âèçíà÷àºìî
çóñèëëÿ íà âàëàõ:
(1.68)
Íà ïðîåêòóºìèé
øâèäê³ñòíèé
âàë ä³þòü òàê³
íàâàíòàæåííÿ:t
= 1547,98Í; Fà = 351,3Í; Fr = 577,9Í;
Q =1323,3Í.
Ðîçðàõóíêîâà
ñõåìà âàëó íàâåäåíà
íà ìàë. 1.4.
1. Åïþðà
êðóòíèõ ìîìåíò³â:
.
2. Åïþðà
çãèíàþ÷èõ ìîìåíò³â
â âåðòèêàëüí³é
ïëîùèí³.
Îïîðí³
ðåàêö³¿:
(1.69)
(1.70)
Ìîìåíò
â ïåðåð³ç³ Ñ:
(1.71)
. Åïþðà çãèíàþ÷èõ
ìîìåíò³â â ãîðèçîíòàëüí³é
ïëîùèí³.
Îïîðí³
ðåàêö³¿:
(1.72)
(1.73)
Ïåðåâ³ðêà:
(1.74)
Ìîìåíòè
â ïåðåð³ç³ Ñ:
(1.75)
(1.76)
. Ñóìàðíà
åïþðà çãèíàþ÷èõ
ìîìåíò³â:
(1.77)
. Åïþðà ðîçðàõóíêîâèõ
ìîìåíò³â:
(1.78)
Îá÷èñëþºìî
ä³àìåòð âàëà â
íåáåçïå÷íîìó
ïåðåð³ç³ Ñ1. Äîïóñòèì³
öèêë³÷í³ íàïðóæåííÿ
äëÿ ñòàë³ 45
.
, (1.79)
.
Âàë øåñòåðíÿ
â äàíîìó ïåðåð³ç³
ìຠä³àìåòð
.
.4 Êîíñòðóþâàííÿ
ïðîåêòîâàíî¿
äåòàë³
Îñòàòî÷íî
ïðèéìàºìî òàê³
ðîçì³ðè ä³ëÿíîê
âàëà-øåñòåðí³,
ÿê³ âêàçàí³ íà
ìàëþíêó 1.4.
Âèõ³äíèé
ê³íåöü âàëà ä³àìåòðîì
òà äîâæèíîþ
.Ö³
ðîçì³ðè â³äïîâ³äàþòü
ðîçì³ðàì âèõ³äíîãî
ê³íöÿ âàëó ðîòîðà
åëåêòðîäâèãóíà.
Íà ö³é ä³ëÿíö³
ðîçòàøîâàíà
øïîíêà ç ðîçì³ðàìè
.
Ãëèáèíà øïîí
î÷íîãî ïàçó
.
ijëÿíêè
âàëà ï³ä ï³äøèïíèêè
ìàþòü ä³àìåòð
.
³ëüí³
ä³ëÿíêè âàëà
.
Öåé ä³àìåòð âèçíà÷àºòüñÿ
íåîáõ³äí³ñòþ
çàáåçïå÷èòè
óïîð ï³äøèïíèêà
³ ïðèâåäåíèé â
õàðàêòåðèñòèêàõ
ï³äøèïíèêà.
- Øåñòåðíÿ
äîâæèíîþ
71ìì, ä³àìåòðîì
âèñòóï³â çóáö³â
70,6
ìì, ä³àìåòðîì
çàïàäèí çóáö³â
.
Ïåðåâ³ðî÷íèé
ðîçðàõóíîê:
Ïåðåâ³ðÿºìî
ì³öí³ñòü ïåðåð³çó
ÿêèé îñëàáëåíèé
øïîíî÷íèì ïàçîì.
. Âèõ³äíèé
ê³íåöü âåäó÷îãî
âàëó ä³àìåòðîì
d = 30ìì ìຠðîçì³ðè
øïîíî÷íîãî ïàçó
b = 8ìì, t1 = 4ìì. Ïåðåð³ç
íàâàíòàæåíèé
ò³ëüêè êðóòíèì
ìîìåíòîì
.
Çàïàñ
ì³öíîñò³ ðîçðàõîâóºòüñÿ
ïî ôîðìóë³:
(1.80)
äå
-
çàïàñ ì³öíîñò³
ïî íàïðóæåííÿì
êðó÷åííÿ,
- ìåæà
âèòðèâàëîñò³
ñòàë³ 45 ïðè ñèìåòðè÷íîìó
öèêë³ äîòè÷íèõ
íàïðóæåíü (
=
150 Ìïà);
- êîåô³ö³ºíò
êîíöåíòðàö³¿
äîòè÷íèõ íàïðóæåíü
äëÿ øïîíî÷íîãî
ïàçó (
);
- êîåô³ö³ºíò,
ÿêèé âðàõîâóº
÷èñòîòó îáðîáêè
ïîâåðõí³ (
);
- ìàñøòàáíèé
êîåô³ö³ºíò (
);
- êîåô³ö³ºíò,
ùî âðàõîâóº âïëèâ
öèêë³÷íèõ íàâàíòàæåíü
íà ìàòåð³àë (
);
- â³äïîâ³äíî,
àìïë³òóäíå òà
ñåðåäíº íàïðóæåííÿ
öèêëó:
, (1.81)
- ïîëÿðíèé
ìîìåíò îïîðó
ïåðåð³çó:
(1.82)
Òàêèì
÷èíîì:
,
.
2. ÒÅÕÍÎËÎò×ÍÀ
×ÀÑÒÈÍÀ. ÐÎÇÐÎÁÊÀ
ÒÅÕÍÎËÎò×ÍÎÃÎ
ÏÐÎÖÅÑÓ ÌÅÕÀͲ×Íί
ÎÁÐÎÁÊÈ ÂÀËÀ-ØÅÑÒÅÐͲ
ÄËß ÓÌΠÑÅвÉÍÎÃÎ
ÂÈÐÎÁÍÈÖÒÂÀ
øåñòåðíÿ
ïðèâîä ìåõàíè÷íèé
2.1 Âèá³ð
ìåòîäó îòðèìàííÿ
çàãîòîâêè
Âèá³ð ìåòîäó
îòðèìàííÿ çàãîòîâêè
º âàæëèâèì åòàïîì
ïðè ðîçðîáö³ òåõíîëî㳿
âèãîòîâëåííÿ
äåòàë³. ³ä öüîãî
çàëåæàòü âèòðàòè
ìàòåð³àëó íà
äåòàëü, ìîæëèâ³ñòü
çä³éñíåííÿ íàéá³ëüø
äîö³ëüíîãî òåõíîëîã³÷íîãî
ïðîöåñó ¿¿ âèãîòîâëåííÿ,
òðóäîì³ñòê³ñòü
ìåõàí³÷íèõ îïåðàö³é,
à çíà÷èòü ³ ñîá³âàðò³ñòü
âèãîòîâëåíî¿
äåòàë³.
Ïðè âèáîð³
ìåòîäó îòðèìàííÿ
çàãîòîâîê äëÿ
äåòàëåé ìàøèí
ñë³ä âðàõîâóâàòè
òàê³ ôàêòîðè
ÿê: ïðèçíà÷åííÿ
³ êîíñòðóêö³ÿ
äåòàë³, ìàòåð³àë,
òåõí³÷í³ âèìîãè,
ñåð³éí³ñòü âèïóñêó,
à òàêîæ åêîíîì³÷íó
äîö³ëüí³ñòü âèãîòîâëåííÿ.
Îïòèìàëüíèì
º òîé ìåòîä îòðèìàííÿ
çàãîòîâêè, ÿêèé
çàáåçïå÷óº òåõíîëîã³÷í³ñòü
âèãîòîâëåíî¿
ç íå¿ äåòàë³, ïðè
ì³í³ìàëüí³é ¿¿
ñîá³âàðòîñò³
Äëÿ äàíî¿
äåòàë³ ïîïåðåäíüî
âèáèðàºìî ìåòîä
îòðèìàííÿ çàãîòîâêè
- ïðîêàò. Îñòàòî÷íèé
âàð³àíò ïðèéìåìî
ï³ñëÿ åêîíîì³÷íîãî
ðîçðàõóíêó ñîá³âàðòîñò³
âèáðàíîãî ìåòîäó
³ ïîð³âíÿííÿ éîãî
ç ³íøèì.
.1.1 Åêîíîì³÷íå
îá´ðóíòóâàííÿ
âèáðàíîãî ìåòîäó
îòðèìàííÿ çàãîòîâêè
Âðàõîâóþ÷è
ãåîìåòðè÷í³
ïàðàìåòðè âàëó-øåñòåðí³,
â óìîâàõ ñåð³éíîãî
âèðîáíèöòâà,
â ÿêîñò³ çàãîòîâêè
äëÿ íüîãî ìîæå
áóòè âèêîðèñòàíà
çàãîòîâêà ³ç
ïðîêàòó àáî øòàìïîâàíà
çàãîòîâêà. Ïîð³âíÿºìî
ö³ äâà âàð³àíòè
îòðèìàííÿ çàãîòîâîê
çà âàðò³ñòþ.
2.1.2 Îòðèìàííÿ
çàãîòîâêè ³ç
ïðîêàòó
Âàðò³ñòü
çàãîòîâêè ³ç
ïðîêàòó âèçíà÷àºìî
çà ôîðìóëîþ:
(2.1)
äå Ñ - âàðò³ñòü
1 òîíè ìàòåð³àëó
çàãîòîâêè (Ñòàëü
45 ),
Ñ=1120ãðí/ò;
- ìàñà
ãîòîâî¿ äåòàë³,
=3,6êã;
- âàðò³ñòü
1 òîíè â³äõîä³â,
=168ãðí/ò;
- ìàñà
çàãîòîâêè.
Ìàñó çàãîòîâêè
âèçíà÷åìî çà
ôîðìóëîþ:

(2.2)
äå d - ä³àìåòð
ïðîêàòó, ìì;- äîâæèíà
ïðîêàòó, ìì;
- ãóñòèíà
ìàòåð³àëó çàãîòîâêè.
Âàðò³ñòü
çàãîòîâêè ³ç
ïðîêàòó ñêëàäàº:
Êîåô³ö³ºíò
âèêîðèñòàííÿ
ìàòåð³àëó äëÿ
çàãîòîâêè ³ç
ïðîêàòó:
(2.3)
.1.3 Îòðèìàííÿ
çàãîòîâêè íà
ÃÊÌ
Âàðò³ñòü
øòàìïîâàíî¿
çàãîòîâêè âèçíà÷àºìî
çà ôîðìóëîþ:
, (2.4)
äå Ñ - âàðò³ñòü
1 òîíè çàãîòîâîê,
îòðèìàíèõ øòàìïîâêîþ
³ç áàçîâîãî ìàòåð³àëó
(Ñòàëü 45 ),
Ñ=2500ãðí/ò;
- âàðò³ñòü
1 òîíè â³äõîä³â,
=168ãðí/ò
- êîåô³ö³ºíò,
ÿêèé âðàõîâóº
òî÷í³ñòü ïîêîâêè.
Êëàñ òî÷íîñò³
ïîêîâîê âñòàíîâëþþòü
â çàëåæíîñò³
â³ä âèäó îáëàäíàííÿ
ïî ÃÎÑÒ 7505-89. Äëÿ øòàìïîâêè
íà ÃÊÌ êëàñ òî÷íîñò³
Ò4, Ò5.
=1,0 äëÿ
êëàñó òî÷íîñò³
Ò4 [4];
- êîåô³ö³ºíò,
ÿêèé âðàõîâóº
ñêëàäí³ñòü ïîêîâêè.
Ñòóï³íü
ñêëàäíîñò³ âèçíà÷àºìî
çà ôîðìóëîþ:
(2.5)
äå
-
ìàñà íàéïðîñò³øî¿
ãåîìåòðè÷íî¿
ô³ãóðè, ì³í³ìàëüíîãî
îá’ºìó, â ÿêó óïèñóºòüñÿ
çàãîòîâêà, êã.
(2.6)
.
Òîä³:
Ñòóï³íü
ñêëàäíîñò³ - Ñ1
[24];
=0,75 äëÿ
Ñ1[4];
- êîåô³ö³ºíò,
ÿêèé âðàõîâóº
ìàñó ïîêîâêè,
=0,87 [4];
- êîåô³ö³ºíò,
ÿêèé âðàõîâóº
ìàòåð³àë,
=1,0 [4];
- êîåô³ö³ºíò,
ÿêèé âðàõîâóº
ñåð³éí³ñòü (ïðîãðàìó
âèïóñêó),
=1,0 [4];
- ìàñà
øòàìïîâàíî¿
çàãîòîâêè.
, (2.7)
äå
-
ä³àìåòð ³-òî¿
ñòóïåí³ çàãîòîâêè
íà äîâæèí³
,
ìì.
Âàðò³ñòü
øòàìïîâàíî¿
çàãîòîâêè ñêëàäàº:
Êîåô³ö³ºíò
âèêîðèñòàííÿ
ìàòåð³àëó:
, (2.8)
Ïîð³âíþþ÷è
ö³ äâà âàð³àíòà
ðîáèìî âèñíîâîê,
ùî âàðò³ñòü øòàìïîâàíî¿
çàãîòîâêè á³ëüøå,
í³æ çàãîòîâêè
³ç ïðîêàòó. Àëå
ð³çíèöÿ êîåô³ö³ºíò³â
âèêîðèñòàííÿ
ìàòåð³àëó âêàçóº
íà äîö³ëüí³ñòü
âèêîðèñòàííÿ
çàãîòîâêè ³ç
øòàìïîâêè.
Âðàõîâóþ÷è
ïðîâåäåíèé àíàë³ç,
îñòàòî÷íî âèáèðàºìî
äëÿ äàíî¿ äåòàë³
â ÿêîñò³ çàãîòîâêè
øòàìïîâêó.
.2 Ðîçðîáêà
ìàðøðóòó âèãîòîâëåííÿ
âàëà-øåñòåðí³.
Âèá³ð óñòàòêóâàííÿ,
ïðèñòîñóâàíü
òà ð³æó÷îãî ³íñòðóìåíòó
.2.1 Ìàðøðóòíèé
òåõíîëîã³÷íèé
ïðîöåñ âèãîòîâëåííÿ
äåòàë³
Ìàðøðóò
îáðîáêè äåòàë³
âèáèðàþòü çã³äíî
ç âèìîãàìè ðîáî÷îãî
êðåñëåííÿ ³ ïðèéíÿòîþ
çàãîòîâêîþ. Íà
öüîìó åòàï³ ñêëàäàþòü
çàãàëüíèé ïëàí
îáðîáêè äåòàë³,
ïðèâîäÿòü çì³ñò
îïåðàö³é òåõíîëîã³÷íîãî
ïðîöåñó, âèáèðàþòü
òåõíîëîã³÷íå
îáëàäíàííÿ. Íå
çâàæàþ÷è íà òå,
ùî êîæåí êîíêðåòíèé
âèïàäîê ïîòðåáóº
ïåâíîãî ³íäèâ³äóàëüíîãî
ï³äõîäó, ïðè ñêëàäàíí³
ïîñë³äîâíîñò³
îáðîáêè, ñë³ä ïðèòðèìóâàòèñü
íàñòóïíèõ ðåêîìåíäàö³é:
. Îïåðàö³¿
ïîâèíí³ áóòè
îäíàêîâ³ àáî
êðàòí³ çà òðóäîì³ñòê³ñòþ.
. Êîæíà
ïîñë³äóþ÷à îïåðàö³ÿ
ïîâèííà çìåíøóâàòè
ïîõèáêè ³ ïîë³ïøóâàòè
ÿê³ñòü ïîâåðõîíü.
. Â ïåðøó
÷åðãó îáðîáëÿºòüñÿ
òà ïîâåðõíÿ, ÿêà
áóäå ñëóæèòè
òåõíîëîã³÷íîþ
áàçîþ äëÿ ïîñë³äóþ÷èõ
îïåðàö³é.
. Äàë³ ñë³ä
îáðîáëÿòè ò³ ïîâåðõí³,
ç ÿêèõ çí³ìàºòüñÿ
íàéá³ëüøèé øàð
ìåòàëó. Öå ïðèçâåäå
äî ñâîº÷àñíîãî
âèÿâëåííÿ ìîæëèâèõ
âíóòð³øí³õ äåôåêò³â
çàãîòîâêè.
. Îáðîáêà
³íøèõ ïîâåðõîíü
âåäåòüñÿ â ïîñë³äîâíîñò³,
çâîðîòí³é ñòóïåíþ
¿õ òî÷íîñò³: ÷èì
òî÷í³øå ïîâèííà
áóòè ïîâåðõíÿ,
òèì ï³çí³øå âîíà
îáðîáëÿºòüñÿ.
. Çàê³í÷óºòüñÿ
îáðîáêà ò³ºþ ïîâåðõíåþ,
ÿêà º íàéòî÷í³øà
³ ìຠíàéá³ëüøå
çíà÷åííÿ äëÿ
åêñïëóàòàö³¿
äåòàë³.
. Ïðè âèçíà÷åíí³
ïîñë³äîâíîñò³
âèêîíàííÿ ÷îðíîâèõ
³ ÷èñòîâèõ îïåðàö³é
ñë³ä âðàõîâóâàòè
òå, ùî ñóì³ùåííÿ
¿õ íà îäíèõ ³ òèõ
æå âåðñòàòàõ
ïðèçâîäèòü äî
çíèæåííÿ òî÷íîñò³
îáðîáêè âíàñë³äîê
ï³äâèùåíî¿ çíîøóâàíîñò³
âåðñòàòà íà ÷îðíîâèõ
îïåðàö³ÿõ.
. Îáðîáêó
ïîâåðõîíü ç òî÷íèì
âçàºìíèì ïîëîæåííÿì
, ÿêùî öå ìîæëèâî,
ñë³ä âêëþ÷àòè
â îäíó îïåðàö³þ
³ âèêîíóâàòè
çà îäíå çàêð³ïëåííÿ
çàãîòîâêè.
. Îòâîðè
ñë³ä ñâåðäëèòè
â ê³íö³ òåõíîëîã³÷íîãî
ïðîöåñó, çà âèêëþ÷åííÿì,
êîëè âîíè ñëóæàòü
áàçàìè äëÿ âñòàíîâëåííÿ.
. Òåõí³÷íèé
êîíòðîëü íàì³÷óþòü
ï³ñëÿ òèõ åòàï³â
îáðîáêè, äå ìîæëèâà
ï³äâèùåíà ê³ëüê³ñòü
áðàêó, ïåðåä ñêëàäíèìè
³ äîðîãîö³ííèìè
îïåðàö³ÿìè, ï³ñëÿ
çàê³í÷åíîãî
öèêëó, à òàêîæ
â ê³íö³ îáðîáêè
äåòàë³.
Òåõíîëîã³÷íèé
ìàðøðóò îáðîáêè
âàë-øåñòåðí³
ïðåäñòàâëåíèé
â òàáëèö³ 2.1.
Òàáëèöÿ
2.1 Òåõíîëîã³÷íèé
ìàðøðóò îáðîáêè
âàë-øåñòåðí³.
|
Íàéìåíóâàííÿ
³ íàçâà îïåðàö³¿
|
Çì³ñò îïåðàö³¿
|
Åñê³ç îïåðàö³¿
|
Òåõíîëîã³÷íå
îáëàäíàííÿ, îñíàùåííÿ
òà ³íñòðóìåíò
|
|
|
1
|
2
|
3
|
4
|
|
|
005 Ôðåçåðíî-öåíòðóâàëüíà
|
Ôðåçåðóâà-òè
òîðöåâ³ ïîâåðõí³
À ³ Á Ñâåðäëóâà-òè
öåíòðîâ³ îòâîðè
1 ³ 2
|
|
Ôðåçåðíî-öåíòðóâàëüíèé
âåðñòàò ÌÐ-78 Ïðèñòîñóâàííÿ
(ïðè âåðñòàò³)
Ôðåçà òîðöåâà
I-100 ÃÎÑÒ 9304-69 Ñâåðäëà
öåíòðîâ³ (êîìá³íîâàí³)
Ø5 (2 øò.) ÃÎÑÒ 4010-64
|
|
|
010 Òîêàðíà
ç ×ÏÊ
|
Âñòàíîâ
À Òî÷èòè ïîâåðõí³
Ø33h11, Ø50 h11, Ø60 h11 íà÷îðíî.
Âñòàíîâ Á Ø50h11,
Ø60 h11, Ø73,2 h11. íà÷îðíî.
|
|
Òîêàðíèé
ç ×ÏÊ âåðñòàò
16Ê20Ò1 гçåöü ïðîõ³äíèé
óïîðíèé ïðÿìèé
ÃÎÑÒ 18879-73
|
|
|
015 Òîêàðíà
ç ×ÏÊ
|
Âñòàíîâ
À Òî÷èòè ïîâåðõí³
Ø46h9, Ø57h9, Ø71,2h9, 1ôàñêó
2×45˚, 2ôàñêó 4×45˚,
R2 íà÷èñòî. Âñòàíîâ
Á Òî÷èòè ïîâåðõí³
Ø31h9, Ø46h9, Ø57h9 1ôàñêó
2×45˚, R2 íà÷èñòî.
|
|
Òîêàðíèé
ç ×ÏÊ âåðñòàò
16Ê20Ò1 гçåöü ïðîõ³äíèé
óïîðíèé ïðÿìèé
ÃÎÑÒ 18879-73 гçåöü
ôàñî÷íèé. гçåöü
ãàëòåëüíèé.
|
|
020 Øïîíêîâî-ôðåçåðóâàëüíà
|
Ôðåçåðóâàòè
øïîíêîâèé ïàç
|
|
Øïîíêîâî-ôðåçåðíèé
âåðñòàò 6Ä91 Ïðèñòîñóâàííÿ
(ïðè âåðñòàò³)
Ôðåçà êîíöåâà.
|
|
025 Çóáîôðåçåðíà
|
Íàð³çàòè
çóáè íà÷îðíî
³ íà÷èñòî
|
|
Âåðòèêàëüíî-çóáîôðåç³ðíèé
âåðñòàò 5Ì310 äëÿ
öèë³íäðè÷íèõ
êîëåñ Ôðåçà ÷åðâ'ÿ÷íà.
|
|
026 Òåðì³÷íà
|
ϳääàòè
òåðì³÷í³é îáðîáö³
ä³ëÿíêó âàëó
|
|
Óñòàíîâêà
ÒÂ×
|
|
030 Øë³ôóâàëüíà
|
Âñòàíîâ
À Øë³ôóâàòè ïîâåðõí³
Ø45m6, Ø30s7, ïîïåðåäíî
³ îñòàòî÷íî.
Âñòàíîâ Á Øë³ôóâàòè
ïîâåðõí³ Ø45m6 ïîïåðåäíî
³ îñòàòî÷íî
|
|
Êðóãëîøë³ôóâàëüíèé
âåðñòàò 3Ì151 Öåíòð
ÃÎÑÒ 18259-72 Ïàòðîí
ïîâ³äêîâèé Êðóã
øë³ôóâàëüíèé
120×20×35 ÃÎÑÒ 2424-75
|
|
|
|
|
|
|
|
|
.2.2 Âèá³ð
îáëàäíàííÿ, ð³æó÷îãî
³íñòðóìåíòó
³ ïðèñòîñóâàíü
ϳñëÿ ðîçðîáêè
êîæíî¿ îïåðàö³¿
äëÿ ïðîåêòîâàíîãî
òåõíîëîã³÷íîãî
ïðîöåñó ïðîâîäèòüñÿ
âèá³ð òåõíîëîã³÷íîãî
îáëàäíàííÿ.
Ïðè âèáîð³
ìîäåë³ âåðñòàòà
ïåðø çà âñå âèçíà÷àºòüñÿ
éîãî ìîæëèâ³ñòü
çàáåçïå÷èòè
òî÷í³ñòü ðîçì³ð³â
³ ôîðìè, à òàêîæ
ÿê³ñòü ïîâåðõí³
âèãîòîâëåíî¿
ïîòð³áíó ìîäåëü
âèáèðàþòü ç íàñòóïíèõ
ì³ðêóâàíü:
.³äïîâ³äí³ñòü
îñíîâíèõ ðîçì³ð³â
âåðñòàòà ãàáàðèòàì
îáðîáëþâàíèõ
äåòàëåé, âñòàíîâëåíèõ
çà ïðèéíÿòîþ
ñõåìîþ îáðîáêè;
. ³äïîâ³äí³ñòü
âåðñòàòà ïðîäóêòèâíîñò³
çàäàíîãî ìàñøòàáó
âèðîáíèöòâà;
. Ìîæëèâ³ñòü
ðîáîòè íà îïòèìàëüíèõ
ðåæèìàõ ð³çàííÿ;
. ³äïîâ³äí³ñòü
âåðñòàòà ïîòóæíîñò³;
. Ìîæëèâ³ñòü
ìåõàí³çàö³¿
òà àâòîìàòèçàö³¿
âèêîíóâàíî¿
îáðîáêè;
. Íàéìåíøà
ñîá³âàðò³ñòü
îáðîáêè;
. Ðåàëüíà
ìîæëèâ³ñòü ïðèäáàííÿ
âåðñòàòà;
. Íåîáõ³äí³ñòü
âèêîðèñòàííÿ
íàÿâíèõ âåðñòàò³â.
Ùîá ö³ëêîì
çàáåçïå÷èòè
ðîáî÷å ì³ñöå äëÿ
âèñîêîïðîäóêòèâíî¿
ðîáîòè, ïîòð³áíî
âèêîðèñòàííÿ
â³äïîâ³äíîãî
îñíàùåííÿ. Îñíîâíà
âèìîãà ïðè îñíàùåíí³
- ïîâíà â³äïîâ³äí³ñòü
çàñîá³â îñíàùåííÿ
çì³ñòó âèðîáíè÷îãî
ïðîöåñó, ÿêèé çàáåçïå÷óº
ðàö³îíàëüíå âèêîðèñòàííÿ
çàñîá³â ïðàö³,
ôîíäó ðîáî÷îãî
÷àñó ³ áåçïåêè
ïðàö³ ðîá³òíèê³â.
Êîíñòðóêö³ÿ
³ ðîçì³ðè ³íñòðóìåíòó
äëÿ êîæíî¿ îïåðàö³¿
çàëåæàòü â³ä âèäó
îáðîáêè, ðîçì³ð³â
îáðîáëþâàíèõ
ïîâåðõîíü, âëàñòèâîñòåé
ìàòåð³àëó çàãîòîâêè,
ïîòð³áí³é òî÷íîñò³
³ øîðñòêîñò³
îáðîáëþâàíèõ
ïîâåðõîíü.
Âèêîðèñòîâóâàíå
îáëàäíàííÿ, íà
êîæíó îïåðàö³þ
ïðåäñòàâëåí³
â òàáëèö³ 2.2.
Òàáëèöÿ
2.2 - Çâåäåíà òàáëèöÿ
âèêîðèñòîâóâàíîãî
îáëàäíàííÿ
|
Øèôð îïåðàö³³
|
Íàéìåíóâàííÿ
îïåðàö³³
|
Íàìåííóâàííÿ,
ìîäåëü âåðñòàêà
|
Ïîòóæí³ñòü
âåðñòàêà, êÂò
|
|
005
|
Ôðåçåðíî-öåíòðóâàëüíà.
|
Ôðåçåðíî-öåíòðóâàëüíèé
íàï³âàâòîìàò
âåðñòàò ÌÐ-78.
|
5,1
|
|
010
|
Òîêàðíèé
ç ×ÏÊ
|
Òîêàðíèé
ç ×ÏÊ âåðñòàò
16Ê20Ò1.
|
11
|
|
015
|
Òîêàðíèé
ç ×ÏÊ.
|
Òîêàðíèé
ç ×ÏÊ âåðñòàò
16Ê20Ò1
|
11
|
|
020
|
Øïîíêîâî-ôðåçåðóâàëüíà.
|
Øïîíêîâî-ôðåçåðíèé
âåðñòàò 6Ä91.
|
2,2
|
|
025
|
Çóáîôðåçåðíà.
|
Âåðòèêàëüíî-çóáîôðåç³ðíèé
âåðñòàò 5Ì310 äëÿ
öèë³íäðè÷íèõ
êîëåñ.
|
4
|
|
030
|
Øë³ôóâàëüíà.
|
Êðóãëîøë³ôóâàëüíèé
âåðñòàò 3Ì151.
|
10
|
 òàáëèö³
2.4 íàâåäåí³ òåõí³÷í³
õàðàêòåðèñòèêè
äåÿêèõ ìåòàëîð³çàëüíèõ
âåðñòàò³â, ÿê³
çàñòîñîâóþòüñÿ
ïðè îáðîáö³ äàíîãî
âàëà-øåñòåðí³.
Òàáëèöÿ
2.3 - Òåõí³÷í³ õàðàêòåðèñòèêè
âåðñòàò³â
|
Íàéìåíóâàííÿ
ïîêàçíèê³â
|
Ïîêàçíèêè
ìîäåë³ âåðñòàòà
|
|
1
|
2
|
|
ÌÐ-78
|
|
Òèï âåðñòàòà
- ôðåç³ðíî-öåòðóâàëüíèé
ijàìåòð îáðîáëþâàíî¿
çàãîòîâêè, ìì
Äîâæèíà îáðîáëþâàíî¿
çàãîòîâêè, ìì
×àñòîòà îáåðòàííÿ
øïèíäåëÿ ôðåçè,
õâ Íàéá³ëüøèé
õ³ä ãîëîâêè ôðåçè,
ìì Ðîáî÷à ïîäà÷à
ôðåçè(áåçñòóï³í÷àñòå
ðåãóëþâàííÿ),ìì/õâ
×àñòîòà îáåðòàííÿ
ñâåðäëèëüíîãî
øïèíäåëÿ, õâ
Õ³ä ñâåðäëèëüíî¿
ãîëîâêè, ìì Ðîáî÷à
ïîäà÷à ñâåðäëèëüíî¿
ãîëîâêè (áåçñòóï³í÷àñòå
ðåãóëþâàííÿ),
ìì/õâ Ïîòóæí³ñòü
åëåêòðîäâèãóí³â,
êÂò Ãàáàðèòè
âåðñòàòà, ìì
|
20…60 100…200 456; 582 160 20…400
330;165;580;815; 1125 60 20…300 5,1 2345×1265
|
|
16Ê20Ò1
|
|
Òèï âåðñòàòà
-òîêàðíèé ç ×ÏÊ
Íàéá³ëüøèé ä³àìåòð
îáðîáëþâàíî¿
çàãîòîâêè - íàä
ñòàíèíîþ, ìì
- íàä ñóïïîðòîì,
ìì ijàìåòð ïðóòêà,
ùî ïðîõîäèòü
êð³çü øïèíäåëü,
ìì. Íàéá³ëüøà
äîâæèíà îáðîáêè
çàãîòîâêè, ìì
×àñòîòà îáåðòàííÿ
øïèíäåëÿ, õâ
×èñëî øâèäêîñòåé
øïèíäåëÿ Ïîäà÷à
ñóïïîðò³â, ìì/õâ
- ïîçäîâæíüîãî
- ïîïåðå÷íîãî
Íàéá³ëüøå ïåðåì³ùåííÿ
ñóïïîðòà, ìì - ïîçäîâæíå
- ïîïåðå÷íå Íàéá³ëüøèé
ïåðåòèí ð³çö³â,
ìì Ïîòóæí³ñòü
åëåêòðîäâèãóíà,
êÂò Ãàáàðèòè
âåðñòàòà, ìì
Ìàñà, êã
|
500 215 53 900 10 - 2000 24 0,01…2,8 0,005…1,4
900 250 25×32 11 3700×1770×1700 3800
|
|
6Ä91
|
|
Òèï âåðñòàòà
- øïîíêîâî-ôðåçåðíèé
Øèðèíà ôðåçåðóºìîãî
ïàçó, ìì ijàìåòð
îáðîáëÿºìîãî
âàëó, ìì Íàéá³ëüøà
äîâæèíà ôðåçåðóºìîãî
ïàçó, ìì ×àñòîòà
îáåðò³â øïèíäåëÿ,
õâ Ðîçì³ð
ðîáî÷î¿ ïîâåðõí³
ñòîëó, ìì Ïîïåðå÷íà
ïîäà÷à ôðåçåðíî¿
ãîëîâêè ïðè ìàÿòíèêîâîìó
öèêë³, ìì/õ³ä Ïîòóæí³ñòü
åëåêòðîäâèãóíà,
êÂò - ãîëîâíîãî
ïðèâîäó - ïðèâîäó
ïîäà÷ Ãàáàðèòè
âåðñòàòà
|
3…20 8…80 300 630;800;1000 200×800
0,1…1,8 2,2 0,8 1320×1380
|
|
5Ì310
|
|
Òèï âåðñòàòà
- âåðòèêàëüíî-çóáîôðåçåðíèé
äëÿ öèë³íäðè÷íèõ
êîë³ñ Íàéá³ëüøèé
ìîäóëü ïî ñòàë³,
ìì Íàéá³ëüøèé
ðîçì³ð ÷åðâ`ÿ÷íî¿
ôðåçè, ìì - ä³àìåòð
- äîâæèíà ×àñòîòà
îáåðò³â øïèíäåëÿ,
õâ Ïîäà÷à
ñòîëó - âåðòèêàëüíà,
ìì/îá - ðàä³àëüíà,
ìì/îá - òàíãåíö³àëüíà,
ìì/îá Ïîòóæí³ñòü
åëåêòðîäâèãóíà
ïðèâîäó ÷åðâ`ÿ÷íî¿
ôðåçè, êÂò Ãàáàðèòè
âåðñòàòà, ìì
|
4 125 145 50…400 0,8…5 0,5…20 0,2…10 4
2220×1350
|
|
3Ì151
|
|
Òèï âåðñòàòà
- êðóãëîøë³ôîâàëüíèé
Íàéá³ëüøèé ðîçì³ð
îáðîáëÿºìî¿ çàãîòîâêè,
ìì - ä³àìåòð - äîâæèíà
Íàéá³ëüøèé ðîçì³ð
øë³ôóâàëüíîãî
êðóãà, ìì ×àñòîòà
îáåðò³â øïèíäåëÿ
øë³ôîâàëüíî¿
áàáêè, õâ
×àñòîòà îáåðò³â
øïèíäåëÿ çîãîòîâêè,
õâ Íàéá³ëüøå
ïîïåðå÷íå ïåðåì³ùåííÿ
øë³ôîâàëüíî¿
áàáêè, ìì Áåçïåðåðâíà
ïîäà÷à äëÿ âð³çíîãî
øë³ôóâàííÿ (áåçñòóï³í÷àñòå
ðåãóëþâàííÿ),
ìì/õâ Ïîòóæí³ñòü
åëåêòðîäâèãóíà,
êÂò Ãàáàðèòè
âåðñòàòà, ìì
|
200 700 600×100×305 1590 50…500
185 0,1…4 10 4605×2450
|
 òàáëèö³
2.4. íàâåäåíèé íåîáõ³äíèé
ð³æó÷³é ³íñòðóìåíò,
ÿêèé âèêîðèñòîâóþòü
ïðè îáðîáö³ âàëà-øåñòåðí³.
Òàáëèöÿ
2.4. Íåîáõ³äíèé
ð³æó÷èé ³íñòðóìåíò.
|
Øèôð îïåðàö³³
|
Íàéìåíóâàííÿ
îïåðàö³³
|
Íàìåííóâàííÿ
ð³æó÷îãî ²íñòðóìåíòó
³ ÃÎÑÒ
|
×àñ ðîáîòè
íà îïåðàö³¿, Òî,
õâ.
|
|
005
|
Ôðåçåðíî-öåíòðóâàëüíà.
|
Ôðåçà òîðöåâà
I-100 ÃÎÑÒ 9304-69 Ñâåðäëà
öåíòðîâ³ (êîìá³íîâàí³)
Ø6(2 øò.) ÃÎÑÒ 14952-69
|
0,23
|
|
010
|
Òîêàðíî-êîï³þâàëüíà.
|
гçåöü ïðîõ³äíèé
óïîðíèé ïðÿìèé
ÃÎÑÒ 18879-73
|
0,39
|
|
015
|
Òîêàðíî-êîï³þâàëüíà.
|
гçåöü ïðîõ³äíèé
óïîðíèé ïðÿìèé
ÃÎÑÒ 18879-73
|
1,61
|
|
020
|
Øïîíêîâî-ôðåçåðóâàëüíà.
|
Ôðåçà êîíöåâà
ÃÎÑÒ17025-71
|
0,53
|
|
025
|
Çóáîôðåçåðíà.
|
Ôðåçà ÷åðâ'ÿ÷íà
ÃÎÑÒ9324-80
|
0,23
|
|
030
|
Øë³ôóâàëüíà.
|
Êðóã øë³ôóâàëüíèé
ÃÎÑÒ 2424-75
|
1,18
|
.3 Âèá³ð
òåõíîëîã³÷íèõ
áàç äëÿ âñòàíîâëåííÿ
çàãîòîâêè ïðè
îáðîáö³
³ä ïðàâèëüíîãî
âèáîðó òåõíîëîã³÷íèõ
áàç â çíà÷í³é
ì³ð³ çàëåæàòü:
ôàêòè÷íà òî÷í³ñòü
âèêîíàííÿ ðîçì³ð³â,
ÿê³ çàäàí³ íà
êðåñëåíí³; ïðàâèëüí³ñòü
âçàºìíîãî ïîëîæåííÿ
ïîâåðõîíü; ñòóï³íü
ñêëàäíîñò³ òà
êîíñòðóêö³ÿ íåîáõ³äíèõ
ïðèñòîñóâàíü,
ð³æó÷èõ òà âèì³ðþâàëüíèõ
³íñòðóìåíò³â;
ïðîäóêòèâí³ñòü
îáðîáêè.
 îñíîâó
ïðèíöèïó áàçóâàííÿ
çàãîòîâîê ïîêëàäåíî
íàñòóïíå:
. Ïðè âèñîêèõ
âèìîãàõ äî òî÷íîñò³
îáðîáêè íåîáõ³äíî
âèáèðàòè òàêó
ñõåìó áàçóâàííÿ,
ÿêà çàáåçïå÷èòü
íàéìåíøó ïîõèáêó
âñòàíîâëåííÿ
çàãîòîâêè.
. Äëÿ ï³äâèùåííÿ
òî÷íîñò³ äåòàëåé
òà ç³áðàíèõ âóçë³â
íåîáõ³äíî çàñòîñîâóâàòè
ïðèíöèï ñóì³ùåííÿ
(ºäíîñò³) áàç - ñóì³ùóâàòè
êîíñòðóêòèâíó,
òåõíîëîã³÷íó
òà âèì³ðþâàëüíó
áàçè.
. Äîö³ëüíî
äîòðèìóâàòè
ïðèíöèï ñòàëîñò³
áàçè. Ïðè çì³í³
áàç â õîä³ òåõíîëîã³÷íîãî
ïðîöåñó òî÷í³ñòü
îáðîáêè çíèæóºòüñÿ
÷åðåç ïîõèáêó
âçàºìíîãî ðîçòàøóâàííÿ
íîâèõ òåõíîëîã³÷íèõ
áàç, ³ òèõ, ùî çàñòîñîâóâàëèñÿ
ðàí³øå.
Âèõ³äíèìè
äàíèìè äëÿ âèçíà÷åííÿ
òåõíîëîã³÷íèõ
áàç º:
ñêëàäàëüíå
êðåñëåííÿ âóçëà
àáî âèðîáó;
êðåñëåííÿ
äåòàë³ ï³ñëÿ êîíñòðóêòîðñüêîãî
³ òåõíîëîã³÷íîãî
êîíòðîëþ;
óìîâè
âèðîáíèöòâà:
ïðîãðàìà (îá´ºì)
âèïóñêó, ñêëàä
òà ñòàí òåõíîëîã³÷íîãî
îáëàäíàííÿ, îñíàùåí³ñòü
ïðèñòîñóâàííÿìè,
ð³æó÷èì òà âèì³ðþâàëüíèì
³íñòðóìåíòîì,
êâàë³ô³êàö³ÿ
ðîáî÷èõ.
 äàíîìó
âèïàäêó äåòàëü
íå ï³ääàºòüñÿ
ïîâí³é îáðîáö³,
òîìó çà òåõíîëîã³÷í³
áàçè äëÿ ïåðøî¿
îïåðàö³¿ ðåêîìåíäóþòü
ïðèéìàòè ïîâåðõí³,
ÿê³ âçàãàë³ íå
îáðîáëÿþòüñÿ.
Öå çàáåçïå÷èòü
íàéìåíøèé çñóâ
îáðîáëåíèõ ïîâåðõîíü
â³äíîñíî íåîáðîáëåíèõ.
Íàäàë³ â ïðîöåñ³
îáðîáêè áóäóòü
âèêîðèñòîâóâàòèñÿ
äîïîì³æí³ (øòó÷í³)
áàçè, ÿê³ áóëè
îòðèìàí³ íà îïåðàö³¿
005, à ñàìå òîðöåâ³
ïîâåðõí³ òà ãí³çäà
öåíòðîâèõ îòâîð³â.
.4 Ïðîåêòóâàííÿ
çàãîòîâêè
Âñ³ çàãîòîâêè,
ïðèçíà÷åí³ äëÿ
ìåõàí³÷íî¿ îáðîáêè,
âèãîòîâëÿþòüñÿ
ç ïðèïóñêîì íà
ðîçì³ð ãîòîâî¿
äåòàë³ (ïðèïóñêîì
íà îáðîáêó).
Âåëè÷èíè
ïðèïóñê³â ³ äîïóñêè
íà ðîçì³ðè çàãîòîâîê
çàëåæàòü â³ä ðÿäó
ôàêòîð³â, ñòóï³íü
âïëèâó ÿêèõ º
ð³çíèì. Äî îñíîâíèõ
ôàêòîð³â â³äíîñÿòü:
ìàòåð³àë, êîíô³ãóðàö³þ,
ðîçì³ðè, âèä ³ ñïîñ³á
âèãîòîâëåííÿ
çàãîòîâêè, âèìîãè
ïî â³äíîøåííþ
äî ìåõàí³÷íî¿
îáðîáêè, øîðñòêîñò³
ïîâåðõí³, à òàêîæ
òî÷í³ñòü ðîçì³ð³â
äåòàë³. Ïðè öüîìó
íåîáõ³äíî ùîá
âåëè÷èíà ïðèïóñêó
áóëà íàéìåíøîþ
(òàê ÿê âåëèê³
ïðèïóñêè çìåíøóþòü
êîåô³ö³ºíò âèêîðèñòàííÿ
ìàòåð³àëó), àëå
äîñòàòíüîþ äëÿ
äîñÿãíåííÿ çàäàíî¿
òî÷íîñò³ ïîâåðõîíü
äåòàë³.
Äëÿ ñòóï³í÷àòèõ
âàë³â ðîçðàõóíîê
âåäóòü ïî ïîâåðõí³
ç íàéá³ëüøèì
ä³àìåòðîì, à ïðè
ð³âíèõ ä³àìåòðàõ
- ïî ïîâåðõí³ äî
ÿêî¿ ïðåä´ÿâëÿþòü
íàéâèù³ âèìîãè
ïî òî÷íîñò³ òà
ÿêîñò³ ïîâåðõí³.
Íàïóñê
íà ³íøèõ ïîâåðõíÿõ,
ÿêùî öå äîïóñêàºòüñÿ
ãëèáèíîþ ð³çàííÿ,
çí³ìàþòü ïðè
÷îðíîâ³é îáðîáö³
çà îäèí ðîáî÷èé
õ³ä; á³ëüøèé íàïóñê
âèäàëÿþòü çà
äâà ðîáî÷èõ õîäà:
60 - 70% çà ïåðøèé òà
30 - 40% çà äðóãèé. Ïîäàëüøó
îáðîáêó âàëà-øåñòåðí³
âåäóòü â³äïîâ³äíî
ðîçðàõîâàíèì
ãðàíè÷íèì ðîçì³ðàì.
.4.1 Ðîçðàõóíîê
ïðèïóñê³â òàáëè÷íèì
ìåòîäîì
Íà îñíîâí³
ïîâåðõí³ äåòàë³
ïðèïóñêè òà äîïóñêè
ïðèéìàºìî òàáëè÷íèì
ìåòîäîì ïî ÃÎÑÒ
7505-89 ³ ðåçóëüòàòè
çàíîñèìî äî òàáëèö³
2.5.
Äëÿ âèçíà÷åííÿ
ïðèïóñê³â òà äîïóñê³â
íåîáõ³äíî âñòàíîâèòè
ñë³äóþ÷³ ïàðàìåòðè:
Êëàñ òî÷íîñò³:
Ò4(øòàìïîâêà íà
ÃÊÌ);
Ãðóïà ñòàë³:
Ì2;
Ñòóï³íü
ñêëàäíîñò³: Ñ1;
Âèõ³äíèé
³íäåêñ: 11;
Âèçíà÷àºìî
ïðèïóñêè òà äîïóñêè
íà íåîáõ³äí³
ïîâåðõí³ âàëà-øåñòåðí³:
Íà ðîçì³ð(2)
Ø30s7 ìì;
Ïðèïóñê
- 2×1,5ìì;
Äîïóñê
-1,6
ìì;
Íà ðîçì³ð(3;9)
Ø45m6 ìì;
Ïðèïóñê
- 2×1,8ìì;
Äîïóñê
- 2,0
ìì;
Íà ðîçì³ð(4;8)Ø56
ìì;
Ïðèïóñê
- 2×1,6ìì;
Äîïóñê
- 2,0
ìì;
Íà ðîçì³ð(5;7)
71ìì;
Ïðèïóñê
- 1,6ìì;
Äîïóñê
- 2,0
ìì;
Íà ðîçì³ð(6)
70,6h9ìì;
Ïðèïóñê
- 2×1,6ìì;
Äîïóñê
- 2,0
ìì;
Íà ðîçì³ð(10;11)
233ìì;
Ïðèïóñê
- 1,8ìì;
Äîïóñê
- 2,5
ìì;
Òàáëèöÿ
2.5.- Ïðèïóñêè òà
äîïóñêè íà îáðîáëÿºì³
ïîâåðõí³ âàëà-øåñòåðí³
ïî ÃÎÑÒ 7505-89.
|
Ïîâåðõíÿ
¹
|
Ðîçì³ð, ìì
|
Ïðèïóñê,ìì
|
Äîïóñê,ìì
|
|
2
|
Ø30s7
|
2×1,5
|
1,6
|
|
3;9
|
Ø45m6
|
2×1,8
|
2,0
|
|
4; 8
|
Ø56(-0,19 )
|
2×1,6
|
2,0
|
|
5;7
|
71(-0,74)
|
1,6
|
2,0
|
|
6
|
Ø70,6h9(-0,074)
|
2×1,6
|
2,0
|
|
1; 10
|
233(-1,15)
|
1,8
|
2,5
|
Åñê³ç
çàãîòîâêè (øòàìïîâêè
íà ÃÊÌ) âàëà-øåñòåðí³
ðèñóíîê 2.1.
2.5 Ðîçðàõóíîê
ðåæèì³â ð³çàííÿ
Âèçíà÷àºìî
ðåæèìè ð³çàííÿ
òàáëè÷íèì ìåòîäîì.
, (2.9)
äå Lð³ç.
- äîâæèíà ð³çàííÿ;
ó - ï³äâ³ä,
âð³çàííÿ òà ïåðåá³ã
³íñòðóìåíòó;äîï.
- äîäàòêîâà äîâæèíà
õîäó, ÿêà îáóìîâëþºòüñÿ
â äåÿêèõ âèïàäêàõ
îñîáëèâîñòÿìè
íàëàäêè ³ êîíô³ãóðàö³ºþ
äåòàëåé;
Âèáèðàºìî
äàíí³ ç ìàðøðóòó
îáðîáêè òà òàáëè÷íèõ
äàíèõ [6]:ð³ç. = 65ìì;
ó = 8ìì; Läîï =0;
ìì.
Ãëèáèíà
ð³çàííÿ t = 1ìì.
Ïðèçíà÷àºìî
âåëè÷èíó ïîäà÷³
ñóïîðòà íà îáåðò
øï³íäåëÿ [6]:
Óòî÷íþºìî
âåëè÷èíó ïîäà÷³
ïî ïàñïîðòó âåðñòàòà
[5]:
Âèçíà÷àºìî
ñò³éê³ñòü ³íñòðóìåíòó
ïî íîðìàòèâàì
[6]:
Ðîçðàõîâóºìî
øâèäê³ñòü ð³çàííÿ
çà ôîðìóëîþ:
. (2.10)
äå Vòàá.
- òàáëè÷íå çíà÷åííÿ
øâèäêîñò³;
Ê1 - êîåô³ö³ºíò,
ÿêèé çàëåæèòü
â³ä ìàòåð³àëó,
ùî îáðîáëþºòüñÿ;
Ê2 - êîåô³ö³ºíò,
ÿêèé çàëåæèòü
â³ä ñò³éêîñò³
òà ìàðêè ìàòåð³àëó
ð³æó÷îþ ÷àñòèíè;
Ê3 - êîåô³ö³ºíò,
ÿêèé çàëåæèòü
â³ä âèäó îáðîáêè;òàá.
=125 ì/õâ; Ê1 =0,9; Ê2
=1,55; Ê3 =1 [6].
ì/õâ.
Ðîçðàõîâóºìî
ðåêîìåíäîâàíå
÷èñëî îáåðò³â
øïèíäåëÿ ñòàíêà
çà ôîðìóëîþ:
, (2.11)
äå V - ðîçðàõóíêîâà
øâèäê³ñòü ð³çàííÿ;-
ä³àìåòð îáðîáëÿºìî¿
ïîâåðõí³.
õâ-1.
Îáåðàºìî
íàéáëèæ÷å çíà÷åííÿ
÷èñëà îáåðò³â
âåðñòàòó [5]:= 1700 õâ-1;
Óòî÷íþºìî
øâèäê³ñòü ð³çàííÿ
ïî ïðèéíÿòîìó
çíà÷åííþ ÷èñëà
îáåðò³â øïèíäåëÿ,
çà ôîðìóëîþ:
, (2.12)
äå n -ïðèéíÿòå
÷èñëî îáåðò³â
âåðñòàòà;- ä³àìåòð
îáðîáëÿºìî¿ ïîâåðõí³.
ì/õâ.
Ðîçðàõîâóºìî
îñíîâíèé ìàøèíèé
÷àñ çà ôîðìóëîþ:
, (2.13)
äå Lð.õ. - äîâæèíà
ðîáî÷îãî õîäó
ñóïîðòó;î - ïîäà÷à
ñóïîðòó íà îáåðò
øïèíäåëÿ;- ÷èñëî
îáåðò³â âåðñòàòà.
õâ.
Äëÿ âèçíà÷åííÿ
ïîòóæíîñò³ ð³çàííÿ
íåîáõ³äíî ðîçðàõóâàòè
ñèëó ð³çàííÿ
Ðz:
, (2.14)
äå Ê1 - êîåô³ö³ºíò,
ÿêèé çàëåæèòü
â³ä ìàòåð³àëó,
ùî îáðîáëþºòüñÿ;
Ê2 - êîåô³ö³ºíò,
ÿêèé çàëåæèòü
â³ä øâèäêîñò³
ð³çàííÿ òà ïåðåäíüîãî
êóòà â ïëàí³ ïðè
òî÷³íí³ ñòàë³
òâåðäîñïëàâíèì
³íñòðóìåíòîì.òàáë.
=135 êÃ; Ê1 = 0,8; Ê2 = 1 [5].
êÃ.
Îòæå ïîòóæí³ñòü
ð³çàííÿ áóäå
äîð³âíþâàòè :
(2.15)
Ïîð³âíþºìî
ïîòóæí³ñòü ð³çàííÿ
ç ïîòóæí³ñòþ
âåðñòàòà:
(2.16)
Óìîâà âèêîíóºòüñÿ.
Àíàëîã³÷íèì
ìåòîäîì ðîçðàõîâóºìî
ðåæèìè ð³çàííÿ
íà ³íø³ îïåðàö³¿,
âèçíà÷åí³ äàí³
çàïèñóºìî äî
òàáëèö³ 2.6.
Òàáëèöÿ
2.6. - Çâåäåíà òàáëèöÿ
ðåæèì³â ð³çàííÿ
|
Íàéìåíóâàííÿ
³ çì³ñò îïåðàö³¿
|
Ãëèáèíà
ð³çàííÿ t, ìì
|
Ïîäà÷à S,
ìì/îá
|
Øâèäê³ñòü
ð³çàííÿ V, ì/õâ
|
×àñòîòà
îáåðòàííÿ øïèíäåëÿ
n,
|
Îñíîâíèé
ìàøèííèé ÷àñ
,
õâ
|
|
1
|
2
|
3
|
4
|
5
|
6
|
|
005 Ôðåçåðíî-öåíòðóâàëüíà
1. Ôðåçåðóâàííÿ
òîðöåâèõ ïîâåðõîíü
2. Ñâåðäëóâàííÿ
öåíòðîâèõ îòâîð³â
|
1,7 1
|
1,0 0,1
|
182,1 17,6
|
580 1125
|
0,21 0,02
|
|
010Òîêàðíà
ç×ÏÊ Âñòàíîâ
À 1. Òî÷èòè ïîâåðõí³
Ø 33h11 Ø 50h11 Ø 60h11 Âñòàíîâ
Á 2. Òî÷èòè ïîâåðõí³
Ø 50h11 Ø 60h11 Ø73,2h11
|
1 2 1,5 2 1,5 1
|
0,6 0,6 0,6 0,6 0,6 0,6
|
176 176 179 176 179 172,3
|
1700 1120 950 1120 950 750
|
0,07 0,05 0,02 0,05 0,02 0,18
|
|
015Òîêàðíà
ç×ÏÊ Âñòàíîâ
À 1. Òî÷èòè ïîâåðõí³
Ø 31h9 Ø 46h9 Ø 57h9 Âñòàíîâ
Á 2. Òî÷èòè ïîâåðõí³
Ø 46h9 Ø 71,2h9 Ø57 h9
|
0,5 0,5 0,5 0,5 0,3 0,5
|
0,2 0,2 0,2 0,2 0,2 0,2
|
175,2 180,5 179 180,5 178,8 180,5
|
1800 1250 1000 1250 800 1000
|
0,57 0,23 0,09 0,14 0,49 0,09
|
|
020 Øïîíêîâî-ôðåçåðóâàëüíà
1.Ôðåçåðóâàòè
øïîíêîâèé ïàç
|
4
|
0,2
|
22,6
|
800
|
0,53
|
|
025 Çóáîôðåçåðíà
1.Íàð³çàòè çóáè.
|
|
1,4
|
50,8
|
180
|
0,23
|
|
030 Êðóãëîøë³ôóâàëüíà
1.Øë³ôóâàòè ïîâåðõí³
Ø30 s7 Ø45
m6
|
0,100
|
0,85
|
Vk =10ì/ñ Vç = 282,6
|
nê = 1590 nç = 300
|
1,18
|
|
|
|
|
|
|
|
|
|
|
.6 Ðîçðàõóíîê
òåõí³÷íèõ íîðì
÷àñó
Òåõí³÷í³
íîðìè ÷àñó â óìîâàõ
ñåð³éíîãî âèðîáíèöòâà
âñòàíîâëþþòüñÿ
ðîçðàõóíêîâî-àíàë³òè÷íèì
ìåòîäîì.
 ñåð³éíîìó
âèðîáíèöòâ³ âèçíà÷àºòüñÿ
íîðìà øòó÷íî-êàëüêóëÿö³éíîãî
÷àñó:
, (2.17)
äå
-
íîðìà øòó÷íîãî
÷àñó,
. (2.18)
- ï³äãîòîâ÷î-çàêëþ÷íèé
÷àñ, õâ;
- ê³ëüê³ñòü
äåòàëåé â ïåðåäàâàëüí³é
ïàðò³¿, øò;
- îñíîâíèé
(ìàøèííèé) ÷àñ,
õâ;
- äîïîì³æíèé
÷àñ, ÿêèé ñêëàäàºòüñÿ
ç âèòðàò ÷àñó
íà îêðåì³ ïðèéîìè:
, (2.19)
äå
-
÷àñ íà âñòàíîâëåííÿ
òà çí³ìàííÿ äåòàë³,
õâ;
- ÷àñ
íà çàêð³ïëåííÿ
³ â³äêð³ïëåííÿ
äåòàë³, õâ;
- ÷àñ
íà ïðèéîìè óïðàâë³ííÿ,
õâ;
- ÷àñ
íà âèì³ðþâàííÿ
äåòàë³, õâ;
- çàãàëüíèé
÷àñ íà îáñëóãîâóâàííÿ
ðîáî÷îãî ì³ñöÿ
³ â³äïî÷èíîê, ÿêèé
ðîçðàõîâóºòüñÿ:
, (2.20)
äå
-
âèòðàòè ÷àñó
íà îáñëóãîâóâàííÿ
³ â³äïî÷èíîê ó
â³äñîòêîâîìó
â³äíîøåíí³ äî
îïåðàòèâíîãî
÷àñó.
. (2.21)
Ðîçðàõîâóºìî
íîðìè øòó÷íî-êàëüêóëÿö³éíîãî
÷àñó íà òîêàðíó
îïåðàö³þ 010, ÿêà
âèêîíóºòüñÿ
íà òîêàðíîìó
âåðñòàò³ ç ×ÏÊ
16Ê20Ò1.
Ìàñà äåòàë³
3,6 êã, âèðîáíèöòâî
- ñåð³éíå, ð³÷íà
ïðîãðàìà âèïóñêó
N=5000 øò. Îñíîâíèé
(ìàøèííèé) ÷àñ
=0,39
õâ.
=8 õâ.[5]
Âèçíà÷èìî
äîïîì³æíèé ÷àñ,
ÿêèé ñêëàäàºòüñÿ
ç âèòðàò ÷àñó
íà îêðåì³ ïðèéîìè.
×àñ íà
âñòàíîâëåííÿ
òà çí³ìàííÿ äåòàë³:
=0,18 õâ.
×àñ íà
çàêð³ïëåííÿ ³
â³äêð³ïëåííÿ äåòàë³:
=0,024 õâ.
×àñ íà
ïðèéîìè óïðàâë³ííÿ
âåðñòàòîì:
=0,075õâ.
×àñ íà
âèì³ðþâàííÿ äåòàë³:
=0,16 õâ.
Ïîïðàâî÷íèé
êîåô³ö³ºíò íà
äîïîì³æíèé ÷àñ
ïðè ñåð³éíîìó
âèðîáíèöòâ³:
ê =1,85.
Äîïîì³æíèé
÷àñ ñêëàäàº:
=(0,18+0,024+0,075+0,16)1,85=0,81õâ.
Òîä³ ÷àñ,
ÿêèé âèòðà÷àºòüñÿ
íà îïåðàö³þ áóäå
äîð³âíþâàòè:
=0,39+0,81=1,2õâ.
Âèçíà÷èìî
çàãàëüíèé ÷àñ
íà îáñëóãîâóâàííÿ
ðîáî÷îãî ì³ñöÿ
³ â³äïî÷èíîê:
=8%;
õâ.
Íîðìà
øòó÷íîãî ÷àñó
äîð³âíþº:
=
0,39+0,81+0,096=0,906õâ.
ʳëüê³ñòü
äåòàëåé â ïàðò³¿
âèçíà÷àºìî çà
ôîðìóëîþ:
, (2.22)
äå
-
ð³÷íà ïðîãðàìà
âèïóñêó äåòàëåé,
øò;ä- ä³éñíèé ð³÷íèé
ôîíä ÷àñó ðîáîòè
1 âåðñòàòà çà çì³íó;-
ê³ëüê³ñòü äí³â,
íà ÿê³ íåîáõ³äíî
ìàòè çàïàñ äåòàëåé
íà ñêëàä³;
Îòæå, ê³ëüê³ñòü
äåòàëåé â ïàðò³¿:
.
Òîä³:
õâ.
Íà âñ³
³íø³ îïåðàö³¿
íîðìè ÷àñó âèçíà÷àþòüñÿ
àíàëîã³÷íî. Ðåçóëüòàòè
çâîäèìî â òàáëèöþ
2.7.
Òàáëèöÿ
2.7 - Çâåäåíà òàáëèöÿ
òåõí³÷íèõ íîðì
÷àñó ó õâèëèíàõ
3. ÐÎÇÐÀÕÓÍÎÊ
ÏÐÈÑÒÎÑÓÂÀÍÍß
.1 Ðîçðàõóíîê
âåðñòàòíîãî
ïðèñòîñóâàííÿ
Ïðèñòîñóâàííÿ
ñïðîåêòîâàíî
äëÿ ôðåçåðóâàííÿ
øïîíî÷íîãî ïàçà
øèðèíîþ 8h8 ³ äîâæèíîþ
45 ìì (êðåñëåííÿ
äåòàë³) âàë-øåñòåðí³
íà âåðòèêàëüíî-ôðåçåðíîìó
âåðñòàò³ ç ×ÏÊ
ìîäåë³ 6Ä91. Ïðè îáðîáö³
äåòàëü âñòàíîâëþºòüñÿ
â ïðèñòîñóâàííÿ
öèë³íäðè÷íèìè
ïîâåðõíÿìè Ø
45h8 íà ïðèçìè 12 (ïîäâ³éíà
ñïðÿìîâóþ÷à áàçà
ïîçáàâëÿº çàãîòîâêó
4 ñòóïåí³â ñâîáîäè)
òà ï³äòèñêàºòüñÿ
ïëàíêîþ 1. Óïîð
âàë-øåñòåðí³
â íàïðÿìêó îñ³
çä³éñíþºòüñÿ
çà äîïîìîãîþ
óïîð³â äëÿ ðåãóëþâàííÿ
(óïîðíà áàçà ïîçáàâëÿº
çàãîòîâêó îäíîãî
ñòóïåíÿ ñâîáîäè).
Äîäàòêîâèé óïîð
- øïîíî÷íà ôðåçà
(1 ñòóï³íü ñâîáîäè).
Òàêèì ÷èíîì,
ïðèñòîñóâàííÿ
çàáåçïå÷óº íåïîâíå
áàçóâàííÿ äåòàë³
(5 ñòóïåí³â ñâîáîäè).
Îê³ëüêè ïîëîæåííÿ
øïîíî÷íîãî ïàçà
íåô³êñîâàíå
òî òàêà ñõåìà
áàçóâàííÿ äîïóñòèìà.
Çàòèñê
äåòàë³ â³äáóâàºòüñÿ
çà äîïîìîãîþ
ïíåâìîêàìåðè
ïîäâ³éíî¿ ä³¿.
Äëÿ öüîãî ñòèñíåíå
ïîâ³òðÿ ïîäàºòüñÿ
â øòîêîâó ïîðîæíèíó,
ìåìáðàíà ç ïðèêð³ïëåíîþ
äî íå¿ îïîðíîþøàéáîþ
òà øòîêîì ïðîãèíàºòüñÿ
äî íèçó é ÷åðåç
òÿãó, ç’ºäíàíó
ç³ øòîêîì ð³çüáîþ
çàòèñêຠäåòàëü
ïëàíêîþ. Äåòàëü
îáðîáëþºòüñÿ.
Äëÿ ðîçêð³ïëåííÿ
äåòàë³ ñòèñíåíå
ïîâ³òðÿ ïîäàºòüñÿ
â áåçøòîêîâó
ïîðîæíèíó, ìåìáðàíà
ïðîãèíàºòüñÿ
äîãîðè, ï³äí³ìàºòüñÿ
øòîê ðàçîì ç ïëàíêîþ.
Ñïðîåêòîâàíå
ïðèñòîñóâàííÿ
ÿâëÿºòüñÿ áàãàòîì³ñöåâèì
ïåðåíàëàãîäæóâàëüíèì,
ùî â³äïîâ³äàº
óìîâàì ñåð³éíîãî
âèðîáíèöòâà.
.2 Ðîçðàõóíîê
ïîòð³áíî¿ ñèëè
çàòèñêó
Ïðè îáðîáö³
íà çàãîòîâêó
䳺 ñèëà ð³çàííÿ
Pz = 330 Í (òåõíîëîã³÷íà
÷àñòèíà äèïëîìíîãî
ïðîåêòó).
Ìàêñèìàëüíèé
êðóòíèé ìîìåíò,
ÿêèé ïðàãíå ïîâåðíóòè
çàãîòîâêó, âèçíà÷àºòüñÿ
çà ôîðìóëîþ:
(3.1)
äå Dôð
=8 ìì - ä³àìåòð ôðåçè;
Íì.
Âèçíà÷àºìî
íåîáõ³äíå çóñèëëÿ
çàòèñêó äåòàë³
â ïðèñòîñóâàíí³
çà ôîðìóëîþ:
(3.2)
äå kz - êîåô³ö³ºíò
çàïàñó ñèë çàêð³ïëåííÿ;1=0,16
- êîåô³ö³ºíò êîíòàêòó
ç çàãîòîâêîþ;2=0,16
- êîåô³ö³ºíò òåðòÿ
êîíòàêòó ç çàòèñêîì;ä
- ä³àìåòð âñòàíîâëþâàëüíî¿
ïîâåðõí³;
á = 900 - êóò
ïðèçì;
z =
k0 . k1 . k2 .
k3 . k4 . k5 .
k6 , (3.3)
äå k0 = 1,5 - ãàðàíòîâàíèé
êîåô³ö³ºíò çàïàñó;1
= 1,1 - êîåô³ö³ºíò,
ùî çàëåæèòü â³ä
ñòàíó áàçîâèõ
ïîâåðõîíü;2 =
1,45 - êîåô³ö³ºíò, ùî
âðàõîâóº çàòóïëåííÿ
³íñòðóìåíò³â;3
= 1,1 - êîåô³ö³ºíò,
ùî âðàõîâóº óäàðíå
íàâàòàæåííÿ
íà ³íñòðóìåíò;4
= 1,25 - êîåô³ö³ºíò,
ùî õàðàêòåðèçóº
ñòàá³ëüí³ñòü
ñèë ïðèâîäà;5 =
1,1 - êîåô³ö³ºíò, ùî
âðàõîâóº çðó÷í³ñòü
êåðóâàííÿ ìåõàí³çìàìè;6
= 1,25 - êîåô³ö³ºíò,
ùî âðàõîâóº âèçíà÷åí³ñòü
ðîçòàøóâàííÿ
îïîðíèõ òî÷îê.z
= 1,5 . 1,1 . 1,45 .
1,1 . 1,25 . 1,1 .
1,25 = 4,52.
Òàêèì
÷èíîì, îòðèìóºìî
Í.
Ïðè îäíî÷àñí³é
îáðîáö³ äâîõ äåòàëåé
ñóìàðíà çàòèñêóâàëüíà
ñèëà áóäå ñêëàäàòè:
(3.4)
.3 Ðîçðàõóíîê
çàòèñêàëüíîãî
ìåõàí³çìó
 ñïðîåêòîâàíîìó
ïðèñòîñóâàíí³
çàòèñê äåòàë³
çä³éñíþºòüñÿ
ïíåâìîêàìåðîþ,
ãîëîâíèì ïàðàìåòðîì
ÿêî¿ º ¿¿ ä³àìåòð.
Çóñèëëÿ íà øòîö³
ïðè ïîäà÷³ ñòèñíåíîãî
ïîâ³òðÿ â øòîêîâó
ïîðîæíèíó âèçíà÷àºòüñÿ
çà ôîðìóëîþ:
= 0,75 . ð / 16 .
[ (D + d)2 - d1 ] . ñ (3.5)
äå D - ä³àìåòð
ä³àôðàãìè âñåðåäèí³
ïíåâìîêàìåðè,
ìì;= 110 ìì - ä³àìåòð
îïîðíîãî äèñêà
ïíåâìîêàìåðè;1
= 50 ìì - ä³àìåòð øòîêà;
ñ = 0,4 Ìïà - òèñê
ñòèñíåíîãî ïîâ³òðÿ.
Ïîð³âíþþ÷è
çóñèëëÿ íà øòîö³
òà ïîòð³áíå çóñèëëÿ
çàòèñêó W=Q, çíàõîäèìî
ä³àìåòð ïíåâìîêàìåðè
ì.
(3.6)
Ç óðàõóâàííÿì
íîìåíêëàòóðè
îáðîáëþâàíèõ
äåòàëåé, â ÿêèõ
ä³àìåòð çàêð³ïëþâàíèõ
ïîâåðõîíü á³ëüøå
í³æ ó çàäàíî¿
äåòàë³, ïðèéìàºìî
ä³àìåòð ïíåâìîêàìåðè
D=240 ìì.
Ôàêòè÷íå
çóñèëëÿ çàòèñêó
äîð³âíþº:
Í.
Ôàêòè÷íå
çóñèëëÿ çàòèñêó
ïîâèííå áóòè
á³ëüøå í³æ ïîòð³áíå:ô
> W
> 1491,6.
Òàêèì ÷èíîì,
ñïðîåêòîâàíå
ïðèñòîñóâàííÿ
çàáåçïå÷óº íàä³éíèé
çàòèñê îáðîáëþâàíî¿
äåòàë³.
ÏÅÐÅ˲Ê
ÏÎÑÈËÀÍÜ
1. Êîíñòðóèðîâàíèå
óçëîâ è äåòàëåé
ìàøèí: Ó÷åá. ïîñîáèå
äëÿ òåõí.ñïåö.
âóçîâ/ Ï.Ô. Äóíàåâ
è Î.Ï. Ëåëèêîâ - 5å
èçä., ïåðåàá. è äîï.
- Ì., Âûñø. øê. 1998, 447ñ.:
èë.
2. Ðàñ÷åò
è ïðîåêòèðîâàíèå
äåòàëåé ìàøèí
: Ó÷åá. ïîñîáèå
äëÿ òåõí.ñïåö.
âóçîâ/Í.Ô. Êèðêà÷
è Áàëàñàíÿí Ð.À.
- 3å èçä.,ïåðåðàá.
è äîï -Õ., Îñíîâà,
1991, 276ñ.: ñõåì.
. Ðóäåíêî
Ï.À, Õàðëàìîâ Þ.À.,
Ïëåñêà÷ Â.Ì. Ïðîåêòèðîâàíèå
è ïðîèçâîäñòâî
çàãîòîâîê â ìàøèíîñòðîåíèè:
Ó÷åáí. Ïîñîáèå.-
Ê.: Âûùà øêîëà,
1991.- 247ñ, èë.
. Êîñèëîâà
À.Ã. Ñïðàâî÷íèê
òåõíîëîãà-ìàøèíîñòðîèòåëÿ,
ò.1. - Ì.: Ìàøèíîñòðîåíèå,
1985. -652 ñ, èë.
. Êîñèëîâà
À.Ã. Ñïðàâî÷íèê
òåõíîëîãà-ìàøèíîñòðîèòåëÿ,
ò.2. - Ì.: Ìàøèíîñòðîåíèå,
1985. - 496 ñ, èë.
. Ãîðáàöåâè÷
À.Ô., Øêðåä Â.À. è
äð. Êóðñîâîå ïðîåêòèðîâàíèå
ïî òåõíîëîãèè
ìàøèíîñòðîåíèÿ.
- Ìèíñê: Âûñøàÿ
øêîëà, 1983. - 255 ñ.
. Áàðàíîâñêèé
Þ.Â. Ðåæèìû ðåçàíèÿ
ìåòàëëîâ. - Ì.: Ìàøèíîñòðîåíèå,
1972. - 467 ñ.
. Ïðèñïîñîáëåíèÿ
äëÿ ìåòàëëîðåæóùèõñòàíêîâ
: Ñïðàâî÷íèê/ À.Ê.Ãîðîøêèí.
- 7å èçä., ïåðåðàá.
è äîï. - Ì.: Ìàøèíîñòðîåíèå,
1979, 301 ñ.: èë.
Ðàçìåùåíî
íà Allbest.ru