Технология обработки древесины

  • Вид работы:
    Курсовая работа (т)
  • Предмет:
    Другое
  • Язык:
    Русский
    ,
    Формат файла:
    MS Word
    1,86 Мб
  • Опубликовано:
    2014-06-30
Вы можете узнать стоимость помощи в написании студенческой работы.
Помощь в написании работы, которую точно примут!

Технология обработки древесины

Введение

Древесина - древнейший из всех материалов, используемых человеком. Практически все, что окружало человека 300…400 лет назад, было сделано из древесины, но и в современном мире древесина занимает важное место. По объему применения и разнообразию использования с древесиной не может сравниться никакой другой материал.

Древесину применяют для строительства зданий и сооружений различного назначения, для изготовления столярно-строительных изделий (двери, окна, полы, паркет, облицовка и т.д.) и для изготовления мебели. Из древесины делают элементы мостов, судов, вагонов, тару, шпалы, музыкальные инструменты, спортивный инвентарь, карандаши, спички, бумагу, картон, предметы обихода, игрушки, сувениры и многое другое. Натуральную и модифицированную древесину применяют в машиностроении и горнорудной промышленности; она служит сырьем для целлюлозно-бумажной промышленности и изготовления различных плитных материалов.

При химической переработке древесины получают целлюлозу, древесный спирт, виноградный сахар, целлофан, уксусную кислоту, винный спирт, мех, кожу, искусственное волокно, фото- и кинопленку, вату, бумагу, скипидар, канифоль и др.

Пиломатериалы, древесностружечные, древесноволокнистые, столярные плиты, фанера являются основными конструкционными материалами для строительных конструкций и столярных изделий.

Широкое применение при изготовлении столярных изделий нашел лущеный и строганый шпон. Из лущеного шпона изготавливают слоистую клееную древесину - фанеру, фанерные плиты, клееные детали мебели, тару. Строганый шпон - основной облицовочный материал для деталей, изготовленных из древесины малоценных пород, фанеры и древесностружечных плит.

Древесина является природным полимером, обладающим совокупностью положительных свойств, которые и позволяют столь широко и разнообразно использовать ее в самых различных областях.

Древесина имеет высокие физико-механические характеристики, хорошо и просто обрабатывается, имеет малый объемный вес, высокие эстетические качества и природную декоративность, малую теплопроводность, высокую прочность при небольшой массе, хорошо сопротивляется ударным и вибрационным нагрузкам; при правильном проектировании, изготовлении и эксплуатации надежна и долговечна. Древесина сравнительно легко и просто соединяется крепежными изделиями, прочно и надежно склеивается; долго сохраняет красивый внешний вид; является, как правило, экологически чистым материалом; на нее хорошо наносятся защитные и декоративные составы. Энергоемкость изготовления изделии из древесины самая маленькая по сравнению с другими материалами. Уникальность древесины, как материала, заключается в том, что она является единственным восстанавливаемым природным ресурсом, в отличие от нефти, угля, газа, железной руды и сырья для получения цемента.

Вместе с совокупностью положительных свойств древесина имеет ряд недостатков: подвержена гниению и горению, разрушается насекомыми и грибами, гигроскопична, в результате повышения влажности может разбухать, а при понижении влажности усыхать. Кроме того, древесина, как природный материал, имеет биологические пороки, которые уменьшают однородность древесины, и которые приходится учитывать. Недостатки древесины преодолимы при правильном проектировании, эксплуатации и изготовлении с использованием современных методов защиты от гниения и возгорания.

Для эффективного использования древесины необходимо знать ее свойства, строение, пороки, основные породы древесины.

Но только знаний о древесине недостаточно, так как при изготовлении изделий из древесины используют материалы на основе древесины, клеи, лакокрасочные материалы, отделочные и вспомогательные материалы, металлические изделия, пластмассы, фурнитуру, замочно-скобяные и крепежные изделия и много другое.

Чтобы качественно изготовить изделия и выполнить работы столяру, плотнику, паркетчику, деревообработчику требуются хорошие знания технологии работ, конструкции изделий и свойств материалов. Все эти знания между собой тесно взаимосвязаны. От вида и свойств используемых материалов зависят приемы и режимы обработки, качество изготавливаемых изделий, их внешний вид, прочность, долговечность и стоимость. От материалов зависят структура технологического процесса, набор необходимого технологического оборудования и инструмента, трудоемкость работ и длительность производственного цикла, уровень возможной механизации, условия труда и необходимая квалификация рабочих.

Однако сложившаяся структура заготовки древесины, повышение стоимости транспортировки от мест заготовки к местам потребления, делают вопрос об экономии и рациональном расходовании древесины очень важным.

Решение этой важной задачи - рационального и комплексного использования древесины путем переработки на полезную и полноценную продукцию без каких-либо потерь и отходов - возможно только квалифицированными мастерами, обладающими всеми необходимыми знаниями.

Современными конструктивными материалами являются древесно-волокнистые плиты (ДВП), древесно-стружечные плиты (ДСП) и фанерные плиты.

Древесно-волокнистые плиты представляют собой листовой материал, изготовленный методом горячего прессования или сушки массы из древесных волокон, сформированный в виде ковра. Основным сырьем для изготовления ДВП служат древесная щепа и дробленка, получаемые на рубительных машинах из разных древесных отходов.

ДВП - эффективный конструкционно-отделочный материал. По показателям прочности и жесткости они приближаются к древесине хвойных пород и, кроме того, имеют почти одинаковые прочностные свойства во всех направлениях вдоль пласта плиты. Усыхают и коробятся ДВП меньше древесины. Плиты легко склеиваются и соединяются крепежными деталями, сравнительно легко обрабатываются деревообрабатывающими инструментами. Хорошо окрашиваются и облицовываются.

Древесно-волокнистые плиты применяют для изготовления элементов мебели, в строительстве (двери, панели, ламинированный паркет и т.д.), в тарном производстве.

Мягкие древесноволокнистые плиты находят широкое применение в строительстве в качестве материала для теплоизоляции стен, потолков и полов. Благодаря малой плотности, большим размерам и легкости обработки мягкие плиты являются хорошей изоляцией элементов щитовых, панельных и каркасных домов заводского изготовления. Мягкие плиты применяют для внутренней облицовки стен и потолков. У мягких плит можно делать на кромках различные профили (паз-гребень, четверть и т.д.).

Твердые древесно-волокнистые плиты с лакокрасочным покрытием применяют в качестве отделочного материала при строительстве жилых, общественных и промышленных зданий, изготовлении мебели, дверных полотен и т.д.

Древесно-стружечные плиты - один из наиболее прогрессивных конструкционных материалов для строительства и мебельной промышленности. По показателям прочности и жесткости они приближаются к древесине хвойных пород.

Свойства ДСП можно регулировать и процессе разработки и изготовления. ДСП могут быть изготовлены с заранее заданными плотностью, прочностью и внешним видом, которые требуются в конструкциях, изделиях и деталях. Плитам можно придать необходимую био-, водо- и огнестойкость.

ДСП хорошо склеиваются как по пласти, так и по кромкам, могут быть окрашены или отделаны лакокрасочными материалами, облицованы шпоном, бумагой или пластмассами. Они сравнительно легко обрабатываются деревообрабатывающими инструментами и имеют удовлетворительные показатели сопротивления выдергиванию гвоздей и шурупов.

Изготавливают плиты малой (менее 550 кг/м), средней (550…750 кг/м) и высокой (более 750 кг/м) плотности.

По виду используемых древесных частиц плиты могут быть из специально изготовленных древесных частиц, из стружки, опилок; из специальной тонкой резаной стружки. Плиты с наружными слоями из специальной стружки применяют в строительстве с необлицованной поверхностью, а в мебельном производстве - облицованными строганым или лущеным шпоном.

Плиты с мелкоструктурной поверхностью можно облицовывать пленками на основе бумаги и полимерными материалами.

Прочность при статическом изгибе древесно-стружечных плит с наружными слоями из волокон в 1,5…1,8 раза больше прочности ДСП с наружными слоями из мелких частиц. Плиты с наружными слоями из волокон применяют в мебельной промышленности, строительстве, в том числе для настилки полов и как основание под паркетные полы.

При толщине более 15 мм фанера называется фанерной плитой. Фанерная плита состоит из семи и более слоев лущеного шпона, склеенных между собой синтетическими клеями под давлением.

Фанерные плиты подразделяются на следующие марки: ПФ-А, ПФ-Б, ПФ-В.

В плитах ПФ-А смежные слои шпона имеют взаимно перпендикулярное направление волокон древесины. Плиты ПФ-А изготавливают необлицованными и облицованными с одной или с двух сторон. Размеры плит: длина 1525±5; 1220±4 мм; ширина 1525±5; 1220±4 мм; толщина 15, 20, 25, 30, 45 мм.

В плитах ПФ-Б каждые пять слоев шпона, имеющих параллельное направление волокон, чередуются с одним слоем шпона, имеющим перпендикулярное направление. Количество слоев шпона с каждой стороны плиты одинаково. Размеры плит ПФ-Б: длина 1525±8 мм; ширина 1525±5; 1220±4 мм; толщина 35, 40, 45, 53, 62, 68, 78 мм.

В плитах ПФ-В все слои имеют параллельное направление волокон, за исключением центрального, который имеет перпендикулярное направление волокон. Размеры плит ПФ-В: длина 2200, 1830, 1525±5 мм, 1220±4 мм; ширина 1525±5, 1220±4 мм; толщина 15, 22, 26, 30 мм.

Поверхности лицевого и оборотного слоев всех плит изготавливают нешлифованными или шлифованными с одной или двух сторон.

Для наружных слоев необлицованных и оборотного слоя облицованных односторонних плит применяют лущеный березовый шпон, а для лицевых сторон облицованных плит - строганый шпон, для внутренних слоев - шпон из древесины березы, липы или сосны. В зависимости от качества древесины наружных слоев плиты делятся на следующие сорта: необлицованные односторонние - АВ/В, АВ/ВВ, В/ВВ, ВВ/С; необлицованные двусторонние - АВ, В, ВВ; облицованные односторонние - 1/В, П/В; облицованные двусторонние - I, П. Шероховатость поверхности древесины наружных слоев нешлифованных плит должна быть не ниже 6-го класса, шлифованных не ниже 7-го класса. Плиты обрезают под прямым углом гладким прямым резом, косина реза не более 8 мм на 1 м длины. В зависимости от марки и толщины плит покоробленность не должна превышать 2…5 мм. Плиты должны быть прочно склеены, без пузырей и вздутий, при раскрое они не должны расслаиваться.

Влажность плит должна быть в пределах 5…12%.

Кроме внедрения новых деревоматериалов, внедряются так же электростолярные инструменты, такие как дисковые электропилы, электролобзики, фрезеркопиры, электрорубанки и т.д.

Дисковые электропилы предназначены для продольного поперечного раскроя досок и брусков различных пород древесины. Электрорубанки используются для снятия верхних слоев досок и брусков. Ручные электрические рубанки (ИЭ-5701А, ИЭ-5708, ИЭ-5707А) предназначены для фрезерования древесины вдоль волокон. Рубанок состоит из встроенного электродвигателя, ротор которого вращается в двух шарикоподшипниках. На конце вала ротора насажен ведущий шкив, приводящий во вращение клиновую ременную передачу. Вращение ножевого барабана (фрезы) с двумя плоскими ножами осуществляется посредством клиноременной передачи от вала ротора. На рубанке имеется передняя (подвижная) и задняя, отлитая вместе с корпусом (неподвижная), панели (лыжи). Специальным механизмом опускают и поднимают переднюю лыжу, регулируя этим глубину фрезерования (строгания). Рубанок можно использовать как полустационарный станок, закрепив на столе, верстаке панелями вверх и установив съемное защитное ограждение, защищающее руки от попадания на барабан (фрезу) с ножами.

Работа электрорубанками. Перед работой проверяют правильность заточки и установки ножей. Лезвия ножей должны быть выпущены одинаково и находиться на одном уровне с задней панелью (лыжей). Масса ножей также должна быть одинаковой. До установки ножи следует тщательно заточить и отбалансировать так, чтобы ножевой вал (барабан) вращался без биения. Угол заострения ножей должен быть 40...42°.

Крепить ножи к валу нужно прочно, причем режущая кромка должна выступать на величину 1...1,5 мм за цилиндрическую поверхность барабана, а лезвие ножей должно быть строго параллельно оси барабана (вала).

Работают электрорубанком следующим образом. Присоединяют штепсельную вилку в сеть, нажимают на курок, включают электродвигатель. Когда ножевой вал достигнет нужной частоты вращения, электрорубанок опускают на обрабатываемый материал, закрепленный' на верстаке или столе. Материалы, подлежащие обработке, должны быть очищены от пыли, грязи, снега. Электрорубанок нужно подавать вперед медленно, чтобы при соприкосновении с древесиной не произошло резкого толчка, равномерно, без больших усилий на рукоятку. Усилие работающего должно быть затрачено лишь на продвижение электрорубанка. При обработке древесины средней твердости скорость подачи должна быть 1,5...2 м/мин. При работе электрорубанок продвигают по материалу по прямой линии, без перекосов, следя за тем, чтобы под панели (лыжи) не попадали стружка, опилки.

После первого прохода (если необходимо начать обработку вдоль или на участке рядом с обработанным) электродвигатель выключают и с выключенным электрорубанком возвращаются в исходное положение, после чего электродвигатель включают и вновь начинают работать. В перерывах электрорубанок выключают и ставят панелями (лыжами) вверх или кладут на бок.

При вибрировании рубанка проверяют балансировку ножей, а также люфт в подшипниках барабана. При получении нечистой поверхности обработки надо проверить заточку ножей и очистить рубанок от стружек.

При работе электрорубанком необходимо следить за тем, чтобы токоведущие части были надежно защищены от случайного соприкосновения с ними. Все электрические соединения должны иметь надежную изоляцию. Питающий кабель не следует укладывать с большими перегибами.

Электролобзики предназначены для точного отпила древесины и используются при выпиливании декоративных форм.

В связи с тем, что производство постоянно совершенствуется, улучшаются и технологии обработки, что приводит к уменьшению травматизма на рабочих местах и экономии труда и ресурсов.

1. Устройство и принцип действия цепнодолбежного станка

При сборке рамочных и каркасных конструкций столярно-строительных изделий или корпусной мебели используют пазы и гнезда прямоугольной формы.

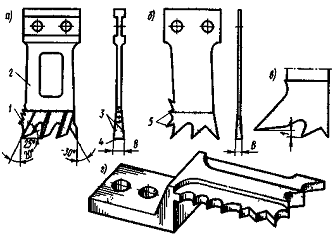
Гнезда бывают сквозные (рисунок 1, а) или глухие (рисунок 1, б), двойные (рисунок 1, в) или тройные для соединения с соответствующим- рамным шипом. Для постановки петель, крепежных планок и другой фурнитуры требуются узкие щелевидные пазы.

Использование прямоугольных гнезд позволяет получить серединные соединения в переплетах и оконных рамах. Основное требование при их сборке - обеспечить внутренний размер проема  (рисунок 1, г) с допустимым отклонением, заданным на чертеже изделия.

а - сквозное; б - глухое; в - двойное; г - два гнезда, координированные друг относительно друга

Рисунок 1 - Виды гнезд, выполняемых на долбежных станках

В зависимости от используемого режущего инструмента различают станки цепнодолбежные с фрезерной цепочкой и долбежные с гнездовой фрезой.

Основной недостаток цепного фрезерования - невозможность получения узких гнезд и невысокое качество обработки вследствие сколов и отщепов при выходе зубьев фрезерной цепочки из гнезда.

Цепочки выпускают шириной 8, 10, 12, 16 и 20 мм. Каждому размеру цепочки соответствуют определенные размеры направляющей линейки, приводной звездочки и опорного ролика (подшипника), которые в совокупности образуют комплект режущей головки (рисунок 2, а)

Фрезерная цепочка (рисунок 2, б) состоит из звеньев, набираемых из пластин 5, 6 и соединенных между собой шарнирно с помощью осей-заклепок 7. На одной кромке каждой пластины в средней части сформирован резец. Противоположная кромка сделана вогнутой. Кроме того, на кромках боковых пластин 6 имеются специальные опорные выступы 8 для базирования цепи по направляющей линейке 2. Пластины насажены по толщине на оси в шахматном порядке так, что общая ширина звена цепочки кратна 3, 5 и 7 толщинам пластин и равна ширине вырабатываемого гнезда. Шаг резцов  равен удвоенному шагу  цепи по осям-заклепкам.

В отличие от обычной роликовтулочной цепи зубья приводной звездочки 1 при огибании фрезерной цепочки размещаются в торцовых промежутках боковых пластин. Поэтому ведущая звездочка фрезерной цепочки должна иметь только четыре зуба.

а - в сборе; б - фрезерная цепочка; 1 - приводная звездочка; 2 - направляющая линейка; 3 - роликовый подшипник; 4 - фрезерная цепочка; 5 средняя пластина; 6 - боковые пластины; 7 - оси-заклепки; 8 - выступ

Рисунок 2 - Режущая головка цепнодолбежного станка

Цепочки, линейки и звездочки маркируют. Зубья фрезерных цепочек затачивают на заточном станке, оснащенном специальным приспособлением.

После заточки режущей цепочки зубья не должны иметь трещин, заусенцев и засинения вершин. Профиль зубьев должен оставаться неизменным, а величина переднего угла 15...20°.

Вершины зубьев должны находиться на одной высоте при прямолинейном расположении ветви цепочки. Точность расположения зубьев проверяют линейкой и набором щупов. При проверке цепочки укладывают зубьями вверх на направляющую линейку. Сверху на зубья устанавливают поверочную линейку и измеряют щупом просвет между лезвием каждого зуба и рабочей гранью линейки. Разность вершин по высоте допускается не более 0,1 мм.

Гнездовая долбежная фреза (долбяк) выполнена в виде пластины, которая имеет режущую часть с зубьями и корпус 2 (рисунок 3). Чтобы не возникало трения о стенки гнезда, толщина корпуса долбяка должна быть меньше толщины  режущей части, которая определяет ширину выбираемого гнезда.

Долбяки делают облегченными, удаляя в корпусе центральную часть (рисунок 3, а), или сплошными (рисунок 3, б). При работе облегченным долбяком снижаются вибрация и шум, а также улучшается выброс стружек из гнезда воздушным потоком, создаваемым движением долбяка. Зубья долбяка осуществляют закрытое резание и имеют три режущих кромки: главную и две боковые. Главная режущая кромка 4 (рисунок 3, а) совершает основную работу резания, а боковые 3 - зачищают стенки гнезда. Количество зубьев (от 2 до 6) зависит от длины вырабатываемого гнезда. Последний зуб долбяка имеет отрицательный передний угол  и задний .

а - облегченная широкая; б - узкая; в - форма режущей части; г - профильная; 1 - резцы; 2 - корпус; 3 - боковые режущие кромки; 4 - главная режущая кромка; 5 - вспомогательные зубья

Рисунок 3 - Фреза гнездовая (долбяк)

На боковой кромке корпуса долбяка дополнительно делают вспомогательные зубья 5, предназначенные для удаления срезанных стружек из гнезда. Долбяк имеет зажимную часть с отверстиями для крепления его в долбежной головке.

Для облегчения условий работы крайних зубьев и особенно последнего иногда увеличивают высоту средних зубьев и уменьшают расстояние между вершинами от переднего зуба к заднему (рисунок 3, в). При выборке профильных гнезд непостоянной ширины используют фасонные фрезы (рисунок 3, г).

Цепнодолбежные станки бывают двух моделей: ДЦА-3 - для выработки гнезд шириной до 25 мм и длиной 40...430 мм и ДЦА-4 - для выработки гнезд шириной до 20 мм и длиной 40...350 мм.

Цепнодолбежный станок ДЦА-4 (рисунок 4) включает в себя станину 3, рабочий стол с гидроприжимом 6 и суппорт 7 с режущей головкой 8. Стол состоит из двух плит. Вертикальная плита 4 установлена на шариковых направляющих станины и имеет продольную подачу через зубчатую реечную передачу от маховичка 10. Горизонтальная плита 5 прикреплена к вертикальной и может переставляться по высоте в зависимости от размеров обрабатываемой заготовки. При выборке гнезд в кромке щитовых деталей горизонтальную плиту снимают, а заготовку устанавливают на переставляемые по высоте упоры 2.

Для выборки в одной детали нескольких гнезд к станку пристраивают специальное приспособление в виде стойки с горизонтальной направляющей штангой, на которой размещены переставляемые упоры.

Суппорт перемещается вверх или вниз по направляющим станины от гидроцилиндра. На суппорте смонтирована режущая головка, которую реечной передачей можно переставлять в поперечном направлении съемной рукояткой 9. Долбежные станки с гнездовой фрезой выпускают одно-, двух- и многосуппортные.

Типовые суппорты монтируют на станине с возможностью переналадки их на обработку деталей различных типоразмеров.

Суппорт с долбежной головкой показан на рисунке 5. Долбежная головка состоит из тяги 5, коромысла 7 с долбежной фрезой 8, вала 3 с эксцентриком 6 и приводного электродвигателя 1. При вращении вала электродвигателя эксцентрик приводит коромысло с долбяком в вибрирующее движение по эллиптической траектории с частотой 3000 качаний в минуту. Такое движение обеспечивает врезание зубьев в древесину, резание вдоль гнезда, удаление стружек из гнезда и возврат долбяка в исходное положение.

- педаль; 2 - упор; 3 - станина; 4 - вертикальная плита; 5 - горизонтальная плита; 6 - гидроприжим; 7 - суппорт; 8 - режущая головка; 9 рукоятка; 10 - маховичок продольной подачи; 11 - ограничитель хода

Рисунок 4 - Цепнодолбежный станок ДЦА-4.

- электродвигатель; 2 - муфта; 3 - вал; 4 - ось; 5 - тяга; 6 - эксцентрик; 7 - коромысло; 8 - долбяк

Рисунок 5 - Долбежная головка

При наладке долбежных станков для выборки гнезд необходимо подобрать и установить режущую головку или долбежную фрезу на станок, настроить стол и отрегулировать ход суппортов, отрегулировать положение инструмента и настроить торцовые упоры; отрегулировать положение прижимов; установить скорость подачи и обработать пробные детали.

Режущую головку выбирают в зависимости от размеров обрабатываемого гнезда. Предельные размеры гнезд определяют по клейму на направляющей линейке. Например, клеймо  означает, что линейка предназначена для цепочек шириной 12...16 мм, наименьшая длина гнезда 42 мм, а наибольшая глубина - 125 мм.

Перед установкой на станок режущую головку нужно смазать, роликоподшипник должен вращаться свободно.

Звездочку режущей головки устанавливают на вал электродвигателя, предварительно очистив посадочное место от грязи и пыли. Направляющую линейку прикрепляют к ползуну болтами. Фрезерную цепочку надевают на звездочку, направляющую линейку и роликоподшипник так, чтобы направление зубьев цепочки соответствовало правильному направлению вращения вала электродвигателя.

Натяжение цепочки регулируют рукояткой. Слабое натяжение приводит к вибрации и соскальзыванию цепочки с линейки во время работы. Слишком туго натянутая цепочка быстрее изнашивается и вызывает преждевременное разрушение роликоподшипника. Цепочка натянута правильно, если при оттягивании ее от направляющей линейки образуется зазор 6...8 мм.

После установки режущей головки необходимо проверить и отрегулировать поступление к направляющей линейке и роликоподшипнику жидкой смазки. Ее подают плунжерным насосом из специальной емкости.

а - при выработке сквозного гнезда; б - то же, несквозного гнезда; 1 - упор-ограничитель; 2 - толкатель

Рисунок 6 - Наладка ограничителей вертикального хода суппорта цепнодолбежного станка

Расход масла регулируют винтом, который находится внутри станины. Величину рабочего хода суппорта выбирают в зависимости от глубины вырабатываемого гнезда (рисунок 6). При долблении сквозного гнезда (рисунок 6, а) нижний упор-ограничитель 1 устанавливают по высоте так, чтобы расстояние  (мм) между ним и толкателем 2 суппорта в крайнем верхнем положении было равно:

 мм                                                                        (1)

где  - глубина вырабатываемого гнезда (высота заготовки), мм;

 - ширина режущей головки, мм.

При выработке несквозного гнезда (рисунок 6, б) расстояние между нижним упором и толкателем должно быть на 20 мм больше глубины гнезда.

Режущую головку регулируют в поперечном направлении в зависимости от расстояния гнезда до базовой поверхности детали. Требуемое расстояние получают, переставляя ползун на суппорте съемной рукояткой. Заданное положение ползуна фиксируют стопорным устройством.

Для предотвращения сколов в зоне выхода фрезерной цепочки из заготовки устанавливают деревянный подпор.

Настройка торцовых упоров определяется способом получения гнезда. Если ширина режущей головки соответствует длине гнезда, то подача стола отсутствует и требуется один торцовый упор. Упор закрепляют винтом на столе, располагая его относительно цепи так, чтобы обеспечивалось требуемое расстояние от гнезда до торца детали.

Если длина гнезда больше, чем ширина цепочки, долбление производят за два и более проходов. Требуемой длины гнезда достигают расстановкой двух и более упоров, ограничивающих ход стола.

Стол подается по упорам также при долблении двух гнезд, если расстояние между ними меньше хода стола.

При выработке гнезд в кромках щитовых деталей горизонтальный стол снимают, укрепляют заготовку в вертикальном положении, базируя ее на упоры (рисунок 7). Упоры 1 переставляют по штангам 2 в зависимости от размера  обрабатываемого изделия.

- упор; 2 - штанги; 3 - заготовка; 4 - вертикальный стол; 5 - режущая головка; 6 - гидроприжимы; 7 - фиксатор

Рисунок 7 - Наладка базирующих упоров цепнодолбежного станка при выборке гнезда в щитовой детали.

Прижимы регулируют в зависимости от вида работ, закрепляя их на горизонтальном или вертикальном столе двумя штангами и разрезной муфтой.

Скорость рабочей подачи суппорта зависит от размеров режущей головки и твердости древесины. При выработке гнезд шириной 8...10 мм следует применять скорости подачи 0,5...2 м/мин, для гнезд шириной 16...20 мм - 2...4 м/мин. Чем больше глубина гнезда, тем меньше должна быть скорость подачи.

Долбежные станки с гнездовой фрезой настраивают в следующем порядке.

Долбежную фрезу выбирают в зависимости от требуемой ширины гнезда и устанавливают на коромысло, ориентируя его по базирующему пазу. Положение фрезы должно быть таким, чтобы направление зубьев совпадало с направлением ее движения.

Если требуется обработать гнезда для двойного или тройного рамного шипа, на коромысло устанавливают комплект из двух или трех фрез с промежуточными прокладками. Для исключения чрезмерных вибраций суммарная масса комплекта и частота качаний головки должны быть между собой согласованы. Крепят долбежные фрезы болтами.

Базирующие упоры и прижимы регулируют и закрепляют в требуемом положении в зависимости от габаритов изделия.

Долбежные суппорты настраивают следующим образом. Сначала их расставляют вдоль станка так, чтобы обеспечивалось заданное расположение гнезд по длине изделия. Требуемой точности достигают по отсчетной шкале, укрепленной на продольной балке.

После установки суппорты надежно закрепляют гайками. Глубину гнезда и расстояние его от пласти детали устанавливают перемещением долбежной головки.

Иногда длину выбираемого гнезда можно регулировать и без смены долбяка. Для этого изменяют положение эксцентрика в коромысле путем поворота ключом винта настройки на требуемый угол.

После настройки станка осуществляют пробный пуск и выборку гнезд. Пробную обработку выполняют на специальном бруске. Выфрезерованные гнезда проверяют на точность их взаимного расположения, а также размеры и качество обработанных поверхностей. При отклонении размеров обработанного изделия от заданных поднастраивают станок или заменяют долбяки.

Чтобы устранить неполадки в пневмосистеме станка, необходимо периодически сливать конденсат из отстойника влагоотделителя. Уровень конденсата в стакане должен быть не выше заслонки. Для спуска конденсата следует открыть запорный клапан внизу влагоотделителя. Через три месяца влагоотделитель необходимо снять для очистки и промывки фильтра.

Количество масла, подаваемого в маслораспылитель, регулируют дросселем, расположенным на крышке маслораспылителя. Масло заливают в маслораспылитель через одно из двух резьбовых отверстий, закрываемых пробками. Для смазки используют масло И-20А.

Работа на станках. Станочник укладывает заготовку на стол станка, базируя ее по направляющей линейке и торцовому упору. Зазоры между линейкой и деталью не допускаются.

Гнездо или паз обрабатывают на цепнодолбежном станке следующими способами.

Если длина гнезда  совпадает с размером  фрезерной цепочки, то для образования гнезда достаточно однократного осевого перемещения цепочки на заданную глубину гнезда  (рисунок 8, а).

Чтобы получить гнезда большей длины, нужно выбрать древесину сначала в левом конце гнезда, затем в правом, после чего оставшуюся перемычку расфрезеровать повторным опусканием суппорта фрезерной головки сверху вниз и зачистить дно гнезда (рисунок 8, б).

Если глубина гнезда небольшая и древесина мягкая, можно после формирования концов гнезда (сначала правого, а потом левого) расфрезеровать перемычку при боковой подаче заготовки (рисунок 8, в). При тяжелых условиях работы (большая глубина гнезда, твердая древесина) такой способ применять не следует, так как при боковой подаче может порваться цепочка. Нельзя формировать удлиненное гнездо при одном заглублении и боковой подаче, так как противоположная стенка гнезда будет не перпендикулярна базовой поверхности детали.

После возвращения суппорта в исходное положение деталь открепляют. Готовые детали складывают в штабель. При выборке гнезда каждый раз нужно следить за положением подпора, который предотвращает отщепы в месте выхода режущих зубьев цепочки.

а - однократное заглубление; б - многократное заглубление; формирование концов гнезда путем заглубления и расфрезеровывания промежутка при боковой подаче;  - глубина гнезда;  - размер цепочки;   размер гнезда

Рисунок 8 - Способы формирования гнезд

Полученные детали должны удовлетворять следующим требованиям.

Неравномерность ширины гнезда допускается не более 0,2 мм на длине 100 мм, отклонение от перпендикулярности гнезда к базовой поверхности детали - не более 0,2 мм на длине 100 мм. Шероховатость поверхности  должна быть не более 200 мкм.

При неудовлетворительном качестве обработки станок следует выключить, выяснить причину неисправности и устранить ее.

. Технология склеивания древесины

Для изготовления элементов оконных и дверных блоков, брусков коробок, перегородок, строительных конструкций - балок, арок, прогонов, элементов ферм требуются толстомерные пиломатериалы. Для обеспечения производства толстомерными пиломатериалами тонкомерные пиломатериалы склеивают по длине, толщине и ширине. Для изготовления клееных элементов используют преимущественнее пиломатериалы хвойных пород (ель, сосну) и клей на основе синтетических смол. Марки клеев подбирают в соответствии с их свойствами. Синтетические клеи водо- и грибостойки, дают более прочное соединение. Процесс приготовления клеевого раствора и режимы склеивания проще, что удобнее при массовом производстве. Выдержка под прессом не требует длительного времени, а при подогреве может быть сокращена.

Для производства клееных конструкций применяют резорциновый клей ФР-12, фенольный КБ-3, карбамидно-меламиновый КС-В-СК, карбамидный КФ-Ж, алкилрезорциновый ФР-100 и др.

Клей КФ-Ж может быть горячего и холодного отверждения. В качестве отвердителя для получения клея горячего отверждения применяют хлористый аммоний (0,5...1 мас. ч. на 100 ч. смолы). Для получения клея холодного отверждения - 10%-ный водный раствор щавелевой кислоты (10...15 мас. ч. на 100 ч. смолы). Отвердение клея при горячем способе происходит при температуре до 100 °С в течение 60... 100 °С.

Для склеивания конструкций, работающих в условиях повышенной влажности, используют клей КБ-3, приготовленный на основе смолы СФЖ-3016 и керосинового контакта Петрова, вводимого в количестве до 25% от веса клея. Клей марки ФР-12 с отвердителем (параформальдегид) вводим в количестве 15% от веса клея.

Технологический процесс изготовления клееных элементов состоит из следующих основных операций: сушки, сортировки и раскроя пиломатериалов, обработки с четырех сторон, приготовления клеев, нанесения клея на склеиваемые элементы, склеивания заготовок по длине и ширине, сборки склеиваемых заготовок, запрессовки и выдержки под давлением для отвердения клея, механической обработки склеенных элементов, защитной обработки, контроля качества склеенной продукции.

Склеиваемая древесина должна иметь одинаковую влажность и породу, так как при склеивании заготовок (деталей) из двух частей разной влажности после высыхания на более влажной стороне (заготовке) образуется вогнутость, а в клеевом шве - внутренние напряжения, поэтому разница во влажности древесины в склеиваемых элементах должна быть не более 2...4%. Сушат пиломатериалы в сушильных камерах. Влажность пиломатериалов для склеивания не должна превышать (10±2)%. После сушки пиломатериалы в течение 3...5 суток выдерживают в помещении при температуре 18...25 °С и относительной влажности воздуха 60...70%. Сортируют пиломатериалы до сушки или после нее путем внешнего осмотра, оценивая качество по наличию пороков (сучки, гниль, червоточина, наклон волокон и др.). При небольшом объеме производства пиломатериалы сортируют при поперечном раскрое. По длине и ширине пиломатериалы раскраивают на круглопильных станках или на специализированных линиях.

После раскроя заготовки обрабатывают на продольно-фрезерных станках. Поверхности заготовок должны быть отфугованы и профрезерованы. При соединении по длине заготовки окончательно обрабатывают после сращивания. Отфрезерованные пиломатериалы, заготовки хранят не более одних суток при температуре помещения 18...20 °С и влажности воздуха 50...60%, предохраняя их от загрязнения, увлажнения или пересушивания.

Склеиваемые заготовки должны быть одинаковой толщины. Если заготовки, доски имеют разную толщину или дефекты форм (коробление и др.), их перед раскроем калибруют (обрабатывают фрезерованием или шлифованием с целью получения заданных размеров) по толщине. При сращивании по длине необходимо правильно формировать шипы. Шипы вырабатывают на шипорезных, фрезерных станках или на специализированных линиях.

В целях экономии древесины вместо обычных зубчатых шипов длиной 32...50 мм применяют более короткие длиной 5...10 мм с шагом 1,75...3,5 мм и затуплением 0,2...0,5 мм.

Клей для клееных конструкций приготавливают путем перемешивания составляющих компонентов в клеемешалках типа КМ-40-10 до получения однородной массы при температуре 16...20 °С. Вспенивание клея не допускается. Небольшое количество клея готовят вручную.

При малых объемах производства клей наносят вручную кистями, щетками или валиками, а при большом объеме - на клеенаносящих станках: КВ-9-1, КВ-14-1, КВ-18-1 и др.

Сращивают пиломатериалы по длине на линии КДК-13. На этой линии можно сращивать пиломатериалы длиной 800...6500 мм, шириной 80...200 мм и толщиной 16...50 мм со скоростью подачи 10...15 м/мин.

Для склеивания пакетов применяют секционный пресс КДК-10. На этом прессе можно склеивать пакеты длиной 16500 мм, шириной 80...200 мм и толщиной до 865 мм. Выдержка в прессе для прямолинейных конструкций 8...10 ч. Величина торцового давления при запрессовке зубчатых соединений колеблется в пределах 1...1,5 МПа.

Прочность склеивания древесины периодически проверяют. Для этого склеиваемые образцы деталей раскалывают по клеевому шву. Если раскол произошел по древесине, то склеивание считается прочным, а если по слою клея, то прочность склеивания низкая. Если элементы детали склеены правильно, то соединение получатся прочнее самой древесины.

Большое значение при склеивании древесины имеет качество ее подготовки. Плохо склеиваются отшлифованные поверхности, порытые пылью, жиром и т.п. До склеивания поверхности должны быть чисто выстроганы, плотно прифугованы и очищены от пыли, грязи, опилок.

Клей наносят на склеиваемые поверхности равномерным слоем. Остатки клея, появляющиеся на поверхности детали, при прессовании снимают влажной тряпкой, пока клей не застыл, после чего насухо протирают сухой тряпкой.

- шипорезной станок; 2 - пресс; 3 - торцовый станок; 4 - стол для приема склеенных заготовок; 5 - конвейер

Рисунок 9 - Схема линии ОК502 для склеивания отрезков древесины на зубчатый шип

Склеивают бруски по длине на зубчатый шип на линии ОК502 рисунок 9, состоящей из ряда последовательно расположенных агрегатов. На шипорезном станке 1 зарезаются зубчатые шипы, на прессе 2 на них наносится клей, отрезки соединяются и сжимаются, после чего на торцовочном станке 3 длинные бруски торцуются на требуемую длину. Полученные отрезки через приемный стол 4 поступают на конвейер 5, где они укладываются в стопу и выдерживаются до полного схватывания клея. На линии можно склеивать бруски длиной 250...1200 мм, шириной 50...150 мм и толщиной 40...85 мм. Производительность линии до 5 м/мин.

Доски, бруски при малых объемах производства склеивают пластями или кромками в струбцинах, хомутах, ваймах. Процесс склеивания состоит из подготовки заготовок (раскрой, обработка поверхности под склеивание), склеивания их пластями, кромками, выдержки для схватывания клея, обработки после склеивания.

Технологический процесс изготовления клееных щитов включает сушку пиломатериалов, раскрой пиломатериалов по длине и ширине на круглопильных станках, фугование (продольное фрезерование) пласта и кромки на фуговальном станке, намазывание кромок клеем, склеивание реек в щиты в ваймах, технологическую выдержку, необходимую для схватывания клея, фрезерование плоскостей щита на рейсмусовом станке, обрезку щита в размер на круглопильном станке. Узкие щиты можно склеивать в струбцинах.

Рейки (детали), подлежащие склеиванию, выравнивают по длине, подбирают по толщине и собирают в пакет. Собранные в пакет детали со стороны кромки намазывают клеем, после этого детали раскладывают на ваймах так, чтобы намазанная кромка стыковалась с сухой.

При запрессовке следят за тем, чтобы щит не выпучивался и не имел перекосов. Проверяют это линейкой по диагонали и поперек щита; правильность угла проверяют угольником. После проверки рейки (детали) зажимают окончательно клиньями и выдерживают до полного схватывания клея в ваймах (рисунок 10).

 - вайма; 2 - деталь

Рисунок 10 - Склеивание деталей в щит в ваймах

На крупных предприятиях щиты дверей склеивают и облицовывают в прессах с винтовыми, пневматическими или гидравлическими зажимами, а также на линиях. Толщина клеевых прослоек в клееных конструкциях не должна превышать 0,5 мм.

а - склеивание досок по пласти; б - склеивание по пласти со стыком и по ширине (впритык); в - стык по длине впритык; г - стык по длине на «ус»; д - зубчатое соединение

Рисунок 11 - Виды склеивания древесины

Бруски коробок (дверей) по ширине склеивают на линии ДВ504.

Для деревянных конструкций основным видом клеевого соединения является склеивание досок, уложенных на пласти (рисунок 11, а, б). По длине доски стыкуют впритык (рисунок 11, в), с точной приторцовкой на «ус» (рисунок 11, г), на зубчатое клеевое соединение (рисунок 11, д). Все стыки должны быть промазаны клеем.

Склеиваемые поверхности должны быть хорошо очищены, плотно прилегать друг к другу, не иметь пятен краски или масла. Продолжительность открытой и закрытой выдержки после нанесения клея должна быть определена лабораторным испытанием клея в зависимости от его марки, качества, условий и длительности хранения.

Места соприкосновения деревянных элементов с бетоном, а также торцы конструкций обрабатывают антисептическими составами.

Прочность клеевого шва должна быть не ниже прочности древесины на скалывание вдоль волокон и на растяжение поперек волокон.

Толщина брусков и досок, применяемых для склеивания, допускается до 50 мм, а в конструкциях, подверженных увлажнению, - не более 32...40 мм.

При склеивании доски подбирают таким образом, чтобы направление их волокон совпадало.

Элементы конструкций, эксплуатируемых в химической, а также во влажной среде, должны быть склеены на водостойких клеях, клееные конструкции должны иметь влагостойкое покрытие (окраску).

При склеивании имеют место дефекты: местные непроклейки получаются вследствие неплотной подгонки склеиваемых поверхностей; трещины по шву - из-за большого внутреннего напряжения при склеивании древесины разной влажности; слабое сцепление склеиваемых элементов - из-за низкого качества клея и т.д.

на гладкую фугу: а - по кромке; б - по пласти; по длине: в - на «ус»; г - ступенчатое

Рисунок 12 - Соединения заготовок одним клеем

С помощью клеевого соединения можно создать из обычного или маломерного материала монолитные конструкции любых форм и размеров. Клееные конструкции из древесины менее подвержены растрескиванию и короблению, чем детали, изготовленные из цельного куска древесины. Клеевые соединения не утяжеляют конструкцию, обладают высокой прочностью, часто превышающей прочность механического крепления.

В конструкциях столярно-мебельных изделий клеевые соединения применяют при склеивании заготовок с целью увеличения их ширины, толщины или длины, при изготовлении клееных слоистых конструкций (плит, деталей из шпона), облицовывании.

Прочность соединения на гладкую фугу по кромке (рисунок 12, а) и пласти (рисунок 12, б) не уступает прочности цельной древесины при скалывании вдоль волокон. Прочность соединения на «ус» (рисунок 12, в) зависит от его длины. Чем больше эта длина, тем прочнее поучается соединение. Однако соединение с длинным «усом» требует повышенного расхода древесины. Оптимальную длину «уса» принимают равной 8-кратной толщине заготовки (), а в соединениях, требующих повышенной прочности, - 10…12-кратной толщине заготовки.

Ступенчатое по длине клеевое соединение (рисунок 12, г) размером на половину толщины заготовки выполняют на станках и ручным инструментом. Длина ступеньки  принимается равной ширине заготовки.

Клееные слоистые конструкции следует конструировать с таким расчетом, чтобы в них не возникали несимметричные нагрузки на клеевые соединения. Для этого в клееных слоистых конструкциях с каждой стороны от оси симметрии должно находиться одинаковое число слоев фанеры, шпона или другого листового материала. Кроме того, наклеиваемые слои должны быть, как правило, из древесины одной породы, одной толщины и иметь одинаковое направление волокон. В тех случаях, когда невозможно избежать несимметричных напряжений, следует применять дополнительное клеевое или механическое крепление клееной конструкции к изделию, а также различные металлические или деревянные детали, предохраняющие клееную конструкцию от коробления.

Облицовывание - это приклеивание на заготовки строганого или лущеного шпона или их заменителей (текстурной бумаги, пленок). При облицовывании шпоном более экономично используется древесина, так как для облицовывания применяют полученный из нее тонкий шпон. Кроме того, каждая облицованная шпоном заготовка представляет собой переклеенную конструкцию, отличающуюся меньшей формоизменяемостью и большей устойчивостью против растрескивания, чем заготовки необлицованные.

Лист шпона, наклеиваемый на заготовку, называют чистовой облицовкой или лицевым слоем, а заготовку, на которую наклеивают облицовку, - основой. Иногда под чистовую облицовку на основу наклеивают лущеный шпон. Лист шпона в этом случае называется черновой облицовкой или подслоем.

Облицовывание бывает одно- и двустороннее, в один или два слоя. При одностороннем облицовывании шпон наклеивают на одну сторону основы. Его применяют в тех случаях, когда облицовываемая заготовка имеет толщину, не превышающую двойной ее ширины, иначе заготовка, облицованная с одной стороны, коробится. Однако в некоторых конструктивных элементах мебели применяют одностороннее облицовывание и для заготовок, имеющих значительные размеры. Например, задние стенки небольших изделий, заглушины из фанеры облицовывают с одной стороны, так как они обычно закрепляются в изделии наглухо, благодаря чему при эксплуатации хорошо сохраняют свою форму.

При двустороннем облицовывании шпон наклеивают на две противоположные стороны основы. Его применяют во всех случаях, когда от облицованных заготовок при их последующей обработке (шлифовании, отделке) и эксплуатации требуется, чтобы они сохраняли свою первоначальную форму, не коробились.

При облицовывании в один слой шпон наклеивают непосредственно на основу. Если в качестве основы применяют массив древесины, то для того, чтобы избежать растрескивания облицованных заготовок, направление волокон основы при облицовывании в один слой должно быть под углом 45…90° к направлению волокон облицовочного шпона. Облицовывание с параллельным направлением волокон допускается только в брусках при отношении ширины бруска к его толщине не более 3:1. При облицовывании столярных плит и фанеры в один слой направление волокон облицовочного шпона должно быть под углом 45…90° к направлению волокон основы.

Древесностружечные трехслойные плиты в большинстве случаев облицовывают в один слой. Так как они имеют изотропную структуру, трещины на облицованных поверхностях не появляются.

При облицовывании в два слоя на основу сначала наклеивают лущеный шпон, а затем строганый. Направление волокон основы и лущеного шпона не должно совпадать, так же как не должно совпадать направление волокон лущеного и строганого шпона. Облицовывание шпоном в два слоя дает лучшие результаты, однако в связи с большими затратами труда и материалов применяется при изготовлении мебели и столярных изделий, подлежащих эксплуатации в условиях повышенной влажности или предназначенных для оборудования помещений уникальных зданий.

Прочность клеевых соединений при скалывании по клеевому слою должна быть не менее (МПа): при склеивании массивной древесины в производстве мебели - 2, при производстве окон и дверей - 6. Прочность клеевых соединений при облицовывании должна быть не менее 1 МПа.

Во всех случаях при конструировании клеевых соединений надо учитывать и технологические факторы, влияющие на их прочность: чистоту обработки поверхности древесины, виды применяемых клеев, размеры допускаемых пороков древесины, влажность склеиваемых материалов, которые регламентируются стандартами на столярно-мебельные изделия.

. Техника выполнения контурной резьбы. Резьба по бересте

Два вопроса волнуют в первую очередь начинающего резчика по дереву: где взять или как сделать инструмент, где взять или как лучше использовать древесину для резьбы? Причем первый вопрос кажется обычно более сложным. На самом деле здесь нет неразрешимой проблемы: все необходимое можно купить или изготовить самому, об этом мы подробно расскажем в следующей главе. Древесину же, как материал для резьбы самому сделать или купить сразу по желанию невозможно. Тем не менее, решение и этого вопроса не является столь сложным, только побеспокоиться о нем нужно заблаговременно. Как правило, самодеятельный резчик по дереву приобретает материал не тогда, когда он потребовался, а когда представилась такая возможность. Даже обычную древесину - ель, сосну, березу, бук лучше запасать заранее. Нужно ей дать возможность высохнуть, а затем проверить ее на растрескивание и коробление. Более надежное дерево старое, выдержанное, лишь бы в нем не было жучков-древоточцев. Поэтому можно использовать детали разрушенных домов, выброшенную мебель, буковые планки паркетного пола и т.д. Спиленные или поваленные деревья нужной породы, в частности и фруктовые, также объект внимания резчика. Когда же начинает действовать принцип «на ловца и зверь бежит», появляется и так называемая экзотическая древесина. Например, автору удалось вытащить буквально из костра несколько брусков красного дерева (махагони) от упаковки импортного холодильника. А несколько досок и брусков красного дерева предложил один знакомый председатель колхоза: в колхозах это дерево выписывают и используют не всегда по назначению. Две кухонные доски из красного дерева купила жена в хозяйственном магазине. Широкую доску из палисандра уступил знакомый резчик (у него их было три). Две большие ореховые доски прислали товарным багажом приятели с Кавказа. Чертежные доски из липы без сучков и достаточно однородные продаются иногда в магазинах.

Деревянную поверхность под резьбу можно подготовить вручную (рубанком или фуганком) или на токарных, фуговальных, рейсмусовых станках. Плоские заготовки лучше обрабатывать механически на фуговальном или рейсмусовом станке. При такой обработке получают чистую, гладкую поверхность.

Поверхность, предназначенную под резьбу, не шкурят, так как от шкурки на доске останутся зерна стекла или кварца, что может испортить лезвие инструмента.

Подготовленную поверхность можно оставить естественного цвета, но можно и затонировать в темный цвет, в зависимости от задуманной композиции.

По технике выполнения контурная резьба является самой простой. Контурная резьба представляет собой разновидность геометрической. Изображения, выполненные в этом виде резьбы, напоминают четкий графический рисунок. Применяя различные виды порезок и сочетания прямых, кривых, спиралевидных и других линий, можно достичь большого разнообразия форм и композиционных решений.

Контурная резьба широко применяется в народной резьбе: это различные орнаменты на резных элементах дома, разные панно, разделочные доски, посуда, сувениры (рисунок 13).

Контурная резьба требует свободного владения инструментом, внимания и аккуратности при выполнении работы. Для резьбы надо иметь хорошо правленый инструмент, так как порезку в контурной резьбе часто приходится делать во всех направлениях. Движение руки с резцом должно быть уверенным, твердым. При контурной резьбе надо уметь пользоваться резаком и полукруглой стамеской, знать, когда надо вести резак слева направо, с наклоном к себе, и наоборот - справа налево, с наклоном от себя.

Резать нужно с одного раза, иначе резьба не получится чистой и могут быть срывы и заскоки. Выполняют контурную резьбу следующим образом: нож зажимают в кулаке лезвием на себя и с усилием ведут по линиям рисунка. Нож по отношению к плоскости дощечки не вертикален, а несколько отклонен в сторону (рисунок 14). Так производят надрезание элемента, который должен быть вынут из деревянной поверхности. Затем идет стадия подрезания.

Рисунок 13 - Контурная резьба: орнаменты, разделочные доски, розетки

Положение ножа в руке не меняется, только рука наклоняется в противоположную сторону, и в этом положении также с усилием делают подрезку.

В результате из поверхности извлекается трехгранная деревянная полоска. Ширина и глубина контурной порезки может быть сохранена одинаковой на всем протяжении рисунка, но может быть и различной в зависимости от замысла автора. В первом случае резьба получается суховато-проволочной; во втором - ширина и глубина прорезных контуров создают текучий пластичный ритм.

- последовательность выполнения работы: а) надрезание, б) подрезание; 2 - работа одной рукой: а) на себя, б) от себя

Рисунок 14 - Резьба косяком

Контурную резьбу можно выполнять не только ножом-косячком, но и более сложными фигурными инструментами - резцами-стамесками полукруглого или углового сечения. В этом случае контурная прорезь будет иметь соответствующий профиль. Композиция, выполненная в технике контурной резьбы, напоминает линейный рисунок и отличается некоторой жесткостью, резкостью, однообразием. Поэтому контурная резьба на светлом фоне в настоящее время применяется не часто и в таких изделиях, которые находятся главным образом в мало освещенных местах. Чтобы повысить ее выразительность, используют тонированный фон или применяют различные виды порезок и сочетания прямых, кривых, спиралевидных и других линий, достигая большого разнообразия формой композиционных: решений.

Начинающему резчику лучше выполнять контурную резьбу на древесине мягких пород - осине, липе, а после приобретения навыков - на более твердых.

Резьба по бересте в прошлом была широко распространена; ею украшали туеса, поставцы, коробки, шкатулки. Художественные особенности резьбы по бересте во многом определяются материалом и техникой выполнения. Дугообразно изогнутые стебли, движение мелких веточек по кругу, мягкие по очертаниям элементы орнамента (листья и цветы) сочетаются с мелкими листочками и завитками, которые также строятся кругообразно. Центральную часть рисунка, как правило, обрамляют несложным геометрическим орнаментом в виде решеточек различных видов.

Наиболее употребительный орнамент по бересте - это трилистник; но возможны самые разнообразные переработки этого и других растительных мотивов. Особенно привлекательна в орнаменте отделка «чертежкой» и мелкой порезкой.

Композиция обычно симметрична, с центром из крупных элементов, например розеткой геометрической формы и т. д.

Бересту с вырезанным орнаментом наклеивают на фон - это либо тонированное дерево, либо цветная фольга. Поэтому при построении орнамента надо учитывать соотношение между ним и количеством просматриваемого фона.

Техника резьбы по бересте несложна. Инструменты могут изготовить сами резчики; специальных приспособлений не требуется. Инструменты и материалы применяют следующие:

. Шильце, притупленное и отшлифованное (из гвоздика); длина острия шильца

…5 см;

. Линейка и угольник;

. Циркуль для очерчивания окружностей и вырезания круглых заготовок;

. Шаблоны для вырезания заготовок;

. Хорошо обработанная (отфугованная) дощечка, на которой выполняют резьбу;

. Береста (кора березы), заготовленная в весенний период (май, июнь).

Для резьбы используют среднюю часть коры; верхний и нижний слой счищают до определенной толщины (приблизительно до 2 мм). Очищенные полоски бересты разрезают по размерам изделий. Поверхность зачищают шкуркой и укрепляют на дощечке.

Полоску бересты расчерчивают при помощи линейки и шильца, т. е. наносят прямые линии, отделяющие центральную часть от полосок обрамляющего орнамента. Затем шильцем наносят рисунок - основные линии стебля и крупные детали орнамента.

Резать начинают с уголка в полоске обрамляющего орнамента. Затем режут центральную часть композиции. Мелкие детали (почечки, завитки, листочки) мастер вырезает без рисунка.

Бересту для боковых сторон изделия вырезают после резьбы крышки.

Крупные детали орнамента - цветы, листья разделывают различными прорезями и расчерчивают шильцем, это придает рисунку законченность.

Начинать работу надо с несложных решеточек геометрической формы (рисунок 15).

Рисунок 15 - Решеточки

На бересте, подготовленной под резьбу, шильцем намечают полоску шириной 3 см и на расстоянии 1 см друг от друга проводят три параллельные линии. Для первого упражнения наносят только горизонтальные линии, а вертикальные прорези («пирожки») режут без предварительного рисунка.

Для выполнения сеточки шильцем наносят диагонали и вырезают ромбики со сторонами около 5 мм.

После того как освоен элемент решетки, можно перейти к несложному растительному орнаменту. Здесь основным элементом является традиционный трилистник. Сначала выполняют обрамление, затем шильцем намечают основные контурные линии, по которым режут орнамент.

В композиции с белочками (рисунок 16) рисунок более сложной формы сочетается с многообразной разделкой - прорезью, «чертежкой» и геометрическим обрамляющим орнаментом.

Рисунок 16 - Рисунок на бересте, нанесенный шильцем

Для выполнения всех видов резьбы, различных элементов украшения жилища, мебели, сувениров и других поделок нужен специальный инструмент. Резчицкий инструмент делится на основной (режущий) и вспомогательный (для сверления и выпиливания, столярный, разметочный). Широко используются также различные электрифицированные бытовые инструменты и приспособления на базе электромотора, которые мастер может сделать сам. Все инструменты должны быть отличного качества, чтобы можно было беспрепятственно выполнять резные работы любой сложности. Режущий инструмент должен быть из хорошей стали, легким и удобным, отлично заточенным так, чтобы дерево резалось, «как масло», содержать его следует в идеальном состоянии. Тупой инструмент крошит, мнет, а не режет дерево, а порезки и сама резьба выглядят шероховатыми, небрежными. Это портит настроение и часто отбивает желание закончить работу. Острым инструментом работать легко и приятно, рисунок получается чистым, точным и красивым. По готовому изделию всегда можно определить не только умение и почерк мастера, но и чем и как он выполнял работу.

Без набора резчицкого инструмента невозможно сделать самую простую резьбу. Ассортимент резчицкого инструмента разнообразен. Потребность определяется видом работы, ее сложностью и характером. Даже простые по технике контурные и геометрические порезки требуют применения определенного количества разных по форме и величине инструментов. При выполнении сложных резных изделий требуется большое количество разнообразных стамесок, ножей и т. п. Практика показывает, что чем выше квалификация резчика и сложнее работа, тем больше инструментов имеет мастер. Иногда их количество может доходить до нескольких сотен.

В набор основного резчицкого инструмента входят: ножи-косяки (рисунок 17), которые применяются в основном для выполнения геометрической и контурной резьбы, а также для прорезки орнаментов. Конец лезвия ножа затачивают под углом от 30º до 80°. Величина угла имеет большое значение при выполнении резьбы и зависит от трудоемкости и сложности элементов. Косяком с углом скоса 60…80° удобно прорезать прямые, крупные орнаменты. Меньшие углы удобны для работы с мелким и криволинейным рисунком; ножи-резаки разных форм используют для геометрической резьбы при выполнении розеток, «сияний» с закруглениями, элементов с кривыми линиями, а также в контурной резьбе для закруглений и изгибов, в прорезной накладной резьбе и для профильных работ; прямые стамески нужны для зачистки фона, прорубки контура орнамента, снятия фасок и других работ.

- носок; 2 - пятка

Рисунок 17 - Ножи-косяки (слева) и ножи-резаки (справа)

Ширина прямых стамесок может быть от 5 до 30 мм; стамеска-косячок такая же, как и прямая, но со срезом лезвия под углом от 45º до 70°, ширина лезвия от 10 до 30 мм, применяется в основном для выполнения геометрической резьбы; отлогие и полукруглые стамески (рисунок 18, в, г) - основной инструмент для выполнения большинства видов работ - в геометрической и контурной резьбе для скобчатых порезок, полукруглых лунок.

а - прямые; б - косячки; в - отлогие; г - полукруглые

Рисунок 18 - Стамески

Полукруглые стамески бывают со средними и высокими бортами лезвий, а у отлогих стамесок борта почти отсутствуют. Форма полукруглых стамесок дает возможность работать краями бортов и делать глубокие выемки. Ширина лезвия стамесок от 5 до 30 мм: стамески-уголки применяются при выборке узких линий-канавок. Используются почти во всех видах резьбы. В поперечном сечении стамески имеют угол от 45º до 70°. Ширина лезвия стамесок от 5 до 30 мм; стамески-клюкарзы имеют короткое полотно в виде согнутой ножки или крючка. Они широко используются при плоскорельефной и рельефной резьбе, зачистке углубленного фона, выборке емкостей всевозможной посуды и других изделий, для обработки выпуклости в углубленных местах. Стамески-клюкарзы имеют различный профиль и ширину полотен от 5 до 50 мм; стамески-царазики, изогнутые в нижней части с различной формой лезвия, применяются для прорезки узких жилок на фоне и рельефе, зачистки фона в труднодоступных местах. Ширина лезвий 2…3 мм; ложечные ножи разных профилей и форм применяют преимущественно при изготовлении резной посуды (ложек, ковшей), имеющей внутреннюю сферическую поверхность.

- полукруглый нож; 2 - полукруглый разъемный нож; 3 - кольцевой; 4 - кольцевой с дополнительной ложкой

Рисунок 19 - Ложечные ножи

Обоюдоострые полукруглые или кольцевые лезвия ножей легко выбирают и вычищают внутреннюю поверхность чаш, ложек и т. п. Для удобства в работе ручки их бывают самой разной длины.

Рисунок 20 - Скобы (1) и скобели (2)

Скобы и скобели применяют для снятия коры, очистки поверхности круглого или иного материала, выборки углублений. Скобелем можно быстрее и легче обработать заготовку, так как работа идет двумя руками: чеканы применяются в основном для отделки и уплотнения фона с шероховатой поверхностью или придания гладкому фону фактуры, а также для нанесения какого-либо рисунка. Чеканы представляют собой металлические стержни разного диаметра, на одном из концов которых сделаны насечки различных геометрических фигур и профилей; скребки и цикли с различными профилями применяют для выборки галтелей, штапиков, зачистки от ворса поверхностей с кривизной.

Рашпили служат для зачистки резьбы, бывают разной формы и профиля: прямые, плоские, полукруглые и прочие. На сторонах рашпиля имеются насечки в виде небольших зубчиков различной величины.

Щетка проволочная со стальным ворсом нужна для прочистки, выявления рисунка текстуры на изделиях, особенно тонированных или обожженных. Щетку круглой формы можно установить на электроинструмент, что намного облегчит и ускорит работу.

. Охрана труда

Основная задача охраны труда - разработка системы законодательных актов и соответствующих им социально-экономических, технических, гигиенических и организационных мероприятий, обеспечивающих безопасность, сохранение здоровья и работоспособности человека в процессе труда.

В охрану труда входят вопросы трудового законодательства, техника безопасности и производственная санитария. Трудовое законодательство регламентируется Кодексом законов о труде и рассматривает вопросы продолжительности рабочего дня, времени отдыха, найма и увольнения работающих и т. п.

Трудовым законодательством предусмотрен порядок охраны труда работающих и в том числе женщин и подростков, дан перечень профессий, вредных работ, на которых запрещено применять труд подростков (не достигших 18 лет). Этим же законодательством даны ограничения по переноске ручных грузов для женщин и установлены предельные нормы для поднятия, переноса и перевозки ими грузов, при этом привлекать женщин к погрузке и выгрузке тяжелых грузов запрещено.

Все рабочие обязаны усвоить безопасные приемы работ и хорошо знать правила техники безопасности. Каждый вновь поступающий рабочий может быть допущен к работе лишь после обучения и проведения инструктажа по технике безопасности. Инструктаж работающих подразделяют на вводный, первичный на рабочем месте, повторный, внеплановый, текущий.

Вводный инструктаж перед допуском к работе проводится инженером по технике безопасности с каждым вновь поступающим рабочим путем беседы и показа наглядных пособий. Первичный на рабочем месте, повторный, внеплановый и текущий инструктажи проводит непосредственно руководитель работ. Первичный инструктаж проводят на рабочем месте со всеми вновь принятыми рабочими путем показа безопасных приемов и методов работы. Повторный инструктаж проводят с целью повышения уровня знаний работающих. Внеплановый инструктаж проводят при изменении правил по охране труда и изменении технологического процесса.

При инструктаже рабочий узнает правила поведения на территории, основные причины, вызывающие травматизм (неисправность оборудования, инструмента, электросети и т. п., неправильные приемы работы); знакомится с правилами поведения в зоне работ с кранами, лебедками, автотранспортом и при погрузочно-разгрузочных работах. О проведении первичного на рабочем месте, повторного и внепланового инструктажей работник, проводивший инструктаж, делает запись в журнале регистрации инструктажа на рабочем месте с обязательной подписью инструктируемого и инструктирующего.

На рабочем месте инструктаж проводит мастер или производитель работ, подробно объясняет безопасные приемы работы, оградительную технику, рассказывает об электробезопасности, порядке содержания рабочего места, устройстве механизмов, правилах пуска, остановки и смазывания станков.

Основными причинами травматизма на деревообрабатывающих предприятиях являются неправильная расстановка оборудования, отсутствие или несовершенство ограждений, неудовлетворительное состояние пусковой аппаратуры, плохое знание рабочими безопасных приемов работы и недостаточный надзор за выполнением правил техники безопасности со стороны администрации.

Оборудование в цехах должно быть расставлено таким образом, чтобы проходы и проезды были свободны, а пути передвижения рабочих и грузов были сведены до минимума. Станины станков должны быть устойчивыми, чтобы противостоять усилиям нагрузок и вибрации.

Оборудование должно быть снабжено надежно действующими ограждениями, приемниками для отсоса пыли, стружек, а также механизмами для подачи пиломатериалов. Рабочая часть режущих инструментов (пил, фрез, ножевых головок) должна закрываться автоматически действующим ограждением, открывающимся во время прохождения обрабатываемого материала или инструмента только для его пропуска на величину, соответствующую размерам обрабатываемого материала по высоте и ширине. Ограждения и предохранительные устройства не должны затруднять удаления отходов.

Опасна работа на круглопильных станках для продольного раскроя с ручной подачей, так как работающий постоянно имеет дело с подаваемым материалом. На станках может быть обратный выброс подаваемого пиломатериала, поэтому рабочий должен всегда находиться сбоку от подаваемого пиломатериала.

Пильный диск ограждают, а за пилой устанавливают расклинивающий нож. На ограждении или перед ним должно быть смонтировано противовыбрасывающее устройство в виде тормозных когтей, секторов и др.

До работы на станке нужно проверить крепление пилы, приводные устройства, надежность действия ограждений, пусковые устройства и заземление.

Обрабатываемый пиломатериал надо подавать равномерно, без толчков так, чтобы частота вращения пилы не снижалась. Нельзя пилить материал, толщина которого превышает высоту пильного диска над столом.

На фуговальных станках во избежание попадания руки работающего рабочую часть ножевого вала закрывают автоматически действующим веерным ограждением. Снизу ножевой вал ограждается стружкоприемником, соединенным с пневмотранспортом. Ограждение станка блокируется с пусковой аппаратурой и тормозом, т. е. когда ограждение отводится за ножевой вал, станок сразу же выключается.

На рейсмусовых станках для безопасной работы ножевой вал спереди и сверху закрывают металлическим кожухом. Перед подающими вальцами устраивают противовыбрасывающее устройство из зубчатых секторов. Подающие валики, в том числе рифленые, не должны иметь трещин, выбоин, сработанных поверхностей и др. До начала работы надо проверить исправность ограждений, отсутствие дрожания станины (вибрации), прочность крепления ножей, наличие заземления станины и др.

Фрезерные станки с ручной подачей наиболее опасны в работе. Для предотвращения обратного вылета материала применяют устройства с пружинами, роликами и др. Нерабочая часть фрезы, ножевой головки должна иметь неподвижное ограждение в виде кожуха, а рабочая часть головки, фрезы - подвижное ограждение, открывающееся на размер обрабатываемого материала. Фрезеровать детали против слоя, особенно по кривой, нельзя.

На сверлильных станках обрабатываемый материал нужно прочно закрепить, с тем, чтобы не повредить руки. Патроны для крепления сверл не должны иметь выступающих деталей. При сверлении по разметке сверло должно быть точно направлено к месту сверления.

Клееные элементы изготовляют в специализированных цехах, оборудованных общеобменной вентиляцией, при температуре 18...20 °С и относительной влажности воздуха 50...60%. В местах приготовления клеев помимо общеобменной вентиляции устраивают местные отсосы. Рабочие места не должны загромождаться заготовками, деталями, материалами. Смолу и компоненты для приготовления клея хранят в специальном помещении.

На рабочих местах должна быть вывешена инструкция по безопасной работе с клеями и оборудованием. Рабочие должны быть обеспечены спецодеждой и головными уборами из плотной ткани, резиновыми перчатками, защитными очками, респираторами и т.п.

При попадании токсичных веществ на кожу их срочно удаляют салфеткой, чистой тряпкой, смазывают пораженное место вазелином или мазью от ожогов. При попадании токсичных веществ в глаза их надо немедленно промыть под сильной струей воды и срочно обратиться к врачу.

Рабочие, поступающие на работу в цех клееных конструкций, проходят медицинское освидетельствование и инструктаж по технике безопасности.

При соприкосновении человека с токоведущими частями действующей электроустановки создается опасность поражения током. Ток силой 0,5 А является опасным для жизни человека, а силой, в два раза большей, т. е. 0,1 А, - смертельным. Неизолированные токоведущие части должны быть ограждены так, чтобы к ним не было свободного доступа.

Электроинструмент следует систематически проверять на отсутствие замыкания на корпус; кроме того, следует проверить перед работой исправность подводящего кабеля. Электроинструмент должен быть заземлен; в случае отсутствия заземления работать электроинструментом запрещается.

К работе с механизированным инструментом могут быть допущены лица, прошедшие производственное обучение и имеющие соответствующее удостоверение.

Ремонтировать, регулировать и настраивать механизированный инструмент можно только после его отключения и полной остановки. При работе с электроинструментом следует пользоваться защитными очками.

В процессе работы запрещается натягивать и перегибать кабели инструментов.

В ненастную погоду (снег, дождь) работать на открытой площадке электроинструментом можно лишь в исключительных случаях, под навесом с обязательным применением диэлектрических перчаток. В помещениях особо опасных, а также вне помещений работать электроинструментом можно при напряжении не более 36 В.

Металлические строительные леса, рельсовые пути электрических грузоподъемных кранов и другие металлические части строительных машин и оборудования с электроприводом, корпуса электродвигателей, кожухи рубильников должны быть заземлены.

Наружные электропроводки временного электроснабжения должны быть выполнены изолированным проводом, размещены на опорах (столбах) на высоте над уровнем пола, земли, настила не менее 2,5 м над рабочими местами, 3,5 м - над проходами, 6 м - над проездами.

Светильники общего освещения напряжением 127, 220 В должны устанавливаться на высоте не менее 2,5 м от уровня земли, пола и настила. При высоте подвеса до 2,5 м светильники должны подсоединяться к сети напряжением не более 42 В. Ручные переносные светильники должны иметь защитную металлическую сетку, причем напряжение для них должно быть не более 36 В, а в особо опасных местах (траншеи, колодцы) - 12 В.

Штепсельные соединения на 12 и 36 В должны иметь цвет, резко отличающийся от штепсельных соединений с напряжением более 36 В.

Резиновые защитные средства перед применением осматривают, очищают от грязи, вытирают. Защитные средства, имеющие проколы, трещины, применять нельзя.

Рабочие и инженерно-технические работники, занятые эксплуатацией и ремонтом электрических установок, должны уметь освобождать пострадавших лиц от тока и оказывать им первую помощь. При поражении током человека надо немедленно устранить воздействие на него тока путем отключения рубильника, предохранителей и др. Человек, спасающий пострадавшего, должен обезопасить себя, надев галоши, резиновые или сухие шерстяные перчатки или наскоро обмотав руки сухой тряпкой. Когда под рукой нет таких предметов, токоведущие провода оттягивают от пострадавшего сухой палкой, резиновым жгутом, сухой одеждой и т. п. После снятия напряжения нужно срочно вызвать врача для оказания медицинской помощи.

Пожары наносят народному хозяйству большой ущерб. Основными причинами пожаров являются неумелое обращение с огнем на открытых площадках, курение в пожароопасных местах, неисправности в электросети, неправильное хранение легковоспламеняющихся материалов, загромождение цехов и территории и т. п.

Укладывать сгораемые предметы (пиломатериалы) на строительной площадке можно на расстоянии не менее 15 м от строящихся зданий или временных сооружений. Склады горючих и смазочных материалов следует располагать со стороны, противоположной господствующим ветрам, и на большом расстоянии от зданий.

Надо систематически проверять электросеть и своевременно устранять ее неисправность. Временные металлические и электрические печи можно устраивать только по согласованию с органами пожарного надзора. В местах, отведенных для курения, следует поставить бочки с водой и ящики с песком для окурков.

На строительной площадке должны быть оборудованы противопожарные посты с огнетушителями, ведрами, лопатами, ломами, баграми, гидропультом и топорами. У гидропульта обычно устанавливают бочки с водой.

В цехах, мастерских устраивают противопожарный водопровод, а на территории вдоль дорог и проездов на расстоянии 5 м от зданий и 2 м от дороги устанавливают пожарные гидранты.

Места, где водопровод отсутствует, оборудуют закрытыми водоемами с мотопомпами на расстоянии 150...200 м от зданий.

Пожарная профилактика предусматривает мероприятия, направленные на предупреждение возникновения пожаров, т. е. создание условий, препятствующих распространению огня, меры по эвакуации людей, материалов, оборудования при возникновении пожара, а также план работы людей по быстрейшей ликвидации пожара.

Склады пиломатериалов должны содержаться в чистоте и иметь необходимые дороги и проезды. Территорию склада надо систематически очищать от отходов - коры, щепы. Курение на складах, а также разведение костров категорически запрещается.

В летние дни территорию склада, а также территорию предприятия надо поливать водой. Разрывы между штабелями и группами штабелей должны соответствовать предусмотренным нормами.

Склад должен быть оборудован противопожарным водопроводом, водоемами. Небольшие склады должны иметь чаны с водой, огнетушители.

В деревообрабатывающих цехах нужно следить за состоянием электрооборудования, пусковой аппаратуры, силовой и осветительной сети. Обтирочные материалы следует хранить в специальных закрытых металлических ящиках и периодически их очищать. Необходимо систематически смазывать подшипники, не допуская их перегрева.

Хранить сверхнормативные запасы пиломатериалов, заготовок и деталей в цехах не допускается.

Все проходы и подходы к пожарным кранам должны быть всегда свободными и доступными.

В малярных цехах нельзя работать без надежно действующей вентиляции, с тем чтобы не образовалась взрывоопасная концентрация паров лакокрасочных материалов.

Цехи помимо пожарного водопровода должны быть обеспечены средствами пожаротушения - огнетушителями, расположенными в удобных местах.

Для подачи сигналов о пожаре в цехе, мастерской должна быть установлена пожарная сигнализация. В случае ее отсутствия необходимо установить сирены, колокола и т. п.

Каждый работающий, заметив пожар, обязан немедленно (по телефону) вызвать пожарную команду, а если нет телефона, дать другой какой-либо сигнал и принять меры по тушению пожара местными средствами.

Для обеспечения борьбы с пожарами и профилактики пожаров на каждом строительстве и предприятии из состава работающих создаются добровольные пожарные дружины, активно участвующие в тушении пожаров. В каждой смене должно быть минимально необходимое количество работников пожарной дружины.

Производственная санитария - это система организационных, гигиенических и санитарно-технических мероприятий и средств, предотвращающих воздействие на работающих вредных производственных факторов, которые приводят к заболеванию.

При выполнении строительно-монтажных работ на работающих могут воздействовать неблагоприятные производственные и метеорологические условия. Работа столяров, плотников, стекольщиков на открытом воздухе или в не отапливаемом помещении вызывает обмораживание в зимнее время и перегрев организма или солнечные удары при работе под прямыми солнечными лучами.

Все рабочие места должны быть хорошо освещены.

В цехах должны быть аптечки с медикаментами и средствами для оказания первой помощи, а при соответствующем количестве рабочих - медпункт. Работающие с токсичными средствами (антисептиками), синтетическими смолами помимо респираторов и спецодежды обеспечиваются защитной мазью или пастой.

В процессе работы по разным причинам возникает утомление, в результате которого снижается производительность труда. Задача охраны труда - создать такие условия, при которых работающий будет уставать минимально. Это относится в первую очередь к правильной организации рабочего места и снижению физических нагрузок.

Рабочие приемы должны быть такими, чтобы рабочий не уставал, верстак подбирают соответствующего размера, поза рабочего должна быть правильной; работать в полусогнутом состоянии или с вытянутыми руками нельзя. Спецодежду подбирают по размеру так, чтобы она не мешала нормальной работе. Для снижения утомляемости рекомендуется делать производственную гимнастику.

древесина резьба цепнодолбежный береста

Список использованных источников

1 Коротков В. И. Деревообрабатывающие станки: Учеб. для ПТУ. - 2-е изд., перераб. и доп. - М.: Высш. шк., 1991. - 240 с.: ил.

Крейндлин Л. Н. Столярные работы: Учеб. для сред. ПТУ. - 5-е изд., перераб. и доп. - М.: Высш. шк., 1986. - 256 с.: ил.

Крейндлин Л. Н. Столярные, плотничьи и паркетные работы: Учеб. для нач. проф. образования. - М.: ИРПО; Изд. центр «Академия», 2009. - 352 с.: ил.

Степанов Б. А. Материаловедение для профессий, связанных с обработкой дерева: Учеб. для нач. проф. образования. - М.: ИРПО; Изд. центр «Академия», 2010. - 328 с.: ил.

Бобиков П. Д. Конструирование столярно-мебельных изделий: Учеб. для ПТУ. - 4-е изд., доп. - М.: Высш. шк., 1989. - 176 с.: ил.

Селенцов А. Ю. Резьба по дереву. - 2-е изд. - Мн.: Современное слово, 1999. - 256 с.: ил.

Лихонин А. С. Резьба по дереву. - Нижний Новгород: Времена, 2010. - 224 с.: ил.

Похожие работы на - Технология обработки древесины

 

Не нашли материал для своей работы?
Поможем написать уникальную работу
Без плагиата!
Без нейросетей!