Технологический процесс изготовления детали 'Шестерня'

  • Вид работы:
    Курсовая работа (т)
  • Предмет:
    Другое
  • Язык:
    Русский
    ,
    Формат файла:
    MS Word
    245,59 Кб
  • Опубликовано:
    2015-04-29
Вы можете узнать стоимость помощи в написании студенческой работы.
Помощь в написании работы, которую точно примут!

Технологический процесс изготовления детали 'Шестерня'















Курсовая работа

Технологический процесс изготовления детали «Шестерня»

План

1. Анализ рабочего чертежа детали и технических требований  к ней

. Характеристика материала детали

. Выбор способа заготовки по литературным данным

. Расчет и проектирование заготовки по выбранному способу

. Разработка маршрутно-операционного технологического процесса

. Подбор станочного оборудования, приспособления, режущего и измерительного инструмента

.Техническое нормирование

. Список литературы

материал заготовка чертеж деталь шестерня

1. Анализ рабочего чертежа детали и технических требований к ней

Заданная шестерня представляет собой одну из конструкций зубчатого колеса. Деталь небольшая, ее габариты Ø 192*83, масса 10,7 кг. Это позволяет вести обработку на небольших и значит более дешевых станках.

Шестерня проходит термообработку, что имеет большое значение в отношении короблений, возможных при нагревании и охлаждении детали. В этом смысле перемычка, связывающая тело зубчатого венца и ступицу, расположена неудачно, т.к. при термообработке возникнут односторонние искажения. Зубчатый венец уменьшится в размерах, и вызовет сжатие ступицы с левого торца. Отверстие приобретет коническую форму, что скажется на характере искажения зубчатого венца. Перемычку между венцом и ступицей следовало бы сместить, или наклонить, однако в данном случае это, по-видимому, не возможно, т.к. на шестерни имеется обработка внутренней поверхности венца до самой перемычки.

Круглая форма детали говорит о ее технологичности при получении заготовки, обработке, контроле. За исключением зубьев, обработку можно вести на очень распространенных станках токарной и шлифовальной групп.

В тоже время с точки зрения механической обработки ЗК не технологичны, т.к. операция получения зубьев со снятием стружки производится в основном малопроизводительными методами.

Большинство элементов шестерни технологичны, и позволяют вести обработку стандартным покупным инструментом.

Нетехнологичен шпоночный паз. Для его получения потребуется малопроизводительный долбежный или протяжной станок, или дорогостоящие протяжки. Технологичны фаски с центральным отверстием. Они не позволяют при протягивании отверстия или шпоночного паза образовываться заусенцам на торцах ступицы.

Самый точный и ответственный элемент детали - центральное отверстие Ø47 Н7 с шероховатостью Ra 1,25 мкм. Шероховатость на зубьях Ra 2,5.

Остальные поверхности выполнены менее точно, их шероховатость более грубая.

Деталь имеет хорошие базы, при обработке - отверстие Ø47 Н7 и точный торец. Эти же поверхности являются базами и при контроле.

На детали правильная простановка размеров и тех.требований.

Учитывая вышесказанное, деталь заслуживает качественной оценки технологичности конструкции детали- хорошо.

Выводы из анализа рабочего чертежа

Анализируя рабочий чертеж детали, можно сделать следующие выводы:

- чертеж в достаточной мере информативен, имеет необходимые проекции, разрезы и сечения;

-         на чертеже указаны все необходимые размеры с допусками, требования к точности формы и взаимного расположения, а также требования к качеству поверхности, обеспечивающие разработку технологического процесса, проектирование и изготовление детали;

          указаны требования к материалу, физико-механическому состоянию детали;

          допуски формы, взаимного расположения поверхностей, параметры шероховатости соответствуют стандартным значениям (ГОСТ 2.308-79, ГОСТ 2.309.77).

Конструктивно деталь считаем технологичной.

2. Характеристика материала детали

Характеристика материала детали.

Даная деталь относится к классу тел вращения типа «зубчатое колесо», образована наружными и внутренними поверхностями тел вращения, имеет зубчатый венец, соединённый со ступицей рёбрами жёсткости. Деталь испытывает нагрузки кручения, изгиба, износ зубьев, поэтому подвергается нитроцементации с последующей заколкой на твёрдость 25-30 HRC.

Марка: 40Х (заменители 45Х, 38ХА, 40ХН, 40ХС, 40ХФ, 40ХР)

Класс: Сталь конструкционная легированная

Применение: оси, валы, валы-шестерни, плунжеры, штоки, коленчатые и кулачковые валы, кольца, шпиндели, оправки, рейки, губчатые венцы, болты, полуоси, втулки и другие улучшаемые детали повышенной прочности.

Расшифровка марки стали 40Х: эта марка означает, что в стали содержится 0,40% углерода и менее 1,5% хрома.

Преимущества термообработки изделий из стали 40Х в кипящем слое по сравнению с традиционными способами: был исследован нагрев под закалку высокопрочных болтов из сталей 40Х и 38ХС. Из опытов следует, что при горизонтальном положении болта М24 в кипящем слое частиц корунда диаметром 0,32 мм, отапливаемом природным газом, медленнее всего температура повышается на оси болта в месте стыка его тела и головки. Скорость нагрева в этой точке почти вдвое меньше, чем на поверхности в середине болта, так что во избежание перегрева температура кипящего слоя не должна заметно превышать конечную температуру нагрева. В слое с температурой 900° С болт прогревается до 860° С примерно за 3 мин (термопара зачеканена на оси под головкой), в то время как в применяемых в настоящее время электропечах К-160 нагрев до 860° С длится, по нашим экспериментальным данным, 40 мин. За это время в электропечах образуется значительный слой отслаивающейся окалины, в то время как при нагреве в кипящем слое с двухступенчатым сжиганием поверхность получается чистой. Эксперименты показали, что для аустенизации достаточна выдержка болтов из обеих сталей при температуре слоя 860-870° С в течение 10-15 мин. Поскольку скорость охлаждения этих изделий в кипящем слое оказалась недостаточной, закалку осуществляли в масле. Отпущенные после закалки (410° С, 80 мин) болты отличались высокими показателями прочности при достаточной пластичности:

Сталь 40Х: σв=147-150 кгс/мм2, ан=3,84-3,27 кгс*м/см2, HB 345-360

Сталь 38ХС: σв=165-173,5 кгс/мм2, ан=3,18-4,41 кгс*м/см2, HB 400-430 (ударную вязкость ан определяли на образцах, предел прочности σв на целых болтах).

Параллельно болты М24 из стали 38ХС после выдержки в кипящем слое с температурой 910° С (15 мин) охлаждали в соляной ванне при 360° С (20 мин) с целью получения структуры нижнего бейнита. При достаточно высокой прочности (σв = 163 кгс/мм2) была получена значительно большая ударная вязкость (8,65- 10,6 кгс-м/см2). Наконец, часть болтов из стали 38ХС после такого же нагрева выдерживали в масле в течение 42 с, а затем переносили в кипящий слой температурой 360° С. Такой режим позволил повысить предел прочности до 171,5-173 кгс/мм2, но несколько снизил ударную вязкость (ан = 6,25-6,72 кгс.м/см2). Как показали исследования, нагрев в течение 8-10 мин в слое температурой 910° С обеспечивает превращение исходной ферритокарбидной смеси в аустенит и получение достаточно однородных свойств.

Химический состав в % стали 40Х

C

Si

Mn

Ni

S

P

Cr

Cu

0,36 - 0,44

0,17 - 0,37

0,5 - 0,8

до 0,3

до 0,035

до 0,035

0,8 - 1,1

до 0,3


В основу входит: сталь.

 

Механические свойства материала сталь 40Х

Механические свойства стали 40Х

ГОСТ

Состояние поставки, режим термообработки

Сечение, мм

КП

σ0,2 (МПа)

σв(МПа)

δ5 (%)

ψ %

KCU (кДж/м2)

НВ, не более

4543-71

Пруток. Закалка 860 °С, масло. Отпуск 500 °С, вода или масло

25


780

980

10

45

59


8479-70

Поковки: нормализация

500-800 300-500

245 275

245 275

470 530

15 15

30 32

34 29

143-179 156-197


закалка, отпуск

500-800

275

275

530

13

30

29

156-197


нормализация

до 100 100-300

315

315

570

17 14

38 35

39 34

167-207


закалка, отпуск

300-500 500-800

315

315

570

12 11

30 30

29 29

167-207


нормализация

до 100 100-300 300-500

345

345 345

590

18 17 14

45 40 38

59 54 49

174-217


закалка, отпуск

до 100 100-300 300-500

395

395

615

17 15 13

45 40 35

59 54 49

187-229


Механические свойства стали 40Х в зависимости от сечения

Сечение, мм

σ0,2 (МПа)

σв(МПа)

δ4 (%)

ψ %

KCU (кДж / м2)

HB

Закалка 840-860 °С, вода, масло. Отпуск 580-650 °С, вода, воздух.

101-200

490

655

15

45

59

212-248

201-300

440

635

14

40

54

197-235

301-500

345

590

14

38

49

174-217


Механические свойства стали 40Х в зависимости от температуры отпуска

Температура отпуска, °С

σ0,2 (МПа)

σв(МПа)

δ5 (%)

ψ %

KCU (кДж / м2)

HB

200

1560

1760

8

35

29

552

300

1390

1610

8

35

20

498

400

1180

1320

9

40

49

417

500

910

1150

11

49

69

326

600

720

860

14

60

147

265


еханические свойства стали 40Х при повышенных температурах

Температура испытаний, °С

σ0,2 (МПа)

σв(МПа)

δ5 (%)

ψ %

KCU (кДж / м2)

Закалка 830 °С, масло. Отпуск 550 °С

200 300 400 500

700 680 610 430

880 870 690 490

15 17 18 21

42 58 68 80

118   98 78

Образец диаметром 10 мм, длиной 50 мм кованый и отожженный. Скорость деформирования 5 мм/мин, скорость деформации 0,002 1/с

700 800 900 1000 1100 1200

140 54 41 24 11 11

175 98 69 43 26 24

33 59 65 68 68 70

78 98 100 100 100 100



Предел выносливости стали 40Х

σ-1, МПА

J-1, МПА

n

Состояние стали

363 470 509 333 372

     240

106  106   5*106

σв=690 МПа σв=690 МПа σ0,2=690 МПа, σв=690 МПа σв=690 МПа Закалка 860 °С, масло, отпуск 550 °С


Ударная вязкость стали 40Х KCU, (Дж/см2)

Т= +20 °С

Т= -25 °С

Т= -40 °С

Т= -70 °С

Термообработка

160 91

148 82

107

85 54

Закалка 850 °С, масло, отпуск 650 °С Закалка 850 °С, масло, отпуск 580 °С


Прокаливаемость стали 40Х (ГОСТ 4543-71)

Расстояние от торца, мм

Примечание

1,5

4,5

6

7,5

10,5

13,5

16,5

19,5

24

30

Закалка 860 °С

20,5-60,5

48-59

45-57,5

39,5-57

35-53,5

31,5-50,5

28,5-46

27-42,5

24,5-39,5

22-37,5

Твердость для полос прокаливаемости, HRC


Физические свойства стали 40Х

T (Град)

E 10- 5 (МПа)

a 10 6 (1/Град)

l (Вт/(м·град))

r (кг/м3)

C (Дж/(кг·град))

R10 9 (Ом·м)

20

2.14



7820


210

100

2.11

11.9

46

7800

466

285

200

2.06

12.5

42.7

7770

508

346

300

2.03

13.2

42.3

7740

529

425

400

1.85

13.8

38.5

7700

563

528

500

1.76

14.1

35.6

7670

592

642

600

1.64

14.4

31.9

7630

622

780

700

1.43

14.6

28.8

7590

634

936

800

1.32


26

7610

664

1100

900



26.7

7560


1140

1000



28

7510


1170

1100

7470


120

1200




7430


1230


Технологические свойства материала Сталь 40Х

Свариваемость: трудносвариваемая

Флокеночувствительность: чувствительна

Склонность к отпускной хрупкости: склонна

Обозначения:

Механические свойства:

SB - Предел кратковременной прочности, Мпа

ST - Предел пропорциональности (предел текучести для остаточной деформации), Мпа

d5 - Относительное удлинение при разрыве, %

y - Относительное сужение, %

KCU - Ударная вязкость, кДж/м2

HB - Твердость по Бринеллю, Мпа

Физические свойства:

T - Температура, при которой получены данные свойства, оС

Е - Модуль упругости превого рода, Мпа

а - Коэффициент температурного (линейного) расширения (диапазон 20 оС - Т), 1/ оС

l - Коэффициент теплопроводности (теплоемкость материал), Вт/(м·оС)

r - Плотность материала, кг/м3

С - Удельная теплоемкость материала (диапазон 20 оС - Т), Дж/(кг·оС)- Удельное электросопротивление, Ом·м

Свариваемость:

без ограничений - сварка производится без подогрева и без последующей термобработки

ограниченно свариваемая - сварка возможна при подогреве до 100-120 оС и последующей термообработке

трудносвариваемая - для получения качественных сварных соединений требуются дополнительные операции: подогрев до 200-00 оС при сварке, термообработка после сварки - отжиг.

3. Выбор способа заготовки по литературным данным

Заготовка вала в проектируемом варианте получается штамповкой на кривошипном горячештамповочном прессе (КГШП).

Этот метод обеспечивает высокую точность заготовок, минимальные припуски и высокую производительность, он наиболее эффективен при массовом, крупносерийном и серийном производствах деталей массой от нескольких граммов до нескольких тонн (примерно до трех тонн). Наиболее целесообразно изготовление штамповкой поковок мессой не более 50...100 кг. Для горячей штамповки рекомендуются конструкционные стали 25, 45, 30ХГСА, 30ХГСНА, нержавеющие стали 1X18H9T, Ж2, алюминиевые сплавы Д1,В95, титановые сплавы BT3-1, ВТ-5, магниевые сплавы МА2, Ш65-1. По сравнению с ковкой получение заготовок горячей объемной штамповкой обладает следующими преимуществами:

·        появляется возможность изготовлять заготовки более сложной формы и с лучшим качеством поверхности, с шероховатостью Rz = 80...20 мкм, а при применении холодной калибровки Rz = 10...1,6 мкм;

·        с меньшими допусками, чем при ковке, и возможностью доведения до точности, получаемой при обработке резанием; припуски снижаются в 2-3 раза;

·        повышается производительность труда;

·        уменьшаются штамповочные уклоны за счет особой конструкции штампов (наличие выталкивателей).

Горячая объемная штамповка подразделяется на различные виды в зависимости от типов штампа, оборудования, исходной заготовки, способа установки заготовки в штампе и т.п.

В зависимости от типа штампа штамповка подразделяется на следующие виды: в открытых или в закрытых штампах, или в штампах для выдавливания.

Перечисленные виды штампов применяют на всех типах оборудования. Вид штампа определяет течение металла, т.е. конфигурацию поковки, поэтому данную классификацию штамповки можно считать основной.

Штамповка в штампах для выдавливания - наиболее прогрессивный технологический протес горячей штамповки. При этом снижается до 30 % расход металла, повышается КИМ, точность может соответствовать 12-му квалитету, пределы допусков на размеры +1,0…-0,5 мм.

Выбор штампа - открытый, закрытый или для выдавливания - определяется конфигурацией и склонностью детали, массой и материалом, характером производства.

В зависимости от оборудования возможны следующие виды объемной штамповки: на штамповочных паровоздушных молотых действий, кривошипных горячештамповочных прессах (КГШП), горизонтально-ковочных машинах, гидравлических прессах, высокоскоростных молотах и на специальных машинах (ковочные вальцы, горизонтально-гибочные машины и т.д.).

Штамповка на КГШП наиболее целесообразна при крупносерийном и массовом производстве деталей сложной формы, массой до нескольких сот килограммов. Она имеет ряд технологических и эксплуатационных преимуществ по сравнению со штамповкой, например, на молотах, а именно: высокая точность поковок, пределы допусков до 0,2...0,5 мм; экономия металла на 20-30 % за счет снижения припусков и штамповочных уклонов (в 2-3 раза); КПД прессов в три раза выше, чем у молотов; на 10...30 % снижается себестоимость поковок; повышается производительность труда в среднем в 1,4 раза.

Штамповка на молотах в основном применяется при серийном и крупносерийном производстве поковок массой 0,01...1000 кг. При штамповке на молотах пределы допусков составляют 0,8...1,1 мм.

Гидравлические прессы применяют при производстве крупных штамповок, мало пластичных сплавов, не допускающих больших скоростей деформирования; при различных видах штамповки выдавливанием, где требуется большой ход рабочего инструмента; для штамповки поковок цилиндрической формы типа втулок, стаканов и очень сложных форм в разъемных матрицах, обеспечивают не ударный характер работы. Использование разъемных матриц позволяет получить, поковки высокого качества с точностью размеров 11...12 квалитетов. КИМ при этом достигает 0,6, трудоемкость механической обработки уменьшается на 15...20%.

Штамповка на ГКМ отличается высокими КИМ и производительностью, отсутствием на заготовке заусенцев. Поковки, получаемые на ГКМ обычно имеют форму тел вращения. Масса штамповок типа колец, стержней с утолщениями или глухими полостями, втулок с буртами - от 0,1 до 100 кг. Изделия штампуют из проката повышенной точности, труб. Припуски и допуски назначают по ГОСТ 7505-69.

Штамповочные уклоны на участках поковок, формируемых в полостях пуансона: наружные - 15' - 1°, внутренние - 30' - 2°. Для участков, формируемых в матрице, наружные уклоны не предусматриваются, а внутренние составляют 1...5°. Наружные радиусы закруглений принимают равными размеру припуска на механическую обработку, внутренние - в 1,5-2 раза большими. Возрастающие требования к экономии материалов вызвали появление процессов "точной” или малоотходной горячей объемной штамповки. Точная горячая объемная штамповка относится к прогрессивным технологическим процессам, при которых размерная точность для стальных поковок может достигать 12...14 квалитетов, параметр шероховатости поверхности Rz = 20...40 мкм, штамповочные уклоны до 1°. При наличии необрабатываемых поверхностей наиболее полно реализуется преимущество штамповочных деталей с их благоприятно ориентированной для условий эксплуатации микроструктурой, плавно огибающей контуры детали и исключающей надрезы, неизбежные при их обработке.

Ковка имеет ряд преимуществ по сравнению с другими видами обработки:

возможность изготовления крупногабаритных поковок массой до 300...400 т при использовании сравнительно маломощного оборудования (минимальная масса - несколько десятков грамм);

применение универсального оборудования и оснастки позволяют получить поковки широкого ассортимента;

улучшается качество металла, его механические свойства (пластичность, ударная вязкость).

Ковкой изготавливают ответственные детали, такие, как валы и диски турбин, роторы, коленчатые валы СДВС, барабаны котлов высокого давления и т.п. Ковка осуществляется при температурах горячей деформаций, поэтому для такого вида обработки применяют все стали и сплавы, используемые при обработке металлов давлением.

Шероховатость поверхности поковок не превышает Rz = 320…80 мкм, а при использовании подкладных штампов 8 Rz = 80...40 мкм. Коэффициент весовой точности поковок не превышает 0,3…0,4. С применением подкладных штампов (для деталей массой не более 150 кг) эта величина может быть увеличена на 15…20%. Мелкие поковки выполняют из сортового проката, средние (до 300 кг) из крупного проката, кузнечных заготовок и слитков (например, судовые валы). Допуски на размеры поковок, получаемых на прессах, регламентированы ГОСТ 7062-79, а на молотах - ГОСТ 7829-70.

Исходя из назначения детали, материала, размера и ее конфигурации, типа производства целесообразно применять горячую объемную штамповку на КГШП.

4. Расчет и проектирование заготовки по выбранному способу

Для расчетов припусков и определения предельных отклонений размеров заготовки определяем индекс заготовки по ГОСТ 7505-89.

1.Заготовка - штампованная поковка получается на КГШП. Для установления величины допусков и припусков на размеры штампованной поковки необходимо установить следующие параметры:

Точность изготовления - характеризуется классом точности обозначенным TI….T5.

Класс точности поковки устанавливается в зависимости от технологического процесса и оборудования для её изготовления.

При открытой (облойной) штамповке на КГШП - класс точности Т4-Т5.Принимаем класс точности - Т5.

Группа стали - условно обозначается М1,М2 и М3. К группе М1 относятся углеродистые или легированные стали с содержанием углерода до 0,35% и легирующих элементов до 2% включительно. К группе М2 - стали с содержанием углерода от 0,35% до 0,65% или легирующих элементов от 2 до 5% включительно; к группе М3 - стали с содержанием углерода свыше 0,65% или легирующих элементов свыше 5%.

Сталь 40 относится к группе сталей М2, так, как содержит 0,44% углерода. Масса поковки - ориентировочная величина расчётной массы поковки (Gп.р) вычисляется по формуле

=10,7·1,5=16,05 кг,

Где Gд = 10,7 - масса детали, кг; кт =1,3…1,6 - расчётный коэффициент, устанавливаемый в соответствии с характером детали.

Степень сложности - первая (C1), вторая (С2), третья (С ), четвёртая (С4).Степень сложности поковки определяется отношением массы (объёма) поковки к массе (объёму) фигуры, в которую вписывается поковка. Фигура может быть цилиндром или параллелепипедом. В расчёт должна приниматься та из фигур, объём которой меньше:

Степень сложности формы:


где d = 19,2 и L = 8,3 - максимальный диаметр и длинна детали, см;

GФ =VФ * y=470,74 * 0,00785 = 3,69 кг

где γ = 0,00785 - плотность материала, кг/см3;

Результирующая величина степени сложности : С1 - свыше 0,63 до 1,00; С2 - свыше 0,32 до 0,63; С3 - свыше 0,16 до 0,32; С4 - до 0,16. Степень сложности поковки для рассматриваемой детали - С1.

Конфигурацию разъёма штампа примем «плоской» для упрощения его конструкции.

. В зависимости от расчётной массы поковки, группы стали, степени сложности, класса точности поковки устанавливаем исходный индекс - 16, табл.2[3]. Основные припуски на номинальные размеры детали определяем с учётом исходного индекса и шероховатости поверхностей детали по табл.3[3]. Дополнительные припуски, учитывающие смещение по поверхности разъёма штампа - 0,5 мм по табл.4[3]; отклонение от прямолинейности - 0,6 мм по табл.5[3].

Т4 = 0,5 мм. Т5 = 0,6 мм

dзаг= d + 2* Побщ d = 192 + 2(3+0,5+0,6)=200,2мм

dзаг= d + 2* Побщ d = 85+2(2+0,5+0,6)=91,2мм

dзаг= d + 2* Побщ d = 47+2(2,7+0,5+0,6)=39,4мм

Lзаг= L + 2* Побщ L = 83+2(2,5+0,5+0,6)=90,2мм

Lзаг= L + 2* Побщ L = 60+2(2,5+0,5+0,6)=67,2мм

. Предельные отклонения размеров заготовки определяем по табл.3[3].

Размеры заготовки с допускаемыми отклонениями:

. Составляем эскиз штампованной поковки для детали вал в соответствии с ГОСТ 3.1126-88 с указанием технических требований на её изготовление по ГОСТ 7505-89.

При вычерчивании поковки учитываем все припуски на механическую обработку и кузнечные напуски (штамповочные уклоны, радиусы закруглений) с указанием их размеров и допускаемых отклонений. Эскиз заготовки на рис. 4.2.

. Для определения объёма штампованной поковки условно разбиваем её на простые элементарные фигуры с простановкой размеров с учетом плюсовых допусков.

Рис. 4.1. Элементарные фигуры для определения объема заготовки

Определяем обьёмы этих фигур V1 V2, тогда

. Масса штампованной заготовки:

Принимаем неизбежные технологические потери (угар, облой и т.п.) при горячей объёмной штамповке равными 10%,определяем расход материала на одну деталь:

. Коэффициент использования материала на штампованную заготовку:

Рис. 4.2. Эскиз заготовки детали

Технические требования к заготовке:

. НВ 345..360.

. Класс точности поковки - Т5 по ГОСТУ 7505-89.

. Степень сложности поковки С1.

. Группа стали М2

. Радиусы закруглений внешних углов R = 5 мм.

. Допуски на радиусы закруглений поковок +3 мм.

. Штамповочные уклоны 7° на наружной поверхности, 10°- на внутренней.

. Допускаемое смешение по разъему штампа 1,2 мм.

. Допускаемая высота заусенца по периметру среза 5 мм.

. Допуск на радиальное биение поверхности А, Б и В относительно

базовой оси заготовки не более 1,2 мм.

. Остальные технические требования по ГОСТ 8479-70.

5. Разработка маршрутно-операционного технологического процесса

Разработка маршрутного технологического процесса механической обработки предложенной детали является основой всего курсового проекта. От правильности и полноты разработки маршрутного технологического процесса во многом зависит организация производства и дальнейшие технико-экономические расчеты курсового проекта.

В технологической части курсового проекта необходимо дать анализ и обоснование разрабатываемого технологического процесса.

Прежде всего, необходимо выделить все операции, в которых применяется прогрессивное станочное оборудование, быстродействующее приспособление, специальный режущий и измерительный инструмент.

Характер технологического процесса в курсовом проекте определяется типом производства и особыми условиями проектирования, указанными в задании. Разработка технологического процесса должна быть основана на использовании научно-технических достижений во всех отраслях промышленности и направлена на повышение технологического уровня производства, качества продукции и производительности труда.

Для мелкосерийного производства технологический процесс следует разрабатывать по принципу группового метода обработки деталей, дающего возможность эффективно применять на универсальном оборудовании специализированную высокопроизводительную технологическую оснастку и повышать производительность труда.

В серийном производстве следует проектировать технологический процесс, ориентируясь на использование переменно-поточных линий, когда параллельно изготавливаются партии деталей разных наименований, что позволяет использовать преимущества массового производства.

В массовом производстве следует стремиться разрабатывать технологический процесс для непрерывной поточной линии с использованием высокопроизводительных станков, специальной технологической оснастки и максимальной механизации и автоматизации производства.

Какой бы тип производства не применялся при разработке технологического процесса в курсовом проекте, он должен находиться на уровне передовых достижений науки и техники (с учетом ЕСТД и ЕСТПП).

Разрабатывая технологический процесс обработки деталей, необходимо выполнить следующие условия:

·        наметить базовые поверхности, которые должны быть обработаны в самом начале процесса;

·        выполнить операции черновой обработки, при которых снимают наибольшие слои металла, что позволяет сразу выявить дефекты заготовки и освободиться от внутренних напряжений вызывающих деформации;

·        обработать вначале те поверхности, которые не снижают жесткость обрабатываемой детали;

·        первыми следует обрабатывать такие поверхности, которые не требуют высокой точности и качества;

·        необходимо учитывать целесообразность концентрации (обработка в операции максимально возможного числа поверхностей) или дифференциации (разделение операций на более простые) операции;

·        при выборе технологических баз следует стремиться к соблюдению основных принципов базирования - совмещения и постоянства баз;

·        необходимо учитывать, на каких стадиях технологического процесса целесообразно производить механическую обработку, гальванические покрытия, термическую обработку и другие методы обработки в зависимости от требований чертежа;

·        отделочные операции следует выносить к концу технологического процесса обработки, за исключением тех случаев, когда поверхности служат базой для последующих операций.

При разработке технологических операций необходимо особое внимание уделить выбору баз для обеспечения точности обработки деталей и выполнения технических требований чертежа.

При черновой обработке в качестве баз можно принимать поверхности, не подлежащие обработке, а если детали имеют несколько необрабатываемых поверхностей, то за базу надо принимать ту из них, которая должна иметь наименьшее смещение относительно своей оси или быть с наименьшим припуском на обработку.

При выборе баз необходимо принимать поверхности, от которых дан размер в чертеже, определяющий положение обрабатываемой поверхности.

Базы должны обеспечить отсутствие недопустимых деформаций детали, а также простоту конструкции станочного приспособления с удобной установкой, креплением и снятием обрабатываемой детали.

Технологический процесс механической обработки должен разрабатываться в соответствии с ЕСТПП и удовлетворять требованиям ГОСТ 14.301-83 «Общие правила разработки технологических процессов и выбора средств технологического оснащения». Широкое распространение в машиностроении получили детали типа валов - гладких и ступенчатых с разными перепадами диаметров. В настоящее время разработаны типовые технологические процессы механической обработки валов на основе разновидности их в разных типах производства.

Отдельные элементы операций типового технологического процесса можно использовать в разрабатываемом технологическом процессе.

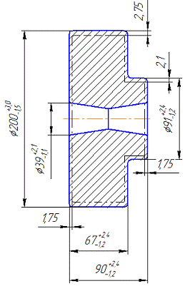
Схема технологического процесса изготовления детали класса «шестерня» представлена на рис. 5.1.

Нумерация поверхностей на рабочем чертеже детали:

Рис. 5.1. Эскиз детали с учетом нумерации обрабатываемых поверхностей

Разработка технологических операций маршрутного техпроцесса

Таблица 5.1 Технологическая схема изготовления детали класса шестерня

Номер операции

Наименование и краткое содержание операции, технологические базы

Обрабатываемые поверхности

Станок и оборудование

005

Контрольная

¾

Стол контролера

010

Токарная черновая Обтачивание поверхностей шеек вала с одной стороны и подрезание торцовых поверхностей ступеней вала. Технологическая база - центровые отверстия вала

10,6,4

Станок 1А616

015

Токарная черновая Обтачивание поверхностей шеек вала с другой стороны, а также подрезка торцов обрабатываемых поверхностей ступеней вала. Технологическая база - центровые отверстия вала.

1,4,5,6,12

Станок 1А616

020

Токарная получистовая Обтачивание поверхностей шеек вала под шлифование и окончательная подрезка торцов ступеней вала (если отдельные торцы ступеней подлежат шлифовке, необходимо оставлять припуск под шлифовку). Технологическая база -центровые отверстия вала.

9,2,3,5,6

Станок 1А616

0025

Токарная получистовая Обтачивание поверхностей шеек вала под шлифование и окончательная подрезка торцов ступеней вала (если отдельные торцы ступеней подлежат шлифовке, необходимо оставлять припуск под шлифовку). Технологическая база -центровые отверстия вала.

12

Станок 1А616

0030

Протягивание (отверстия со шпоночным пазом или шлицевого отверстия) Операция производится на горизонтально-протяжном станке.

12,13

МП7А523

 


 

0035

Контрольная

̶

Контролировать фрезерование шпоночного паза и линейных размеров Стол контролера

0040

Зубофрезерная

7

5К32

0045

Контрольная

¾

Стол контролера

050

Термическая Шестерни, в зависимости от материала, подвергаются улучшению (закалке и высокому отпуску) или цементации. Все термические операции осуществляются в шахтных электропечах на приспособлениях, разработанных на заводе.

4

калить - Rc=25-30

0055

Контрольная

¾

Стол контролера

060

Зубошлифовальная Производится шлифование зубьев цилиндрических шестерен на зубошлифовальных полуавтоматах с ЧПУ для достижения нужной точности и чистоты.

7

Станок 1А616

065

Слесарная Снимаются фаски и притупляются острые кромки.

¾

Станок 1А616

070

Контрольная окончательная

¾

Проводится контроль: - технологических размеров и шероховатость поверхности спец. мерителями, - поверхности зубьев на микротрещины в устройстве УМДЗ


Далее проведем расчет по определению промежуточных ступеней обработки элементарной поверхности Æ47H7.

Входные данные:

. Размер обрабатываемой поверхности с полем допуска Æ47h7;

. Допуск на размер Тдет=0,025;

. Размер допуска заготовки 14Н14:

Следовательно допуск заготовки - Тзаг=3,2;

. Шероховатость поверхности Æ47H7:

для детали - Ra 1,25;

для заготовки - Rа 40.

Определяем общее уточнение:

Принимаем 128.

Определим количество ступеней или операций по обработке элементарной поверхности по формуле:

Принимаем n=5.

Определим на сколько квалитетов повышается точность размера детали по сравнению с размером заготовки по формуле:

ITзаг- ITдет=18-7=11

=6+3+2

Определим какими методами обработки достигаются определенные квалитеты точности:

          18-6=12 - H12 - получистовое точение;

          12-3=9 - H9 - чистовое точение;

          9-2=7 - H7 - чистовое шлифование;

Далее разрабатываем операционный техпроцесс для двух разноименных операций механической обработки детали.

Ниже приводится эскиз и описание операций:. 040 зубофрезерная.

040 зубофрезерная


1.Установить и закрепить деталь.

.Фрезеровать 14 зуба согласно эскиза окончательно.

.Снять деталь.

Оборудование: станок вертикально - зубофрезерный 5А326.

Приспособления: специальное приспособление.

Инструмент: червячная модульная фреза R18.

Измерительные приборы: штангельзубомер, шагомер.

6. Подбор станочного оборудования, приспособления, режущего и измерительного инструмента

Тип применяемого оборудования выбирается в зависимости от разработанного технологического маршрута изготовления детали при формировании отдельных операций. Модель оборудования уточняется с учетом требований, которые должны быть обеспечены при выполнении данной операции. При выборе технологической оснастки учитываются: тип производства, вид изделия и программа его выпуска, характер намеченной технологии, возможность максимального применения имеющейся оснастки.

Конкретную модель станка, необходимую для выполнения операции, выбираем исходя из следующих показателей:

·   Вид обработки - токарная, фрезерная, сверлильная, шлифовальная и т.п. Точность и жёсткость станка.

·        Габаритные размеры станка (высота и расстояние между центрами,
размеры стола).

·        Мощность станка, частота вращения шпинделя, скорость подачи.

·        Возможность механизации и автоматизации выполняемой операции.

·        Цена станка.

При среднесерийном производстве станок должен удовлетворять не только всем требованиям данной обработки, но и обеспечивать заданную производительность. С целью экономного расходования электроэнергии, обработку детали планируем на станках возможно меньших размеров, имеющих соответственно менее мощные электродвигатели.

Операции 020, 025, 060, 065 выполняются на токарно-винторезном станке 1А616, значение параметров которого даны в табл. 6.1. Станок используется для обработки торцовых и цилиндрических поверхностей изделий из чугуна и стали резца и быстрорежущей стали с пластинами из твердого сплава. Станина с передним суппортом, задний суппорт и задняя бабка располагаются на общей плите. Передняя бабка устанавливается на отдельной плите и крепится к ней болтами. Все валы коробки скоростей и шпиндельная группа смонтированы на подшипниках качения. На планшайбу передаются 18 чисел оборотов с общим диапазоном регулирования - 50. В качестве приспособления используется трехкулачковый пневмопатрон, а в качестве инструмента резцы с твердосплавными пластинами Т5К6.

Таблица 6.1. параметры токарно-винторезного станка 1А616

Параметр

Значение

Наибольший диаметр обрабатываемой заготовки (мм): над станиной  под суппортом Наибольшая длина: обрабатываемой заготовки (мм): Частота вращения шпинделя, об/мин: Подача суппорта, мм/об: продольная поперечная Мощность электродвигателя главного привода, кВт:

  400 200 635, 935, 1335, 1935  12,5-1600  0,05-2,8  0,025-1,4   10


Операция 030 выполняется на горизонтально протяжном станке для внутреннего протягивания МП7А523 параметры которого представлены в табл. 6.2. Станок предназначен для обработки протягиванием сквозных отверстий различной формы и размеров: круглых, шлицевых отверстий, шпоночных пазов и т.д.

Таблица 6.2. Технические характеристики станка МП7А523

Параметр

Значение

Номинальное тяговое усилие, кН Наибольшая длина хода рабочих салазок, мм Наибольший наружный диаметр устанавливаемой заготовки, мм Наибольшая длина применяемой протяжки, мм Привод станка Скорость рабочего хода, м/мин. Мощность электродвигателя главного привода, кВт Суммарная мощность электродвигателей, кВт Габаритные размеры, мм Масса станка, кг

100 1250  600 1365 гидравлический 1,5-12 11 11,38 6000х1940х2300 3600


Операция 040 выполняется вертикальный зубофрезерным станком полуавтоматом 5К32 характеристики которого приведены в табл. 6.3.

Станок предназначен для фрезерования цилиндрических зубчатых колес, а также червячных колес радиальным методом в условиях единичного, мелкого и среднесерийного производства.

Нарезание зубчатых колес производится по способу обкатки фрезы и обрабатываемой заготовки методами «попутного» и «встречного» зубофрезерования с диагональной и обычной подачами.

При зубофрезеровании с диагональной подачей фреза перемещается вдоль нарезаемого зуба и одновременно вдоль собственной оси, что значительно повышает ее стойкость.

Конструкция станка предусматривает возможность радиального врезания фрезы в заготовку, что сокращает машинное время обработки.

Станок работает по полуавтоматическому циклу.

Станок выполнен в соответствии с нормами точности по ГОСТ 659-67.

Движения в станке. Главное движение - вращение фрезы. Подачи: вертикальная - суппорта , радиальная - стола. Делительное вращение стола и заготовок. Ускоренные перемещения: суппорта, стола, передвижение фрезы, вращение стола.

При обработке прямозубых колес в станке должны осуществляться следующие движения: главное движение, вертикальная подача суппорта, вращение стола и установочные перемещения суппорта. При автоматических циклах, кроме того, совершаются радиальная подача и установочные перемещения стола. При обработке косозубых колес необходимо еще дополнительное вращение стола для обработки зубьев, расположенных по винтовой линии.

При обработке червячных колес методом радиальной подачи в станке совершаются: главное движение, радиальная подача и установочные перемещения стола.

 

Таблица 6.3. Технические характеристики зубофрезерного станка 5К32

Наименование параметра

5К32

Наибольший модуль нарезаемого колеса, мм

10

Наибольший диаметр нарезаемых цилиндрических прямозубых колес (0°), мм

800

Наибольший диаметр нарезаемых цилиндрических косозубых колес (30°), мм

500

Наибольший диаметр нарезаемых цилиндрических косозубых колес (45°), мм

350

Наибольший диаметр нарезаемых цилиндрических косозубых колес (60°), мм

120...250

Наибольший диаметр червячных нарезаемых колес, мм

800

Наибольшая длина венца нарезаемых цилиндрических прямозубых колес (0°), мм

350

Наибольшая длина венца нарезаемых цилиндрических косозубых колес (30°), мм

200

Наибольшая длина венца нарезаемых цилиндрических косозубых колес (45°), мм

150

Наибольшая длина венца нарезаемых цилиндрических косозубых колес (60°), мм

130

Наименьшее число нарезаемых зубьев

12

Габаритные размеры станка (длин х ширина х высота), мм

2550 1510 2000

Масса станка с электрооборудованием и охлаждением, кг

7200


В качестве контрольно-измерительных инструментов для оценки точности обработки выбираем микрометр (для измерения наружного диаметра). Микрометры широко используют для измерения диаметра шлифуемой поверхности, преимущественно в инструментальном производстве. Кроме того, применяют образцы шероховатостей. Что позволяет быстро и четко определить полученные значения и сравнить с требуемыми.

7. Расчет норм времени на токарную операцию

1. Определяем подачу инструмента= 1,0 мм/об

2.Определяем скорость резания

При S = 1,0 мм/об и при твердости НВ345 v = 132 м/мин

. Проверяем подачу по осевой силе РX

РX = 265 кг. По паспорту станка допустимая Рх = 360 кг

Lg = 60 мм σв = 720 МПа = 72 ; φ = 45̊

. Находим число оборотов шпинделя


Корректируем число оборотов по паспортным данным станка n = 210 об/мин. 5. Определяем фактическую скорость резания


6. Находим T основное.



где: l - длина обрабатываемой поверхности l1; l2 - длина врезания и перебега режущего инструмента  13 - длина пробных стружек ; 13 = 5... 10 мм.


7. Находим вспомогательное время [4]

ТОСН = (ТУСТ + ТПЕРЕХ + ТКОМП + ТИЗМ)

ТУСТ - время, затраченное на установку и снятие детали

ТПЕРЕХ - время, затрачиваемое на управление станком, включение подачи, перемещения частей станка, инструмент, взятие пробных стружек

ТКОМП - изменение скорости резания.

ТУСТ = 2,1 мин; ТПЕРЕХ = 0,13 мин. ТКОМП = 0,22 мин ; ТИЗМ = 0,21 мин.

ТОСН = (2,1+0,13+0,22+0,21) = 4,46 мин. 8. Находим операционное время


9. Время нужное на обслуживание и на подготовительное время.

ТОБСЛ = 0,04.ТОПЕР =0,04 . 3,02 = 0,1208 мин. 7а.9. Подготовительно - заключительное время Принимает ТП.З. = 16 мин. 7а.10. Штучно - калькуляционное время.


Принимаем N = 10 - партия запуска деталей.



Список использованной литературы

1.В.П. Фираго. Основы проектирования технологических процессов и приспособлений. Методы обработки поверхностей. М. - Государственное научно-техническое издательство ОБОРОНГИЗ, 1963. 531 с.

.С.Н.Соловьев. Основы технологии судового машиностроения. С.- пб.; Судостроение, 1992. 284 с.

.Сорочан В.В. Технологія подубови та монтажу суднових турбоагрегатів: Навчальний посібник - Миколаїв: НПКГ «Зоря»-«Машпроект», 2006 -247с.

.С.Н. Соловьев , М.М. Сисюкин, В.Н. Шапошников, Д.Д. Шевченко : Специальная технология судового машиностроения -Л.: Судостроение, 1985. 360с.

5. Справочник технолога машиностроителя. Под ред. А.Г. Косиловой. М. « Машиностроение» 1985. Т2

Похожие работы на - Технологический процесс изготовления детали 'Шестерня'

 

Не нашли материал для своей работы?
Поможем написать уникальную работу
Без плагиата!
Без нейросетей!