Технико-экономическое обоснование технологического процесса восстановления резьбовой поверхности детали 'Фланец'
Содержание
Введение
1. Обоснование способа ремонта детали
1.1 Анализ конструкции детали
1.2 Анализ неисправностей в эксплуатации
1.3 Анализ базового технологического процесса ремонта,
обоснование способа ремонта детали
2. Совершенствование технологического процесса ремонта
2.1 Технологический процесс сборки - разборки
2.2 Технологический процесс дефектации
2.3 Проектирование технологического процесса
восстановления резьбовой поверхности фланца
2.3.1 Проектирование операций наращивания изношенных
поверхностных слоев детали
2.3.2 Проектирование операций механической обработки
восстанавливаемой детали
2.4 Проектирование оборудования и технологической
оснастки
3. Технико-экономические расчеты
3.1 Нормирование технологических операций
Заключение
Библиографический список
Введение
Проектирование технологических процессов в машиностроении
является важной задачей в данной области. Эта задача достаточная трудоемка,
требует больших материальных, интеллектуальных затрат. Правильное и быстрое
решение поставленной задачи может осуществляться исходя из богатого опыта и
навыков проектирования технологом процессов ремонта деталей в машиностроении.
Надежность и качество выпускаемых деталей и узлов постоянно
повышается. Долговечность работы машин определяется совершенством конструкции и
технологическим процессом их изготовления. Однако в процессе работы надежность
машин постоянно снижается вследствие изнашивания трущихся деталей, коррозии,
усталости металла и его старения. Эти причины вызывают повреждения, устранения
которых становится необходимыми.
Цель данного курсового проекта - проанализировать действующий
заводской технологический процесс ремонта детали, обосновать новые варианты и
разработать конкретный процесс ремонта детали.
деталь резьбовая поверхность фланец
1. Обоснование
способа ремонта детали
1.1 Анализ
конструкции детали
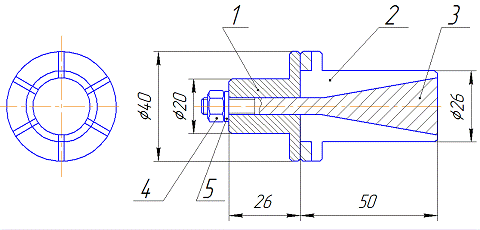
В данном курсовом проекте объектом изучения является
технологический процесс ремонта фланца представленного на рисунке 1.
Рисунок 1 - Фланец предохранительного клапана
Деталь фланец установлена в предохранительном клапане.
Предназначен для поддержания в гидросистеме заданного давления путём перепуска
избыточного количества жидкости что называется явлением слива. Требуемая
величина давления устанавливается вращением упругого валика. Рабочая жидкость -
масло. Температура окружающей среды от - 60 до +60° С. Температура рабочей
жидкости + 90°С.
Материал детали - Фл 06-01 - алюминиевый деформируемый сплав.
Деталь имеет длину 55 мм, максимальный диаметр 60, на фланце
есть отверстия d 5,4мм - 4шт., d 2мм - 6 шт.
1.2 Анализ
неисправностей в эксплуатации
У фланца, в процессе эксплуатации, могут возникнуть следующие
неисправности:
деф.1 - износа наружной поверхности фланца;
деф.2 - износа внутренней поверхности фланца;
деф.3 - износ внешней резьбовой поверхности М36;
деф.4 - трещины в теле;
деф.5 - задиры, царапины, деформации;
Все неисправности приводят к повышенному износу узла, а также
могут привести к аварийной ситуации.
1.3 Анализ
базового технологического процесса ремонта, обоснование способа ремонта детали
) Контроль наружной поверхности фланца осуществляется при
помощи штангенинструмента, а восстановление производить наплавкой.
) Контроль внутренних поверхностей производить при помощи
калибр-пробки или штангенинструмента, а восстановление - наплавкой,
) Контроль внешней резьбовой поверхности производить
капиллярным методом дефектоскопии, а восстановление производить наплавкой.
) Обнаружение трещин на теле производить ферромагнитным
способом, восстановление, по возможности, производить наплавкой.
) Наличие задиров, царапин, деформаций определять внешним
осмотром, неисправности устранить слесарно-механической обработкой.
2.
Совершенствование технологического процесса ремонта
2.1
Технологический процесс сборки - разборки
Сборка фланца
) Запрессовать подшипник Ø 27;
) Установить уплотнительное кольцо шириной 3мм в канавку Ø 21;
) Поместить деталь на вал и вкрутить фланец в корпус;
) Завернуть 6 болтов в корпус Ø 2 мм;
) Поставить крышку и закрепить её 4 болтами Ø 5,4мм.
2.2
Технологический процесс дефектации
У детали фланец в процессе эксплуатации произошел износ
резьбы М 36. Для определения дефекта, в условиях производства, целесообразно
применять рентгенографический или капиллярный методы дефектоскопии, так как это
наиболее выгодные с экономической точки зрения и простые способы контроля.
В своей работе я буду использовать капиллярный метод
дефектоскопии. Капиллярный контроль основан на искусственном повышении свето -
и цветоконтрастности дефектного участка относительно неповреждённого. Методы
капиллярной дефектоскопии позволяют обнаруживать невооружённым глазом тонкие
поверхностные трещины и др. несплошности материала, образующиеся при
изготовлении и эксплуатации деталей машин. Полости поверхностных трещин заполняют
специальными индикаторными веществами (пенетрантами
<#"794920.files/image002.gif">, (2)
, А
где j - плотность тока, А/мм2;
dэл -
диаметр электрода, мм.
Плотность тока находится в пределах 80 - 200 А/мм2.
Большие значения плотности тока соответствуют меньшим диаметрам электродов.
Для каждого диаметра электрода существует диапазон рекомендуемых
значений тока. Его ориентировочное значение для электродов диаметром 1,6 мм
составляет 140 - 300 А, диаметром 2 мм - 200 - 300 А, однако наплавку в СО2
целесообразно выполнять не на всем этом диапазоне значений тока.
Для каждого диаметра электродной проволоки существует диапазон
значений тока (рис.2), в котором обеспечиваются достаточная устойчивость
горения дуги, удовлетворительное формирование наплавленного валика и
минимальные потери электродного металла на угар и разбрызгивание.
При восстановлении деталей небольших диаметров рекомендуется
использовать диапазон малых значений тока, при этом уменьшается прогрев детали
и газоэлектрическая горелка не требует дополнительного охлаждения.
Рисунок 2 - Зависимость потерь металла на угар и разбрызгивание от
тока наплавки
Обычно наплавку различных деталей производят при напряжении дуги
16 - 34 В. Большие значения напряжения горения дуги соответствуют большему
значению тока. Вместе с тем процесс наплавки длинной дугой характеризуется
крупнокапельным переносом электродного металла, что приводит к неравномерному
формированию валика и недопустимо сильному разбрызгиванию, поэтому наплавку рекомендуется
выполнять в режиме с меньшим значением напряжения.
Для выбора режима наплавки целесообразно использовать зависимость,
приведенную на рис. 3.
Рисунок 3 - Зависимость напряжения дуги от тока наплавки
Для обеспечения стабильного процесса с допустимыми
технологическими характеристиками и небольшим разбрызгиванием наплавку
необходимо выполнять при определенных соотношениях между напряжением и током.
Экспериментально установлено, что это соотношение желательно выдерживать в
пределах 8 - 11.
Область устойчивых режимов, обеспечивающих удовлетворительное
формирование валиков, при изменении пространственного положения наплавляемой
поверхности сокращается и перемещается в сторону понижения значений тока и
напряжения.
Скорость подачи электрода, м/ч, выбирается по справочным
материалам или рассчитывается по формуле:
, (3)
, м/ч
где αр - коэффициент расплавления, г/А∙ч;
Iн - ток
наплавки, А;
ρ - плотность металла проволоки, г/см3.
Коэффициент расплавления электродной проволоки сплошного сечения
при наплавке в углекислом газе
, (4)
, г/А∙ч
Шаг наплавки, мм/об,
S = 1,6*1=1,6, мм
Скорость наплавки, м/ч,
, (6)
, м/ч
где
αн - коэффициент наплавки, г/А∙ч;
Fн -
площадь поперечного сечения наплавленного валика, мм2;
ρ - плотность металла шва, г/см3.
Коэффициент наплавки
, (7)
, г/А∙ч
где ψ - потеря
электродного металла, %.
Стабильному процессу наплавки соответствуют минимальные потери
электродного металла на угар и разбрызгивание - 5 - 8 %, а нестабильному - 15 -
20 %.
Площадь поперечного сечения наплавленного валика, мм2,Fн = δнSа, (8)
Fн =
1,3*1,6*0.7=1,46, мм2
где а - коэффициент, учитывающий отклонение площади наплавленного
валика от площади прямоугольника (а = 0,6 - 0,7).
Частота вращения, об/мин, наплавляемой детали определяется по
формуле:
, (9),
, об/мин
где D - диаметр наплавляемой поверхности, мм.
Вылет электродной проволоки существенно влияет на устойчивость
процесса и качество наплавленного слоя. Соотношения вылета электрода от его
диаметра приведены в табл.2.
Таблица 2
Соотношение между вылетом и диаметром электрода
|
Диаметр
электрода, мм
|
1,0
|
1,2
|
1,6
|
2,0
|
|
Вылет
электрода, мм
|
8 - 15
|
9 - 20
|
15 - 22
|
15 - 22
|
Изменение вылета электрода в процессе наплавки на 1 мм
приводит к изменению тока на 8 - 10 А. С увеличением плотности тока вылет
электрода необходимо уменьшить.
Изношенные детали наплавляются в СО2 на постоянном
токе обратной полярности. Наилучшие условия для саморегулирования дуги
создаются при использовании источников тока с жесткой внешней характеристикой,
позволяющей выдержать напряжение на дуге с точностью до ±0,5 В, тогда как с круто
падающей - ±1,5 В. Это сводит к минимуму изменение химического состава
наплавленного слоя. Двуокись углерода в зависимости от назначения в
соответствии с ГОСТ 8050-85 выпускается трех марок: сварочная, пищевая и
техническая. Сварочная двуокись углерода при наплавке может использоваться без
ограничений, пищевая - только после ее осушения, а техническая для этих целей
не используется. Расход углекислого газа зависит от диаметра электрода и
составляет 6 - 25 л/мин.
Для механизированной наплавки в СО2 обычно
применяется оборудование, изготовленное самим ремонтным предприятием.
Установка для наплавки состоит из модернизированного
токарного станка, подающего механизма, газоэлектрической горелки и источника
питания.
В качестве вращателя используется изношенный токарный станок.
Частота вращения шпинделя станка снижается в 20 - 40 раз, для этого между
электродвигателем привода и первым валом коробки скоростей устанавливают
понижающий редуктор.
Механизм подачи электрода с газоэлектрической горелкой
крепится на суппорте станка. Источник питания выбирается по справочной
литературе [5].
2.3.2
Проектирование операций механической обработки восстанавливаемой детали
Глубина фрезерования
и ширина фрезерования В. Во всех видах фрезерования, за
исключением торцового, 
определяет продолжительность контакта зуба фрезы с заготовкой.
Измеряют 
в направлении, перпендикулярном оси фрезы. Ширина фрезерования В
определяет длину лезвия зуба фрезы, участвующую в резании. Измеряют В в
направлении, параллельном оси фрезы. При торцовом фрезеровании эти величины
меняются местами.
В=D=134 мм,
Подача. При
фрезеровании различают подачу на один зуб 
, подачу на один оборот фрезы 
и подачу минутную 
, мм/мин, которые находятся в следующем соотношении:
где 
частота вращения фрезы, об/мин;

число зубьев фрезы.

,
Исходной величиной подачи при черновом фрезеровании является
подача на один зуб 
, при чистовом фрезеровании - на один оборот фрезы 
, по которой для дальнейшего использования вычисляют подачу на один
зуб: 
.
Рекомендуемые подачи для различных фрез и условий резания.
Скорость резания
окружная скорость фрезы, м/мин,
Значения коэффициента 
, период стойкости Т и показателей степени приведены в таблицах.
Общий поправочный коэффициент на скорость резания, учитывающий
фактические условия резания.
где

коэффициент, учитывающий качество обрабатываемого материала;

коэффициент, учитывающий состояние поверхности заготовки;

коэффициент, учитывающий материал инструмента.
Сила резания. Главная
составляющая силы резания при фрезеровании - окружная сила, Н,

,
где 
- число зубьев фрезы;

,
Значения коэффициента 
, поправочного коэффициента 
и показателей степени см. в таблицах.
Крутящий момент,
, на шпинделе

,
где D - диаметр фрезы, мм

,

,

.
Для нарезания резьбы
2.4
Проектирование оборудования и технологической оснастки
Ремонт резьбовой поверхности фланца производят в разрезной
оправке (Рис.4), в которую входят:
. Втулка
. Втулка разрезная
. Клин
. Гайка М6 ГОСТ 15526-91
. Шайба М6 ГОСТ 10450-78
Рисунок 4 - Разрезная оправка.
Для операции токарной обработки используют - станок
токарно-винторезный 16К20.
Для операции наращивания поверхностей фланца выберем установку
для наплавки в среде аргона Mitech TIG 200А (AC/DC).
3.
Технико-экономические расчеты
3.1
Нормирование технологических операций
Основой планирования производственного процесса является
техническое нормирование, позволяющее определить обоснованные затраты времени
на выполнение заданной работы.
Норму времени определяют по формуле:
Тн = Тпз/ z + То + Тв
+ Тдоп,
где Тпз - подготовительно - заключительное время,
мин;
z - число деталей в партии;
То - основное время, мин;
Тв - вспомогательное время, мин;
Тдоп - дополнительное время, мин;
Сумму основного и вспомогательного времени называют
оперативным временем:
Топ = То + Тв
Подготовительно-заключительное время отводиться на
ознакомление с работой и чертежами, подготовку рабочего места, наладку или
переналадку оборудования (в зависимости от сложности выполняемой работы
принимают в пределах 10 - 20 мин.).
Основным называется время, идущее на непосредственное
выполнение технологического перехода, т.е. время, затрачиваемое на изменение
формы, размеров и свойств обрабатываемого изделия в результате механической
обработки, сварки, ковки и т.д., а также на изменение взаимного расположения
деталей и узлов как результата сборочно-разборочных работ.
Вспомогательным называется время, затрачиваемое на действия,
обеспечивающие выполнение основной работы (2 - 12 мин. - в зависимости от
применяемой технологии).
Дополнительным называется время, затрачиваемое на
организационно - техническое обслуживание рабочего места, на отдых и
естественные надобности. Дополнительное время принимают в отношении 7 - 9 % к
оперативному.
Расчёт фланца.
а) Основное время для фрезерной фланца определяется по
формуле
То =
,
где L - длина обрабатываемой поверхности
детали, мм;
n - частота вращения шпинделя, об / мин;
S - подача, мм / об;
i - число проходов, необходимых для снятия операционного припуска
на механическую обработку.
То =
мин.
Принимаем Тв = 1,5 мин.
Тогда
Топ = 0,003+ 1,5= 1,503 мин;
Тдоп = 0,08 × 1,503 = 0,12 мин;
Тшт =1,503 + 0,12 = 1,623 мин;
Тпз = 5 мин.
б) При наплавке балка в среде защитных газов:
То =
где L - длина наплавляемой поверхности детали,
мм
То = 
=0,016мин;
Принимаем Тв = 1,5 мин.
Топ = 0,016 + 1,5 = 1,516 мин.
Дополнительное время принимается равным 15% от оперативного.
Тдоп = 0,15 ×1,516 = 0,23 мин;
Тшт = 1,516 + 0,23 = 1,746 мин;
Тпз = 5 мин.
Техническая норма на операцию складывается из нормы
подготовительно - заключительного и нормы штучного времени и называется штучно
- калькуляционным временем:
Тшк = Тшт + Тпз / z,
где Тпз - подготовительно - заключительное время,
определяемое суммированием Тпз по всем операциям маршрутной карты;
Тшт - штучное время, то есть полное время для
выполнения всех операций технологического процесса (суммируется по маршрутной
карте);
z - число деталей в партии (z = 1).
Тшк = 
=13,37 мин = 0,21 часа.
Общее время ремонта фланца составляет 14,11 мин = 0,21 часа.
Заключение
В данном курсовом проекте процесс ремонта фланца
проанализирован и усовершенствован, оформлен в соответствии с существующими
требованиями.
Были рассчитаны припуски на механическую обработку и толщина
слоя, который необходимо наплавить для восстановления размеров детали.
В качестве способа ремонта была выбрана наплавка в среде
углекислого газа.
Также в данном проекте рассчитаны режимы механической
обработки и режимы наплавки.
Определено полное время для выполнения всех операций
технологического процесса ремонта надрессорной балки, составляет 13,37 мин = 0
часов 21 минуты.
Я считаю что внедрение моей технологии на ремонтных заводах и
локомотивных депо даст положительный экономический эффект для предприятий
вцелом.
Библиографический
список
1.
Справочник технолога-машиностроителя под. ред.А.Г. Косиловой и Р.К. Мещерякова
т.1, Москва "Машиностроение" 1985г.
.
Справочник технолога-машиностроителя под. ред.А.Г. Косиловой и Р.К. Мещерякова
т.2, Москва "Машиностроение" 1985г.
.
Молодык Н. В, Зенкин А.С. Восстановление деталей машин. Справочник - М.:
Машиностроение, 1989. - 480с.
.
Смольянинов В.С. Технология производства запасных частей и ремонта машин. Часть
1: Методические указания к изучению дисциплины "Технология производства и
ремонт подвижного состава" / ОмГУПС. Омск, 1999. - 50с.
.
Расчёт режимов резания при механической обработке: Методические указания к
выполнению курсовых работ / М.Ф. Капустьян, А.А. Рауба, В.А. Рыбик. Омский
государственный университет путей сообщения. Омск, 2002.33 с.
.
Смольянинов В.С. Технология производства запасных частей и ремонта машин. Часть
2: Методические указания к изучению дисциплины "Технология производства и
ремонт подвижного состава" / ОмГУПС. Омск, 1999. - 50с.