|
№ варіанта
|
Вихідні дані
|
|
|
кв. 50 Гц    коефіцієнт
пульсації Примітка
|
|
|
|
|
|
|
|
|
14
|
25
|
1400
|
0.9
|
0.97
|
0,8
|
1,25
|
0.91
|
|
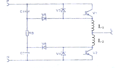
Рисунок
1 - Електрична схема тягового перетворювача
. Опис
кола тягових перетворювачів
1.1 Мережевий роз'єднувач і блок попередньої зарядки
Кожен
тяговий перетворювач електровоза підключається до двох тягових обмоток трансформатора.
При цьому кожна тягова обмотка підключається до 4-х квадрантному випрямляча
(4QS). Підключення виробляється однофазними вхідними роз'єднувачами. За
допомогою вхідного роз'єднувача можливе від'єднання перетворювача від
трансформатора також у разі несправності (несправний перетворювач відключається
від тягового трансформатора і не впливає на нормальну роботу решти споживачів,
підключених до трансформатора).
Кожний
з мережевих роз'єднувачів сполучений перемичками з блоком попередньої зарядки.
Блок попередньої зарядки складається з контактора попередньої зарядки і опору.
При запуску перетворювача через нього заряджає конденсатор проміжного контура
перетворювача перш, ніж буде замкнутий мережевим роз'єднувачем. Таким чином
запобігає великому кидку пускового струму, який виник би при включенні вхідної
напруги на розряджені конденсатори. Мережевий роз'єднувач включається, коли
напруга проміжного контура досягне 95% теоретичного значення зарядки.
До
кожної тягової обмотки на вході тягового перетворювача підключений
трансформатор струму для вимірювання вхідного струму.
Чотириквадрантний
випрямляч (4QS)
Функцією
чотириквадрантного випрямляча є перетворення змінної вхідної напруги
(однофазної змінної напруги тягової обмотки трансформатора) в задану постійну
напругу проміжного контура.
Випрямляч
4QS складається з двох паралельно включених фазних модулів. Фазний
модуль містить силові напівпровідникові прилади (ІGВТ-транзистори), а також
шунтуючі (захисні) діоди і розвантажувальні елементи.
ІGВТ-транзистор виконує
функцію потужного вимикача, що дозволяє виконувати комутаційні операції з
великою частотою. Розвантажувальні елементи служать для зменшення потужності
втрат, які виникають в ІGВТ-транзисторах при кожному процесі включення і виключення.
Принципова
схема фазного модуля представлена на рисунку 2.
Рисунок
2 - Принципова схема фазного модуля
VI, V2: потужні IGВТ-транзистори;
СІ, С2: розвантажувальні
конденсатори;
L1, L2: розвантажувальні
котушки індуктивності;
VЗ, V4: шунтуючі (захисні) діоди;
V5, V6: розвантажувальні діоди;
RВ: розвантажувальний резистор;
Р, N: вивід проміжних
ланцюгів;
L: вивід навантаження.
Чотириквадрантний
випрямляч управляє переміщенням потоку енергії і забезпечує регулювання кута
зсуву фаз між напругою і струмом в чотирьох робочих квадрантах за допомогою
регулювання фази включення і черговості роботи ІGВТ-модулів. Електровоз
може, як споживати енергію з контактної мережі в тяговому режимі, так і
віддавати енергію в мережу в режимі рекуперації. Зсув фаз між струмом і напругою досягається за
рахунок різного ступеня модуляції IGBT-модулів. Оскільки напруга може регулюватися по фазі, то можна
досягти значення соs ф, що наближається к1.
Напруга
проміжного контура вища, ніж амплітудне значення напруги вторинної обмотки
трансформатора. Таким чином, чотирьохквадрантний випрямляч працює як випрямляч,
що підвищує. Роль дроселя виконує індуктивність розсіювання головного
трансформатора. Тому відносне напружено короткого замикання трансформатора (uk) повинне бути порівняно
високим.
Випрямляч
4QS працює таким чином, що вторинна обмотка трансформатора по черзі
закорочується і підключається до проміжного контура. При цьому виникає
пульсація струму з піковими значеннями струму. За рахунок високої індуктивності
розсіювання трансформатора пульсація струму згладжується і, тим самим,
зменшуються пікові значення струму. Пульсації струму також передаються і на
первинну сторону трансформатора. Внаслідок цього виникають пульсації в
контактних дротах і рейкових ланцюгах. Відомо, що рейкові нитки одночасно
використовують як в системах автоблокування і автоматичної сигналізації (АЛС),
так і для пропуску зворотного струму на електрифікованих залізницях і
метрополітенах, і тому піддаються постійній дії перешкод з боку тягового електропостачання.
Перешкоди, що виникають
в тяговій мережі, можуть з'явитися і на вході приймачів приладів СЦБ
гальванічним шляхом або індуктивно.
На підставі
експериментальних даних зафіксований спектр таких частот в рейкових нитках при електротязі постійного
струму: 50, 75, 100, 150 Гц. Найбільш небезпечною серед згаданих є частота 50 і
100 Гц, оскільки вона співпадає з кодовою несучою частотою рейкових ланцюгів,
використовуваних при електричній тязі постійного струму.
Якщо
електровоз генерує змінні струми в діапазоні звукових частот (струми високих
гармонік), то вони не повинні перевищувати певних значень, щоб не діяти на
рейкові ланцюги. Висока відносна напруга короткого замикання трансформатора (і
тим самим висока індуктивність розсіювання) зменшує значення цих вищих
гармонік. Чим вище відносна напруга короткого замикання трансформатора, тим
сильніше пригнічуються вищі гармоніки.
Тяговий
перетворювач мінімізує паразитні струми додатково тим, що всі чотириквадрантні
випрямлячі електровоза тактуються із зсувом.
1.2
Проміжний контур (ланка постійної напруги)
Проміжний
контур сполучає вхідні випрямлячі з вихідними інвертуваннями. Напруга
проміжного контура є постійною напругою, яка підтримується конденсатором
проміжного контура. За допомогою постійного струму, який протікає в проміжному
контурі, здійснюється переміщення потоку енергії між входом і виходом тягового
перетворювача. Потік енергії може бути направлений як від входу до виходу
(режим тяги), так і у зворотному напрямі (режим рекуперації).
1.3
Відсмоктувальний контур
Потужність
на виході тягового перетворювача повинна бути постійна в часі, проте
потужність, одержувана від тягової мережі, пульсує з подвійною частотою мережі.
Тому для накопичення енергії необхідний проміжний буфер, який присутній у вигляді
відсосуючого контура. Резонансна частота відсмоктувального контура відповідає
подвійній частоті мережі.
Відсмоктувальний
контур складається з конденсатора відсосуючого контура (
),
який вбудований в шафу тягового перетворювача, і дроселя відсосуючого контура (
),
який вбудований в тяговий трансформатор електровоза.
1.4
Імпульсне інвертування (РWR)
Імпульсне
інвертування генерує з напруги проміжного контура трифазну систему напруг. На
виході тягового перетворювача знаходяться два вихідні Інвертування PWR до кожного з яких
підключений тяговий двигун. За допомогою імпульсного інвертування можна
регулювати вихідну напругу І частоту. Таким чином, PWR є регульованим джерелом
напруги.
Імпульсне
інвертування складається з трьох фазових модулів аналогічних фазовим модулям
чотирьохквадрантного випрямляча. ІGВТ-транзистори фазних модулів імпульсного інвертування, виконуючи
функцію потужного високочастотного перемикача, дозволяють три вихідні клеми
з’єднувати з «+» або з «-» проміжного контура згідно із законом, визначуваному
системою управління. У тяговому режимі ці перемикання виробляються із заданою
регульованою частотою і фазою таким чином, що на вихідних клемах тягового перетворювача
встановлюється трифазна синусоїдальна напруга.
Оскільки
зрушення по фазі і частота напруги довільно регульовані, то для тягового
двигуна можливий також режим рекуперації. При цьому двигун працюватиме в режимі
генератора. Імпульсне інвертування віддає енергію назад в проміжний контур, а
через 4QS назад в контактну мережу.
Напруга, одержана від
імпульсного інвертування не є синусоїдальною, а містить вищі гармоніки. Хоча
струм і згладжується індуктивністю розсіювання тягового двигуна, він все ще
володіє деякими пульсаціями, які викликають коливальні моменти і втрати в
тяговому двигуні, викликані вищими гармоніками. За рахунок високої тактової
частоти перемикань автономного Інвертування напруги пульсація струму
мінімізується.
2. Порядок розрахунку перетворювача 4QS та проміжного
контуру
2.1 Середня напруга на
ланці постійної напруги Ш визначається залежно від класу транзисторів IGBT, що
замикаються, і від коефіцієнта перенапружень в контактній мережі у разі
спрацювання розрядника від атмосферних грозових дій
В, (1)
де
-
величина зворотної напруги для даного транзистора, що замикається, або
тиристора; прийняти в розрахунку
,
(2)
де
-
напруга спрацювання розрядника, кВ;
- максимальна напруга яка доступна в мережі по ПТЕ, кВ. Напруга
не
повинна перевищувати 3300 В:
В.
2.2 Величина діючого
діапазону значення першої гармоніки фазної напруги обмотки статора асинхронного
тягового двигуна визначається
(3)
В.
Лінійна напруга між
фазами АТД:
В.
(4)
2.3 Величина номінального струму фази статора, А, у разі з’єднання
обмоток за схемою зірки визначається
(5)
де
˗
номінальна потужність АТД, кВт;
˗
кут зсуву між струмом фази статора і напругою фази статора на першій гармоніці,
рівний 0,86.
А.
2.4
Струм, споживаний автономним інвертуванням напруги, А, визначається
A.
2.5 Підведена потужність до автономного інвертування напруги
визначається
, кВт, (7)
Вт.
.6
Діюча напруга вторинної обмотки трансформатора в номінальному режимі, В,
визначається
(8)
В.
2.7
Діюче значення струму вторинної обмотки трансформатора, А, визначається
(9)
де
˗ ККД чотириквадрантного перетворювача, рівний 0,955.
А.
2.8
Визначаємо діапазон регульованої частоти, Гц, асинхронного тягового двигуна
(10)
де
˗ число пар полюсів, рівне 3;
˗
коефіцієнт передавального числа зубчастої передачі, рівний 4,105;
˗
діаметр середньозношеного бандажа колеса, рівний 1,2 м;
˗
швидкість руху електровоза, км/год;
˗
частота ковзання ротора, рівна 0,9…1,2 Гц.
Гц.
2.9
Ємність фільтрованого конденсатора
з урахуванням впливу
роботи АІН, а також для зняття пульсацій напруги, Ф, викликаних керуванням
мережевим перетворювача за методом широтно-імпульсної модуляції визначається
(11)
де
˗ тактова частота чотириквадрантного перетворювача, Гц;
˗ номінальне допустиме підвищення напруги в колі постійної напруги,
В,
, (12)
В,
Ф.
2.10
Ємність конденсатора
,
Ф, для згладжування гармоніки 100 Гц визначається
, (13)
де
˗ коефіцієнт пульсації випрямленого струму, рівний 1,25.
Ф.
2.11 Індуктивність для
згладжування 100 Гц гармоніки, Гн, проміжної ланки постійної напруги
визначається
, (14)
де
˗ частота живлячої мережі, рівна 50 Гц,
Ф.
3.
Система автоматичного управління електровозом з асинхронними тяговими двигунами
На
рисунку 3 представлена структурна схема системи регулювання напруги АТД.
Система
управління забезпечує:
·
розгін електровоза із
заданою силою тяги до заданої швидкості з подальшою підтримкою цієї швидкості;
·
гальмування із заданою
гальмівною силою до заданої швидкості з подальшою підтримкою цієї швидкості;
·
можливість плавної зміни
сили тяги і гальмівної сили в межах їх допустимих значень при будь-якій
швидкості;
·
підтримка заданої
швидкості руху з автоматичним переходом з режиму тяги в рекуперацію і з
рекуперації в режим тяги при зміні характеристик профілю шляху;
·
заміщення електричного
гальмування механічним при відмові електричного гальмування.
Раціональним
способом регулювання є такий, який дозволяє реалізувати пуск (гальмування) АТД
із заданим значенням моменту при мінімальному струмі статора
.
Цей режим найбільш економічний, оскільки практично він відповідає мінімальним
втратам потужності в двигуні і перетворювачі.
Для підтримки
=соnst, необхідно змінювати напругу на статорі в процесі пуску під
контролем регулятора струму статора. Сигнали управління
для транзисторів IGВТ
в АІН формуються системою управління СУ. Поточні
значення струму
, і частоти обертання
змінюються
датчиками
.
По каналу
регулювання напруги
, регулятор струму РТ
підтримує задане значення струму статора
хоча небагато
зменшується, оскільки система статична.
Формувач уставок
ФЕ від контролера машиніста КМ задає амплітудне значення уставок
. Оптимальному значенню
відповідає
мінімальне значення
для заданого моменту Мзм(уст),
який визначається по U - образній характеристиці [1].
При зміні від КМ
заданого значенням Мзад =Мз(уст) змінюються значення f2(опт)
і струм І2(опт). Струм І1уст поступає в регулятор струму
РТ, а абсолютне ковзання ротора
поступає в регулятор
частоти РЧ.
Рисунок
3 - Структурна схема системи регулювання АТД
Одночасно в РЧ поступає
сигнал пропорційний частоті обертання ротора fвр = К1 • V і сигнал К2 •
V2 *, який поступить
при швидкості V2 * більше Уном.
Таким чином, а РЧ
відбувається складання вхідних сигналів рівне
,
яке потім поступає в блок системи управління СУ.
У регуляторі
струму відбувається порівняння заданого струму
істинним
від
,
виникає різниця струмів
,
яка поступає в СУ і з виходу її величина тривалості т, а отже, і
величина напруги, після АІН, до АТД.
Із збільшенням
швидкості руху збільшується частота
, змінюється формується
струм статора по синусоїдальному закону, а напруга U1ф до номінальної швидкості росте по
лінійному закону.
При збільшенні
швидкості вище номінальною V > Vном, коли напруга
вступає в роботу канал К2
• V2
і частота f2
> f2(опт)
+ К2 • V2 збільшується пропорційно швидкості V2
так, щоб сила тяги, що розвівається АТД змінювалася обернено пропорційно до
швидкості, а
-
по гіперболі.
Тоді реалізується
постійність потужності АТД до конструктивної швидкості (рисунок 4).
Для зменшення
сили тяги (моменту) машиніст з КМ задає менше значення
тому
швидкість руху буде зменшуватись.
За допомогою
гальмівного перемикача шляхом дії на РЧ і РТ можна при необхідності зафіксувати
частоту і напругу на статорі для реалізації гальмування в режимах
=
соnst, U1,
= соnst з постійною швидкістю Vо = соnst.
Для підтримки
заданої швидкості руху в тязі V
= Vо
= соnst, машиніст з КМ задає за допомогою рукоятки задатчика швидкості
задану швидкість руху V
= Vзад.
Цей канал до швидкості V < Vзад не втручається в систему автоматичного регулювання швидкості АТД.
При швидкості V > Vзад, з перетворювача датчика частоти
поступає в РЧ від’ємне
значення f = - К3•V пропорційне швидкості. Цей сигнал поступає з операційного
підсилювача, де виробляється порівняння опорної напруги, рівне К3 • Vзад
з напругою пропорційною К3 • V. В результаті частота подачі напруги
*
зменшується по відношенню
,
що приведе до збільшення потоку
, але в той же час до
значного зменшення струму
,
оскільки зменшується f2, а отже до зменшення моменту Мэм
= См •
•
.
Тому швидкість руху залишиться постійною V = Vзад =V0 =соnst.
У формувачі уставок ФУ
для корекції уставки абсолютного ковзання f2(опт) вводиться сигнал від датчика температури Д3, який може бути
виконаний у вигляді терморезисторів, розміщених в пазах статора.
Рукоятка контролера
напряму руху (реверсивна рукоятка) має три положення: «нуль», «вперед» і
«назад». Система управління повинна виключити можливість включення режиму тяги
або електричного гальмування при нульовому положенні реверсивної рукоятки на
провідному електровозі.
Передача команди
«вперед» або «назад» на відомий електровоз повинна передаватися по шині WТВ. При цьому реверсивна
рукоятка на відомому електровозі повинна знаходиться в положенні «нуль», інакше
система управління повинна виключати можливість руху.
Режим роботи електровоза
може бути заданий двома способами: при автоматичному регулюванні швидкості руху
або ручному регулюванні сили тяги або гальмівної сили в режимі електричного
гальмування.
У першому випадку
швидкість руху задається контролером швидкості, рукоятка якого переміщається з
положення «О» в будь-яке положення до максимальної швидкості» Vmax». Контроль швидкості
здійснюється по двохстрілочному приладу, одна стрілка якого показує задану
швидкість, а інша - фактичну швидкість руху. Розгін потягу до заданої швидкості
виробляється автоматично з урахуванням обмежень по тяговій (гальмівний)
характеристиці. Для підтримки заданої швидкості при зміні профілю шляху в
процесі руху вибір режиму роботи електровоза виробляється також автоматично
(перехід з режиму тяги в електричне гальмування і навпаки). При автоматичному
регулюванні руху електровоза рукоятка контролера ручного регулювання сили тяги
(гальмування) повинна встановлюватися в положення «О».
Асинхронний двигун
переходить в генераторний режим при виконанні двох умов:
- частота
обертання ротора
повинна
бути вищою за частоту обертання магнітного поля статора
,
при цьому абсолютне ковзання ротора
від’ємна величина;
- повинне бути
забезпечене надходження в обмотках статора реактивної складової струму (струму,
що намагнічує), необхідного для створення магнітного Фmах потоку в статорі.
Перехід АТД в
генераторний режим виробляється тільки за наявності напруги в контактній
мережі, оскільки на вимогу безпеки у разі зникнення живлячої напруги машиніст
повинен зупинити потяг пневматичним гальмом.
Для переходу АТД
у в генераторний режим а РЧ уставку ковзання f2(опт) спочатку зменшують
плавно до нуля і АТД переходить в режим холостого ходу, споживаючи струм, що
намагнічує, а струм Іd практично стає рівний нулю. Потім шляхом перемикання РЧ в режим
віднімання і підвищення - f2(уст) до необхідного значення, АТД переводиться в режим генератора. Для
АТД зазвичай f2
змінюється в невеликих межах (від 0,6 до 2 Гц), що складає не більш 1…3%
номінальної частоти статора f1(н).
Режим гальмування
при постійній частоті статора
= соnst, U1,
= соnst є найпростішим по своїй реалізації. Такий режим доцільно
використовувати для підтримки V
= V0
= соnst під час руху після спусків і підйомів, що є найпоширенішим і
значнішим в часі.

4. Мікропроцесорна система управління електровоза ДС3
Система
управління призначена для автоматизації процесу управління електровозом, для діагностування
поточного стану апаратури і виявлення несправностей, а також для управління
тяговим приводом.
Для
електровоза застосована система залізничної автоматики фірми «Siemens» типу SIBAS-32, виконана на базі тридцатидвухразрядного
мікропроцесора. Ця система забезпечує регулювання, контроль і захист тягового
приводу з боку вентильного перетворювача, а також виконує функції центрального
приладу управління, вирішуючи завдання управління і інформаційного забезпечення
електровоза. Крім того, в системі реалізовані функції діагностування
електровоза, а також надання допомоги машиністові при введенні в експлуатацію і
проведенні технічного обслуговування.
На
представлених далі блок-схемах пристроїв управління показана вибірка
найважливіших базових модулів, підключення до сервісного пристрою
(персональному комп'ютеру), а також електричний монтаж потягу і електровоза за
допомогою шинних систем або окремого електричного монтажу.
Система
управління забезпечує:
- розгін
електровоза із заданою силою тяги або із заданим прискоренням до заданої
швидкості і подальшою підтримкою цієї швидкості;
- гальмування
із заданою гальмівною силою або із заданим прискоренням до заданої швидкості з
подальшою підтримкою цієї швидкості;
можливість
плавної зміни сили тяги і гальмівної сили в межах їх допустимих значень при
будь-якій швидкості, включаючи конструкційну;
підтримка
заданої швидкості руху з автоматичним переходом з режиму тяги в рекуперацію і з
рекуперації в режим тяги при зміні характеристик профілю шляху;
заміщення
рекуперативного гальмування реостатним у разі відсутності споживачів на лінії;
заміщення
електричного гальмування механічним при відмові електричного гальмування.
Центральний
пристрій управління (ZSG) і пристрій управління приводом (ASG) розміщуються відповідно в шафах тягових перетворювачів UZ1 і UZ2.
Станції
SIBAS KLTP (SKS), призначені для
зв'язку з устаткуванням електровоза, встановлюються в кабіні (кабінах)
електровоза, а також в шафах комутуючої апаратури.
Обидва
центральні пристрої управління виконують завдання управління електровозом. Один
з центральних пристроїв управління працює як головний прилад системи
управління, що забезпечує управління електровозом. Другий центральний пристрій
управління виконує функції веденого приладу і одночасно контролює деякі стани і
пристрої (наприклад, захист електровоза). У конструктивному відношенні два
центральні пристрої управління ідентичні. Працездатність системи управління
зберігається і у разі відмови одного з центральних пристроїв управління. Для
забезпечення високої експлуатаційної готовності системи в електровозі
проводиться періодичне перемикання функцій головного і веденого приладів з
одного центрального пристрою управління на інше.
Центральний
пристрій управління виконує як внутрішні функції, так і функції управління,
регулювання і поточного контролю, такі, як:
- внутрішні
функції поточного контролю центрального пристрою управління ZSG (самодіагностика);
- зовнішні
функції поточного контролю центрального пристрою управління ZSG (що реалізовуються
апаратними і програмними засобами);
управління
і регулювання підключених пристроїв через багатофункціональну шину електровоза MVB;
управління
допоміжним устаткуванням;
управління
додатковим устаткуванням, наприклад, пісочницями;
діагностика.
Для
поточного контролю окремих сигналів в центральному пристрої управління
передбачені сигналізатори граничних значень, що настроюються за допомогою
апаратних і програмних засобів.
Рукоятка
контролера напряму руху (реверсивна рукоятка) має три положення: «нуль»»
вперед» і «назад». Система управління повинна виключати можливість включення
режиму тяги або електричного гальмування при нульовому положенні реверсивної
рукоятки на провідному електровозі.
Передача
команди «вперед» або «назад» на ведений електровоз повинна передаватися по шині
WTB. При цьому реверсивна
рукоятка на веденому електровозі винна знаходиться в положенні «нуль», інакше
система управління повинна виключати можливість руху.
Режим
роботи електровоза може бути заданий двома способами: при автоматичному
регулюванні швидкості руху або ручному регулюванні сили тяги або гальмівної
сили в режимі електричного гальмування.
У
першому випадку швидкість руху задається контролером-задатчиком швидкості,
рукоятка якого переміщається з положення «О» в будь-яке положення до максимальної швидкості «Vmax». Контроль швидкості
здійснюється по двохстрілочному приладу, одна стрілка якого показує задану
швидкість, а інша - фактическую швидкість руху. Розгін потягу до заданої швидкості проводиться
автоматично з урахуванням обмежень по тяговій (гальмівний) характеристиці. Для підтримки заданої
швидкості при зміні профілю шляху в процесі руху вибір режиму роботи
електровоза проводиться також автоматично (перехід з режиму тяги в електричне
гальмування і навпаки). При автоматичному регулюванні руху електровоза рукоятка
контролера ручного регулювання сили тяги (гальмування) повинна встановлюватися
в положення «О».
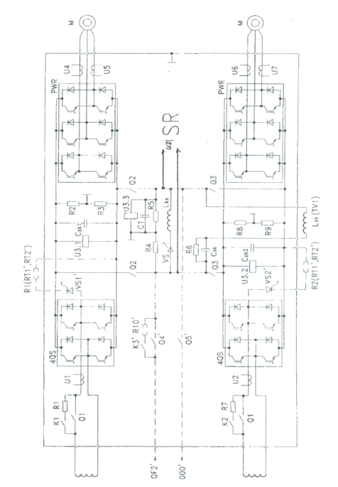
Рисунок
5 - Структурна схема керування електровозом ДС3
Рисунок 6 - Блок-схема
головної системи керування ZSG
Рисунок 7 - Блок-схема
керування приводом ASG
5. Регулювання швидкості
руху електровоза з асинхронними тяговими двигунами
Для здійснення підтримки
постійності сили тяги при пуску електровоза з асинхронними тяговими двигунами,
при постійності частоти абсолютного ковзання ротора f2 необхідно підвищувати
напругу статора до швидкості V=Vном по наступній залежності
; (15)
де:
-
номінальна
напруга фази статора АТД, В;
- номінальна швидкість
електровоза при напрузі на двигуні
, км/ч;
- максимальне значення
сили тяги, що задається, Н;
- номінальне значення
сили тяги електровоза при номінальному струмі АТД і номінальній напрузі
Н;
- поточне значення
швидкості руху, км/ч;
З виразу (15)
виходить, що для підтримки постійності сили тяги електровоза залежно від
швидкості, необхідна напруга, що підводиться, до фаз статора АТД збільшувати
пропорційно швидкості
.
Оскільки потужність та, що розвивається електровозом рівна
,
то при
вона
так само збільшиться пропорційно швидкості руху електровоза.
Швидкість руху
електровоза в км/ч рівна:
; (16)
де:
-
діаметр середньозношеного бандажа, рівний 1.2 м;
- число пар полюсів,
рівне 3;
- величина ковзання,
рівна 0,02.
Підставляючи дані,
отримаємо:
(17)
де:
-
передавальне число тягового редуктора, рівне
=4,105;
- частота обертання
магнітного поля статора;
З виразу (3)
дорівнює
; (18)
Отже частота
обертання магнітного поля статора також збільшується пропорційно швидкості руху
електровоза. Враховуючи, що при троганні з місця задається частота абсолютного
ковзання ротора
то
буде
дорівнювати
так
як змінюється пропорційно швидкості руху електровоза.
При швидкості
напруга
на двигунах рівна
і
потужність, АТД електровоза, що розвивається, рівна номінальній. До швидкості
коли
справедливий
закон регулювання (15) академіка Костенко М.П.
При подальшому
збільшенні швидкості руху, якщо
змінюватиметься
пропорційно швидкості руху, то сила тяги електровоза змінюватиметься по
залежності:
(20)
тобто обернено
пропорційно до квадрата швидкості при
. В цьому випадку
потужність електровоза від швидкості
до
не
буде повністю використана. Отже пропускна спроможність ділянки буде понижена.
Для усунення
цього недоліку при швидкості
передбачено автоматичне
збільшення системою управління частоти абсолютного ковзання ротора
по
наступній залежності:
; (21)
Тоді, частота
живлячої напруги
статора
при
буде
рівна:
; (22)
В цьому випадку
сила тяги електровоза змінюватиметься по залежності [6] обернено пропорційно до
швидкості руху (по гіперболі)
; (23)
де:
-
постійна величина;
- магнітний потік
статора.
(24)
де:
- коефіцієнт форми поля, рівний 1,05 - 1,11;
- еквівалентний
активний опір стержня роторної обмотки а неприведений її опір;
- індуктивність стержня
роторної обмотки від потоків розсіяння;
; (25)
- обмотувальний
коефіцієнт обмотки статора;
Отже, номінальна
потужність асинхронних двигунів електровоза в діапазоні швидкостей від
до
підтримується
автоматично постійною, тобто використовується повністю.
Список літератури
1. Ротанов Н.А.
«ЕРС з асинхронними тяговими двигунами», М., Транспорт, 1991 г.; - С. 334
. Кирілов В.С. і ін.
«Електровоз подвійного живлення ЕП 10», Локомотив №1, 1999 г.;
. Літовченко В.В. і
ін. «Сучасні багатосистемні електровози», Локомотив №9, №10;
. Бурков А.Т.
«Електронна техніка та перетворювачі». М., Транспорт, 2001 г.; - С. 463
. Тіхмєнєв Б.Н.,
Кучумов В.А. «Електровози змінного струму з тиристорними перетворювачами» М.,
Транспорт, 1988 г.;
. Курбасов А.С.
«Проектування тягових електродвигунів», М., Транспорт, 1987 - с. 535 г.;
. Літовченко В.В.
«Визначення енергетичних показників електрорухомого складу змінного струму з
4q-S перетворювачами». Електротехніка №5, 1993 - с. 23 - 31.
. Сергіїв Б.С.,
Чечуліна «Джерела електроживлення електронної апаратури залізничного
транспорту», М., Транспорт, 1998 - с. 81, 97.