Расчет и конструирование металлорежущих инструментов
Реферат
ПЗ состоит из: ___с., 3-х рис., 2
таблиц, 10 источников.
Объектами исследования являются
металлорежущие инструменты.
Цель работы - освоение и углубление
знаний, полученных в курсе "Проектирование металлорежущих инструментов”, и
приобретение практических навыков расчета и конструирования инструментов.
В данном курсовом проекте в
соответствии с исходными данными необходимо:
·
спроектировать резец с механическим креплением твердосплавных
пластин;
·
выбрать и рассчитать точность позиционирования инструментального
блока;
·
спроектировать и рассчитать дисковую модульную фрезу;
·
спроектировать развертку для обработки отверстия с заданной
точностью;
·
спроектировать резьбонакатные ролики для накатывания заданной
резьбы;
·
спроектировать и рассчитать шлицевую червячную фрезу для обработки
заданного шлицевого вала;
Ключевые слова: инструмент, резец,
фреза, развертка, ролик, инструментальный блок, сталь быстрорежущая, твердый
сплав, сталь легированная, деталь, оправка.
Содержание
Введение
1. Проектирование резца С СМП
1.1 Начальные данные
1.2 Материал резца с СМП
1.3 Расчет резца с СМП
1.4 Описание конструкции резца с СМП
2. Проектирование инструментального блока
2.1 Начальные данные
2.2 Материал перового сверла
2.3 Расчет инструментального блока
2.4 Описание конструкции инструментального
блока
3. Проектирование дисковой модульной фрезы
3.1 Начальные данные
3.2 Материал дисковой модульной фрезы.
3.3 Расчет дисковой модульной фрезы
3.4 Описание конструкции дисковой модульной
фрезы
4. Проектирование развертки
4.1 Начальные данные
4.2 Материал развертки
4.3 Расчет развертки
4.4 Конструкция развертки
5. Проектирование резьбонакатных роликов
5.1 Начальные данные
5.2 Материал резьбонакатных роликов
5.3 Расчет роликов
5.4 Описание конструкции резьбонакатных
роликов
6. Проектирование шлицевой червячной фрезы
6.1 Начальные данные
6.2 Материал шлицевой червячной фрезы
6.3 Расчет шлицевой червячной фрезы
6.4 Описание конструкции шлицевой червячной
фрезы
Список используемых источников
Введение
В современном машиностроении
обработка резанием является главным технологическим методом, обеспечивающим
высокое качество и точность обрабатываемых поверхностей деталей. Важнейшей
задачей для экономического и социального развития страны является ускорение
научно-технического прогресса путем комплексной механизации и автоматизации
производства. Эффективность машиностроения должна повыситься за счет изменения
структуры парка металлообрабатывающего оборудования, в т. ч. автоматических
линий, станков с ЧПУ, роботизированных, оснащенных микропроцессорной и
вычислительной техникой гибких автоматизированных комплексов (ГАК) и гибких
производственных систем (ГПС), позволяющих быстро и эффективно перестраивать
производство на выпуск новых изделий.
Эффективная эксплуатация указанного
оборудования невозможна без создания совершенной инструментальной оснастки,
обладающей повышенной надежностью, обеспечивающей экономичное, трудосберегающее
использование дорогостоящей прогрессивной техники, что обусловливает все более
возрастающую роль металлообрабатывающего инструмента. Поэтому специалисты,
которым предстоит работать в металлообрабатывающих отраслях промышленности,
должны уметь грамотно проектировать различные виды инструментов, в т. ч. и
инструментальную оснастку для станков-автоматов, автоматических линий, станков
с ЧПУ, быстропереналаживаемых технологических систем с учетом требований к
обрабатываемым деталям, особенностям оборудования и эффективности производства.
Таким образом, генеральная линия
развития машиностроения - комплексная автоматизация проектирования и
производства - требует знания и совершенного владения методами проектирования,
обеспечивающими создание высокоэффективных конструкций режущих инструментов.
1. Проектирование резца С СМП
Резец является наиболее
распространенным инструментом в металлообрабатывающей промышленности. Он
применяется при работе на токарных, револьверных, карусельных, расточных,
строгальных, долбежных станках, токарных автоматах, полуавтоматах и на многих
других станках специального назначения. Многообразие применения резцов породило
множество форм конструкций и геометрических параметров их, которые меняются в
зависимости от вида станка и рода выполняемой работы.
Резцы разделяются на следующие типы:
) по виду станков: а) токарные; б)
строгальные; в) долбежные; г) резцы для автоматов и полуавтоматов; д) расточные
для горизонтально-расточных станков; е) специальные для специальных станков; ж)
фасонные;
) по виду обработки: а) проходные;
б) подрезные; в) отрезные; г) прорезные; д) расточные; е) фасонные; ж) резьбонарезные;
) по установке относительно детали:
а) радиальные; б) тангенциальные;
) по характеру обработки: а)
обдирочные (черновые); б) чистовые; в) для тонкого точения;
) по сечению стержня: а)
прямоугольные; б) квадратные; в) круглые;
) по конструкции головки: а) прямые;
б) отогнутые; в) изогнутые; г) оттянутые;
) по направлению подачи: а) правые;
б) левые;
) по способу изготовления: а) с
головкой сделанной заодно целое со стержнем; б) с приваренной в стык головкой;
в) с приваренной или припаянной пластинкой; г) с приваренной полоской; д) с
наплавленной головкой; е) с головкой в виде сменной вставки, снабженной
пластинкой режущего материала;
) по роду материала: а) с
пластинками из твердого сплава; б) из быстрорежущей стали; в) с пластинками из
минералокерамики.
1.1 Начальные данные
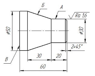
Рисунок 1. - Обрабатываемая деталь
Для обработки поверхности А
заданной детали разработать резц, оснащенный многогранной неперетачиваемой
пластиной. Выбор проходного резца сделать в соответствии со следующими режимами
резания:
скорость -
310
м/мин;
подача -
0,3
мм/об;
глубина резания -
1,0
мм;
шероховатость
поверхности -
1,6
мкм.
Материал детали: Сталь
30 ГОСТ 1050-88.
Станок: 16К20Ф3.
1.2 Материал резца с СМП
Для обработки конструкционной
качественной стали, при чистовой обработке, рекомендуют выбирать твердый сплав
титано-вольфрамовой группы, а именно марки Т15К6, Т14К8 и Т30К4 со следующими
характеристиками ([4], т.4.9, с.96):
резец металлорежущий инструмент
сталь
Т15К6: предел
кратковременной прочности на изгиб:
1150 МПа; твердость HRA, не менее: 90;
Т14К8: предел
кратковременной прочности на изгиб:
1250 МПа; твердость HRA, не менее: 89,5;
Т30К4: предел
кратковременной прочности на изгиб:
950 МПа; твердость HRA, не менее: 92;
Под данный вид обработки
окончательно выбираю марку твердого сплава Т30К4, как наиболее подходящую под
заданные параметры резания ("Чистовое точение с малым сечением среза"
- ([4], т.4.9, с.96)).
Для изготовления
державки резца выбираю сталь 40Х ГОСТ 4543-71, как имеющую хорошие
характеристики обрабатываемости резанием и положительные механические свойства
после термической обработки.
1.3 Расчет резца с СМП
Передний угол.
Основное назначение переднего угла -
уменьшение деформации стружки и обрабатываемой поверхности. Передний угол
влияет на величину и направление сил резания, прочность режущей кромки,
стойкость резца и качество обрабатываемой поверхности. При малом переднем угле
увеличиваются силы резания и деформация стружки. С другой стороны, повышение
угла заострения улучшает отвод тепла из зоны резания и упрочняет кромку.
При обработке резцами,
оснащенными твердым сплавом, передний угол может иметь как положительные, так и
отрицательные величины. Переднюю поверхность выполняем плоской формы, которая
применяется для обработки хрупких материалов. При плоской передней поверхности
и хрупкого обрабатываемого материала передний угол выбираем положительный:
-
для резцов с пластинками твердого сплава.
Задний угол.
Основное назначение
заднего угла - обеспечить свободное перемещение резца по обрабатываемой
поверхности. Задний угол
главной
режущей кромки влияет на деформацию обрабатываемой поверхности, силы резания,
прочность, стойкость и связанную с ней скорость резания, качество
обрабатываемой поверхности. При основном износе по задней поверхности стойкость
резца возрастает с повышением величины заднего угла. С повышением заднего угла
возрастает также и чистота обрабатываемой поверхности. Поэтому при чистовой
обработке рекомендуется применять резцы с большим задним углом.
С увеличением толщины
среза (а, следовательно, и подачи) возрастают силы резания, вызывающие
выкрашивание режущих кромок. Для избежания этого необходимо обеспечить большую
прочность кромок и лучший отвод тепла из зоны резания путем увеличения угла
заострения.
Выбираем задний угол
в
зависимости от назначения резца и подачи: для проходного резца с подачей
0,3
мм/об -
.
Задняя поверхность резца
должна быть выполнена так, чтобы затраты на заточку и доводку были
минимальными.
Задний угол на
вспомогательной режущей кромке
выбирается такой же
величины, как и задний угол на главной режущей кромке, т.е.
.
Угол наклона
главной режущей кромки.
Угол наклона главной
режущей кромки
оказывает
влияние на целый ряд факторов процесса резания. Особое значение он имеет для
формы стружки, направления ее сбега и упрочнения резца. Угол
изменяет
первоначальное положение места контакта резца и заготовки. При
>0
место контакта удаляется от вершины, что способствует упрочнению резца. С этой
точки зрения угол
приобретает
большое значение для резцов с пластинками твердого сплава, особо нуждающихся в
упрочнении главной кромки. При малых значениях угла
влияние
его на работе резца сказывается незначительно. Поэтому для проходных резцов
универсального применения главную режущую кромку следует располагать
параллельно опорной плоскости, т.е. при
=0.
Необходимо отметить, что
с увеличением угла
качество
обрабатываемой поверхности ухудшается.
Главный угол в
плане.
Главный угол в плане
определяет
соотношение между шириной и толщиной среза при постоянных значениях подачи и
глубины резания. С уменьшением главного угла в плане
уменьшается
толщина среза и увеличивается его ширина. Это приводит к увеличению активной
длины кромки, поэтому сила и температура резания, приходящиеся на единицу длины
кромки, уменьшаются, а вместе с этим снижается и износ резца.
Принимаем согласно
.
Вспомогательный
угол в плане
.
Вспомогательная режущая
кромка в основном играет роль калибрующей и зачищающей обрабатываемую
поверхность, полученную в результате работы главной кромки. Вспомогательный
угол в плане
влияет
на чистоту обработки, упрочнение вершины резца и на его стойкость.
Конструктивно принимаем
(для
шестигранной пластины).
Радиус
закругления при вершине резца.
Главная и
вспомогательная кромки сопрягаются на вершине в виде закругления радиуса r. Влияние его на работу резца примерно такое же, как и угла
.
С увеличением радиуса закругления повышается качество обрабатываемой
поверхности и стойкость резца, но возрастает сила резания. Для проходного
токарного резца принимаем r
=0,8 мм.
Расчет параметров
установки пластины в корпусе инструмента.
Расчет проводим согласно
рекомендациям:
. Определение формы
пластины, т.е. числа n
ее граней.
. Определение положения
плоскости N-N,
расположенной под углом
относительно
главной режущей кромки. В этой плоскости необходимо повернуть пластину на угол
для
получения заданных главного
и вспомогательного
заднего
углов. Этих данных достаточно для проектирования паза под пластину у резцов.
Рис. 2. - Параметры
расположения опорной поверхности паза под многогранную пластину в корпусе
инструмента.
Число граней пластины:
,
где
и
-
соответственно заданные главный и вспомогательный углы в плане.
Положение плоскости N-N
относительно главной режущей кромки определяется углом
:
,
где
-
угол при вершине пластины,
.
Тогда
.
Откуда
.
Угол
рассчитываем
по формуле:
.
Откуда
.
Знание углов
и
необходимо
для фрезерования паза под пластину в корпусе резца, однако, вместо угла
удобнее
использовать угол
между
прямой, перпендикулярной к оси детали, и плоскостью N-N:
.
Сечение державки резца (Н×В)
определяем в зависимости от силы резания, материала корпуса, вылета резца и
других факторов.
Выбираем сечение резца
квадратного профиля: В=Н.
мм,
где:
;
;
;
;
40 мм - вылет резца
20 МПа - допустимое
напряжение при изгибе материала корпуса.
Принимаю сечение резца Н×В
(h13) =20×20,где Н - высота державки резца; В - ширина державки
резца; высота резца по переднему краю пластины
20 (
)
мм; размер шестигранной пластины HNUТ-090408:
l=9,1мм; d=15,875мм;
6,35мм; s=4,76мм;
r=0,8мм; m=1,106мм;
длина резца
125
(
)
мм;
1.4 Описание конструкции резца с СМП
В результате расчетов,
был разработан правый проходной отогнутый резец с шестигранной неперетачиваемой
пластиной. Резец имеет главный угол в плане
и вспомогательный угол
.
Данные углы были выбраны в соответствии с обрабатываемым материалом - Сталь 30
ГОСТ 1050-88. Были произведены расчёты углов
и
-
углов, которые определяют положение режущей пластины относительно
оси державки резца. Сечение державки резца - квадратное, т.к. такое сечение
более устойчиво к изгибающим и крутящим нагрузкам. Неперетачиваемая пластина 2
крепится к державке 1 резца прижимным винтом 3 со смещённым центром.
2. Проектирование инструментального блока
Эксплуатационная особенность станков
с ЧПУ их гибкость, позволяющая автоматизировать производство деталей. Эффективность
эксплуатации станков требует гибкого инструментального обеспечения,
позволяющего производить обработку любых поверхностей минимально-возможной
номенклатурой режущего и вспомогательного инструмента, обеспечивающий его
автоматическую бесподналадную замену с заданной точностью. Решение данной
задачи достигается применением системы вспомогательного инструмента для станков
с ЧПУ, которая устанавливает номенклатуру и основные размеры. Система
вспомогательного инструмента унифицирована и регламентирована руководящим
техническим материалом и устанавливает три подсистемы вспомогательного
инструмента:
а) для станков с ЧПУ
сверлильно-расточной групп;
б) с цилиндрическим хвостовиком для
станков с ЧПУ токарной группы;
в) базирующей призмой для станков с
ЧПУ токарной группы.
Системы инструментальной оснастки
предназначены для компоновки функциональных единиц - инструментальных блоков
(комбинаций режущего и вспомогательного инструмента), каждый из которых
предназначен для выполнения конкретного технологического перехода обработки
данной детали на конкретном станке. Важным этапом является стандартизация
присоединительных поверхностей инструмента и станка.
Блоки представляют собой
взаимозаменяемую сборочную единицу, обеспечивающую быструю смену ее в борштанге
в процессе эксплуатации или заточки режущих элементов.
Инструментальные блоки,
устанавливаемые в шпинделе, должны обеспечить статическую точность, приведенную
к вылету режущих кромок, в соответствии с допустимым биением режущих кромок для
данного инструмента.
Вспомогательный инструмент
изготавливают из стали 18ХГТ с цементацией и закалкой до 53…57 HRC. Гайки и
винты делают из стали 40Х с термообработкой до твердости 37…41,5 HRC.
Инструментальный блок состоит из
корпуса с коническим посадочным местом 7: 24 для установки в шпинделе, и
центральным отверстием для установки в нем оправки с инструментом. Регулировка
вылета инструмента производится за счет изменения местоположения гайки с
трапецеидальной резьбой.
Точность обработки зависит от
погрешности инструментальных блоков. Точность инструментальных блоков
регламентируется допустимым радиальным биением.
Статическая точность может быть
получена правильным выбором конструкции и точности изготовления
вспомогательного инструмента при соответствующей точности изготовления режущего
инструмента. Биение режущих кромок инструмента в системе координат станка
рассматривается как замыкающее звено в сложной размерной цепи, образованной
отклонениями линейных и угловых размеров элементов вспомогательного
инструмента.
Применение теоретико-вероятностных
методов позволяет рассчитать зависимость биения инструмента от точности
изготовления вспомогательного инструмента. Угловые ошибки звеньев (перекосы
осей) и векторные ошибки (параллельное смещение осей) элементов
инструментальных блоков можно суммировать путем приведения перекосов осей к
векторному виду в плоскости замыкающего звена (биение режущей части) через
передаточные отношения.
2.1 Начальные данные
Спроектировать
инструментальный блок для обработки отверстия диаметром
,
глубиной
мм
с регулированием вылета цилиндрической оправки относительно переходной втулки с
конусом 7: 24 в пределах
мм;
мм;
мм.
Станок с ЧПУ класса точности Н. Обработка отверстия выполняется при вылете
шпинделя до
мм.
Инструмент - сверло перовое, конус 7: 24 - №40, точность конуса 7: 24 - АТ8,
точность цилиндрического соединения 7: 24 - IT8.
Материал детали сталь 20. Режимы резания:
мм;
мм/об.
Для заданного инструментального блока с перовым сверлом рассчитать точность
позиционирования инструмента. Размеры и конструкция присоединительных
поверхностей блока с конусом 7: 24 должны соответствовать ГОСТ 25827-83.
2.2 Материал перового сверла
Режущей частью перового сверла
является, сменная режущая пластина из быстрорежущей стали, в том числе с
износостойким покрытием TiN, для сборных перовых сверл (по ГОСТ
25526-82). Сборную конструкцию перового сверла для изготовления не глубоких
отверстий в конструкционных сталях, рекомендуют изготавливать начиная с отверстий
диаметром 25мм.
Габаритные размеры сменной пластины
для изготовления отверстия
:
ширина пластины
толщина пластины
;
Для изготовления
отверстия в стали 20, можно выделить несколько марок быстрорежущих сталей
наиболее подходящих, как по физико-механическим, так и по экономическим показателям:
Р6М3, Р6М5, Р9, Р12, Р18.
Окончательно принимаю
материал сменной пластины перового сверла быстрорежущую сталь марки Р6М3,
которая по своим физико-механическим характеристикам, ненамного уступает стали
Р6М5, но более выгодна экономически из-за меньшего количества молибдена.
2.3 Расчет инструментального блока
Определим, влияние погрешности
вспомогательного и режущего инструмента на биение режущей части сверла.
Допускаемое биение режущей кромки перового сверла относительно конуса 7: 24 на
корпусе патрона 0,03мм.
Рассчитаем биение 2е цилиндрической
оправки, закрепленной в конусной оправке с хвостовиком 7: 24, установленном в
шпинделе станка с ЧПУ класса точности Н. Биение отверстия 7: 24 у торца
0,008мм, при вылете шпинделя 300мм 0,01 мм.
Радиальное биение цилиндрической
оправки с конусом 7: 24 обусловливается следующими погрешностями:
1) биением конического
отверстия в шпинделе (погрешность векторная, равная 0,006мм, внутренний конус,
поэтому
1,17,
передаточное отношение
1);
) биением
цилиндрического отверстия (внутренний цилиндр.) относительно оси хвостовика
патрона с конусностью 7: 24 (погрешность векторная 0,006 мм,
1,
1,09);
) биением оси державки
перового сверла при установке его в корпусе патрона (погрешность векторная
0,006/100, = 0,6, Кі = 1,37);
) перекосом оси шпинделя
при вылете 300 мм, равным 0,0001/300 (погрешность угловая, поверхность шпинделя
- цилиндрическая, поэтому
1,09,
передаточное отношение 65/300=0,217, действительный вылет шпинделя 65мм);
) перекосом оси державки
перового сверла от погрешности изготовления конусов 7: 24 (погрешность угловая
0,006/100, цилиндр наружный,
1,09,
2,35,
действительный вылет оправки относительно конуса равен 235мм);
Данные для дальнейшего расчета
целесообразно свести в таблицу.
Таблица 1 - Данные
для расчета биения режущей кромки перового сверла.
|
Звено размерной цепи
|
Погрешность
|
,
мкм
|
|
|
|
1. Биение конического отверстия в шпинделе
|
векторная
|
6
|
1,17
|
1
|
|
2. Биение цилиндрического отверстия оправки
|
векторная
|
6
|
1,09
|
1
|
|
3. Биение оси державки перового сверла
|
векторная
|
6
|
1,09
|
1
|
|
4. Биение шпинделя от перекоса
|
угловая
|
1
|
1,09
|
0,217
|
|
5. Биение державки от перекоса
|
угловая
|
6
|
1,09
|
2,35
|
Половина допустимого биения режущей
части инструмента как замыкающего звена:
где п - число
элементов инструментального блока, влияющих на точность позиционирования,
включая погрешности шпинделя;
- коэффициент относительного
рассеяния замыкающего звена;
,
-
принятое за скалярную величину произведение векторной величины
на
свое передаточное отношение
;
- приведенный
коэффициент относительного рассеяния присоединительных поверхностей
вспомогательного инструмента.
Коэффициент
относительного рассеяния:
Тогда половина
допустимого биения режущей части инструмента:
мм.
2.4 Описание конструкции инструментального блока
Инструментальный блок состоит из
двух основных частей: корпуса и оправки, в паз которой вставляется пластина
перового сверла. Регулирование инструментального блока осуществляется таким
образом: для выдвижения оправки вперед, фиксирующие винты откручиваются, при
вращением гайки по часовой стрелке оправка перемещается вперед на требуемую
величину, затем фиксирующие винты закручиваются; для возвращения оправки в
исходное положение - вперед фиксирующие винты откручиваются, гайка вращается
против часовой стрелки и отходит на заданную величину, под нажатием руки на
торец оправки, она перемещается внутрь корпуса инструментального блока, затем
фиксирующие винты закручиваются. Инструментальный блок устанавливается в
шпинделях станков с конусностью 7: 24 №40, вращательный момент передается на
корпус блока через торцевые шпонки.
3. Проектирование дисковой модульной фрезы
Дисковые модульные фрезы применяют
для нарезания прямозубых и косозубых цилиндрических колёс. В первом случае они
работают методом фасонного копирования, во втором - методом бесцетроидного
огибания. Во всех случаях процесс последовательной обработки впадин
производится путём деления заготовки на один окружной шаг.
Этот метод обработки зубьев является
малопроизводительным и низкой точности. Причинами низкой производительности
являются прерывистость процесса резания, потеря времени на деление заготовки.
Зубья фрезы в большинстве случаев имеют нерациональною геометрию. Передний угол
у них равен нулю, а задние углы на боковых режущих кромках очень малы -
1,5…2,5°, вследствие этого снижаются режущие свойства инструмента и
производительность.
Низкая точность обработки
обусловливается погрешностью делительного механизма, погрешностями установки
оси симметрии зуба фрезы по оси симметрии впадины между зубьями колеса,
отклонениями, создаваемыми ограниченным числом фрез в комплекте. Поэтому
дисковые модульные фрезы применяются редко, главным образом в единичном
производстве и ремонтных цехах для обработки зубчатых колёс низкой степени
точности.
Дисковые фрезы выполняются в виде
наборов из 8 или 15 фрез. При этом набор из 8 фрез рекомендуется для нарезания
колёс с модулем до 8 мм включительно, набор из 15 фрез - для колёс с модулем
свыше 8мм. Каждая фреза из набора предназначается для нарезания колёс с
определённым числом или группой чисел зубьев.
3.1 Начальные данные
Спроектировать дисковую
модульную фрезу для нарезания некорригированного (х=0 мм) прямозубого (
)
зубчатого колеса, с числом зубьев z=40,
с модулем т=3,5 мм, имеющего степень точности и вид сопряжения 8С. Число
точек профиля р=16. Угол профиля зуба
.
3.2 Материал дисковой модульной фрезы.
Дисковые модульные фрезы
изготавливают из инструментальных легированных сталей (9Х1Ф, 9ХС, ХВГ, ХВСГ)
или быстрорежущих (Р6М5, Р6М3, Р6М5К5, Р18, Р9, Р12).
Для данной фрезы выбираю
быстрорежущую сталь Р6М3, обладающую более лучшими качествами, чем
инструментальные легированные стали и как более экономически выгодную среди
быстрорежущих сталей.
3.3 Расчет дисковой модульной фрезы
Для определения координат
эвольвентной части профиля фрезы оси координат размещаем так, чтобы начало
совпадало с центром нарезаемого колеса, а ось Оу проходила через
середину впадины зуба. Радиус - вектор наименьшей окружности, мм:
,
где
-
диаметр впадин нарезаемого колеса, мм;
,
где x - коэффициент смещения исходного контура нарезаемого колеса;
- делительный диаметр
нарезаемого колеса, мм;
мм;
с
- радиальный зазор;
мм;
мм;
мм.
Радиус - вектор
наибольшей окружности, мм:
,
где
-
диаметр вершин зубьев нарезаемого колеса, мм;
мм;
мм.
Изменение
единичных радиусов-векторов, мм:
,
где р= 16 -
заданное число расчётных точек профиля;
Угловая ширина профиля
зуба по дуге основной окружности, рад:
,
где
-
угловая ширина впадины по дуге делительной окружности, рад:
,
где
-
обязательное утонение зуба, мм;
мм;
где
мм
- наименьшее дополнительное смещение исходного контура, определяемое по ГОСТ
1643 - 81.
;
.
Действительный
радиус-вектор (радиус-вектор рассматриваемой расчётной точки), мм:
;
где j= (1…р) - номер расчетной точки профиля фрезы.
;
;
;
;
;
;
;
;
;
;
;
;
;
;
;
;
Радиус основной
окружности колеса, мм:
.
Угловой параметр
рассматриваемой точки профиля фрезы, град:
;
;
;
;
;
;
;
;
;
;
;
;
;
;
;
;
;
Действительный полярный
угол, рад:
;
;
;
;
;
;
;
;
;
;
;
;
;
;
;
;
;
;
;
;
;
;
;
;
;
;
;
;
;
;
;
;
Текущие координаты точек
профиля эвольвенты по осям, мм:
;
;
мм;
мм;
мм;
мм;
мм;
мм;
мм;
мм;
мм;
мм;
мм;
мм;
мм;
мм;
мм;
мм;
мм;
мм;
мм;
мм;
мм;
мм;
мм;
мм;
мм;
мм;
мм;
мм;
мм;
мм;
мм;
мм;
Ширина і-ой точки профиля
фрезы, мм:
;
;
;
;
;
;
;
;
;
;
;
;
;
;
;
;
;
Высота і-ой точки профиля
фрезы, мм:
;
;
;
;
;
;
;
;
;
;
;
;
;
;
;
;
Радиус закругления
вершин зубьев фрезы:
мм.
Величина затылования
зубьев:
;
где
-
задний угол на вершине зубьев;
мм - диаметр вершин
зубьев фрезы; z=12
- число зубьев фрезы;
мм
Величина второго
затылования:
мм.
3.4 Описание конструкции дисковой модульной фрезы
Спроектированная
дисковая модульная фреза, представляет собой цельно металлический диск с
двенадцатью профилированными, затылованными зубьями (
12)
для нарезания цилиндрического прямозубого зубчатого колеса (
40,
3,5мм),
методом копирования. Угловой шаг зубьев фрезы составляет
,
глубина стружечной канавки
, диаметр посадочного
отверстия
,
крутящий момент от шпинделя передается через шпонку.
4. Проектирование развертки
Развертка − это инструмент,
предназначенный для обработки отверстий, который в процессе работы вращается
вокруг своей оси (главное движение) и постепенно перемещается вдоль нее,
осуществляя движение подачи.
Развертывание отверстия обеспечивает
ему 6-8 квалитеты точности и параметры шероховатости Ra=1,25-3 мкм. Развертывание применяется после предварительной обработки
отверстий зенкером, расточным резцом или сверлом. Согласно общему
классификатору развертки разделяются:
− по способу применения - на
ручные и машинные;
− по форме обрабатываемого
отверстия - на цилиндрические и конические;
− по конструкции - на цельные
и сборные, постоянного диаметра и регулируемые;
− по методу закрепления -
концевые (хвостовые) и насадные;
− по форме зубьев и типу
режущего материала.
Правильная работа развертки зависит
от конструкции, качества ее изготовления и условий эксплуатации (режимов
резания, охлаждения, величины припуска под развертывание, качества заточки и
доводки режущих кромок и др.)
Ручные развертки применяют для
развертывания отверстий вручную. Развертки диаметром 3-40 мм, имеют
цилиндрический хвостовик с квадратом. Развертки малого диаметра изготавливают с
цилиндрическим или коническим хвостовиком, с помощью которого их закрепляют на
станке.
Насадные развертки закрепляют на
специальные оправки, которые вставляют в шпиндель станка. Самыми простыми по
конструкции являются цельные развертки, но они не предусматривают регулировку
диаметра. В связи с этим, широко применяют сборные развертки с быстрорежущими и
твердосплавными вставными зубьями (ножами), которые после сработки и
перезаточки, можно отрегулировать на необходимый размер, увеличив термин их
работы.
Сборные конструкции разверток дают
возможность экономить инструментальные материалы, создавать оптимальную
геометрию, повышать режущие свойства и размерную стойкость.
Основными конструктивными элементами
развертки являются режущая и калибрующая части, число зубьев, направление
зубьев, углы резания, неравномерный шаг зубьев, профиль канавки, зажимная
часть.
4.1 Начальные данные
Спроектировать развертку
для обработки отверстия
,
после предварительного сверления, материал детали―
чугун СЧ 18-36 ГОСТ 1412-85.
4.2 Материал развертки
Для обработки чугуна СЧ
18-36 с пределем прочности
МПа
18кгс/мм
и твердостью 170-229НВ, выбираю материал режущей части развертки твердый
сплав ВК3, как наиболее подходящий по стойкости для обработки чугунов.
Материал корпуса сборной развертки выбираю сталь 40Х, как имеющую большую
твердость и прочность по сравнению с другими конструкционными сталями.
4.3 Расчет развертки
Геометрический расчет развертки
выполняется по [10]. В зависимости от припуска на обработку или несовпадения
осей развертываемых отверстий применяют одну развертку с увеличенной заборной
частью или комплект, состоящий из нескольких предварительных и окончательной
разверток.
Будем считать, что поверхность
обрабатываемого отверстия без дефектов (канавок, прорезей и других
неоднородностей). Поэтому выбираем цилиндрическую машинную насадную прямозубую
развертку, для которой характерен неравномерный шаг зубьев.
Конструкцию развертки назначаю
согласно ГОСТ 28321-89 тип 2 исполнение 1 /2363-2133 Н8 ГОСТ 28321-89/
Геометрический расчет
развертки.
Рис.3. - Схема расположения допуска
на диаметр развертки
Развертываемое отверстие должно
иметь размеры:
мм;
мм;
мм
Максимальный диаметр
развертки:
где
мм
- допуск на разбивку отверстия разверткой.
Тогда максимальный диаметр
развертки
мм
Минимальный диаметр
изношенной развертки для отверстия 8-го квалитета:
где
мм
- допуск на изготовление развертки.
Следовательно
мм
Исполнительный диаметр
развертки
мм.
Общую длину развертки L и длину рабочей части развертки l
выбираем в соответствии с рядом линейных размеров по ГОСТ 28321-89: L=56мм; l
=45мм:
Длина режущей части
развертки зависит от главного угла в плане, при
(рекомендуемый угол для
обработки чугуна), длинна режущей части развертки l
=4мм.
Для облегчения входа
развертки в отверстие на режущей части делается фаска, зависящая от диаметра,
принимаем с=1мм.
Длина калибрующей части:
;
где
-
часть с обратной конусностью
.
Длину части с обратной
конусностью развертки выбираем в соответствии с рядом линейных размеров по ГОСТ
28321-89.
мм.
мм.
Все остальные размеры развертки
выбираются по ГОСТ 28321-89.
Количество зубьев
развертки:
Принимаемое количество
зубьев развертки согласно ГОСТ 28321-89:
Развертка имеет
неравномерный окружной шаг зубьев. Для
на полуокружности
развертка имеет следующие шаги:
На другой полуокружности
шаги повторяются.
Развертка с напайными
ножами из твердого сплава ВК3 при обработке чугуна СЧ 18-36, имеет следующие
геометрические параметры: передний угол
; задний угол
;
главный угол в плане
.
Кроме этого на
калибрующей части развертки делается фаска:
мм
Для разверток ГОСТ
28321-89 устанавливает такие допуски:
− допуск на фаску
на калибрующей части:
мм;
− допуск на общую
длину развертки:
мм;
− допуск на длину
рабочей части развертки:
мм;
− допуск на задний
угол:
;
− допуск на
радиальное биение: 0,012 мм.
4.4 Конструкция развертки
Проектируемая машинная
цилиндрическая развёртка выполняется с напаянными ножами из твердого сплава
ВК3, корпус из стали 40Х. Развёртка выполнена с неравномерным окружным шагом,
что способствует повышению точности обработки. Канавки у данной развёртки
прямые, что упрощает их изготовление и контроль. Зубья развёртки имеют плоскую
переднюю поверхность, совпадающую с осевой плоскостью инструмента, т.е.
передний угол развёртки берётся равным нулю. Рабочая часть развертки состоит из
режущей и калибрующей части зубьев. Режущая снимает припуск, а калибрующая обеспечивает
заданную форму отверстия, его точные размеры и необходимую чистоту
обрабатываемой поверхности. Калибрующая часть состоит из двух участков:
цилиндрического и конического, так называемого обратного конуса. Он делается
для уменьшения трения инструмента об обработанную поверхность. Количество
зубьев принимаем 10. Зубья имеют ленточку. Ленточка обеспечивает направление
развёртки в отверстии, способствует выглаживанию обрабатываемой поверхности и
калиброванию отверстия по размеру.
5. Проектирование резьбонакатных роликов
Резьбонакатные ролики представляют
собой цилиндрические диски, на наружной поверхности которых образована
многозаходная резьба, либо кольцевые витки. Конструктивные элементы
резьбонакатных роликов и их размеры зависят от принятого способа накатывания
резьбы, размеров детали, модели применяемого станка. Ролики являются
универсальным инструментом, так как позволяют накатывать резьбу высокой
точности, различной длинны с мелкими и крупными шагами, на весьма разнообразных
материалах.
Накатывание является одним из самых
прогрессивных методов образования резьбы на различных деталях и в первую
очередь на винтах, шпильках и метчиках. В настоящее время процесс накатывания
резьбы получил особенно широкое применение в крупносерийном и массовом производствах.
Так, в производстве метчиков он почти вытеснил все другие методы получения
резьбы.
При накатывании в результате
воздействия больших радиальных сил витки резьбы инструмента деформируют металл
заготовки и образуют на ней резьбу. Обработанный поверхностный слой металла
имеет более высокие механические свойства (повышение прочности и твердости).
Это обусловлено тем, что при накатывании волокна не перерезаются, как это имеет
место при нарезании резьбы любым режущим инструментом, а деформируются согласно
конфигурации резьбы. Метчики с накатанной резьбой могут обладать повышенной
стойкостью благодаря уплотнению поверхностного слоя. Однако при неправильно
выбранном материале или технологическом процессе может иметь место образование
поверхностной чешуйчатости и отслаивание материала по резьбе.
Существуют два типа накатных
инструментов: плашки и ролики. Оба инструмента работают комплектом, состоящим
из двух штук.
Накатывание резьбы роликами имеет
следующие преимущества:
− работают с малыми удельными
давлениями, что позволяет получать резьбу на полых или тонкостенных деталях, а
также на деталях с повышенной твердостью (до HRC 35-45);
− накатывание роликами
обеспечивает более высокую точность накатываемой резьбы по сравнению с
плашками;
− ролики легче устанавливать и
регулировать на размер накатываемой резьбы;
− возможность накатывания
резьбы на деталях от М2 до М60;
− малые габариты станков,
простота их наладки и обслуживания.
Недостатком накатывания при помощи
роликов является пониженная производительность (60-80 шт. в минуту) по
сравнению с накатыванием плашками (100-120 шт. в минуту).
5.1 Начальные данные
Спроектировать комплект
резьбонакатных роликов для накатывания резьбы
на заготовке из ковкого
чугуна КЧ 60-3, с пределом прочности
и
твердостью 200-269 НВ.
5.2 Материал резьбонакатных роликов
Проектируемые ролики изготавливаем
из легированной стали 6Х6В3МФС, данная сталь является более износостойкой
вследствии повышенного содержания хрома, поэтому целесообразно ее применять для
изготовления резьбонакатных роликов. После закалки и отпуска сталь 6Х6В3МФС
имеет твердость 58…61 HRC, которой вполне достаточно для накатывания резьбы на заготовках
из чугуна КЧ 60-3. По сравнению со сталью ХВСГ легированная сталь 6Х6В3МФС
имеет более высокие механические свойства и значительно большую теплостойкость
- 490…510°С.
5.3 Расчет роликов
Для большинства
резьбонакатных станков средние диаметры роликов находятся в пределах
мм.
Принимаю
мм.
Количество заходов на
ролике:
где
мм
средний диаметр накатываемой резьбы согласно ГОСТ 24705-81.
Количество заходов на
ролике должно быть целым числом, поэтому принимаю
.
Пересчитываем средний
диаметр роликов:
мм
Основным условием
получения правильной резьбы на заготовке является равенство углов подъема
резьбы ролика и заготовки. Для соблюдения этого необходимо изготовлять ролик с
многозаходной резьбой, что вытекает из следующих зависимостей:
,
,
где
-
угол подъема, шаг и средний диаметр резьбы инструмента;
- угол подъема, шаг и
средний диаметр резьбы заготовки.
Шаг резьбы на ролике:
мм
Наружный диаметр ролика:
мм
Ширину ролика принимают
больше длины накатываемой резьбы на 2-3 шага, так как длина резьбы не задана,
то берем одну из стандартного ряда длин. В этом случае ширина ролика является
стандартной:
мм.
Рис.4. - Профиль резьбы
накатного ролика.
В общем случае
максимальная высота головки профиля инструмента, формирующей впадину профиля
резьбы детали определяется по формуле:
мм
где:
мм
- максимальный средний диаметр резьбы детали;
мм - максимальный
внутренний диаметр резьбы детали;
мм - величина запаса на
износ;
мм - величина допуска на
изготовление.
DH=0,140мм
- допуск на наружный диаметр резьбы детали.
Минимальная высота ножки
профиля резьбы инструмента:
мм
где: DS=0,025S
- дополнительная величина, исключающая касание впадин профиля резьбы
инструмента и вершин профиля резьбы изделия.
Примечание:
Для резьб с шагом до 1,5 мм включительно DS=0.
Радиус закругления
профиля резьбы инструмента в общем случае определяется по формуле:
мм
Для метрических резьб, у
которых угол профиля a = 60°, высота головки резьбового профиля инструмента определяется по
формуле:
где: da
- величина допуска на изготовление.
Допустимая высота
изношенного профиля резьбы:
мм
Минимальная высота ножки
резьбового профиля инструмента для резьб с углом профиля a = 60°
определяется по формуле:
мм
Для накатываемых резьб с
шагом до 1,5 мм включительно:
мм
Примечание:
Величина H²u
ограничивает прямолинейный участок ножки резьбового профиля
инструмента. Форма впадины должна выполняться закругленной. Величина радиуса R
произвольна, но не должна превышать величины:
Минимальный радиус
закругления вершины головки профиля резьбы инструмента для резьб с углом
профиля a
= 60°
определяется соотношением:
мм
Размеры высотных
параметров профиля метрической резьбы по ГОСТ 16093-70 приведены в таблице 2.
Таблица 2
S
Шаг
Высота головки
Допуск на высоту головки
Радиус закругления
Максималь-ный износ
Высота ножки
|
Допуск на половину угла профиля
|
|
|
|
|
|
|
|
0,35
|
0,114
|
0,0085
|
0,0378
|
0,095
|
0,214
|
0±45’
|
|
0,4
|
0,13
|
0,0095
|
0,0432
|
0,1085
|
0,13
|
0±45’
|
|
0,45
|
0,146
|
0,0100
|
0,0486
|
0,122
|
0,146
|
0±45’
|
|
0,5
|
0,163
|
0,0106
|
0,054
|
0,1355
|
0,163
|
0±40’
|
|
0,6
|
0, 195
|
0,0126
|
0,0647
|
0,1625
|
0, 195
|
0±40’
|
|
0,7
|
0,228
|
0,014
|
0,0756
|
0,188
|
0,228
|
0±35’
|
|
0,75
|
0,244
|
0,014
|
0,081
|
0, 203
|
0,244
|
0±35’
|
|
0,8
|
0,26
|
0,015
|
0,0864
|
0,217
|
0,26
|
0±30’
|
|
1,0
|
0,325
|
0,018
|
0,108
|
0,271
|
0,325
|
0±30’
|
|
1,25
|
0,406
|
0,0212
|
0,135
|
0,339
|
0,406
|
0±25’
|
|
1,5
|
0,487
|
0,0236
|
0,162
|
0,406
|
0,487
|
0±25’
|
|
1,75
|
0,569
|
0,0265
|
0,189
|
0,474
|
0,6125
|
0±20’
|
|
2,0
|
0,65
|
0,028
|
0,216
|
0,542
|
0,7
|
0±20’
|
|
2,5
|
0,813
|
0,0335
|
0,27
|
0,678
|
0,875
|
0±20’
|
|
3,0
|
0,975
|
0,0375
|
0,324
|
0,813
|
1,05
|
0±20’
|
Для роликов 3-го класса точности
ГОСТ 9539-72 устанавливает такие допуски:
− допуск на
наружный диаметр:
мм;
− допуск на
конусообразность по среднему диаметру: 0,1мм;
− допуск на биение
среднего и наружного диаметров резьбы относительно оси отверстия: 0,15мм;
− допуск на биение
торцов относительно оси отверстия: 0,12мм;
− разность
наружного диаметра двух роликов в комплекте: 0,2мм;
− разность
среднего диаметра двух роликов в комплекте: 0,2мм;
− допуск на
половину угла профиля резьбы:
;
− допуск на
внутренний диаметр:
мм;
− допуск на ширину
ролика:
мм
5.4 Описание конструкции резьбонакатных роликов
Резьбонакатные ролики представляют
собой цилиндрические диски, на наружной поверхности которых образована многозаходная
резьба. Основными конструктивными элементами резьбонакатного ролика является:
наружный и средний диаметры, ширина, число заходов. У проектируемого
резьбонакатного ролика наружный диаметр 140,651 мм, ширина 63 мм,
число заходов 5. Крутящий момент передаётся через продольную шпонку. Ролик
устанавливается на оправку и прижимается торцовой поверхностью. Поэтому чистота
торцовой поверхности должна быть не менее Ra1,6.
6. Проектирование шлицевой червячной фрезы
Червячные шлицевые фрезы это
инструмент, работающий по методу огибания профиля обрабатываемой детали.
Червячные фрезы представляют собой червяк, на котором прорезаны канавки
образующие переднюю поверхность зубьев и пространство для размещения стружки.
Витки затылованы с целью получения задних углов. Червячные шлицевые фрезы
бывают двух типов - для нарезания шлицевых валов с эвольвентным профилем шлицев
и шлицевых валов с прямобочным профилем. Эти фрезы применяются для обработки
валов с различным типом центрирования - с центрированием по наружному или
внутреннему диаметру и боковым граням. Для нарезания шлицевых валов с
центрированием по внутреннему диаметру и боковым граням предназначены червячные
фрезы с "усиками", обеспечивающие получение прямолинейного участка по
всей высоте зуба вала, а образуемые ими канавки у основания зубьев облегчают
процесс шлифования. Для нарезания шлицевых валов с центрированием по наружному
диаметру и боковым граням служат червячные фрезы без усиков. Червячные фрезы
проектируются в зависимости от серии вала - легкая, средняя или тяжелая и
изготовляются следующих классов точности:
− класс А. Применяются для
чистового нарезания шлицевых валов с полями допусков по толщине зуба d9, h9, e9, f9 и внутреннему диаметру - e9;
− класс В. Применяются для
чистового нарезания шлицевых валов с полями допусков по толщине зуба d10 и внутреннему диаметру - e8 (допуск на наружный диаметр вала
не лимитируется);
класс С. Предназначен для черновой
обработки шлицевых валов.
По конструкции червячные фрезы
бывают:
цельные;
насадные;
сборные.
По виду обработки:
черновые (как правило,
многозаходные);
чистовые и прецизионные.
По виду червяка положенного в основу
червячной фрезы:
эвольвентные;
архимедовы;
конволютные.
6.1 Начальные данные
Спроектировать червячную
шлицевую фрезу для нарезания шлицевого вала 
с фаской
.
Материал вала: Сталь 40Х
ГОСТ 4543-71.
6.2 Материал шлицевой червячной фрезы
Выбираем материал инструмента для
обработки шлицевого вала из стали 40Х согласно рекомендациям [], это стали
Р6М5, Р12, Р18. Проектируемая фреза изготавливается из быстрорежущей стали
Р6М5. Эта сталь является более дешевым заменителем стали Р18 и, так же как и
сталь Р18, предназначена для всех видов режущего инструмента при обработке
углеродистых, легированных, конструкционных сталей (предпочтительно для
изготовления резьбонарезного инструмента, а так же инструмента работающего с
ударными нагрузками) []. По сравнению со сталью Р6М5Ф3 быстрорежущая сталь Р6М5
имеет немного меньшие механические свойства, однако сталь Р6М5 не склонна к
перегреву и обезуглероживанию, Р9М4К8 имеет более высокие механические
свойства, чем Р6М5, однако она применяется для обработки высокопрочных и
жаростойких сталей и имеет более высокую стоимость. Окончательно принимаю
материал червячной шлицевой фрезы быстрорежущую сталь Р6М5 ГОСТ.
6.3 Расчет шлицевой червячной фрезы
Допуски на шлицевый валик:
на внутренний диаметр 52а11
(
);
на внешний диаметр 60h7
(
);
на ширину шлица 10js7
(
).
Расчетный наружный
диаметр:
мм;
где
мм
- минимальный размер фаски.
Расчетный внутренний
диаметр:
мм;
где
мм - поле допуска на
внутренний диаметр;
мм - среднее значение
припуска под шлифование.
Расчетная ширина шлица:
мм
где
мм
- поле допуска на ширину шлица.
Диаметр начальной
окружности:
мм
Шаг профиля по нормали:
22,884 мм;
где
-
количество шлицев на валу.
По ГОСТ 8027-87
выбираем:
− наружный
диаметр:
100
мм;
− диаметр
посадочного отверстия:
32
мм;
− диаметр буртика
фрезы:
50
мм;
− длинa фрезы:
80
мм;
− длина буртика
фрезы:
5
мм;
− количество зубьев:
12.
Величина падения затылка
зуба фрезы:
4,5 мм;
6,5
мм
где
- задний угол фрезы.
Средний расчетный
диаметр фрезы
91,345 мм;
Угол подъема витка
фрезы:
Осевой шаг фрезы:
23,245мм;
Шаг винтовой стружечной
канавки:
3583,581 мм
Глубина стружечной
канавки:
10,92 мм
где
1…3
мм - радиус скругления дна стружечной канавки.
Задний угол на боковых
режущих кромках:
.
Для дальнейшего расчета
использовались следующие формулы:
Координаты точек
теоретического профиля фрезы:
;
;
;
;
;
где r - радиус начальной окружности;
- угловые параметры
точек теоретического профиля;
- угол между боковой
стороной шлица и прямой.
Координаты центра
заменяющей окружности при замене теоретического профиля дугой одной окружности:
;
.
Радиус заменяющей
окружности:
Максимальное отклонение
дуги заменяющей окружности от теоретического профиля:
Неточность профиля:
;
где
-
допуск на ширину шлица.
Координаты центра первой
заменяющей окружности при замене теоретического профиля дугами двух
окружностей:
;
Радиус первой заменяющей
окружности при замене теоретического профиля дугами двух окружностей:
Угловые параметры:
;
Радиус второй заменяющей
окружности при замене теоретического профиля дугами двух окружностей:
.
Координаты центра первой
заменяющей окружности при замене теоретического профиля дугами двух
окружностей:
,
Ширина зуба фрезы по
начальной прямой:
Для червячной шлицевой
фрезы ГОСТ 8027-87 устанавливает такие допуски:
− допуск на
диаметр посадочного отверстия:
− допуск на
радиальное биение буртиков 0,012 мм
− допуск на
торцевое биение буртиков 0,008 мм
− допуск на
радиальное биение по вершинам зубьев 0,063 мм
− допуск
отклонения от прямолинейности передней поверхности на рабочей высоте зуба 0,063
мм
− допуск разности
соседних окружных шагов 0,063 мм
− допуск
накопленной погрешности окружного шага стружечных канавок 0,125 мм
− допуск
направления стружечных канавок ±0,100 мм
− допуск
отклонения винтовой линии фрезы на одном обороте 0,032 мм
− допуск на осевой
шаг зубьев ±0,018 мм
6.4 Описание конструкции шлицевой червячной фрезы
Червячная фреза представляет собой
исходный червяк, превращённый в режущий инструмент путём прорезания стружечных
канавок и затылования зубьев (двойное затылование в нашем случае). Основными
конструктивными элементами червячной фрезы является: длина, число зубьев,
параметры их затылования, размеры, форма и направление канавок. У проектируемой
фрезы наружный диаметр 100 мм, число зубьев 12. Вследствие затылования зубьев диаметры фрезы
уменьшаются по мере их переточки по передней поверхности. Стружечные канавки
имеют наклон относительно оси 4º34'40,8". Крутящий
момент передаётся через продольную шпонку, шпонка выполняется по ГОСТ 9472-90.
Фреза устанавливается на оправку и прижимается торцовой поверхностью. Поэтому
чистота торцовой поверхности относительно высокая.
Список используемых источников
1. Кирсанов Г.Н. и др. Руководство по курсовому проектированию
металлорежущих инструменту / Г.Н. Кирсанов, О.Б. Арбузов, Ю.Л. Боровой и др. -
М.: Машиностроение, 1986. - 288 с.
. Сахаров Г.Н. и др. Металлорежущие инструменты / Г.Н. Сахаров,
О.Б. Арбузов, Ю.Л. Боровой и др. - М.: Машиностроение, 1989. - 328 с.
. Мягков В.Д. и др. Допуски и посадки / В.Д. Мягков, М.А. Палей,
А.Б. Романов и др. - М.: Машиностроение, 1983. - 448с.
. Ординарцев И.А. и др. Справочник инструментальщика / И.А.
Ординарцев, Г.В. Филлипов, А.Н. Шевченко и др. - М.: Машиностроение, 1987. -
846 с.
. Кукляк Н.Л. Металлорежущие инструменты. Проектирование /Кукляк
Н.Л., Афтаназьев И.К. и др. - "Львовская политехника'', 2003. - 556 с.
. Панов А.А. Обработка металлов резанием / Панов А.А., Аникин В.В.
и др. - М.: Машиностроение, 2004. - 784 с.
. Косилова А.Г. Справочник технолога-машиностроителя, Том 2/Косилова
А.Г., Мещеряков Р.Г. - М.: Машиностроение, 1986. - 496 с.
. Кузнецов Ю.И. Оснастка
для станков с ЧПУ / Кузнецов Ю.И., Маслов А.Р., Байков А.Н. - М.: Машиностроение, 1990. - 512 с.
. Нефедов Н.А., Осипов К.А. Сборник задач и примеров по резанию
металлов и режущему инструменту. - М.: Машиностроение, 1990. - 448 с.