Расчет воздуховодов
Министерство
образования и науки Российской Федерации
Федеральное
агентство по образованию
Государственное
образовательное учреждение
высшего
профессионального образования
«Магнитогорский
государственный технический университет
имени
Г.И. Носова»
Кафедра
теплогазоснабжения, вентиляции, водоснабжения и водоотведения
Курсовая
работа по дисциплине Насосы и воздуходувные станции
«Расчет
воздуховодов»
Выполнила:
студентка группы СВ-09
Борисова Н.М
Проверила:
Подкорытова В.С
Магнитогорск
2011 г
Оглавление
Исходные
данные
Описание
очистных сооружений
Расчет
воздуховодов для несжатого воздуха
Расчет
воздуховодов для сжатого воздуха
Описание
воздуходувной станции
План
второго этажа
Библиографический
список
Исходные данные
Рисунок 1. Генплан очистной станции:
- ГНС; 2 - аэрированные песколовки; 3 - блок
доочистки; 4 - аэротенки; 5 - вторичные отстойники; 6 - блок доочистки; 7 -
хлораторная; 8 - контактные бассейны; 9 - воздуходувная станция; 10 -
стабилизатор осадка; 11 - иловые площадки.
Рисунок 2. Расчетная схема воздухопроводов
Описание очистных сооружений
ГНС - городская насосная станция систем
водоотведения обеспечивает подачу сточных вод на очистные сооружения (главные)
и соединяющие между собой очистные сооружения (локальные), чтобы не было
большого заглубления самотечных коллекторов.
Аэрированные песколовки - эти сооружения
предназначены для выделения из сточных вод тяжелых минеральных примесей
(главным образом песка). Аэрированнные песколовки применяют в тех случаях,
когда требуется наиболее полное разделение примесей по крупности. Воздух
способствует вращению воды и тем самым, повышается эффективность осаждения.
Блок доочистки основное назначение - обеспечить
глубокую доочистку воды до нормативов сброса в водоем (БПКп- до 3,0 и
взвешенные вещества до 3,0мг/л) или на открытый рельеф, обеззараживание стоков
и их насосную откачку. Загрязненный песок отводится с помощью эрлифта в
гидроциклон, установленный на самом фильтре, где проходит разделение
загрязнений и загрузки. Очищенный песок возвращается в фильтр. Сюда относятся
барабанные сетки, зернистые фильтры, микрофильтры, биологические пруды,
флотационные установки и другие.
Аэротенками называют сооружения для
биологической очистки предварительно осветленной сточной жидкости. Процесс
очистки протекает в движущемся потоке жидкости при искусственном введении в
него так называемого активного ила, а также кислорода воздуха как источника
жизнедеятельности бактерий. Необходимый для окислительных процессов воздух
подают в аэротенки воздуходувками. Сжатый воздух обеспечивает интенсивное
перемешивание сточной жидкости с активным илом. В зависимости от количества
вдуваемого воздуха и продолжительности пребывания сточной жидкости в аэротенке
можно получить различную степень ее очистки.
Вторичные отстойники служат для отделения
активного ила от очищенной сточной воды. Оттуда одна часть ила перекачивается в
канал перед аэротенком для повторного использования (этот ил называют
циркулирующим), а другая, избыточная часть ила (его прирост) направляется для
его последующей обработки в метантенках. Активный ил из вторичных отстойников
после аэротенков следует удалять непрерывно под гидростатическим давлением.
Сжатый воздух требуется для перемешивания ила.
Контактные бассейны, для обеспечения требуемого
бактерицидного эффекта рассчитывают, на 30-минутный контакт хлора с водой.
Осадок из них направляют на иловые площадки. Допускается предусматривать
барботаж воды сжатым воздухом.
Стабилизатор осадков обеспечивает их устойчивость
против загнивания и удовлетворительные санитарные условия при их складировании
и утилизации. Стабилизация в аэробных условиях путём аэрирования осадков
стабилизатора.
Расчет воздуховодов для несжатого воздуха
Определим длину наиболее протяженной ветви
Длина ветви 0-4: 10+30+90+100=230 м
Длина ветви 0-7: 10+10+40+80=140 м
В дальнейшем расчеты будем производить по
наиболее протяженной ветви 0-4.
Рассмотрим пример расчета участка 0-1.
Задаем скорость но данном участке 25м/с
Определяем диаметр воздуховода:
где Qн - расход воздуха при нормальном давлении
на данном участке.н = 17750 м3 / ч- скорость движения воздуха м/с
0,501 м
Подбираем коэффициент трения воздуха λ=0.0147(Приложение
3)
Определяем местные сопротивления и l’экв -
дополнительную длину участка воздухопровода эквивалентную местным
сопротивлениям на нем. Местное сопротивление на участке 0-1 тройник при
расходящемся потоке и переход сварной (Таблица 28.5).
м
Определяем потери напора на трение и местные
сопротивления по наиболее протяженной ветви воздуховода
где λ
- коэффициент трения воздуха λ=0,0147
- длина участка
рассчитываемой ветви воздухопровода
м
- длина
воздухопровода эквивалентная местным сопротивлениям
м- скорость
на данном участке; V = 25 м/с;- ускорение свободного падения, g = 9.81 м/с-
диаметр воздухопровода; d = 500 мм
- плотность
воздуха при нормальном давлении
Результаты расчета заносим в Таблицу 1. Все
остальные участки рассчитываем аналогично.
Таблица 1. Расчет воздуховодов для несжатого
воздуха
|
Номер
участка
|
Длина
l, м
|
Q,
м3/с
|
V,
м/с
|
d,
мм
|
λ
|
Местное
сопротивление
|
Lэкв,
м
|
Hтр,
Па
|
|
0-1
|
10
|
4,93
|
500
|
0,0147
|
Тройник
при расходящемся потоке, переход сварной
|
65,4+2,09=67,49
|
871
|
|
1-2
|
30
|
1,99
|
20,7
|
350
|
0,0156
|
Тройник
при расходящемся потоке, двухлинзовый компенсатор
|
41,8+37=
78,8
|
1271
|
|
2-3
|
90
|
1,8
|
18,7
|
350
|
0,0156
|
Тройник
при расходящемся потоке, двухлинзовый компенсатор
|
78,8
|
1609
|
|
3-4
|
100
|
0,97
|
10
|
350
|
0,0156
|
двухлинзовый
компенсатор, колено сварное под 90о(двухшовное)
|
37+14,6=
51,6
|
413
|
|
4-8
|
5
|
0,97
|
10
|
350
|
0,0156
|
двухлинзовый
компенсатор, задвижка
|
37+6,3=
43,3
|
131,7
|
|
Итого:
|
235
|
|
|
|
|
|
|
4295,7
|
Расчет воздуховодов для сжатого воздуха
Исходные данные:
Давление на выходе из воздуходувной станции
p=16533 кгс/м2
Расчетная температура наружного воздуха летом
tн=22оС
Наиболее загруженная ветвь по точкам 1-2-3-4
общей длиной 150+80+200=430 м
Местные сопротивления: 1-2 :колено гладкое
крутозагнутое и тройник при расходящемся потоке; 2-3:тройник ответвленный; 3-4
задвижка и компенсатор
Расчетная скорость движения воздуха 1-2 25 м/с
2-3 3-4 20 м/с
Рисунок 3. Расчетная схема воздухопровода
Определяем располагаемый напор Р
- 15500 = 1033 кгс/м2 (10,3 кПа)
кгс/м2 на 1 м длины
воздухопровода
где
-
расчетное давление воздуха необходимое при подаче его в
воздухопроводную систему.
длина наиболее
протяженной ветви воздухопровода
Среднее давление на участке 1-2
Расход сжатого воздуха на участке 1-2, в
соответствии с таблице 28.4 при p=16533 кгс/м2 Qсж/Qн=0,72, составит
сж=6,95*0,72=5 м3/с
Температура сжатого воздуха на участке 1-2:
60 оС
Диаметр труб воздухопровода на участке 1-2:

Длина, эквивалентная принятым местным
сопротивлениям на участке 1-2 воздухопровода, принимается по таблице 28.5
При d=500 мм
экв= 16,4+65,4=81,8
м
Плотность сжатого воздуха на участке 1-2:
- абсолютное давление в воздухопроводе;=29,27
кг*м/(кг*оС) - газовая постоянная сухого воздуха;
- температура
сжатого воздуха.
Такое же значение плотности будет практически и
на других участках.
Коэффициент трения воздуха для участка 1-2 :
λ=0,0147
Потери напора на участке 1-2:
=360 кгс/м2
Результаты расчета заносим в Таблицу 2. Все
остальные участки рассчитываем аналогично.
очистная воздуховод напор
Таблица 2. Расчет воздуховодов для сжатого
воздуха
|
Номер
участка
|
Длина
l, м
|
P
среднее, Па
|
tсж,
oС
|
сж
|
|
V,
м/с
|
d,
мм
|
lэкв,
м
|
λ
|
hтр,
Па
|
|
|
1-2
|
150
|
163530
|
63
|
1,663
|
0,72
|
25
|
500
|
81,8
|
0,0147
|
3600
|
5
|
|
2-3
|
80
|
162570
|
59
|
1,673
|
0,716
|
25
|
400
|
49,8
|
0,0153
|
2646
|
2,98
|
|
3-4
|
200
|
160170
|
49
|
1,699
|
0,705
|
15
|
400
|
43,3
|
0,0153
|
1813
|
1,96
|
|
Итого
|
|
|
|
|
|
|
|
|
|
8059
|
9,94
|
Определяем расчетное давление воздуха,
необходимое при подаче его в воздухопроводную систему:
Где
-
потери напора на трение и местные сопротивления в трубопроводах воздуходувной
станции (3000-5000 Па);
- потери напора в
аэраторах (для мелкопузырчатых 7230 Па)
- резервное
давление (500 Па)
- давление столба
воды, которое надо преодолеть воздуху при выходе из аэратора
общ=4000+8059+7230+15000+500=36667 Па
Р = 3666,7 мм. вод.ст= 596,4 м3/мин
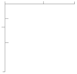
По данным Q и Р подбираем воздуходувку. Для
обеспечения требуемого напора используем три воздуходувки ТВ - 175 - 5,5
Рис 4. Характеристика воздуходувки ТВ - 175 -
5,5
ТВ - турбовоздуходувка
- производительность, м3/мин
,5 - конечное абсолютное давление, кг/см2
Описание воздуходувной станции
Воздуходувные станции предназначены для подачи
сжатого воздуха на аэротенки, преаэраторы, смесители, стабилизаторы ила,
реагентное хозяйство, вакуум-фильтры и другие объекты, потребляющие воздух на
канализационных очистных сооружениях.
Комплекс сооружений воздуходувной станции обычно
включает:
а) главное здание, в котором размещаются
основное оборудование (воздуходувные машины), насосы для подачи технической
воды, устройства по очистке воздуха, насосы для перекачки циркулирующего
активного ила или для опорожнения емкостных сооружений, центральный
диспетчерский пункт, электрораспределительное устройство и трансформаторная
(обычно обслуживающие весь узел очистных сооружений), вспомогательные и бытовые
помещения;
б) водоохлаждающие сооружения (градирня,
бассейн) для оборотной воды от охлаждения оборудования.
Воздухоочистительные устройства, а также
насосные станции могут располагаться вне главного здания.
Здания воздуходувных станций должны быть
огнестойкими. В машинном зале предусматривают не менее двух выходов с разных
сторон, один из которых может быть использован для монтажа оборудования. Двери
(ворота) должны открываться наружу. На небольших станциях монтаж оборудования
можно производить через оконный проем. Другой выход предназначен для прохода
обслуживающего персонала в служебно-бытовые помещения, не выходя на улицу.
В бытовых помещениях станции предусматривается
приточно-вытяжная вентиляция, в производственных помещениях - вентиляция
естественная (удаление теплоизбытков из машинного зала допускается также за
счет частичного подсоса воздуха нагнетателем).
Электроснабжение воздуходувных станций должно
быть бесперебойным (два источника питания). Напряжение питающего тока, как
правило, 6 или 10 кВ.
В машинном зале станции можно размещать
распределительные и пусковые устройства высокого напряжения, соблюдая правила
техники безопасности.
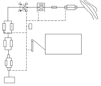
План второго этажа
Рисунок 5. План второго этажа:
- нагнетатель; 2 - маслоохладитель; 3 - пусковой
маслонасос; 4 - маслобак нагнетателя; 5 и 6 - баки чистого и грязного масла; 7
- маслонасосы; 8 - насосы технической воды; 9 - коридор; 10 - монтажная
площадка; 11 - комната оператора; 12 - слесарская мастерская; 13 -
электромастерская; 14 - комната электриков; 15 - мастерская КИП; 16 - женские
бытовые помещения; 17 - мужские бытовые помещения.
Библиографический список
Канализация
населенных мест и промпредприятий / Под ред. В.Н. Самохина.: Стройиздат, 1981.
Шевелев
Ф.А., Шевелев А.Ф. Таблицы для гидравлического расчета водопроводных труб:
Справочное пособие. М.: Стройиздат, 1987.
СНИП
2.04.03-85. Канализация. Наружные сети и сооружения. М., 1986.
Карелин
В.Я., Миняев А.В. Насосы и насосные станции. М.: Стройиздат, 1986.