Проектирование системы вентиляции животноводческого помещения
Содержание
Введение
Расчет
системы вентиляции и отопления в животноводческом помещении, выбор марки
вентиляторов и их количество
Расчет воздуховодов
равномерной раздачи
Выбор
электрических схем и автоматикой системы вентиляции
Описание
их функционирования
Общие
сведения о комплекте оборудования «Климат – 3»
Техника
безопасности на животноводческих фермах
Выводы
Список используемой
литературы
Приложения
Введение
Под микроклиматом в животноводческом помещении понимают
совокупность физических, химических и биологических факторов оказывающих
определенное влияние на развитие и функционирование организма животного, и ее
физиологическое состояние. К основным критериям оценки окружающей среды, где
обитает животное, относятся температура, влажность, скорость движения и
химический состав воздуха, содержание в нем механических включений (пыли) и
микроорганизмов, освещенность помещения. Температура воздуха в коровнике должна
обеспечивать в организме животного равновесие между теплообразованием и
теплоотдачей, то есть находиться в диапазоне, обеспечивающем обмен веществ на
постоянном уровне. Хорошая система вентиляции обеспечивает подачу свежего
воздуха в помещение. Хорошая система вентиляции должна быть пригодной, надежной
и экономичной. Пригодность означает, что система соответствует особенностям
конструкции здания, в котором установлена, а также всем требованиям,
предъявляемым к системе. Надежность означает, что система способна исправно
работать в течение запланированного длительного периода при условии проведения
регулярного технического обслуживания. Экономичность означает, что потери энергии
в системе сведены к минимуму. Система должна обеспечивать экономию во всех
отношениях. Система должна быть как можно более простой, но не проще того. Это
значит, что, система, не смотря на максимальную простоту, должна отвечать
определенным требованиям по качеству. Если система слишком упрощена, то вряд ли
можно будет гарантировать достаточный уровень качества. Система должна сочетать
в себе все три качества — пригодность, надежность и экономичность. Очень важно
правильно сформулировать требования к вентиляционной установке. Не следует
экономить, заказывая систему только для воздухообмена. Система должна
обеспечивать очистку приточного воздуха от загрязняющих веществ. Технически
грамотно спроектированная вентиляционная установка способна обеспечивать большой
расход воздуха при экономичном потреблении электроэнергии. Очень важными
являются такие функции, как утилизация тепла и возможность регулирования
расхода воздуха. Традиционно существует три типа технических решений для
вентиляционных систем. К ним относятся системы вентиляции с естественной тягой,
системы с принудительной вытяжной вентиляцией и системы с приточно-вытяжной
вентиляцией. «Естественная тяга» означает, что воздух самостоятельно
поднимается по воздуховодам за счет естественных перепадов давления. Теплый
воздух естественным путем выходит наружу по вертикальному воздуховоду. За счет
этого в здании создается разряжение, заставляющее наружный воздух поступать
внутрь через клапаны, форточки или другие отверстия. В течение многих лет этот
тип вентиляции был наиболее распространен. Если, не смотря на это, вы хотите
оборудовать новое здание вентиляцией с естественной тягой, то следует тщательно
выбирать место ее установки. В системах с принудительной вытяжной вентиляцией
воздух удаляется при помощи вентиляторов, устанавливаемых в комнатах. Удаляемый
воздух заменяется наружным, поступающим внутрь здания через клапаны, форточки
или другие отверстия (то есть так же, как в схемах с естественной тягой). Приточная
вентиляция - Приточные системы служат для подачи в вентилируемые помещения
чистого воздуха взамен удаленного. Приточный воздух в необходимых случаях
подвергается специальной обработке (очистке, нагреванию, увлажнению и т.д.) Вытяжная
вентиляция - удаляет из помещения (цеха, корпуса) загрязненный или нагретый
отработанный воздух. В общем случае в помещении предусматриваются как
приточные, так и вытяжные системы вентиляции. Их производительность должна быть
сбалансирована с учетом возможности поступления воздуха в смежные помещения или
из смежных помещений. Приточно-вытяжные вентиляционные системы могут быть
выполнены по разным схемам. За прошедшие годы при их проектировании было
допущено много просчетов, но в настоящее время исследования показывают, что
именно такие системы сочетают в себе низкие затраты на монтаж и низкое
энергопотребление, а также обеспечивают хороший микроклимат в помещении. Правильно
выполненная приточно-вытяжная система проста, стабильна и отличается
функциональной гибкостью. Термин «стабильность» означает, что различного рода
воздействия не отражаются на ее работе отрицательно. Например, рабочие
характеристики системы не должны измениться, если в помещении открыть окно. В
более старых системах такое было невозможно. «Функциональная гибкость» означает
возможность регулирования притока наружного воздуха в соответствии с
потребностью в нем. Например, если количество людей в помещении увеличивается,
то расход приточного воздуха автоматически возрастает. В качестве
вентиляционных систем четвертого типа часто рассматривают приточно-вытяжные
системы с утилизацией тепла. Эффективные и экономичные технические решения
должны обеспечивать утилизацию тепла, регулирование расхода воздуха по
потребности, а также фильтрацию воздуха.
Задание: В курсовой работе предлагается конструкция
коровников на 250 голов, размером 100х30м, с беспривязной системой содержания
локтирующих коров с удоем 10л. до 600кг. Высота стен 3,5 метра, высота от пола
до конька 4,2 метра, 6 окон, размером 1500х2000, с двойным переплетом
расстояние между стеклами 20 см, две наружных одинарных двери 3000х2500мм.
Стены из сплошной кладки кирпича на легком растворе толщиной 40см с
температурным балансом tвн= +50С
и tнар= -50С. Рассчитать систему
вентиляции и отопления в животноводческом помещении, а так же выбрать марку
вентиляторов и их количество для обеспечения микроклимата.
Расчет системы вентиляции
В создании оптимального микроклимата наиболее важную роль
играют вентиляция и отопление помещений.
При проектировании систем вентиляции и отопления
животноводческих помещений учитывают количество животных, их возраст,
продуктивность, выделение ими тепла, водяных паров и вредных примесей,
климатические условия, способ содержания, содержание углекислого газа и влаги в
наружном воздухе, потери тепла через ограждения и другие факторы. Расчетыпроводят
для зимнего и летнего периодов.
Внешний воздух содержит в среднем 0,03%(0,3 л/м3)
углекислого газа и незначительное количество других вредных примесей.
Данные о количестве тепла, углекислоты и водяных паров,
выделяемых животными, приведены в таблицах 1 и 2 приложения.
Максимальное количество воздуха, необходимое для вентиляции
помещения в зимний период, определяется по влажности и газосодержанию.
Потребный часовой расход воздуха (м3/ч),
необходимый для растворения водяных паров:
где
— количество влаги,
выделяемой животными в видепара(табл. 2 Приложения), г/ч;
—коэффициент, учитывающий испарениевлаги
с пола, из поилок и других конструкций (принимаем равным 1,1);
- допустимое содержание влаги в воздухе
помещений, г/м3;
— содержание влаги в наружном
воздухе, г/м3.
Значения
и
определяют по формулам:
где
и
—
влагосодержание внутреннего и наружного воздуха в насыщенном состоянии при
расчетных температурах (табл. 4 Приложения), г/м3;
и
—
относительная влажность внутреннего и наружного воздуха.
Количество приточного воздуха (м3/ч),
необходимого для понижения концентрации углекислоты:
где
– общие количество
углекислоты, выделяемое животными в помещении (табл.2 Приложения), л/час;
– коэффициент учитывающий выделение
углекислоты микроорганизмами и подстилкой;
–
допустимое содержание углекислоты в воздухе помещения, л/м3 (до 2,5 л/м3);
- содержание углекислоты снаружи
помещения, л/м3 (до 0,3 л/м3).
Минимально допустимый воздухообмен (м3/ч),
необходимый для нормальной жизнедеятельности животных:
где
-масса 1го
животного, кг;
- число животных;
- минимальный воздухообмен на 1ц живой
массы животных(табл.1 Приложения).
В качестве расчетного принимается наибольший воздухообмен из
полученных значений.В летний период определяют еще расход воздуха, необходимый
для удаления избыточного тепла.Воздухообмен по удалению избыточного тепла
определяют по формуле:
L=
где
— избыточное тепло в
тепловом балансе помещения, удаляемое с вентилируемым воздухом, кДж/ч;
— температура внутреннего и наружного
воздуха, °С;
— температурный коэффициент, равный
1/273°; с=1,3 кДж/(м3-°С)— теплоемкость 1 мЗ
воздуха.
где
– теплота, выделяемая
одним животным;
– количество животных в
помещении.
Часовая кратность обмена воздуха в помещении:
где L— расчетный воздухообмен, м3/ч;
Vп— внутренний объем помещения, м3.
где А – ширина здания; L – длинна
здания; В – высота здания; h – высота крыши.
Мощность электродвигателя вентилятора.
где NВ – мощность,
потребляемая вентилятором; L – подача вентилятора м3/ч;
Н–полное давление вентилятора,19,6 Па;
- к.
п. д. вентилятора.
При отсутствии более точных данных к. п. д. вентилятора
можно принять для центробежных вентиляторов 0,4-0,7; для осевых - 0,5 – 0,85. При
непосредственной посадке колеса вентилятора на вал электродвигателя к. п. д.
принимают равным единице. Если соединение валов вентилятора и электродвигателя
выполнено с помощью муфты, то
= 0,98. И в том
случае, когда вентилятор и электродвигатель соединены клиноременной передачей,
= 0,95.
Производительность вентилятора.
где V – скорость движения воздуха в
трубопроводе, м/с; F – площадь сечения воздуховода, м2.
Площадь сечения воздуховода надо измерить там же, где была измерена скорость
движения воздуха:
F = a
b=30
20=500см2
где а и b высота и ширина
воздуховода.
Расчет системы отопления.
При k
3
обычно принимают вентиляцию с естественнымпобудителем, а при k>3
- с искусственным побудителем. Кратность воздухообмена без подогрева
воздухадолжна быть не более 5.
Для автоматизации процесса вентиляции помещений определяют
пределы изменения расхода воздуха в зависимости от температуры и влажности
внешней среды.
Расчет отопления ведут следующим образом. Количество
избыточного тепла в летний период или мощность отопительного устройства в зимний
период определяется на основании теплового баланса помещения:
где QЖ- количество тепла
выделяемого животными, кДж/ч.; QН-
теплопроводность отопления (QН= 70447,77) кДж/ч.;
Qогр – теплопотери помещения через
конструкции кДж/ч.; QВ – количество тепла
нужного для приточного воздуха кДж/ч.; Qисп
– испарение влаги с пола помещения кДж/ч. Количество тепла необходимого для нагрева
приточного воздуха, кДж/ч:
где L – расчетный воздухообмен м3/час;
с – теплоемкость одного м3 воздуха (с=1,3 кДж/ м3
с).
Тепло выделяемое животными:
где
- норма тепловыделения
животного (табл. 2 Приложения) кДж/ч
1гол; n- число
животных в помещении; k1- коэффициент учитывающий
изменение тепловыделения животного с изменением температуры (табл. 3 Приложения)
Количество тепла расходуемой на испарение влаги в помещении:
где G – количество тепла испаряемого
в помещении грамм/час; (табл. 2 Приложения)- количество водяных паров на одну
голову на количество животных; 2,5 – скрытая теплота испарения 1грамм воды
кДж/ч.
Потери тепла через ограждения в кДж/ч находят:
где F – поверхность ограждения м2;
k –коэффициент теплопередачи окон, потолка, стен и
прочих поверхностей (табл. №6) кДж/ м3
ч
0С.
Поверхность стен, м2:
где В – высота стен, м; А – ширина помещения, м; L – длинна помещения, м; h – высота
от верха стены до конька помещения, м; FД –
площадь дверей, м2;
- площадь окон, м2.
Площадь дверей, м2:
где а – высота двери, м; b – ширина
двери, м; n – количество дверей.
Площадь окон, м2:
где а – высота окна, м; b – ширина
окна, м; n – количество окон.
Выбор марки вентилятора и их число.
Регулирование производительности вентилятора осуществляют
двумя способами:
- изменением скорости вращения вентилятора при неизменной
площади сечения воздухопровода;
- изменением площади поперечного сечения воздухопровода с
помощью задвижек, дросселей и т. п. Мощность вентилятора при изменении частоты
вращения пропорциональна кубу скорости вращения:
и, следовательно, изменяется пропорционально кубу
производительности вентилятора Р
Q3В. Для большинства вентиляторов
регулирование производительности задвижкой приводит к тому, что мощность
изменяется пропорционально производительности: Р
Q. Этот способ
очень прост, но не экономичен, кроме того, он позволяет регулировать
производительность от номинальной величины только в сторону ее уменьшения. Выбираем
вентиляторы ВО и их количество по табл. 7 Приложения, учитывая
производительность м3/ч при давлении Р= 19,6 Па, размеры, габариты,
массу в кг, диаметр рабочего колеса в мм каждого вентилятора.
Исходя из выше вычисленных формул и расчётов, выбираем вентилятор
ВО – 5,6 в количестве 4штук (таблица 7 Приложения) и двигатели Д80АВ6П (таблица
9 Приложения) в количестве 4штук, для каждого из вентиляторов. Так жевыбираем
электрокалориферы серии СФО (таблица 8 Приложения) мощностью до 160 кВт в
количестве 6 штук и комплект приточно-вытяжных установок типа ПВУ-9(таблица 10
Приложения) в количестве 4 штук на весь коровник для обеспечения оптимального
микроклимата в любое время года.
Электромеханические системы нагрева воздуха. Нагрев воздуха
в системах вентиляции воздушного отопления выполняются теплообменными
аппаратами калориферами. Калориферы – бывают водяные, паровые и электрические
основные их преимущества по сравнению с водяными и паровыми является
компактность и удобства, обладание высоким КПД и возможность полного
автоматического управления ими. Кроме того регулировка и теплопроводность
возможны в относительных пределах и более простыми средствами. Установки с
электрокалориферами используют в сельском хозяйстве для сушки материалов и
продукции сельского хозяйства, нагрева воздуха в помещениях и др. По
конструкции нагревательные элементы различны, открытые проволочные спирали,
трубчатые нагревательные элементы и проволочные би спиральные элементы. Они
изготавливаются с использованием нихрома, фехраля и других жаропрочных сплавов
с большим электрическим сопротивлением. Так как температура проволоки при
работе превышает > 4000С, то открытые проволочные спирали быстро
окисляются и получается, что срок службы меньше чем в трубчатых элементах, в
которых проволока защищена от воздействия на нее воздуха.
Трубчатые нагревательные элементы имеют низкий коэффициент теплоотдачи
поверхности трубки, с целью повышения коэффициента теплоотдачи поверхности и
уменьшению рабочей температуры нагрева проволоки, начинают изготавливать ребристые
трубчатые нагреватели с развитой поверхностью нагрева и охлаждения. Более
совершенными являются проволочные би спиральные элементы, применение которых
дает уменьшение температурного нагрева нихромового провода до 120-1500С
и его расход в 3-3,5 раза меньше. Теплота нагревания такая же, как и в
нагревании выполненного полностью нихромом. Этот би спиральный элемент
изготовлен из стальной спиралевидной проволоки. Навитая на стержень по винтовой
линии и закрепленная в конце с двумя нихромовыми проводами. Проходя в нутрии
спирали стальная проволока служит для увеличения поверхности нагрева и несет
незначительную часть нагрузки 8-20%, а основная нагрузка идет на нихромовые
провода.
Промышленность выпускает отопительные электрокалориферы
серии СФО предназначенные для искусственного климата в производственном
помещении для нагрева воздуха до 1000С в системах и воздушном
отоплении электрокалорифер этого типа оснащен ребристым трубчатым нагревателем
и изготавливают с трехфазным напряжением 380 В.Электрокалориферы серии
СФО выпускаются семи типов размеров по следующим техническим характеристикам,
указанных в таблице 8 Приложения.
Если в заданном производстве один калорифер не дает нужного
перепада температуры, то можно установить два и более таких же калориферов. Конструктивно
электрические калориферы выполняют в виде сборно-металлического кожуха, внутри
которых размещают четыре ряда трубчатых нагревательных элемента. Они
разделяются на четыре самостоятельно регулирующие секции, в каждую секцию
входит один ряд нагревателей, т.е. 25% установленной мощности, поэтому
электрокалорифер может работать на четыре ступени 100-75-25% от установленной
мощности. Каждая заданная температура выходного воздуха поддерживается
автоматически двумя контактными термометрами, датчики которых размещены в
отапливаемом помещении.
На базе электрокалориферов серии СФО для сельского хозяйства
созданы элактрокалориферные установки СФОА. Их применяют для обогрева
сельскохозяйственных помещений, в которых длина трубопровода который подает
нагреваемый воздух, не превышает 20 и 40 метров. Электрокалориферные установки
этой серии заводы поставляют комплектами, в который входят: электрокалорифер,
вентилятор, шкаф и САУ. Датчики температуры устанавливаю на 1-2 метра от уровня
пола вдали от мест с резким колебанием температур. Более точное положение
датчика следует определять путем выбора режима работы установки. Использование
в этих установках вентиляторов марки ЦЧ-70 обеспечивают большую
производительность подачи теплого воздуха. Если надо уменьшить производительность
до 50% используют заслонку (шибер) которую устанавливают после вентилятора. В
зависимости от производительности вентилятора температурный перепад
нагреваемого воздуха может достичь 500С. Автоматическое и ручное
дистанционное управление электрокалориферными установками и защита от аварийных
режимов, и световая сигнализация предоставлена в электрических схемах.
Расчет воздуховодов равномерной раздачи
Согласно технологии производства плотность размещения
животных или птиц на единицу объема помещения есть величина постоянная. Поэтому
приточный воздух по длине здания необходимо подавать равномерно. При этом
скорость выпуска воздуха из отверстий или щели воздуховода должна быть
одинаковой по длине для обеспечения возможности поддержания равномерного
аэродинамического режима вентиляции.
Из общих закономерностей гидравлики следует, что равномерную
раздачу воздуха можно получить, если по всей длине магистрали воздуха будет
сохраняться постоянное статическое давление, которое при одинаковых размерах
выпускных отверстий (или постоянной ширине щели) обусловит одинаковую скорость
истечения воздуха. В этом случае для обеспечения постоянства статического
давления по длине воздуховода необходимо, чтобы скорость воздуха в начале
воздуховода была больше скорости в конце магистрали и разность динамических
давлений, соответствующая этим скоростям, была равна полной потере давления в
магистрали.
Для равномерной раздачи воздуха следует ориентироваться на
наименьшие скорости по длине воздуховода и наибольшие скорости выхлопа из
отверстий. При этом воздуховод как камера постоянного статического давления
будет обладать большей гидравлической устойчивостью.
Рис. Распределение скоростей в воздуховыпускном отверстии.
Рассмотрим некоторые теоретические положения, на которых
основан расчет воздуховодов равномерной раздачи.
Скорость воздуха в магистрали, если известно его
динамическое давление Нд,можно определить по известной из
курса гидравлики формуле

Для стандартного воздуха с объемным весом γ = 1,2 кг/м3
При выпуске воздуха из воздуховода с постоянным по длине
статическим давлением последнее в отверстии преобразуется в скоростное
давление, которое и вызывает истечение воздуха. Обозначив эту скорость через υст,
получим
На рис. Изображен параллелограмм скоростей в
воздуховыпускном отверстии. Действительная скорость истечения определяется
гипотенузой υп с углом наклона α к катету υд,
т. е. к оси воздуховода
или с учетом вышеприведенных значений υст и υд
=
Расход воздуха через отверстие площадью f0
=abсоставляет, м3/ч
где µ - коэффициент расхода отверстия, который связан
с коэффициентом его местного сопротивления ξ зависимостью
– площадь живого сечения струи,
наклоненного к оси воздуховода под углом β;
.
После подстановки значения sin
α и υп и некоторых упрощений формула расхода воздуха
получит вид
Откуда площадь отверстия, м2
Из формулы следует
Это отношение представляет собой среднюю скорость истечения υ0,
равную
Таким образом, зная µ, L0иHст для отверстия, можно легко определить
площадь его сечения.
Для обеспечения постоянства статического давления воздуховод
по длине должен иметь переменное сечение. На величину коэффициента расхода µ
влияют угол истечения струи α и относительный расход воздуха в отверстии
Угол истечения в свою очередь зависит от соотношения υст
и υд
Как правило, потери давления в воздуховодах постоянного
статического давления невелики по сравнению с Нд, поэтому без
особой погрешности можно принять α = const. Тогда
µ будет зависеть только от
. При углах истечения α ≥60º
коэффициент расхода µ можно принимать для практических расчетов равным 0,61 и
постоянным для всех отверстий независимо от
. При одинаковых площадях отверстий
необходимо соблюдать условие υст≥ 1,73 υд
Аналогичная гидродинамическая картина имеет место в
воздуховодах с раздачей воздуха через щель постоянной ширины. Для обеспечения
постоянства статического давления сечение щелевого воздуховода по длине должно
уменьшаться. При этом потери давления на любом участке компенсируется
соответствующим снижением динамического давления, в результате чего Нстостается
постоянным по всей длине lвоздуховода.
Методика расчета воздуховодов равномерной раздачи сводится к
уравнению потерь динамического давления в воздуховоде
,
и общих потерь на трение по длине магистрали, т.е. должно
соблюдаться равенство
·γ =
,
где –
и
– скорости воздуха соответственно в
начале и в конце воздуховода, м/сек
– потери на трение по длине магистрали,
кг/м2;
– потери давления в местных
сопротивлениях всех тройников (отверстий, щелей) на проход, кг/м2.
Для упрощения расчета принимаем, что после каждого отверстия
скорость в воздуховоде уменьшается на одну и ту же величину
,
где n – количество отверстий
в магистрали.
Потеря давления в каждом отверстии на проход при давлении
потока равна, кг/м2
тогда общая потеря давления на местные сопротивления при nотверстия составит
Задавшись средней скоростью истечения воздуха υ0
через отверстие или щель при известной его секундной
воздухопроизводительностиL0,
определяют площадь f0 и ширину b0отверстия
;
.
Требуемое статическое давление в воздуховоде, кг/м2,
находят из выражения
=
Полное давление в воздуховоде равно сумме статического и
динамического давлений
Методика расчета воздуховодов переменного статического
давления с равномерной раздачей воздуха аналогична методике расчета
воздуховодов постоянного статического давления. Расход энергии воздуха на
преодоление сопротивлений в этих воздуховодах перекрывается за счет
преобразования части динамического давления в статическое. Причем
воздуховыпускные отверстия в этих воздуховодах должны быть переменных размеров.
Рассчитать воздуховод равномерной раздачи через 15 прямоугольных отверстий.
Расстояние между отверстиями 1,9 м, расход воздуха через отверстие
= 1000м3/ч, скорость
выхлопа υ0=5м/сек. Объемный вес воздуха γ = 1,205 кг/м3.
Площадь живого сечения
отверстия
Конструктивно принимаем длину
отверстия lравной 0,25 м. Тогда ширина отверстия
м2.
Требуемое статическое
давление в воздуховоде
Примем скорость в корне
воздуховода
д.наг = 8 м/сек и в
конце
д.кон = 6 м/сек, тогда падение динамического
давления составит
Площадь сечения воздуховодов
в его корне
откуда dнач =815 мм, удельные потери на трение Rнач=0,073кг/м2·пог.М.
Площадь сечения воздуховода в
конце
. откуда dкон = 0,243 м; Rкон = 0,181 кг/м2
Потери давления на трение по
длине магистрали
Здесь 0,4 – длина участка
воздуховода переменного сечения до первого отверстия, м.
Потери давления на местные
сопротивления проходу воздуха у отверстий
.
Общие потери давления в
магистрали
.
Полученная величина немного
меньше падения динамического давления, равного ∆Hд = 3,5 кг/м2, и эту разницу можно оставить в качестве запаса на
увеличение потерь давления при запылении воздуховода во время его эксплуатации.Р
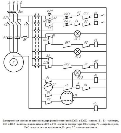
Выбор электрических схем и САУ вентиляцией в помещении
На чертеже представлена электрическая схема автоматического управления
вентиляцией в помещении. Действие ее заключается в следующем. Вентилятор В
смонтирован в главном приточном канале (воздуховоде), в котором находится
заслонка З. В животноводческом помещении находится термореле ТР, которое в
зависимости от температуры воздуха управляет заслонкой З, открывая или закрывая
ее. В результате этого изменяется поступление наружного воздуха в помещение. Когда
электродвигатель работает на автоматическом управлении, то включением и
отключением вентиляторов командует датчик ДТ. При замыкании контактов датчика
получает питание катушка РП, контакты РП которой замыкаются. После чего
оживляется катушка МП и включается магнитный пускатель МП, а последний включит
электродвигатель. Как только температура воздуха в помещении достигнет того
наинизшего значения, которое считается допустимым, датчик ДТ разомкнет цепь
катушки РП, после чего контакты ее РП также разомкнутся, обесточится катушка МП
магнитного пускателя, и последний отключит электродвигатель вентилятора. Приток
наружного воздуха прекратиться. Ознакомится с некоторыми расчетами,
относящимися к вентиляционным установкам. Основными параметрами вентиляторов
считают их производительность и полное давление. При определении мощности
электродвигателя производительность вентилятора считают с учетом потерь или
подсосов в воздуховодах. Кроме того, это расчетное количество воздуха
увеличивают на 10%, когда предполагается применить пластмассовые, металлические
и асбоцементные трубчатые воздуховоды длинной до 50м. Во всех остальных случаях
расчетную производительность вентилятора повышают на 10%. Автоматическое и
ручное дистанционное управление электрокалориферной установкой, а также защита
от аварийных режимов и световая сигнализация предусмотрены в электрической
схеме, предоставлено на рис. Чтобы осуществить автоматическое управление
калорифером, надо переключатель установить в положение А (см. чертеж), после чего
напряжение оживит катушку К2 и электродвигатель вентилятора включится. Если в
это время контакты датчиков температуры замкнуты и, следовательно, температура
в обогреваемом помещении ниже необходимой, то напряжение будет подведено к
катушке Р2. Как только замкнутся контакты реле потока воздуха Р3, катушки К1
окажется включенным калорифер, а заслонка будет установлена электродвигателем
привода на наименьшую подачу воздуха. Если контакты датчика ДТ2 замкнуться, что
укажет на то, что температура воздуха на выходе из калорифера превышает
заданную, включится электродвигатель привода заслонки и повернет жалюзийный
затвор в положение, при котором увеличится подача воздуха. После того как в
помещении температура воздуха станет нормальной, цепь катушки К1 под действием
контактов датчика разомкнется, и калорифер будет выключен от сети.
При резком уменьшении потока воздуха реле Р3 отключает
калорифер.
Как только произойдет обрыв фазы, под напряжением не
симметрии окажется реле обрыва фаз Р5, контакты которого поставят под
напряжение стартер СТ. Катушка аварийного реле Р4 будет под полным напряжением сети
после того, как закончится заданная выдержка времени. Последняя зависит от
продолжительности разогрева электродов стартера СТ и сопротивления К. Катушка
аварийного реле отключит от сети электродвигате6ль вентилятора и калорифер.
Одновременно загорится сигнальная лампа ЛС3. Лишь после устранения
неисправности и снятия напряжения с катушки Р4 с помощью кнопки КНС1 возможно
повторное включение калорифера.
Ручное управление электрокалорифером осуществляется тогда,
когда универсальный переключатель установлен в положении Р. Затем кнопками КнП1
и КнП2 и тумблерами В1 и В2 включают электродвигатель вентилятора, калорифер и
привод заслонки.
Краткая характеристика комплекта оборудования «Климат – 3»
Комплект «Климат-3», кроме осевых вытяжных (ВО-4 до 45 шт.,
или ВО-5,6 до 30 шт., или ВО-7 до 16 шт.), имеет также по два центробежных
вентилятора Ц4-70 (№ 10, или № 8, или № 6) для подачи воздуха в помещения,
увлажнитель воздуха с электроприводом, электромагнитный клапан СВМ-25,
регулирующий клапан с моторным исполнительным механизмомПР-11, по два датчика
температуры теплоносителя типа ТУДЭ и станцию управления типа ШАП5712-ЗЗА2 с
панелью датчиков.
Для привода вентиляторов используют специальные
электродвигатели (табл.9 Приложения), рассчитанные на длительнуюработу при
температуре воздуха от —20 до +450С, относительной влажности воздуха
до 100% (при температуре+20° С) и при содержании в воздухе до 0,08 г/м3аммиака,
до0,022 г/м3сероводорода, до 0,55 углекислого газа, до 3,5 г/м3
мелкой смолистой пыли с диаметром частиц не менее 1 мкм.
Комплекты приточно-вытяжных установок типа ПВУ-4, ПВУ-6 и
ПВУ – 9 состоят каждый из шести приточно-вытяжных шахт, шести силовых блоков и
одного пультауправления и обеспечивают автоматическое поддержание заданной
температуры воздуха в животноводческом помещении в зависимости от наружной и
внутренней температуры. Для подогрева приточного воздуха имеются
электронагревательные элементы. Техническая характеристикаустановок приведена в
таблице 10 Приложения.
В последние годы ВНИИэлектропривод совместно с ВИЭСХом
разрабатывают бесконтактные тиристорныесистемы управления микроклиматом серии
МК («Микроклимат») в животноводческих и птицеводческих помещениях. Начато
серийное производство первого из этих устройств - МК-ВУЗ. Это устройство
обеспечивает автоматическое регулирование скорости вытяжных вентиляторов
посредством изменения напряжения на зажимах двигателей от 80 до 340В.
Устройство смонтировано в навесном шкафу исполнения 1Р54. Одновременно к шкафу
управления можно присоединить 45 электродвигателей АПВ-0,71-4 или 14 двигателей
Д1006П, а также однофазные электродвигатели с вентиляторнойнагрузкой.
Тиристорнаясистема управления позволяет благодаря улучшению
качества регулирования температуры воздуха в помещении обеспечивать
значительную экономию электроэнергии.
Краткая характеристика устройства и узлов комплекта
оборудования «Климат – 3»
Комплект оборудования <<Климат - 3>> состоит из
двух приточных вентиляционно-отопительных агрегатов 3, системы увлажнения
воздуха, приточных воздуховодов 6, комплекта вытяжных вентиляторов 7 (16 или 30
шт.), станции управления 1 с панелью датчиков 8. Вентиляционно-отопительный
агрегат 3 предназначен для нагрева и подачи теплого воздуха зимой и наружного
воздуха летом в помещении с увлажнением его при необходимости. Состоит из
четырех водяных калориферов с регулируемой жалюзийной решеткой, центробежного
вентилятора с трехскоростным электродвигателем, позволяющим получать различные
производительность и напор воздуха. Система увлажнения воздуха включает
разбрызгиватель (электродвигатель с диском на валу), установленный в патрубке
между калориферами и рабочим колесом вентилятора, а также напорный бак 5, трубу
подачи воды на разбрызгиватель с электромагнитным клапаном 4, автоматически
регулирующим степень увлажнения воздуха. Для отбора крупных капель воды из увлажненного
воздуха на нагревательном патрубке вентилятора установленкаплеуловитель,
состоящий из отсекающих фигурных пластин. Вытяжные вентиляторы 7 обеспечивают
удаление загрязненного воздуха из помещения. Они снабжены клапанами в виде
жалюзи на выходе, открывающимися под действием потока воздуха. Подачу воздуха
регулируют изменением частоты вращения электродвигателя, на который надето
рабочие колесо с лопатками. Станция управления 1 с панелью датчиков
обеспечивает автоматическое или ручное управление системой вентиляции. Горячая
вода из котельной попадает в калориферы вентиляционно-отопительных агрегатов 3
через регулирующий клапан 2. Просасываемый через калориферы нужный воздух нагревается
и вентилятором подается по распределительным воздуховодам 6 в помещении. При
повышении температуры в помещении выше заданной автоматически перекрывается
клапан 2, ограничивая подачу горячей воды в калориферы, и увеличивается частота
вращения вытяжных вентиляторов 7. При снижении температуры ниже заданной автоматически
увеличиваются открытие клапана 2 и частота вращения вентиляторов 7. В летний
период приточные вентиляторы включают только для увлажнения воздуха и
вентиляции происходит за счет работы вытяжных вентиляторов. При низкой
влажности воздуха вода из бака по трубопроводу подается на вращающийся диск
разбрызгивателя. Мелкие капли увлекаются потоком воздуха и испаряются, увлажняя
приточный воздух. Крупные задерживаются в каплеуловители и по трубке стекают в
канализацию. При повышении влажности воздуха в помещении выше заданной
электромагнитный клапан автоматически перекрывается и уменьшает подачу воды в
разбрызгиватель. Пределы заданной температуры и влажности воздуха в помещении
устанавливают на станции управления 1. Сигналы об отклонениях от заданных
параметров поступают с датчиков 8.
Техника безопасности на животноводческих фермах
К работе на механизмах и машинах, установленных на животноводческих
фермах, допускаются лица не моложе 18 лет, знакомые с устройством машин,
правилами эксплуатации, и прошедшие инструктаж по технике безопасности. На
кормоприготовительных машинах нельзя работать в широкой одежде и в фартуках.
Женщины должны убрать волосы под головной убор. Без надзора запрещается
оставлять работающие машины. После ремонта или длительной остановки, машины или
оборудование запускают с разрешения инженера или механика. Перед пуском машин в
работу их проверяют на исправность, прочность крепежи болтовых соединений,
наличия защитных кожухов на зубчатых, цепных и ременных передачах, выступающих
концах вращающихся валов. Если машины и оборудование приводятся в движение
электроэнергией корпуса электродвигателей, пусковых приборов, машин и оборудования
которые могут оказаться под напряжением, заземляют. Для надежности и
эффективности заземления рекомендуется забить несколько заземлителей (не меньше
двух), которые соединяют между собой заземляющими шинами. Трубы забивают на
небольшом расстоянии друг от друга, чаще всего на расстоянии, равном длине
трубы. Сопротивление растеканию заземления, состоящего из mтр
труб, определяется зависимостью:
где
- сопротивление растеканию
одиночного заземлителя;
- коэффициент использования
заземлителей, учитывающий взаимное расположение, экранирование труб и другие
факторы (берется по справочным данным). Для двух труб, расположенных на
расстоянии, равном длине трубы
= 0,85. Общая
проводимость заземлителя, состоящего из mтр труб
и соединяющих их ленты, определяется как сумма проводимостей труб и ленты. Для
устройства заземлителей в системах, работающих до 1000 в, можно также
пользоваться защитными оболочками кабелей и трубами водопроводной сети. Однако в
животноводческих хозяйствах следует с особой осторожностью подходить к
использованию естественных заземлителей. В частности совершенно недопустимо
использование металлических конструкций животноводческих помещений и труб
системы автопоения в качестве естественных заземлителей. Более того, в целях
предотвращения поражения животных через систему автопоения в электрифицированных
хозяйствах рекомендуется на магистральном трубопроводе устанавливать
изоляционные патрубки из плексигласа, стекла или резины. Эти патрубки, разделяя
систему автопоения на части, ограничивают зону распространения опасных
потенциалов. Установка изолирующих патрубков также желательна в местах
пересечения трубопровода и электрических проводов. Их следует устанавливать по
обе стороны от места пересечения. Сопротивление растеканию заземлителей в
различное время года на остается постоянным. Оно зависит от климатических
особенностей данной местности и конкретных почвенных условий. Поэтому при
расчетах заземления проверяют возможное увеличение удельного сопротивления
грунта в менее благоприятный период года. Это делается путем умножения опытной
величины удельного сопротивления на соответствующий коэффициент:
где
- опытная величина
сопротивления грунта;
- коэффициент, учитывающий
возможное повышение удельного сопротивления грунта в течении года, по сравнению
с опытным его значением. Этот коэффициент принимается по справочным данным.
Контрольные измерения сопротивлений и проверка состояния
наружной части заземляющей и зануляющей проводок производиться не реже одного
раза в год. Проверка заземления делается поочередно: один раз в наиболее сухой период
лета, а другой – в наиболее морозный период зимы.
Существует несколько способов измерения сопротивления
заземлителей. Наиболее простым и доступным в условиях животноводческих хозяйств
является метод состоит в том, что вначале производится три измерения напряжения
и тока между испытываемым заземлителем А и достаточно от него удаленными
вспомогательными электродами В и С.
После этого составляют три уравнения, выражающих суммы
сопротивлений:
Решая полученные уравнения, находят искомое значение сопротивления
заземлителя RА.
Для большей точности определения RА
рекомендуется измерять напряжение высокоомным вольтметром.
Первая помощь людям и животным при поражении их
электрическим током.
При поражении током человека необходимо:
немедленно прекратить протекание тока через пострадавшего,
выключив рубильник или отведя токоведущую часть от пострадавшего с помощью
сухой деревянной палки, доски или других токонепроводящих предметов. Для этой
цели лучше всего иметь резиновые перчатки, резиновые сапоги и галоши;
быстро расстегнуть одежду, стесняющую дыхание; осторожно
разжать рот деревянным предметом; очистить рот и вытянуть язык, запавший в гортань;
создать приток свежего воздуха, открыв окна или дверь; при
плохом дыхании или его отсутствии делать искусственное дыхание и продолжать его
до прихода врача.
Во время искусственного дыхания нельзя допускать охлаждения
пострадавшего (оставлять на сырой земле, на бетонном полу). Рекомендуется
прикладывать грелку к туловищу и ногам пострадавшего.
Совершенно недопустимо оказание ”помощи” пораженному током
путем сильного встряхивания или закапывания тела в землю. Такие способы
приносят только вред.
При искусственном дыхании животное кладут на спину, голове
его дают наклонное положение и затем медленно (сообразно с нормальным количеством
дыхательных движений в минуту) разгибают и сгибают передние конечности. Одновременно
с этим для возбуждения движения диафрагмы надавливают на брюшную стенку. Рекомендуется
также ритмично потягивать язык пострадавшего животного и производить
раздражение нервных окончаний кожи растиранием. Понаблюдением профессора Ф. Н.
Щепетова, хорошие результаты дает лобелин при подкожном его введении.
При остановке сердечной деятельности необходимо применять
массаж области сердца, а также вводить под кожу камфору, кофеин, эфир или
спирт.
Для спасения пораженных током главную роль играет быстрота
оказания первой медицинской помощи. Статистические данные показывают, что
помощь, оказанная людям в течение первой минуты после поражения током, дала
положительные результаты более чем в 90% случаев. При оказании помощи
попрошествии 6 минут положительные результаты достигались всего лишь в 10%
случаев, а по истечение 12 минут положительный эффект был весьма редким
исключением.
Вывод
В данной курсовой работе я рассчитал животноводческое помещение,
с искусственным микроклиматом, под которым понимают совокупность физических,
химических и биологических факторов, оказывающих определенное влияние на
развитие и функционирование организма животного, и ее физиологическое
состояние. К основным критериям оценки окружающей среды, где обитает животное,
отнесли температуру, влажность, скорость движения и химический состав воздуха,
содержание в нем механических включений (пыли) и микроорганизмов, освещенность
помещения. Температуру воздуха в коровнике обеспечивали с помощью приточо - вытяжной
вентиляции, т. е. соблюдали равновесие между теплообразованием и теплоотдачей в
организме животного, т. е. находились в диапазоне, обеспечивающий обмен веществ
на постоянном уровне. Для обеспечения максимальной эффективности вентиляционной
системы, она была спроектирована с учетом особенности конструкции здания, в
котором она устанавливается.
Список используемой литературы
Ерошенко
Г.П., Пястолов А. А. Курсовое и дипломное проектирование по эксплуатации
электрооборудования. –М. – Агропромиздат 1988.
Ерошенко
Г. П. Эксплуатационные свойства электрооборудования. – Саратов: Издательство
СГУ, 1984.
Егорушкин
В. Е. и др.”Основы теплотехники и теплоснабжения сельскохозяйственных
предприятий” Москва. КолосС. 1982г.
Электротехнический
справочник,. В 3т/ Под общ. Ред. Профессоров МЭИ: И. Н. Орлова (гл.ред.) и др.
– 7е изд. М., 1988.
Гусев
В.М. ”Теплоснабжение и вентиляции” Ленинград. Стройиздат. 1975.
Межотраслевые
правила по охране труда (правила безопасности) при эксплуатации
электроустановок (с изменениями и дополнениями), 2003.
Приложения
Таблица 1. Параметры воздуха в животноводческих помещениях
(по НТП-СХ.1—72 и НТП-СХ.2—68).
Помещение
|
Расчетные параметры воздуха в помещении
|
|
Температура
0С
|
Относительная влажность %
|
Скорость движения воздуха м/с
|
Воздухообмен на 1ц. массы животного, а %
|
|
С беспривязным содержанием коров
|
3
|
85
|
0,5-1
|
17
|
|
Привязное содержание коров
|
10
|
70
|
0,5-1
|
17
|
|
Телятники
|
10
|
70
|
0,3-0,5
|
20
|
Таблица 2. Количество тепла, углекислоты и водяных паров,
выделяемых животными (по НТП-СХ.1—72 и НТП-СХ.2—68)
Вид животных
|
Живая масса, кг
|
Количество выделяемыхна одну голову
|
|
свободного тепла, кДж/ч
|
углекислоты,GУК л/ч
|
Водных паров, G г/ч
|
|
Коровы сухостойные
|
400 600
|
2380 2800
|
110 138
|
350
440
|
|
Коровы лактирующие:
с удоем 10 л в сутки
|
400 600
|
2300 2880
|
114
143
|
364
455
|
|
с удоем 30 л в сутки
|
400 600
800
|
3540 4050
4550
|
175 200
225
|
560
642
721
|
|
Телята в возрасте:
до 1 месяца
|
30
50
80
|
302
524
775
|
15
26
38
|
47
83
121
|
|
60
|
650
|
32
|
102
|
|
от 1 до 3 месяцев
|
100
|
850
|
42
|
135
|
|
130
|
1150
|
57
|
182
|
|
90
|
747
|
37
|
118
|
|
от 3 до 4 месяцев
|
150
|
1150
|
57
|
183
|
|
200
|
1520
|
75
|
240
|
|
Молодняк в возрасте от 4 месяцев до 1 года
|
120 250
350
|
973 1500
1970
|
48
74
97
|
153
236
310
|
Таблица 3. Поправочные
коэффициенты для определения тепло и влаговыделений животными при различных температурах
воздуха
|
Температура 0С
|
Поправочный коэффициент для определения свободного
тепла/водяных паров, выделяемых
|
|
крупным рогатым скотом
|
свиньями
|
|
-10
|
1,31/0,61
|
-----
|
|
-5
|
1,19/0,67
|
1,59/0,72
|
|
0
|
1,08/0,76
|
1,27/0,83
|
|
+5
|
1,05/0,86
|
1,08/0,98
|
1/1
|
1/1
|
|
+15
|
0,96/1,24
|
0,98/1,15
|
|
+20
|
0,93/2,04
|
1,15/1,53
|
|
+25
|
0,89/2,49
|
1,47/1,96
|
Таблица 4.Физические свойства влажного воздуха придавлении
101,3 кПа (760 мм рт. ст.)
|
Температура,°С
|
Плотность сухого воздуха,кг/м3
|
Влагосодержанне воздуха в насыщенном состоянии, dнаст.нг/м3
|
Температура, °С
|
Плотность сухого воздуха, кг/м3
|
Влагосодержанне воздуха в насыщенном состоянии, г/м3
|
|
-20
|
1,396
|
0,88
|
6
|
1,265
|
7,3
|
|
-19
|
1,394
|
0,96
|
7
|
1,261
|
7,8
|
|
-18
|
1,385
|
1,05
|
8
|
1,256
|
8,3
|
|
-17
|
1,379
|
1,15
|
9
|
1,252
|
8,8
|
|
-16
|
1,374
|
1,27
|
10
|
1,248
|
9,4
|
|
-15
|
1,368
|
1,38
|
11
|
1,243
|
10,0
|
|
-14
|
1,363
|
1,51
|
12
|
1,239
|
10,7
|
|
-13
|
1,358
|
1,65
|
13
|
1,235
|
11,4
|
|
-12
|
1,353
|
1,80
|
14
|
1,230
|
12,1
|
|
- 11
|
1,348
|
1,96
|
15
|
1,226
|
12,8
|
|
-10
|
1,342
|
2,14
|
16
|
1,222
|
13,6
|
|
-9
|
1,337
|
2,33
|
17
|
1,217
|
14 5
|
|
-8
|
1,332
|
2,54
|
18
|
1,213
|
15,4
|
|
-7
|
1,327
|
2,76
|
19
|
1,209
|
16,3
|
|
-6
|
1,322
|
2,99
|
20
|
1,205
|
17,3
|
|
- 5
|
1,317
|
3,24
|
21
|
1,201
|
18,3
|
|
-4
|
1,312
|
3,51
|
22
|
1,197
|
19,4
|
|
-3
|
1,308
|
3,81
|
23
|
1,193
|
20,6
|
|
-2
|
1,303
|
4,13
|
24
|
1,189
|
21,8
|
|
-1
|
1,298
|
4,47
|
25
|
1,185
|
23,0
|
|
0
|
1,293
|
4,84
|
26
|
1,181
|
24,4
|
|
1
|
1,288
|
5,22
|
27
|
1,177
|
25.8
|
|
2
|
1,284
|
5,60
|
28
|
1,173
|
27,2
|
|
3
|
1,279
|
5,98
|
29
|
1,169
|
28,7
|
|
4
|
1,275
|
6,40
|
30
|
1,165
|
30,3
|
|
5
|
1,270
|
6,84
|
-
|
-
|
-
|
Таблица 5. Некоторые технические характеристики оборудования
электровентиляции.
|
Обозначение типоразмера
|
Подача воздуха при давлении 20Па, тыс. м3/ч
|
Масса типоразмера, кг
|
Оборудование
Климат
|
18,0
|
295(140)
|
|
48,0
|
435(280)
|
|
60,0
|
495(340)
|
|
30,0
|
395(240)
|
|
70,0
|
640(485)
|
|
90,0
|
760(610)
|
|
104,0
|
600(445)
|
|
130,0
|
698(540)
|
Таблица 6. Значение коэффициента теплопередачи для наружных
стен с внутренней штукатуркой.
|
Сплошная кладка из кирпича с толщиной прослойки
>13,5см:
тяжелый раствор
легкий раствор
|
Толщина стены, см:
13,5
39,5
|
Поправочный коэффициент k:
3,06
1,46
|
|
Сплошная кладка из кирпича толщина прослойки >50см:
тяжелый раствор
легкий раствор
|
43,5
43,5
|
1,35
1,24
|
|
Дверь деревянная, наружная, одинарная
|
___
|
2,3
|
|
Дверь деревянная, наружная, двойная
|
___
|
2,3
|
|
Окна с двойным переплетом
|
Расстояние между стеклами см:
12
20
|
2,7
2,85
|
Таблица 8. Некоторые технические характеристики
электрокалориферов серии СФО.
|
Мощность кВт
|
16,8
|
25
|
40
|
60
|
100
|
160
|
250
|
|
Перепад температуры 0С
|
29
|
42
|
43
|
42
|
46
|
47
|
47
|
|
Производительность кг/ч
|
1999
|
2125
|
3375
|
5130
|
9000
|
12000
|
8710
|
Таблица 9. Технические данные электродвигателей,
используемых для привода вентиляторов серии ВО.
|
Тип двигателя
|
Мощность, кВт
|
Частота вращения, об/мин
|
Ток статора при напряжении 380В, А
|
,%
|
|

|
Диапазоны регулирования частоты вращения
|
|
Д80А4П
|
0,25
|
1290
|
0,93
|
64
|
0,64
|
4,5
|
5:1
|
|
Д80АВ6П
|
0,37
|
830
|
1,4
|
63
|
0,64
|
3,5
|
10:1
|
|
Д1006П
|
1,1
|
830
|
3,2
|
68
|
0,77
|
4,0
|
8:1
|
|
АПВ-0,71-4
|
0,25
|
1440
|
0,9
|
65
|
0,67
|
3,5
|
6:1
|
Таблица 10 Техническая характеристикаустановок ПВУ – 4, ПВУ
– 6 и ПВУ – 9.
|
Параметры
|
Установки
|
|
ПВУ -4
|
ПВУ - 6
|
ПВУ - 9
|
|
Воздухопроизводительность, м3/ч:
приток
вытяжка
|
4000
3400
|
6000
5300
|
9000
8000
|
|
Теплопроизводительность, кВт:
наибольшая
наименьшая
|
15
7,5
|
15
7,5
|
19,2
9,6
|
|
Габаритные размеры, мм:
высота
диаметр
|
5200
1000
|
6400
1150
|
6850
1250
|
|
Масса (с монтажной плитой), кг
|
340
|
470
|
630
|