Анализ, расчеты и оптимизация конструкторско-технологических размерных цепей корпусных деталей авиадвигателей
Лабораторная
работа
Анализ,
расчеты и оптимизация конструкторско-технологических размерных цепей корпусных
деталей авиадвигателей
Цель работы:
1. Приобрести навыки анализа топографии
размеров-координат поверхностей корпусных деталей АД.
2. Приобретение навыков выявления
совокупностей взаимосвязанных размеров, формирования размерных цепей и расчета
их замыкающих и составляющих звеньев.
. Приобрести навыки расчета ожидаемых
значений предельных отклонений чертежных размеров и вероятностей брака для
случаев использования замыкающих звеньев размерных цепей чертежа деталей в
качестве технологических размеров.
. Усвоить основные понятия, термины и
методику размерного анализа и оптимизации конструкторско-технологических
размерных цепей деталей авиадвигателей.
. Сформулировать выводы по работе.
топография
размер корпусная деталь авиадвигатель
Исходные
данные
Рисунок 1 - Эскиз корпусной детали.
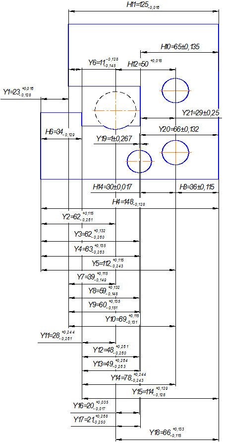
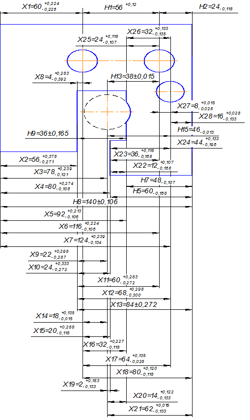
Рисунок 2 - Размерная схема по
координате Х.
Расчет размерных цепей по координате Х:
;
;
;
;
;

Рисунок 3 - Размерная схема по
координате Y.
Расчет размерных цепей по координате
Y:

Исходя из обеспечения обработкой в
соответствующих технологических операциях сначала заданных размеров детали Н8з
и Н2з, затем расчетного значения размера Х1р размер Н1
станет действительным замыкающим звеном в цепи:
Н1д
= Н8з - Н2з -
Х1р.
Необходимо для одной этой цепи определить
ожидаемые предельные отклонения от номинального значения размера звена и
вероятность брака детали по размеру Н1д, принимая характер
рассеяния его возможных действительных значений при обработке достаточно
большой партии деталей близким к закону Гаусса.
Согласно варианту №21:
,
то
.
Однако если обработкой сначала
обеспечить размеры Н8з, Н2з и Х1р, то звено
получается
последним в процессе обработки звеньев данной цепи «само собой», т.е.
становится замыкающим:
.
Таким образом, ожидаемые действительные
предельные значения размера Н1д вышли за пределы наибольшего и
наименьшего значений заданного размера H1з и определенная часть партии деталей будет
некондиционной, т.е. бракованной. Для определения вероятности брака необходимо
построить расчетную схему (рис. 4), на которой указать:
значения заданных минимального (H1минз), номинального (H1номз) и максимального (H1максз) размеров:

= 56,120 мм,

=
=56 мм
- величину (
) и границы
поля допуска:
- ожидаемые действительные размеры H1д:
минимальный (H1минд),
номинальный (H1номД),
и максимальный (H1максд):

=55,670 мм

=56
мм

=56,450 мм;
- величину (
) и границы
поля рассеяния:
- координату центра группирования размеров:
H1ц = 0,5(H1максД + H1минД)
= 0,5(56,450+55,670) = 56,060 мм;
- величину смещения центра группирования от
положения номинального размера:
а= H1ц - H1номЗ = 56,060 - 56 = +0,060 мм;
- величины расстояний от центра группирования до
нижней (В1) и верхней (В2) границ поля допуска:
Принимая
получаем
,
где
- среднеквадратичное отклонение
размеров.
Определяем величины нормированной
функции Лапласа для параметров
и
:
По таблице Лапласа находим ее
значения для соответствующих
и
(табл.1):
и
.
Вероятность брака составит:
.
Выводы: в
проделанной лабораторной работе был построен эскиз детали согласно заданным
данным. Был проведен анализ топографии заданных размеров детали и определены
все возможные функциональные размерные цепи по координатам Х и У, выявлены в
них увеличивающие, уменьшающие и замыкающие звенья. Определены значения
номинальных размеров, допуски и предельные отклонения. На примере размера Н1
была построена кривая Гаусса, определяющая процент некондиционных деталей
(64,6%).