Анализ напряженного состояния стержня при одновременном действии изгиба и кручения
Министерство
транспорта Российской Федерации
Федеральное
агентство железнодорожного транспорта
ФГБОУ
ВПО «Дальневосточный государственный университет путей сообщения»
Естественнонаучный
институт
Кафедра
«Системы автоматизированного проектирования»
анализ
Напряженного состояния стержня при одновременном действии изгиба и кручения
Курсовая
работа
КР.230104.65.М.03.00.933
Исполнитель
студент В.С.
Бурцева
Руководитель
доцент О.П.
Ткаченко
Хабаровск
2012
Содержание
1.
Введение
.
Теоретическая часть
.1
Совместное действие изгиба с кручением
.2
Определение внутренних усилий при кручении с изгибом
.3
Расчет валов кругового (кольцевого) поперечного сечения на кручение с изгибом
.4
Расчет брусьев прямоугольного сечения на кручение с изгибом
.
Практическая часть
Заключение
Список
используемой литературы
изгиб кручение стержень
1. Введение
Курсовая работа предусматривает две части:
теоретическую и практическую.
Теоретическая часть посвящена изучению состояния
стержня при одновременном действии изгиба и кручения. Актуальность данной темы
заключается в том, что многие элементы строительных машин и механизмов работают
как на изгиб, так и на кручение. Наиболее характерными деталями машин,
работающими в таких условиях, являются валы. Поэтому правильность расчета
прочности таких валов является не последней по значимости темой современной
теории сопротивления материалов.
В теоретической части рассмотрены такие вопросы
как определение внутренних усилий при кручении с изгибом, расчет валов
кругового (кольцевого) поперечного сечения на кручение с изгибом и расчет
брусьев прямоугольного сечения на кручение с изгибом, а так же раскрыт вопрос,
касающийся расчета напряжений в валах и стержнях из разного материала.
Практическая часть включает в себя пример решения
задачи по данной теме.
2. Теоретическая часть
.1 Совместное действие изгиба с кручением
На практике деформации кручения часто
сопутствует изгиб. Как правило, при работе вал изгибается собственным весом,
весом шкивов, давлением на зубья шестерен, натяжением ремней и т.д. Сочетание
изгиба с кручением имеет место в пространственных рамах, коленчатых валах и
других элементах конструкций.
В случае изгиба с кручением от крутящего момента
в поперечных сечениях бруса возникают касательные напряжения, которые
рассчитываются по-разному для круглых и прямоугольных брусьев. Вследствие
этого, рассматривать расчет сечений произвольной формы не представляется
возможным.
Кручение с изгибом - частный случай сложного
сопротивления, который может рассматриваться как сочетание чистого кручения и
поперечного изгиба.
.2 Определение внутренних усилий при кручении с
изгибом
Для определения внутренних усилий пользуются
методом сечений:
Обычно две составляющие поперечной силы (Qy, Qz)
и изгибающего момента (My, Mx) приводят к их полным результирующим:
;
Заметим, что часто поперечной силой пренебрегают
(для достаточно длинных валов) и рассматривают кручение с изгибом как
совместное действие крутящего (Mz, Mкр, T) и изгибающего (Mи) моментов.
.3 Расчет валов кругового (кольцевого)
поперечного сечения на кручение с изгибом
Исследуем этот вид деформации стержня на примере
расчета вала кругового (кольцевого) поперечного сечения на совместное действие
изгиба и кручения (рис. 1).
Рисунок 1 - Пример вала кругового сечения
Примем следующий порядок расчета.
1) Все
внешние силы разлагаются на составляющие
F1x, F2x,..., Fnx и F1y, F2y,..., Fny.
) Строим эпюры изгибающих моментов Mx и My. от
этих групп сил.
У кругового и кольцевого поперечного сечений все
центральные оси главные, поэтому косого изгиба у вала вообще не может быть.
Следовательно, нет смысла в каждом сечении иметь два изгибающих момента Mx, и
My, а целесообразно их заменить результирующим (суммарным) изгибающим моментом:
,
который вызывает прямой изгиб в плоскости его
действия. Эпюра суммарного момента имеет пространственное очертание и поэтому
неудобна для построения и анализа. Обратим внимание на то, что центральный
участок этой эпюры является нелинейным.
) Строится эпюра крутящего момента Мz. Эпюра
крутящих моментов строится так же, как и при чистом кручении.
) Находится опасное сечение вала.
Опасное сечение вала будем искать, как и прежде,
по эпюрам внутренних усилий. При построении эпюр внутренних усилий при кручении
с изгибом необходимо иметь ввиду следующие правила:
эпюры крутящего момента Mx, а также эпюры
составляющих поперечной силы Qy, Qz и изгибающего момента My, Mz строятся по
той же процедуре, что и ранее;
результирующая поперечная сила Q может не лежать
в плоскости действия результирующего изгибающего момента Mи, а потому между
ними уже не будет соблюдаться зависимость Журавского (dM/dx=Q), а,
следовательно, и правила проверки эпюр, введенные для плоского изгиба;
эпюра полного изгибающего момента будет прямой
только на тех участках, где My и Mz ограничены прямыми с общей нулевой точкой,
на участках, где такая общая точка отсутствует эпюра Mи будет описываться
вогнутой кривой и строится по точкам (связано с тем, что вектор Mи в разных
сечениях имеет различное направление).
Опасное сечение при кручении с изгибом
устанавливается из совместного анализа эпюр крутящего Mx и полного изгибающего
Mи моментов. Если в сечении вала постоянного диаметра с наибольшим изгибающим
моментом М действует наибольший крутящий момент Мкр, то это сечение является
опасным.
Если же такого явного совпадения нет, то опасным
может оказаться сечение, в котором ни М ни Мкр не являются наибольшими. Еще
больше осложняется задача при валах переменного диаметра; у таких валов
наиболее опасным может оказаться такое сечение, в котором действуют значительно
меньшие изгибающие и крутящие моменты, чем в других сечениях.
В случаях, когда опасное сечение не может быть
установлено непосредственно по эпюрам М и Мкр , необходимо проверить прочность
вала в нескольких предположительно опасных сечениях.
) После установления опасного сечения вала в нем
находят опасные точки. В сечении возникают одновременно нормальные напряжения
от изгибающего момента и касательные напряжения от крутящего момента и
поперечной силы. В валах круглого сечения, длина которых во много раз больше
диаметра, величины наибольших касательных напряжений от поперечной силы
относительно невелики и при расчете прочности валов на совместное действие
изгиба и кручения не учитываются.
Наибольшие напряжения изгиба возникают в точках
k и k', наиболее удаленных от нейтральной оси n-n (рис. 2),
,
где Wизг - момент сопротивления при изгибе.
В этих же точках имеют место и наибольшие
касательные напряжения кручения
где Wр- момент сопротивления при кручении.

Рисунок 2 - Сечение вала
Как видно из рисунка 2, в данном случае имеет
место плоское напряженное состояние и расчет на прочность должен вестись по
одной из гипотез прочности. Для пластичных материалов применяют теорию
наибольших касательных напряжений (III) или энергетическую теорию (IV).
Условие прочности по III теории записывается в
виде:
или
,
где
-
эквивалентный момент по третьей теории прочности.
Условие прочности по IV теории прочности
записывается в виде
или
,
где
-
эквивалентный момент по четвертой теории прочности.
Для хрупких материалов может быть использована
гипотеза прочности Мора, которая для пластичных материалов приводится к третьей
теории, а для очень хрупких - к первой теории.
.
Аналогичный расчет проводится и для кольцевого
сечения.
.4 Расчет брусьев прямоугольного сечения на
кручение с изгибом
Рассмотрим брус прямоугольного сечения,
нагруженный таким образом, что в его поперечных сечениях действуют изгибающие
моменты Mz и My, а также крутящий момент Mx (рис. 3).
Рисунок 3 - Брус прямоугольного сечения и
действующие моменты
Чтобы проверить прочность бруса, нужно в опасном
сечении найти опасную точку, вычислить для нее эквивалентное напряжение (по
одной из теорий прочности) и сопоставить его с допускаемым напряжением.
Для нахождения опасной точки сечения построим
эпюры напряжений от всех силовых факторов (рис. 4). Эпюры нормальных и
касательных напряжений наглядно показывают, что, в отличие от круглого сечения,
точки, в которых имеют место максимальные нормальные и максимальные касательные
напряжения, не совпадают. Вследствие этого, условие прочности составляют, как
минимум для трех наиболее опасных точек поперечного сечения. Опасной точкой по
нормальным напряжениям является точка С, в которой
от
My и
от
Mz положительны, или точка A, в которой
от
My и
от
Mz также одного знака, но отрицательны. Касательные напряжения от крутящего
момента в этих точках равны нулю. Таким образом, в этих точках имеет место
линейное напряженное состояние.
Рисунок 4 - Эпюры напряжений от всех силовых
факторов
Опасной точкой по касательным напряжениям
является точка N (или L), лежащая в середине длинной стороны прямоугольника.
Кроме того, в этой точке действуют максимальные нормальные напряжения от
изгибающего момента My. Следует отметить, что в точке M (или K), расположенной
в середине короткой стороны также действуют касательные напряжения (несколько
меньшие
)
и максимальные нормальные напряжения от Mz. Таким образом, в точках поперечного
сечения N, M, (L, K) имеет место плоское напряженное состояние, которое
обуславливает использование теорий прочности при расчетах на прочность. Для
пластичных материалов применяют III (наибольших касательных напряжений) и IV
(энергетическую) теории прочности. Составим условия прочности для трех
предположительно опасных точек поперечного сечения
т. C:
;
т. N:
,
;
т. M:
,
,
.
Расчетная формула по четвертой теории прочности:
.
Для хрупких материалов может быть использована
теория прочности Мора, которая для пластичных материалов приводится к третьей
теории, а для очень хрупких - к первой теории:
.
3. Практическая часть
Пример расчета вала на совместное действие
изгиба и кручения
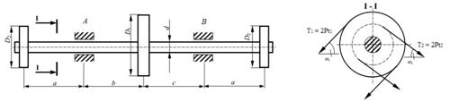
Задача: Шкив, диаметром D1 и с углом наклона
ветвей ремня к горизонту α1 вращается с
угловой скоростью ω (делает n
оборотов в минуту) и передает мощность W кВт (рис). Два других шкива имеют
одинаковый диаметр D2 и одинаковые углы наклона ветвей ремня к горизонту α2.
Каждый
из них передает мощность
.
Рисунок - Рисунок к задаче
Требуется:
определить моменты, приложенные к шкивам, по
заданным величинам W и n;
построить эпюру крутящих моментов Mz;
определить окружные усилия Pt1 и Pt2,
действующие на шкивы по найденным моментам и диаметрам шкивов D1 и D2;
определить силы, изгибающие вал в горизонтальной
и вертикальной плоскостях (вес шкивов не учитывать);
построить эпюры изгибающих моментов от
горизонтальных сил My и вертикальных сил Mx;
построить эпюру суммарных изгибающих моментов,
используя формулу Mи =
;
найти опасное сечение и определить величину
максимального расчетного момента (по третьей теории прочности);
подобрать необходимый диаметр вала d при
расчетном сопротивлении материала σ = 70
Мпа;
найти эквивалентное напряжение.
Исходные данные задачи: W = 40 кВт; n = 600
об/мин; a = 1,8 м; b =
= 1,4 м; c = 1,6 м; D1 = 1,4 м; D2 = 0,6 м; α1
= 40°; α2 = 60°.
Решение задачи:
) Используя заданные значения мощности W и числа
оборота вала в минуту n, находим крутящий момент M1, приложенный к ведущему
шкиву:
=
,
ω =
;=
=
0,637 кН∙м;
Крутящие моменты, приложенные к ведомым шкивам,
равны:
= M3 =
=
0,318 кН∙м.
) Эпюра крутящих моментов
кр2 = -M2 = -0,318 кН∙м;
Мкр1 = -М2+М1 = 0,318 кН∙м;
Мкр3 = М2 = 0,318 кН∙м.
Рисунок - Эпюра крутящих моментов Mz
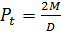
) Определяем окружные усилия по формулам
,
;=
=
=909,91
Н;=
=
=1061,57
Н.
) Силы, изгибающие вал определяются по формулам:
, Fx = F∙cosα,
Fy = F∙sinα;x
= 3
∙cos40°
= 3∙909,91∙0,766 = 2090,97 Н;x = 3
∙cos60°
= 3∙1061,57 ∙0,5 = 1592,36 Н;y = 3
∙sin40°
= 3∙909,91∙0,6428 = 1754,67 Н;y = 3
∙sin60°
= 3∙1061,57∙0,866 = 2757,96 Н.
) Используя полученные значения проекций сил,
действующих на вал, нужно построить эпюры изгибающих моментов в вертикальной
(Мx) и горизонтальной (My) плоскостях. Для этого необходимо определить опорные
реакции вала.
Рассмотрим силы, действующие на вал в
вертикальной плоскости.
Рисунок - Силы, действующие на вал в
вертикальной плоскости

= 3576,81 Н;
=
=
= 3693,78 Н;
Проверка:
;
,81+3693,78 - 2∙2757,96 - 1754,67 =
7270,59 - 7270,59 = 0.
Построение эпюры Mx.
≤ z ≤ 1,8(0) = 0;(1,8) = F2y∙1,8
= 4964,33 Н∙м;
,8 ≤ z ≤ 3,2(3,2) = F2y∙3,2 -
∙1,4
= 2757,96∙3,2 - 3693,78∙1,4 = 3654,2 Н∙м;
Если взять 0 с правого конца вала, получим:
≤ z ≤ 1,8(0) = 0;(1,8) = F2y∙1,8
= 4964,33 Н∙м;
,8 ≤ z ≤ 3,4(3,4) = F2y∙3,4 -
∙1,6
= 2757,96∙3,4 - 3576,81∙1,6 = 3654,2 Н∙м;
Рисунок - Эпюра изгибающих моментов Mx
Рассмотрим силы, действующие на вал в
горизонтальной плоскости.
Рисунок - Силы, действующие на вал в
горизонтальной плоскости
=
=
= 616,57 Н;
=
=
=477,19 Н;
Проверка:
;
,76 - 3184,73 + 2090,97 = 3184,73 - 3184,73 = 0.
Построение эпюры My.
0 ≤ z ≤ 1,8(0) = 0;(1,8)
= F2x∙1,8 = 2866,25 Н∙м;
,8 ≤ z ≤ 3,2(3,2)
= F2x∙3,2
-
∙1,4
= 5095,55 - 668,07 = 4427,25 Н∙м;
Если взять 0 с правого конца вала, получим:
0 ≤ z ≤ 1,8(0) = 0;(1,8)
= F2x∙1,8 = 2866,25 Н∙м;
,8 ≤ z ≤ 3,4
My(3,4) = F2x∙3,4 -
∙1,6
= 5414,02 - 986,51 = 4427,5 Н∙м;
Рисунок - Эпюра изгибающих моментов My
) Эпюра суммарных изгибающих моментов строится
по значениям Mx и My. Воспользуемся формулой:
;
= 0;
5731,95;
5740,21;
5731,95;
= 0;
Строим эпюру по получившимся значениям:
Рисунок - Эпюра суммарных изгибающих моментов Mu
) Из найденных эпюр видно, что опасное сечение
находится в положении ведущего шкива. В опасном сечении действуют следующие
силовые факторы:
5740,21, Мкр1 =
0,318 кН∙м.
Расчетный момент равен:
=
=
5748,8 Н∙м.
8) Диаметр вала определяем из условия прочности
при совместном действии изгиба и кручения:
,
где
.
Так как дано только расчетное напряжение, в
формулу, данную выше, вместо
подставим
.
Из этого следует:
=
=
=
0,094 м.
) Эквивалентное напряжение находится из формулы,
записанной выше.
=
=
70,54 МПа.
Можно взять другую формулу для расчета
эквивалентного напряжения:
,
где
,
а
.
Тогда,
=
0,000163м3.
= 1,95 МПа,
=
=
70,11 МПа.
Проведем исследование - как будет изменяться
при
увеличении диаметра.
Возьмем d = 0,095 м.
Тогда,
=
=
68,36 МПа;
=0,000168м3;
= 1,896 МПа;
=
=
=
70,10МПа.
Пусть d = 0,098 м.
=0,000185м3;
= 1,72 МПа;
=
=
=
70,08МПа.
Пусть d = 0,01 м.
Тогда,
=
=
58,6 МПа;
=0,000196м3;
= 1,62 МПа;
=
=
=
70,07МПа.
Заключение
Таким образом, изучив достаточно много
теоретического материала по совместному действию изгиба и кручения, решив
задачу и проведя анализ напряженного состояния можно с уверенностью сказать,
что при увеличении диаметра вала уменьшается влияние на вал всех процессов,
которые на него действуют, оставаясь неизменными. Следует также сделать вывод,
что при увеличении сил, действующих на вал, эквивалентное напряжение будет
увеличиваться. В данном случае вал работает не на пределе своих возможностей, а
с запасом некоторой прочности.
Список используемой литературы
Материалы
сайта www.toehelp.ru/theory/sopromat/7.html
<http://www.toehelp.ru/theory/sopromat/7.html>
Материалы
сайта www.prikladmeh.ru/ <http://www.prikladmeh.ru/>
Материалы
сайта <http://mecha.net23.net>
Материалы
сайта <http://soprmat.kstu.ru/>
Материалы
сайта <http://mylect.ru/sopromat>
Материалы
сайта <http://arthic.ru/deform/epura99.htm>
Материалы
сайта <http://soprmat.kstu.ru/>
Материалы
сайта <http://predsm.ru/>
Ицкович
Г.М. Сопротивление материалов. - М.: Высш. школа, 1982. - 383 с: ил.
Минин
Л.С. Руководство к решению задач по сопротивлению материалов. - М.: Высш.
школа, 1999. - 592 с: ил.
Александров
А.В. Сопротивление материалов. - М.: Высш. школа, 2003. - 560 с: ил.