Вплив сірки і фосфору на утворення гарячих тріщин

  • Вид работы:
    Курсовая работа (т)
  • Предмет:
    Другое
  • Язык:
    Украинский
    ,
    Формат файла:
    MS Word
    2,53 Мб
  • Опубликовано:
    2014-11-13
Вы можете узнать стоимость помощи в написании студенческой работы.
Помощь в написании работы, которую точно примут!

Вплив сірки і фосфору на утворення гарячих тріщин

Зміст

Вступ

. Аналітичний розділ

.1 Природа утворення гарячих тріщин

.1.1 Вплив деформаційної спроможності на утворення ГКТ

.1.2 Вплив величини ТІК на утворення ГКТ

.1.3 Вплив величини і темпу деформації на ГКТ

.2 Вплив сірки на утворення гарячих тріщин при зварюванні

. Дослідницький розділ

2.1 Мета дослідження

2.2 Методика виконання дослідження

.3 Результати мікроструктурного аналізу

. Економічний розділ

.1 Планування бакалаврської роботи

.2 Розрахунок витрат на виконання магістерської роботи

.2.1 Визначення собівартості і ціни розробленого методу

.2.2 Розрахунок витрат на оплату праці

.2.3 Відрахування на соціальні заходи

.2.4 Розрахунок витрат на матеріали

.2.5 Накладні витрати

.2.6 Витрати на розробку проектного рішення

3.2.7 Витрати на налагодження і дослідну експлуатацію проектного рішення

3.2.8 Витрати на розробку і впровадження проектного рішення

. Охорона праці

.1 Засоби захисту при виконанні шліфів для мікроструктурного аналізу

.2 Засоби захисту при виготовлені шліфа

Висновки

Список використаної літератури

Вступ

До числа найбільш розповсюджених дефектів, які виникають в процесі зварювання, відносять гарячі тріщини. Вони являються недопустимим дефектом зварного з’єднання, так як служать причиною руйнування конструкції в процесі виготовлення або експлуатації.

При розробці технології зварювання приймають, що стійкість металу шва проти гарячих кристалізаційних тріщин залежить від наступних факторів: величини і швидкості наростання діючих в процесі кристалізації металу шва; хімічного складу металу шва; формою зварної ванни; величини первинних кристалітів.

Із хімічних елементів, присутніх в зварній ванні при зварюванні сталей та інших сплавів, найбільш негативно впливає на технологічну міцність сірка, так як вона утворює легкоплавку евтектику FeS-Fe з температурою плавлення 988 °С, розташовану по границям стовпчастих кристалітів, що суттєво розширює величину температурного інтервалу крихкості.

В зв’язку з тим, що сірка являється поверхнево активним елементом, її вплив на утворення тріщин при високих температурах може бути по-зв’язаним також з адсорбційним ефектом, внаслідок якого може полегшуватися зародження і розповсюдження тріщин.

В роботі досліджується природа взаємодії сірки, яка знаходиться в вигляді сульфід заліза зі сталлю, при температурі 1100 °С з ціллю виявлення можливих механізмів її впливу на технологічну міцність при зварюванні сталей. Встановлено, що утворення і ріст тріщин проходить, як за рахунок утворення евтектик FeS-Fe, так і за рахунок адсорбційного ефекту в результаті змочування металу евтектикою або сульфідом, збагаченим залізом.

тріщина сталь зварювання залізо

 1. Аналітичний розділ

.1 Природа утворення гарячих тріщин

Гарячими кристалізаційними тріщинами називають крихкі міжкристалічні руйнування зварних з’єднань при високих температурах, переважно в процесі первинної кристалізації швів, а інколи і після її закінчення при температурах, дещо нижчих за солідус, коли величина деформації перевищує їхню пластичність.

Рис. 1.1 Гарячі тріщини в зварних швах маловуглецевої сталі 10пс: травлення 4% HNO3 в C2H5OH (х400) [1].

По температурі виникнення гарячі тріщини підрозділяють на кристалізаційні, що виникають в області температур солідуса і підсолідусні, температура утворення яких нижче температури закінчення процесу затвердіння.

По розташуванню в зварному з'єднанні розрізняють гарячі тріщини у шві, в зоні сплавлення, у навколошовній зоні, а також в залежності від орієнтування їх щодо напрямку зварювання - повздовжні і поперечні. У всіх випадках вірогідність утворення тріщин визначається співвідношенням пластичних властивостей сполук в ТІК і темпом деформацій. Однак ступінь впливу окремих технологічних і металургійних факторів для кожного виду може бути істотно різною у зв'язку з неоднаковими умовами формування хімічної і фізичної неоднорідності в різних зонах зварного з'єднання.

Рис. 1.2 Характерні місця розміщення гарячих тріщин [5].

- поздовжні по центру.

- по границям кристалів.

- поперечні в зоні сплавлення.

- поздовжні в зоні сплавлення.

Кристалізаційні тріщини утворюються, як правило, в зварному шві і рідше в зоні напівоплавленних зерен (зоні сплавлення). На рис. 1.2 представлені характерні місця розташування гарячих кристалізаційних тріщин в зварному з'єднанні. Підсолідусні тріщини виникають при температурі нижче температури солідуса. Зварений шов внаслідок нерівномірного процесу кристалізації

пересичений дефектами кристалічної решітки, в тому числі і вакансіями, які при розтягуванні активно переміщаються до кордонів, розташованим перпендикулярно діючим зусиллям. Такі скупчення вакансій сильно послаблюють межову і створюють передумови для виникнення зародків руйнування. Необхідні умови для виникнення руйнування - міжзернової деформація або проковзування, що виникають, як наслідок впливу термодеформаційного циклу зварювання.

Переважні місця зародження підсолідусних тріщин - ослаблені включеннями і недосконалостями будови межі кристалітів, де міжзернові прослизання найбільш виражені; найчастіше це ділянки, що прилягають до зони сплавлення, і поперечні границі зерен в центрі шва. Зі збільшенням розмірів зерна збільшується і проникнення, а отже, і ймовірність утворення тріщин. Добавки в метал легуючих елементів, як правило, збільшують опір руху вакансій і дислокацій до кордонів зерен і знижують ймовірність утворення тріщин такого роду.

Геометрія гарячих тріщин може бути різною, але спільними для всіх них є те, що вони зароджуються та розвиваються межами зерен. Ступінь розкриття зерен є більшим ніж у холодних тріщинах і поверхня тріщини є окиснена. Дуже часто гарячі тріщини утворюються в місцях знаходження легкоплавких евтектик, сірчистих у сталях, та фосфідних у чавунах.

Опір зварного з’єднання утворенню гарячих кристалізаційних тріщин (ГКТ) визначається такими основними чинниками:

·        Пластичністю металу, тобто його деформаційною спроможністю в ТІК;

·        Величиною температурного інтервалу крихкості (ТІК);

·        Інтенсивністю зростання деформацій у зварному з’єднанні під час охолодження.

.1.1 Вплив деформаційної спроможності на утворення ГКТ

Вплив деформаційної спроможності в ТІК є функцією багатьох чинників. У першу чергу, це хімічний склад сталі й характер первинної структури швів. Комірковий тип структури стовпчастих кристалітів порівняно з дендритними має нижчу пластичність. Взаємна орієнтація кристалітів також, певним чином, на це впливає. Найменша пластичність буде у випадку прямолінійних осей, розміщених в одній площині. Коли умовні осі кристалітів криволінійні в площині, а особливо - в об’ємі, пластичність та міцність зростають. Однозначно впливає форма то розміри зерна. Шви з дрібнозернистою та рівно вісною структурою мають найвищі механічні властивості.

На рис. 1.4 показано вплив величини мінімальної пластичності в ТІК на опірність зварного з'єднання утворенню гарячих тріщин. При цьому прийнято, що деформаційна здатність сплаву в ТІК визначається його пластичністю, так як при температурах в області Tс пружною деформацією можна зневажити через її незначність. При тих же значеннях ТІК і темпу деформації de / dT

Рис. 1.4 Схема механізму утворення ГКТ при впливі деформаційної спроможності.

Сплав, що володіє більшою пластичністю - Пз, тріщини не дасть, так як виникає темп деформації (крива е) недостатній для вичерпання його пластичності.

У сплаву, пластичність якого характеризується кривою 2, в момент, обумовлений точкою А, значення пластичності і виникаючої деформації дорівнюють - криві стосуються. Це критичний випадок. У сплаві, що володіє пластичністю в ТІК, характерна кривої 1, при тому ж темпі деформації е і температурі, що відповідає точці Б, відбудеться вичерпання пластичних властивостей і утворюється тріщина. Таким чином, чим більше пластичність сплаву в ТІК, тим при інших рівних умовах менше ймовірність утворення гарячих тріщин.

Значення пластичності П і характер її зміни в ТІК залежать від хімічного складу сплаву, схеми кристалізації зварного шва, розвитку хімічної і фізичної неоднорідності та інших факторів, значення і ступінь впливу яких істотно залежать від методів, прийомів зварювання, застосовуваних режимів і т. д.

.1.2 Вплив величини ТІК на утворення ГКТ

Величина ТІК в основному залежить від хімічного складу сталі, який визначає температурний інтервал кристалізації. Зі збільшенням вмісту вуглецю в сталі температурний інтервал первинної кристалізації, а тим самим і ТІК розширюється. Особливо розширюють його сірка та фосфор у випадку утворення ними легкоплавких евтектик.

На рис. 1.5 представлений випадок, коли сплави при однаковій мінімальній пластичності відрізняються протяжністю температурного інтервалу крихкості. При цьому прийнято, що характер зміни пластичності в ТІК у всіх трьох розглянутих сплавів однаковий і пластичність залишається практично незмінною на всьому протязі ТІК.

Рис. 1.5 Схема механізму утворення ГКТ при впливі величини ТІК.

У цьому випадку чим більше довжина температурного інтервалу крихкості (ТІК), тим більша ймовірність виникнення тріщини. Значення ТІК, так само як і значення мінімальної пластичності, залежить від багатьох факторів, що піддаються управлінню, головні з яких - хімічний склад зварюваних матеріалів і вживаних присадних дротів, покриття електродів, флюси, режим зварювання, що визначає форму шва, схему кристалізації, і процеси структуроутворення в шві і біля шовній зоні, розмір зерна, характер і інтенсивність протікання лікваційних і сегрегаційній процесів та ін.

.1.3 Вплив величини і темпу деформації на ГКТ.

Величина і темп деформації, яку сприймає метал шва в ТІК, в загальному визначаються його усадкою, деформацією металу ЗТДВ, яка зумовлюється нерівномірністю нагрівання й охолодження під час зварювання, а також фазовими і структурними перетвореннями. Окрім цього, істотно впливає і жорстокість зварного з’єднання та конструкції загалом, тобто їхня здатність до деформування. Чим вони жорсткіші, тим більша деформація припадає на зварний шов, і тим вірогідніше утворення гарячих кристалізаційних тріщин.

На рис. 1.6 розглянутий вплив темпу деформації de / dT при однакових значеннях П і ТІК. У зварному шві, при кристалізації якого виникає темп деформації е, характерне кривій 1, при температурі T2 з'явиться тріщина, так як в цей момент значення деформації перевищить пластичність з'єднання в ТІК. Для з'єднання, темп деформації якого позначений кривою 2, точка торкання при температурі Т2 буде критичною.

Рис. 1.6 Схема механізму утворення ГКХ при впливі величини і темпу деформації.

Сплав, що характеризується кривою 3, тріщини не утворює; більш того, він має ще й певний запас пластичності ΔП. Таким чином, чим менше темп деформації в ТІК, тим менше ймовірність утворення гарячих тріщин. Темп деформації, що характеризується нахилом кривої е до осі температур і кривизною самої кривої, залежить від усадки сплаву і деформацій, що розвиваються в навколошовній зоні. Слід мати на увазі, що деформація в зварному шві, обумовлена кристалізаційними та структурними процесами при охолодженні, розподіляється по перерізу вельми нерівномірно: ділянки шва з більш високими температурами і внаслідок цього менш міцні деформуються більше, ніж ділянки, що прилягають до зони сплавлення і охолоджують більш інтенсивно. Такий нерівномірний розподіл деформацій в зварному шві і ТІК іноді називають концентрацією деформацій.

.2 Вплив сірки на утворення гарячих тріщин при зварюванні

В даній роботі[8] досліджено вплив FeS на утворення кристалізаційних тріщин при зварюванні електротехнічної сталі марки Є412. Вибір цієї сталі (3.88% Si, 0.016 S, 0.008 P, 0.15 Mn, 0.078% C) обумовлено тим, що вона містить значну кількість кремнію, який вже при концентрації >0.5% сприяє зародженню кристалізаційних тріщин [11].

Зварювання виконували на автоматі АДВС-5 неплавким вольфрамовим електродом в середовищі аргону при наступних режимах: сила струму 195А, напруга на дузі 13.5 В, швидкістю зварювання 4.5 мм\с. Зразок розміром 120х60х2.5 мм перед зварюванням зачистили і обезжирили. Сульфід заліза вводили через корінь шва.

В першій серії дослідів досліджували вплив середнього вмісту сірки в металі шва на утворення в ньому тріщин. По мірі збільшення її концентрації зовнішня тріщина в зварному шві стає довшою (рис. 1.7, крива 1). Згідно металографічного аналізу, з підвищеним вмістом сірки кількість сульфідних включень по границям зерен і блоків монотонно зростає.

Зв'язок процесів утворення кристалізаційних тріщин при зварюванні електротехнічної сталі з наявністю в металі шва сірки підтверджують результати експериментів зі зразками при переривчастому введенні FeS в корінь шва, які здійснювали на ділянках довжиною 30 мм з інтервалом 20 мм. При його виборі виходи із умови, щоб він був більший довжини зварної ванни при даних режимах зварювання. Це забезпечило розрив між ділянками, збагаченими сіркою. Виявилося, що довжина тріщини на ділянках, коли вводили FeS, збільшується менш інтенсивно по мірі підвищення концентрації сірки в металі шва (крива 2). В проміжках між такими ділянками, середній вміст сірки було практично не меншим, але тріщини виникали не завжди, а тільки коли воно досягало 0.12% (крива 3).

Рис. 1.7 Вплив вмісту сірки в зварному шві на розміри тріщин: 1 - при неперервному введені FeS; 2,3 - при переривчатому введені на ділянках з FeS (2) і без нього (3).

Пояснюється це, мабуть, нерівномірним розподілом сірки на ділянках шва, формувалися на підкладці без сульфід заліза, і відсутністю розплаву FeS на поверхні, оскільки сірка попадала в шов внаслідок перемішування розплавленого металу в зварювальній ванні. У випадку переривчатого введення сульфід заліза навіть при максимальному вмісті сірки(0.35%) тріщини не розповсюджуються по всій довжині ділянки (30 мм), на якому вводився FeS.

Експериментально встановлено, що підвищення швидкості зварювання, інтенсифікує кристалізацію металу шва, зменшує розмір тріщини (рис. 1.8). І це не дивлячись на те, що таке підвищення, збільшуючи термічне напруження в хвостовій частині зварювальної ванни, повинно сприяти утворенню кристалізаційних тріщин.

Рис. 1.8 Вплив швидкості зварювання на розмір тріщини в зварному шві.

Таким образом, свій вклад в утворення кристалізаційних тріщин вносить не тільки концентрація сірки, але і умови її взаємодії з металом в процесі кристалізації.

Проаналізувавши аналітичний розділ можна зробити висновок, що утворення гарячих тріщин залежить від трьох основних факторів:

.        Впливу деформаційної спроможності;

.        Впливу величини ТІК;

.        Впливу величини і темпу деформації.

Але ще є інші фактори, які присутні при зварюванні такі, як швидкість зварювання, вміст сірки у корені шва та інші. Для вияснення причини утворення ГКТ потрібно додаткові дослідження.

2. Дослідницький розділ

2.1 Мета дослідження

Основною метою дослідження є виявлення впливу сірки на сталі. Як вони впливають на корозійну стійкість металів, як на утворення гарячих кристалізаційних тріщин та на механічні властивості сталей.

.2 Методика виконання дослідження

Досліджувався вплив сульфід заліза на механічні властивості зразків із армко-заліза в вакуумі при температурі 1100°С [10]. Вакуум необхідний для виключення впливу компонентів повітря, котрі при високих температурах можуть надавати суттєвий вплив на результати випробувань. Досліди проводили на зразках трубчатої форми зі зовнішнім діаметром 9 мм, внутрішнім діаметром 6 мм і довжиною робочої частини 64 мм. Внутрішню поверхню обробляли розгорткою вручну, зовнішню шліфували. Перед випробуванням зразки промивали в етиловому спирту, заповняли порошком хімічно чистого сульфід заліза, а потім отвори закривали пробками із армко-заліза і заварювали в барокамері, наповненій аргоном. Така методика виготовлення зразків виключає вплив будь-яких елементів або компонентів середовища, окрім сульфід заліза на внутрішню поверхню зразків при подальшому їх випробуванні.

Механічні випробування проводили в фізико-механічному інституті ім. Г.В. Карпенко. Одновісне розтягування зразків, приготовлених по вищеописаній методиці, виконували на переробленій машині типу МП-4Г в вакуумній камері при залишковому тиску 6 мПа і температурі 1100 °С.

Випробування проводили при чотирьох швидкостях деформування в діапазоні 8.3·10-4…4.5·10-3 с-1. Реальні швидкості деформування металу зварювального шва в процесі їх формування і остигання находяться в цьому інтервалі.

Після руйнування зразків і їх охолодження до кімнатної температури визначали пластичність і міцність при використовуваній в роботі схемі навантаження.

Для того, щоб більш точно оцінити вплив сульфід заліза на властивості армко-заліза проводили аналогічні випробування ідентичних зразків без заповнення їх сульфід залізом, також визначали їх властивості в вакуумі.

Всі випробування проводили на армко-залізі, який містить 0.037% вуглецю, як найбільш підходящим матеріалом при дослідженні сталей, особливо вуглецевих.

Окрім механічних, проводили також корозійні випробування з метою виявлення хімічної взаємодії сульфід заліза з сталю при високих температурах. Випробування проводили шляхом витримки полірованих зразків із армко-заліза в порошку сульфід заліза в герметичних ампулах, заповнених аргоном, при температурі 1100 °С на протязі різного часу - від 15 хвилин до 5 годин. Після охолодження зразків із них приготовляли мікрошліфи. Процеси полірування не повинні деформувати та спотворювати структуру та поверхню зразка. Полірування виконали вручну з допомогою абразивних паст, що наносяться на поверхню тканини. Послідовно використовували абразиви різної дисперсності: від найбільшої (розмір часток 60 мкм) до найменшої (2 мкм). Після полірування дзеркальну поверхню зразка ретельно промивали спиртом і осушували з допомогою фільтрувального паперу. Тоді виконували травлення. Для нього використовували (4 % HNO3 + 96% С2Н5ОН).

Після проведення механічних випробувань із зруйнованих, при одновісному розтягуванні зразків виготовляли мікрошліфи за вище згаданою схемою і проводили металографічний аналіз.

2.3 Результати мікроструктурного аналізу

Результати визначення величини відносно видовження трубчастих зразків із армко-заліза при різних швидкостях деформування одновісним розтягуванням приведені на рисунку 2.1.

Рис. 2.1 Залежність величини відносно видовження трубчастих зразків із армко-заліза від швидкості деформування при 1100°С: 1 - в аргоні; 2 - з FeS.

Видно, що пластичність зразків без сульфід заліза, а також деформування в вакуумі, трішки збільшується зі збільшенням швидкості деформування (крива1), а зразків заповнених сульфід залізом, помітно знижується (крива 2). Таким чином, результати дослідження однозначно свідчать про те, що сульфід заліза FeS знижує пластичність зразків із армко-заліза, причому, тим інтенсивніше ніж вища швидкість деформування.

Вплив сульфід заліза на міцність зразків не так однозначно, як його вплив на пластичність, але все ж таки можна відмітити, що під дією FeS міцність дещо знижується.

Для вияснення природи вищеописаного впливу сульфід заліза на механічні властивості зразків із армко-заліза проводився ретельний металографічний аналіз зруйнованих зразків.

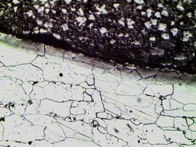
Виявилося, що під час випробування зразків при 1100°С сульфід заліза активно взаємодіє з армко-залізом. У всіх зразках, внутрішня поверхня яких контактувала з сульфід залізом, видно велику кількість мікротріщини, кількість і розмір яких збільшується при підході до місця руйнування (рис. 2.2).

 

Рис. 2.2. Мікроструктура зразків із армко-заліза після випробувань в FeS на розтяг при 1100°С: А) ε=3·10-3с-1, х400 Б)ε=1.9·10-3с-1, х100.

В зразках, зруйнованих в вакуумі без сульфід заліза тріщини практично відсутні (рис. 2.3).

При збільшенні х100 чітко видно, що всі тріщини заповнені речовиною, яка являє собою продукт взаємодії сульфіду заліза з випробовуваним зразком.

Рис. 2.3. Мікроструктура зразка із армко-заліза після випробування в вакуумі при 1100 °С на розтяг при ε=1.9·10-3с-1, х100.

Для виявлення природи заповнювача тріщин мікрошліфи досліджувалися при великих збільшеннях. На представлених фотографіях мікроструктур добре видно, що в більшості структура заповнювача тріщин характерна для евтектичних систем (рис. 2.4, 2.5) і можливо являє собою евтектику FeS-Fe.

Механічне виникнення тріщин і утворення евтектик можна пояснити наступним чином. При температурі випробування зразків 1100°С, сульфід заліза находиться в твердому стані так, як його температура плавлення 1190°С. Але в місцях контакту сульфід залізу з поверхнею зразків має місце їх взаємодія, яка приводить до утворення евтектик FeS-Fe, температура плавлення якого всього 988°С. Проходить, так назване, контактне плавлення, в результаті якого поверхня зразка змочується евтектикою або сульфід залізом, збагаченим залізом. Взаємодія сульфід заліза з залізом достатньо вибіркове в результаті неоднорідності структури і напружень.

 

Рис. 2.4 Мікроструктура зразків із армко-заліза після випробувань в FeS на розтягнення при 1100°С: ε=4·10-3c-1, х400.

Рис. 2.5 Мікроструктура армко-заліза після випробувань в FeS на розтягнення при 1100°С: ε=2.5·10-3с-1, х1000.

Це приводить до виникнення мікротріщин, переважно по границям зерен (рис. 2.6), які досить швидко розвиваються. Ріст тріщин може проходити, по-перше, за рахунок розчинення заліза в розплаві при утворенні евтектики, а по-друге, за рахунок проявлення ефекту Ребиндера, який має місце при хорошому змочуванні твердого металу розплавом. Із наведених мікроструктур (рис. 2.3-2.5) видно, що армко-залізо дуже добре змочується евтектикою або сульфідом, збагаченим залізом, про ще свідчить проникненню розплаву, його затікання не тільки по границям зерен, але навіть і по границям блоків або субзерн (рис.2.5).

Рис. 2.6. Мікроструктура зразків із армко-заліза після випробування на корозію в FeS при 1100°С, х100: А) t=15 хв. Б) t=30 хв.

Таким образом можна з впевненістю затвердити, що виникнення і розвиток тріщин при одновісному розтягуванні трубчастих зразків із армко-заліза, заповнених сульфідом заліза, обумовлено адсорбційним (ефектом Рибендера) і корозійним ефектом.

Потрібно відмітити, що по мірі збільшення швидкості деформації зразків від 1·10-3 до 4·10-3 с-1 степінь розкриття тріщини трішки зменшується, особливо в її вершині (рис. 2.5). Можливо, що крихкі дії тріщин при цьому стають більш суттєвими.

Для того, щоб оцінити роздільно роль адсорбційного і корозійного ефектів, нами проводилися корозійні випробування армко-заліза в середовищі сульфід заліза, методика яких описана вище.

За допомогою металографічного аналізу вдалося встановити, що вже при мінімальній витримці - 15 хвилин має місце різко вибіркове проникнення сульфід заліза по границям зерен в глиб зразка з утворенням евтектики (рис. 2.7). Така вибірковість взаємодії сульфід заліза зі зразками із армко-заліза при відсутності в них залишкових напружень може пояснюватися тільки неоднорідністю структури і хімічного складу, який має місце, в першу чергу, по границям зерен.

 

Рис. 2.7. Мікроструктура зразка із армко-заліза після випробувань на корозію в FeS при 1100°С, t=15 хв, х400.

По мірі збільшення часу взаємодії зразків з сульфідом заліза корозійне ураження більш суттєве, причому протікає воно рівномірно, в результаті весь поверхневий шар розрушується (рис. 2.8). В цьому випадку різко зменшується кількість тріщин.

Рис. 2.8 Мікроструктура зразка із армко-заліза після випробувань на корозію в FeS при 1100°С, t=1 год, х400.

Цим, по всій видимості, можна пояснити частково той факт, що з підвищенням швидкості деформування, коли тривалість корозії скорочується, крихкість зразків, заповнених сульфідом заліза, при одновісному розтягуванні підсилюється. Спостережене в вакуумі збільшення пластичності зразків з ростом швидкості деформування в випадку випробування з сульфідом заліза змінювалося її зниженням (рис.2.1).

Проаналізувавши зроблені дослідження можна сказати точно, що сульфід заліза при високих температурах поводить себе досить агресивно по відношенню до сталі. Вже при першому контакті видно, як проникає FeS в метал з подальшим утворенням тріщин або корозійним ефектом на поверхні сталі.

3. Економічний розділ

Бакалаврська кваліфікаційна робота має науково-дослідний характер. У ній розглянуто питання дослідження впливу сірки на утворення гарячих тріщин при зварюванні сталей.

Дослідження спрямованні на визначення впливу FeS на утворення гарячих тріщин при зварюванні. Так, як процентний вміст сірки присутній у кожній сталі ми досліджуємо вплив FeS на корозійну стійкість при термічній обробці.

У бакалаврській роботі проведено дослідження критичних частин, зон проникнення та евтектик утворених сполукою сірки з залізом.

.1 Планування бакалаврської роботи

Тривалість етапів бакалаврської роботи зображена в таблиці 1.

Бакалаврська робота складається з таких етапів:

) Підготовчий.

) Теоретичні дослідження.

) Розробка послідовності проведення дослідження.

) Підготовка експериментального обладнання для проведення досліду.

) Проведення дослідження, збір інформації. Проведення дослідження, збір інформації.

) Обробка експериментальних даних, висновки по проведеній роботі.

) Оформлення бакалаврської роботи.

Таблиця 1. Тривалості етапів бакалаврської роботи

№ п\п

Найменування етапів робіт

Виконавці

Кількість виконавців

Тривалість етапу (дні)

1

Підготовчий

студент, керівник

2

2 1

2

Теоретичні дослідження

студент, керівник

2

11 3

3

Розробка послідовності проведення дослідження

студент, керівник

2

4 2

4

Підготовка експериментального обладнання для проведення досліду

студент, керівник

2

5 3

5

Проведення дослідження, збір інформації

студент, керівник

2

6 2

6

Обробка експериментальних даних, висновки по проведеній роботі

студент, керівник

2

9 1

7

Оформлення бакалаврської роботи

студент, керівник

2

7 1


Всього:

44+13=57


.2 Розрахунок витрат на виконання магістерської роботи

.2.1 Визначення собівартості і ціни розробленого методу

Витрати на розробку включають:

- витрати на оплату праці розробників ();

відрахування на соціальні заходи ();

витрати на матеріали ();

накладні витрати ();

інші витрати ();

витрати на енергію для наукових цілей ();

витрати на спецустаткування для наукових цілей ();

витрати на роботи, які виконують сторонні організації ();

.2.2 Розрахунок витрат на оплату праці

Заробітна плата керівника, професора складає 4293 грн.; стипендія студента -725 грн. Денну ставку їх оплати визначатимемо за формулою:

де Соі - основна місячна зарплата розробника і-тої спеціальності, грн.;- коефіцієнт, що визначає розмір доплат до зарплати, h = 0,2;- кількість робочих днів за місяць, р = 24.

Денна ставка професора :

Денна ставка студента:

Розрахунок витрат на оплату праці проводимо у табл. 2.

Таблиця 2. Розрахунок витрат на оплату праці

Найменування етапів робіт

Виконавці

Денна зарплата розробника, грн.

Час розробки, Дні

Витрати на зарплату, грн.

1

Підготовчий

студент керівник

30.2 214.65

2 1

60.4 214.65

2

Теоретичні дослідження

студент керівник

30.2 214.65

11 3

332.2 643.95

3

Розробка послідовності проведення дослідження

Студент керівник

30.2 214.65

4 2

120.8 429.3

4

Підготовка експериментального обладнання для проведення досліду

студент керівник

30.2 214.65

5 3

151.0 643.95

5

Проведення дослідження, збір інформації

студент керівник

30.2 214.65

6 2

181.2 429.3

6

Обробка експериментальних даних, висновки по проведеній роботі

студент керівник

30.2 214.65

9  1

271.8 214.65

7

Оформлення бакалаврської роботи

студент керівник

30.2 214.65

7 1

211.4 214.65


Всього:

4119.25


Отже, всього витрат на заробітну плату:  грн.

Зкер=2790.45 грн. Зстуд=1328.8 грн.

3.2.3 Відрахування на соціальні заходи

Згідно чинного законодавства розмір відрахувань в цільові фонди (на соціальні заходи) для учнів, студентів, аспірантів складає 15 % (податок на доходи фізичних осіб(ПДФО)).

Податок для працівників (для керівників, консультантів НДР) бюджетних установ (ПДФО) складає 31.3% від фонду оплати праці працівників, зайнятих при проведені досліджень. До цієї статті витрат належать:

·        ПДФО працівників бюджетних установ - 15%;

·        Єдиний внесок на загальнообов’язкове державне соціальне страхування, (ЄСВ) для працівників бюджетних установ, які працюють на умовах трудового договору - 3.6%;

·        Внесок для науковців, що працюють на посадах, робота яких зараховується до науково-педагогічного стажу - 6.1%;

·        Внесок фізичних осіб, які отримують допомогу по тимчасовій непрацездатності (лікарняні) - 2%;

·        Відрахування на державне обов’язкове соціальне страхування - 1.0%;

·        Профспілковий внесок - 1.0%.

Вф кер. - витрати на зарплату.

Вф кер. =2790.45*(0.15+0.036+0.061+0.02+0.026+0.01+0.01)= =2790.45*0.313=873.41 грн.

Встуд.=1328.8*0.15=199.32 грн.

∑Встуд, кер.=873.41+199.32=1072.73 грн.

.2.4 Розрахунок витрат на матеріали

До даного пункту належать витрати на:

а) основні та допоміжні матеріали ();

б) куповані інструменти, пристрої та інші засоби та предмети праці ();

в) куповані напівфабрикати та комплектуючі вироби (), які використовуються для проведення бакалаврської роботи в кількості визначеній програмою дослідження.

Результати розрахунків зведені в табл. 3.

Таблиця 3. Зведена відомість витрат на матеріальні ресурси

№ з/п

Назва і марка ресурсу

Один вим.

Витрати на тему в натур. одиницях

Ціна за одиницю, грн..

Вартість основних матеріалів, Грн..

Вартість матеріалів, з урахуванням транспортно-заготівельних витрат, грн.

1.

Креслярський папір

шт

5

5,0

25,00

27,5

2.

Папір А4

пачка

1

40,00

40,00

44,0

3.

Олівці

шт

5

1.0

5,00

8,5

4

Ручка гелева

шт

2

5,00

10,00

11,0

6.

Флешка

шт

1

60,00

60,00

66,0

7

Зошит

шт

3

5,0

15,0

16,5

8

 Степлер

шт

1

25

25

27.5

9

Скрепки

2

5

10

11.0

10

Спирт

л

1

40

40

44.0

11

Салфетки

пачка

1

5

5

5.5

12

Шліфувальна паста

шт

3

40

120

132

13

Азотна кислота

л

0.2

100

20

22

14

Шліфувальна тканина

м2

1.5

50

75

82.5


Разом

498

 *Транспортно-заготівельні витрати - 10%


Транспортно-заготівельні витрати становлять 10% від суми витрат на куповані вироби.

Отже,  грн.

Розрахунок витрат на придбання спецобладнання для проведення експериментальних робіт проводиться у тому випадку, коли для розробки та впровадження проектного рішення необхідне придбання додаткових технічних засобів. У даному випадку .

.2.5 Накладні витрати

До складу накладних витрат () відносяться:

1)   витрати пов’язані з управлінням організацією, де проводиться НДР;

2)   витрати на науково-технічну інформацію;

3)   витрати на забезпечення нормальних умов праці і техніки безпеки;

4)   витрати на інші загальногосподарські потреби тощо.

Накладні витрати розраховуються за встановленими відсотками від витрат на оплату праці, зокрема для НУ “Львівська політехніка”-25%.


де  - середньостатистичний відсоток накладних витрат в організації.

 (грн.)

Інші витрати відображають видатки, які не враховані в інших пунктах витрат. Вони становлять 10% від витрат на оплату праці:


 (грн.)

3.2.6 Витрати на розробку проектного рішення

Витрати на розробку проектного рішення складають:

,

 (грн.)

.2.7 Витрати на налагодження і дослідну експлуатацію проектного рішення

Витрати на налагодження і дослідну експлуатацію проектного рішення розраховуються за формулою:


де - вартість 1 машино-години роботи ЕОМ конкретного типу,, грн./год.;

- машинний час, витрачений на налагодження і дослідну експлуатацію проектного рішення, год.

Згідно з етапами робіт виконання проектного рішення робота на ЕОМ складається з наступних періодів:

·   Встановлення і налагодження програмного забезпечення - 3 дні;

·   Проведення досліду - 6 днів

·   Обробка отриманих результатів - 9 дні

·   Написання бакалаврської роботи - 7 дні

Загальна кількість днів роботи на комп’ютері:

+6+9+7=25 (днів).

Середній щоденний час роботи на комп’ютері - 4 год., тому

 (год.)

За даними НУ “Львівська політехніка” вартість 1 машино-години роботи комп’ютера = 5 грн.

Отже,  (грн.)

.2.8 Витрати на розробку і впровадження проектного рішення

Витрати на розробку і впровадження проектного рішення () включають:

,

де - витрати на розробку проектного рішення, грн.;

- витрати на відлагодження і дослідну експлуатацію проектного рішення, грн.;

 (грн.)

Результати розрахунків занесені у таблицю 4

Таблиця 4. Результати розрахунку витрат

№ п/п

Найменування елементів витрат

Сума витрат, грн.

1

Витрати на оплату праці: · Керівник · студент

4119.25 2790.45 1328.8

2

Відрахування на соціальні заходи: · керівник · студент

1072.73 873.41 199.32

3

Витрати на матеріали

498.0

4

Накладні витрати

1029.81

5

Інші витрати

411.92

6

Витрати на налагодження і дослідну експлуатацію проектного рішення

500

Всього:

7631.71


Дослідження впливу сірки на утворення тріщин є досить важливим у сучасній металургії так, як виготовлення або ремонт металевих конструкцій є досить громісткою та складною роботою, що потребує значних зусиль, часу і фінансових затрат. Дослідження поведінки FeS дасть можливість уникнути утворення тріщин при ремонті чи виготовленні зварної конструкцій.

Отже, дана дослідна робота дала можливість дослідити проникнення і поведінку сірки у металі.

4. Охорона праці

.1 Засоби захисту при виконанні шліфів для мікроструктурного аналізу

При виготовленні шліфів для мікроструктурного аналізу сталі будуть проводитися наступні операція:

·        Заливка;

·        Різка;

·        Шліфування;

·        Травлення поверхні шліфа.

. Заливка.

Перш за все потрібно виконати заливання розплавленого бабіту (свинцю) в трубу в якій розміщено досліджуванні зразки. При цій операції нам потрібно підготовити робоче місце. Воно має бути чистим все має стояти на місцях. При заливанні свинцю, температура плавлення, якого складає Тпл =327.4 °С потрібно буде дотримуватися правил техніки безпеки з розплавленими металами. Працівник повинен мати спеціальний одяг, який забезпечить захист тіла від гарячих металів. При заливанні робітник буде мати роботу з газовим балоном.

Отже, перед початком роботи з газовим балоном працівник повинен :

·        перевірити і переконатися у справності вимірювальних приладів на балонах для газів, обладнання, пристроїв та інструменту, огорож, вентиляції;

·        перевірити стійкість балонів і правильність їх закріплення в осередках;

·        переконатися у відсутності на робочому місці пожежонебезпечних матеріалів.

Працівнику не слід приступати до роботи при наступних порушеннях вимог охорони праці:

·        порушенні цілісності газового балона (наявності тріщин або вм'ятин), а також за відсутності на балоні з газом клейма з датою його випробування;

·        несправності газового редуктора (нещільність примикання накидної гайки редуктора, пошкодження корпусу редуктора і т.п.);

·        несправності манометра на редукторі (відсутність клейма про щорічне випробуванні або несвоєчасному проведенні чергових випробувань, розбитому склі або корпусі, нерухомості стрілки при подачі газу в редуктор, пошкодженнях корпусу);

·        недостатньої освітленості робочого місця і підходів до нього;

·        відсутності витяжної вентиляції при роботі в закритих приміщеннях;

·        наявності в зоні роботи вибухо- і пожежонебезпечних матеріалів;

·        несправності інструменту, оснащення, пристосувань.

Робоче місце повинно бути обладнане вентиляційною витяжкою тому, метали з якими проводиться робота є шкідливими !

. Різка.

На другому етапі виготовлення нам потрібно дотримуватися наступних правих безпеки при різанні:

• При роботі з ріжучими та колючими інструментами їх ріжучі поверхні і гострі кромки повинні бути спрямовані в бік, протилежний тілу працюючого, щоб уникнути травми при випадковому зриві інструменту з оброблюваної поверхні.

• Пальці рук, які утримують оброблюваний предмет, повинні перебувати на достатньому видаленні від ріжучих крайок, а сам предмет повинен бути надійно закріплений у лещатах або якому-небудь іншому затискному пристосуванні.

• На робочому місці ріжучі та колючі предмети повинні розташовуватися на видному місці, а саме робоче місце має бути звільнена від сторонніх і непотрібних предметів і інструментів, про які можна зачепитися або спіткнутися.

• Положення тіла працюючого повинно бути стійким. Не можна знаходитися на нестійкому або хиткому підставі. При роботі з ріжучим інструментом, що має електричний або який-небудь інший механічний привід (електродрилі, електрорубанки, електропили), потрібно бути особливо обережним і суворо дотримуватися вимог безпеки. Електричний інструмент є джерелом багатьох важких травм, тому що швидкість його обертання дуже велика, а швидкість реакції людини недостатня, щоб у момент аварії вчасно відключити подачу електрики.

• Якщо при роботі з електроінструментом ви відчули удар струмом, роботу слід негайно припинити до усунення пошкодження ізоляції. Зазвичай ручний електроінструмент виконується в корпусі і з ручкою з електроізолюючого матеріалу (пластмаси). При пошкодженні корпусу або

наявності тріщин його використання неприпустимо. Випускають електроінструменти в металевому корпусі, але він менш надійний з погляду забезпечення електробезпеки, тому їм краще не користуватися.

• Працюючий повинен бути одягнений так, щоб виключити потрапляння частин одягу під ріжучу крайку або на рухомі частини інструменту (особливо важливо, щоб рукави одягу були застебнутими). В іншому випадку рука може бути затягнута під ріжучий інструмент.

• Інструмент включають тільки після того, як працюючий підготував робоче місце, оброблювану поверхню і зайняв стійке положення. Після завершення операції обробки інструмент повинен бути відключений.

• При обробці крихких матеріалів утворюється факел частинок, що вилітають з високою швидкістю-під ріжучого інструменту. Частини, що володіють великою кінетичною енергією, можуть нанести травму, особливо небезпечно пошкодження очей. Тому, якщо на інструменті відсутні спеціальні захисні екрани, обличчя людини має бути захищене маскою, а очі - окулярами. Робочий одяг має бути з щільного матеріалу.

• При обробці в'язкого матеріалу утворюється стружка (особливо небезпечна металева). Вона навертається на обертовий різальний інструмент, а потім під дією відцентрової сили може вилетіти і нанести травму. Тому що утворюється стрічкову стружку потрібно своєчасно видаляти з інструменту, попередньо зупинивши його. Оброблювані поверхні і обробний інструмент при високих швидкостях різання розігріваються за рахунок тертя до високих температур. Тому після обробки, перш ніж доторкатися до обробленої поверхні та інструменту, потрібно дати їм охолонути.

• Металорізальні верстати обладнуються міцними захисними екранами для захисту від осколків, часток стружки. Робота допускається тільки при опущеному захисному екрані.

. Шліфування.

При шліфуванні ми будемо використовувати алмазну пасту та клаптик тканини. Особливих застережень, щодо техніки безпеки не буде.

. Травлення поверхні шліфа.

Для того, щоб досягнути кінцевого результату нам потрібно виконати травлення відшліфованої поверхні шліфа азотною кислотою для того, щоб було видно мікроструктуру металу на мікроскопі.

Травлення завжди повинне проводитися в добре провітрюваному приміщенні. Ідеально підходить для цієї витяжна шафа, що закривається. Вікно опускається вниз, щоб відгородити місце проведення травлення й не допустити проникнення випарів у майстерню.

Працюючи з кислотами, завжди потрібно надягати гумові рукавички й гумовий фартух. Захищати очі водонепроникними окулярами й завжди тримати напоготові харчову соду, щоб нейтралізувати пролиту кислоту. Кислоти й інші травильні розчини повинні зберігатися в спеціальних ємностях, призначених для лабораторного використання.

4.2 Засоби захисту при виготовлені шліфа

Під час виконання електрозварювальних робіт зварювальник повинен користуватися такими індивідуальними засобами захисту:

·        Захисною каскою, виготовленою із струмонепровідних матеріалів. Каска повинна зручно поєднуватися із щитком, призначеним для захисту обличчя та очей, який повинен відповідати вимогам ДСТУ EN175-2001;

Захисними окулярами з безколірними скельцями - для запобігання можливості попадання осколків та гарячого шлаку в очі під час зачищення зварених швів молотком або зубилом;

·        Захисним костюмом - для запобігання потрапляння розпечених шматочків металу на тіло;

·        Рукавицями, з крагами або рукавицями з іскростійких матеріалів з низькою електропровідністю;

·        Шкіряні черевики;

·        Респіратор або протигаз - для зварювання металів, які містять шкідливі випари, що можуть призвести до зараження.

Висновки

В результаті проведених досліджень впливу сульфід заліза на армко-залізо встановлено, що FeS при високих температурах поводить себе досить агресивно по відношенню до сталі. Вже при короткому контакті сульфіду з поверхнею зразків в них виникають тріщини, що помітно знижує пластичність металу. Утворення і ріст тріщин проходить, як за рахунок утворення евтектик FeS-Fe, так і за рахунок адсорбційного ефекту в результаті змочування металу евтектикою або сульфідом, збагаченим зарізом.

Це дає підставу зробити висновки про те, що виникнення гарячих кристалізаційних тріщин в зварних швах при підвищеному вмісті в них сірки може бути обумовлено не тільки розширенням температурного інтервалу крихкості, але і адсорбційним і корозійним ефектами, в результаті чого по границям зерен, а також в місцях порожнин можуть зароджуватися і розвиватися тріщини.

Список використаної літератури

1.      В.М. Палаш «Металознавчі аспекти зварності залізовуглецевих сплавів». Львів: КІНПАТРІ ЛТД, 2003. - 236с.

.        К.В. Багрянський; З.А. Добротина; К.К. Хренов. «Теория сварочних процессов». - Изд. 2-е, переработ. - К.:Вища школа,1976. - 424с.

.        Н.Н. Прохоров «Технологическая прочность сварних швов в процес се кристаллизации». - Металлургия, 1979.- 248с.

.        Петров Г.Л. «Неоднородность метала сварних процесов». - М.: Висш. школа, 1977. - 392с.

.        Підгаєцький В.В. «Пори, включення і тріщини в зварних швах». К.: Техніка, 1970.- 236с.

.        «Теорія сварочних процессов» под. ред. В.В. Фролова. - М.: Вища школа,1988. - 559с.

.        А.Н. Черв’яков, С.А. Киселева, А.Г. Рильникова. «Металографическое определение включений в стали». - Москва, 1962. - 201с.

.        Г.Ф. Деев, В.В Попович, В.М. Палаш, В.В. Карих. «Роль сульфіду заліза в утворенні кристалізаційних тріщин при зварюванні електротехнічної сталі» Львів, 1981р.

.        Г.Ф. Деев, В.В Попович, В.М. Палаш, В.В. Карих. «Роль сульфіду заліза в утворенні тріщин в зварних швах». Львів,1981р.

.        Подгаецький В.В., Парфессо Г.І. Тріщини сульфідного походження при зварюванні сталі. - Київ, 1977р. - 150с.

.        І. П. Пістун, Р.А. Яцюк, І.О. Трунова, Т.В. Олянишен «Охорона праці при зварювальних і термічних роботах» Львів: Українська академія друкарства, 2011 р.

Похожие работы на - Вплив сірки і фосфору на утворення гарячих тріщин

 

Не нашли материал для своей работы?
Поможем написать уникальную работу
Без плагиата!
Без нейросетей!