Башенный кран
Сибирская государственная
автомобильно-дорожная академия
ПОЯСНИТЕЛЬНАЯ ЗАПИСКА
КРАН БАШЕННЫЙ
2014
Содержание
Введение
1. Расчёт механизма подъема груза
1.1 Выбор схемы полиспаста
1.3 Выбор гибкого элемента
1.4 Определение основных размеров барабана
1.5 Проверка барабана на прочность
1.6 Расчет крепления каната на барабане
1.7 Расчет грузовой подвески
1.7.1 Выбор подшипника блока по коэффициенту динамической
работоспособности
1.7.2 Расчет оси блока
1.7.3 Выбор крюка и расчет гайки крюка
1.7.4 Выбор подшипника под гайку крюка
1.7.5 Расчет траверсы
1.7.6 Расчет щеки
1.8 Определение мощности и выбор электродвигателя
1.8.1 Проверка двигателя по пусковому моменту
1.9 Выбор редуктора
1.10 Выбор муфты зубчатой с тормозным шкивом
1.11 Выбор тормоза
2. Расчет механизма изменения вылета стрелы
2.1 Расчет полиспаста стрелоподъемного механизма
2.2 Выбор гибкого элемента
2.3 Определение мощности и выбор электродвигателя
2.4 Выбор редуктора
2.5 Выбор муфты
2.6 Выбор тормоза
Вывод
Библиографический список
Введение
Курсовое проектирование по грузоподъемным машинам (ГПM)
способствует обобщению и закреплению теоретических знаний
студентов и прививает им навыки самостоятельного решения инженерных задач при
разработке конструкций сборочных единиц и машин.
При выполнении курсового проекта по ГПМ студент использует
ГОСТы, справочную литературу, изучает и применяет современные конструкции машин
и лучшие достижения в области отечественного и зарубежного машиностроения.
Дальнейшее развитие получают навыки выполнения чертежей, расчетов и составления
текстовых конструкторских документов.
Объектами проектирования являются грузоподъемные машины.
Главными задачами студента являются: расчет основных
механизмов крана, выбор на основе этих расчетов нормализованных и стандартных
сборочных единиц, их рациональная компоновка. Разработка механизмов должна
выполняться с учетом их размещения на металлических конструкциях крана.
Механизмы должны удовлетворять требованиям надежности, удобства монтажа и
демонтажа, обслуживания, безопасности. Все расчеты должны выполняться с
соблюдением требований правил Ростехнадзора России.
башенный кран стрела редуктор
1. Расчёт
механизма подъема груза
Рисунок 1 - Кинематическая схема МПГ /6/
где 1-электродвигатель,2-муфта-тормоз, 3-устройство замыкания
тормоза, 4 - редуктор, 5 - барабан, 6-гибкий элемент, 7-полиспаст.
1.1 Выбор
схемы полиспаста
Определяем ориентировочную кратность полиспаста
, (1)
где Q-грузоподъемность крана, т.
Принимаем одинарный полиспаст, кратностью равной 2,
.
Рисунок 2 - Схема полиспаста /5/
1.2
Определение тягового усилия полиспаста в канате
Максимальное усилие Fб (кН) в ветви каната, набегающее на барабан,
определяют из расчётной зависимости
(2)
где
-номинальная грузоподъёмность крана;
Fб-сила
натяжения каната, Н;
g-ускорение свободного падения;
-количество ветвей на барабане;
=1 для одинарного полиспаста;
, (3)
-КПД блока,
=0, 96.
t-количество блоков, t=2.
1.3 Выбор
гибкого элемента
Выбор каната производится по разрушающей нагрузке, которая
определяется по формуле /2/
Н, (4)
где
- коэффициент запаса прочности, для
группы режима крана М8, zр=9,0.
где Fб-сила натяжения каната.
Канат выбираем по разрушающей нагрузке
Рисунок 3 - Эскиз сечения каната
=28 мм,
- диаметр каната, 
Канат 28-Г-I-Н-1568 ГОСТ
3077-80.
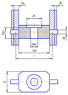
1.4
Определение основных размеров барабана
Определение диаметра барабана
мм, (5)
- диаметр каната,
=28 мм;
- коэффициент выбора диаметра, для группы режима М8
=25.
Рисунок 4 - Схема барабана для одинарного полиспаста
Определение длины барабана
мм, (6)
где
- длина буртика;
- длина нарезной части барабана.
Длины определяются по формулам
мм.
мм. (7)
- общее количество витков винтовой канавки;
- шаг винтовой канавки.
Определение общего количества витков винтовой канавки:
, (11)
где
- количество рабочих витков;
- количество витков для крепления конца каната,
=3;
- количество запасных витков,
=3.
Определение количества рабочих витков
. (12)
Определение шага винтовой канавки
мм; (13)
мм.
I (1: 5)
Рисунок 5 - Профиль канавок на барабане
Определение основных размеров сечения барабана
мм; (14)
мм; (15)
мм; (16)
мм. (17)
- толщина стенки стального барабана.
мм;
= (10…30) мм.
Принимаем
.
1.5 Проверка
барабана на прочность
При длине барабана
проверку барабана производят по формуле
, (18)
где
допустимое напряжение, для стального
барабана
=80 МПа.
Следовательно, изменяем размер цилиндрической стенки, для того,
чтобы значение
Примем
, тогда
Условие
выполняется.
1.6 Расчет
крепления каната на барабане
Рисунок 6 - Крепление конца каната на барабане с помощью
прижимных планок
Определение расчетного натяжения каната
, (19)
где
- основание натурального логарифма,
;
- угол обхвата барабана,
;
- коэффициент трения между канатом и барабаном,
…0,12
Примем
.
Н. (20)
Определение усилия прижатия каната к планкам
, (21)
где
-приведенный коэффициент трения между
канатом и планкой,
;
К - коэффициент запаса надежности крепления каната к барабану;
принимаем К=1,3;
принимаем m=3.
Определение усилия шпильки, принимаем
шпильки 28 мм
Н, (22)
где
- допускаемое напряжение,
Па;
-внутренний диаметр резьбы,
28мм /5/.
Определение количества планок
(23)
Принимаем 2 планки.
1.7 Расчет
грузовой подвески
Рисунок 7 - Схема грузовой подвески
1.7.1 Выбор
подшипника блока по коэффициенту динамической работоспособности
, (24)
где
- приведенная нагрузка на подшипник, Н;
- частота вращения блока, мин
;
- срок службы блока в часах,
час;
=3-для шарикоподшипника.
Определение нагрузки на подшипник
, (25)
где
- максимальная нагрузка на подшипник, Н;
- коэффициент переменности нагрузки,
;
- коэффициент, учитывающий вращение наружного кольца,
;
-коэффициент, учитывающий тип механизма,
;
-коэффициент, учитывающий температурный режим,
;
; (26)
где
- количество блоков на оси
;
-количество подшипников
.
.
Подставим значения
.
Определение частоты вращения блока
мин-1, (27)
где
- скорость подъема груза,
=0.44 м/с;
- кратность полиспаста;
-диаметр блока.
мм,
где
- коэффициент выбора диаметра блока,
=28.
Тогда
кН;
По справочнику /5/ выбираем подшипник 314,Установочные размеры:
150 мм,
35мм,
120 кН,
70 мм.
Рисунок 8 - Эскиз радиального подшипника
1.7.2 Расчет
оси блока
Рисунок 9 - Расчетная схема для определения диаметра оси
блока
=
м, (28)
где
- длина между опорами блока;
- количество блоков на оси;
;
- толщина блока,
;
- толщина кожуха,
=2мм;
-толщина щеки,
= (5…20) мм, примем
=10 мм.
Рисунок 10 - Эскиз подшипника
Определим изгибающий момент
Н·м. (29)
Диаметр оси блока
определим из уравнения
м, (30)
где
- допустимое напряжение,
Па.
Из конструктивных соображений принимаем подшипник 314, /5/.
1.7.3 Выбор
крюка и расчет гайки крюка
Рисунок 11 - Эскиз однорогого крюка
Номер заготовки крюка № 17, наибольшая ГП Q=10т.
Диаметр резьбы
М64. Наружный диаметр
и высоту
гайки крюка определяют по формулам
, (31)
где
- диаметр гайки крюка, мм;
- наружный диаметр резьбы на хвостовике
крюка,
.
Высоту гайки проверяют из условия напряжения смятия по формуле
, (32)
где hг - высота гайки крюка с учетом проверки на смятие, мм;
p - шаг резьбы, p = 6 мм;
- допустимое напряжение на смятие,
= 35МПа;
d1 -
внутренний диаметр резьбы, d1 =57,5 мм.
Получили, что
, условие выполняется.
Н. (33)
Рисунок 12 - Эскиз упорного однорядного подшипника
Выбираем подшипник упорный типа 8213, /5/. С=145 кН, Н=27 мм,
D= 100 мм, d=65 мм.
1.7.5 Расчет
траверсы
Рисунок 13 - Расчетная схема траверсы для нормальной подвески
Рассчитываем размеры траверсы:
Определение ширины траверсы
мм, (34)
где
- диаметр подшипника,
=100 мм.
Определение длины траверсы
мм. (35)
Определение диаметра траверсы
мм, (36)
где
- диаметр хвостовика крюка,
=64 мм.
Определение длины между опорами
мм. (37)
Определение высоты траверсы
мм
(38)
где ТА - изгибающий момент в сечении А-А.
Н·м. (39)
Определение момента изгибающего по формуле
Н·м. (40)
Определение диаметра цапфы
(41)
-допускаемый предел прочности,
МПа.
1.7.6 Расчет
щеки
Рисунок 14 - Эскиз щеки
Определение ширины щеки
мм, (42) где
- наибольший из диаметров цапфы траверсы или оси блока. Условие
прочности при растяжении (поперечное сечение по наибольшему из отверстий d)
; (43)
где :
- толщина щеки, принимаем
= 10 мм;
;
Условие прочности
выполняется.
.8
Определение мощности и выбор электродвигателя
Электродвигатель выбираем из условия
Определение расчетной мощности электродвигателя
кВт, (44)
где
- статическая мощность, кВт;
- коэффициент использования номинальной грузоподъемности,
;
- коэффициент, учитывающий фактическую продолжительность
включения,
=1,2;
- коэффициент, учитывающий схему регулирования скорости,
=1,05;
- коэффициент пусковых потерь,
=1.6.
кВт, (45)
- общий КПД механизма,
.
Выбираем двигатель с мощностью, которая бы удовлетворила условие.
Принимаем электродвигатель 4МТН 280М10 /1/ с техническими
характеристиками:
Частота вращения вала n=575 мин-1;
Мощность на валу P=48 кВт, при
ПВ=60%;
Момент инерции ротора J=4,6 кгм2;
Масса m=120 кг.
Рисунок 15 - Электродвигатель серии MTН
1.8.1
Проверка двигателя по пусковому моменту
Необходимое соблюдение условия:
;
Пусковой момент двигателя определяется по формуле
(46)
Пусковой момент механизма определим по формуле:
, (47)
где
- статический момент, Н·м;
- инерционный момент от вращающихся масс,
Н·м;
- инерционный момент от поступательно
движущихся масс. Определяем статический момент
Н·м, (48)
где
- количество ветвей каната закрепленных
на барабане,
,
- ориентировочное передаточное число редуктора:
, (49)
- частота вращения барабана, мин.
.
мин
. (50)
Определяем инерционный момент от вращающихся масс
Н·м, (51)
где
- время пуска, которое определяется по
формуле
, (52)
- частота вращения электродвигателя;
- момент инерции ротора электродвигателя.
Определяем инерционный момент от поступательно движущихся масс
Н·м. (53)
Получим:
Нм.
, условие выполняется.
1.9 Выбор
редуктора
Редуктор выбираем по мощности (крутящему моменту на
тихоходном валу) и передаточному числу.
Мощность редуктора определяем по формуле
, (54)
где
- мощность редуктора;
- мощность двигателя,
48 кВт;
- коэффициент, учитывающий группу режима,
=1.
кВт;
Крутящий момент на
тих. валу
Выбираем редуктор Ц2-650-25-М-УЗ, /2/
Рисунок 16 - Общий вид редуктора Ц2
1.10 Выбор
муфты зубчатой с тормозным шкивом
Муфту выбираем по крутящему моменту
/3/:
Н·м (52)
где
- статический момент,
Н м;
- коэффициент, учитывающий тип механизма,
- коэффициент, учитывающий группу режима,
- коэффициент для зубчатых муфт,
Выбираем муфту /3/: МЗ-5600-400-1-УЗ
Диаметр тормозного шкива D=400мм
наибольший передаваемый момент Тм=5600 Нм.
Рисунок 17. Эскиз зубчатой муфты с тормозным шкивом.
1.11 Выбор
тормоза
Выбор тормоза производим по тормозному моменту
Тормоз выбирается из условия
Н·м; (56)
- механический крутящий момент;
- коэффициент запаса торможения,
.
Н·м
Н·м, (57)
где 
=
=2,2,
- время торможения.
Получим
Из справочника /2/ выбираем тормоз ТКГ-400 с электрогидравлическим
толкателем ТГМ-80 с наибольшим тормозным моментом
Н·м, диаметр тормозного шкива
мм, В = 232 мм, Н = 620 мм, L = 940 мм, А = 340 мм.
Рисунок 18 - Колодочный тормоз ТКГ с гидравлическим толкателем ТГМ
2. Расчет
механизма изменения вылета стрелы
Рисунок 19 - Расчетная схема механизма изменения вылета
стрелы
Графически получили: с = 1,5 м, а = 2 м, d=6,12м, b=5 м, Lmin =5,3 м, Lmax=40 м, h=0,9 м, h1 =1,25 м, h2 = 1 м.
Определение длины стрелы по заданной высоте подъема груза/6/
. (58)
Определение грузового момента при наименьшем вылете /6/
. (59)
Определение грузоподъемности при наибольшем вылете /6/
(60)
Силу тяжести груза определяем по формуле
. (61)
Силу тяжести стрелы определяем по формуле
(62)
Определение массы стрелы /6/
(63)
где q - погонная масса решётчатой стрелы, q = 150 кг/м.
Определение площади поверхности решетчатой стрелы /6/
(64)
Определение ветровой нагрузки на груз /6/
, (65)
где р - динамическое давление ветра,
- площадь груза,
.
Определение ветровой нагрузки на стрелу /6/
. (66)
Определение силы натяжения каната стрелоподъемного механизма
Искомую силу F можно
определить из уравнения равновесия в форме уравнения моментов относительно пяты
(шарнира) стрелы
(67)
где ƞш - КПД шарнира (ƞш=0,95).
.
2.1 Расчет
полиспаста стрелоподъемного механизма
При массе груза и стрелы G=12,68 т, следовательно,
выбираем полиспаст
Рисунок 20 - Схема полиспаста
Определение тягового усилия полиспаста /6/
(68)
где F - сила натяжения каната стрелоподъемного
механизма, кН;
zH - количество ветвей каната на барабане (zH = 2 - полиспаст сдвоенный);
Unc - кратность стрелового полиспаста (Unc =4);
- КПД полиспаста.
(69)
- КПД блока;
t - количество блоков, согласно схеме.
2.2 Выбор
гибкого элемента
В основу выбора гибкого элемента положена разрушающая
нагрузка, которая определяется по формуле /2/
, (70)
где Fраз - разрушающая нагрузка;
zр -
коэффициент запаса прочности, для группы режима крана М4. zр =9.
Из конструктивных соображений принимаем канат двойной свивки типа
ЛК-З, 6х25 проволок с одним органическим сердечником, ГОСТ 7665-80, с диаметром
каната стрелы: dк=32 мм.
Канат выбираем из справочника /4/ по разрушающей нагрузке
Рисунок 21 - Эскиз сечения каната
Канат 32-Г-I-Н-1568 ГСТ
7665-80.
Определение расчетных диаметров блока и барабана
Определение диаметра барабана
мм, (71)
где
- диаметр каната,
=32 мм;
- коэффициент выбора диаметра, для группы режима М8,
=16.
Расчетный диаметр блока
мм, (72)
где
- диаметр каната,
=32 мм;
- коэффициент выбора диаметра, для группы режима М8,
=28.
2.3
Определение мощности и выбор электродвигателя
Электродвигатель выбираем из условия
Определение расчетной мощности электродвигателя /6/
, (73)
Где Рст - статическая мощность, кВт;
Ки - коэффициент использования номинальной
грузоподъемности /6/, Ки = 0,7;
Кε -
коэффициент, учитывающий фактическую продолжительность включения /6/, Кε = 1,2;
Кр - коэффициент, учитывающий схему регулирования
скорости /6/, Кр = 1,05;
Кпр - коэффициент пусковых потерь /6/, Кпр =
1,6.
, (74)
где ηмех - общий КПД механизма /6/, ηмех = 0,85; Vс - скорость стрелы, Vс = 0,35м/с.
Выбираем двигатель 4МТН 280S10 /1/ ГОСТ 185-90 с техническими характеристиками:
Частота вращения вала n = 570
мин-1;
Мощность на валу P = 36 кВт, при
ПВ =60%;
Момент инерции ротора J = 3,8
кг·м2;
Масса m =750 кг.
2.4 Выбор
редуктора
Редуктор выбираем по крутящему моменту на тихоходном валу.
Мощность редуктора определяем по формуле
, (75)
где Рр - мощность редуктора;
Р1 - мощность двигателя;
К - коэффициент, учитывающий группу режима.
Определение частоты вращения барабана
(76)
Определение передаточного числа редуктора
(77)
Определение статического момента
(78)
где
- количество ветвей каната закрепленных
на барабане,
- передаточное число редуктора.
Определение крутящего момента на тихоходном валу /2/
(79)
Выбираем редуктор Ц2-1000-20-М-УЗ /3/.
Рисунок 22 - Общий вид редуктора Ц2
2.5 Выбор
муфты
Муфту выбираем по крутящему моменту
/3/:
Н·м (80)
где
- статический момент,
Н м;
- коэффициент, учитывающий тип механизма,
- коэффициент, учитывающий группу режима, 
- коэффициент для зубчатых муфт, 
Диаметр тормозного шкива D=500мм
наибольший передаваемый момент Тм=8000 Нм.
Рисунок 17. Эскиз зубчатой муфты с тормозным шкивом.
2.6 Выбор
тормоза
Выбор тормоза производим по тормозному моменту.
Тормоз выбирается из условия /2/:
Определение расчётного тормозного момента /2/:
(81)
где
- тормозной момент механизма;
- коэффициент запаса торможения /6/,
.
Определение тормозного момента механизма
(82)
Определение слагаемых входящих в уравнение (82)
(83)
где
- время пуска,
- частота вращения электродвигателя;
- момент инерции ротора электродвигателя.
(84)
Из справочника /2/ выбираем тормоз ТКГ-600 с гидротолкателем
ТЭ-160 с наибольшим тормозным моментом
диаметр тормозного шкива
Рисунок 24 - Эскиз колодочного тормоза ТКГ
Вывод
В ходе данного курсового проектирования были рассчитаны
основные механизмы крана, был сделан выбор на основе этих расчетов
нормализованных и стандартные сборочных единицы, их рациональная компоновка.
Все механизмы удовлетворяют требованиям надежности, удобствам монтажа и
демонтажа, обслуживанию, безопасности. Все расчеты выполнены с соблюдением
требований Ростехнадзора России.
Библиографический
список
1.
Справочник по кранам / Под ред.М. М. Гохберга. - Л.: Машиностроение, 1988. Т.1.
- 353 с.
.
Справочник по кранам / Под ред.М. М. Гохберга. - Л.: Машиностроение, 1988. Т.2.
- 559 с.
.
Кузьмин А.В., Марон Ф.Л. Справочник по расчётам механизмов подъёмно -
транспортных машин. - Минск: Высшая школа, 1983. - 272 с.
.
Конспект лекций по предмету "Грузоподъёмные машины" 2014 г
.
Курсовой проект по грузоподъёмным машинам (метод. указания), / Под ред. Ю.В.
Ремизович - Омск 2003 г, СибАДИ. - 28с.
.
Транспортно-технологические машины (метод. указания), / Под ред. Ю.В. Ремизович
- Омск 2011 г, СибАДИ. - 159с.
.
Александров М.П. Подъёмно - транспортные машины. - М.: Высшая школа, 1985. -
593 с.
.
Александров М.П. Грузоподъёмные машины. - М.: Высшая школа, 2000. - 552 с.
.
Вайнсон А.А. Подъёмно - транспортные машины. - М.: Машиностроение, 1993. - 431
с.
.
Руденко Н.Ф., Руденко В.Н. Грузоподъемные машины. Атлас конструкций. Учебное
пособие для вузов. - М: "Машиностроение", 1970. - 116 с., (и другие
атласы авторов).