Проектування локальної мережі для ВНЗ

  • Вид работы:
    Курсовая работа (т)
  • Предмет:
    Информационное обеспечение, программирование
  • Язык:
    Украинский
    ,
    Формат файла:
    MS Word
    3,31 Мб
  • Опубликовано:
    2014-09-22
Вы можете узнать стоимость помощи в написании студенческой работы.
Помощь в написании работы, которую точно примут!

Проектування локальної мережі для ВНЗ















Курсовий проект

Проектування локальної мережі для вищого навчального закладу

Зміст

Вступ

Розділ 1. Опис об’єкта. Побудова функціональної схеми

1.1 Опис об’єкту та план будівлі

.2 Побудова функціональної схеми

Висновки

Розділ 2. Вибір мережевого обладнання

.1 Вибір активного мережевого обладняння

.2 Вибір пасивного мережевого обладнання

Висновки

Розділ 3. Моделювання локальної мережі

.1 ІР-адресація

.2 Моделювання комп’ютерної мережі в Packet Tracer

.3 Вибір програмного забезпечення і його налаштування

.4 Налаштування сервера, основні етапи налаштування

Висновки

Висновок

Список використаної літератури

Додаток А

Додаток Б

Додаток В

Вступ


На базі економічної та високопродуктивної електронної техніки у 80-х роках визначилась нова тенденція розвитку інформаційно-обчислювальної техніки - створення локальних обчислювальних мереж LAN (Local Area Network) різноманітного призначення. Локальна обчислювальна мережа - це комунікаційна мережа, яка забезпечує в межах деякої обмеженої території взаємозв’язок для широкого кола програмних продуктів. Вона підтримує зв’язок між ЕОМ, терміналами, обладнанням, забезпечує сумісне використання ресурсів.

Впровадження локальної обчислювальної мережі дозволяє персонально використовувати обчислювальні ресурси всієї мережі, а не тільки окремого комп’ютера, створювати різноманітні масиви управлінської, комерційної та іншої інформації загального призначення, автоматизувати документообіг в цілому. З’являються можливості колективного використання різних спеціалізованих засобів та інструментів для вирішення певного кола професійних задач (наприклад, засобів машинної графіки, підготовки звітів, відомостей, доповідей, публікацій та інших документів). Крім організації внутрішніх служб, локальна обчислювальна мережа дозволяє розгорнути зовнішні по відношенню до організації такі служби, як телексний (телетайпний) зв’язок, поштова кореспонденція, електроні дошки оголошень, електронні газети, тощо, а також підтримує вихід в глобальні (регіональні) мережі та користування їх послугами.

В даній курсовій роботі метою було представлено побудову локальної мережі для вищого навчального закладу, що забезпечуватиме роботу 400 машин, підключених стаціонарно, та більш ніж 200 машин, що можуть підключатися бездротово.

Розділ 1. Опис об’єкта. Побудова функціональної схеми

 

.1 Опис об’єкту та план будівлі


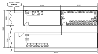
До виконання в курсовій роботі було поставлена задача проектування локальної мережі для 3-поверхової будівлі ВНЗ Загальна площа складає 15 тис. квадратних метрів. Відповідно на кожен поверх приходиться по 5 тис. квадратних метрів. Планування кожного поверху незначно різниться. На кожному поверсі розташований один факультет. Вся будівля поділена на 2 крила: В правому містяться лекційні аудиторії, у лівому - комп’ютерні та деканат. На першому поверсі також знаходиться серверна. На другому поверсі у лівому крилі необхідно встановити точку доступу Wi-Fi. Розміри кімнат вказані на рис. 1.1, 1.2 та 1.3. Необхідно розташувати та організувати локальну мережу для 400 робочих станцій. Окрім локальної мережі, повинен забезпечуватися вихід у глобальну мережу Інтернет. Мережа буде побудована по древо образній топології за технологією Ethernet.

Рисунок 1.1 - План першого поверху

Рисунок 1.2 - План другого поверху

Рисунок 1.3 - План третього поверху

В даній курсовій роботі буде розроблена мережа для вищого навчального закладу. Діяльність закладу спрямована на надання швидкого та якісного доступу до необхідної інформації. У зв’язку з кількістю робочих станцій та необхідної швидкістю (не менше 1 Мбіт на робочій станції), локальній мережі необхідно забезпечити швидкість у 1 Гбіт/с. Вихід у глобальну мережу Інтернет також матиме швидкість 1 Гбіт/с для забезпечення одночасного підключення до мережі всіх необхідних робочих станцій.

Оскільки всі робочі станції, а також портативні комп’ютери студентів повинні мати можливість підключення до мережі, вирішено забезпечити можливість отримання IP - адреси динамічним шляхом. Це дозволить уникнути ручного налаштування комп'ютерів мережі і зменшить кількість помилок. Також необхідно забезпечити можливість кожному факультету зберігати резервні копії даних на сервері. Робітники підприємства повинні мати змогу друкувати документи з будь-якої робочої.

Розподілення комп’ютерів виконується із розрахунку по 3кв. метра на 1 робочу станцію. Таким чином, в комп’ютерних аудиторіях розташовано по 40 комп'ютерів. В деканаті першого, другого та третього факультетів розташовано 9, 15 та 13 комп’ютерів відповідно. Ще 3 машини відведено під сервери. Загальна кількість комп’ютерних аудиторій 9 штук, загальна кількість робочих станцій у будівлі 400.

На кожному поверсі планування лівого крила будівлі однакове: 3 лекційні аудиторії площею 300 кв. метрів кожна, та одна лекційна аудиторія площею 1000 кв. м. Вирішено не забезпечувати лекційні аудиторії робочими станціями та не проводити у ліве крило дротовий Інтернет. Проте буде встановлена точка доступу Wi-Fi, що забезпечуватиме бездротовий Інтернет у лекційних аудиторіях для портативних пристроїв студентів та викладачів.

Площа, відведена для деканату, також рівна на всіх поверхах і становить 900 кв. метрів.

Серверна розташована на першому поверсі і містить 3 фізичні сервери у кімнаті площею 400 кв. метрів. На машинах вирішено розташувати наступні логічні сервери:

         DHСP-сервер для автоматичного отримання ІР - адрес;

         DNS-сервер для отримання імені хоста;

         Файловий сервер для забезпечення місця зберігання даних та резервних копій.

Комп’ютерна аудиторія на першому поверсі має площу 400 кв. метрів. На другому поверсі розміщено три комп’ютерних аудиторій двох типів: площею 400 кв. метрів та 300 кв. метрів відповідно. На третьому поверсі кількість аудиторій площею 200 кв. метрів рівна п’яти.

2.2 Побудова функціональної схеми


Функціональна схема - це документ, пояснюючий процеси що протікають в окремих функціональних ланках виробу або у виробі в цілому. Функціональна схема дає можливість зрозуміти всю логіку роботи пристрою, всі його відмінності від інших подібних пристроїв. За такою схемою можна визначити, як здійснюються перетворення і які для цього необхідні функціональні елементи. Кожен функціональний елемент містить лише ті входи і виходи, які необхідні для його коректної роботи. Дана схема розробляється на основі структурної схеми для кожного блоку, в результаті з окремих функціональних елементів складається загальна функціональна схема об'єкту.

В ієрархічній функціональній схемі зазначається кількість робочих станцій, мережевого обладнання (комутаторів) і технологію комутаційних елементів. В даній локальній мережі застосуємо найбільш використану на сьогодні технологію Ethernet.- це пакетна технологія передачі даних.

Стандарти Ethernet визначають дротяні з'єднання і електричні сигнали на фізичному рівні, формат кадрів і протоколи управління доступом до середовища - на канальному рівні моделі OSI. Ethernet в основному описується стандартами IEEE групи 802.3. Ethernet став найпоширенішою технологією ЛВС в середині 90-х років минулого століття, витіснивши такі застарілі технології, як Arcnet, FDDI і Token ring

В залежності від швидкості передачі даних та передаваючого середовища існують наступні варіанти технологій:

10 Мбіт/с Ethernet:

10BASE5, IEEE 802.3

Первісна розробка технології зі швидкістю передачі даних 10 Мбіт / с. Слідуючи ранньому стандарту IEEE використовує коаксіальний кабель з хвильовим опором 50 Ом (RG-8), з максимальною довжиною сегмента 500 метрів;

10BASE2, IEEE 802.3a

Використовується кабель RG-58, з максимальною довжиною сегмента 185 метрів. Багато років цей стандарт був основним для технології Ethernet;

10BASE-T, IEEE 802.3i

Для передачі даних використовується 4 дроти кабелю витої пари (дві скручені пари) категорії-3 або категорії-5. Максимальна довжина сегмента 100 метрів;

FOIRL

Базовий стандарт для технології Ethernet, що використовує для передачі даних оптичний кабель. Максимальна відстань передачі даних без повторювача 1 км;

10BASE-F, IEEE 802.3j

Основний термін для позначення сімейства 10 Мбіт / с ethernet-стандартів, що використовують оптичний кабель на відстані до 2 кілометрів: 10BASE-FL, 10BASE-FB і 10BASE-FP. З перерахованого лише -10BASE-FL набув широкого поширення;

10BASE-FL (Fiber Link)

Покращена версія стандарту FOIRL. Поліпшення торкнулося збільшення довжини сегменту до 2 км;

10BASE-FB (Fiber Backbone)

Зараз невживаний стандарт, призначався для об'єднання повторювачів у магістраль;

10BASE-FP (Fiber Passive)

Топологія "пасивна зірка", в якій не потрібні повторювачі ніколи не застосовувався.

Швидкий Ethernet (Fast Ethernet, 100 Мбіт / с):

100BASE-T

Загальний термін для позначення стандартів, що використовують кабель виту пару. Довжина сегмента до 100 метрів. Включає в себе стандарти 100BASE-TX, 100BASE-T4 і 100BASE-T2;

100BASE-TX, IEEE 802.3u

Розвиток стандарту 10BASE-T для використання в мережах топології "зірка". Задіяна вита пара категорії 5, фактично використовуються тільки дві неекрановані пари провідників, підтримується дуплексна передача даних, відстань до 100 м;

100BASE-T4

Стандарт, який використовує виту пару категорії 3. Задіяні всі чотири пари провідників, передача даних йде в режимі напівдуплексний. Практично не використовується;

100BASE-T2

Стандарт, який використовує виту пару категорії 3. Задіяні тільки дві пари провідників. Підтримується повний дуплекс, коли сигнали поширюються в протилежних напрямках по кожній парі. Швидкість передачі в одному напрямку - 50 Мбіт / с. Практично не використовується;

100BASE-SX

Стандарт, який використовує багатомодове волокно. Максимальна довжина сегмента 400 метрів в режимі напівдуплекс (для гарантованого виявлення колізій) або 2 кілометри в повному дуплексі;

100BASE-FX

Стандарт, який використовує одномодове волокно. Максимальна довжина обмежена тільки величиною затухання в оптичному кабелі і потужністю передавачів, за різними матеріалами від 2-х до 10 кілометрів;

100BASE-FX WDM

Стандарт, який використовує одномодове волокно. Максимальнадовжина обмежена тільки величиною затухання в волоконно-оптичному кабелі і потужністю передавачів. Інтерфейси бувають двох видів, відрізняються довжиною хвилі передавача і позначаються цифрамою (довжина хвилі) або однією латинською літерою A (1310) або B (1550). У парі можуть працювати тільки парні інтерфейси: з одного боку передавач на 1310 нм, а з іншого - на 1550 нм.

Гігабітний Ethernet (Gigabit Ethernet, 1 Гбіт / с):

1000BASE-T, IEEE 802.3ab

Стандарт, який використовує виту пару категорій 5. У передачі даних беруть участь 4 пари. Швидкість передачі даних- 250 Мбіт / с по одній парі. Використовується метод кодування PAM5, частота основної гармоніки 62,5 МГц. Відстань до 100 метрів;

1000BASE-TX

Опублікований в березні 2001 року як "Специфікація фізичного рівня дуплексного Ethernet 1000 Мбіт / с (1000BASE-TX) симетричних кабельних систем категорії 6;

1000BASE-X

Загальний термін для позначення стандартів зі змінними передавачами прийому GBIC або SFP;

1000BASE-SX, IEEE 802.3z

Стандарт, який використовує багатомодове волокно. Дальність проходження сигналу без повторювача до 550 метрів;

1000BASE-LX, IEEE 802.3z

Стандарт, який використовує одномодове волокно. Дальність проходження сигналу без повторювача залежить тільки від типу використовуваних приймачів і, як правило, становить від 5 до 50 кілометрів.

1000BASE-LH (Long Haul)

Стандарт, який використовує одномодове волокно. Дальність проходження сигналу без повторювача до 100 кілометрів;

10-гігабітний Ethernet:

10GBASE-CX4

Технологія 10-гігабітного Ethernet для коротких відстаней (до 15 метрів), використовується мідний кабель CX4 і коннектори InfiniBand;

10GBASE-SR

Технологія 10-гігабітного Ethernet для коротких відстаней (до 26 або 82 метрів, в залежності від типу кабелю), використовується багатомодове волокно. Він також підтримує відстані до 300 метрів з використанням нового багатомодового волокна (2000 МГц / км);

10GBASE-LX4

Використовує ущільнення по довжині хвилі для підтримки відстаней від 240 до 300 метрів по багатомодовому волокну. Також підтримує відстані до 10 кілометрів при використанні одномодового волокна;

10GBASE-LR

Підтримує відстань до 10 км

10GBASE-ER

Підтримує відстань до 40 км

10GBASE-T, IEEE 802.3an

Використовує екрановану виту пару. Відстані - до 100 метрів.


Враховуючи велику кількість робочих станцій, необхідність постійного доступу до мережі Інтернет, а також зростаючи потреби швидкості передачі у працівників та студентів виключають можливість використання комутаційного обладнання з пропускною здатність 10 Мбіт/с. Використання швидкості 100 Мбіт більш раціональне, проте не гарантує забезпечення високої швидкості з’єднання для всіх робочих станцій, а також підключених портативних пристроїв. Отжа в даній будівлі ВНЗ застосуємо комутаційні елементи зі швидкістю 1000 Мбіт/с.

Так як мережа передбачає підключення портативних пристроїв, необхідно забезпечити динамічний розподіл ІР-адрес. Для цього буде створено сервер, що міститиме у собі DHCP (Dynamic Host Configuration Protocol). Окрім цього необхідно створити сервери з наступними ролями: поштовий сервер та файловий сервер.

В кожній аудиторії необхідно забезпечити доступ до мережі 40 робочим станціям. Отже, кожна аудиторія туде забезпечена одним комутатором на 48 портів. Також деканат на кожному поверсі має бути забезпеченим доступом до мережі; для цих цілей оберемо свічі по 24 порти. На кожен поверх необхідно встановити по 1 комутатору рівня розподілу на 16 портів.

Таким чином передбачено побудову мережі на трьох рівнях (рисунок 2.1):

         Рівень ядра

         Рівень агрегації

         Рівень доступу

Ядро мережі повинне забезпечувати швидку комутацію пакетів і гнучку маршрутизацію потоків даних. Ядро мережі будується з модулів, утворених одним високопродуктивним пристроєм, із забезпеченням апаратного резервування.

Рівень агрегації також створюється на комутаторах і забезпечує агрегацію підключень рівня доступу, реалізацію сервісів і збір статистики. ядрі і на рівні агрегації забезпечується резервування компонентів комутаторів, а також топологічне резервування, що дозволяє продовжувати надання послуг при одиночних збоях каналів і вузлів.

Рівень доступу будується за кільцевою або зіркоподібною схемою на комутаторах для підключення корпоративних клієнтів, офісних будівель, а також домашніх і SOHO клієнтів. На рівні доступу реалізується повний комплекс заходів безпеки, забезпечуючи ідентифікацію і ізоляцію клієнтів, захист інфраструктури оператора.

Рисунок 2.1 - Схема локальної мережі з трьома рівнями

На основі вище зазначених даних та рисунку побудуємо ієрархічну схему будівлі ВНЗ (рисунок 2.2).

В даній схемі елементи під номерами 4-15 відносяться до рівня доступу. Дані комутатори забезпечують підключення локальних користувачів до мережі. Комутатор за назвою SW Central забезпечує рівень ядра. Рівень агрегації забезпечується комутаторами SW1 - SW3.

Після представлення ієрархічної схеми необхідно виконати графічне представлення розташування робочих станцій відносно плану будівлі. Прокладка комунікації зображена на рисунках 2.3, 2.4 та 2.5.

Рисунок 2.2 - Ієрархічна схема будівлі

Рисунок 2.3 - Функціональна схема першого поверху

Рисунок 2.4 - Функціональна схема другого поверху

Рисуное 2.5 - Функціональна схема третього поверху

Висновки


В цьому розділі було вирішено основні питання стосовно запланованої мережі, а саме:

.        Побудовано план будівлі.

.        Визначено кількість комутаційних елементів.

.        Визначено кількість та ролі серверів.

.        Визначено кількість та розміщення робочих станцій.

.        Визначено логічну та фізичну топологію мережі.

.        Визначено базову швидкість передачі даних

На основі питань, зазначених вище, було побудовано ієрархічну та функціональну схеми з нанесенням розміщення робочих станцій та комутаційних елементів на план будівлі

Розділ 2. Вибір мережевого обладнання

 

.1 Вибір активного мережевого обладнання


Мережеве обладнання - пристрої, необхідні для роботи комп'ютерної мережі, наприклад: маршрутизатор, комутатор, концентратор, патч-панель та ін. Зазвичай розрізняють активне та пасивне мережеве обладнання.

Під назвою, активне мережеве обладнання мається на увазі деякі "інтелектуальні" особливості мережевого обладнання. Це такі пристрої як маршрутизатор, комутатор і т.д. Активне обладнання має одну відмінну рису від пасивного мережевого устаткування - це споживання електроенергії, необхідне джерело живлення.

В даній курсовій роботі необхідно обрати комутатори, сервери та точку доступу. локальний мережа комп’ютерний сервер

Комутатор - це пристрій, що використовується для створення хостів в комп’ютерній мережі. З його допомогою можна об’єднати один або кілька сегментів мережі.

В даній мережі необхідно обрати 4 типи комутаторів:

) керований комутатор рівня ядра на 12 портів

) керований комутатор рівня агрегації на 12 портів

) комутатор рівня доступу на 24 порти

) комутатор рівня доступу на 48 портів

Всі комутатори повинні мати пропускну здатність 1000 Мбіт/с.

Серед всіх світових виробників мережевого обладнання виділено три лідери, серед яких буде проводитись вибір обладнання для ВНЗ. Це компанії Cisco, D-Link та ZyXEL.

Компанія Cisco - це найбільший в світі виробник мережного устаткування, призначеного для обслуговування мереж віддаленого доступу, сервісів безпеки, мереж зберігання даних, маршрутизації і комутації, а також для потреб комерційного ринку IP-комунікацій і корпоративного ринку. На цей час Cisco виробляє велику кількість різноманітних пристроїв, наприклад:

         Ethernet комутатори

         Маршрутизатори

         Продукти для IP-телефонії, такі як IP PBX, VoIP-шлюзи

         Пристрої мережної безпеки (міжмережні екрани, VPN, IDS тощо)

         Wi-Fi точки доступу

         Кабельні модеми

         DSL-устаткування

         Універсальні шлюзи і шлюзи віддаленого доступу

         Комутатори мереж зберігання даних (SAN, Storage Area Network)

         Програмне забезпечення управління мережею

Компанія D-Link - це всесвітньо відомий розробник і виробник мережевого і телекомунікаційного обладнання, що пропонує широкий набір рішень для домашніх та SOHO користувачів, корпоративного сегменті, інтернет-провайдерів.

Основні групи пристроїв, що виробляє компанія:

         Мережеві комутатори Ethernet

         Бездротове обладнання стандарту Wi-Fi

         IP-камери

         Перетворювачі середовища

         Маршрутизатори

         Мережеві екрани

         Мережеві адаптери

         Обладнання VoIP

         Перемикачі KVM

         Модеми

         Накопичувачі NAS

         Обладнання GEPON

Компанія ZyXEL Communications - це провідний розробник мережних рішень на базі інтернет-технологій. Пріоритетні напрямки діяльності компанії - це рішення для мережевої безпеки, домашніх та SOHO користувачів.

Основні групи пристроїв, що виробляє компанія:

         Мережеві комутатори

         Мережеві екрани

         DSL-обладнання

         NGN-обладнання

         VoIP-обладнання

         Маршрутизатори

         Бездротове обладнання стандарту Wi-Fi

         Мережеві адаптери

         Модеми

Спочатку буде розглянуто три варіанти комутатора від компанії Cisco. Результати проаналізовані та зведені в таблицю.

Таблиця 3.1 - Технічніі характеристики керованих комутаторів Cisco.

Модель комутатора

Cisco SG300-10P (SRW2008P-K9)

Cisco WS-C3560E-12SD-S

Cisco WS-C3750G-12S-S

Cisco SF200-48P

Cisco SB SF300-48

Cisco SG 100-24

Cisco SF 102-24

Кількість портів

10

16

12

50

52

24

24

Стандарти, що підтримуться

802.3, 802.3u, 802.3ab, 802.3ad, 802.3z, 802.3x, 802.1D, 802.1Q/p, 802.1w, 802.1s, 802.1X, 802.3af, 802.3at

802.3, 802.3u, 802.3z, 802.1D, 802.1Q, 802.3ab, 802.1p, 802.3af, 802.3x, 802.3ad 802.1w, 802.1x, 802.1s

 802.1D 802.1p 802.1Q 802.1s 802.1w 802.1X 802.3ab 802.3ad 802.3z

 802.3, 802.3u, 802.3ab

 802.1D, 802.1w, 802.1s, 802.1p, 802.1Q, 802.1x 802.3ad

 802.1p, 802.3u, 802.3ab, 802.3

 802.3 802.3u 802.3ab 802.3z 802.3x 802.1p

Тип комутатора

керований

керований

керований

керований

керований

некерований

некерований

Оперативна пам’ять

128 МБ

128 МБ

128 МБ

128 МБ

128 МБ

128 МБ

128 МБ

Флеш-пам’ять

16 МБ

16 МБ

16 МБ

16 МБ

16 МБ

16 МБ

16 МБ

Протоколи управлянні

SNMP 1/2c/3, RMON, HTTP/HTTPS, TFTP, DHCP, SSH, RADIUS, BOOTP, SNTP Web-интерфейс Compact CLI

RMON 1, RMON 2, RMON 3, RMON 9, Telnet, SNMP 3 Web-интерфейс Compact CLI

RMON 2.0 SNMP 1.0 SNMP 2.0 SNMP 3.0 Telnet Web-интерфейс Compact CLI

HTTP HTTPS

HTTP HTTPS TFTP

-

-

Розмір таблиці МАС-адрес

8000

8000

12000

8000

8000

8000

8000

Комутаційна здатність

20 Гбіт/с

32 Гбіт/с

32 Гбіт/с

100 Гбіт/с

17,6 Гбіт/с

48 Гбіт/с

48 Гбіт/с

Технологія підключення

дротова

дротова

дротова

дротова

дротова

дротова

дротова

Ціна

516$

15 995$

7 995$

925$

762$

413$

222$



Для подальшого порівняння з комутаторами інших виробників виділимо від компанії Cisco три комутатори:

         Cisco WS-C3750G-12S-S;

         Cisco SB SF300-48;

         Cisco SF 102-24

До таблиці 3.2 зведено дані про комутатори фірми D-Link

Таблиця 3.2 - Технічні характеристики комутаторів фірми D-Link

Модель комутатора

D-Link DGS-3200-10

D-Link DGS-3700-12

D-Link DGS-1024D/E1A

D-Link DGS-1100-24

D-Link DGS-1210-48

D-Link DGS-3120-48PC

Кількість портів

10

12

24

24

48

48

Стандарти, що підтримуться

802.3х 802.1D 802.1w 802.1s 802.3ad 802.1Q 802.1X

802.3х 802.1d 802.1w 802.1s 802.3ad 802.1q 802.1х

802.3 802.3u 802.3ab 802.3x 802.1p QoS

802.3 802.3u 802.3ab 802.3az

802.3 802.3u 802.3ab 802.3 802.3x

802.3 802.3u 802.3ab 802.3 802.3x 802.3af 802.3at 802.1d

Тип комутатора

керований

керований

некерований

керований

керований

керований

Оперативна пам’ять

-

-

-


-

-

Флеш-пам’ять

-

-

-

2 МБ

-

-

Протоколи управлянні

Telnet TFTP SNMP RMON v1 RMON v2 SNTP ICMPv6 Web-интерфейс Compact CLI

Telnet TFTP SNMP RMON v1 RMON v2 SNTP Web-интерфейс Compact CLI

-

HTTP HTTPS

Telnet TFTP SNMP Web-интерфейс Compact CLI

Telnet TFTP SNMP RMON v1 RMON v2 SNTP Web-интерфейс Compact CLI

Розмір таблиці МАС-адрес

8000

16000

8000

8000

8000

16000

Комутаційна здатність

20 Гбіт/с

24 Гбіт/с

48 Гбіт/с

48 Гбіт/с

96 Гбіт/с

136 Гбіт/с

Технологія підключення

дротова

дротова

дротова

дротова

дротова

дротова

Ціна

233$

1269$

167$

544$

1741$



Для подальшого порівняння з комутаторами інших виробників виділимо від компанії D-Link три комутатори:

         D-Link DGS-3700-12;

         D-Link DGS-1024D/E1A;

         D-Link DGS-1210-48

Нижче приведена звідна таблиця по обраним комутаторам фірми ZyXEL.

Таблиця 3.3 - Техічні характеристики комутаторів фірми ZyXEL

Модель комутатора

MGS-3712

GS-4012F

GS-1124A

GS1510-24

GS2200-48

Кількість портів

12

12

24

24

48

Стандарти, що підтримуться

802.3ab 802.3z 802.3 802.3ah 802.1ag 802.1p 802.1Q 802.1d 802.1w 802.1s 802.1x 802.1ad

802.3 802.3u 802.3ab 802.3z 802.3 802.3x 802.3ad 802.3ah 802.1p 802.1q 802.1d 802.1w 802.1s 802.1x 802.1ad

802.3 802.3u 802.3ab 802.3z 802.3x 802.1p

802.3ab 802.3z 802.3 802.3ah 802.1ag 802.1p 802.1Q 802.1d 802.1w 802.1s 802.1x 802.1ad

802.3 802.3u 802.3ab 802.3z 802.3x 802.3ad 802.3ah 802.1ag 802.1p 802.1Q 802.1d 802.1w 802.1s 802.1x 802.1ad

Тип комутатора

керований

керований

некерований

керований

керований

Оперативна пам’ять

-

-

-

-


Флеш-пам’ять

-

-

-

-


Протоколи управлянні

Telnet Web-интерфейс SNMP V2c, V3 TFTP DHCP TFTP

Web-интерфейс SNMP DHCP iStacking Telnet CLI

-

Web-интерфейс SNMP DHCP RMON v1-v3, v9

Web-интерфейс SNMP DHCP iStacking Telnet CLI TFTP

Розмір таблиці МАС-адрес

16000

16000

4000

16000

8000

Комутаційна здатність

24 Гбіт/с

24 Гбіт/с

48 Гбіт/с

52 Гбіт/с

100 ГБіт/с

Технологія підключення

дротова

дротова

дротова

дротова

дроотва

Ціна

1207$

1117$

276$

236$

1236$



Для подальшого порівняння з комутаторами інших виробників виділимо від компанії ZyXEL три комутатори:

         ZyXEL GS-4012F;

         ZyXEL GS1510-24;

         ZyXEL GS2200-48

Від кожного виробника біло обрано по 3 комутатори, що відповідають поставленим вимогам.

Щоб обрати оптимальний комутатор для кожної необхідної задачі побудуємо порівняльні таблиці обраних комутаторів від трьох фірм.

Таблиця 3.4 - Порівняльна таблиця 12-портових керованих комутаторів

Модель комутатора

Cisco WS-C3750G-12S-S

D-Link DGS-3700-12

ZyXELGS-4012F

Кількість портів

12

12

12

Стандарти, що підтримуться

 802.1D 802.1p 802.1Q 802.1s 802.1w 802.1х 802.3ab 802.3ad 802.3z

802.3х 802.1d 802.1w 802.1s 802.3ad 802.1q

802.3 802.3u 802.3ab 802.3z 802.3 802.3x 802.3ad 802.3ah 802.1p 802.1q 802.1d 802.1w 802.1s 802.1x 802.1ad

Тип комутатора

керований

керований

керований

Оперативна пам’ять

128 МБ

-

-

Флеш-пам’ять

16 МБ

-

-

Протоколи управлянні

RMON 2.0 SNMP 1.0 SNMP 2.0 SNMP 3.0 Telnet Web-интерфейс Compact CLI

Telnet TFTP SNMP RMON v1 RMON v2 SNTP Web-интерфейс Compact CLI

Web-интерфейс SNMP DHCP iStacking Telnet CLI

Розмір таблиці МАС-адрес

12000

16000

16000

Комутаційна здатність

32 Гбіт/с

24 Гбіт/с

24 Гбіт/с

Технологія підключення

дротова

дротова

дротова

Ціна

7 995$

1269$

1117$


Для центрального комутатора важлива підтримка протоколу 1000BASE-X GigabitEthernet через волоконно-оптичний кабель, а також велика комутацій пропускна здатність. Проте ціна комутатора Cisco WS-C3750G-12S-S надто велика для вищого навчального закладу. Отже для центрального комутатору, а також для комутаторів рівня агрегації обрано ZyXELGS-4012F

- та 48- портові комутатори будуть встановлені на рівні доступу на кожному поверсі відповідно у деканаті та у комп’ютерних аудиторіях. Пріоритетною вимогою до таких комутаторів є низька ціна. В таблиці 3.5 та 3.6 занесено дані про відповідні комутатори кожної з трьох фірм

Таблиця 3.5 - Порівняльна таблиця 24-портових керованих комутаторів

Модель комутатора

Cisco SF 102-24

D-Link DGS-1024D/E1A

GS1510-24

Кількість портів

24

24

24

Стандарти, що підтримуться

 802.3 802.3u 802.3ab 802.3z 802.3x 802.1p

802.3 802.3u 802.3ab 802.3x 802.1p QoS

802.3ab 802.3z 802.3 802.3ah 802.1ag 802.1p 802.1Q 802.1d 802.1w 802.1s 802.1x 802.1ad

Тип комутатора

некерований

некерований

керований

Оперативна пам’ять

128 МБ

-

-

Флеш-пам’ять

16 МБ

-

-

Протоколи управлянні

-

-

Web-интерфейс SNMP DHCP RMON v1-v3, v9

Розмір таблиці МАС-адрес

8000

8000

16000

Комутаційна здатність

48 Гбіт/с

48 Гбіт/с

52 Гбіт/с

Технологія підключення

дротова

дротова

дротова

Ціна

222$

135$

236$


-портовий комутатор буде використовуються в деканаті. До нього буде підключено від 9 до 15 машин, також повинна залишатись можливість підключення додаткових машин. Особливих вимог до цих комутаторів пред’являтися не буде, отже обрано комутатор, ціна якого найнижча - D-Link DGS-1024D/E1A.

Таблиця 3.6 - Порівняльна таблиця 48-портових керованих комутаторів

Модель комутатора

Cisco SF200-48P

D-Link DGS-1210-48

GS2200-48

Кількість портів

50

48

48

Стандарти, що підтримуться

 802.3, 802.3u, 802.3ab

802.3 802.3u 802.3ab 802.3 802.3x

802.3 802.3u 802.3ab 802.3z 802.3x 802.3ad 802.3ah 802.1ag 802.1p 802.1Q 802.1d 802.1w 802.1s 802.1x 802.1ad

Тип комутатора

керований

керований

керований

Оперативна пам’ять

128 МБ

-


Флеш-пам’ять

16 МБ

-


Протоколи управлянні

HTTP HTTPS

Telnet TFTP SNMP Web-интерфейс Compact CLI

Web-интерфейс SNMP DHCP iStacking Telnet CLI TFTP

Розмір таблиці МАС-адрес

8000

8000

8000

Комутаційна здатність

100 Гбіт/с

96 Гбіт/с

100 ГБіт/с

Технологія підключення

дротова

дротова

дроотва

Ціна

925$

544$

1236$


Вимоги до 48-портовий комутаторів майже такі ж самі, як і до 24 портових. Різниця полягає лише в необхідності великої пропускної здатності. Проте обрані комутатори мають майже рівну комутаційну здатність, тому обираємо за принципом меншої ціни - D-Link DGS-1210-48

Окрім комутаційних елементів необхідно обрати три сервери: DHCP, поштовий та файловий.

Сервер - це комп’ютер у мережі, що надає свої програмні і апаратні ресурси користувачам мережі для зберігання даних, виконання програм і інших послуг (наприклад, доступ до спільної бази даних, спільне користування пристроями вводу/виводу, організація взаємодії між користувачами і інше).

Розрізняють дві технології використання серверу: файл-сервер та клієнт-сервер. В першій моделі використовується файловий сервер, на якому зберігається більшість програм і даних, що пересилаються на запит користувача. Обробка інформації відбувається на робочій станції.

В системах з архітектурою клієнт-сервер обмін даними виконується між додатком-клієнтом і додатком-сервером. Зберігання даних і їх обробка виконується на потужному сервері котрий також виконує контроль за доступом до ресурсів і даних. Робоча станція отримує лише результат запиту.

В курсовій роботі планується встановити три сервери. Далі детальніше буде розглянуто кожну з них

Файловий сервер надає доступ до файлів і керує ними. При необхідності використання важливого файлу користувачі можуть отримати доступ до нього на файловому сервері, а не переміщувати його з комп’ютера на комп’ютер.

Протокол DHCP (Dynamic Host Configuration Protocol) - це стандарт протоколу ІР. Що розроблений для спрощення адміністрування ІР-адрес за рахунок використання комп’ютера сервера для централізованого управління ІР адресами і іншими пов’язаними з цим параметрами налаштувань в мережі.

Поштовий сервер необхідний для установки поштових служб, що надають можливість передачі і отримання повідомлень електронної пошти. Служба електронної пошли включає в себе службу РОР3, що забезпечує отримання електронної пошти, і службу SMTP, що забезпечує передачу електронної пошти.://technet.microsoft.com/ru-ru/library/cc756962%28v=ws.10%29.aspx

Найбільш відомими виробниками серверів є компаніі Dell, та Hewlett-Packard. Отже, серед них і буде проводитись вибір.

"Dell" - американська компанія з головним офісом в Остіні, штат Техас, заснована в 1984: один із провідних світових лідерів в області розробки і виробництва комп'ютерних систем. "Dell" виробляє сервери, системи зберігання даних, робочі станції, мережне устаткування, персональні комп'ютери, ноутбуки і КПК, принтери, багатофункціональні пристрої, монітори, проектори, телевізори. Виробничі потужності компанії знаходяться в Остіні (штат Техас, США), Нашвіллі (штат Теннессі, США), Ельдорадо до Сул (Бразилія), Лодзі (Польща), Пінанге (Малайзія) і Сямині (Китай). Генеральним директором Dell Inc. є її засновник Майкл Делл.

Аналіз серверів компанії Dell приведений у таблиці 3.7

Таблиця 3.7 - Технічні характеристики серверів Dell

Модель

Dell PowerEdge T310

Dell PowerEdge T410

Dell PowerEdge 11G T610

Dell PowerEdge T620

Dell PowerEdge T710

Процесор

Двлядерний процесор серії Intel® Core i3

Процесори серії Intel® Xeon® 5500 і 5600

Процесори серії Intel® Xeon® 5500 і 5600

Сімейство продуктів з процесором Intel® Xeon® E5-2600

Процесори серії Intel® Xeon® 5500 і 5600

Операційна система

Microsoft® Windows Server® 2008 (SP2)

Microsoft® Windows Server® 2008 (SP2)

Microsoft® Windows Server® 2008 (SP2)

Microsoft® Windows Server® 2008 (SP1)

Microsoft® Windows Server® 2008 (SP2)

Пам’ять

8 Гбайт DDR3 1333 МГц

8 Гбайт DDR3 1333 МГц

16 Гбайт DDR3 1333 МГц

32 Гбайт DDR3 1600 МГц

16 Гбайт DDR3 1333 МГц

Жорсткі диски

SATA (7200 об/мин), до 8 Тбайт

SATA (7200 об/мин), до 12 Тбайт

SATA (7200 об/мин), до 12 Тбайт

SATA (7200 об/мин), до 36 Тбайт

SATA (7200 об/мин), до 16 Тбайт

Живлення

375 Вт

525 Вт

570 Вт

750 Вт

1100 Вт

Контролери RAID

Внутрішні: PERC H200 Зовнішні: PERC H800

Внутрішні: PERC H200 Зовнішні: PERC H800

Внутрішні: PERC H200 Зовнішні: PERC H800

Внутрішні: PERC S110 Зовнішні: PERC H810

Внутрішні: PERC H200 Зовнішні: PERC H800

Ціна

910$

1870$

3802$

6500$

1968$


Packard (HP) - велика технологічна компанія зі штаб-квартирою в Пало-Альто (Каліфорнія, США). HP є світовим постачальником ключових технологій для корпоративних замовників і кінцевих користувачів. Компанія надає рішення в галузі інфраструктури, персональних обчислювальних систем і пристроїв доступу, послуги з системної інтеграції, сервісної підтримки й аутсорсингу, а також пристрої друку і засоби виведення зображень для великих підприємств, організацій малого і середнього бізнесу.

         Продукти компанії:

         Принтери

         Цифрові камери

         Сканери

         КПК

         Настільні калькулятори

         Кишенькові калькулятори

         Настільні персональні комп'ютери

         Ноутбуки

         Робочі станції

         Сервери

         Сховища даних

Частково лінійки коп'ютерів, серверів і систем збереження даних успадковані від придбаної HP компанії Compaq.

Аналіз серверів компанії HP приведений у таблиці 3.8.

Таблиця 3.8 - Технічні характеристики серверів НР

Модель

HP ProLiant ML150 G6

HP ProLiant DL160 G6

HP ProLiant DL165 G7

HP ProLiant DL180 G6

HP ProLiant DL160 Gen8

Процесор

Чотириядерний Intel® 5500

Чотириядерний Intel® 5520

Два восьми ядерних процесора

Чотириядерний Intel® 5520

Два восьми ядерних процесора

Пам’ять

DDR3

DDR3

DDR3

DDR3

DDR3

Жорсткі диски

1 (48 Гб)

1 (192 Гб)

1 (256 Гб)

1 (192 Гб)

1 (354 Гб)

Контролери RAID

Smart Array B110i SATA RAID

Smart Array B110i SATA RAID

Smart Array B110i SATA RAID

Smart Array B110i SATA RAID

Smart Array P420/1 ГБ FBWC

Ціна

902$

1300$

1715$

1925$

2225$



Очевидно, що сучасні сервери схожі за своїм апаратним і програмним забезпеченням та функціональними складовими. Тому пріоритетом вібору буде ціна. Так як для державного вузу немає необхідності зберігання великої кількості файлів, можна обирати сервер з невеликою ємністю жорсткого диску. Ємність у 48 Гб буде достатньою, отже оберемо найдешевший з представлених серверів HP ProLiant ML150 G6

Точка доступу - це безпровідна базова станція, що призначена для забезпечення бездротового доступу до вже існуючої мережі або створення нової бездротової мережі.

Для вибору точки доступу оберемо двох виробників: D-Link та ZyXEL

Точки доступу компанії Cisco розглядатись не будуть, так як ціни на мережеве обладнання компанії завеликі для бюджетного державного ВУЗу.

В таблиці 3.9 приведена звідна таблиця по точкам доступу компанії ZyXEL

Таблиця 3.9 - Технічні характеристики точок доступу ZyXEL

Модель

NWA1100-N

NWA3160-N

NWA5160N

Порт Ethernet

1 (GigabitEthernet)

1 (GigabitEthernet)

1 (GigabitEthernet)

Стандарти IEEE

802.3 802.3u 802.3az 802.3af 802.11b 802.11g 802.11n

802.3 802.3u 802.3ab 802.3z 802.3az 802.3af 802.3at 802.11a 802.11b 802.11g 802.11n

802.3 802.3u 802.3ab 802.3z 802.3af 802.11a 802.11b 802.11g 802.11n

Управління

Режим автономної точки доступу Режим моста Веб-інтерфейс Інтерфейс командної строки SNMP v2c

Режим контролера бездротової мережі Режим моста Режим автономної точки доступу Веб-інтерфейс Інтерфейс командної строки SNMP v3

Веб-інтерфейс Інтерфейс командної строки

До 100м

До 100 м

До 100 м

Пропускна здатність

110 Мбіт/с

120 Мбіт/с

110 Мбіт/с

Ціна

238$

277$

516$


В таблиці 3.10 приведена звідна таблиця по точкам доступу компанії D-Link.

Таблиця 3.10 - Технічні характеристики точок доступу D-Link

Модель

DAP-3690

DAP-3520

DAP-1525

Порт Ethernet

2 (GigabitEthernet)

1 (GigabitEthernet)

4 (GigabitEthernet)

Стандарти IEEE

802.11a 802.11n 802.11g 802.3ab 802.3at 802.3u 802.3u

802.11a/b/g 802.11n 802.3 802.3u 802.3x

802.11n 802.11g 802.11b 802.11a 802.3 802.3u 802.3ab

Управління

Web-інтерфейс Інтерфейс командої строки SNMP

Web-інтерфейс AP Manager II Модуль D-View 6.0 Підтримка SNMP Інтерфейс командої строки

Web-інтерфейс Майстер установки бездротової мережі Режим ретранслятора

Зона покриття

До 100 м

До 200 м

До 100м

Пропускна здатність

300 МБіт/с

300 Мбіт/с

300 Мбіт/с

Ціна

790$

360$

111$


Пріоритетними якостями точок доступу є: ціна, пропускна здатність, дальність на менше 50 метрів.

За ціною оберемо по одній точці від двох фірм: ZyXEL NWA3160-N та D-Link DAP-1525.

Обидві точки доступу підтримують зону покриття до 100 метрів. Проте пропускна здатність точки доступу від D-Link більша при значно нижчій ціні, отож оберемо саме цю точку доступу.

Робочі станції

Так як до робочої станції ставляться незначні вимоги, немає необхідності підбирати кожний апаратний елемент окремо. Отже достатньо бюджетної скомплектованої робочої станції.

Таблиця 3.11 Персональний комп’ютер

Модель

Everest Home & Office 1005

Процесор

Intel Atom D425 (1.8 ГГц)

Оперативна пам’ять

DDR3-1333 (2 Гб)

Тип відеокарти

Intel GMA 3150

Об’єм жорсткого диску

250 Гб

Ціна

222$


Таблиця 3.12 Монітор

Модель

Asus VW193DR

Розмір дісплею

19 "

Тип матриці

TN+film

Час реакції

5 мс

Контрастність

50000 :1 (ASCR)

Кут огляду

160°

Максимальна роздільна здатність

1440x900

Ціна

104$


Клавіатура Genius KB-06XE Beige (роз’єм PS/2, 105 клавіш, 8$)

Миша Logitech S96 Optical Wheel (роз’єм PS/2, 2 кнопки, 7$)

 

.2 Вибір пасивного мережевого обладнання


Під пасивним мережевим обладнанням розуміють обладнання, що не споживає електроенергію. Фактично, пасивне мережеве обладнання - це обладнання, основна функція якого полягає в забезпеченні передачі сигналу - а саме провідники і пристосування для їх організації та захисту: кабель, патч-корди, розетки, конектори, патч-панелі.

Кабель.

На сьогодні більша частина комп'ютерних мереж використовує для з'єднання дроти, або кабелі. Вони виступають як середовище передачі сигналів між комп'ютерами.

В даній курсовій роботі буде використано два типи кабелю:

) Вита пара (рисунок 4.1) . Цей вид кабелю застосовується для монтажу простих і найменш витратних локальних мереж, причому відстань між сусідніми комп'ютерами в даному випадку не перевищує 100 м. Кабель цього вигляду зазвичай включає дві (або чотири) пари витих дротів.

Рисунок 4.1 - Вита пара

) Оптоволоконний кабель (рисунок 4.2). Це принципово інший тип кабелю. Інформація з нього передається не електричним сигналом, а світловим. Головний його елемент - це прозоре скловолокно, по якому світло проходить на величезні відстані (до десятків кілометрів) з незначним ослабленням. Оптоволоконний кабель складається зі світловолокна та скляної або пластикової оболонки.

Рисунок 4.2 - Оптоволокно

В даній курсовій роботі згідно функціональної схеми необхідно використати 1170 метрів витої пари. Для непередбачуваних ситуацій візьмемо довжину кабелю з запасом 1300 метрів. Тек як у 1 бухті кабелю 305 метрів візьмемо 5 бухт, загальна довжина кабелю вийде 1525 метрів.

Патч-панель.

Комутаційна панель (рисунок 4.3) - це одна із складових структурованої кабельної системи. Являє собою панель з багатьма роз’ємами, що розташовані на лицьовій стороні.

Рисунок 4.3 - Комутаційна панель

Патч-корд

Комутаційний шнур (рисунок 4.4) - це кабель, що має на одному або на обох кінцях відповідні конектори.

Тип патч-корду відповідає типу використовуваного кабелю: витої пари, телефонного або оптичного. Вимоги до якості його виготовлення дуже високі. Для того щоб самостійно обжати навіть відносно простий патч-корд крученої пари, необхідний професійний інструмент для зачистки кабелю і обтиску конекторів. Оптичні патч-корди набагато складніше в обжимці. Тому правильніше використовувати готові заводські патч-корди.

Рисунок 4.4 - Панч-корд

Коннектор.

Конектор (рисунок 4.5) - це роз’єм, що знаходиться на кінці панч-корду. Конектор RJ 45, стандарт крученої пари (UTP чи STP), обжимається згідно колірній схемі.

Рисунок 4.5 - Конектор

В будівлі розміщено 400 робочих станцій, тому необхідно закупити конекторів RJ-45 в подвійній кількості, тобто 800 штук. Під час обтиску можливе пошкодження конектору, тому придбаємо загальну кількість конекторів 900 штук.

Кабель-канал.

Кабель канал (рисунок 4.6) - це замкнутий профіль прямокутної форми з плоскою основою, призначений для монтажу на стелю, стіну, підлогу, та містить в собі кабелі.

Естетично вони більш привабливі і добре вписуються в інтер'єр. Дизайн і колір підбирається до смаку, від стандартного глянцевого білого до будь-яких сучасних забарвлень і фактур. Такі властивості кабель-каналу, як низька ціна, простота монтажу, швидкий доступ до кабелів і пожежна безпека зробили його поширення повсюдним.

Рисунок 4.6 - Монтажний короб

Згідно ієрархічної та функціональної схем довжина кабельної траси складає 1170 метрів, отже такої ж довжини обираємо короб. Враховуючи непередбачувані обставини довжина коробу визначена 1500 метрів.

Мережева розетка

Мережева розетка (рисунок 4.7) - це кінцева точка, до якої підводиться кабель-канал або кабель. Розетка монтується в стіну і фіксує кабелі, що підключаються до неї. Основна функція розетки - упорядковувати інформаційні кабелі в приміщенні і забезпечувати надійне підключення патч-корду.

Рисунок 4.7 - Мережева розетка

В даній локальній мережі зосереджено 400 локальних машин, отже необхідно встановити 400 мережевих розеток. Докладна таблиця приведена в Додатку Б.

 


Висновки


В розділі було визначено основне активне та пасивне мережеве обладнання Пріоритетними характеристиками при виборі обладнання були низька ціна та пропускна здатність, що дозволить забезпечити постійне підключення до мережі близько 600 робочих машин.

Докладні таблиці з характеристиками в Додатках А та Б. Загалом було обрано:

.        Три типи комутаторів

.        Сервер

.        Бездротову точку доступу

.        Кабель

.        Конектори

.        Монтажний короб

.        Мережеві розетки

.        Комутаційна панель

Загальна ціна проекту приведена в додатку Б.

Розділ 3. Моделювання локальної мережі

 

.1 ІР-адресація


ІР-адреса - це ідентифікатор (унікальний числовий номер) мережевого рівня, що використовується для адресації комп'ютерів чи пристроїв у мережах, що побудовані з використанням протоколу TCP/IP (наприклад Інтернет).адреса складається з чотирьох 8-бітних чисел, які називають октетами.адреси являють собою основний тип адрес, на підставі яких мережевий рівень передає пакети між мережами.адреса призначається адміністратором під час конфігурування комп'ютерів і маршрутизаторів. IP-адреса складається із двох частин: номера мережі й номера вузла. Номер мережі може бути обраний адміністратором довільно, або призначений за рекомендацією спеціального підрозділу Internet (Internet Network Information Center, InterNIC), якщо мережа повинна працювати як складова частина Internet. Звичайно постачальники послуг Internet одержують діапазони адрес у підрозділів InterNIC, а потім розподіляють їх між своїми абонентами. Номер вузла в протоколі IP призначається незалежно від локальної адреси вузла. Маршрутизатор по визначенню входить відразу в кілька мереж. Тому кожен порт маршрутизатора має власну IP-адресу. Кінцевий вузол також може входити в кілька IP-мереж. У цьому випадку комп'ютер повинен мати кілька IP-адрес, по числу мережевих зв'язків. Таким чином, IP-адреса характеризує не окремий комп'ютер або маршрутизатор, а одне мережеве з'єднання.адреса має довжину 4 байти й звичайно записується у вигляді чотирьох чисел, що представляють значення кожного байта в десятковій формі й розділених точками, наприклад, 128.10.2.30 - традиційна десяткова форма представлення адреси, а 10000000 00001010 00000010 00011110 - двійкова форма представлення цієї ж адреси.

Адреса складається із двох логічних частин - номера мережі й номери вузла в мережі. Яка частина адреси відноситься до номера мережі, а яка - до номера вузла, визначається значеннями перших біт адреси. Значення цих біт є також ознаками того, до якого класу відноситься та або інша IP-адреса.

Якщо адреса починається з 0, то мережу відносять до класу А и номер мережі займає один байт, інші 3 байти інтерпретуються як номер вузла в мережі. Мережі класу А мають номери в діапазоні від 1 до 126. (Номер 0 не використовується, а номер 127 зарезервований для спеціальних цілей, про що буде сказано нижче.) Мереж класу А небагато, зате кількість вузлів у них може досягати 224, тобто 16777216 вузлів.

Якщо перші два біти адреси є 10, то мережа відноситься до класу В. У мережах класу В під номер мережі й під номер вузла виділяється по 16 біт, тобто по 2 байти. Таким чином, мережа класу В є мережею середніх розмірів з максимальним числом вузлів 216, що становить 65536 вузлів.

Якщо адреса починається з послідовності 110, то це мережа класу С. У цьому випадку під номер мережі приділяється 24 битка, а під номер вузла - 8 біт. Мережі цього класу найпоширеніші, число вузлів у них обмежено 28, тобто 256 вузлами.

Якщо адреса починається з послідовності 1110, то вона є адресою класу D і позначає особливу, групову адресу - multicast. Якщо в пакеті як адреса призначення зазначена адреса класу D, то такий пакет повинні отримати всі вузли, яким привласнена дана адреса.

Якщо адреса починається з послідовності 11110, то це значить, що дана адреса відноситься до класу Е. Адреси цього класу зарезервовані для майбутніх застосувань.

У протоколі IP існує кілька угод про особливу інтерпретацію IP-адрес.

Якщо вся IP-адреса складається тільки із двійкових нулів, то вона позначає адресу того вузла, що згенерував цей пакет; цей режим використовується тільки в деяких повідомленнях ICMP.

Якщо в полі номера мережі стоять тільки нулі, то за замовчуванням вважається, що вузол призначення належить тій же самій мережі, що й вузол, що відправив пакет.

Якщо всі двійкові розряди IP-адреси рівні 1, то пакет з такою адресою призначення повинен розсилатися всім вузлам, що перебувають у тій же мережі, що й джерело цього пакета. Таке розсилання називається обмеженим широкомовним повідомленням (limited broadcast).

Якщо в поле номера вузла призначення стоять тільки одиниці, то пакет, що має таку адреса, розсилається всім вузлам мережі із заданим номером мережі. Наприклад, пакет з адресою 192.190.21.255 доставляється всім вузлам мережі 192.190.21.0. Таке розсилання називається широкомовним повідомленням(broadcast).

При адресації необхідно враховувати ті обмеження, які вносяться особливим призначенням деяких IP-адрес. Так, ні номер мережі, ні номер вузла не може складатися тільки з одних двійкових одиниць або тільки з одних двійкових нулів. Звідси треба, що максимальна кількість вузлів, наведена в таблиці для мереж кожного класу, на практиці повинна бути зменшена на 2. Наприклад, у мережах класу С під номер вузла відводиться 8 біт, які дозволяють задавати 256 номерів: від 0 до 255. Однак на практиці максимальне число вузлів у мережі класу С не може перевищувати 254, тому що адреси 0 й 255 мають спеціальне призначення. Із цих же міркувань слідує, що кінцевий вузол не може мати адресу типу 98.255.255.255, оскільки номер вузла в цій адресі класу А складається з одних двійкових одиниць.

Особливий смисл має IP-адреса, перший октет якої дорівнює 127. Вона використовується для тестування програм і взаємодії процесів у межах одної машини. Коли програма посилає дані по IP-адресі 127.0.0.1, то утвориться як би "петля". Дані не передаються по мережі, а повертаються модулям верхнього рівня як тільки що прийняті. Тому в IP-мережі забороняється привласнювати машинам IP-адреси, що починаються з 127. Ця адреса має назву loopback. Можна віднести адресу 127.0.0.0 до внутрішньої мережі модуля маршрутизації вузла, а адресу 127.0.0.1 - до адреси цього модуля на внутрішній мережі. Насправді будь-яка адреса мережі 127.0.0.0 служить для позначення свого модуля маршрутизації, а не тільки 127.0.0.1, наприклад 127.0.0.3.

Призначення IP-адрес вузлам мережі навіть при не дуже великому розмірі мережі може представляти для адміністратора стомлюючу процедуру. Протокол Dynamic Host Configuration Protocol (DHCP) звільняє адміністратора від цих проблем, автоматизуючи процес призначення IP-адрес.може підтримувати спосіб автоматичного динамічного розподілу адрес, а також більш прості способи ручного й автоматичного статичного призначення адрес. Протокол DHCP працює відповідно до моделі клієнт-сервер. Під час старту системи комп'ютер, що є DHCP-клієнтом, посилає в мережу широкомовний запит на одержання IP-адреси. DHCP-cepвер відгукується й посилає повідомлення-відповідь, що містить IP-адресу. Припускається, що DHCP-клієнт й DHCP-сервер знаходяться в одній IP-мережі.

При динамічному розподілі адрес DHCP-сервер видає адресу клієнту на обмежений час, який називається часом оренди (lease duration), що дає можливість згодом повторно використати цю IP-адресу для призначення іншому комп'ютеру. Основна перевага DHCP - автоматизація рутинної роботи адміністратора по конфігуруванню стека TCP/IP на кожному комп'ютері. Іноді динамічний розподіл адрес дозволяє будувати IP-мережу, кількість вузлів у якій перевищує кількість наявних у розпорядженні адміністратора IP-адрес.

У ручній процедурі призначення статичних адрес активну участь приймає адміністратор, що надає DHCP-серверу інформацію про відповідність IP-адрес фізичним адресам або іншим ідентифікаторам клієнтів. DHCP-сервер, користуючись цією інформацією, завжди видає певному клієнту призначену адміністратором адресу.

При автоматичному статичному способі DHCP-сервер присвоює IP-адресу з пулу наявних IP-адрес без втручання оператора. Границі пулу призначуваних адрес задає адміністратор при конфігуруванні DHCP-сервера. Адреса дається клієнту з пула в постійне користування, тобто з необмеженим строком оренди. Між ідентифікатором клієнта і його IP-адресою як і раніше при ручному призначенні, існує постійна відповідність. Вона встановлюється в момент першого призначення DHCP-сервером IP-адреси клієнту. При всіх наступних запитах сервер повертає ту ж саму IP-адресу.забезпечує надійний і простий спосіб конфігурації мережі TCP/IP, гарантуючи відсутність дублювання адрес за рахунок централізованого управління їхнім розподілом. Адміністратор управляє процесом призначення адрес за допомогою параметра "тривалість оренди", що визначає, як довго комп'ютер може використовувати призначену IP-адресу, перед тим як знову запросити її від DHCP-сервера в оренду.

Прикладом роботи протоколу DHCP може служити ситуація, коли комп'ютер, що є DHCP-клієнтом, видаляється з підмережі. При цьому призначена йому IP-адреса автоматично звільняється. Коли комп'ютер підключається до іншої підмережі, то йому автоматично призначається нова адреса. Ні користувач, ні мережевий адміністратор не втручаються в цей процес. Ця властивість дуже важлива для мобільних користувачів.сервер може призначити клієнту не тільки IP-адресу клієнта, але й інші параметри стека TCP/IP, необхідні для його ефективної роботи, наприклад, маску, IP-адресу маршрутизатора за замовчуванням, IP-адресу сервера DNS, доменне ім'я комп'ютера й т.п.

У даному випадку необхідно забезпечити можливість динамічного привласнювання ІР адрес для 400 локальних машин та не менше ніж для 200 портативних пристроїв. Отже загальна кількість машин, що потребують динамічної ІР адреси рівна 600. Так як у поданій мережі буде використано VLAN, необхідність у багатьох під мережах зникає. Отже, буде створено одну під мережу з можливістю підключення не менш ніж 600 машин. Для визначення кількості біт виділених під хост, треба підставити значення найближче до потрібного.

n = 210 = 1024

Після того, як було визначено скільки біт потрібно для хостової частини, можна зробити висновок щодо вибору класу. Крім IP - адреси потрібно також визначити клас маски підмережі.

Маска підмережі - двійкове число, яке містить одиниці у тих розрядах, які відносяться до розширеного мережевого префікса. Маска підмережі дозволяє поділити ІР-адресу на дві частини: номер підмережі та номер пристрою у цій підмережі.

Біти у масці підмережі повинні бути усталені в одиницю, якщо система, яка перевіряє адресу, повинна розглядати відповідний біт у ІР-адресі як частину мережного префікса. Після визначення класу ІР-адреси, будь-який біт у номері пристрою, який має відповідний усталений біт у масці підмережі, використовується для ідентифікації номера підмережі. Частина номера пристрою, що залишилася, і якій відповідають нульові біти у масці підмережі, використовуються для задання номера пристрою.

У даному проекті буде використаний клас "А" з маскою /8. Діапазон класу

"А" [1-126]. У класі "А" може бути 126 мереж, а кількість вузлів - 16777214.

.0.0.0 - 10.0.3.255 - перша адреса - адреса мережі, остання - широкомовна адреса. Всі останні адреси можна використовувати для підключення абонентів.

 

.2 Моделювання комп’ютерної мережі в Packet Tracer

Tracer - емулятор мережі передачі даних, що випускається фірмою Cisco Systems. Дозволяє робити працездатні моделі мережі, налаштовувати (командами Cisco IOS) маршрутизатори і комутатори, взаємодіяти між декількома користувачами (через Інтернет). Включає в себе серії маршрутизаторів Cisco 1800, 2600, 2800 і комутаторів 2950, 2960,3560. Крім того є сервери DHCP, HTTP, TFTP, FTP, робочі станції, різні модулі до комп’ютерів і маршрутизаторів, пристрої WiFi, різні кабелі.

На рисунку 3.1 зображена масштабована модель локальної мережі, що проектується.

Рисунок 3.1 - Масштабована модель локальної мережі

У модульованій мережі прийнято рішення використовувати стукові комутатори Cisco серії 2960. Пристрої різного типу з’єднуються прямим кабелем, як це показано на з’єднанні комутатора з ПК, комутатора з сервером та комутатора з точкою доступу. Однотипні пристрої з’єднується перехресним кабелем.

На змодульованій схемі функціонують три сервери: DHCP, DNS, FTP.

Сервер DHCP (протокол динамічної конфігурації) - це мережевий протокол, що дозволяє комп’ютерам автоматично отримувати IP - адресу та інші параметри, необхідні для роботи в мережі TCP/IP. Для цього комп’ютер звертається до спеціального серверу, званому сервером DHCP.

Сервер DNS (домення система імен) - це розподілена система, що дозволяє встановлювати відповідність між символьним ім’ям хоста та його ІР-адресою.

Сервер FTP (протокол передачі даних) - це протокол, що дає клієнтським комп’ютерам можливість зберігання та доступу до файлів, що знаходяться на сервері.

На рисунку 3.1 різними кольорами виділені три віртуальні локальні мережі.Decanat - це віртуальна локальна мережа для деканатівAud - це віртуальна локальна мережа комп’ютерних аудиторійWLAN - це віртуальна локальна мережа для машин, підключених до точки доступу.

Комутатори з кожного поверху під’єднуються до транкових портів центрального комутатора. Таким чином забезпечується можливість спілкування комп’ютерів в одній і тій же VLAN, підключених до різних комутаторів.

Для наочності нижче буде приведено команди налаштування VLAN на одному з комутаторів:

#en#conf t(config)#vlan 2(config-vlan)#name Decanat(config-vlan)#exit(config)#int fa 0/2(config-if)#switchport access vlan 2

Щоб переконатися у правильності налаштувань VLAN виконаємо команду show vlan (рисунок 3.2).

Рисунок 3.2 - Перевірка правильності налаштувань VLAN

Всі налаштування VLAN однакові на всіх комутаторах, різниця лише у номерах портів, що необхідно занести до віртуальної локальної мережі.

 

.3 Вибір програмного забезпечення і його налаштування


Основним програмним забезпеченням, на якому буде зосереджена увага, є операційна система для робочих станцій та серверу, та прикладне програмне забезпечення для вирішення спектру всіх необхідних задач.

Операційна система - це комплекс програмних засобів, що виконує управління апаратним забезпеченням комп'ютера, керує обчислювальними процесами та забезпечує взаємодію користувача з ЕОМ.

Для вибору програмного забезпечення виділимо наступні критерії:

.        Ціна - для державного ВНЗ основним критерієм при виборі апаратного чи програмного забезпечення є його вартість, так як кошти на фінансування закладу виділені з державного бюджету.

.        Багатофункціональність - тобто здатність виконувати усі покладені задачі при мінімумі встановлених програмних засобів.

.        Зручність - програмне забезпечення має бути звичним для користувача, або інтуїтивно зрозумілим, щоб управління ним не потребувало додаткових витрат на навчання працівника.

.        Технічні характеристики - програмне забезпечення має бути сумісним із сучасними операційними системами.

У даному проекті є необхідність обрати два типи операційних систем: для серверу та робочих станцій.

Найбільш використовуваними операційними системами на сьогоднішній день є Windows та Unix-подібні системи.

За критерієм ціни для робочих станцій краще було б обрати операційну систему Linux, так як її розповсюдження вільне та безкоштовне. Проте її використання може завдати незручностей користувачам, що звикли до системного програмного забезпечення фірми Microsoft. Отож для робочих станцій буде обрана операційна система Microsoft Windows.

Огляд операційних систем будемо проводити серед однієї з останніх версій - Windows 7.

. Windows 7 Starter - це найбільш невимоглива система. Вона містить лише найнеобхідніші засоби для підключення комп’ютера до Internet та запуску програм. Основні функціональні складові Windows 7 Starter:

         Програвач Windows Media 12;

         Можливість підключення до домашньої групи;

         Центр підтримки;

         Центр оновлення Windows;

         Центр відновлення Windows;

         Підтримка новітнього комп'ютерного обладнання;

         Користувальницькі списки в панелі задач;

         Закріплення елементів в панелі задач;

         Угруповання вікон за допомогою функції Snap;

         Покращена система пошуку інформації на жорсткому диску;

         Браузер Internet Explorer 8;

         Технологія ReadyBoost;

         Спрощене управління принтерами і пристроями.

. Windows 7 Home Basic - це обмежена версія Windows 7, що орієнтована для користувачів домашніх ПК. Додаткові функції Windows 7 Home Basic:

         Автоматична зміна фонового малюнка робочого столу (слайдшоу);

         Підтримка ескізів в панелі задач;

         Швидке перемикання користувачів без перезавантаження ОС;

         Підключення до бездротових мереж;

         Можливість підключення декількох моніторів;

         Центр мобільності Windows для користувачів нетбуків і ноутбуків.

. Windows 7 Home Premium - це більш широка версія Windows 7 Home Basic, так само орієнтована на домашніх користувачів. Містиь деякі додаткові функції, що не входять до складу Home Basic:

         Windows Touch;

         Інтерфейс Aero Glass;

         Функція управління вікнами Aero Shake;

         Швидкий перегляд робочого столу Aero Peek;

         Створення Домашньої групи;

         Підтримка режимів енергозбереження;

         Повна реалізація всіх можливостей комп'ютерів з 64-розрядної архітектурою (в 64-розрядної версії Windows 7 Home Premium);

         Windows Media Center - потужна система управління файлами мультимедіа;

         DVD-студія Windows 7;

         Вбудовані в систему кодеки, необхідні для відтворення відео і Dolby аудіо;

         Записки - аналог паперових стікерів для робочого столу;

         Вбудовані ігри - повний набір.

. Windows 7 Professional - це операційна система, орієнтована на підприємства малого та середнього бізнесу. Додаткові функції, що входять до складу цієї операційної системи:

         Редактор локальної групової політики;

         Можливість приєднання до домену;

         Місця розташування і сенсори;

         Шифрування файлової системи (EFS);

         Режим емуляції Windows XP;

         Можливість відкоту до Vista або XP;

         Підтримка мультипроцесорних комп'ютерів;

         Можливість виступати в ролі хоста віддаленого робочого стола.

. Windows 7 Ultimate - класична Windows 7, містиь наступні функції, на відміну від попередніх версій Windows 7:

         BitLocker і BitLockerTo Go - система шифрування дисків;

         AppLocker - система блокування запуску певних програм для деяких облікових записів;

         Можливість установки декількох мовних пакетів (локалізацій інтерфейсу операційної системи);

         Зручне створення віртуальних жорстких дисків (VHD), в тому числі і завантажувальних, без використання стороннього програмного забезпечення;

         Вбудована підсистема для запуску Unix-додатків;

         Enterprise Search - функція "Корпоративний пошук", що дозволяє шукати інформацію як на локальному комп'ютері, так і в корпоративній мережі безпосередньо з провідника Windows;

         DirectAccess - технологія для ІТ-спеціалістів, що дозволяє здійснювати обслуговування віддалених комп'ютерів;

         BranchCache - утиліта, що підвищує швидкість роботи мережевих додатків.

. Windows 7 Enterprise - операційна система, що орієнтована на користувачів великих підприємств, а отже не продається у роздрібних мережах. Enterprise не має певних додаткових функцій на відміну від Windows 7 Ultimate, проте в останній версії відсутні деякі ігри.

Для робочих станцій вузу оберемо версію Windows 7 Professional, що спеціально призначена для малих і середніх підприємств та містить в собі всі необхідні функції.

Існують операційні системи, що спеціально призначені для встановлення на сервер та забезпечення його оптимальної роботи. Деякі з них це:

. Microsoft Windows Server 2008 - це версія серверної операційної системи. Її можливі удосконалення:Core - це істотно полегшена установка Windows Server 2008. Налаштування і обслуговування використовується за допомогою інтерфейсу командного рядка або підключенням до серверу віддалено за допомогою Консолі управління, так як до Sever Core не входить оболонка Windows Explorer.Directory - це доменна служба, за допомогою якої можна централізовано налаштовувати параметри системи та користувачів, і керувати цими параметрами. AD DS дозволяє зберігати дані каталогів і керувати взаємодією між користувачами і доменом.Manager - це нове, засноване на ролях засіб управління Windows Server 2008. Server Manager дозволяє не тільки додавати нові ролі, але ще і об'єднує в собі всі операції, які користувачі можуть виконувати на сервері, а також забезпечує консолідоване, виконане у вигляді єдиного порталу відображення поточного стану кожної ролі.System Resource Manager - диспетчер системних ресурсів Windows, що дозволяє управляти ресурсами сервера з метою рівномірного розподілу робочого навантаження між ролями.

. Unix - повноцінна, спочатку розрахована на багато користувачів, багатозадачна і багато термінальна операційна система. Точніше, це ціле сімейство систем, майже повністю сумісних один з одним на рівні вихідних текстів програм.

Іі ознаки:

         Використання простих текстових файлів для налаштування та управління системою;

         Широке застосування утиліт, що запускаються в командному рядку;

         Взаємодія з користувачем за допомогою віртуального пристрою - терміналу;

         Представлення фізичних і віртуальних пристроїв і деяких засобів між процесорної взаємодії, як файлів

Найбільш розповсюджені Unix-подібні системи це FreeBSD, Linux, Solaris.подібні системи мають багато переваг, у порівнянні з операційними системами фірми Microsoft. Це безпека, вартість, стабільність та продуктивність. Проте такі системи вимагають підвищеного рівня кваліфікації системного адміністратора.

На противагу система Microsoft Windows Server 2008 має інтуїтивно зрозумілий інтерфейс, висока ефективність, та широке розповсюдження. До того ж звичний інтерфейс, схожий на інтерфейс користувацької системи Windows, та спливаючи екранні підказки дозволять малодосвідченому адміністратору виконувати всі необхідні налаштування.

Отож обраною системою для серверів стане Microsoft Windows Server 2008.

Прикладне програмне забезпечення призначене для користувачів, що звичайно не створюють своїх програм, а лише використовують програмні засоби для вирішення певних задач. В цілому прикладні програмні засоби - це програми, що дозволяють кінцевому користувачу виконання конкретних функцій, таких як оброблення текстів або редагування зображень.

Основні задачі, які поставлені до програмного забезпечення, такі:

.        Створення текстових, документів та таблиць, їх редагування та перегляд.

.        Проведення розрахунків.

.        Надання доступу до мережі Internet.

.        Забезпечення безпеки.

Текстові процесори

Текстові редактори - це програми, призначені для створення, зміни та перегляду текстових файлів.

Текстовий процесор - це текстовий редактор з розширеними можливостями форматування та підготовки повноцінних документів.

Найпопулярніші текстові процесори це:

) AbiWord - вільний текстовий процесор, підтримується багатьма сучасними операційними системами. В тому числі MS Windows. Основні функції:

         форматування і стилі тексту;

         створення таблиць і списків;

         вставка колонтитулів і виносок;

         вставка і масштабування малюнків;

         перевірка орфографії;

         складання змісту;

         друк.

До переваг програми можна віднести малий розмір дистрибутива, високу швидкодію, крос-плаформеність, відкриту модель розповсюдження.

Недоліки - обмежена функціональність, неповна підтримка документів Microsoft Word.

) OpenOffice.org Writer - це текстовий процесор і візуальний редактор HTML, входить до складу OpenOffice.org і є вільним програмним забезпеченням.схожий на Microsoft Word і функціональності цих редакторів приблизно однакова. Writer також має деякі можливості, відсутні в Word, наприклад:

         збереження документів у формат PDF (Така можливість була реалізована в MS Office 2007 у вигляді плагіна, який не входить в стандартне постачання і який необхідно встановлювати окремо);

         арифметичні розрахунки і інші формули в таблицях;

         можливість створення складених документів;

         можливість захисту окремих частин документів (розділів) і окремих осередків таблиць від змін;

         підтримка стилів сторінок.

Недоліки: відсутність можливості перевірки орфографії.

) Microsoft Word - це текстовий процесор, що випускається фірмою Майкрософт, входить до складу офісного пакету "Microsoft Office"

Основні функції:

         набір тексту

         заміна слів повністю або частково

         пошук слів чи речень

         форматування тексту

         автоматична нумерація

         розбивка тексту на сторінки з заданою кількістю рядків

         можливість обробки графічних об’єктів

         робота з таблицями

         створення графічних примітивів

         перевірка орфографії

         режим попереднього перегляду

         друк

Серед переваг - найбільш широкий спектр можливих функцій

Недоліки - низька безпека, закритий код.

Враховуючи всі переваги та недоліки, оберемо OpenOffice.org Writer, так як функціонально та візуально цей реактор схожий на звичний Microsoft Word, проте безкоштовний та знаходиться у вільному розповсюдженні.

Переглядачі графічних файлів

Переглядачі графічних зображень - тип програмного забезпечення, призначеного для перегляду зображень.

) Picasa - досить не погана безкоштовна програма від компанії Google, що вміє упорядковувати, редагувати, друкувати і записувати на CD або DVD фотографії та малюнки. Програма підтримує зображення у форматі jpg, bmp, gif, png, psd, tif, а також відеофайли avi, mpg, wmv, asf, mov.також дозволяє створювати прекрасні слайд-шоу і презентації, колажі і фільми з фотографій і обмінюватися ними через електронну пошту або веб-сторінки. При запуску програми вона автоматично сортує знайдені на комп’ютері фотографії і організовує їх в альбоми, впорядковані по даті і імені файлів.

) IrfanView - потужний безкоштовний графічний переглядач, яких не займе багато місця на вашому ПК.

Підтримувані формати: ani, cur, bmp, dib, clp, cpt, dcx, emf, icl, exe, dll, ico, iff, lbm, pbm, pcd, pcx, pgm, png, ppm, psd, tga, tif, tiff, txt, wmf, aif, au, snd, mid, wav, asf, avi, mpg, mpeg, wma, wmv.

Деякі властивості IrfanView: перегляд великої кількості форматів графічних файлів, а також програвання відео та аудіо файлів; можливість збереження слайдшоу у форматі EXE/SCR або запису на CD); збільшення/зменшення видимого розміру зображення,поворот зображення, різні ефекти (Sharpen, Blur, Adobe 8BF, Filter Factory, Filters Unlimited); створення скріншотів; підтримка отримання зображення із сканерів;витягання іконок з файлів EXE, DLL, ICL; пакетне перетворення форматів файлів і їх перейменування.

) Resco Photo Viewer - популярна програма для створення і перегляду фотоальбомів. Її головною перевагою є можливість відкривати зображення самих різноманітних форматів. Також за допомогою Resco Photo Viewer можна створювати слайд-шоу, повертати зображення, змінювати масштаб, а також редагувати колірну гаму.

Серед інших можливостей Resco Photo Viewer: підтримка роботи з цифровою камерою; додавання до слайд-шоу звуків WAV, MP3, MP2; повнорозмірна панель для попереднього перегляду; збереження всього альбому в єдиному файлі; відсилання/отримання файлів через ІК-порт, підтримка форматів відео: MPEG , MPEG2; Підтримка форматів зображень JPEG, PNG, TIFF, BMP, CFX, PSD, PCX, GIF, RAB, RAW, PGM, PPM, складання фотоальбомів з фото; масштабування, поворот фото; приєднання графічних і текстових заміток.

Головним недоліком програми Resco Photo Viewer є її ціна, так як інші дві програми безкоштовні та знаходяться у вільному розповсюдженні, тому ця програма виключеня з вибору

Із двох програм, що залишилися, оберемо Picasa, через значно більшу функціональність при редагуванні та перегляді графічних файлів.

Редактор електронних таблиці

Табличний редактор - клас додатків для роботи з даними, котрі сформовані в таблиці.

Найпоширеніші з них:

) Microsoft Excel програма для роботи з електронними таблицями, створенa корпорацією Microsoft для Microsoft Windows, Windows NT і Mac OS. Додаток входить до складу офісного пакету Microsoft Office.

Типові області застосування Excel:

         завдяки тому, що лист Excel являє собою готову таблицю, Excel часто використовують для створення документів без усіляких розрахунків, що просто мають табличне представлення (наприклад, прайс-листи в магазинах, розклади);

         у Excel легко можна створювати різні види графіків і діаграм, які беруть дані для побудови з комірок таблиць (графік зниження ваги тіла за вказаний період від початку занять спортом);

         його можуть використовувати звичайні користувачі для елементарних розрахунків (скільки витратив за цей місяць, що/кому/коли дав/взяв);

         Excel містить багато математичних і статистичних функцій, завдяки чому його можуть використовувати школярі і студенти для розрахунків курсових, лабораторних робіт;

         Excel інтенсивно використовується в бухгалтерії - у багатьох фірмах це основний інструмент для оформлення документів, розрахунків і створення діаграм. Природно, він має в собі відповідні функції;

         Excel може навіть працювати як база даних. Хоча, звичайно, до повноцінної бази даних йому далеко.

) Google Docs - розроблений Google безкоштовний мережевий офісний пакет, що включає текстовий, табличний редактор і службу для створення презентацій. Це веб-орієнтована програма, що працює в рамках веб-браузера без установлення на комп'ютер користувача. Документи і таблиці, що створюються користувачем, зберігаються на сервері Google, або можуть бути збережені у файл. Це одна з ключових переваг програми, оскільки доступ до введених даних може здійснюватися з будь-якого комп’ютера, під’єднаного до інтернету. Доступ до особистих документів захищений паролем.

) OpenOffice.org Calc - електронні таблиці, застосунок з офісного пакету OpenOffice.org.за своїми можливостями приблизно відповідає Microsoft Excel, та може відкривати і зберігати файли в форматі Excel. Додатково Calc має низку особливостей, не представлених в Excel, наприклад, він має систему, яка автоматично визначає послідовності графіків, побудованих на основі даних користувача. Calc також вміє писати таблиці прямо в форматі PDF.

Табличний редактор Microsoft Excel є платним, отже виключаємо його з вибору. Так як OpenOffice.org Calc найближчий до нього за функціональністю на зовнішнім виглядом, оберемо саме його.

Перегляд невказаних форматів

До цього розділу внесені програми-переглядачі таких форматів як pdf.

) Adobe (Acrobat) Reader - найбільш поширена потужна безкоштовна програма для роботи з файлами формату PDF (Adobe Portable Document Format).Reader пропонує користувачеві базові функції для роботи з документами PDF, наприклад копіювання, перегляд структури, друк, управління зображеннями, трансформація сторінок (орієнтація) і інше. Підтримує всі технічні особливостей реалізації останніх версій PDF (наприклад, виведення тривимірного зображення всередині документа).

Основні характеристики Adobe Reader:

         Можливість перегляду, маніпулювання і коментування 3D вмісту документів створених за допомогою програмного забезпечення Acrobat Adobe 3D.

         Масштабування виділених ділянок документа.

         Відтворення мультимедійного вмісту (текстових, графічних, звукових і відео файлів), читання і організація електронних книг. Програвання вбудованих в документи файлів QuickTime, Macromedia Flash, Real і Windows Media.

         Дозволяє працювати з документом за допомогою форм.

         Можливість пошуку в Інтернеті прямо з інтерфейсу Adobe Reader.

         Додатковий модуль (плагін) до браузера. Підтримка Netscape, Firefox, і Mozilla 1.7 (тільки для Windows).

         Друк документів через бездротові мережі.

         Організація онлайн відео конференцій.

         Безпечні технології. Цифрові підписи для документів PDF.

         Функція Start Meeting, що дозволяє одночасно працювати над документом декільком людям.

         Інструменти для полегшення роботи людям з ослабленим зором.

) Foxit Reader - безкоштовна програма для перегляду та друку документів в форматі PDF, альтернатива всім відомій програмі Adobe Reader. Переглядач Foxit Reader приємно дивує легкістю та дружелюбністю інтерфейсу, розмірами (менше двох мегабайт) та швидкістю відкриття файлів PDF.

Програма не потребує інсталяції, не вимоглива до програмної та системної конфігурації комп’ютера і здатна працювати практично зі всіма версіями Windows.

Основні характеристики Foxit Reader:

         Швидкодія: при запуску Foxit Reader ви не вимушені розглядати надокучливе флеш- вікно, що показує фірмовий знак компанії, імена авторів, і т.п.

         Можливість вставки коментарів: Foxit Reader надає вам змогу додавати до існуючого документа PDF свої коментарі а потім роздрукувати або зберегти його разом з цими коментарями.

         Безпека і конфіденційність: Foxit Reader надзвичайно поважає безпеку і конфіденційність користувачів і ніколи не з’єднується з Інтернетом без дозволу користувача. Foxit Reader не містить жодного spyware або adware.

         Багатомовний інтерфейс: після встановлення переглядача оберіть мову інтерфейсу і програма автоматично завантажить потрібний мовний файл.

) Cool PDF Reader - це найменший безкоштовний PDF-переглядач для читання та друку PDF-файлів, а також для конвертування PDF у файли формату TXT, BMP, JPG, GIF, PNG, WMF, EMF і EPS. Розмір Cool PDF Reader менше одного мегабайта, а інсталяція відбувається майже миттєво. Ще одна перевага Cool PDF Reader - можливість перегляду документів PDF в режимі слайдшоу.

Основні характеристики Cool PDF Reader:

         Читає і друкує PDF.

         Конвертує PDF в BMP, JPG, GIF, PNG, WMF, EMF, EPS.

         Витягує PDF в TXT.

         Підтримує PDF файли будь-якої версії.

         Працює більш ніж з 68 мовами.

         Збільшує і зменшує.

         Гортає сторінки на екрані.

         Показує слайди PDF документа в повноекранному режимі.

         Малий розмір.

Серед безкоштовних переглядачів pdf документів Foxit Reader має найбільшу швидкодію та функціональність, до того ж його інтерфейс схожий на Adobe Reader та інтуїтивно зрозумілий.

Браузери

Браузер - програма, що дозволяє показ і взаємодію з текстом, малюнками і іншою інформацією присутньою на сторінках веб-сайтів у всесвітній мережі Інтернет або локальній мережі. Текст і малюнки на сторінках сайту можуть мати гіперпосилання на інші сторінки цього або іншого сайту.

Переходячи по гіперпосиланнях, браузер дозволяє швидко і легко отримати доступ до безлічі веб-сторінок безлічі веб-сайтів. Більшість браузерів також наділені властивостями проглядання змісту FTP-серверів.

Серед особливостей браузера можна виділити широкі можливості по навігації в одному вікні програми а також можливості масштабування документів, що в ньому відображаються. Однією із "фірмових" особливостей є навігація за допомогою спеціальних рухів мишкою.

Деякі можливості і особливості Opera:

         Підтримка P2P-протокола BitTorrent. Шукати і скачувати торент-посилання можливо прямо з Opera.

         Можливість блокування будь-якого вмісту веб-сторінок (реклами, зображень і т. п.).

         Пошук в інтегрованій пошуковій системі з використанням більшості відомих онлайн сервісів (Google, eBay, Amazon).

         Можливість встановлення своїх налаштувань для відображення сайтів.

         Віджети - невеликі плагіни, що дозволяють розширити функціональні можливості Opera.

         Перегляд сторінок у вигляді вкладок дозволяє швидшу і зручнішу навігацію.

         Блокування спливаючих вікон. Можливість вибору сайтів на яких буде проводитись блокування.

         Вбудований менеджер логінів і паролів.

         Можливість збереження сесій. Під час наступного запуску браузера ви зможете розпочати роботу зі сторінок, відкритих під час останнього сеансу роботи з Opera.

         Доступ до найчастіше використовуваних функцій за допомогою певних рухів мишкою.

         Високий рівень захисту інформації. Браузер Opera підтримує 256-бітове шифрування, найпотужніше шифрування для Інтернету. Особисті дані легко стерти у будь-який час.

         Вбудований поштовий клієнт для роботи з електронною поштою і стрічками новин. Адресна книга.

         IRC-чат. Спілкуйтеся і діліться файлами з друзями і близькими.

         Гнучке налаштування зовнішнього вигляду браузера Opera. Підтримка скінів. Багатомовний інтерфейс.

) Google Chrome - безкоштовний веб-браузер розроблений пошуковою системою Google. Він використовує компоненти іншого програмного забезпечення з відкритим кодом (включаючи WebKit та Mozilla) і надає більшу стабільність, швидкість і безпеку, ніж інші існуючі на сьогодні браузери. При цьому Google Chrome має простий і ефективний інтерфейс користувача.

Основні характеристики Google Chrome:

         Один рядок для всього. Використовуйте адресний рядок Google Chrome, як для переходу за адресою, так і для пошукового запиту.

         Зображення ваших улюблених сайтів. Кожен раз, при відкритті нової вкладки, ви бачите посилання на найбільш відвідувані сайти, найбільш використовувані пошукові системи і останні занесені до закладок сайти.

         Ярлики для веб-додатків. Використовуйте веб-додатки без відкриття браузера. Ярлики додатків можуть відкривати ваші улюблені онлайн-сервіси.

         Забезпечення приватності. При роботі в режимі інкогніто історія навігації не зберігається.

         Динамічні вкладки. Ви можете перетягувати вкладки за межі вікна браузера і створювати таким чином нове вікно, перетягувати кілька вкладок між різними вікнами і т. д.

         Контроль збоїв. Кожна відкрита в браузері вкладка не залежить від інших, тому збій одного додатку не відображається на роботі інших.

         Безпечна навігація. Google Chrome попереджає користувача про відвідування небезпечних сторінок.

         Миттєві закладки. Просто натисніть на іконку у вигляді зірочки ліворуч адресного рядка.

         Імпорт налаштувань. При встановленні Google Chrome ви може імпортувати закладки та паролі з будь-якого іншого браузера.

         Завантаження файлів. У Google Chrome немає докучливих диспетчерів завантажень - статус завантаження відображається в нижній частині вікна.

) Mozilla Firefox цЦе швидкий і надійний, легкий в роботі і добре захищений безкоштовний браузер. Основні достоїнства браузера Mozilla Firefox - гнучкість і розширюваність.

Простій і лаконічний, але в той же час зручний, інтерфейс дозволяє освоїти програму за декілька хвилин.

Основні переваги Mozilla Firefox:

         Зручна панель закладок, що дозволяє одним кліком створити закладку або перейти на улюблений сайт і дізнатися заголовки останніх новин.

         Інтегрована панель пошуку за допомогою якої можна знаходити інформацію в різних пошукових системах. Кількість пошукових систем можна збільшити, встановивши необхідні плагіни.

         Вкладки. Можливість переглядати і працювати з декількома сайтами одночасно в окремих вкладках одного вікна браузера.

         Автоматичне оновлення. В більшості випадків розмір оновлень не більше декількох сотень кілобайт.

         Захист приватності. Одним кліком мишки ви можете видалити всі особисті дані: історію навігації, куки, дані веб-форм, паролі...

         Безпечна навігація по Інтернету. Firefox зберігає вашу конфіденційність, захищає від вірусів, шпигунських програм і спливаючих вікон. А за допомогою життєвої ідентифікації веб-сайтів Firefox блокує доступ на сайти мережевих шахраїв, небезпечних операцій і підробок.

         Повноцінне масштабування. Можливість перегляду будь-якої частини веб-сторінки, в збільшеному розмірі.

         Підтримка технології RSS. Можливість створення закладок.

         Розширюваність. Mozilla Firefox - браузер, що має найбільшу кількість доповнень (плагінів). Ви можете налаштовувати панелі інструментів, ставити додаткові модулі і теми оформлення. За допомогою плагінів Mozilla Firefox перетворюється з маленького компактного браузера в прекрасний багатофункціональний інструмент для подорожей по усесвітній мережі.

Усі три обрані браузери є безкоштовними, проте безперечним лідером за показниками швидкодії та безпеки є браузер Google Chrome

Архіватори

Архіватор - комп'ютерна програма, що здійснює стиснення даних в один файл архіву для легшого транспортування, або компактного його зберігання. В якості даних звичайно виступають файли та папки. Процес створення архіву називається архівацією або упаковкою (стисненням, компресією), а зворотний процес - розпаковування або екстракцією.

) 7-Zip - це безкоштовний файловий архіватор для Windows з високим ступенем стиснення. По ступеню стиснення архіватор 7-Zip є лідером серед аналогічних платних і безкоштовних програм.

-Zip підтримує 256-бит AES шифрування, вміє працювати з багатьма форматами архівів (в тому числі з такими популярними як ZIP, RAR (включаючи RAR 3) та CAB).

Основні характеристики 7-Zip:

         Підтримувані формати: 7z, ZIP, CAB, Z, MSI, RPM, DEB, NSIS, LZH, RAR, ARJ, WIM, CHM, GZIP, BZIP2, TAR, CPIO, ISO і RPM.

         Дуже високий ступінь стиснення в форматі 7z.

         Для форматів ZIP і GZIP ступінь стиснення на 2-10% вищий, ніж у PKZip і WinZip.

         Можливість створення архівів, що саморозпаковуються, для формату 7z.

         Можливість шифрування архівів.

—      Вбудований файловий менеджер.

         Інтеграція в оболонку Windows.

         Плагін для програми FAR Manager.

         Плагін для програми Total Commander.

         Потужна версія для командного рядка.

         Багатомовний інтерфейс (є українська мова).

) TUGZip - потужна безкоштовна програма для архівації файлів, що працює в операційній системі Windows. TUGZip підтримує широкий спектр стиснених і кодованих файлів, а також уміє працювати з образами дисків. Всі операції виконуються через простий, інтегрований в провідник Windows інтерфейс TUGZip.

Основні характеристики TUGZip:

         Підтримка ZIP, 7-ZIP, A, ACE, ARC, ARJ, BH, BZ2, CAB, CPIO, DEB, GCA, GZ, IMP, JAR, LHA (LZH), LIB, RAR, RPM, SQX, TAR, TGZ, TBZ, TAZ, YZ1 і архівів ZOO.

         Підтримка образів дисків BIN, C2D, IMG, ISO і NRG.

         Підтримка плагінів.

         Інтеграція в провідник Windows, наприклад перетягування (drag & drop), контекстне меню і так далі

         Створення архівів 7-ZIP, BH, BZ2, CAB, JAR, LHA (LZH), SQX, TAR, TGZ, YZ1 і ZIP.

         Підтримка скриптів, що дозволяє автоматичне створення резервних копій.

         Основні функції: додати, розпакувати, видалити, перейменувати, запустити, проглянути і так далі

         Відновлення пошкоджених файлів ZIP і SQX.

         Може розпакувати декілька архівів як один використовуючи Multi Extract.

         Шифрує архіви використовуючи шість можливих алгоритмів: Blowfish (128-bit), DES (56-bit), Triple DES (168-bit) і Rijndael (128-bit, 192-bit і 256-bit).

         Створює архіви, що саморозпаковуються.

         Автоматичне оновлення.

         Підтримка різних мов інтерфейсу .

) Universal Extractor - маленька, проста у використанні, безкоштовна програма для витягнення даних з архівів багатьох відомих форматів, таких як 7z, rar і zip. Головною відмінністю від інших подібних програм є те, що вона здатна розпакувати специфічні файли exe, dll, bin, msi і т. д. Фактично Universal Extractor працює за принципом: "розпакувати будь-який запропонований файл".

Однак Universal Extractor не може бути заміною повноцінного архіватора, тому що функція архівування в ній повністю відсутня. Universal Extractor зручно використовувати для розпакування дрібних програм з інсталяційного файлу, і запуску програм без якої-небудь інсталяції.

Підтримуються файли форматів: .rar, .7z, .exe, .ace, .arc, .arj, .exe, .bin, .cue, .bz2, .tbz2, .tar.bz2, .cpio, .deb, .gz, .tgz, .tar.gz, .img, .cab та багато інших.

Так як немає необхідності в надпотужному архіваторі, проте функція архівування все ж повинна виконуватись, оберемо 7-Zip

Антивіруси

Антивірусна програма (антивірус) - програма для виявлення і видалення комп’ютерних вірусів та інших шкідливих програм, запобігання їх розповсюдження, а також відновлення програм заражених ними.

) Avira Free Antivirus - безкоштовний (для приватних користувачів) антивірус, що пропонує ефективний захист проти комп’ютерних вірусів. Avira Free Antivirus знаходить і знищує віруси і трояни, у тому числі і ще невідомі макровіруси. Є можливість постійного моніторингу системи.

До найбільш сильних сторін Avira Free Antivirus слід віднести добре відпрацьований механізм детектування поліморфних вірусів.

Основні характеристики Avira Free Antivirus:

         Вірусна база даних антивіруса Avira Free Antivirus налічує близько 150 тисяч вірусів.

         Резидентний сервіс Virus Guard автоматично відстежує роботу з файлами (наприклад при завантаженні із Інтернету).

         Avira Free Antivirus знаходить макровіруси і уміє лікувати файли уражені ними.

         Захист від програм з автоматичним дозвоном (Costly Dialers).

         Захист від троянів, червів і інших шкідливих програм.

         Легке управління.

         Помічник оновлень Avira Free Antivirus.

         Можливість роботи за розкладом.

) avast! Free Antivirus - популярний безкоштовний антивірус, спеціально розроблений для широкого використання на домашніх комп’ютерах. Користувач, що встановив його, отримує повний захист від вірусів і шпигунських програм у режимі реального часу.

Серед інших, найбільш важливих можливостей avast! Free Antivirus - сканер обраних файлів, модуль перевірки електронної пошти, сканування при завантаженні, екран P2P, екран інтернет-чатів... Є в цьому антивірусі і "карантин" для ізоляції і зберігання підозрілих об’єктів. Простий інтерфейс avast! Free Antivirus забезпечує швидкий доступ до налаштування всіх його параметрів, що застосовуються для більш точного і персоналізованого сканування.

Основні характеристики avast! Free Antivirus:

         Високий рівень виявлення вірусів, троянів, хробаків, веб-руткітів і шпигунських програм.

         Евристичний двигун avast! Free Antivirus здатний виявляти шкідливі програми, які неможливо визначити звичайними засобами.

         Резидентний (в режимі реального часу), завантажувальний і звичайний сканери. Сканування архівів. Планувальник сканування.

         Перевірка вхідної і вихідної електронної пошти, пірінгових (P2P) з’єднань, повідомлень інтернет-месенджерів. Екран поведінки.

         Глибока інтеграція в систему. Будь-який файл можна перевірити безпосередньо з Провідника Windows, клацнувши по ньому правою кнопкою миші і обравши напис "Сканувати...".

         Карантин avast! ізольований від операційної системи, що забезпечує більшу безпеку роботи. Жоден файл, що зберігається в карантині не може бути запущений. Ігровий режим. Автоматичне виявлення програм що працюють в режимі повного екрану, і відключення спливаючих повідомлень.

         Невеликі за розміром автоматичні або заплановані оновлення вірусних баз. Можливість "ручного" оновлення.

) AVG Anti-Virus Free Edition - популярний антивірус, безкоштовний для домашнього використання. Гарантовані виробником швидкі оновлення вірусної бази даних, простота використання, низькі системні вимоги - основні переваги цього антивіруса.

Від платної версії AVG Anti-Virus Free відрізняє відсутність декількох некритичних функцій і прямої технічної підтримки. AVG Anti-Virus Free Edition включає наступні компоненти: сканер, монітор, сканер електронної пошти, систему автоматичного оновлення антивірусної бази.

Основні характеристики AVG Anti-Virus Free Edition:

         Автоматичні оновлення на весь час користування антивірусом.

         AVG Resident Shield проводить сканування файлів під час їх відкриття і програм при їх запуску.

         AVG E-mail Scanner перевіряє всю вашу електронну пошту.

         AVG On-Demand Scanner дозволяє користувачеві сканувати комп’ютер на наявність вірусів, як за розкладом так і вручну.

         Дбайливе поводження з інфікованими файлами (може лікувати заражені вірусами файли).

Так як комерційні версії avast! Free Antivirus та AVG Anti-Virus Free Edition платні, вибір зупинено на антивірусі Avira.

Таким чином усе програмне забезпечення, що було обране, є безкоштовним і не потребує додаткових витрат.

3.4 Налаштування сервера, основні етапи налаштування


Встановлення Windows Server 2008

. Вибір мови для подальшої роботи

Рисунок 3.3 - Вибір мови

2. Підтвердження установки

Рисунок 3.4 - Запит на підтвердження установки

. Вибір версії, що буде встановлена

Рисунок 3.5 - Вибір версії Windows

. Обираємо необхідну версію, ознайомлюємось з ліцензією та очікуємо, доки система сама встановиться на сервер.

Рисунок 3.6 - Встановлення системи

. При першому запуску система вимагає встановити складний пароль Адміністратора. Після цього можна розпочинати роботу.

На сервері завжди повинна функціонувати статична адресація, інакше налаштування ролей сервера стане неможливим. Отже, в першу чергу встановимо статичну ІР адресу для серверу 10.0.0.1. Післяяя цього можна розпочинати налаштування ролей серверу.

Налаштування доменної служби Active Directory.

Налаштована доменна служба Active Directory є невід’ємною умовою правильного функціонування DNS та DHCP серверів. Отжа, саме з налаштування цієї ролі необхідно розпочати. Для цього у вікні Диспетчера сервера обиремо пункт "Додати роль".

Рисунок 3.7 - Диспетчер серверів

У вікні майстра додавання ролей встановимо "галочку" навпроти пункту Доменна служба Active Directory

Рисунок 3.7 - Вибір ролі серверу

Після визначення всіх параметрів майстер запитає підтвердження встановлення ролі

Рисунок 3.8 - Підтвердження установки

Кнопка "Встановити" запустить установку, що може тривати кілька хвилин. По завершенню установки система виведе вікно, що сповідує про результат.

Рисунок 3.9 - Завершення установки.

Щоб встановлена роль набула чинності необхідно перезавантажити ком’ютер. Після чого скористаймося майстром встановлення доменних служб Active Directory для запуску служби DNS на сервері.

Налаштування DNS

Рисунок 3.10 - вітальне вікно майстра встановлення доменних служб

Наступне вікно програми запропонує вибір: створити домен у новому лісі або у вже існуючому

Рисунок 3.11 - Вибір конфігурації домену

Наступне вікно вимагає ввести ім’я домена.

Рисунок 3.12 - Введення імені домену

Майстер установки попросить встановити режим роботи нового доменного лісу у відповідності з встановленою операційною системою.

Рисунок 3.13 - Вибір режиму роботи доменного лісу

Позначаємо встановлення служби DNS на цьому сервері

Рисунок 3.14 - Вибір служби DNS

Обираємо місце розташування компонентів служби Аctive Directory.

Рисунок 3.15 - Розташування компонентів Аctive Directory

Для завершення установки служби необхідно встановити пароль адміністратора.

Рисунок 3.16 - Встановлення паролю

Перед фінальним етапом установки програма пропонує ще раз переглянути всі встановлені перед цим налаштування.

Рисунок 3.17 - Перегляд встановлених параметрів

Кнопка "Далі" розпочне установку всіх налаштованих служб Аctive Directory. Це може зайняти кілька хвилин після чого система вимагатиме перезавантаження системи

Встановлення DHCP

Встановлення DHCP розпочинається так само, як і встановлення Active Directory - з вибору ролі сервери.

Рисунок 3.18 - Вибір ролі серверу

Вказуємо параметри створеного DNS-серверу

Рисунок 3.19 - Параметри DNS

Задаємо діапазон ІР-адрес для локальної мережі

Рисунок 3.20 - Встановлення діапазону адрес

Перед завершенням установки програма виведе інформацію про всі встановлені параметри.

Рисунок 3.21 - Інформація про встановлені параметри

В разі якщо установка виконана успішно виведеться вікно про завершення та система запитає про перезавантаження.

Рисунок 3.22 - Завершення установки

Щоб DNS ім’я назначалось автоматично, як і ІР-адреса. Необхідно виконати ряд налаштувань. Для цього необхідно налаштувати наступні параметри:

Рисунок 3.23 - Налаштування відповідності імені та ІР-адреси серверу

Рисунок 3.24 - Налаштування імені домену

Після виконання всіх операцій по налаштуванню DNS та DHCP клієнт може перевірити зв’язок з сервером. Відправивши ехо-запит на його ім’я або ІР-адресу.

Рисунок 3.25 - Ехо-запит на сервер за його ім’ям

Налаштування FTP

Для налаштування FTP на сервері використовується спеціальна утиліта FTPServer. З її допомогою налаштування серверу зводиться до кількох простих кроків.

) Запустити утиліту

Рисунок 3.26 - Головне вікно програми

) У пункті меню Setup необхідно обрати підменю User, щоб перейти до створення нового FTP-клієнта

Рисунок 3.27 - Налаштування нового клієнта

) Виконати налаштування серверу

Рисунок 3.28 - Налаштування серверу

Після виконання цих дій FTP сервер є повністю здатним до функціонування. Виконати вхід на сервер можна за допомогою веб-браузера або за допомогою однієї з спеціально встановлених утиліт. Скористаймося вбудованою утилітою файлового менеджера Total Commander. Для початку необхідно налаштувати нове підключення.

Рисунок 3.29 - Створення нового підключення

Тепер можна отримати доступ до серверу.

Рисунок 3.30 - Вікно підключення

Рисунок 3.31 - Вміст серверу, що відобразиться

Тепер клієнт може завантажувати файли з або на сервер

Рисунок 3.32 - Завантаження файлу з серверу

Рисунок 3.33 - Завантаження файлу на сервер

В цей час у програмі FTPServer можні спостерігати лог підключень користувача

Рисунок 3.34 - Лог підключень користувача.

Висновки


В останньому розділі були розглянуті наступні питання:

.        Виконана ІР-адресація для всіх робочих станцій

.        Обрано системне та прикладне програмне забезпечення для робочих станцій та серверу

.        Налаштовано необхідні ролі сервера, а саме DNS, DHCP, FTP та протестовано їх працездатність

.        Промодельовано масштабовану мережу у програмному середовищі Packet Tracer, приведено лістинг налаштування віртуальних локальних мереж на комутаторах.

Висновок


В ході виконання курсового проекту були досягнуті всі поставлені задачі, а саме головна задача - спроектувати локальну мережу для вищого навчального закладу

Головним критерієм при проектуванні була поставлена найбільша функціональність програмного та апаратного забезпечення при найменшій ціні.

Дотримуючись цього критерію було обрано наступне апаратне забезпечення: комутатори, точки доступу, сервери, робочі станції, кабелі, конектори, розетки, монтажні короби. Серед програмного забезпечення було обрано операційні системи для серверу і робочих станцій, а також необхідний набір прикладного програмного забезпечення для робочих станцій.

Всі налаштування серверів виконувались на реальному обладнанні, приведені всі етапи налаштувань та результати функціонування.

Проведена модуляція масштабованої мережі в Packet Tracer. Всі необхідні налаштування серверів. Комутаторів. Робочих станцій та точки доступу були виконані та функціонували.

Швидкість кабельного з’єднання підібрана таким чином, щоб кожна машина отримувала доступ до мережі Internet за швидкістю не менше 2 МБіт/с. Така ж швидкість забезпечена і в локальній мережі.

Загальна ціна проекту становить 157 000$

Список використаної літератури


1.      BiblProg [Електронний ресурс]: BiblProg - електр. дані. - режим доступу: http://biblprog.org.ua/ua, вільний

.        Cisco Systems [Електронний ресурс]: Cisco Systems - електр.дані. - режим доступу: http://циско.com.ua/switch, вільний

.        CompNet [Електронний ресурс]: CompNet - електр. дані. - режим доступу: http://comp-net.at.ua/index/optovolokonnij_kabel/0-18, вільний

.        D-Link [Електронний ресурс]: D-Link - електр. дані. - режим доступу: http://dlink.ru/ru/products/1/, вільний

.        DELL [Електронний ресурс]: DELL - електр. дані. - режим доступу: http://www.dell.com/ua/business/p/poweredge-tower-servers?~ck=bt, вільний

.        Hewlett-Packard [Електронний ресурс]: Hewlett-Packard -.- електр.дані. - режим доступу: http://h10010.www1.hp.com/wwpc/ua/ru/sm/WF02d/15351-15351-3328412.html?dnr=1, вільний

.        Programy [Електронний ресурс]: Programy - електр. дані. - режим доступу: http://programy.com.ua/ua/, вільний

.        VeSoft [Електронний ресурс]: VeSoft - електр. дані. - режим доступу: http://vesoftua.te.ua/uk/what-is-it/154-cabel.html, вільний

.        ZyXEL [Електронний ресурс]: ZyXEL - електр. дані. - режим доступу: http://zyxel.ru/catalog/classifier/5/18, вільний

.        Олифер В.Г., Олифер Н.А. Комп’ютерні мережі: принципи, технології, протоколи, 4-те видання. - СПб: Питер, 2011.

.        Схеми. Види і типи. Загальні вимоги до виконання: ГОСТ 2.701-2008. - [Чинний від 2008-10-07]. - М.: Стандартинформ 2009. - 15 с.

Додаток А


Звідна таблиця обраного активного обладнання:

Тип

Модель

Кількість

Ціна

Вартість

Комутатор 12 портів

ZyXELGS-4012F

4

1117$

4468$

Комутатор 24 порти

D-Link DGS-1024D/E1A

3

135$

405$

Комутатор 48 портів

D-Link DGS-1210-48

9

544$

4896$

Точка доступу

D-Link DAP-1525

1

111$

111$

Сервер

HP ProLiant ML150 G6

1

902$

902$

Робоча станція

Everest Home & Office 1005

400

222$

88800$

Клавіатура

Genius KB-06XE Beige

400

8$

3200$

Миша

Logitech S96 Optical Wheel

400

7$

2800$

Монітор

Asus VW193DR

400

104$

41600$

Загальна вартість

147158$



Додаток Б


Звідна таблиця обраного пасивного обладнання:

Тип

Модель

Кількість

Ціна

Вартість

Кабель UTP

CCA. MAXYS

5

48$

240$

Компьютерная розетка

Компьютерная розетка rj-45 кат

400

18$

7200$

Коннектор

TWT (TWT-PL45-8P8C) RJ45 UTP 8P8C

400

9$

36$

Монтажный короб

Монтажный короб 20х10

1500

30$

450$

Загальна ціна

7926$



Додаток В


Звідна таблиця обраного Програмного забезпечення:

Тип

Модель

Кількість

Ціна

Вартість

Операційна система

Windows 7 Professional

1

142$

142$

Операційна система

Microsoft Windows Server 2008

1

859$

859$

Загальна ціна

1001$


Похожие работы на - Проектування локальної мережі для ВНЗ

 

Не нашли материал для своей работы?
Поможем написать уникальную работу
Без плагиата!
Без нейросетей!