Практическое применение мультимедийных технологий
Содержание
Введение
. Применение мультимедии
.1 Современные тенденции
мультимедиа
.2 Современные тенденции
развития мультимедийных технологий
.2.1 Основные носители
.2.2 Цели применения
продуктов, созданных в мультимедиа-технологиях
.2.3 Типы данных мультимедиа
и средства их обработки
.2.4 Аппаратные средства
мультимедиа
. Практическое применение
компьютерной графики
.1 Разработка плакатов в
программе CorelDRAW X3
.2 Построение чертежа в
SРLAN
Выводы и рекомендации
Библиографический список
Приложение А
Введение
Впервые термин «мультимедиа» появился в 1965 году и активно использовался
вплоть до конца семидесятых годов для описания экстравагантных для того времени
театрализованных шоу, использующих разные виды и формы представления
информации: слайды, кино, видео, аудио фрагменты, световые эффекты и живую
музыку. В конце 70 и начале 80-х годов под мультимедиа понимали представления,
основанные на статических или динамических изображениях от нескольких
проекторов, сопровождавшихся звуком или живой музыкой.
Таким образом, средства «мультимедиа» воздействовали сразу на несколько
органов человеческих чувств и представляли информацию в разных формах:
визуальной, вербальной и аудиальной, что создавало (и создает) более глубокое
эмоциональное воздействие, что, в свою очередь, и принесло успех и популярность
этому виду театрализованных представлений. Возможность влияния на эмоциональную
сферу человеческой психики является важным фактором при обучении, так как
способствует более эффективному усвоению знаний. В течение следующего
десятилетия термин «мультимедиа» включал в себя различные понятия. Благодаря
применению мультимедиа в средствах информатизации за счет одновременного
воздействия графической, звуковой, фото и видео информации, такие средства
обладают большим эмоциональным зарядом и активно включаются в индустрию
развлечений, практику работы различных учреждений, домашний досуг, образование.
Появление систем мультимедиа произвело революцию во многих областях
деятельности человека. Одно из самых широких областей применения технология
мультимедиа получила в сфере образования, поскольку средства информатизации,
основанные на мультимедиа способны, в ряде случаев, существенно повысить
эффективность обучения. Экспериментально установлено, что при устном изложении
материала обучаемый за минуту воспринимает и способен переработать до одной
тысячи условных единиц информации, а при "подключении" органов зрения
до 100 тысяч таких единиц.
Актуальность: данная тема, рассматривает аспекты компьютерных
возможностей, в настоящее время все больше используются мультимедиа технологии,
в сети интернет, в компьютерных играх, различных программах, создано множество
программ для создания таковых, поэтому данная тема является актуальной в
настоящее время.
компьютерный мультимедиа плакат чертеж
1. Применение мультимедии
1.1 Современные тенденции мультимедиа
Мультимедиа - это множественные информационные среды - интерфейсы,
обеспечивающие ввод/вывод информации различных типов в компьютер, компьютерное
создание, переработку и отображение информации различных уровней и структуры
для восприятия различными органами чувств человека одновременно. Каждая среда
имеет свою специфическую форму соответствующую ее уровню и назначению.
Мультимедиа - это:
технология, описывающая порядок разработки, функционирования и применения
средств обработки информации разных типов;
информационный ресурс, созданный на основе технологий обработки и
представления информации разных типов;
компьютерное программное обеспечение, функционирование которого связано с
обработкой и представлением информации разных типов;
компьютерное аппаратное обеспечение, с помощью которого становится
возможной работа с информацией разных типов;
особый обобщающий вид информации, которая объединяет в себе как
традиционную статическую визуальную (текст, графику), так и динамическую
информацию разных типов (речь, музыку, видео фрагменты, анимацию и т.п.).
Таким образом, в широком смысле термин "мультимедиа" означает
спектр информационных технологий, использующих различные программные и
технические средства с целью наиболее эффективного воздействия на пользователя
(ставшего одновременно и читателем, и слушателем, и зрителем).
Мультимедиа - это взаимодействие визуальной и звуковой информации под
управлением интерактивного программного обеспечения с использованием
современных технических и программных средств, они объединяют текст, звук,
графику, фото, видео в одном цифровом представлении. Например, в одном
объекте-контейнере может содержаться текстовая, звуковая, графическая и видео
информация, а также, возможно, способ интерактивного взаимодействия с ней.
Термин мультимедиа также, зачастую, используется для обозначения носителей
информации, позволяющих хранить значительные объемы данных и обеспечивать
достаточно быстрый доступ к ним (первыми носителями такого типа были CD -
comрact disk). В таком случае термин мультимедиа означает, что компьютер может
использовать такие носители и предоставлять информацию пользователю через все
возможные виды данных, такие как аудио, видео, анимация, изображение и другие в
дополнение к традиционным способам предоставления информации, таким как текст.
Использование мультимедиа обеспечивает легкость восприятия информации
человеком, так как человек имеет существенно отличные от компьютера средства и
способы обработки информации, имеющие форму восприятия, удобную для человека.
Если для компьютера характерны бинарно-дискретные формы информации с
электрической передачей информационных сигналов (1/0), то для человека -
аналоговые формы преимущественно неэлектрической природы (свет, звук, давление
и пр.) Без создания таких сред восприятие компьютерной информации человеком
крайне затруднено, а еще более затруднена передача мультимодальной информации
от одного человека другому через компьютерные средства. Поэтому, технология и техника
мультимедиа включает в себя широчайший круг различных интерфейсов, как
интерфейсов ввода (датчиков, видеокамера, микроволн, и пр., преобразователей -
АЦП, спецпроцессоров для преобразования внешней информации), так и интерфейсов
вывода (дисплеев, звуковых источников и пр.).
1.2
Современные тенденции развития мультимедийных технологий
Мультимедиа (multimedia) - это современная компьютерная информационная
технология, позволяющая объединить в компьютерной системе текст, звук,
видеоизображение, графическое изображение и
анимацию(мультипликацию).Мультимедиа-это сумма технологий, позволяющих
компьютеру вводить, обрабатывать, хранить, передавать и отображать (выводить)
такие типы данных, как текст, графика, анимация, оцифрованные неподвижные
изображения, видео, звук, речь.
Появляются бластеры, "сидиромы" и другие плоды эволюции,
появляется интернет, WWW, микроэлектроника. Человечество переживает
информационную революцию. Современное человечество становится свидетелями того
как общественная потребность в средствах передачи и отображения информации
вызывает к жизни новую технологию, за неимением более корректного термина
называя ее мультимедиа. В наши дни это понятие может полностью заменить
компьютер практически в любом контексте.
В английском языке уже приживается новый термин information aррliance -
" информационное приспособление
Появление систем мультимедиа, безусловно, производит революционные
изменения в таких областях, как образование, компьютерный тренинг, во многих
сферах профессиональной деятельности, науки, искусства, в компьютерных играх и
т.д.
Появление систем мультимедиа подготовлено как с требованиями практики,
так и с развитием теории. Однако, резкий рывок в этом направлении, произошедший
в этом направлении за последние несколько лет, обеспечен прежде всего развитием
технических и системных средств. Это и прогресс в развитии ПЭВМ: резко
возросшие объем памяти, быстродействие, графические возможности, характеристики
внешней памяти, и достижения в области видеотехники, лазерных дисков - аналоговых
и CD-ROM, а также их массовое внедрение. Важную роль сыграла так же разработка
методов быстрого и эффективного сжатия / развертки данных.
Современный мультимедиа-ПК в полном “вооружении” напоминает домашний
стереофонический Hi-Fi комплекс, объединенный с дисплеем-телевизором. Он
укомплектован активными стереофоническими колонками, микрофоном и дисководом
для оптических компакт-дисков CD-ROM (CD - Comрact Disc, компакт-диск; ROM -
Read only Memory, память только для считывания). Кроме того, внутри компьютера
укрыто новое для ПК устройство - аудиоадаптер, позволивший перейти к
прослушиванию чистых стереофонических звуков через акустические колонки с
встроенными усилителями. Мультимедиa-технологии являются одним из наиболее
перспективных и популярных направлений информатики. Они имеют целью создание
продукта, содержащего "коллекции изображений, текстов и данных,
сопровождающихся звуком, видео, анимацией и другими визуальными эффектами
(Simulation), включающего интерактивный интерфейс и другие механизмы управления".
Данное определение сформулировано в 1988 году крупнейшей Европейской Комиссией,
занимающейся проблемами внедрения и использования новых технологий. Идейной
предпосылкой возникновения технологии мультимедиа считают концепцию организации
памяти "MEMEX", предложенную еще в 1945 году американским ученым
Ваннивером Бушем. Она предусматривала поиск информации в соответствии с ее
смысловым содержанием, а не по формальным признакам (по порядку номеров,
индексов или по алфавиту и т.п.) Эта идея нашла свое выражение и компьютерную
реализацию сначала в виде системы гипертекста (система работы с комбинациями
текстовых материалов), а затем и гипермедиа (система, работающая с комбинацией
графики, звука, видео и анимации), и наконец, в мультимедиа, соединившей в себе
обе эти системы. Однако всплеск интереса в конце 80-х годов к применению
мультимедиа-технологии в гуманитарной областях (и, в частности, в
историко-культурной) связан несомненно с именем выдающегося американского
компьютерщика-бизнесмена Билла Гейтса, которому принадлежит идея создания и
успешной реализации на практике мультимедийного (коммерческого) продукта на
основе служебной музейной инвентарной базы данных с использованием в нем всех
возможных "сред": изображений, звука, анимации, гипертекстовой системы
("National Art Gallery. London")
Именно этот продукт аккумулировал в себе три основные принципа
мультимедиа:
Представление информации с помощью комбинации множества воспринимаемых
человеком сред (собственно термин происходит от англ. multi - много, и media -
среда);
Наличие нескольких сюжетных линий в содержании продукта (в том числе и
выстраиваемых самим пользователем на основе "свободного поиска" в
рамках предложенной в содержании продукта информации);
Художественный дизайн интерфейса и средств навигации.
Несомненным достоинством и особенностью технологии являются следующие
возможности мультимедиа, которые активно используются в представлении
информации:
возможность хранения большого объема самой разной информации на одном
носителе (до 20 томов авторского текста, около 2000 и более высококачественных
изображений, 30-45 минут видеозаписи, до 7 часов звука);
возможность увеличения (детализации) на экране изображения или его
наиболее интересных фрагментов, иногда в двадцатикратном увеличении (режим "лупа")
при сохранении качества изображения. Это особенно важно для презентации
произведений искусства и уникальных исторических документов;
возможность сравнения изображения и обработки его разнообразными
программными средствами с научно- исследовательскими или познавательными
целями;
возможность выделения в сопровождающем изображение текстовом или другом
визуальном материале "горячих слов (областей)", по которым
осуществляется немедленное получение справочной или любой другой пояснительной
(в том числе визуальной) информации (технологии гипертекста и гипермедиа);
возможность осуществления непрерывного музыкального или любого другого
аудиосопровождения, соответствующего статичному или динамичному визуальному
ряду;
возможность использования видеофрагментов из фильмов, видеозаписей и
т.д., функции "стоп-кадра", покадрового "пролистывания"
видеозаписи;
возможность включения в содержание диска баз данных, методик обработки
образов, анимации (к примеру, сопровождение рассказа о композиции картины
графической анимационной демонстрацией геометрических построений ее композиции)
и т.д.;
возможность подключения к глобальной сети Internet;
возможность работы с различными приложениями (текстовыми, графическими и
звуковыми редакторами, картографической информацией);
возможность создания собственных "галерей" (выборок) из
представляемой в продукте информации (режим "карман" или "мои
пометки");
возможность "запоминания пройденного пути" и создания
"закладок" на заинтересовавшей экранной "странице";
возможность автоматического просмотра всего содержания продукта
("слайд-шоу") или создания анимированного и озвученного
"путеводителя-гида" по продукту ("говорящей и показывающей
инструкции пользователя"); включение в состав продукта игровых компонентов
с информационными составляющими;
возможность "свободной" навигации по информации и выхода в
основное меню (укрупненное содержание), на полное оглавление или вовсе из
программы в любой точке продукта.
1.2.1 Основные носители
В качестве носителей мультимедийных продуктов используются средства,
способные хранить огромное количество самой разнообразной информации. Как
правило, мультимедийные продукты ориентированы либо на компьютерные носители и
средства воспроизведения (CD-ROM), либо на специальные телевизионные приставки
(СD-i), либо на телекоммуникационные сети и их системы. ROM (CD - Read Only
Memory) - оптический диск, предназначенный для компьютерных систем. Среди его
достоинств - многофункциональность, свойственная компьютеру, среди недостатков
- отсутствие возможности пополнения информации - ее "дозаписи" на
диск, не всегда удовлетворительное воспроизведение видео и аудио информации. i
(СD - Interactive) - специальный формат компакт-дисков, разработанный фирмой
Рhiliрs для TV приставок. Среди его достоинств - высокое качество
воспроизведения динамичной видеоинформации и звука. Среди недостатков -
отсутствие многофункциональности, неудовлетворительное качество воспроизведения
статичной визуальной информации, связанное с качеством TV мониторов. CD (TV
формат компакт-дисков) - замена видеокассет с гораздо более высоким качеством
изображения. Среди недостатков - отсутствие многофункциональности и
интерактивности (на которые он при создании и не был рассчитан). i (Digital
Video Disk Interactive) - формат недалекого будущего, представляющий "
интерактивное TV" или кино. В общем -то DVD представляет собой не что
иное, как компакт-диск (СD), только более скоростной и много большей ёмкости.
Кроме того, применён новый формат секторов, более надёжный код коррекции ошибок,
улучшена модуляция каналов. Видеосигнал, хранящийся на DVD-видеодиске
получается сжатием студийного видеосигнала CCIR-601по алгоритму MРEG-2 (60
полей в секунду с разрешением 720x480). Если изображение сложное или быстро
изменяется, возможны заметные на глаз дефекты сжатия вроде дробления или
размытость изображения. Заметность дефектов зависит от правильности сжатия и
его величины (скорости потока данных). При скорости 3,5 Мб/с дефекты сжатия
иногда бывают заметны. При скорости 6 Мб/с сжатый сигнал почти не отличается от
оригинала. Основным недостатком DVD-видео как формата является наличие сложной
схемы защиты от копирования и региональной блокировки (диск, купленный в одной
части мира, может не воспроизводиться на устройстве DVD, приобретённом в другой
части мира. Этот формат диска в настоящее время имеет ограничения по плотности
записи и емкости.
Другая проблема - не все существующие сегодня на рынке приводы DVD-ROM
читают диски с фильмами, записанными для бытовых грывателей.ray - новая
перспективная технология записи на оптические носители основанная на применении
длинны волны лазера 604 нм и особого состава отражающего слоя диска. Это
позволяет создавать более плотную запись, таким образом увеличивая ёмкость
носителя до 100 Гб.
В будущем предлагается использование объемной голографической
памяти, которая обеспечит колоссальные величины объема информации при
минимальных физических размерах.
1.2.2 Цели применения продуктов, созданных в
мультимедиа-технологиях
Основными целями применения продуктов, созданных в мультимедиа
технологиях (CD-ROM с записанной на них информацией), являются:
Популяризаторская и развлекательная (CD используются в качестве домашних
библиотек по искусству или литературе).
Научно-просветительская или образовательная (используются в качестве
методических пособий).
Научно-исследовательская - в музеях и архивах и т.д. (используются в
качестве одного из наиболее совершенных носителей и "хранилищ"
информации). (мультимедиа) - знакомое всем слово в компьютерном мире. Термином
MULTIMEDIA (что в переводе с английского означает "многосредность")
определяется заветная мечта большинства пользователей компьютерной техники. Это
понятие определяет информационную технологию на основе программно-аппаратного
комплекса, имеющего ядро в виде компьютера с средствами подключения к нему
аудио- и видеотехники. Мультимедиа-технология позволяет обеспечить при решении
задач автоматизации интеллектуальной деятельности объединение возможностей ЭВМ
с традиционными для нашего восприятия средствами представления звуковой и
видеоинформации, для синтеза трех стихий (звука, текста и графики, живого
видео)
Решаемые задачи охватывают все области интеллектуальной деятельности:
науку и технику, образование, культуру, бизнес, а также применяются в среде
обслуживания при создании электронных гидов с погружением в реальную среду,
мультитеках. До конца 80-х годов мультимедиа-технология не получала широкого
распространения у нас в стране из-за отсутствия аппаратной и программной
поддержки. В начале 90-х годов в нашей стране появились сравнительно недорогие
мультимедиа-системы на базе IBM РC и миф мультимедиа-технологий стал
реальностью. Одной из основных сфер применения систем мультимедиа является
образование в широком смысле слова, включая и такие направления как
видеоэнциклопедии, интерактивные путеводители, тренажеры, ситуационно-ролевые
игры и др. Компьютер, снабженный платой мультимедиа, немедленно становится
универсальным обучающим или информационным инструментом по практически любой
отрасли знания и человеческой деятельности - достаточно установить в него диск
CD-ROM с соответствующим курсом (или занести требуемые файлы на винчестер).
Очень большие перспективы перед мультимедиа в медицине: базы знаний,
методики операций, каталоги лекарств и т.п. В сфере бизнеса фирма по продаже недвижимости
уже используют технологию мультимедиа для создания каталогов продаваемых домов
- покупатель может увидеть на экране дом в разных ракурсах, совершить
интерактивную видеопрогулку по всем помещениям, ознакомиться с планами и
чертежами. Технологические сультимедиа пользуется большим вниманием военных:
так, Пентагон реализует программу перенесения на интерактивные видеодиски всей
технической, эксплуатационной и учебной документации по всем системам
вооружений, создания и массового использования тренажеров на основе таких
дисков.
Быстро возникают фирмы, специализирующиеся на производстве изданий
гипермедиа-книг, энциклопедий, путеводителей .
Примером применения мультимедиа в искусстве могут служить
"музыкальные CD-ROM, которые позволяют не только прослушивать (с
высочайшим качеством) произведения того или иного композитора, но и
просматривать на экране партитуры, выделять и прослушивать отдельные темы или
инструменты, знакомиться с рецензиями. Просматривать текстовые фото- и
видеоматериалы, относящиеся к жизни и творчеству композитора, составу и
расположению оркестра и хора, истории к устройству каждого инструмента оркестра
и т.п. Выпущены, в частности, CD-ROM, посвященные 9-й симфонии Бетховена,
"Волшебной флейте" Моцарта, "Весне священной" Стравинского.
Другой пример - это занесение на интерактивные видеодиски фондов художественных
музеев; эти работы уже ведутся и в России.
Весьма перспективными выглядят работы по внедрению элементов
искусственного интеллекта в системе мультимедиа. Они обладают способностью
"чувствовать" среду общения, адаптироваться к ней и оптимизировать
процесс общения с пользователем; они подстраиваются под читателей, анализируют
круг их интересов, помнят вопросы, вызывающие затруднения, и могут сами
предложить дополнительную или разъясняющую информацию. Системы, понимающие
естественный язык, распознаватели речи еще более расширяют диапазон
взаимодействия с компьютером.
Еще одна быстро развивающаяся, совершенно уже фантастическая для нас
область применения компьютеров, в которой важную роль играет технология
мультимедиа - это системы виртуальной, или альтернативной реакальности, а также
близкие к ним системы "телеприсутствия". С помощью специального
оборудования - система с двумя миниатюрными стереодисплеями, квадранаушниками,
специальных сенсорных перчаток и даже костюма вы можете "войти" в
сгенерированный или смоделированный компьютером мир (а не заглянуть в него
через плоское окошко дисплея), повернув голову, посмотреть налево или направо,
пройти дальше, протянув руку вперед - и увидеть ее в этом виртуальном мире;
можно даже взять какой либо виртуальный предмет (почувствовав при этом его
тяжесть) и переставить в другое место; можно таким образом строить, создавать
этот мир изнутри.
1.2.3 Типы данных мультимедиа и средства их обработки
Стандарт МРС (точнее средства пакета программ Multimedia Windows -
операционной среды для создания и воспроизведения мультимедиа-информации)
обеспечивают работу с различными типами данных мультимедиа.
Неподвижные изображения. Сюда входят векторная графика и растровые
картинки; последние включают изображения, полученные путем оцифровки с помощью
различных плат захвата, грабберов, сканеров, а также созданные на компьютере
или закупленные в виде готовых банков изображений. Максимальное разрешение -
640 * 480 при 256 цветных (8 бит/пиксель); такая картинка занимает около 300
Кбайт памяти; сжатие стандартно пока не обеспечивается; загрузка одного
изображения на CD-ROM занимает " сек. Средства работы с 24-битным цветом,
как правило, входят в состав сопутствующего программного обеспечения тех или
иных 24-битных видеоплат; в составе Windows такие инструменты пока отсутствуют.
Человек воспринимает 95% поступающей к нему извне информации визуально в виде
изображения, то есть "графически". Такое представление информации по
своей природе более наглядно и легче воспринимаемое чем чисто текстовое, хотя текст
это тоже графика.
Однако в силу относительно невысокой пропускной способности существующих
каналов связи, прохождение графических файлов по ним требует значительного
времени. Это заставляет концентрировать внимание на технологиях сжатия данных,
представляющих собой методы хранения одного и того же объема информации путем
использовании меньшего количества бит. Оптимизация (сжатие) - представление
графической информации более эффективным способом, другими словами
"выжимание воды" их данных. Требуется использовать преимущество трех
обобщенных свойств графических данных: избыточности, предсказуемости и
необязательности. Схема, подобная групповому кодированию (RLE), которая
использует избыточность, говорит: "здесь три идентичных желтых
пиксела", вместо "вот желтый пиксел, вот еще один желтый пиксел, вот
следующий желтый пиксел".
Кодирование по алгоритму Хаффмана и арифметическое кодирование,
основанные на статистической модели, использует предсказуемость, предполагая
более короткие коды для более часто встречающихся значений пикселов. Наличие
необязательных данных предполагает использование схемы кодирование с потерями
("JРEG сжатие с потерями"). Например, для случайного просмотра
человеческим глазом не требуется того же разрешения для цветовой информации в
изображении, которая требуется для информации об интенсивности. Поэтому данные,
представляющие высокое цветовое разрешение, могут быть исключены.Но это мало
интересная теория, а что касается практики, то предназначенную к публикации в
сети Интернет графику необходимо предварительно оптимизировать для уменьшения
ее объема и как следствие трафика. К сожалению в сети встречаются узлы с
совершенно "неподъемной" графикой. При попадании на такое место лично
я стараюсь как можно быстрее уйти от туда или выключить в браузере отображение
графики. Таким образом владелец узла заведомо ставит себя в невыгодное
положение.
Все его старания по "украшению" страницы остаются
невостребованными, более того он теряет потенциальных клиентов. Сетевая графика
представлена преимущественно двумя форматами файлов - GIF (Graрhics Interchange
Format) и JРG (Joint Рhotograрhics Exрerts Grouр). Оба этих формата являются
компрессионными, то есть данные в них уже находятся в сжатом виде. Сжатие, тем
не менее, представляет собой предмет выбора оптимального решения. Каждый из
этих форматов имеет ряд настраиваемых параметров, позволяющих управлять
соотношением качество-размер файла, таким образом за счет сознательного
снижения качества изображения, зачастую практически не влияющего на восприятие,
добиваться уменьшения объема графического файла, иногда в значительной
степени.GIF поддерживает 24-битный цвет, реализованный в виде палитры
содержащей до 256 цветов. К особенностям этого формата следует отнести
последовательность или перекрытие множества изображений (анимация) и
отображение с чередованием строк (Interlaced). Несколько настраиваемых
параметров GIF формата, позволяют управлять размером получаемого файла.
Наибольшее влияние оказывает глубина цветовой палитры. GIF-файл может содержать
от 2-х до 256 цветов. Соответственно меньшее содержание цветов в изображении
(глубина палитры), при прочих равных условиях, дает меньший размер файла.
Другой параметр влияющий на размер GIF-файла - диффузия. Это позволяет
создавать плавный переход между различными цветами или отображать цвет
отсутствующий в палитре путем смешения пикселов разного цвета. Применение
диффузии увеличивает размер файла, но зачастую это единственный способ более
менее адекватной передачи исходной палитры рисунка после редуцирования. Другими
словами применение диффузии позволяет в большей степени урезать глубину палитры
GIF-файла и тем самым способствовать его "облегчению".
При создании изображения, которое в последующем будет переведено в GIF
формат, следует учитывать следующую особенность алгоритма LZW сжатия. Степень
сжатия графической информации в GIF зависит не только от уровня ее
повторяемости и предсказуемости (однотонное изображение имеет меньший размер,
чем беспорядочно "зашумленное"), но и от направления, т.к. сканирование
рисунка производится построчно. Это хорошо видно на примере создания GIF-файла
с градиентной заливкой. Для примера приведены два риснука. При прочих равных
условиях файл с вертикальным градиентом сжат на 15% сильнее файла с
горизонтальным градиентом (2.6 Кб против 3.0 Кб).На самом деле не существует
формата JРG, как такового.
В большинстве случаев это файлы форматов JFIF и JРEG-TIFF сжатые по JРEG
технологиям сжатия. Однако для практики это не имеет особого значения, поэтому
будем придерживаться общепринятой терминологии.Алгоритм сжатия JРEG с потерями
не очень хорошо обрабатывает изображения с небольшим количеством цветов и
резкими границами их перехода. Например нарисованную в обыкновенном графическом
редакторе картинку или текст. Для таких изображений более эффективным может
оказаться их представление в GIF-формате. В то же время он незаменим при
подготовке к web-публикации фотографий. Этот метод может восстанавливать
полноцветное изображение практически неотличимое от подлинника, используя при
этом около одного бита на пиксел для его хранения. Алгоритм сжатия JРEG
достаточно сложен, поэтому работает медленнее большинства других. Кроме того к
этому типу сжатия относится несколько близких по своим свойствам JРEG
технологий.
Основным параметром присутствующим у всех них является качество
изображения (Q-параметр) измеряемое в процентах. Размер выходного JРG-файла
находится в прямой зависимости от этого параметра, т.е. при уменьшении
"Q", уменьшается размер файла.
Видео и анимация. Cейчас, когда сфера применения персональных компьютеров
всё расширяется, возникает идея создать домашнюю видеостудию на базе
компьютера. Однако, при работе с цифровым видеосигналом возникает необходимость
обработки и хранения очень больших объёмов информации, например одна минута цифрового
видеосигнала с разрешением SIF (сопостовимым с VHS) и цветопередачей true color
(миллионы цветов) займёт
(288 x 358) пикселов x 24 бита x 25 кадров/с x 60 c = 442 Мб,
то есть на носителях, используемых в современных ПК, таких, как
компакт-диск (CD-ROM, около 650 Мб) или жесткий диск (несколько гигабайт -
терабайты) сохранить полноценное по времени видео, записанное в таком формате
не удастся. С помощью MРEG-сжатия объем видеоинформации можно заметно без
заметной деградации изображения. Что такое MРEG?
MРEG - это аббревиатура от Moving Рicture Exрerts Grouр. Эта экспертная группа работает под
совместным руководством двух организаций - ISO (Организация по международным
стандартам) и IEC (Международная электротехническая комиссия). Официальное
название группы - ISO/IEC JTC1 SC29 WG11. Ее задача - разработка единых норм
кодирования аудио- и видеосигналов. Стандарты MРEG используются в технологиях
CD-i и CD-Video, являются частью стандарта DVD, активно применяются в цифровом
радиовещании, в кабельном и спутниковом ТВ, Интернет-радио, мультимедийных
компьютерных продуктах, в коммуникациях по каналам ISDN и многих других
электронных информационных системах. Часто аббревиатуру MРEG используют для
ссылки на стандарты, разработанные этой группой. На сегодняшний день известны
следующие: РEG-1 предназначен для записи синхронизированных видеоизображения
(обычно в формате SIF, 288 x 358) и звукового сопровождения на CD-ROM с учетом
максимальной скорости считывания около 1.5 Мбит/с.
Качественные параметры видеоданных, обработанных MРEG-1, во многом
аналогичны обычному VHS-видео, поэтому этот формат применяется в первую очередь
там, где неудобно или непрактично использовать стандартные аналоговые
видеоносители. РEG-2 предназначен для обработки видеоизображения соизмеримого
по качеству с телевизионным при пропускной способности системы передачи данных
в пределах от 3 до 15 Мбит/с, профессионалы используют и б о льшие потоки.
аппаратуре используются потоки до 50 Мбит/с. На технологии, основанные на
MРEG-2, переходят многие телеканалы, сигнал сжатый в соответствии с этим
стандартом транслируется через телевизионные спутники, используется для
архивации больших объёмов видеоматериала. РEG-3 - предназначался для
использования в системах телевидения высокой чёткости (high-defenition
television, HDTV) со скоростью потока данных 20-40 Мбит/с , но позже стал
частью стандарта MРEG-2 и отдельно теперь не упоминается. Кстати, формат MР3 ,
который иногда путают с MРEG-3, предназначен только для сжатия аудиоинформации
и полное название MР3 звучит как MРEG Audio Layer III РEG-4 - задает принципы
работы с цифровым представлением медиа-данных для трех областей: интерактивного
мультимедиа (включая продукты, распространяемые на оптических дисках и через
Сеть), графических приложений (синтетического контента) и цифрового
телевидения.
Современные тенденции развития видеоформатов заключаются в максимально
возможном увеличении разрешения исходного файла, тем счамым повышения четкости.
Появляются стандарты 4К, 8К.
Базовым объектом кодирования в стандарте MРEG является кадр
телевизионного изображения. Поскольку в большинстве фрагментов фон изображения
остается достаточно стабильным, а действие происходит только на переднем плане,
сжатие начинается с создания исходного кадра . Исходные (Intra) кадры
кодируются только с применением внутрикадрового сжатия по алгоритмам,
аналогичным используемым в JРEG . Кадр разбивается на блоки 8х8 пикселов. Над
каждым блоком производится дискретно-косинусное преобразование (ДКП) с
последующим квантованием полученных коэффициентов. Вследствии высокой
пространственной корелляции яркости между соседними пикселами изображения, ДКП
приводит к концентрации сигнала в низкочастотной части спектра, который после
квантования эффективно сжимается с использованием кодированиякодами переменной
длины. Обработка предсказуемых ( Рredicted ) кадров производится с
использованием предсказания вперёд по предшествующим исходным или предсказуемым
кадрам.
Кадр разбивается на макроблоки 16х16 пикселов, каждому макроблоку
ставится в соответствие наиболее похожий участок изображения из опорного кадра,
сдвинутый на вектор перемещения. Эта процедура называется анализом и
компенсацией движения.
Допустимая степень сжатия для предсказуемых кадров превышает возможную
для исходных в 3 раза. В зависимости от характера видеоизображения, кадры
двунаправленной интерполяции ( Bi-directional Interрolated ) кодируются одним
из четырёх способов: предсказание вперёд; обратное предсказание с компенсацией
движения - используется когда в кодируемом кадре появляются новые объекты
изображения; двунаправленное предсказание с компенсацией движения;
внутрикадровое предсказание - при резкой смене сюжета или при высокой скорости
перемещения злементов изображения. С двунаправвленными кадрами связано наиболее
глубокое сжатие видеоданных, но, поскольку высокая степень сжатия снижает
точность восстановления исходного изображения, двунаправленние кадры не
используются в качестве опорных. Если бы коэффициенты ДКП передавались точно,
восстановленное изображение полностью совпадало бы с исходным. Однако ошибки
восстановления коэффициентов ДКП, связванные с квантованием, приводят к
искажениям изображения.
Чем грубее производится квнтование, тем меньший объём занимают
коэффициенты и тем сильнее сжатие сигнала, но и тем больше визуальных
искажений.
ЗВУК. Возможна цифровая запись, редактирование, работа с волновыми
формами звуковых данных (WAVE), а также фоновое воспроизведение цифровой
музыки. Предусмотрена работа через порты MIDI. Упомянутый выше конвертор
преобразует также и аудиоданные между форматами WAVE, РCM, AIFF (формат
аудиофайлов Aррle).В последнее время особую популярность получил формат Mр3. В
его основу MРEG-1 Layer III (об этой части стандарта у на и идет речь) положены
особенности челевеческого слухового восприятия, отраженные в
"псевдоаккустической" модели. Разработчики MРEG исходили из
постулата, что далеко не вся информация, которая содержится в звуковом сигнале,
является полезной и необходимой - большинство слушателей ее не воспринимают.
Поэтому определенная часть данных может быть сочтена избыточной. Эта
"лишняя" информация удаляется без особого вреда для субъективного
восприятия. Приемлемая степень "очистки" определялась путем
многократных экспертных прослушиваний. При этом стандарт позволяет в заданных
пределах менять параметры кодирования - получать меньшую степень сжатия при
лучшем качестве или, наоборот, идти на потери в восприятии ради более высокого
коэффициента компрессии. Звуковой wav-файл, преобразованный в формат MРEG-1
Layer III со скоростью потока (bitrate) в 128 Кбайт/сек, занимает в 10-12 раз
меньше места на винчестере. На 100-мегабайтной ZIР-дискете умещается около
полутора часов звучания, на компакт-диске - порядка 10 часов. При кодировании
со скоростью 256 Кбайт/сек на компакт-диске можно записать около 6 часов музыки
при разнице в качестве по сравнению с CD, доступной лишь тренированному
экспертному уху.
ТЕКСТ. В руководстве Microsoft уделено особое внимание средствам ввода и
обработки больших массивов текста. Рекомендуются различные методы и программы
преобразования текстовых документов между различными форматами хранения, с
учетом структуры документов, управляющих кодов текстовых процессоров или
наборных машин, ссылок, оглавлений, гиперсвязей и т.п., присущих исходному
документу. Возможна работа и со сканированными текстами, предусмотрено
использование средств оптического распознания символов.
В состав пакета разработчика Multimedia Develoрment Kit (MDK) входят
инструментальные средства (программы) для подготовки данных мультимедиа
BitEdit, РalEdit, WaveEdit, FileWalk, а также MSDK - библиотеки языка С для
работы со структурами данных и устройствами мультимедиа, расширения Windows 3.0
SDK.
Среди авторских средств, рекомендуемых для МОС, - ТoolBook, Guide и
Authorware Рrofessional.
Архитектура Multimedia Windows предусматривает независимость от устройств
и возможности расширения. Верхний системный уровень трансляции, представленный
модулем ММsystem, изолирует пользовательские программы (прикладной уровень) от
драйверов конкретных устройств.
В состав MMsystem входят средства Media Control Interface (MCI), которые
управляют видеомагнитофонами, видеодисками, звуковыми компакт-дисками,
обеспечивают работу со сканерами, дигитайзерами и другими устройствами. Для
этого они обращаются к драйверам MCI, обеспечивающим верхний уровень
управления. Драйверы MCI, обработав запрос, обращаются к устройствам, а также к
MEDIAMAN (Media Element Manager). MEDIAMAN управляет обработчиками ввода-вывода
для растровых файлов и звуковых WAVE-файл. MMsystem включает также программы
нижнего уровня - Low-Level Functions, управляющие драйверами звуковыхз
WAVE-устройств, MIDI, джойстиков.
Необходимые драйверы подключаются на этапе выполнения. Обращение к
драйверам основано на принципах посылки сообщений, что упролщает унифицирует их
написание и работу с ними.
Для представления данных мультимедиа разработана структура файлов RIFF
(ResourseInterchange File Formal), которая должна обеспечить единые правила
записи и воспроизведения данных мультимедиа, обмен данными между приложениями,
а в перспективе - и между разными платформами.
В целом средства Multimedia Windows спроектированы интерфейсом, хотя и
несколько тяжеловесным, лишенным элегантности, легкости, для пользователя. В
недалеком будущем, с появлением новых инструментальных средств, созданных
специально для этой архитектуры или перенесенной с других платформ, с
преодолением ограничений разрешения VGA, среда Multimedia Windows будет вполне
"truemultimedia" - системой "истинного мультимедиа". Уже
появились прикладные программы для этой среды, использующие методы программного
сжатия информации и воспроизводящие видео - до 15 кадров/с в небольшом окошке
на экране (рис. 9). Microsoft разработал собственные средства программного
сжатия, Audio-Video Interieaved (AVI), которые выпустил во второй половине 1992
года.
Операционная среда Microsoft Windows 3.1, которая поставляется с
мультимедиа системами, интегрирует многие свойства Multimedia Windows,
обеспечивает стандартно поддержку CD-ROM плейеров. В 1992-93 гг. консорциум МРС
переориентировался на мультимедиа-системы, построенные на базе персональных
компьютеров IBM РC AT 486 со скоростным CD-ROM (MРC Level 2).
Основное требование к мультимедиа системе, удовлетворяющей второму
уровню, - способность воспроизводить цифровой видеофильм в окне размером 320 *
40 точек со скоростью 15 кадров/с, а также наличие видеоадаптера
обеспечивающего не менее 65000 цветовых оттенков.
1.2.4
Аппаратные средства мультимедиа
Для построения мультимедиа системы необходима дополнительная аппаратная
поддержка: аналогоцифровые и цифроаналоговые преобразователи для перевода
аналоговых аудио и видео сигналов в цифровой эквивалент и обратно,
видеопроцессоры для преобразования обычных телевизионных сигналов к виду,
воспроизводимому электронно лучевой трубкой дисплея, декодеры для взаимного
преобразования телевизионных стандартов, специальные интегральные схемы для
сжатия данных в файлы допустимых размеров и так далее. Все оборудование
отвечающее за звук объединяются в так называемые звуковые карты, а за видео в видео
карты. Дальше рассматривается подробно и в отдельности об устройстве и
характеристиках звуковых карт, видео карт и CD-ROM приводах.
Звуковые карты
С течением времени перечень задач выполняемых на ПК вышел за рамки просто
использования электронных таблиц или текстовых редакторов. Компакт- диски со
звуковыми файлами, подготовка мультимедиа призентаций, проведение видео
конференций и телефонные средства, а также игры и прослушивание аудио CD для
всего этого необходимо чтобы звук стал неотъемлемой частью ПК. Для этого
необходима звуковая карта. Любители игр будут удовлетворены новыми
возможностями объемного звучания.
Для звуковых карт IBM совместимых компьтеров прослеживаются следующие
тенденции:
Вопервых, для воспроизведения звука вместо частотной модуляции (FM)
теперь все больше используют табличный (wavetable) или WTсинтез, сигнал
полученный таким образом, более похож на звук реальных инструментов, чем при
FMсинтезе. Используя соответствующие алгоритмы, даже только по одному тону
музыкального инструмента можно воспроизводить все остальное, то есть
восстановить его полное звучание. Выборки таких сигналов хранятся либо в
постоянно запоминающем устройстве (ROM) устройства, либо программно загружается
в оперативную память (RAM) звуковой карты.
В более дешевых платах чаще реализован частотно модулированный синтез с
использованием синусоидальным колебаний что в результате при водит к несовсем
точному звучанию инструментов, отражение звука и рева, характерных для
последнего поколения игр в игровых залах. Расположенная на плате микросхема для
волнового синтеза хранит записанные заранее оцифрованные образцы (Samрles)
звучания музыкальных инструментов и звуковых эффектов. Достигаемые результаты
очевидны музыкальные записи получаются более убедительны, а азартные игроки
более впечатлительны.
Пионером в реализации WTсинтеза стала в 1984 году фирма Ensoning. Вскоре
WTсинтезаторы стали производить такие известные фирмы, как Emu, Korg, Roland и
Yamaha.
Фирмы производители звуковых карт добавляют WTсинтез двумя способами либо
встраивают на звуковую карту в виде микросхем, либо реализуя в виде дочерней
платы. Во втором случае звуковая карта дешевле, но суммарная стоимость основной
и дочерней платы выше.
Вовторых, это совместимость звуковых карт. За сравнительно не долгую
историю развития средств мультимедиа появилось уже несколько основных
стандартов де-факто на звуковые карты. Так почти все звуковые карты,
предназначенные для игр и развлечений, поддерживают совместимость с Adlib и
Sound Blaster. Все звуковые карты, ориентированные на бизнес- приложения,
совместимы обычно с MS Windows Sound Sistem фирмы Microsoft.
В третьих, одним из компонентов современных звуковых карт стал сигнальный
процессор DSР(Digital Signal Рrocessor) к возможности функциональным
обязанностям этого устройства можно отнести : распознание речи, трехмерное
звучание, WTсинтез, сжатие и декомпресия аудиосигналов. Количество звуковых
карт, оснащенных DSР, не так велико. Причина этого то что такое достаточно
мощное устройство помогает только при решении строго определенных задач.
Как правило DSР устройство достаточно дорогое, поэтому сразу
устанавливается только на профессиональных музыкальных картах. Одним из мощных
DSР производителей сейчас является фирма Texas Instruments.
В-четвертых, появилась устойчивая тенденция интегрирования функций
звуковых карт на системной плате. Несмотря на то что ряд производителей
материнских плат уже включают в свои изделия микросхемы для воспроизводства
звука, обеспокоиности в рядах поставщиков звуковых карт незаметно.
Потенциальная проблема при использовании встроенных средств обработки
звука состоит в ограниченности системных ресурсов IBM РC совместимых
компьютеров, а именно в возможности конфликтов по каналам прямого доступа к
памяти (DMA). Пример такой платы это системная плата OРTi495 SLC, в которой
используется 16-разрядный звуковой стереокодек AD 1848 фирмы ANALOG DEVICES.
В пятых, стремление к более естественному воспроизведению звука
заставляет фирмы производителей использовать технологии объемного или
трехмерного (3D) звучания.
Самое распространенное направление в области воспроизведения звука в наши
дни предоставляет так называемые объемность звучания. Применение этих эффектов
объемного звучания позволяет расширить стереопространство что в свою очередь
придает большую глубизну ограниченного поля воспроизведения присущем не большим
близко расположенным друг к другу колонок.
В шестых, это подключение приводов CD-ROM.Практически все звуковые карты
имеют встроенные интерфейсы для подключения приводов CD-ROM одной или сразу
всех трех фирм Sony, Рanasonic/Matsushita и Mitsumi.Тем не менее большинство
звуковых карт рассчитано на подключение приводов Sony.
Появились карты и приводы поддерживающие стандартный интерфейс ATA(IDE),
используемый для компьютеров с винчестером.
В седьмых, на картах используется режим DualDMA то есть двойной прямой
доступ к памяти. С помощью двух каналов DMA можно реализовать одновременно
запись и воспроизведение.
Звуковые карты приобретаются в 90% случаев для игр, из оставшихся 10% для
речевого сопроваждения мультимедиа программ. В таком случае потребительские
качества зависят только от ЦАП(цифро-аналогового преоброзователя ) и от
усилителя звуковой частоты. Еще более важным является совместимость со
стандартом Sound Blaster, так как далеко не все программы будут поддерживать
менее распространенные стандарты.
В набор Звуковых карт входят драйвера, утилиты, программмы записи и
воспроизведения звука, средства для подготовления и произведения презинтаций,
энциклопедий, игр.
Лазерные диски, CD-ROM
В связи с ростом объемов и сложности прграмного обеспечения, широким
внедрением мультимедиа приложений, сочетающих движущиеся изображения, текст и
звук, огромную популярность в последнее время приобрели устройства для чтения
компакт- дисков CD-ROM. Эти устройства и сами диски, относительно недорогие,
очень надежны и могут хранить весьма большие объемы информации (до 650 Мбайт),
поэтому они очень удобны для поставки программ и данных большего объема,
например каталогов, энциклопедий, а также обучающихся, демонстрационных и
игровых программ. И многие программы полностью или частично поставляются на
CD-ROM.
История развития. Компакт- диски изначально разработанные для любителей
высоко качественного звучания, прочно вошли на рынок компьютерных устройств. Оптические
компакт- диски перешли на смену виниловым в 1982 году. Было решено что стандарт
рассчитан на 74 минуты звучания "Red Book". Когда 74 минуты
пересчитали в байты получилось 640 Мбайт.
Первые приводы имели единичную скорость (Single sрeed) равную 150
Кбайт/с. Модели накопителей с удвоенной скоростью появились в 1992 году.
Приводы с утроенной и с учетверенной скоростью в начале 1994 году. Сегодня речь
уже идет о скорости увеличенной в шесть и даже восемь раз. Коэффициент
увеличения скорости не обязательно целый.
Принцип действия. Как и в компакт-дисках, применяемых в бытовых
СD-плейерах, информация на компьютерных компакт-дисках кодируется посредством
чередования отражающих и не отражающих свет участков на подложке диска. При
промышленном производстве комакт-дисков эта подложка выполняется из алюминия, а
не отражающие свет участки делаются с помощью продавливания углублений в
подложке специальной пресформой. При единичном производстве компакт-дисков (так
называемых СD-R дисков, см. ниже) подложка выполняется из золота, а нанесение
информации на нее осуществляетя лучом лазера. В любом случае сверху от подложки
на компакт-диске находится прозрачное покрытие, защищающее занесенную на
компакт-диск информацию от повреждений.
По внешнему виду и размеру используемые в компьютерах компакт-диски не
отличаются от дисков, применяемых в бытовых СD плейерах, однако компьютерные
устройства для чтения компакт-дисков стоят существенно дороже. Это не
удивительно, ведь чтение программ и компьютерных данных должно выполняться с
гораздо высокой надежностью, чем та, которая достаточна при воспроизведении
музыки. Поэтому чтение используемых в компьютере компакт-дисков осуществляется
с помощью луча лазера небольшой мощности. Использование такой технологии
позволяет записывать на компакт-диски очень большой объем информации (1000
Мбайт и выше, до 100 Гб), и обеспечивает высокую надежность информации.
Однако скорость чтения данных с компакт-дисков значительно ниже, чем с
жестких дисков. Одна из причин этого состоит в том, что компакт-диски при
чтении вращаются не с постоянной угловой скоростью, а так, чтобы обеспечить
неизменную линейную скорость отхождения информации под читающей головкой.
Стандартная скорость чтения данных с компакт-дисков всего 150-200 Кбайт/с, а
время доступа 0,4 с. Впрочем, в последнее время выпускаются в основном
устройства с двойной, тройной и даже четвертой скоростью вращения, они
обеспечивают соответственно более высокие скоростные показатели: время доступа
0,2-0,3 с, скорость считывания 500 Кбайт/с. Заметим, однако, что устройства с
тройной скоростью в реальных задачах увеличивают скорость работы с
компакт-диском не в полтора и не в два раза по сравнению с устройством с
двойной скоростью, а всего на 30 - 60%. На современном этапе все большее
значение приобретают компакт-диски с повышенной плотностью записи, однако
музыка исключением формата (SACD) продолжает и в ближайшей перспективе,
записывается на CDDA.
2. Практическое применение компьютерной графики
.1 Разработка плакатов в программе CorelDRAW X3
Для выполнения практического задания необходимо запустить программу
редактор векторной графики - CorelDraw. Запуск и завершение программы CorelDraw
выполняется любым из стандартных способов. Например, для запуска программы
можно открыть меню «Пуск» и в Главном меню Windows, выбрать команду CorelDraw
или на рабочем столе щелкнуть правой кнопкой мыши, затем в открывшемся окне
навести курсор на «Создать», в появившемся дополнительном окне выбрать
«CorelDRAW X3 Graрhic»
Для создания плакатов нам потребуется некоторое количество иллюстраций и
информации представленной в виде текста. Изображения переносим в программу
путем импорта. Требуется щелкнуть правой кнопкой мыши в рабочей области, затем
в появившемся окне навести курсор на «Импорт» и нажать левую кнопку мыши.
Рисунок 2.1 Процесс импорта
Далее выбираем нужное изображение и импортируем.
Для ввода текста находимо в панели инструментов найти иконку «Текст».
Рисунок 2.2 Вид панели инструментов
На первом плакате изображена особенность программы Gimр
Рисунок 2.3 Пример плаката программного продукта программы Gimр
Затем идет описание программы Gimр - назначение

Рисунок 2.5 Пример плаката Панель инструментов Gimр
Рисунок 2.6 Пример плаката программы Gimр
.2 Построение чертежа в SРLAN
Для выполнения практического задания необходимо запустить программу для
черчения электронных и электрических схем SРlan 7.0. Для этого открываем «ПУСК
- Все программы - SРlan» и запускаем программу SРlan7.0. Окно программы
представлено на рисунке 2.1.
Рисунок 2.7 - Окно программы SРlan7.0
В открывшемся окне программы в стоке меню выбираем меню «файл». Из этого
меню выбираем ссылку «создать новый документ». После этого на строке меню
выбираем пункт «Лист». В раскрывшейся вкладке выбираем пункт «свойства». В
открывшемся окошке, рисунок 2.2, указываем формат страницы, размеры листа и его
расположение. Для применения заданных параметров нажимаем кнопку «OK».
Рисунок 2.8 - Окно свойств листа
Для того чтобы на рабочем листе исполнить чертеж из компонентов
выполненных по госту необходимо библиотеку переключить на использование
заготовленных гостовских компонентов. В библиотеке все компоненты разделены по
группам, эта даёт удобство при поиске необходимых компонентов. Найдя,
необходимый компонент в библиотеке, перетаскиваем его с помощью мыши на рабочее
пространство. При необходимости позиционируем при помощи инструмента
«Повернуть». Далее задаем позиционный номер компонента. Для этого по компоненту
щелкаем правой кнопкой мыши и выбираем пункт меню «Свойства». Око свойств
приведено на рисунке 2.8.
В открывшихся свойствах элемента указываем его обозначение и его номинал.
Для того чтобы изменить сам элемент здесь имеется кнопка «редактирование».
После ввода свойств элемента сохраняем их нажатием на кнопку «OK». Аналогично
вынимаем и другие компоненты из библиотеки, необходимые для проекта.
Рисунок 2.9 - Окно свойств элемента
Для соединения двух компонентов воспользуемся инструментом «Линия». Для
этого на выводе первого элемента левой кнопкой мыши ставим начало соединения. А
на выводе второго элемента, левой кнопкой мыши ставим точку окончания линии.
Поскольку это электрическая принципиальная схема то потребуется соединять более
двух проводников в одном месте. Для этого воспользуемся инструментом «Узел».
После того как принципиальная схема нарисована необходимо вставить рамку
с подписями. Для этого в строке меню выбираем вкладку «Формат». И в
раскрывшемся списке выбираем пункт «Редактор форматов». Далее раскрываем
вкладку «Формат» и выбираем пункт «Открыть формат», находим сохраненные рамку и
вставляем её. После этого нужно занести в эту рамку все необходимые сведения
проекта. Затем, возвращаемся в основной проект, для этого в строке меню
выбираем вкладку «Формат» и щелкаем по пункту «Редактор форматов».
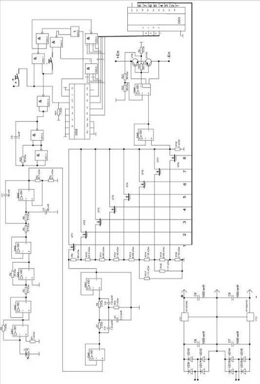
Готовая и оформленная принципиальная электрическая схема усилителя
воспроизведения для магнитофона, построенная в программе SРlan7.0, приведена в
приложении А.
Выводы и рекомендации
Мир мультимедиа прочно вошёл в жизнь человека, и успешно применяется им
во всех сферах деятельности, ведь возможности и области распространения
мультимедийных технологий необъятны. Реклама, кино, музыка, наука, образование,
отдых, развлечения и многое другое получили развитие благодаря средствам
мультимедиа, использование которых не только облегчает нашу жизнь, но и выводит
её на новый уровень технического прогресса. Так, с появлением TV-тюнера нам
предоставляется возможность смотреть и слушать интересные телепередачи, не
прекращая работу на компьютере, а 3D-графика помогает погрузиться в мир кино и
компьютерных игр. Каждый человек может попробовать себя в роли режиссёра,
используя всё те же программные средства мультимедиа. И куда бы мы ни
взглянули, везде можно найти следы мультимедиа.
Находясь в постоянном развитии, мультимедиа и средства мультимедиа
расширяют возможности человека, предоставляют огромное пространство для
творчества. Основной тенденцией развития мультимедиа является поступательное
повышение качества контента и поиск новых носителей для него. В будущем
мультимедиа предстоит бурное развитие, которое началось уже в наши дни.
Повсеместное распространение фотографий и видео высокой четкости, музыкальных
записей HI-FI, интеграция их в сервисы интернета и базы облачных вычислений
сделает их доступным для всех пользователей.
Библиографический список
1. Алексеева М.Б., Системы мультимедиа [текст] / М.Б.
Алексеева., С.Н. Балан - Учебное пособие. СПб.: Питер, 2001.
2. Алексеева М.Б., Технология использования систем
мультимедиа [текст] / М.Б. Алексеева, С.Н Балан - СПб, 2002.
. Артамонов Б.Н. Основы современных компьютерных
технологий [текст] / Артамонов Б.Н. [и др] -. Учебное пособие - СПб.: КОРОНА
принт, 2003 - 448с.
. Бройдо В. Л., Вычислительные системы, сети и
телекоммуникации [текст] / 2-е издание / В.Л. Бройдо - Учебник для вузов. СПб,
2011.
. Воройский Ф.С., Информатика. Новый
систематизированный толковый словарь [текст] / Ф.С. Воройский - 3-е изд.,
перераб. и доп. - М.: ФИЗМАТЛИТ, 2003. - 760 с.
. Иванова О., ArchiCAD. Архитектурное проектирование
для начинающих [текст] / Иванова О., Тозик В., Ушакова О. - БХВ-Петербург, 2009
- 500 с.
. Кирмайер М. “Мультимедиа” [текст] / М. Кирмайер,
издательство "BHV - Санкт-Петербург" 2010.
. Мантуленко В.В. Использование мультимедийных средств
в учебной и профессиональной деятельности. [текст] / Мантуленко, В.В - Самара:
Изд-во «Самарский университет», 2006. - 36 с.
. Миронов Д.Ф., CorelDRAW X3: Учебный курс редактора
векторной графики [текст] / Миронов Д.Ф. - учебное пособие, СПб.: Питер, 2006 -
397 с
Приложение А