Построение внутренней памяти процессорной системы

  • Вид работы:
    Контрольная работа
  • Предмет:
    Информационное обеспечение, программирование
  • Язык:
    Русский
    ,
    Формат файла:
    MS Word
    262,84 Кб
  • Опубликовано:
    2015-07-14
Вы можете узнать стоимость помощи в написании студенческой работы.
Помощь в написании работы, которую точно примут!

Построение внутренней памяти процессорной системы












Контрольная работа

НА ТЕМУ

Построение внутренней памяти процессорной системы

по дисциплине: "Вычислительная техника"

Задание


Построить внутреннюю память процессорной системы, состоящую из ПЗУ и статического ОЗУ.

Разрядность ША - 20, ШД - 8.

Адреса, покрываемые ПЗУ - 00000-03FFF

Адреса, покрываемые ОЗУ - 80000-9FFFF

Емкость микросхемы ПЗУ - 16K*8

Емкость микросхемы ОЗУ - 64K*4

Содержание

Задание

Введение

1.1 Общая структура МПС

1.2 Подсистема памяти МПС

1.3 Устройства памяти

1.4 Статические ОЗУ. Принципы построения

1.5 Принцип записи/чтения информации

1.6 Построение пространства памяти заданного объема

2.1 Практическая часть

2.2 Структура ПЗУ

2.3 Структура ОЗУ

2.4 Общая структура памяти

Заключение

Список литературы

Введение


Информация, циркулирующая в вычислительной системе, хранится в памяти. Основными критериями оценки запоминающего устройства являются показатели емкости, быстродействия и потребляемой мощности.

Компьютерная память обеспечивает поддержку одной из наиважнейшей функций современного компьютера - способность длительного хранения информации.

В зависимости от места нахождения в вычислительной системе память подразделяют на внутреннюю (оперативную, сверхоперативную и постоянную) и внешнюю (различные накопители).

В теоретической части данной работы рассмотрена компьютерная память, ее виды и классификации, в практической части - осуществлено построение внутренней памяти процессорной системы.

В конце работы сделано заключение и приведен список использованной литературы.

постоянное запоминающее оперативное устройство

1.1 Общая структура МПС


Микропроцессор (МП) - центральная часть любой микропроцессорной системы (МПС) - включает в себя арифметико-логическое устройство (АЛУ) и центральное управляющее устройство (ЦУУ), реализующее командный цикл. МП может функционировать только в составе МПС, включающей в себя, кроме МП, память, устройства ввода/вывода, вспомогательные схемы (тактовый генератор, контроллеры прерываний и прямого доступа к памяти (ПДП), шинные формирователи, регистры-защелки и др.

В любой МПС можно выделить следующие основные части (подсистемы):

1 процессорный модуль;

2 память;

3 внешние устройства (внешние ЗУ + устройства ввода/вывода);

4 подсистему прерываний;

5 подсистему прямого доступа в память.

Рисунок 1 - Структура МПС с интерфейсом "Общая шина"

Связь между процессором и другими устройствами МПС может осуществляться по принципам радиальных связей, общей шины или комбинированным способом. В однопроцессорных МПС, особенно 8 - и 16-разрядных, наибольшее распространение получил принцип связи "Общая шина", при котором все устройства подключаются к интерфейсу одинаковым образом (Рисунок 1).

Все сигналы интерфейса делятся на три основные группы - данных, адреса и управления. Многочисленные разновидности интерфейсов "Общая шина" обеспечивают передачу по раздельным или мультиплексированным линиям (шинам). Например, интерфейс Microbus, с которым работают большинство 8-разрядных МПС на базе i8080, передает адрес и данные по раздельным шинам, но некоторые управляющие сигналы передаются по шине данных. Интерфейс Q-bus, используемый в микро-ЭВМ фирмы DEC (отечественный аналог - микропроцессоры серии К1801) имеет мультиплексированную шину адреса/данных, по которой эта информация передается с разделением во времени. Естественно, что при наличии мультиплексированной шины в состав линий управления необходимо включать специальный сигнал, идентифицирующий тип информации на шине.

Обмен информацией по интерфейсу производится между двумя устройствами, одно из которых является активным, а другое - пассивным. Активное устройство формирует адреса пассивных устройств и управляющие сигналы. Активным устройством выступает, как правило, процессор, а пассивным - всегда память и некоторые ВУ. Однако иногда быстродействующие ВУ могут выступать в качестве задатчика (активного устройства) на интерфейсе, управляя обменом с памятью.

Концепция "Общей шины" предполагает, что обращения ко всем устройствам МПС производится в едином адресном пространстве, однако, в целях расширения числа адресуемых объектов, в некоторых системах искусственно разделяют адресные пространства памяти и ВУ, а иногда даже и памяти программ и памяти данных.

1.2 Подсистема памяти МПС


Распределение адресного пространства.

Объем адресного пространства МПС с интерфейсом "Общая шина" определяется главным образом разрядностью шины адреса и, кроме того, номенклатурой управляющих сигналов интерфейса. Управляющие сигналы могут определять тип объекта, к которому производится обращение (ОЗУ, ВУ, стек, специализированные ПЗУ и др.). В случае если МП не выдает сигналов, идентифицирующих пассивное устройство (или они не используются в МПС), - для селекции используются только адресные линии. Число адресуемых объектов составляет в этом случае 2k, где k - разрядность шины адреса. Будем называть такое адресное пространство "единым". Иногда говорят, что ВУ в едином адресном пространстве "отображены на память", т.е. адреса ВУ занимают адреса ячеек памяти. Пример организации селекции устройств в едином адресном пространстве МПС на базе i8080 и распределение адресного пространства показаны на рисунке 2 и рисунке 3 соответственно.

Рисунок 2 - Структура единого адресного пространства

  0000 0FFF

1000 FEFF

FF00 FFFF

ПЗУ 4К

ОЗУ до 59,75К

ВУ 0,25К

Рисунок 3 - Пример распределения единого адресного пространства

При небольших объемах памяти в МПС целесообразно использовать некоторые адресные линии непосредственно в качестве селектирующих (Рисунок 4), что позволяет уменьшить объем оборудования МПС за счет исключения селектора адреса. При этом, однако, адресное пространство используется крайне неэффективно.

При использовании информации о типе устройства, к которому идет обращение, можно одни и те же адреса назначать для разных устройств, осуществляя селекцию с помощью управляющих сигналов.

Так, большинство МП выдают в той или иной форме информацию о типе обращения. В результате в большинстве интерфейсов присутствуют отдельные управляющие линии для обращения к памяти и вводу/ выводу, реже - стеку или специализированному ПЗУ. В результате суммарный объем адресного пространства МПС может превышать величину 2k.

Рисунок 4 - Использование адресных линий для прямой селекции устройств

1.3 Устройства памяти


Устройства памяти микропроцессорной системы (МПС) могут быть внешними (винчестер, дисковод, CD-ROM и т.д.) и внутренними (ОЗУ, ПЗУ).

В данной курсовой работе рассматривается внутренняя память МПС, которая может быть:

·              постоянной (ROM) или ПЗУ,

·              оперативной (RAM) или ОЗУ.

В свою очередь ПЗУ по способу записи/перезаписи информации различаются следующим образом.

ПЗУ - постоянные запоминающие устройства, в основу которых положены диодные матрицы. Матрицы прожигаются на заводе-изготовителе, пользователь ничего изменить не может (рисунок 5). При подаче U > Uдоп диод сгорает, остается перемычка; при сгоревшем диоде Uузла = 0; при функционирующем диоде Uузла = 1

ППЗУ - перепрограммируемые ПЗУ (матрицы поставляются пользователю с уровнем 1 во всех узлах, пользователь может только один раз прожечь матрицу по своей программе).

РПЗУ - репрограммируемые (т.е. многократно программируемые) ПЗУ.

Рисунок 5 - Элемент диодной матрицы.

Оперативные запоминающие устройства ОЗУ могут быть: динамическими (DRAM) и статическими (SRAM).

В динамических ОЗУ, построенных на МОП-транзисторных ячейках с дополнительной емкостью, информация после считывания пропадает, поэтому требуется ее регенерация (восстановление), а значит, такие ОЗУ при своей очевидной дешевизне имеют низкое быстродействие.

Статические ОЗУ, построенные на триггерных ячейках, хранят информацию после считывания и регенерации не требуют, имеют высокое быстродействие, хотя и существенно дороже динамических ОЗУ.

Современные схемы ОЗУ сочетают в себе обе технологии (SDRAM).

1.4 Статические ОЗУ. Принципы построения


Рисунок 6 - Микросхема статической памяти

Шина адреса (рисунок 6) подключается к микросхеме памяти по N адресным входам: A0 - AN - 1.

Шина данных подключается по входам/выходам D, количество которых зависит от того, сколько матриц размещено в кристалле.- вход выборки кристалла, управляет подключением буфера данных к шине.

 - вход запись/чтения, определяет подключение входного или выходного буфера данных к шине данных.

Рассмотрим принцип выбора ячейки памяти по адресу.

Входы адресной шины подключаются к дешифраторам (DC) строки и столбца матрицы. Предположим, что к микросхеме подключается четыре адресных линии (А0 - А3), причем линии А0, А1 подаются на DC строки, а линии А2, А3 - на DC столбца.

а)

б)

Рисунок 7 - Выбор ячейки по адресу: а - триггера; б - элемента матрицы

Предположим, что на адресных входах указан адрес 9, т.е.1001.

Таким образом, DC строки по А0 =1, А1 =0 установит 1 на выходе 1, а DC столбца по А2 =0, А3 =1 установит 1 на выходе 2.

Во всех узлах матрицы расположены триггеры. Вход синхронизации триггера и его выход на общую для данной матрицы линию данных подключаются, как показано на рисунке 7, а.

Очевидно, что функционировать будет только тот триггер, у которого на входы элемента И от DC строки и DC столбца попадут 1.

В нашем случае будет выбран элемент матрицы, обведенный в кружок (рисунок 7, б).

1.5 Принцип записи/чтения информации


Инициализируем элемент матрицы, подав адрес на адресные входы. Теперь покажем, как будет происходить процесс записи/чтения данных. Заметим, что каждая матрица имеет один общий провод данных, т.е. каждый разряд данных записан в своей матрице. Адресация таких матриц производится параллельно.

Рассмотрим обращение к одному разряду данных. Только при подаче на вход CS уровня 0 (рис.8) на выходе управляющих схем буферов чтения и записи может появиться 1. Причем на выходе управления буфером записи 1 появится при 0 на входе , а на выходе управления буфером чтения - при 1 на .

Рисунок 8 - Функции входов CS и

1.6 Построение пространства памяти заданного объема


Из микросхем SRAM небольшой емкости можно составить память любого заданного объема. Предположим, что в нашем распоряжении есть микросхемы SRAM емкостью 256×4. Необходимо составить память устройства емкостью 1 Кбайт или 1К×8. Схема 256×4 имеет 4 матрицы по 256 ячеек (256 = 28), т.е. схема имеет 8 адресных входов.

Рисунок 9 - Микросхема памяти 256×4

Для того чтобы обеспечить чтение/запись байта информации, надо добавить еще 4 матрицы внешним соединением (т.е. объединить 2 микросхемы).

Получим эквивалентную схему, позволяющую хранить 256 байт информации.

Для построения памяти на 1 Кбайт необходимо 4 таких схемы:

К = 210; 210/28 = 22 = 4.

Рисунок 10 - Получение эквивалентной схемы 256×8

Доступ к такой памяти осуществляется по 10 адресным линиям (1К = 210): непосредственно к схеме подключаются 8 адресных линий, а 2 - к дешифратору, с помощью которого выбирается одно из 4 направлений.

Общая схема памяти (рисунок 11) составлена из эквивалентных схем (рисунок 10), исходная микросхема представлена на рисунке 9.

Рисунок 11 - Схема оперативной статической памяти объемом 1Кбайт

2.1 Практическая часть


Построить внутреннюю память процессорной системы, состоящую из ПЗУ и статического ОЗУ. Процессорная система работает в реальном режиме.

Разрядность ША - 20, ШД - 8.

Табл. 1. Определение емкости ПЗУ и ОЗУ

ПЗУ

ОЗУ

от 00000 до 03FFF

от 80000 до 9FFFF

16К * 8

64К * 4


Адреса, покрываемые пространствами ПЗУ и ОЗУ, и емкость микросхемы выбрать из табл. 1.

По полученному диапазону адресов определим емкость ПЗУ и ОЗУ.

Определим количество изменяющихся разрядов и запишем адрес в двоичном коде.

ПЗУ

ПЗУ от 00000 до 03FFF

Начальный адрес: 000000000000000000002.

Конечный адрес: 000000111111111111112.

Изменились 14 разрядов, значит, емкость ПЗУ - 214.

Для 8-разрядной шины данных емкость ПЗУ 214*8:

14 = 210*24,210 = 1К - килобайт, таким образом, емкость ПЗУ равна 16К*8.

ОЗУ

ОЗУ от 80000 до 9FFFF

Начальный адрес: 100000000000000000002.

Конечный адрес: 100111111111111111112.

Изменилось 17 разрядов.

Для 8-разрядной шины данных емкость ОЗУ равна:

17*8,217 = 210*27

10 = 1К - килобайт, таким образом, емкость ОЗУ равна 128К*8.

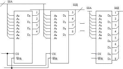
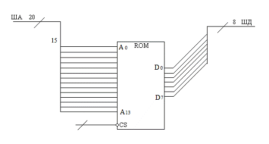
Для изображения схемы необходимо определить емкости микросхем ОЗУ и ПЗУ. ПЗУ имеет емкость 16К*8 (рис.1), а ОЗУ - 64К*4 (рис.2). Таким образом, схема ПЗУ имеет 14 адресных входов 16К = 214, восемь вход/ выход данных и вход CS (выборки кристалла). Схема ОЗУ имеет 17 адресных входов 128К= 217, четыре вход/выход данных, входы CS и

Рисунок 1 - Микросхема ПЗУ 16К*8

Рисунок 2 - Микросхема ОЗУ 64К*4


Рисунок 3 - Структура ПЗУ 16К*8

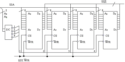
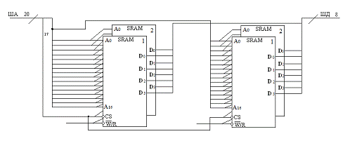
2.3 Структура ОЗУ


Емкость ОЗУ 128К*8, емкость микросхемы 64К*4, значит, для построения такого ОЗУ необходимо построить 2 микросхемы.

Рисунок 4 - Структура ОЗУ 128К*8

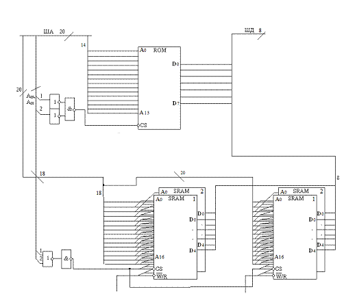
2.4 Общая структура памяти


По заданию начальные адреса ПЗУ и ОЗУ следующие:

ПЗУ (00000 - 000000000000000000002),

ОЗУ (80000 - 100000000000000000002).

По состоянию разрядов: А19, А18 - 00 работает ПЗУ, а по состоянию А19, А18 - 01 работает ОЗУ. С помощью простейшей логики можно

построить дешифратор направлений ПЗУ/ОЗУ (рис.5).

Рисунок 5 - Дешифратор направлений ПЗУ-ОЗУ

Рисунок 6 - Общая структура проектируемой памяти

Заключение


В данной курсовой работе была осуществлена задача разработки блока внутренней памяти процессорной системы, состоящую из ПЗУ и статического ОЗУ. Были описаны в аналитическом, структурном и расчетно-графическом виде все необходимые узлы и элементы.

При расчете данной курсовой работы использовались математические и графические пакеты, такие как:

·        Paint

·        Microsof Word

Список литературы


1. Угрюмов Е.П. Цифровая схемотехника. СПб: БХВ-СПб, 2010.

. Большие интегральные микросхемы запоминающих устройств: справочник. М.: Радио и связь, 2009.

Похожие работы на - Построение внутренней памяти процессорной системы

 

Не нашли материал для своей работы?
Поможем написать уникальную работу
Без плагиата!
Без нейросетей!