Организация ЭВМ и систем

  • Вид работы:
    Контрольная работа
  • Предмет:
    Информационное обеспечение, программирование
  • Язык:
    Русский
    ,
    Формат файла:
    MS Word
    658,92 Кб
  • Опубликовано:
    2014-08-17
Вы можете узнать стоимость помощи в написании студенческой работы.
Помощь в написании работы, которую точно примут!

Организация ЭВМ и систем

Министерство образования и науки Российской Федерации

Государственное образовательное учреждение высшего профессионального образования

«Волгоградский государственный технический университет»








Контрольная работа

«Организация ЭВМ и систем»

Выполнил: студент 2 курса ФПИК

группы АУЗ - 261с Тюляева И.А.

Проверил: ст. пр. Федоров М.А.








Волгоград 2012

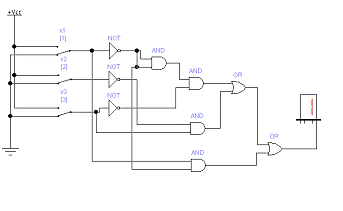
Лабораторная работа № 1. Синтез и исследование комбинационных схем, построение простых операционных устройств

Цели работы: Построить заданное простое операционное устройство или узел, проследив на его примере иерархию организации цифровых устройств. Вспомнить процедуру синтеза комбинационных схем без памяти. Познакомиться с программой Altera Max+Plus II, возможностями и приемами работы в программе.

Порядок выполнения работы:

Составить комбинационную схему (КС) по таблице истинности функции (табл.1). Проверить правильность синтеза КС, подав на входы схемы все варианты наборов входных сигналов и сравнив значение логической функции на выходах с заданной таблицей. Определить сложность схемы C в логических элементах и время задержки T, в tзлэ (время задержки на одном логическом элементе).

А3А2А1А0 -0111

Таблица 1. Таблица истинности комбинационной схемы

x1

x2

x3

Y=F(x1, x2, x3)

Y=F(x1, x2, x3)

0

0

0

1

1

0

0

1

А0

1

0

1

0

0

0

0

1

1

1

1

1

0

0

А1

1

1

0

1

А2

1

1

1

0

0

0

1

1

1

А3

0


Минимизированная функция:


Построенная схема:

Комбинационная схема

Сложность схемы: С=9Слэ, Время задержки: t=5tлэ.

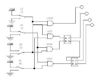
Составить таблицу истинности и КС одноразрядного полного двоичного сумматора. Определить сложность схемы C и время задержки T.

Таблица 2. Таблица истинности для одноразрядного полного сумматора

A

B

S

P

0

0

0

0

0

0

0

1

1

0

0

1

0

1

0

0

1

1

0

1

1

0

0

1

0

1

0

1

0

1

1

1

0

0

1

1

1

1

1

1




Схема одноразрядного полного двоичного сумматора

Сложность схемы: С=7Слэ, Время задержки: t=3tлэ.

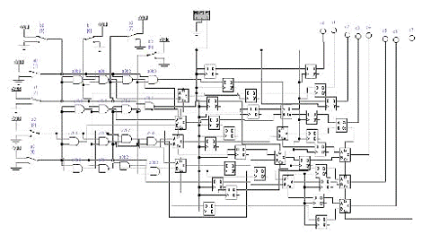
Составить схему параллельного сумматора с последовательным переносом на 4 разряда и проверить ее работоспособность. Определить сложность схемы C и время задержки T.

Схема параллельного сумматора с последовательным переносом на 4 разряда

Сложность схемы: С=4СSM=4*7=21Слэ, Время задержки: t=4*tSM=4*3=12tлэ.

Синтезировать схему 4-х разрядного мультиплексора 2 x 1. Поместить мультиплексор в подсхему. Определить сложность схемы C и время задержки T.

Схема 4-х разрядного мультиплексора 2х1

Сложность схемы: С=13Слэ, Время задержки: t=4tлэ.

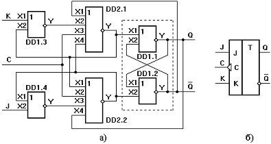
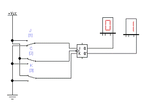
Синтезировать схему JK - триггера с управлением по спаду тактового импульса на базе библиотечного JK - триггера. Получить таблицы установки и временные диаграммы работы триггеров.

Исследование JK триггера


Синтезировать схему для перевода числа из прямого кода в дополнительный.

Схема перевода числа из прямого кода в дополнительный

Десятичное представление

Код двоичного представления (8 бит)


прямой

дополнительный

-4

10000100

11111100


Лабораторная работа № 2. Исследование запоминающих устройств

Порядок выполнения работы:

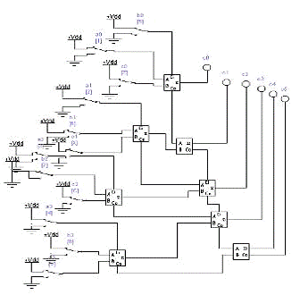
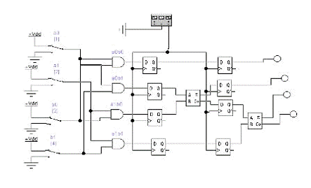
Синтезировать схему одной ячейки ОЗУ адресного типа с прямым доступом для устройства типа 3D на RS-триггерах.

Синхронный RS триггер

Сложность схемы: С=4Слэ, Время задержки: t=2tлэ.

 

Сложность схемы: С=10Слэ, Время задержки: t=6tлэ.

Синтезировать схему запоминающего устройства на базе ячейки, полученной в п.1, типа 3D на RS-триггерах с организацией 5х2.

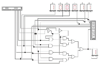
Схема дешифратора DCX

Сложность схемы: С=35Слэ, Время задержки: t=4tлэ.

Таблица 3. Таблица истинности дешифратора DCX

x1

x2

x3

dcx0

dcx1

dcx2

dcx3

dcx4

dcx5

dcx6

dcx7

0

0

0

1

0

0

0

0

0

0

0

0

0

1

0

1

0

0

0

0

0

0

0

1

0

0

0

1

0

0

0

0

0

0

1

1

0

0

0

1

0

0

0

0

1

0

0

0

0

0

1

0

0

0

1

0

1

0

0

0

0

0

1

0

0


1

0

0

0

0

0

0

0

1

0

1

1

1

0

0

0

0

0

0

0

1


Схема дешифратора DCY

Таблица 4. Таблица истинности DCY

x1

x2

dcy0

dcy1

1

0

1

0

0

1

0

1


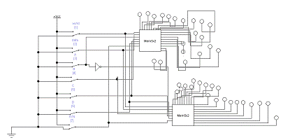
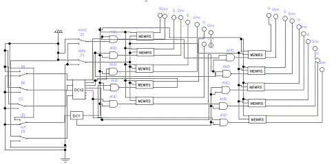
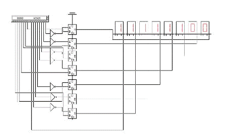
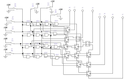
Схема массива ячеек памяти типа 3D 5x2

Сложность схемы: С=10Сmem+CDCX+CDCY +10Сand=10*10Слэ+35Cлэ+Cлэ+ 10Cлэ =146Слэ, Время задержки: t=tDCX+tmem + tDCY =11tлэ.

На базе ЗУ, полученного при выполнении предыдущего задания, синтезировать схему ЗУ вдвое большего объема (с удвоенным количеством адресуемых слов). Реализовать 2 варианта:

а) дополнительный бит адреса является старшим;

б) дополнительный бит адреса является младшим (расслоение памяти).

а) дополнительный бит адреса является старшим:

Удвоение массива для варианта а)

Сложность схемы: С=2СMem5x2+Слэ=2*146+1=293Слэ, Время задержки: t=tлэ+tMem5x2=11+1=12tлэ.

б) дополнительный бит адреса является младшим (расслоение памяти):

Удвоение массива для варианта б)

Сложность схемы: С=2СMem5x2+Слэ=2*146+1=292Слэ, Время задержки: t=tлэ+tMem5x2=11+1=12tлэ.


Лабораторная работа № 3. Исследование операционных устройств для выполнения умножения

Порядок выполнения работы:

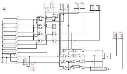
Построить схему матричного умножителя Брауна для умножения двух чисел в заданной разрядности.

Матричный умножитель Брауна, для умножения двух двухразрядных чисел.


Время задержки: Tумн = t& + (n + m - 2)*tsm,

где n - разрядность множимого, m - разрядность множителя.

Для 2-х разрядных чисел: Tумн=3*t&.

Сложность схемы: С=4Слэ+2Сsm=8Слэ.

Модифицировать схему из предыдущего задания, добавив необходимое количество фиксаторов для организации конвейера.


Время задержки: Tумнк = 3*(tsm+ tff) + t&=11*t&

Сложность схемы: С=40Слэ.

Построить схему сумматора с сохранением переноса для сложения заданного числа слагаемых заданной разрядности.


Сложность схемы: С=8СSM=8*5=40Слэ, Время задержки: t=4*tSM=4*3=12tлэ.

Построить схему умножителя Уоллеса на базе ССП из предыдущего пункта.


Сложность схемы: С=16Слэ+12Csm=76Cлэ. Время задержки: t=13tлэ.

Построить схему конвейерного умножителя Уоллеса.


Сложность схемы: С=16Слэ+12Csm+28Стр=188Cлэ. Время задержки: t=21tлэ.

Лабораторная работа № 4. Изучение команд MMX

Цели работы: Изучить расширение системы команд MMX процессоров Intel, составить программы для выполнения матричных (векторных) вычислений с использованием и без использования инструкций MMX и сравнить время их выполнения.

Порядок выполнения работы:

Нахождение суммы квадратов всех элементов матрицы.

операционный процессор intel программа

№ п/п

Время вычислений с ММХ, мс

Время вычислений без ММХ, мс

Коэффициент ускорения К

Отклонение от среднего, dK

1

680

814

1,1960

0,01118

2

678

827

1,2185

0,197775

3

689

827

1,1990

0,00801

4

670

814

1,2135

0,00629

5

676

818

1,2088

0,00164


Листинг программы на языке Cи:

#include "stdio.h"

#include "windows.h"main(int argc, char* argv[])

{cnt = 4; res = 0, res1 = 0;Time1, Time2, Delay1,i;Speedup;a_vect[4] = {2,5,4,3};b_vect[4] = {4,3,2,1};c_vect[4] = {1,2,6,7};d_vect[4] = {8,7,9,4};

//printf("\nСкалярное произведение с ММХ и без...\n\n");("\nScalar product with or without MMX...\n\n");("\nResult = %d\n", res);("Result1 = %d\n", res1);

// Заметить время...= GetTickCount();

// Многократный прогон кода с MMX...(i=0; i<10000000; i++)

{= 4;

__asm

{eaxebxecxesiesi, esiMM7, MM7MM0, a_vect[esi]MM1, a_vect[esi]MM0, MM1MM7, MM0MM0, MM0MM1, MM1MM0, b_vect[esi]MM1, b_vect[esi]MM0, MM1MM7, MM0MM0, MM0MM1, MM1MM0, c_vect[esi]MM1, c_vect[esi]MM0, MM1MM7, MM0MM0, MM0MM1, MM1MM0, d_vect[esi]MM1, d_vect[esi]MM0, MM1MM7, MM0MM0, MM7MM7, 32MM7, MM0res, MM7esiecxebxeax

}

}= GetTickCount();

//printf("\n C использованием ММХ...\n");("\n Using MMX...\n");("\nResult = %d", res);= Time2 - Time1;("\nTime elapsed = %d ms\n", Delay1);

// Заметить время...= GetTickCount();

{= 4;

__asm

{eaxecxesiesi, esiecx, ecx:ax, a_vect[esi] // Чтение из памяти ax, axcx, axesi, 2cnt, 1loop2cnt, 4si,si:ax, b_vect[esi] // Чтение из памяти ax, axcx, axesi, 2cnt, 1loop3cnt, 4si,si: mov ax, c_vect[esi] // Чтение из памяти ax, axcx, axesi, 2cnt, 1loop4cnt, 4si,si: mov ax, d_vect[esi] // Чтение из памяти ax, axcx, axesi, 2cnt, 1loop5res1, ecx esiecxeax

}

}= GetTickCount();

//printf("\n Без использования ММХ...\n");("\n Without MMX...\n");("\nResult1 = %d", res1);("\nTime elapsed = %d ms\n", Time2 - Time1);= float((Time2 - Time1))/float(Delay1);("\nMMX SpeedUp = %10.4f times\n\n", Speedup);0;

}

Список литературы

1.      Алексеев В.Б., Поспелов А. Д. Дискретная математика. II семестр - Изд.: МГУ, 2002.

.        Аляев Ю.А. Тюрин С.Ф. Дискретная математика и математическая логика. - М.: Финансы и статистика, 2010.

.        Галкина В.А. Дискретная математика: комбинаторная оптимизация на графах. - Изд.: Гелиос АРВ, 2003.

.        Тихонов В.А.. Организация ЭВМ и систем. - Изд.: Гелиос АРВ, 2008.

.        Цилькер Б. Я., Орлов С. А. Организация ЭВМ и систем. - СПб.: Питер, 2007.

Похожие работы на - Организация ЭВМ и систем

 

Не нашли материал для своей работы?
Поможем написать уникальную работу
Без плагиата!
Без нейросетей!