Разработка специализированной микро-ЭВМ с микропрограммным управлением
Министерство
образования и науки Российской федерации
ГОУ ВПО
«ОМСКИЙ ГОСУДАРСТВЕННЫЙ ТЕХНИЧЕСКИЙ УНИВЕРСИТЕТ»
(ОМГТУ)
Кафедра
«Информатика и вычислительная техника»
ПОЯСНИТЕЛЬНАЯ
ЗАПИСКА
К
КУРСОВОМУ ПРОЕКТУ
по
дисциплине «Организация ЭВМ и систем»
Разработка специализированной микро-эвм с
микропрограммным управлением
Руководитель проекта
доцент кафедры ИВТ В.Ф. Нестерук
Исполнители проекта
студенты группы ИВТ-354 М.И. Дребушевская
П.Е. Бураменский
Омск 2008
Реферат
К584ВМ1, МИКРОЭВМ, СТРУКТУРНОЕ ПРОЕКТИРОВАНИЕ,
ФУНКЦИОНАЛЬНОЕ ПРОЕКТИРОВАНИЕ, МИКРОПРОЦЕССОРНЫЙ КОМПЛЕКТ, ВРЕМЕННЫЕ ДИАГРАММЫ,
ФИКСИРОВАНАЯ ЗАПЯТАЯ.
Цель работы - разработка специализированной
микроЭВМ с микропрограммным управлением.
В ходе работы были пройдены этапы структурного,
функционального и системного проектирований. Была разработана результирующая
временная диаграмма.
Содержание
Введение
1. Системный этап проектирования
2. Структурное проектирование
3. Функциональное проектирование
4. Построение временных диаграмм
Список использованных источников
Введение
Предметом исследования в рамках данного
курсового проекта является микроЭВМ с микропрограммным управлением, её
системное, структурное и функциональное проектирование.
В ходе работы была рассмотрена специфика
разработки цифровых вычислительных систем. Были разработаны интерфейс
взаимодействия микроЭВМ с внешней системой, функциональная схема и была
построена временная диаграмма работы микроЭВМ.
Первый раздел пояснительной записки описывает
системный этап проектирования, на котором было произведено распределение шин
интерфейса и их связь с внешней системой, изучены и выбраны алгоритмы
арифметических и логических операций.
Второй раздел содержит описание структурного
этапа проектирования, на котором была построена структурная схема микроЭВМ,
определен формат микрокоманд, составлены таблицы соответствия двоичного и
символьного кодирований, составлена микропрограмма ЭВМ.
Третий этап включил в себя функциональный этап
проектирования: построение функциональной схемы и временных диаграмм работы
микроЭВМ.
1.
Системный этап проектирования
1.1 Распределение
шин интерфейса
интерфейс
кодирование алгоритм
На системном этапе проектируемая микроЭВМ
представляется в виде «черного ящика», для которого в соответствии с
требованиями заказчика обычно на содержательном уровне (реже на формальном)
формируется спецификация решаемых задач и требований к внешнему интерфейсу.
Также могут быть заданы желаемые технические параметры системы.
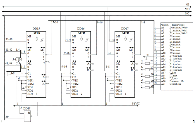
На рисунке 1 изображено функциональное
распределение шин интерфейса внешней системы (ВС), для которой проектируемая
микроЭВМ является периферийным сопроцессором.
Рисунок 1 - Функциональное распределение
шин интерфейса
В состав шин ВС входит двунаправленная
шестнадцатиразрядная шина данных, по которой в режиме разделения времени
поступают операнды Д (0-15) и машинные операции КОП (0-2). Для сопровождения
обмена по шине данных применяются следующие сигналы:
- от микроЭВМ к ВС:
1) ГТ - сигнал готовности;
- от ВС к микроЭВМ:
1) ДП - подтверждение принятия/передачи
данных.
) СД - сопровождающие данные.
1.2 Арифметические
и логические операции
В ходе выполнения курсового проекта были
реализованы арифметические (операция сложения, операция вычитания, операция
умножения, операция деления) и логические (логическое “И”, логическое “ИЛИ”,
логическое “НЕ”) операции.
Алгоритм работы ЭВМ в процессе выполнения
интерфейсных функций и произведения вычислений представлен на рисунках 2-6.
Рисунок 2 - Схема алгоритма
функционирования микроЭВМ
Рисунок 3 - Схема алгоритма
функционирования микроЭВМ: выполнение операций сложения
Рисунок 4 - Схема алгоритма
функционирования микроЭВМ: выполнение операции умножения
Рисунок 1 -
Рисунок 5 - Схема алгоритма
функционирования микроЭВМ: выполнение операции деления
|
Адр.
БМУ
|
ГТ
|
РВ
|
СП
|
БМПП
|
БМУ
|
МЛУ
|
ВхП
|
БМП
|
КОММЕНТАРИИ
|
|
000h
|
ГТ
|
РВ
|
НОП
|
М3:=(М2)
|
СЧ
|
БПСч
|
0
|
РР:=(РР)
|
от
МикроЭвм сигнал ГТ
|
|
001h
|
-
|
-
|
-
|
М1:=(М3)
|
СЧ
|
АСД
|
0
|
-
|
|
|
002h
|
-
|
-
|
-
|
М1:=(М3)
|
СЧ
|
БПСч
|
Х
|
РОН0:=(ШинВх)
|
Прием
Мантиссы А часть 1
|
|
003h
|
-
|
РВ
|
ДП
|
М3:=(М2)
|
СЧ
|
БПСч
|
0
|
-
|
данные
приняты
|
|
004h
|
-
|
-
|
-
|
М1:=(М3)
|
СЧ
|
АСД
|
0
|
-
|
анализ
СД
|
|
005h
|
-
|
-
|
-
|
М1:=(М3)
|
СЧ
|
БПСч
|
Х
|
РОН4:=(ШинВх)
|
Прием
Мантиссы А часть 2
|
|
006h
|
-
|
РВ
|
ДП
|
М3:=(М2)
|
СЧ
|
БПСч
|
0
|
-
|
данные
приняты
|
|
007h
|
-
|
-
|
-
|
М1:=(М3)
|
СЧ
|
АСД
|
0
|
-
|
анализ
СД
|
|
008h
|
-
|
-
|
-
|
М1:=(М3)
|
СЧ
|
БПСч
|
Х
|
РОН1:=(ШинВх)
|
Прием
Порядка А часть 1
|
|
009h
|
-
|
РВ
|
ДП
|
М3:=(М2)
|
СЧ
|
БПСч
|
0
|
-
|
данные
приняты
|
|
00Ah
|
-
|
-
|
-
|
М1:=(М3)
|
СЧ
|
АСД
|
0
|
-
|
анализ
СД
|
|
00Bh
|
-
|
-
|
-
|
М1:=(М3)
|
СЧ
|
БПСч
|
Х
|
РОН5:=(ШинВх)
|
Прием
Порядка А часть 2
|
|
00Ch
|
-
|
РВ
|
ДП
|
М3:=(М2)
|
СЧ
|
БПСч
|
0
|
-
|
данные
приняты
|
|
00Dh
|
-
|
-
|
-
|
М1:=(М3)
|
СЧ
|
АСД
|
0
|
-
|
анализ
СД
|
|
00Eh
|
-
|
-
|
-
|
М1:=(М3)
|
СЧ
|
БПСч
|
Х
|
РОН2:=(ШинВх)
|
Прием
Мантиссы В часть 1
|
|
00Fh
|
-
|
РВ
|
ДП
|
М3:=(М2)
|
СЧ
|
БПСч
|
0
|
-
|
данные
приняты
|
|
010h
|
-
|
-
|
-
|
М1:=(М3)
|
СЧ
|
АСД
|
0
|
-
|
анализ
СД
|
|
011h
|
-
|
-
|
-
|
М1:=(М3)
|
СЧ
|
БПСч
|
Х
|
РОН6:=(ШинВх)
|
Прием
Мантиссы В часть 2
|
|
012h
|
-
|
РВ
|
ДП
|
М3:=(М2)
|
СЧ
|
БПСч
|
0
|
-
|
данные
приняты
|
|
013h
|
-
|
-
|
-
|
М1:=(М3)
|
СЧ
|
АСД
|
0
|
-
|
анализ
СД
|
|
014h
|
-
|
-
|
-
|
М1:=(М3)
|
СЧ
|
БПСч
|
Х
|
РОН3:=(ШинВх)
|
Прием
Порядка В часть 1
|
|
015h
|
-
|
РВ
|
ДП
|
М3:=(М2)
|
СЧ
|
БПСч
|
0
|
-
|
данные
приняты
|
|
016h
|
-
|
-
|
-
|
М1:=(М3)
|
СЧ
|
АСД
|
0
|
-
|
анализ
СД
|
|
017h
|
-
|
-
|
-
|
М1:=(М3)
|
СЧ
|
БПСч
|
Х
|
РОН7:=(ШинВх)
|
Прием
Порядка В часть 2
|
|
018h
|
-
|
РВ
|
ДП
|
М3:=(М2)
|
СЧ
|
БПСч
|
0
|
-
|
данные
приняты
|
|
019h
|
-
|
-
|
-
|
М1:=(М3)
|
РК:=ШД,
АТР РКМ 01Аh
|
БПРК
|
0
|
-
|
адресация
по 3 младшим разрядам РК
|
|
ВЫЧИТАНИЕ
|
|
01Ah
|
-
|
РВ
|
ДП
|
М3:=(М2)
|
СЧ
|
БПСч
|
1
|
РР
:= СЦП(РР + П)
|
Меняем
знак В
|
|
01Bh
|
-
|
-
|
-
|
-
|
СЧ
|
БПСч
|
0
|
РОН2
:= РОН2 xor РР
|
|
|
СЛОЖЕНИЕ
|
|
01Ch
|
РВ
|
ДП
|
М3:=(М2)
|
ПА
01Dh
|
АП
|
1
|
РР
:= !РОН0 + П
|
проверка
А на 0
|
|
01Dh
|
-
|
-
|
-
|
-
|
ПА
01Fh
|
БП
|
0
|
РР
:= РОН2 + П
|
С=В
|
|
01Eh
|
-
|
-
|
-
|
-
|
ПА
022h
|
БП
|
Х
|
-
|
|
|
01Fh
|
-
|
-
|
-
|
-
|
СЧ
|
БПСч
|
0
|
РОН4
:= РР + П
|
|
|
020h
|
-
|
-
|
-
|
-
|
СЧ
|
БПСч
|
0
|
РР
:= РОН3 + П
|
|
|
021h
|
-
|
-
|
-
|
-
|
ПА
0CCh
|
БП
|
0
|
РОН5
:= РР + П
|
идти
на нормализацию
|
|
022h
|
-
|
-
|
-
|
-
|
ПА
023h
|
АП
|
1
|
РР
:= !РОН2 + П
|
проверка
В на 0
|
|
023h
|
-
|
-
|
-
|
-
|
ПА
025h
|
БП
|
0
|
РР
:= РОН0 + П
|
С=А
|
|
024h
|
-
|
-
|
-
|
-
|
ПА
028h
|
БП
|
Х
|
|
|
|
025h
|
-
|
-
|
-
|
-
|
СЧ
|
БПСч
|
0
|
РОН4
:= РР + П
|
|
|
026h
|
-
|
-
|
-
|
-
|
СЧ
|
БПСч
|
0
|
РР
:= РОН1 + П
|
|
|
027h
|
-
|
-
|
-
|
-
|
ПА
0CCh
|
БП
|
0
|
РОН5
:= РР + П
|
идти
на нормализацию
|
|
028h
|
-
|
-
|
-
|
-
|
СЧ
|
БПСч
|
0
|
РР
:= РОН1 + П
|
ВЫРАВНИВАНИЕ
ПОРЯДКОВ
|
|
029h
|
-
|
-
|
-
|
-
|
СЧ
|
БПСч
|
|
РР
:= РОН3 xor РР
|
|
|
02Ah
|
-
|
-
|
-
|
-
|
ПА
02Вh
|
АСд1
|
0
|
РР
:= СЦЛ(РР + П)
|
Зн.Ап=Зн.Вп?
|
|
02Bh
|
-
|
-
|
-
|
-
|
ПА
046h
|
БП
|
0
|
РР
:= РОН1 + П
|
Зн.Ап=Зн.Вп
|
|
02Ch
|
-
|
-
|
-
|
-
|
СЧ
|
БПСч
|
0
|
РР
:= РОН1 + П
|
Зн.Ап<>Зн.Вп
|
|
02Dh
|
-
|
-
|
-
|
-
|
СЧ
|
БПСч
|
0
|
РР
:= СЛЛ(РР + П)
|
|
|
02Eh
|
-
|
-
|
-
|
-
|
СЧ
|
БПСч
|
0
|
РР
:= СЛП(РР + П)
|
|
|
02Fh
|
-
|
-
|
-
|
-
|
СЧ
|
БПСч
|
0
|
РОН7
:= РР + П
|
РОН7=|Ап|
|
|
031h
|
-
|
-
|
-
|
-
|
СЧ
|
БПСч
|
0
|
РР
:= РОН3 + П
|
|
|
032h
|
-
|
-
|
-
|
-
|
СЧ
|
БПСч
|
0
|
РР
:= СЛЛ(РР + П)
|
|
|
033h
|
-
|
-
|
-
|
-
|
СЧ
|
БПСч
|
0
|
РР
:= СЛП(РР + П)
|
РР=|Вп|
|
|
034h
|
-
|
-
|
-
|
-
|
СЧ
|
БПСч
|
0
|
РР
:= РОН7 + РР + П
|
РР=|Ап|+|Вп|
|
|
035h
|
-
|
-
|
-
|
-
|
СЧ
|
БПСч
|
0
|
РОН6
:= РР + П
|
|
|
036h
|
-
|
-
|
-
|
-
|
СЧ
|
БПСч
|
1
|
РР
:= СЛЛ(РР + П)
|
|
|
037h
|
-
|
-
|
-
|
-
|
СЧ
|
БПСч
|
1
|
РР
:= СЛЛ(РР + П)
|
|
|
038h
|
-
|
-
|
-
|
-
|
СЧ
|
БПСч
|
1
|
РР
:= СЛЛ(РР + П)
|
|
|
039h
|
-
|
-
|
-
|
-
|
ПА
03Bh
|
БП
|
1
|
РР
:= СЛЛ(РР + П)
|
|
|
03Ah
|
-
|
-
|
-
|
-
|
ПА
01Ch
|
БП
|
Х
|
-
|
переход
на сложение
|
|
03Bh
|
-
|
-
|
-
|
-
|
СЧ
|
БПСч
|
0
|
РР
:= СЛП(РР + П)
|
|
|
03Ch
|
-
|
-
|
-
|
-
|
СЧ
|
БПСч
|
1
|
РР
:= РОН6 - РР - 1 + П
|
РР=Е-15
|
|
03Dh
|
-
|
-
|
-
|
-
|
ПА
03Eh
|
АСд1
|
0
|
РР
:= СЦЛ(РР + П)
|
Если
!СДЛ1 то 36
|
|
03Eh
|
-
|
-
|
-
|
-
|
ПА
043h
|
БП
|
0
|
РР
:= РОН1 + П
|
|
|
03Fh
|
-
|
-
|
-
|
-
|
СЧ
|
БПСч
|
0
|
РР
:= РОН1 + П
|
|
|
040h
|
-
|
-
|
-
|
ПА
041h
|
АСд1
|
0
|
РР
:= СЦЛ(РР + П)
|
Если
Зн.Ап = 0 то (А>B) иначе (В>А)
|
|
041h
|
-
|
-
|
-
|
-
|
ПА
05Dh
|
БП
|
х
|
-
|
|
|
042h
|
-
|
-
|
-
|
-
|
ПА
079h
|
БП
|
х
|
-
|
|
|
043h
|
-
|
-
|
-
|
-
|
ПА
044h
|
АСд1
|
0
|
РР
:= СЦЛ(РР + П)
|
|
|
044h
|
-
|
-
|
-
|
-
|
024h
|
БП
|
х
|
-
|
|
|
045h
|
-
|
-
|
-
|
-
|
01Eh
|
БП
|
х
|
-
|
|
|
046h
|
-
|
-
|
-
|
-
|
СЧ
|
БПСч
|
0
|
РР
:= СЛЛ(РР + П)
|
|
|
047h
|
-
|
-
|
-
|
-
|
СЧ
|
БПСч
|
0
|
РР
:= СЛП(РР + П)
|
|
|
048h
|
-
|
-
|
-
|
-
|
СЧ
|
БПСч
|
0
|
РОН7
:= РР + П
|
РОН7=|Ап|
|
|
049h
|
-
|
-
|
-
|
-
|
СЧ
|
БПСч
|
0
|
РР
:= РОН3 + П
|
|
|
04Ah
|
-
|
-
|
-
|
-
|
СЧ
|
БПСч
|
0
|
РР
:= СЛЛ(РР + П)
|
|
|
04Bh
|
-
|
-
|
-
|
-
|
СЧ
|
БПСч
|
0
|
РР
:= СЛП(РР + П)
|
РР=|Вп|
|
|
04Ch
|
-
|
-
|
-
|
-
|
СЧ
|
БПСч
|
1
|
РР
:= РОН7 - РР - 1 + П
|
РР=|А|-|В|
|
|
04Dh
|
-
|
-
|
-
|
-
|
СЧ
|
БПСч
|
0
|
РР
:= СЦЛ(РР + П)
|
|
|
04Eh
|
-
|
-
|
-
|
-
|
СЧ
|
БПСч
|
0
|
РР
:= СЦП(РР + П)
|
|
|
04Fh
|
-
|
-
|
-
|
-
|
СЧ
|
БПСч
|
0
|
РР
:= СЦП(РР + П)
|
|
|
050h
|
-
|
-
|
-
|
-
|
СЧ
|
БПСч
|
0
|
РР
:= СЛЛ(РР + П)
|
Перевод
чила из доп.кода в прямой
|
|
051h
|
-
|
-
|
-
|
-
|
СЧ
|
БПСч
|
0
|
РР
:= СЛП(РР + П)
|
|
|
052h
|
-
|
-
|
-
|
-
|
СЧ
|
БПСч
|
1
|
РР
:= !РР + П
|
|
|
053h
|
-
|
-
|
-
|
-
|
СЧ
|
БПСч
|
0
|
РОН6
:= РР + П
|
РОН6=Е=|Ап|
- |Вп|
|
|
054h
|
-
|
-
|
-
|
-
|
СЧ
|
БПСч
|
0
|
РР
:= РОН1 + П
|
|
|
055h
|
-
|
-
|
-
|
-
|
ПА
056h
|
АСд1
|
0
|
РР
:= СЦЛ(РР + П)
|
Если
!СДЛ1 то 62
|
|
056h
|
-
|
-
|
-
|
-
|
ПА
05Dh
|
БП
|
0
|
РР
:= РОН6 + П
|
|
|
057h
|
-
|
-
|
-
|
-
|
СЧ
|
БПСч
|
0
|
РР
:= РОН6 + П
|
|
|
058h
|
-
|
-
|
-
|
-
|
ПА
05Bh
|
АСд1
|
0
|
РР
:= СЦЛ(РР + П)
|
Если
!СДЛ1 то 93 иначе 65
|
|
059h
|
-
|
-
|
-
|
-
|
ПА
05Bh
|
БП
|
х
|
-
|
|
|
05Ah
|
-
|
-
|
-
|
-
|
ПА
0EDh
|
БП
|
х
|
-
|
Переход
на умножение
|
|
05Bh
|
-
|
-
|
-
|
-
|
ПА
079h
|
БП
|
х
|
-
|
|
|
05Ch
|
-
|
-
|
-
|
-
|
ПА
060h
|
БП
|
х
|
-
|
|
|
05Dh
|
-
|
-
|
-
|
-
|
ПА
05Eh
|
АСд1
|
0
|
РР
:= СЦЛ(РР + П)
|
Если
!СДЛ1 то 65 иначе 93
|
|
05Eh
|
-
|
-
|
-
|
-
|
ПА
060h
|
БП
|
х
|
-
|
|
|
05Fh
|
-
|
-
|
-
|
-
|
ПА
079h
|
БП
|
х
|
-
|
|
|
060h
|
-
|
-
|
-
|
-
|
СЧ
|
БПСч
|
0
|
РР
:= РОН1 + П
|
|
|
061h
|
-
|
-
|
-
|
-
|
СЧ
|
БПСч
|
0
|
РОН5
:= РР + П
|
сдвиг
Вм -> на |Е|
|
|
062h
|
-
|
-
|
-
|
-
|
СЧ
|
БПСч
|
0
|
РР
:= РОН6 + П
|
РОН6=|Е|
|
|
063h
|
-
|
-
|
-
|
СЧ
|
БПСч
|
0
|
РР
:= СЛЛ(РР + П)
|
|
|
064h
|
-
|
-
|
-
|
-
|
СЧ
|
БПСч
|
0
|
РР
:= СЛП(РР + П)
|
|
|
065h
|
-
|
-
|
-
|
-
|
СЧ
|
БПСч
|
0
|
РОН6
:= РР + П
|
|
|
066h
|
-
|
-
|
-
|
-
|
СЧ
|
БПСч
|
0
|
РР
:= РОН6 + П
|
НАЧАЛО
ЦИКЛА СДВИГА
|
|
067h
|
-
|
-
|
-
|
-
|
ПА
068h
|
АП
|
1
|
РР
:= !РР + П
|
Если
П то 120
|
|
068h
|
-
|
-
|
-
|
-
|
ПА
091h
|
БП
|
х
|
-
|
|
|
069h
|
-
|
-
|
-
|
-
|
СЧ
|
БПСч
|
1
|
РОН7
:= !П
|
|
|
06Ah
|
-
|
-
|
-
|
-
|
СЧ
|
БПСч
|
0
|
РР
:= РОН6 + П
|
|
|
06Bh
|
-
|
-
|
-
|
-
|
СЧ
|
БПСч
|
0
|
РР
:= РР - РОН7 - 1 + П
|
|
|
06Ch
|
-
|
-
|
-
|
-
|
СЧ
|
БПСч
|
0
|
РОН6
:= РР + П
|
Е=Е-1
|
|
06Dh
|
-
|
-
|
-
|
-
|
СЧ
|
БПСч
|
0
|
РР
:= РОН2 + П
|
|
|
06Eh
|
-
|
-
|
-
|
-
|
ПА
06Fh
|
АСд1
|
0
|
РР
:= СЦЛ(РР + П)
|
Если
!СДЛ1 то 86
|
|
06Fh
|
-
|
-
|
-
|
-
|
ПА
073h
|
БП
|
х
|
РР
:= РОН2 + П
|
|
|
070h
|
-
|
-
|
-
|
-
|
СЧ
|
БПСч
|
1
|
РР
:= !П
|
|
|
071h
|
-
|
-
|
-
|
-
|
СЧ
|
БПСч
|
1
|
РР
:= СЦП(РР + П)
|
|
|
072h
|
-
|
-
|
-
|
-
|
СЧ
|
БПСч
|
0
|
РОН7
:= РР + П
|
Сохраняем
в РОН7 знак "-" от В
|
|
073h
|
-
|
-
|
-
|
-
|
СЧ
|
БПСч
|
0
|
РР
:= СЛЛ(РР + П)
|
|
|
074h
|
-
|
-
|
-
|
-
|
СЧ
|
БПСч
|
0
|
РР
:= СЛП(РР + П)
|
|
|
075h
|
-
|
-
|
-
|
-
|
СЧ
|
БПСч
|
0
|
РР
:= СЛП(РР + П)
|
|
|
076h
|
-
|
-
|
-
|
-
|
СЧ
|
БПСч
|
0
|
РР
:= РОН7 + РР + П
|
|
|
077h
|
-
|
-
|
-
|
-
|
ПА
066h
|
БП
|
0
|
РОН2
:= РР + П
|
|
|
078h
|
-
|
-
|
-
|
-
|
СЧ
|
БПСч
|
0
|
РР
:= РОН3 + П
|
В>А
|
|
079h
|
-
|
-
|
-
|
-
|
ПА
07Bh
|
БП
|
0
|
РОН5
:= РР + П
|
сдвиг
Ам -> на |Е|
|
|
07Ah
|
-
|
-
|
-
|
-
|
ПА
123h
|
БП
|
х
|
-
|
Переход
на деление
|
|
07Bh
|
-
|
-
|
-
|
-
|
СЧ
|
БПСч
|
0
|
РР
:= РОН6 + П
|
69-72
РОН6=|Е|
|
|
07Ch
|
-
|
-
|
-
|
-
|
СЧ
|
БПСч
|
0
|
РР
:= СЛЛ(РР + П)
|
|
|
07Dh
|
-
|
-
|
-
|
-
|
СЧ
|
БПСч
|
0
|
РР
:= СЛП(РР + П)
|
|
|
07Eh
|
-
|
-
|
-
|
-
|
СЧ
|
БПСч
|
0
|
РОН6
:= РР + П
|
|
|
07Fh
|
-
|
-
|
-
|
-
|
СЧ
|
БПСч
|
0
|
РР
:= РОН6 + П
|
НАЧАЛО
ЦИКЛА СДВИГА
|
|
080h
|
-
|
-
|
-
|
-
|
ПА
082h
|
АП
|
1
|
РР
:= !РР + П
|
Если
П то 120
|
|
081h
|
-
|
-
|
-
|
-
|
ПА
091h
|
БП
|
х
|
-
|
|
|
082h
|
-
|
-
|
-
|
-
|
СЧ
|
БПСч
|
1
|
РОН7
:= !П
|
Если
Е=0 то выйти из сдвига
|
|
083h
|
-
|
-
|
-
|
-
|
СЧ
|
БПСч
|
0
|
РР
:= РОН6 + П
|
|
|
084h
|
-
|
-
|
-
|
-
|
СЧ
|
БПСч
|
0
|
РР
:= РР - РОН7 - 1 + П
|
|
|
085h
|
-
|
-
|
-
|
-
|
СЧ
|
БПСч
|
0
|
РОН6
:= РР + П
|
Е=Е-1
|
|
086h
|
-
|
-
|
-
|
СЧ
|
БПСч
|
0
|
РР
:= РОН0 + П
|
|
|
087h
|
-
|
-
|
-
|
-
|
ПА
089h
|
АСд1
|
0
|
РР
:= СЦЛ(РР + П)
|
Если
!СДЛ1 то Ам>0
|
|
088h
|
-
|
-
|
-
|
-
|
ПА
08Ch
|
БП
|
0
|
РР
:= РОН0 + П
|
|
|
089h
|
-
|
-
|
-
|
-
|
СЧ
|
БПСч
|
1
|
РР
:= !П
|
|
|
08Ah
|
-
|
-
|
-
|
-
|
СЧ
|
БПСч
|
1
|
РР
:= СЦП(РР + П)
|
|
|
08Bh
|
-
|
-
|
-
|
-
|
СЧ
|
БПСч
|
0
|
РОН7
:= РР + П
|
Сохраняем
в РОН7 знак "-" от А
|
|
08Ch
|
-
|
-
|
-
|
-
|
СЧ
|
БПСч
|
0
|
РР
:= СЛЛ(РР + П)
|
|
|
08Dh
|
-
|
-
|
-
|
-
|
СЧ
|
БПСч
|
0
|
РР
:= СЛП(РР + П)
|
|
|
08Eh
|
-
|
-
|
-
|
-
|
СЧ
|
БПСч
|
0
|
РР
:= СЛП(РР + П)
|
|
|
08Fh
|
-
|
-
|
-
|
-
|
СЧ
|
БПСч
|
0
|
РР
:= РОН7 + РР + П
|
|
|
090h
|
-
|
-
|
-
|
-
|
ПА
07Fh
|
БП
|
0
|
РОН0
:= РР + П
|
КОНЕЦ
ВЫРАВНИВАНИЯ ПОРЯДКОВ
|
|
091h
|
-
|
-
|
-
|
-
|
СЧ
|
БПСч
|
0
|
РР
:= РОН0 + П
|
СЛОЖЕНИЕ
МАНТИС
|
|
092h
|
-
|
-
|
-
|
-
|
СЧ
|
БПСч
|
0
|
РР
:= РОН2 xor РР
|
|
|
093h
|
-
|
-
|
-
|
-
|
ПА
091h
|
АСд1
|
0
|
РР
:= СЦЛ(РР + П)
|
если
!СДЛ1 то Зн.Ам=Зн.Вм
|
|
094h
|
-
|
-
|
-
|
-
|
ПА
0A6h
|
БП
|
0
|
РР
:= РОН0 + П
|
|
|
095h
|
-
|
-
|
-
|
-
|
СЧ
|
БПСч
|
0
|
РР
:= РОН0 + П
|
|
|
096h
|
-
|
-
|
-
|
-
|
ПА
09Bh
|
БП
|
0
|
РР
:= СЦЛ(РР + П)
|
Если
!СДЛ1 то Ам>0
|
|
097h
|
-
|
-
|
-
|
-
|
ПА
09Ch
|
БП
|
0
|
РР
:= РОН2 + П
|
|
|
098h
|
-
|
-
|
-
|
-
|
СЧ
|
БПСч
|
0
|
РР
:= РОН0 + П
|
|
|
099h
|
-
|
-
|
-
|
-
|
СЧ
|
БПСч
|
0
|
РР
:= СЛЛ(РР + П)
|
|
|
09Ah
|
-
|
-
|
-
|
-
|
ПА
|
БП
|
х
|
|
Переход
на конъюнкцию
|
|
09Bh
|
-
|
-
|
-
|
-
|
ПА
09Fh
|
БП
|
1
|
РР
:= РОН2 - РР - 1 + П
|
|
|
09Ch
|
-
|
-
|
-
|
-
|
СЧ
|
БПСч
|
0
|
РР
:= СЛЛ(РР + П)
|
|
|
09Dh
|
-
|
-
|
-
|
-
|
СЧ
|
БПСч
|
0
|
РР
:= СЛП(РР + П)
|
|
|
09Eh
|
-
|
-
|
-
|
-
|
СЧ
|
БПСч
|
1
|
РР
:= РОН0 - РР - 1 + П
|
в
РР хранится доп.код(А-В)
|
|
09Fh
|
-
|
-
|
-
|
-
|
ПА
0A0h
|
АСд1
|
0
|
РР
:= СЦЛ(РР + П)
|
|
|
0A0h
|
-
|
-
|
-
|
-
|
ПА
0A5h
|
БП
|
0
|
РР
:= СЦП(РР + П)
|
(15)
Если РР<0 то его надо перевести в прямой код
|
|
0A1h
|
-
|
-
|
-
|
-
|
СЧ
|
БПСч
|
0
|
РР
:= СЦП(РР + П)
|
|
|
0A2h
|
-
|
-
|
-
|
-
|
СЧ
|
БПСч
|
0
|
РР
:= СЛЛ(РР + П)
|
Перевод
чила из доп.кода в прямой
|
|
0A3h
|
-
|
-
|
-
|
-
|
СЧ
|
БПСч
|
0
|
РР
:= СЛП(РР + П)
|
|
|
0A4h
|
-
|
-
|
-
|
-
|
СЧ
|
БПСч
|
1
|
РР
:= !РР + П
|
записываем
РР в мантису С. идти на НОРМАЛИЗАЦИЮ
|
|
0A5h
|
-
|
-
|
-
|
-
|
ПА
0CCh
|
БП
|
0
|
РОН4
:= РР + П
|
|
|
0A6h
|
-
|
-
|
-
|
-
|
СЧ
|
БПСч
|
0
|
РР
:= СЛЛ(РР + П)
|
|
|
0A7h
|
-
|
-
|
-
|
-
|
СЧ
|
БПСч
|
0
|
РР
:= СЛП(РР + П)
|
|
|
0A8h
|
-
|
-
|
-
|
-
|
СЧ
|
БПСч
|
0
|
РОН7
:= РР + П
|
РОН7=|Ам|
|
|
0A9h
|
-
|
-
|
-
|
-
|
БПСч
|
0
|
РР
:= РОН2 + П
|
|
|
0AAh
|
-
|
-
|
-
|
-
|
СЧ
|
БПСч
|
0
|
РР
:= СЛЛ(РР + П)
|
|
|
0ABh
|
-
|
-
|
-
|
-
|
СЧ
|
БПСч
|
0
|
РР
:= СЛП(РР + П)
|
РР=|Вм|
|
|
0ACh
|
-
|
-
|
-
|
-
|
СЧ
|
БПСч
|
0
|
РР
:= РОН7 + РР + П
|
РР=|Ам|+|Вм|
|
|
0ADh
|
-
|
-
|
-
|
-
|
СЧ
|
БПСч
|
0
|
РОН4
:= РР + П
|
См=|Ам|+|Вм|
|
|
0AEh
|
-
|
-
|
-
|
-
|
ПА
0AFh
|
АСд1
|
0
|
РР
:= СЦЛ(РР + П)
|
Если
!СДЛ1 то переполнение не произошло
|
|
0AFh
|
-
|
-
|
-
|
-
|
ПА
0C3h
|
БП
|
1
|
РОН7
:= !П
|
Зн.См=Зн.Ам.
РОН7=0...0
|
|
0B0h
|
-
|
-
|
-
|
-
|
СЧ
|
БПСч
|
0
|
РР
:= СЦП(РР + П)
|
|
|
0B1h
|
-
|
-
|
-
|
-
|
СЧ
|
БПСч
|
0
|
РР
:= СЛП(РР + П)
|
РР=См
-> на 1
|
|
0B2h
|
-
|
-
|
-
|
-
|
СЧ
|
БПСч
|
0
|
РОН4
:= РР + П
|
|
|
0B3h
|
-
|
-
|
-
|
-
|
СЧ
|
БПСч
|
1
|
РР
:= !П
|
|
|
0B4h
|
-
|
-
|
-
|
-
|
СЧ
|
БПСч
|
1
|
РОН7
:= РР + П
|
Формируем
0...01
|
|
0B5h
|
-
|
-
|
-
|
-
|
СЧ
|
БПСч
|
0
|
РР
:= РОН5 + П
|
|
|
0B6h
|
-
|
-
|
-
|
-
|
ПА
0B7h
|
АП
|
1
|
РР
:= !РР + П
|
(!!!!!!)
Если Сп=0 то Сп=-1
|
|
0B7h
|
-
|
-
|
-
|
-
|
ПА
0B9h
|
БП
|
0
|
РР
:= РОН7 + П
|
|
|
0B8h
|
-
|
-
|
-
|
-
|
ПА
0BCh
|
БП
|
0
|
РР
:= СЦП(РР + П)
|
|
|
0B9h
|
-
|
-
|
-
|
-
|
ПА
0BBh
|
БП
|
1
|
РР
:= РР + П
|
Сп=-1
|
|
0BAh
|
-
|
-
|
-
|
-
|
|
|
Х
|
|
Переход
на дизъюнкцию
|
|
0BBh
|
-
|
-
|
-
|
-
|
ПА
0C3h
|
БП
|
0
|
РОН5
:= РР + П
|
|
|
0BCh
|
-
|
-
|
-
|
-
|
СЧ
|
БПСч
|
0
|
РР
:= РОН5 + П
|
|
|
0BDh
|
-
|
-
|
-
|
-
|
ПА
0BEh
|
АСд1
|
0
|
РР
:= СЦЛ(РР + П)
|
Если
Сп>0 то Сп=Сп-1 иначе Сп=-(|Сп|+1)
|
|
0BEh
|
-
|
-
|
-
|
-
|
ПА
0C1h
|
БП
|
0
|
РР
:= РОН5 + П
|
|
|
0BFh
|
-
|
-
|
-
|
-
|
СЧ
|
БПСч
|
0
|
РР
:= РОН5 + П
|
|
|
0C0h
|
-
|
-
|
-
|
-
|
ПА
0C2h
|
БП
|
0
|
РР
:= РОН7 + РР + П
|
|
|
0C1h
|
-
|
-
|
-
|
-
|
СЧ
|
БПСч
|
1
|
РР
:= РР - РОН7 - 1 + П
|
РР=Сп-1-1+1
|
|
0C2h
|
-
|
-
|
-
|
-
|
СЧ
|
БПСч
|
0
|
РОН5
:= РР + П
|
|
|
0C3h
|
-
|
-
|
-
|
-
|
СЧ
|
БПСч
|
0
|
РР
:= РОН0 + П
|
РР=Ам
|
|
0C4h
|
-
|
-
|
-
|
-
|
ПА
0C5h
|
АСд1
|
0
|
РР
:= СЦЛ(РР + П)
|
Если
Ам>0 то сохраняем знак "0"
|
|
0C5h
|
-
|
-
|
-
|
-
|
ПА
0CCh
|
БП
|
Х
|
-
|
|
|
0C6h
|
-
|
-
|
-
|
-
|
СЧ
|
БПСч
|
1
|
РР
:= !П
|
|
|
0C7h
|
-
|
-
|
-
|
-
|
СЧ
|
БПСч
|
1
|
РР
:= СЦП(РР + П)
|
|
|
0C8h
|
-
|
-
|
-
|
-
|
СЧ
|
БПСч
|
0
|
РОН7
:= РР + П
|
РОН7=10...0
|
|
0C9h
|
-
|
-
|
-
|
-
|
СЧ
|
БПСч
|
0
|
РР
:= РОН4 + П
|
|
|
0CAh
|
-
|
-
|
-
|
-
|
СЧ
|
БПСч
|
0
|
РР
:= РОН7 + РР + П
|
|
|
0CBh
|
-
|
-
|
-
|
-
|
СЧ
|
БПСч
|
0
|
РОН4
:= РР + П
|
Зн.См=Зн.Ам
КОНЕЦ СЛОЖЕНИЯ МАНТИС
|
|
0CCh
|
-
|
-
|
-
|
-
|
СЧ
|
1
|
РОН7
:= !П
|
НОРМАЛИЗАЦИЯ
|
|
0CDh
|
-
|
-
|
-
|
-
|
СЧ
|
БПСч
|
0
|
РР
:= РОН4 + П
|
|
|
0CEh
|
-
|
-
|
-
|
-
|
ПА
0CFh
|
АСд1
|
0
|
РР
:= СЦЛ(РР + П)
|
Если
!СДЛ1 то См > 0
|
|
0CFh
|
-
|
-
|
-
|
-
|
ПА
0D3h
|
БП
|
0
|
РР
:= РОН4 + П
|
|
|
0D0h
|
-
|
-
|
-
|
-
|
СЧ
|
БПСч
|
1
|
РР
:= !П
|
|
|
0D1h
|
-
|
-
|
-
|
-
|
СЧ
|
БПСч
|
1
|
РР
:= СЦП(РР + П)
|
|
|
0D2h
|
-
|
-
|
-
|
-
|
СЧ
|
БПСч
|
0
|
РОН7
:= РР + П
|
РОН7=Зн.См
|
|
0D3h
|
-
|
-
|
-
|
-
|
СЧ
|
БПСч
|
0
|
РОН6
:= РР + П
|
|
|
0D4h
|
-
|
-
|
-
|
-
|
СЧ
|
БПСч
|
0
|
РР
:= РОН6 + П
|
Сюда
вернем цикл
|
|
0D5h
|
-
|
-
|
-
|
-
|
СЧ
|
БПСч
|
0
|
РР
:= СЛЛ(РР + П)
|
|
|
0D6h
|
-
|
-
|
-
|
-
|
ПА
0D7h
|
АСд1
|
0
|
РР
:= СЦЛ(РР + П)
|
(19)
Если См[1]=0 то продолжить иначе закончить цикл
|
|
0D7h
|
-
|
-
|
-
|
-
|
ПА
0D9h
|
БП
|
0
|
РР
:= СЦП(РР + П)
|
|
|
0D8h
|
-
|
-
|
-
|
-
|
ПА
0E9h
|
БП
|
х
|
-
|
|
|
0D9h
|
-
|
-
|
-
|
-
|
ПА
0DBh
|
БП
|
0
|
РОН6
:= РР + П
|
|
|
0DAh
|
-
|
-
|
-
|
-
|
ПА
2D2h
|
БП
|
х
|
-
|
переход
на отрицание
|
|
0DBh
|
-
|
-
|
-
|
-
|
СЧ
|
БПСч
|
1
|
РР
:= !П
|
Сп=Сп-1
|
|
0DCh
|
-
|
-
|
-
|
-
|
СЧ
|
БПСч
|
1
|
РОН0
:= РР + П
|
Формируем
0...01
|
|
0DDh
|
-
|
-
|
-
|
-
|
СЧ
|
БПСч
|
0
|
РР
:= РОН5 + П
|
|
|
0DEh
|
-
|
-
|
-
|
-
|
ПА
0DFh
|
АСд1
|
1
|
РР
:= !РР + П
|
(!!!!!!)
Если Сп=0 то Сп=-1
|
|
0DFh
|
-
|
-
|
-
|
-
|
ПА
0E1h
|
БП
|
0
|
РР
:= РОН0 + П
|
|
|
0E0h
|
-
|
-
|
-
|
-
|
ПА
0E3h
|
БП
|
0
|
РР
:= РОН5 + П
|
|
|
0E1h
|
-
|
-
|
-
|
-
|
СЧ
|
БПСч
|
0
|
РР
:= СЦП(РР + П)
|
|
|
0E2h
|
-
|
-
|
-
|
-
|
ПА
0D4h
|
БП
|
1
|
РОН5
:= РР + П
|
Сп=-1
|
|
0E3h
|
-
|
-
|
-
|
-
|
ПА
0E4h
|
АСд1
|
0
|
РР
:= СЦЛ(РР + П)
|
(!!!!!!)
Если Сп>0 то Сп=Сп-1 иначе Сп=-(|Сп|+1)
|
|
0E4h
|
-
|
-
|
-
|
-
|
ПА
0E7h
|
БП
|
0
|
РР
:= РОН5 + П
|
|
|
0E5h
|
-
|
-
|
-
|
-
|
СЧ
|
БПСч
|
0
|
РР
:= РОН5 + П
|
|
|
0E6h
|
-
|
-
|
-
|
-
|
СЧ
|
БПСч
|
0
|
РР
:= РОН0 + РР + П
|
идти_на
235
|
|
0E7h
|
-
|
-
|
-
|
-
|
СЧ
|
БПСч
|
1
|
РР
:= РР - РОН7 - 1 + П
|
РР=Сп-1-1+1
|
|
0E8h
|
-
|
-
|
-
|
-
|
ПА
0D4h
|
БП
|
0
|
РОН5
:= РР + П
|
КОНЕЦ:
Сп=Сп-1
|
|
0E9h
|
-
|
-
|
-
|
-
|
СЧ
|
БПСч
|
0
|
РР
:= СЦП(РР + П)
|
|
|
0EAh
|
-
|
-
|
-
|
-
|
СЧ
|
БПСч
|
0
|
РР
:= СЛП(РР + П)
|
|
|
0EBh
|
-
|
-
|
-
|
-
|
СЧ
|
БПСч
|
0
|
РР
:= РОН7 + РР + П
|
РР=Зн.См+См(нормализованное)
|
|
0ECh
|
-
|
-
|
-
|
-
|
СЧ
|
БПСч
|
0
|
РОН4
:= РР + П
|
КОНЕЦ
ПРОГИ
|
|
УМНОЖЕНИЕ
|
|
0EDh
|
-
|
РВ
|
ДП
|
М3:=(М2)
|
СЧ
|
БПСч
|
х
|
РРР
:= РОН4
|
|
|
0EEh
|
-
|
-
|
-
|
-
|
СЧ
|
БПСч
|
0
|
РР
:= РОН1 + П
|
|
|
0EFh
|
-
|
-
|
-
|
-
|
СЧ
|
0
|
РОН4
:= РР + П
|
|
|
0F0h
|
-
|
-
|
-
|
-
|
СЧ
|
БПСч
|
0
|
РР
:= РОН2 + П
|
|
|
0F1h
|
-
|
-
|
-
|
-
|
СЧ
|
БПСч
|
0
|
РОН1
:= РР + П
|
|
|
0F2h
|
-
|
-
|
-
|
-
|
СЧ
|
БПСч
|
0
|
РОН2
:= РРР + П
|
|
|
0F3h
|
-
|
-
|
-
|
-
|
СЧ
|
БПСч
|
х
|
РРР
:= РОН5
|
|
|
0F4h
|
-
|
-
|
-
|
-
|
СЧ
|
БПСч
|
0
|
РР
:= РОН3 + П
|
|
|
0F5h
|
-
|
-
|
-
|
-
|
СЧ
|
БПСч
|
0
|
РОН5
:= РР + П
|
|
|
0F6h
|
-
|
-
|
-
|
-
|
СЧ
|
БПСч
|
0
|
РР
:= РОН6 + П
|
|
|
0F7h
|
-
|
-
|
-
|
-
|
СЧ
|
БПСч
|
0
|
РОН3
:= РР + П
|
|
|
0F8h
|
-
|
-
|
-
|
-
|
ПА
0FBh
|
БП
|
0
|
РОН6
:= РРР + П
|
|
|
0F9h
|
-
|
-
|
-
|
-
|
-
|
-
|
х
|
-
|
|
|
0FAh
|
-
|
-
|
-
|
-
|
|
|
х
|
|
переход
на хор
|
|
0FBh
|
-
|
-
|
-
|
-
|
ПА
0FCh
|
АП
|
1
|
РР
:= !РОН0 + П
|
Проверка
на 0 мА1
|
|
0FCh
|
-
|
-
|
-
|
-
|
ПА
0FEh
|
АП
|
1
|
РР
:= !РОН1 + П
|
Проверка
на 0 мА2
|
|
0FDh
|
-
|
-
|
-
|
-
|
ПА
0FFh
|
БП
|
х
|
-
|
переход
на проверку мВ1
|
|
0FEh
|
-
|
-
|
-
|
-
|
ПА
215h
|
БП
|
х
|
-
|
переход
на вывод
|
|
0FFh
|
-
|
-
|
-
|
-
|
ПА
100h
|
АП
|
1
|
РР
:= !РОН4 + П
|
Проверка
на 0 мВ1
|
|
100h
|
-
|
-
|
-
|
-
|
ПА
102h
|
АП
|
1
|
РР
:= !РОН5 + П
|
Проверка
на 0 мВ2
|
|
101h
|
-
|
-
|
-
|
-
|
ПА
103h
|
БП
|
х
|
-
|
переход
на проверку рА1
|
|
102h
|
-
|
-
|
-
|
-
|
ПА
215h
|
БП
|
х
|
-
|
переход
на вывод
|
|
103h
|
-
|
-
|
-
|
-
|
ПА
104h
|
АП
|
1
|
РР
:= !РОН2 + П
|
Проверка
на 0 рА1
|
|
104h
|
-
|
-
|
-
|
-
|
ПА
106h
|
АП
|
1
|
РР
:= !РОН3 + П
|
Проверка
на 0 рА2
|
|
105h
|
-
|
-
|
-
|
-
|
ПА
10Bh
|
БП
|
х
|
-
|
переход
на проверку рВ1
|
|
106h
|
-
|
-
|
-
|
-
|
ПА
108h
|
БП
|
0
|
РР
:= РОН6 + П
|
|
|
107h
|
-
|
-
|
-
|
-
|
ПА
10Bh
|
БП
|
х
|
-
|
переход
на проверку рВ1
|
|
108h
|
-
|
-
|
-
|
-
|
СЧ
|
БПСч
|
0
|
РОН2
:= РР + П
|
|
|
109h
|
-
|
-
|
-
|
-
|
СЧ
|
БПСч
|
0
|
РР
:= РОН7 + П
|
|
|
10Ah
|
-
|
-
|
-
|
-
|
ПА
167h
|
БП
|
0
|
РОН3
:= РР + П
|
переход
на подгот к умн
|
|
10Bh
|
-
|
-
|
-
|
-
|
ПА
0E4h
|
АП
|
1
|
РР
:= !РОН6 + П
|
Проверка
на 0 рВ1
|
|
10Ch
|
-
|
-
|
-
|
-
|
ПА
10Eh
|
АП
|
1
|
РР
:= !РОН7 + П
|
Проверка
на 0 рВ2
|
|
10Dh
|
-
|
-
|
-
|
-
|
ПА
167h
|
БП
|
х
|
-
|
переход
на подгот к умн
|
|
10Eh
|
-
|
-
|
-
|
-
|
ПА
110h
|
БП
|
0
|
РР
:= РОН2 + П
|
уравнивание
порядков
|
|
10Fh
|
-
|
-
|
-
|
-
|
ПА
167h
|
БП
|
х
|
-
|
переход
на подгот к умн
|
|
110h
|
-
|
-
|
-
|
-
|
СЧ
|
БПСч
|
х
|
РР
:= РОН6 xor РР
|
ЗнАр=ЗнВр?
|
|
111h
|
-
|
-
|
-
|
-
|
ПА
112h
|
АСд1
|
0
|
РР
:= СЛЛ(РР + П)
|
если
ЗнАр=ЗнВр то +
|
|
112h
|
-
|
-
|
-
|
-
|
ПА
149h
|
БП
|
-
|
переход
на +
|
|
113h
|
-
|
-
|
-
|
-
|
СЧ
|
БПСч
|
0
|
РР
:= РОН2 + П
|
т.к.
ЗнАр<>ЗнВр то -
|
|
114h
|
-
|
-
|
-
|
-
|
СЧ
|
БПСч
|
х
|
РР
:= РР - РОН6 - 1 + П (П=0)
|
|
|
115h
|
-
|
-
|
-
|
-
|
ПА
116h
|
АСд1
|
0
|
РР
:= СЛЛ(РР + П)
|
если
1, то вычитаем наоборот
|
|
116h
|
-
|
-
|
-
|
-
|
ПА
12Eh
|
БП
|
х
|
-
|
переход
на прямое вычит
|
|
117h
|
-
|
-
|
-
|
-
|
СЧ
|
БПСч
|
0
|
РР
:= РОН7 + П
|
рВ2-рА2
|
|
118h
|
-
|
-
|
-
|
-
|
ПА
119h
|
АП
|
х
|
РР
:= РР - РОН3 - 1 + П (П=0)
|
если
П то рС1+1
|
|
119h
|
-
|
-
|
-
|
-
|
ПА
126h
|
БП
|
х
|
-
|
|
|
11Ah
|
-
|
-
|
-
|
-
|
СЧ
|
БПСч
|
0
|
РОН3
:= РР + П
|
рС2
|
|
11Bh
|
-
|
-
|
-
|
-
|
СЧ
|
БПСч
|
0
|
РР
:= РОН6 + П
|
находим
рС1
|
|
11Ch
|
-
|
-
|
-
|
-
|
СЧ
|
БПСч
|
х
|
РР
:= РР - РОН2 - 1 + П (П=1)
|
|
|
11Dh
|
-
|
-
|
-
|
-
|
СЧ
|
БПСч
|
0
|
РР
:= СЛЛ(РР + П)
|
|
|
11Eh
|
-
|
-
|
-
|
-
|
СЧ
|
БПСч
|
0
|
РР
:= СЛП(РР + П)
|
|
|
11Fh
|
-
|
-
|
-
|
-
|
СЧ
|
БПСч
|
0
|
РОН2
:= РР + П
|
|рС1|
|
|
120h
|
-
|
-
|
-
|
-
|
СЧ
|
БПСч
|
0
|
РР
:= РОН6 + П
|
ЗнСр=
ЗнВр
|
|
121h
|
-
|
-
|
-
|
-
|
ПА
122h
|
АСд1
|
0
|
РР
:= СЛЛ(РР + П)
|
если
ЗнВр=0 то не меняется
|
|
122h
|
-
|
-
|
-
|
-
|
ПА
167h
|
БП
|
х
|
-
|
переход
на подгот к умн
|
|
123h
|
-
|
-
|
-
|
-
|
СЧ
|
БПСч
|
1
|
РР
:= !П
|
к
|рС1| + 1,0..0
|
|
124h
|
-
|
-
|
-
|
-
|
СЧ
|
БПСч
|
1
|
РР
:= СЦП(РР + П)
|
|
|
125h
|
-
|
-
|
-
|
-
|
ПА
167h
|
БП
|
х
|
РОН2
:= РОН2 + РР + П (П=0)
|
переход
на подгот к умн
|
|
126h
|
-
|
-
|
-
|
-
|
СЧ
|
БПСч
|
0
|
РР
:= РОН3 + П
|
|
|
127h
|
-
|
-
|
-
|
-
|
СЧ
|
БПСч
|
х
|
РР
:= РР - РОН7 - 1 + П (П=0)
|
находим
рС2
|
|
128h
|
-
|
-
|
-
|
-
|
СЧ
|
БПСч
|
0
|
РОН3
:= РР + П
|
рС2
|
|
129h
|
-
|
-
|
-
|
-
|
СЧ
|
БПСч
|
0
|
РР
:= РОН6 + П
|
|
|
12Ah
|
-
|
-
|
-
|
-
|
СЧ
|
БПСч
|
х
|
РР
:= РР - РОН2 - 1 + П (П=1)
|
находим
рС1
|
|
12Bh
|
-
|
-
|
-
|
-
|
СЧ
|
БПСч
|
0
|
РР
:= СЛЛ(РР + П)
|
|
|
12Ch
|
-
|
-
|
-
|
-
|
СЧ
|
БПСч
|
0
|
РР
:= СЛП(РР + П)
|
|
|
12Dh
|
-
|
-
|
-
|
-
|
ПА
120h
|
БП
|
1
|
РОН2
:= РР + П
|
|рС1|
|
|
12Eh
|
-
|
-
|
-
|
-
|
СЧ
|
БПСч
|
0
|
РР
:= РОН3 + П
|
вычитание
без перест слаг
|
|
12Fh
|
-
|
-
|
-
|
-
|
ПА
130h
|
АП
|
х
|
РР
:= РР - РОН7 - 1 + П (П=1)
|
если
П то рС1+1
|
|
130h
|
-
|
-
|
-
|
-
|
ПА
141h
|
БП
|
х
|
-
|
|
|
131h
|
-
|
-
|
-
|
-
|
СЧ
|
БПСч
|
0
|
РОН7
:= РР + П
|
рС2
|
|
132h
|
-
|
-
|
-
|
-
|
СЧ
|
БПСч
|
0
|
РР
:= РОН2 + П
|
находим
рС1
|
|
133h
|
-
|
-
|
-
|
-
|
СЧ
|
БПСч
|
х
|
РР
:= РР - РОН6 - 1 + П (П=1)
|
|
|
134h
|
-
|
-
|
-
|
-
|
СЧ
|
БПСч
|
0
|
РР
:= СЛЛ(РР + П)
|
|
|
135h
|
-
|
-
|
-
|
-
|
СЧ
|
БПСч
|
0
|
|
|
136h
|
-
|
-
|
-
|
-
|
СЧ
|
БПСч
|
0
|
РОН6
:= РР + П
|
|рС1|
|
|
137h
|
-
|
-
|
-
|
-
|
СЧ
|
БПСч
|
0
|
РР
:= РОН2 + П
|
ЗнСр=
ЗнАр
|
|
138h
|
-
|
-
|
-
|
-
|
ПА
139h
|
АСд1
|
0
|
РР
:= СЛЛ(РР + П)
|
если
ЗнВр=0 то не меняется
|
|
139h
|
-
|
-
|
-
|
-
|
ПА
13Dh
|
БП
|
х
|
-
|
переход
на перенос ответа
|
|
13Ah
|
-
|
-
|
-
|
-
|
СЧ
|
БПСч
|
0
|
РР
:= !П
|
к
|рС1| + 1,0..0
|
|
13Bh
|
-
|
-
|
-
|
-
|
СЧ
|
БПСч
|
1
|
РР
:= СЦП(РР + П)
|
|
|
13Ch
|
-
|
-
|
-
|
-
|
СЧ
|
БПСч
|
х
|
РОН6
:= РОН6 + РР + П (П=0)
|
|
|
13Dh
|
-
|
-
|
-
|
-
|
СЧ
|
БПСч
|
0
|
РР
:= РОН6 + П
|
перенос
ответа
|
|
13Eh
|
-
|
-
|
-
|
-
|
СЧ
|
БПСч
|
0
|
РОН2
:= РР + П
|
из
|
|
13Fh
|
-
|
-
|
-
|
-
|
СЧ
|
БПСч
|
0
|
РР
:= РОН7 + П
|
|
|
140h
|
-
|
-
|
-
|
-
|
ПА
167h
|
БП
|
0
|
РОН3
:= РР + П
|
переход
на подгот к умн
|
|
141h
|
-
|
-
|
-
|
-
|
СЧ
|
БПСч
|
0
|
РР
:= РОН3 + П
|
|
|
142h
|
-
|
-
|
-
|
-
|
СЧ
|
БПСч
|
х
|
РР
:= РР - РОН7 - 1 + П (П=1)
|
находим
рС2
|
|
143h
|
-
|
-
|
-
|
-
|
СЧ
|
БПСч
|
0
|
РОН7
:= РР + П
|
рС2
|
|
144h
|
-
|
-
|
-
|
-
|
СЧ
|
БПСч
|
0
|
РР
:= РОН2 + П
|
|
|
145h
|
-
|
-
|
-
|
-
|
СЧ
|
БПСч
|
х
|
РР
:= РР - РОН6 - 1 + П (П=1)
|
находим
рС1
|
|
146h
|
-
|
-
|
-
|
-
|
СЧ
|
БПСч
|
0
|
РР
:= СЛЛ(РР + П)
|
|
|
147h
|
-
|
-
|
-
|
-
|
СЧ
|
БПСч
|
0
|
РР
:= СЛП(РР + П)
|
|
|
148h
|
-
|
-
|
-
|
-
|
СЧ
|
БПСч
|
1
|
РОН6
:= РР + П
|
|рС1|
|
|
149h
|
-
|
-
|
-
|
-
|
СЧ
|
БПСч
|
0
|
РР
:= РОН3 + П
|
сложение
(знАр=знВр)
|
|
14Ah
|
-
|
-
|
-
|
-
|
ПА
14Bh
|
АП
|
0
|
РР
:= РОН7 + РР + П
|
если
П то рС1+1
|
|
14Bh
|
-
|
-
|
-
|
-
|
ПА
158h
|
БП
|
х
|
-
|
|
|
14Ch
|
-
|
-
|
-
|
-
|
СЧ
|
БПСч
|
0
|
РР
:= РОН7 + П
|
находим
рС2
|
|
14Dh
|
-
|
-
|
-
|
-
|
СЧ
|
БПСч
|
0
|
РР
:= РОН3 + РР + П
|
|
|
14Eh
|
-
|
-
|
-
|
-
|
СЧ
|
БПСч
|
0
|
РОН7
:= РР + П
|
рС2
|
|
14Fh
|
-
|
-
|
-
|
-
|
СЧ
|
БПСч
|
0
|
РР
:= РОН2 + П
|
|
|
150h
|
-
|
-
|
-
|
-
|
СЧ
|
БПСч
|
0
|
РР
:= РОН6 + РР + П
|
находим
рС1
|
|
151h
|
-
|
-
|
-
|
-
|
ПА
152h
|
АСд1
|
0
|
РР
:= СЛЛ(РР + П)
|
если
рС1=1,… то переполнение
|
|
152h
|
-
|
-
|
-
|
-
|
ПА
154h
|
БП
|
0
|
РР
:= РОН2 + П
|
|
|
153h
|
-
|
-
|
-
|
-
|
ПА
213h
|
БП
|
х
|
-
|
выход
на ошибку
|
|
154h
|
-
|
-
|
-
|
-
|
СЧ
|
БПСч
|
0
|
РР
:= РОН6 + РР + П
|
|
|
155h
|
-
|
-
|
-
|
-
|
СЧ
|
БПСч
|
0
|
РР
:= СЛЛ(РР + П)
|
|
|
156h
|
-
|
-
|
-
|
-
|
СЧ
|
БПСч
|
0
|
РР
:= СЛП(РР + П)
|
|
|
157h
|
-
|
-
|
-
|
-
|
ПА
137h
|
БП
|
0
|
РОН6
:= РР + П
|
|рС1|
|
|
158h
|
-
|
-
|
-
|
-
|
СЧ
|
БПСч
|
0
|
РР
:= РОН7 + П
|
|
159h
|
-
|
-
|
-
|
-
|
СЧ
|
БПСч
|
0
|
РР
:= РОН3 + РР + П
|
находим
рС2
|
|
15Ah
|
-
|
-
|
-
|
-
|
СЧ
|
БПСч
|
0
|
РОН7
:= РР + П
|
|
|
15Bh
|
-
|
-
|
-
|
-
|
СЧ
|
БПСч
|
0
|
РР
:= РОН2 + П
|
рС2
|
|
15Ch
|
-
|
-
|
-
|
-
|
СЧ
|
БПСч
|
0
|
РР
:= РОН6 + РР + П
|
|
|
15Eh
|
-
|
-
|
-
|
-
|
ПА
15Fh
|
АСд1
|
0
|
РР
:= СЛЛ(РР + П)
|
если
рС1=1,… то переполнение
|
|
15Fh
|
-
|
-
|
-
|
-
|
ПА
161h
|
БП
|
0
|
РР
:= РОН6 + П
|
|
|
160h
|
-
|
-
|
-
|
-
|
ПА
213h
|
БП
|
х
|
-
|
выход
на ошибку
|
|
161h
|
-
|
-
|
-
|
-
|
СЧ
|
БПСч
|
1
|
РР
:= РОН2 + РР + П
|
рС1+1
|
|
162h
|
-
|
-
|
-
|
-
|
ПА
163h
|
АСд1
|
0
|
РР
:= СЛЛ(РР + П)
|
если
рС1=1,… то переполнение
|
|
163h
|
-
|
-
|
-
|
-
|
ПА
165h
|
БП
|
0
|
РР
:= РОН6 + П
|
|
|
164h
|
-
|
-
|
-
|
-
|
ПА
213h
|
БП
|
х
|
-
|
выход
на ошибку
|
|
165h
|
-
|
-
|
-
|
-
|
СЧ
|
БПСч
|
1
|
РР
:= РОН2 + РР + П
|
рС1+1
|
|
166h
|
-
|
-
|
-
|
-
|
ПА
137h
|
БП
|
0
|
РОН6
:= РР + П
|
рС1
|
|
167h
|
-
|
-
|
-
|
-
|
СЧ
|
БПСч
|
1
|
РР
:= !П
|
Подготовка
к умн
|
|
168h
|
-
|
-
|
-
|
-
|
СЧ
|
БПСч
|
0
|
РОН6
:= РР + П
|
Обнуляются
сумматоры
|
|
169h
|
-
|
-
|
-
|
-
|
СЧ
|
БПСч
|
0
|
РОН7
:= РР + П
|
|
|
16Ah
|
-
|
-
|
-
|
-
|
СЧ
|
БПСч
|
0
|
РР
:= РОН0 + П
|
|
|
16Bh
|
-
|
-
|
-
|
-
|
СЧ
|
БПСч
|
х
|
РР
:= РОН4 xor РР
|
определяем
знС
|
|
16Ch
|
-
|
-
|
-
|
-
|
ПА
16Dh
|
АСд1
|
0
|
РР
:= СЛЛ(РР + П)
|
если
знС=1, то РРР=1,0..0
|
|
16Dh
|
-
|
-
|
-
|
-
|
ПА
171h
|
БП
|
х
|
-
|
переход
на умножение
|
|
16Eh
|
-
|
-
|
-
|
-
|
СЧ
|
БПСч
|
0
|
РР
:= !П
|
|
|
16Fh
|
-
|
-
|
-
|
-
|
СЧ
|
БПСч
|
1
|
РР
:= СЦП(РР + П)
|
|
|
170h
|
-
|
-
|
-
|
-
|
СЧ
|
БПСч
|
0
|
РРР
:= РР + П
|
РРР=1,0..0
|
|
171h
|
-
|
-
|
-
|
-
|
СЧ
|
БПСч
|
0
|
РР
:= РОН5 + П
|
УМНОЖЕНИЕ
(Сдвиг Вм вл)
|
|
172h
|
-
|
-
|
-
|
-
|
ПА
173h
|
АСд1
|
0
|
РР
:= СЛЛ(РР + П)
|
если
мС2=1… то мС1+1
|
|
173h
|
-
|
-
|
-
|
-
|
ПА
177h
|
БП
|
х
|
-
|
переход
на мС1+1
|
|
174h
|
-
|
-
|
-
|
-
|
СЧ
|
БПСч
|
0
|
РР
:= РОН4 + П
|
если
мС2=0… то мС1 неизм
|
|
175h
|
-
|
-
|
-
|
-
|
СЧ
|
БПСч
|
0
|
РР
:= СЛЛ(РР + П)
|
сдвиг
мС2
|
|
176h
|
-
|
-
|
-
|
-
|
ПА
17Dh
|
БП
|
1
|
РОН4
:= РР + П
|
переход
на сдвиг мС1
|
|
177h
|
-
|
-
|
-
|
-
|
СЧ
|
БПСч
|
0
|
РР
:= РОН4 + П
|
|
|
178h
|
-
|
-
|
-
|
-
|
СЧ
|
БПСч
|
0
|
РР
:= СЛЛ(РР + П)
|
сдвиг
мС2
|
|
179h
|
-
|
-
|
-
|
-
|
СЧ
|
БПСч
|
0
|
РОН4
:= РР + П
|
|
|
17Ah
|
|
|
|
|
СЧ
|
БПСч
|
1
|
РОН4
:= РОН4 + П
|
мС2
|
|
17Bh
|
-
|
-
|
-
|
-
|
СЧ
|
БПСч
|
0
|
РР
:= РОН5 + П
|
|
|
17Ch
|
-
|
-
|
-
|
-
|
СЧ
|
БПСч
|
0
|
РР
:= СЛЛ(РР + П)
|
|
-
|
-
|
-
|
-
|
СЧ
|
БПСч
|
0
|
РОН5
:= РР + П
|
мС1
|
|
17Eh
|
-
|
-
|
-
|
-
|
СЧ
|
БПСч
|
0
|
РР
:= РОН4 + П
|
|
|
17Fh
|
-
|
-
|
-
|
-
|
ПА
180h
|
АСд1
|
0
|
РР
:= СЛЛ(РР + П)
|
если
0 то …
|
|
180h
|
-
|
-
|
-
|
-
|
ПА
1BDh
|
БП
|
х
|
-
|
...переход
на сдвиги
|
|
181h
|
-
|
-
|
-
|
-
|
СЧ
|
БПСч
|
0
|
РР
:= РОН1 + П
|
если
1, то сум2+мА2
|
|
182h
|
-
|
-
|
-
|
-
|
ПА
183h
|
АП
|
0
|
РР
:= РОН7 + РР + П
|
если
П то сум1+1
|
|
183h
|
-
|
-
|
-
|
-
|
ПА
18Ch
|
БП
|
х
|
-
|
|
|
184h
|
-
|
-
|
-
|
-
|
СЧ
|
БПСч
|
0
|
РР
:= РОН0 + П
|
сум1+мА1
|
|
185h
|
-
|
-
|
-
|
-
|
СЧ
|
БПСч
|
0
|
РР
:= РОН6 + РР + П
|
|
|
186h
|
-
|
-
|
-
|
-
|
ПА
187h
|
АСд1
|
0
|
РР
:= СЛЛ(РР + П)
|
если
зн=1 то переполнение
|
|
187h
|
-
|
-
|
-
|
-
|
ПА
189h
|
БП
|
0
|
РР
:= РОН0 + П
|
|
|
188h
|
-
|
-
|
-
|
-
|
ПА
198h
|
БП
|
х
|
-
|
переход
на нормализацю
|
|
189h
|
-
|
-
|
-
|
-
|
СЧ
|
БПСч
|
х
|
РОН6
:= РОН6 + РР + П (П=0)
|
сум1
|
|
18Ah
|
-
|
-
|
-
|
-
|
СЧ
|
БПСч
|
0
|
РР
:= РОН1 + П
|
|
|
18Bh
|
-
|
-
|
-
|
-
|
ПА
1BDh
|
БП
|
х
|
РОН7
:= РОН7 + РР + П (П=0)
|
сум2
|
|
18Ch
|
-
|
-
|
-
|
-
|
СЧ
|
БПСч
|
0
|
РР
:= РОН0 + П
|
|
|
18Dh
|
-
|
-
|
-
|
-
|
СЧ
|
БПСч
|
0
|
РР
:= РОН6 + РР + П
|
сум1
|
|
18Eh
|
-
|
-
|
-
|
-
|
ПА
18Fh
|
АСд1
|
0
|
РР
:= СЛЛ(РР + П)
|
если
0 то сум1+1
|
|
18Fh
|
-
|
-
|
-
|
-
|
ПА
191h
|
БПСч
|
0
|
РР
:= РОН0 + П
|
|
|
190h
|
-
|
-
|
-
|
-
|
ПА
198h
|
БП
|
х
|
-
|
переход
на нормализацю
|
|
191h
|
-
|
-
|
-
|
-
|
СЧ
|
БПСч
|
1
|
РР
:= РОН6 + РР + П
|
|
|
192h
|
-
|
-
|
-
|
-
|
ПА
193h
|
АСд1
|
0
|
РР
:= СЛЛ(РР + П)
|
если
зн=1 то переполнение
|
|
193h
|
-
|
-
|
-
|
-
|
ПА
198h
|
БП
|
х
|
|
|
|
194h
|
-
|
-
|
-
|
-
|
СЧ
|
БПСч
|
0
|
РР
:= РОН0 + П
|
|
|
195h
|
-
|
-
|
-
|
-
|
СЧ
|
БПСч
|
1
|
РОН6
:= РОН6 + РР + П (П=1)
|
сум1
|
|
196h
|
-
|
-
|
-
|
-
|
СЧ
|
БПСч
|
0
|
РР
:= РОН1 + П
|
|
|
197h
|
-
|
-
|
-
|
-
|
ПА
1BDh
|
БП
|
х
|
РОН7
:= РОН7 + РР + П (П=0)
|
сум2
|
|
198h
|
-
|
-
|
-
|
-
|
СЧ
|
БПСч
|
0
|
РР
:= РОН0 + П
|
Переполнение
(сдвиг мА впр)
|
|
199h
|
-
|
-
|
-
|
-
|
ПА
19Ah
|
АСд1
|
0
|
РР
:= СЛП(РР + П)
|
если
!СДП1 то мА1 вп
|
|
19Ah
|
-
|
-
|
-
|
-
|
ПА
1A2h
|
БП
|
х
|
-
|
|
|
19Bh
|
-
|
-
|
-
|
-
|
СЧ
|
БПСч
|
0
|
РР
:= РОН1 + П
|
|
|
19Ch
|
-
|
-
|
-
|
-
|
СЧ
|
БПСч
|
0
|
РР
:= СЛП(РР + П)
|
|
|
19Eh
|
-
|
-
|
-
|
-
|
СЧ
|
БПСч
|
0
|
РОН1
:= РР + П
|
мА2
|
|
19Fh
|
-
|
-
|
-
|
-
|
СЧ
|
БПСч
|
1
|
РР
:= !П
|
|
|
1A0h
|
-
|
-
|
-
|
-
|
СЧ
|
БПСч
|
1
|
РР
:= СЦП(РР + П)
|
10…
|
|
1A1h
|
-
|
-
|
-
|
ПА
1A5h
|
БП
|
х
|
РОН1
:= РОН1 + РР + П (П=0)
|
мА2+10..0
|
|
1A2h
|
-
|
-
|
-
|
-
|
СЧ
|
БПСч
|
0
|
РР
:= РОН1 + П
|
|
|
1A3h
|
-
|
-
|
-
|
-
|
СЧ
|
БПСч
|
0
|
РР
:= СЛП(РР + П)
|
|
|
1A4h
|
-
|
-
|
-
|
-
|
СЧ
|
БПСч
|
0
|
РОН1
:= РР + П
|
мА2
|
|
1A5h
|
-
|
-
|
-
|
-
|
СЧ
|
БПСч
|
0
|
РР
:= РОН0 + П
|
|
|
1A6h
|
-
|
-
|
-
|
-
|
СЧ
|
БПСч
|
0
|
РР
:= СЛП(РР + П)
|
|
|
1A7h
|
-
|
-
|
-
|
-
|
СЧ
|
БПСч
|
0
|
РОН0
:= РР + П
|
мА1
|
|
1A8h
|
-
|
-
|
-
|
-
|
СЧ
|
БПСч
|
0
|
РР
:= РОН6 + П
|
Сдвиг
сум впр
|
|
1A9h
|
-
|
-
|
-
|
-
|
ПА
1AAh
|
АСд1
|
0
|
РР
:= СЛП(РР + П)
|
если
!СДП1 то сум впр
|
|
1AAh
|
-
|
-
|
-
|
-
|
ПА
1B1h
|
БП
|
х
|
-
|
|
|
1ABh
|
-
|
-
|
-
|
-
|
СЧ
|
БПСч
|
0
|
РР
:= РОН7 + П
|
|
|
1ACh
|
-
|
-
|
-
|
-
|
СЧ
|
БПСч
|
0
|
РР
:= СЛП(РР + П)
|
|
|
1ADh
|
-
|
-
|
-
|
-
|
СЧ
|
БПСч
|
0
|
РОН7
:= РР + П
|
сум2
|
|
1AEh
|
-
|
-
|
-
|
-
|
СЧ
|
БПСч
|
1
|
РР
:= !П
|
|
|
1AFh
|
-
|
-
|
-
|
-
|
СЧ
|
БПСч
|
1
|
РР
:= СЦП(РР + П)
|
10…
|
|
1B0h
|
-
|
-
|
-
|
-
|
ПА
1B4h
|
БП
|
х
|
РОН7
:= РОН7 + РР + П (П=0)
|
сум2+10..0
|
|
1B1h
|
-
|
-
|
-
|
-
|
СЧ
|
БПСч
|
0
|
РР
:= РОН7 + П
|
|
|
1B2h
|
-
|
-
|
-
|
-
|
СЧ
|
БПСч
|
0
|
РР
:= СЛП(РР + П)
|
|
|
1B3h
|
-
|
-
|
-
|
-
|
СЧ
|
БПСч
|
0
|
РОН7
:= РР + П
|
сум2
|
|
1B4h
|
-
|
-
|
-
|
-
|
СЧ
|
БПСч
|
0
|
РР
:= РОН6 + П
|
|
|
1B5h
|
-
|
-
|
-
|
-
|
СЧ
|
БПСч
|
0
|
РР
:= СЛП(РР + П)
|
|
|
1B6h
|
-
|
-
|
-
|
-
|
СЧ
|
БПСч
|
0
|
РОН6
:= РР + П
|
сум1
|
|
1B7h
|
-
|
-
|
-
|
-
|
СЧ
|
БПСч
|
0
|
РР
:= РОН2 + П
|
Cp<0?
|
|
1B8h
|
-
|
-
|
-
|
-
|
ПА
1B9h
|
АСд1
|
0
|
РР
:= СЛЛ(РР + П)
|
если
да то Ср-1 иначе Ср+1
|
|
1B9h
|
-
|
-
|
-
|
-
|
ПА
1BCh
|
БП
|
х
|
-
|
|
|
1BAh
|
-
|
-
|
-
|
-
|
СЧ
|
БПСч
|
1
|
РР
:= !П (П=1)
|
|
|
1BBh
|
-
|
-
|
-
|
-
|
ПА
181h
|
БП
|
0
|
РОН4
:= РОН4 - РР - 1 + П (П=0)
|
Ср-1
|
|
1BCh
|
-
|
-
|
-
|
-
|
ПА
181h
|
БП
|
1
|
РОН4
:= РОН4 + П
|
Ср+1
|
|
1BDh
|
-
|
-
|
-
|
-
|
СЧ
|
БПСч
|
0
|
РР
:= РОН0 + П
|
Начало
сдвига Ам вправо
|
|
1BEh
|
-
|
-
|
-
|
-
|
ПА
1BFh
|
АСд1
|
0
|
РР
:= СЛП(РР + П)
|
|
|
1BFh
|
-
|
-
|
-
|
-
|
ПА
0C5h
|
БП
|
х
|
-
|
|
|
1C0h
|
-
|
-
|
-
|
-
|
СЧ
|
БПСч
|
0
|
РР
:= РОН1 + П
|
|
|
1C1h
|
-
|
-
|
-
|
-
|
СЧ
|
БПСч
|
0
|
РР
:= СЛП(РР + П)
|
|
|
1C2h
|
-
|
-
|
-
|
-
|
СЧ
|
БПСч
|
0
|
РОН1
:= РР + П
|
|
|
1C3h
|
-
|
-
|
-
|
-
|
СЧ
|
БПСч
|
1
|
РР
:= !П
|
|
|
1C4h
|
-
|
-
|
-
|
СЧ
|
БПСч
|
1
|
РР
:= СЦП(РР + П)
|
|
|
1C5h
|
-
|
-
|
-
|
-
|
ПА
0C8h
|
БП
|
х
|
РОН1
:= РОН1 + РР + П (П=0)
|
|
|
1C6h
|
-
|
-
|
-
|
-
|
СЧ
|
БПСч
|
0
|
РР
:= РОН1 + П
|
|
|
1C7h
|
-
|
-
|
-
|
-
|
СЧ
|
БПСч
|
0
|
РР
:= СЛП(РР + П)
|
|
|
1C8h
|
-
|
-
|
-
|
-
|
СЧ
|
БПСч
|
0
|
РОН1
:= РР + П
|
|
|
1C9h
|
-
|
-
|
-
|
-
|
СЧ
|
БПСч
|
0
|
РР
:= РОН0 + П
|
|
|
1CAh
|
-
|
-
|
-
|
-
|
СЧ
|
БПСч
|
0
|
РР
:= СЛП(РР + П)
|
|
|
1CBh
|
-
|
-
|
-
|
-
|
СЧ
|
БПСч
|
0
|
РОН0
:= РР + П
|
конец
сдвига.
|
|
1CCh
|
-
|
-
|
-
|
-
|
СЧ
|
БПСч
|
0
|
РР
:= РОН5 + П
|
Начало
сдвига Вм влево
|
|
1CDh
|
-
|
-
|
-
|
-
|
ПА
1CEh
|
АСд1
|
0
|
РР
:= СЛЛ(РР + П)
|
|
|
1CEh
|
-
|
-
|
-
|
-
|
ПА
0D1h
|
БП
|
х
|
-
|
|
|
1CFh
|
-
|
-
|
-
|
-
|
СЧ
|
БПСч
|
0
|
РР
:= РОН4 + П
|
|
|
1D0h
|
-
|
-
|
-
|
-
|
СЧ
|
БПСч
|
0
|
РР
:= СЛЛ(РР + П)
|
|
|
1D1h
|
-
|
-
|
-
|
-
|
ПА
1D4h
|
БП
|
1
|
РОН4
:= РР + П
|
|
|
1D2h
|
-
|
-
|
-
|
-
|
СЧ
|
БПСч
|
0
|
РР
:= РОН4 + П
|
|
|
1D3h
|
-
|
-
|
-
|
-
|
СЧ
|
БПСч
|
0
|
РР
:= СЛЛ(РР + П)
|
|
|
1D4h
|
-
|
-
|
-
|
-
|
СЧ
|
БПСч
|
0
|
РОН4
:= РР + П
|
|
|
1D5h
|
-
|
-
|
-
|
-
|
СЧ
|
БПСч
|
0
|
РР
:= РОН5 + П
|
|
|
1D6h
|
-
|
-
|
-
|
-
|
СЧ
|
БПСч
|
0
|
РР
:= СЛЛ(РР + П)
|
|
|
1D7h
|
-
|
-
|
-
|
-
|
СЧ
|
БПСч
|
0
|
РОН5
:= РР + П
|
конец
сдвига.
|
|
1D8h
|
-
|
-
|
-
|
-
|
ПА
1D9h
|
АП
|
1
|
РР
:= !РОН4 + П
|
если
!П то переход новый цикл
|
|
1D9h
|
-
|
-
|
-
|
-
|
ПА
1DAh
|
БП
|
х
|
-
|
если
П то проверка мВ2
|
|
1DAh
|
-
|
-
|
-
|
-
|
ПА
17Eh
|
БП
|
х
|
-
|
|
|
1DBh
|
-
|
-
|
-
|
-
|
ПА
1DDh
|
АП
|
1
|
РР
:= !РОН5 + П
|
если
П то нормал
|
|
1DCh
|
-
|
-
|
-
|
-
|
ПА
1DEh
|
БПСч
|
0
|
РР
:= РОН6 + П
|
Нормализация
|
|
1DDh
|
-
|
-
|
-
|
-
|
ПА
17Eh
|
БП
|
х
|
-
|
переход
новый цикл
|
|
1DEh
|
-
|
-
|
-
|
-
|
СЧ
|
БПСч
|
0
|
РОН0
:= РР + П
|
|
|
1DFh
|
-
|
-
|
-
|
-
|
СЧ
|
БПСч
|
0
|
РР
:= РОН7 + П
|
|
|
1E0h
|
-
|
-
|
-
|
-
|
СЧ
|
БПСч
|
0
|
РОН1
:= РР + П
|
|
|
1E1h
|
-
|
-
|
-
|
-
|
СЧ
|
БПСч
|
0
|
РР
:= РОН1 + П
|
Сдвиг
влево
|
|
1E2h
|
-
|
-
|
-
|
-
|
ПА
1E3h
|
АСд1
|
0
|
РР
:= СЛЛ(РР + П)
|
если
!СДЛ1 то ПА 1EAh
|
|
1E3h
|
-
|
-
|
-
|
-
|
ПА
1EВh
|
БП
|
х
|
-
|
|
|
1E4h
|
-
|
-
|
-
|
-
|
СЧ
|
БПСч
|
0
|
РР
:= РОН0 + П
|
|
|
1E5h
|
-
|
-
|
-
|
-
|
СЧ
|
БПСч
|
0
|
РР
:= СЛЛ(РР + П)
|
|
|
1E6h
|
-
|
-
|
-
|
-
|
ПА
1EАh
|
БП
|
1
|
РОН0
:= РР + П
|
|
|
1E7h
|
-
|
-
|
-
|
СЧ
|
БПСч
|
0
|
РР
:= РОН0 + П
|
|
|
1E8h
|
-
|
-
|
-
|
-
|
СЧ
|
БПСч
|
0
|
РР
:= СЛЛ(РР + П)
|
|
|
1E9h
|
-
|
-
|
-
|
-
|
СЧ
|
БПСч
|
0
|
РОН0
:= РР + П
|
|
|
1EAh
|
-
|
-
|
-
|
-
|
СЧ
|
БПСч
|
0
|
РР
:= РОН1 + П
|
|
|
1EBh
|
-
|
-
|
-
|
-
|
СЧ
|
БПСч
|
0
|
РР
:= СЛЛ(РР + П)
|
|
|
1ECh
|
-
|
-
|
-
|
-
|
СЧ
|
БПСч
|
0
|
РОН1
:= РР + П
|
|
|
1EDh
|
-
|
-
|
-
|
-
|
СЧ
|
БПСч
|
0
|
РР
:= РОН0 + П
|
0…?
|
|
1EEh
|
-
|
-
|
-
|
-
|
ПА
1EFh
|
АСд1
|
0
|
РР
:= СЛЛ(РР + П)
|
если
да то сдвиг влево
|
|
1EFh
|
-
|
-
|
-
|
-
|
ПА
1F1h
|
БП
|
0
|
РР
:= РОН1 + П
|
|
|
1F0h
|
-
|
-
|
-
|
-
|
ПА
201h
|
БП
|
х
|
-
|
|
|
1F1h
|
-
|
-
|
-
|
-
|
ПА
1F2h
|
АСд1
|
0
|
РР
:= СЛЛ(РР + П)
|
если
0… то сдвиг влево
|
|
1F2h
|
-
|
-
|
-
|
-
|
ПА
1F5h
|
БП
|
х
|
-
|
|
|
1F3h
|
-
|
-
|
-
|
-
|
СЧ
|
БПСч
|
0
|
РР
:= РОН0 + П
|
|
|
1F4h
|
-
|
-
|
-
|
-
|
СЧ
|
БПСч
|
0
|
РР
:= СЛЛ(РР + П)
|
|
|
1F5h
|
-
|
-
|
-
|
-
|
ПА
1F8h
|
БП
|
1
|
РОН0
:= РР + П
|
на
конец нормализации
|
|
1F6h
|
-
|
-
|
-
|
-
|
СЧ
|
БПСч
|
0
|
РР
:= РОН0 + П
|
|
|
1F7h
|
-
|
-
|
-
|
-
|
СЧ
|
БПСч
|
0
|
РР
:= СЛЛ(РР + П)
|
|
|
1F8h
|
-
|
-
|
-
|
-
|
СЧ
|
БПСч
|
0
|
РОН0
:= РР + П
|
|
|
1F9h
|
-
|
-
|
-
|
-
|
СЧ
|
БПСч
|
0
|
РР
:= РОН1 + П
|
|
|
1FAh
|
-
|
-
|
-
|
-
|
СЧ
|
БПСч
|
0
|
РР
:= СЛЛ(РР + П)
|
|
|
1FBh
|
-
|
-
|
-
|
-
|
СЧ
|
БПСч
|
0
|
РОН1
:= РР + П
|
|
|
1FCh
|
-
|
-
|
-
|
-
|
СЧ
|
БПСч
|
0
|
РР
:= РОН2 + П
|
|
|
1FDh
|
-
|
-
|
-
|
-
|
ПА
1FEh
|
АСд1
|
0
|
РР
:= СЛЛ(РР + П)
|
|
|
1FEh
|
-
|
-
|
-
|
-
|
ПА
1FFh
|
БП
|
1
|
РР
:= !П
|
|
|
1FFh
|
-
|
-
|
-
|
-
|
СЧ
|
БПСч
|
1
|
РОН3
:= РОН3 + П
|
|
|
200h
|
-
|
-
|
-
|
-
|
ПА
1ECh
|
БП
|
х
|
РОН3
:= РОН3 - РР - 1 + П (П=0)
|
|
|
201h
|
-
|
-
|
-
|
-
|
СЧ
|
БПСч
|
0
|
РР
:= РОН0 + П
|
|
|
202h
|
-
|
-
|
-
|
-
|
ПА
204h
|
АСд1
|
0
|
РР
:= СЛП(РР + П)
|
|
|
203h
|
-
|
-
|
-
|
-
|
ПА
209h
|
БП
|
х
|
-
|
|
|
204h
|
-
|
-
|
-
|
-
|
СЧ
|
БПСч
|
0
|
РР
:= РОН1 + П
|
|
|
205h
|
-
|
-
|
-
|
-
|
СЧ
|
БПСч
|
0
|
РР
:= СЛП(РР + П)
|
|
|
206h
|
-
|
-
|
-
|
-
|
СЧ
|
БПСч
|
0
|
РОН7
:= РР + П
|
|
|
207h
|
-
|
-
|
-
|
-
|
СЧ
|
БПСч
|
1
|
РР
:= !П
|
|
|
208h
|
-
|
-
|
-
|
-
|
СЧ
|
БПСч
|
1
|
РР
:= СЦП(РР + П)
|
|
|
209h
|
-
|
-
|
-
|
-
|
ПА
20Dh
|
БП
|
х
|
РОН7
:= РОН7 + РР + П (П=0)
|
|
|
20Ah
|
-
|
-
|
-
|
СЧ
|
БПСч
|
0
|
РР
:= РОН1 + П
|
|
|
20Bh
|
-
|
-
|
-
|
-
|
СЧ
|
БПСч
|
0
|
РР
:= СЛП(РР + П)
|
|
|
20Ch
|
-
|
-
|
-
|
-
|
СЧ
|
БПСч
|
0
|
РОН7
:= РР + П
|
|
|
20Dh
|
-
|
-
|
-
|
-
|
СЧ
|
БПСч
|
0
|
РР
:= РОН0 + П
|
|
|
20Eh
|
-
|
-
|
-
|
-
|
СЧ
|
БПСч
|
0
|
РР
:= СЛП(РР + П)
|
|
|
20Fh
|
-
|
-
|
-
|
-
|
СЧ
|
БПСч
|
0
|
РОН6
:= РР + П
|
|
|
210h
|
-
|
-
|
-
|
-
|
СЧ
|
БПСч
|
0
|
РР
:= РРР + П
|
|
|
212h
|
-
|
-
|
-
|
-
|
ПА
219h
|
БП
|
х
|
РОН6
:= РОН6 + РР + П (П=0)
|
переход
на вывод
|
|
213h
|
-
|
-
|
-
|
-
|
СЧ
|
БПСч
|
1
|
РРР:=!П
|
фомир
сообщения об ошибке
|
|
214h
|
ГТ
|
РВ
|
-
|
М3:=(М2)
|
СЧ
|
БПСч
|
Х
|
ШИНВых:=(РРР)
|
СООБЩЕНИЕ
ОБ ОШИБКЕ
|
|
215h
|
-
|
-
|
-
|
-
|
СЧ
|
БПСч
|
1
|
РОН2
:= !П
|
|
|
216h
|
-
|
-
|
-
|
-
|
СЧ
|
БПСч
|
1
|
РОН3
:= !П
|
|
|
217h
|
-
|
-
|
-
|
-
|
СЧ
|
БПСч
|
1
|
РОН6
:= !П
|
|
|
218h
|
-
|
-
|
-
|
-
|
СЧ
|
БПСч
|
1
|
РОН7
:= !П
|
|
|
219h
|
-
|
-
|
-
|
М1:=(М3)
|
СЧ
|
АСД
|
0
|
-
|
Проверка
СД
|
|
21Ah
|
ГТ
|
РВ
|
-
|
М3:=(М2)
|
СЧ
|
БПСч
|
Х
|
ШИНВых:=(РОН6)
|
ВЫВОД
МАНТИССЫ С1
|
|
21Bh
|
-
|
-
|
-
|
М1:=(М3)
|
СЧ
|
АСД
|
0
|
-
|
Проверка
СД
|
|
21Ch
|
ГТ
|
РВ
|
-
|
М3:=(М2)
|
СЧ
|
БПСч
|
Х
|
ШИНВых:=(РОН7)
|
ВЫВОД
МАНТИССЫ С2
|
|
21Dh
|
-
|
-
|
-
|
М1:=(М3)
|
СЧ
|
АСД
|
0
|
-
|
Проверка
СД
|
|
21Eh
|
ГТ
|
РВ
|
-
|
М3:=(М2)
|
СЧ
|
БПСч
|
Х
|
ШИНВых:=(РОН2)
|
ВЫВОД
ПОРЯДКА Сp1
|
|
21Fh
|
-
|
-
|
-
|
М1:=(М3)
|
СЧ
|
АСД
|
0
|
-
|
Проверка
СД
|
|
220h
|
ГТ
|
РВ
|
-
|
М3:=(М2)
|
СЧ
|
БПСч
|
Х
|
ШИНВых:=(РОН3)
|
ВЫВОД
ПОРЯДКА Сp2
|
|
221h
|
-
|
-
|
-
|
М1:=(М3)
|
СЧ
|
АСД
|
0
|
-
|
Проверка
СД
|
|
222h
|
-
|
-
|
-
|
-
|
ПА
000h
|
БП
|
Х
|
-
|
Идём
в начало
|
|
ДЕЛЕНИЕ
|
|
223h
|
-
|
РВ
|
ПД
|
М3:=(М2)
|
ПА
224h
|
АП
|
1
|
РР:=(!РОН0)+П
|
если
П(А=0) то на 224h
|
|
224h
|
-
|
-
|
-
|
-
|
ПА
226h
|
БП
|
1
|
РОН7:=!П
|
Сm=0
|
|
225h
|
-
|
-
|
-
|
-
|
ПА
228h
|
АП
|
1
|
РР:=(!РОН1)+П
|
если
П(B=0) то на 228h
|
|
226h
|
-
|
-
|
-
|
-
|
СЧ
|
БПСч
|
1
|
РОН6:=!П
|
Сp=0
|
|
227h
|
-
|
-
|
-
|
-
|
ПА
2DEh
|
БП
|
1
|
РРР:=!П
|
Идём
на вывод
|
|
228h
|
-
|
-
|
-
|
-
|
ПА
214h
|
БП
|
0
|
РРР:=!П
|
вывод,
ERROR B=0
|
|
229h
|
-
|
-
|
-
|
-
|
СЧ
|
БПСч
|
1
|
РР
:= !П
|
А
& B != 0
|
|
22Ah
|
-
|
-
|
-
|
-
|
СЧ
|
БПСч
|
1
|
РР
:= СЦП(РР + П)
|
|
|
22Bh
|
-
|
-
|
-
|
-
|
СЧ
|
БПСч
|
0
|
РОН4
:= РР + П
|
записали
константу 1.00...00
|
|
22Ch
|
-
|
-
|
-
|
-
|
СЧ
|
БПСч
|
0
|
РР
:= РОН0 + П
|
Загрузили
Am
|
|
22Dh
|
-
|
-
|
-
|
-
|
СЧ
|
БПСч
|
X
|
РР
:= РОН1 xor РР
|
|
|
22Eh
|
-
|
-
|
-
|
СЧ
|
БПСч
|
X
|
РР
:= РОН4 and РР
|
Выделили
знак Cm
|
|
22Fh
|
-
|
-
|
-
|
-
|
СЧ
|
БПСч
|
0
|
РР
:= СЛП(РР + П)
|
Сдвинули
на вторую позицию
|
|
230h
|
-
|
-
|
-
|
-
|
СЧ
|
БПСч
|
0
|
РОН5
:= РР + П
|
записали
знак Cm
|
|
231h
|
-
|
-
|
-
|
-
|
СЧ
|
БПСч
|
0
|
РР
:= РОН1 + П
|
Загрузили
Bm
|
|
232h
|
-
|
-
|
-
|
-
|
СЧ
|
БПСч
|
X
|
РР
:= РОН4 and РР
|
Выделили
знак Bm
|
|
233h
|
-
|
-
|
-
|
-
|
СЧ
|
БПСч
|
0
|
РОН5
:= РОН5 + РР + П
|
записали
знак Bm
|
|
234h
|
-
|
-
|
-
|
-
|
СЧ
|
БПСч
|
0
|
РР
:= РОН5 + П
|
|
|
235h
|
-
|
-
|
-
|
-
|
СЧ
|
БПСч
|
0
|
РР
:= САП(РР + П)
|
Продублировали
знак Bm
|
|
236h
|
-
|
-
|
-
|
-
|
СЧ
|
БПСч
|
0
|
РОН5
:= РР + П
|
|
|
237h
|
-
|
-
|
-
|
-
|
СЧ
|
БПСч
|
0
|
РР
:= РОН1 + П
|
Загрузили
Bm
|
|
238h
|
-
|
-
|
-
|
-
|
СЧ
|
БПСч
|
X
|
РР
:= !РОН4 and РР
|
Выделили
мантиссу Bm
|
|
239h
|
-
|
-
|
-
|
-
|
СЧ
|
БПСч
|
0
|
РОН1
:= РР + П
|
записали
мантиссу Bm
|
|
23Ah
|
-
|
-
|
-
|
-
|
СЧ
|
БПСч
|
0
|
РР
:= !П
|
Формируем
счетчик =N-1
|
|
23Bh
|
-
|
-
|
-
|
-
|
СЧ
|
БПСч
|
0
|
РР
:= СЛП(РР + П)
|
|
|
23Ch
|
-
|
-
|
-
|
-
|
СЧ
|
БПСч
|
0
|
РОН4
:= РР + П
|
записали
счетчик
|
|
23Dh
|
-
|
-
|
-
|
-
|
СЧ
|
БПСч
|
0
|
РР
:= РОН0 + П
|
Загрузили
Am
|
|
23Eh
|
-
|
-
|
-
|
-
|
СЧ
|
БПСч
|
0
|
РР
:= СЛЛ(РР + П)
|
ЦИКЛ:
Сдвинули Sm=Am
|
|
23Fh
|
-
|
-
|
-
|
-
|
СЧ
|
БПСч
|
0
|
РОН0
:= РР + П
|
записали
Sm
|
|
240h
|
-
|
-
|
-
|
-
|
СЧ
|
БПСч
|
0
|
РР
:= РОН7 + П
|
Загрузили
Cm
|
|
241h
|
-
|
-
|
-
|
-
|
СЧ
|
БПСч
|
0
|
РР
:= СЛЛ(РР + П)
|
Сдвинули
|
|
242h
|
-
|
-
|
-
|
-
|
СЧ
|
БПСч
|
0
|
РОН7
:= РР + П
|
записали
Cm
|
|
243h
|
-
|
-
|
-
|
-
|
СЧ
|
БПСч
|
0
|
РР
:= РОН0 + П
|
Загрузили
Sm
|
|
244h
|
-
|
-
|
-
|
-
|
ПА
245h
|
АСД1
|
0
|
РР
:= СЦЛ(РР + П)
|
Анализ
!СД1; проверяем Sm>0 или <0
|
|
245h
|
-
|
-
|
-
|
-
|
ПА
247h
|
БП
|
1
|
РР
:= !П
|
!СД1=1,
т.е. Sm>0; формируем константу 1.00...00;
|
|
246h
|
-
|
-
|
-
|
-
|
ПА
24Bh
|
БП
|
1
|
РР
:= !П
|
!СД1=0,
т.е. Sm<0; формируем константу 1.00...00;
|
|
247h
|
-
|
-
|
-
|
-
|
СЧ
|
БПСч
|
1
|
РР
:= СЦП(РР + П)
|
|
|
248h
|
-
|
-
|
-
|
-
|
ПА
24Ah
|
БП
|
0
|
РОН5
:= РОН5 + РР + П
|
Изменили
знак Bm;
|
|
249h
|
-
|
-
|
-
|
-
|
СЧ
|
БПСч
|
1
|
РР
:= СЦП(РР + П)
|
|
|
24Ah
|
-
|
-
|
-
|
-
|
СЧ
|
БПСч
|
X
|
РР
:= РОН0 and !РР
|
Выделили
мантиссу Sm
|
|
24Bh
|
-
|
-
|
-
|
-
|
СЧ
|
БПСч
|
0
|
РОН6
:= РР + П
|
записали
мантиссу Sm
|
|
24Ch
|
-
|
-
|
-
|
-
|
СЧ
|
БПСч
|
0
|
РР
:= РОН0 + П
|
Загрузили
Sm
|
|
24Dh
|
-
|
-
|
-
|
-
|
СЧ
|
БПСч
|
X
|
РР
:= РОН5 xor РР
|
сравниваем
знаки Sm и Bm
|
|
24Eh
|
-
|
-
|
-
|
-
|
ПА
24Fh
|
АСД1
|
0
|
РР
:= СЦЛ(РР + П)
|
Анализ
!СД1
|
|
24Fh
|
-
|
-
|
-
|
-
|
ПА
25Eh
|
БП
|
0
|
РР
:= РОН6 + П
|
!СД1=1,
т.е. знаки одинаковые; загрузили Sm;
|
|
250h
|
-
|
-
|
-
|
-
|
СЧ
|
БПСч
|
0
|
РР
:= РОН6 + П
|
!СД1=0,
т.е. знаки разные; загрузили Sm
|
|
251h
|
-
|
-
|
-
|
-
|
БПСч
|
0
|
РР
:= РР - РОН1 - 1 + П
|
Sm=Sm-Bm
|
|
252h
|
-
|
-
|
-
|
-
|
СЧ
|
БПСч
|
0
|
РР
:= СЦЛ(РР + П)
|
Анализ
!СД1; проверяем Sm>0 или <0
|
|
253h
|
-
|
-
|
-
|
-
|
ПА
25Fh
|
БП
|
0
|
РР
:= СЦП(РР + П)
|
!СД1=1,
т.е. Cm>0;
|
|
254h
|
-
|
-
|
-
|
-
|
СЧ
|
БПСч
|
0
|
РР
:= РОН1 + П
|
!СД1=0,
т.е. Cм<0; загрузили Bm
|
|
255h
|
-
|
-
|
-
|
-
|
СЧ
|
БПСч
|
0
|
РР
:= РР - РОН6 - 1 + П
|
Sm=Bm-Sm
|
|
256h
|
-
|
-
|
-
|
-
|
СЧ
|
БПСч
|
0
|
РОН6
:= РР + П
|
Sm=Bm-Sm;
|
|
257h
|
-
|
-
|
-
|
-
|
СЧ
|
БПСч
|
0
|
РР
:= РОН5 + П
|
загрузили
регистр со знаками
|
|
258h
|
-
|
-
|
-
|
-
|
СЧ
|
БПСч
|
0
|
РР
:= СЛЛ(РР + П)
|
|
|
259h
|
-
|
-
|
-
|
-
|
СЧ
|
БПСч
|
0
|
РОН5
:= РР + П
|
|
|
25Ah
|
-
|
-
|
-
|
-
|
СЧ
|
БПСч
|
1
|
РР
:= !П
|
|
|
25Bh
|
-
|
-
|
-
|
-
|
СЧ
|
БПСч
|
1
|
РР
:= СЦП(РР + П)
|
сформировали
1.00...000
|
|
25Ch
|
-
|
-
|
-
|
-
|
ПА
264h
|
БП
|
X
|
РР
:= РОН5 and РР
|
Выделили
знак Bm;
|
|
25Eh
|
-
|
-
|
-
|
-
|
СЧ
|
БПСч
|
0
|
РР
:= РОН1 + РР + П
|
from 12Fh; Sm=Sm+Bm
|
|
25Fh
|
-
|
-
|
-
|
-
|
СЧ
|
БПСч
|
0
|
РОН6
:= РР + П
|
Sm=Sm+Bm
|
|
260h
|
-
|
-
|
-
|
-
|
СЧ
|
БПСч
|
X
|
-
|
|
|
261h
|
-
|
-
|
-
|
-
|
СЧ
|
БПСч
|
1
|
РР
:= !П
|
|
|
262h
|
-
|
-
|
-
|
-
|
СЧ
|
БПСч
|
1
|
РР
:= СЦП(РР + П)
|
сформировали
1.00...000
|
|
263h
|
-
|
-
|
-
|
-
|
СЧ
|
БПСч
|
X
|
РР
:= РОН0 and РР
|
Выделили
знак Sm
|
|
264h
|
-
|
-
|
-
|
-
|
СЧ
|
БПСч
|
X
|
РР
:= РОН6 or РР
|
Сформировали
Sm
|
|
265h
|
-
|
-
|
-
|
-
|
СЧ
|
БПСч
|
0
|
РОН0
:= РР + П
|
Сохр
Sm
|
|
266h
|
-
|
-
|
-
|
-
|
ПА
267h
|
АСД1
|
0
|
РР
:= СЦЛ(РР + П)
|
Анализ
!СД1; проверяем Sm>0 или <0
|
|
267h
|
-
|
-
|
-
|
-
|
ПА
269h
|
БП
|
1
|
РОН7
:= РОН7 + П
|
!СД1=1,
т.е. Sm>0;
|
|
268h
|
-
|
-
|
-
|
-
|
СЧ
|
БПСч
|
X
|
-
|
!СД1=0,
т.е. Sm<0;
|
|
269h
|
-
|
-
|
-
|
-
|
СЧ
|
БПСч
|
0
|
РР
:= РОН5 + П
|
загрузили
регистр со знаками
|
|
26Ah
|
-
|
-
|
-
|
-
|
СЧ
|
БПСч
|
0
|
РР
:= САП(РР + П)
|
Продублировали
знак Bm
|
|
26Bh
|
-
|
-
|
-
|
-
|
СЧ
|
БПСч
|
0
|
РОН5
:= РР + П
|
|
|
26Ch
|
-
|
-
|
-
|
-
|
СЧ
|
БПСч
|
0
|
РР
:= РОН4 + П
|
Загрузили
счетчик
|
|
26Dh
|
-
|
-
|
-
|
-
|
ПА
26Eh
|
АСД1
|
0
|
РР
:= СЛП(РР + П)
|
Анализ
!СД1;
|
|
26Eh
|
-
|
-
|
-
|
-
|
ПА
270h
|
БП
|
1
|
РР
:= !П
|
!СД1=1,т.е.
вышел 0; выходим из цикла;
|
|
26Fh
|
-
|
-
|
-
|
-
|
ПА
23Dh
|
БП
|
0
|
РОН4
:= РР + П
|
!СД1=0,т.е
вышла 1; продолжаем цикл;
|
|
270h
|
-
|
-
|
-
|
-
|
СЧ
|
БПСч
|
0
|
РР
:= РОН5 + П (П=0)
|
загрузили
регистр со знаками
|
|
271h
|
-
|
-
|
-
|
-
|
СЧ
|
БПСч
|
0
|
РР
:= СЛЛ(РР + П) (П=0)
|
|
|
272h
|
-
|
-
|
-
|
-
|
СЧ
|
БПСч
|
0
|
РР
:= СЛЛ(РР + П) (П=0)
|
|
|
273h
|
-
|
-
|
-
|
-
|
СЧ
|
БПСч
|
0
|
РОН0
:= РР + П
|
записали
знак Cm
|
|
274h
|
-
|
-
|
-
|
-
|
СЧ
|
БПСч
|
1
|
РР
:= !П
|
|
|
275h
|
-
|
-
|
-
|
-
|
СЧ
|
1
|
РР
:= СЦП(РР + П)
|
|
|
276h
|
-
|
-
|
-
|
-
|
СЧ
|
БПСч
|
0
|
РОН4
:= РР + П
|
записали
константу 1.00...00
|
|
277h
|
-
|
-
|
-
|
-
|
СЧ
|
БПСч
|
0
|
РР
:= РОН2 + П
|
Загрузили
Ap
|
|
278h
|
-
|
-
|
-
|
-
|
СЧ
|
БПСч
|
X
|
РР
:= !РОН4 and РР
|
Выделили
мантиссу Ap
|
|
279h
|
-
|
-
|
-
|
-
|
СЧ
|
БПСч
|
0
|
РОН5
:= РР + П
|
записали
Ap
|
|
27Ah
|
-
|
-
|
-
|
-
|
СЧ
|
БПСч
|
0
|
РР
:= РОН3 + П
|
Загрузили
Bp
|
|
27Bh
|
-
|
-
|
-
|
-
|
СЧ
|
БПСч
|
X
|
РР
:= !РОН4 and РР
|
Выделили
мантиссу Bp
|
|
27Ch
|
-
|
-
|
-
|
-
|
СЧ
|
БПСч
|
0
|
РОН7
:= РР + П
|
записали
Bp
|
|
27Dh
|
-
|
-
|
-
|
-
|
СЧ
|
БПСч
|
0
|
РР
:= РОН2 + П
|
Загрузили
Ap
|
|
27Eh
|
-
|
-
|
-
|
-
|
СЧ
|
БПСч
|
X
|
РР
:= РОН3 xor РР
|
|
|
27Fh
|
-
|
-
|
-
|
-
|
ПА
280h
|
АСД1
|
0
|
РР
:= СЦЛ(РР + П)
|
Анализ
!СД1; проверяем равны ли знаки у порядков
|
|
280h
|
-
|
-
|
-
|
-
|
ПА
284h
|
БП
|
0
|
РР
:= РОН5 + П
|
!СД1=1,
т.е. знаки==; загрузили Ap;
|
|
281h
|
-
|
-
|
-
|
-
|
СЧ
|
БПСч
|
0
|
РР
:= РОН5 + П
|
!СД1=0,
т.е. знаки разные; загрузили Ap
|
|
282h
|
-
|
-
|
-
|
-
|
СЧ
|
БПСч
|
0
|
РР
:= РОН7 + РР + П
|
Cp=Ap+Bp
|
|
283h
|
-
|
-
|
-
|
-
|
СЧ
|
БПСч
|
0
|
РОН6
:= РР + П
|
записали
Cp
|
|
284h
|
-
|
-
|
-
|
-
|
СЧ
|
БПСч
|
1
|
РР
:= РР - РОН7 - 1 + П
|
Cp=Ap-Bp
|
|
285h
|
-
|
-
|
-
|
-
|
СЧ
|
БПСч
|
0
|
РОН6
:= РР + П
|
записали
Cp
|
|
286h
|
-
|
-
|
-
|
-
|
ПА
287h
|
АСД1
|
0
|
РР
:= СЦЛ(РР + П)
|
Анализ
!СД1; проверяем Cp>0 или <0
|
|
287h
|
-
|
-
|
-
|
-
|
ПА
28Fh
|
БП
|
0
|
РР
:= РОН4 + П
|
!СД1=1,
т.е. Cp>0; загрузили константу 1.00...00;
|
|
288h
|
-
|
-
|
-
|
-
|
СЧ
|
БПСч
|
0
|
РР
:= РОН7 + П
|
!СД1=0,
т.е. Cп<0; загрузили Bp
|
|
289h
|
-
|
-
|
-
|
-
|
СЧ
|
БПСч
|
1
|
РР
:= РР - РОН5 - 1 + П
|
Cp=Bp-Ap
|
|
28Ah
|
-
|
-
|
-
|
-
|
СЧ
|
БПСч
|
0
|
РОН6
:= РР + П
|
записали
Cp
|
|
28Bh
|
-
|
-
|
-
|
-
|
СЧ
|
БПСч
|
0
|
РР
:= РОН4 + П
|
|
|
28Ch
|
-
|
-
|
-
|
-
|
СЧ
|
БПСч
|
X
|
РР
:= РОН3 and РР
|
Выделили
знак Bp
|
|
28Dh
|
-
|
-
|
-
|
-
|
СЧ
|
БПСч
|
0
|
РР
:= РОН4 + РР + П
|
Изменили
знак Bp
|
|
28Eh
|
-
|
-
|
-
|
-
|
СЧ
|
БПСч
|
0
|
РОН6
:= РОН6 or РР
|
Сформировали
Cp
|
|
28Fh
|
-
|
-
|
-
|
-
|
СЧ
|
БПСч
|
0
|
РР
:= РОН2 and РР
|
Выделили
знак Ap
|
|
290h
|
-
|
-
|
-
|
-
|
СЧ
|
БПСч
|
0
|
РОН6
:= РОН6 or РР
|
Сформировали
Cp
|
|
291h
|
-
|
-
|
-
|
-
|
СЧ
|
БПСч
|
0
|
РР
:= РОН4 + П
|
загрузили
1.00…00
|
|
292h
|
-
|
-
|
-
|
-
|
СЧ
|
БПСч
|
0
|
РОН3
:= РР + П
|
записали
|
|
293h
|
-
|
-
|
-
|
-
|
СЧ
|
БПСч
|
0
|
РР
:= РОН0 + П
|
Загрузили
знак Cm
|
|
294h
|
-
|
-
|
-
|
-
|
СЧ
|
БПСч
|
0
|
РОН2
:= РР + П
|
проверяем
на переполнение Cm
|
|
295h
|
-
|
-
|
-
|
-
|
ПА
296h
|
АСД1
|
0
|
РР
:= СЦЛ(РР + П)
|
Анализ
!СД1; проверяемCm>0или<0;наПЕРЕПОЛНЕНИЕ
|
|
296h
|
-
|
-
|
-
|
-
|
ПА
298h
|
БП
|
0
|
РР
:= РОН6 + П
|
!СД1=1,
т.е. Cm>0; ПЕРЕПОЛН НЕТ;загрузили Cp;
|
|
297h
|
-
|
-
|
-
|
-
|
ПА
2AEh
|
БП
|
0
|
РР
:= РОН6 + П
|
!СД1=0,
т.е. Cм<0; ПЕРЕПОЛНЕНИЕ;загрузили Cp;
|
|
298h
|
-
|
-
|
-
|
-
|
СЧ
|
БПСч
|
РР
:= РОН3 and РР
|
Выделили
знак Cp
|
|
299h
|
-
|
-
|
-
|
-
|
СЧ
|
БПСч
|
0
|
РОН4
:= РР + П
|
записали
знак Cp
|
|
29Ah
|
-
|
-
|
-
|
-
|
СЧ
|
БПСч
|
0
|
РР
:= РОН3 + П
|
|
|
29Bh
|
-
|
-
|
-
|
-
|
СЧ
|
БПСч
|
X
|
РОН6
:= РОН6 and !РР
|
Cp
без знака
|
|
29Ch
|
-
|
-
|
-
|
-
|
СЧ
|
БПСч
|
0
|
РР
:= РОН7 + П
|
ПРОВЕРКА
НА ДЕНОРМАЛИЗАЦИЮ
|
|
29Eh
|
-
|
-
|
-
|
-
|
СЧ
|
БПСч
|
0
|
РР
:= СЦЛ(РР + П)
|
|
|
29Fh
|
-
|
-
|
-
|
-
|
СЧ
|
БПСч
|
X
|
РР
:= РОН7 xor РР
|
|
|
2A0h
|
-
|
-
|
-
|
-
|
ПА2A1h
|
АСД1
|
0
|
РР
:= СЦЛ(РР + П)
|
Анализ
!СД1; проверяем равен ли числовой разряд 0
|
|
2A1h
|
-
|
-
|
-
|
-
|
ПА
2A3h
|
БП
|
0
|
РР
:= РОН7 + П
|
!СД1=1,
т.е. =0; загружаем Cm; НОРМАЛИЗУЕМ
|
|
2A2h
|
-
|
-
|
-
|
-
|
СЧ
|
БП
|
0
|
РР
:= РОН7 + П
|
!СД1=0,
т.е. !=0; ДЕНОРМ НЕТ; загружаем Cm;
|
|
2A3h
|
-
|
-
|
-
|
-
|
СЧ
|
БПСч
|
0
|
РР
:= СЛЛ(РР + П)
|
Сдвигаем
Cm влево
|
|
2A4h
|
-
|
-
|
-
|
-
|
СЧ
|
БПСч
|
0
|
РОН7
:= РР + П
|
записали
сдвинутое
|
|
2A5h
|
-
|
-
|
-
|
-
|
СЧ
|
БПСч
|
0
|
РР
:= РОН4 + П
|
Загрузили
знак Cp
|
|
2A6h
|
-
|
-
|
-
|
-
|
ПА
2A7h
|
АСД1
|
0
|
РР
:= СЦЛ(РР + П)
|
Анализ
!СД1; проверяем какой знак у Cp
|
|
2A7h
|
-
|
-
|
-
|
-
|
ПА
2A9h
|
АП
|
1
|
РР
:= !РОН6 + П
|
!СД1=1,
т.е.знак "+", нужно вычесть 1; проверка на 0;
|
|
2A8h
|
-
|
-
|
-
|
-
|
ПА
29Ch
|
БП
|
1
|
РОН6
:= РОН6 + П
|
!СД1=0,
т.е.знак "-", нужно добавить 1;
|
|
2A9h
|
-
|
-
|
-
|
-
|
ПА
2ACh
|
БП
|
1
|
РР
:= !П
|
П=1,т.е.
Cp=0;меняем знак у Cp;
|
|
2AAh
|
-
|
-
|
-
|
-
|
СЧ
|
БПСч
|
1
|
РР
:= !П
|
П=0,
т.е. Cp!=0; нужно вычесть 1
|
|
2ABh
|
-
|
-
|
-
|
-
|
ПА
29Ch
|
БП
|
0
|
РОН6
:= РОН6 - РР - 1+П
|
|
|
2ACh
|
-
|
-
|
-
|
-
|
СЧ
|
БПСч
|
1
|
РР
:= СЦП(РР + П)
|
|
|
2ADh
|
-
|
-
|
-
|
-
|
ПА
2A8h
|
БП
|
0
|
РОН4
:= РР + П
|
записали
знак Cp "-";
|
|
2AEh
|
-
|
-
|
-
|
-
|
СЧ
|
БПСч
|
X
|
РР
:= РОН3 and РР
|
ПЕРЕПОЛНЕНИЕ
Cm; from 0E9h;Выделили знак Cp
|
|
2AFh
|
-
|
-
|
-
|
-
|
СЧ
|
БПСч
|
0
|
РОН4
:= РР + П
|
записали
знак Cp
|
|
2B0h
|
-
|
-
|
-
|
-
|
СЧ
|
БПСч
|
0
|
РР
:= РОН3 + П
|
|
|
2B1h
|
-
|
-
|
-
|
-
|
СЧ
|
БПСч
|
X
|
РОН6
:= РОН6 and !РР
|
Cp
без знака
|
|
2B2h
|
-
|
-
|
-
|
-
|
СЧ
|
БПСч
|
0
|
РР
:= РОН7 + П
|
загрузили
Cm
|
|
2B3h
|
-
|
-
|
-
|
-
|
СЧ
|
БП
|
0
|
РР
:= СЛП(РР + П)
|
Сдвигаем
Cm вправо
|
|
2B4h
|
-
|
-
|
-
|
-
|
СЧ
|
БПСч
|
0
|
РР
:= РОН6 + П
|
АНАЛИЗ
НА ПЕРЕПОЛНЕНИЕ Cp
|
|
2B5h
|
-
|
-
|
-
|
-
|
ПА
2B6h
|
АСД1
|
0
|
РР
:= СЦЛ(РР + П)
|
Анализ
!СД1; проверяем знак
|
|
2B6h
|
-
|
-
|
-
|
-
|
ПА
2BDh
|
БП
|
X
|
-
|
!СД1=1,т.е.
знак "+"; переполнения НЕТ;
|
|
2B7h
|
-
|
-
|
-
|
-
|
СЧ
|
БПСч
|
0
|
РР
:= РОН4 + П
|
!СД1=0,т.е.
знак "-"; переполнение ЕСТЬ
|
|
2B8h
|
-
|
-
|
-
|
-
|
ПА
2B9h
|
АСД1
|
0
|
РР
:= СЦЛ(РР + П)
|
Анализ
!СД1; проверяем знак
|
|
2B9h
|
-
|
-
|
-
|
-
|
ПА
2BBh
|
БП
|
0
|
РР
:= !П
|
!СД1=1,т.е.
знак "+"; Cm=полное переполнение;
|
|
2BAh
|
-
|
-
|
-
|
-
|
ПА
2BDh
|
БП
|
1
|
РОН7
:= !П
|
!СД1=0,т.е.
знак "-"; Cm=0;
|
|
2BBh
|
-
|
-
|
-
|
-
|
СЧ
|
БПСч
|
0
|
РР
:= СЛП(РР + П)
|
|
|
2BCh
|
-
|
-
|
-
|
-
|
СЧ
|
БПСч
|
0
|
записали
Cm = 0.11...111
|
|
2BDh
|
-
|
-
|
-
|
-
|
СЧ
|
БПСч
|
0
|
РР
:= РОН4 + П
|
Загрузили
знак Cp
|
|
2BEh
|
-
|
-
|
-
|
-
|
СЧ
|
БПСч
|
X
|
РОН6
:= РОН6 or РР
|
Сформировали
Cp со знаком
|
|
2BFh
|
-
|
-
|
-
|
-
|
СЧ
|
БПСч
|
0
|
РР
:= РОН6 + П
|
|
|
2BFh
|
-
|
-
|
-
|
-
|
СЧ
|
БПСч
|
0
|
РОН5
:= РР + П
|
|
|
2BFh
|
-
|
-
|
-
|
-
|
СЧ
|
БПСч
|
0
|
РР
:= РОН7 + П
|
|
|
2BFh
|
-
|
-
|
-
|
-
|
СЧ
|
БПСч
|
0
|
РОН4
:= РР + П
|
|
|
2C3h
|
-
|
-
|
-
|
-
|
ПА
2DEh
|
БП
|
1
|
РРР:=!П
|
Идём
на вывод
|
|
КОНЪЮНКЦИЯ
|
|
2C4h
|
-
|
РВ
|
ПД
|
М3:=(М2)
|
СЧ
|
БПСч
|
0
|
РР:=(РОН0)+П
|
|
|
2C5h
|
-
|
-
|
-
|
-
|
СЧ
|
БПСч
|
0
|
РР:=(PОН2)
and (РР)
|
|
|
2C6h
|
-
|
-
|
-
|
-
|
СЧ
|
БПСч
|
0
|
PОН4:=(РР)+П
|
|
|
2C7h
|
-
|
-
|
-
|
-
|
СЧ
|
БПСч
|
0
|
РР:=(РОН1)+П
|
|
|
2C8h
|
-
|
-
|
-
|
-
|
СЧ
|
БПСч
|
0
|
РР:=(PОН3)
and (РР)
|
|
|
2C9h
|
-
|
-
|
-
|
-
|
СЧ
|
БПСч
|
0
|
PОН5:=(РР)+П
|
|
|
2CAh
|
-
|
-
|
-
|
-
|
ПА
2DEh
|
БП
|
1
|
РРР:=!П
|
Идём
на вывод
|
|
ДИЗЪЮНКЦИЯ
|
|
2CBh
|
-
|
РВ
|
ПД
|
М3:=(М2)
|
СЧ
|
БПСч
|
0
|
РР:=(РОН0)+П
|
|
|
2CCh
|
-
|
-
|
-
|
-
|
СЧ
|
БПСч
|
0
|
РР:=(PОН1)
or (РР)
|
|
|
2CDh
|
-
|
-
|
-
|
-
|
СЧ
|
БПСч
|
0
|
PОН4:=(РР)+П
|
|
|
2CEh
|
-
|
-
|
-
|
-
|
СЧ
|
БПСч
|
0
|
РР:=(РОН2)+П
|
|
|
2CFh
|
-
|
-
|
-
|
-
|
СЧ
|
БПСч
|
0
|
РР:=(PОН3)
and (РР)
|
|
|
2D0h
|
-
|
-
|
-
|
-
|
СЧ
|
БПСч
|
0
|
PОН5:=(РР)+П
|
|
|
2D1h
|
-
|
-
|
-
|
-
|
ПА
2DEh
|
БП
|
1
|
РРР:=!П
|
Идём
на вывод
|
|
ОТРИЦАНИЕ
|
|
2D2h
|
-
|
РВ
|
ПД
|
М3:=(М2)
|
СЧ
|
БПСч
|
0
|
РР:=(!РОН0)+П
|
|
|
2D3h
|
-
|
-
|
-
|
-
|
СЧ
|
БПСч
|
0
|
PОН4:=(РР)+П
|
|
|
2D4h
|
-
|
-
|
-
|
-
|
СЧ
|
БПСч
|
0
|
РР:=(!РОН2)+П
|
|
|
2D5h
|
-
|
-
|
-
|
-
|
СЧ
|
БПСч
|
0
|
PОН5:=(РР)+П
|
|
|
2D6h
|
-
|
-
|
-
|
-
|
ПА
2DEh
|
БП
|
1
|
РРР:=!П
|
Идём
на вывод
|
|
ДЕЛЕНИЕ ПО МОДУЛЮ 2
|
|
2D7h
|
-
|
РВ
|
ПД
|
М3:=(М2)
|
СЧ
|
БПСч
|
0
|
РР:=(РОН0)+П
|
|
|
2D8h
|
-
|
-
|
-
|
-
|
СЧ
|
БПСч
|
0
|
РР:=(PОН1)
хor (РР)
|
|
|
2D9h
|
-
|
-
|
-
|
-
|
СЧ
|
БПСч
|
0
|
PОН4:=(РР)+П
|
|
|
2DAh
|
-
|
-
|
-
|
-
|
СЧ
|
БПСч
|
0
|
РР:=(РОН2)+П
|
|
|
2DBh
|
-
|
-
|
-
|
-
|
СЧ
|
БПСч
|
0
|
РР:=(PОН3)
xor (РР)
|
|
|
2DCh
|
-
|
-
|
-
|
-
|
СЧ
|
БПСч
|
0
|
PОН5:=(РР)+П
|
|
|
2DDh
|
-
|
-
|
-
|
-
|
ПА
2DEh
|
БП
|
1
|
РРР:=!П
|
Идём
на вывод
|
|
ВЫВОДЫ
|
|
2DEh
|
ГТ
|
РВ
|
-
|
М3:=(М2)
|
СЧ
|
БПСч
|
Х
|
ШИНВых:=(РОН5)
|
ВЫВОД
МАНТИССЫ С
|
|
2DFh
|
-
|
-
|
-
|
СЧ
|
АСД
|
0
|
-
|
Проверка
СД
|
|
2E0h
|
ГТ
|
РВ
|
-
|
М3:=(М2)
|
СЧ
|
БПСч
|
Х
|
ШИНВых:=(РОН4)
|
ВЫВОД
ПОРЯДКА Сp
|
|
2E1h
|
-
|
-
|
-
|
М1:=(М3)
|
СЧ
|
АСД
|
0
|
-
|
Проверка
СД
|
|
2E2h
|
-
|
-
|
-
|
-
|
ПА
000h
|
БП
|
Х
|
-
|
Идём
в начало
|
1 2. Структурное
проектирование
Применение интегральной элементной базы при
разработке микроЭВМ существенно упрощает процесс структурного проектирования.
Выпускаемые микропроцессорные комплекты (МПК) в значительной степени определяют
архитектурные принципы организации проектируемых средств вычислительной
техники. В частности, МПК с микропрограммным управлением содержат
функциональные устройства с определенной структурой и системами
микроинструкций, а разводка и назначение выводов микросхем ориентированы на
определенные типы технических интерфейсов.
В ходе данного курсового проектирования был
использован МПК типа К584ВМ1.
2.1 Структурная
схема микроЭВМ
Структурная схема разрабатываемой в рамках
данного курсового проекта микроЭВМ представлена на рисунке 7.
Операционная часть (ОЧ) включает блок
микропроцессоров БМП со схемой ускоренного переноса СУП.
Управляющая часть (УЧ) реализована на регистре
R7 БМП и управляющей памяти УП.
Интерфейсная часть выполнена на базе блока магистральных
приёмопередатчиков БМПП, который обеспечивает обмен между интерфейсом внешней
системы и внутренним четырехмагистральным интерфейсом.
Работа устройства происходит следующим образом.
выдает тактирующие импульсы для обеспечения синхронной работы БМП и БМПП.
Остальные узлы специализированной ЭВМ работают асинхронно. Регистр R7 формирует
последовательность адресов микрокоманд, которая через ША поступает в УП. Из УП
выбирается соответствующая микрокоманда и поступает на входы ШМИ БМП и МИ
остальных узлов. При выполнении безусловного перехода в микропрограмме из УП
выбирается адрес, которые через MI попадает на ШВх БМП и записывается в R7. Это
поле также используется для ввода констант.
Формат микрокоманд для разрабатываемой микроЭВМ
приведен в таблице 1.
Таблица 1 - Формат микрокоманды
|
ФОРМАТ
МИКРОКОМАНДЫ.
|
|
ГТ
|
ПД
|
РВ
|
БМПП
|
МЛУ
|
БМУ
|
БМП
|
ВхП
|
|
37
|
36
|
35
|
34..27
|
26..24
|
23..10
|
9..1
|
0
|
БМП - Микроинструкции блока микропроцессора
БМУ - Микроинструкции блока микропрограммного
управления
БМПП - Микроинструкции магистрального
приемо-передатчика
МЛУ - Микроинструкции мультиплексора логических
условий
Рисунок 6 - Структурная схема микроЭВМ
БМПП. Блок магистрального приемо-передатчика
предназначен для приема, хранения и передачи байтов информации между тремя
двунаправленными магистралями М1, М2, М3 . Две магистрали М1 и М2 предназначены
для внутрипроцессорного обмена, а третья умощенная магистраль М3 - для
организации интерфейса микроЭВМ и работы на согласованные линии связи.. М1 -
Магистраль ввода
b. М2
- Магистраль вывода. М3 - Магистраль связи с внешним устройством. МИ -
Вход кода микроинструкции
БМП. Блок микропроцессора, предназначен для
арифметико-логической обработки и временного хранения информации,
представленной в двоичном коде.. ДВх - Входная шина данных
b. ДВ
- Выходная шина данных. СД1 - Выход сдвига. ВхП - Вход переноса АЛУ. МИ
- Вход кода микроинструкции. ЧП1, ЧП2 - Выходы частичных переносов. СП
- Вход секционного переноса АЛУ
СУП. Схема ускоренного переноса, предназначена
для организации цепей сквозного распространения сигналов переносов в
процессорах, построенных с использованием нескольких БИС ЦПЭ. Формирует
выходной перенос АЛУ(ВП) как функцию от входа переноса (ВхП) и ЧП.. ВхП -
Вход переноса АЛУ
b. ВП - Выход переноса АЛУ. СП -
трехразрядная шина, генерирует сигналы ускоренного переноса
МЛУ. Мультиплексор логических условий,
предназначен для организации условных переходов.. МИ - Входная шина микрокоманд
b. ЛУ - Шина входа логических условий. М0,
М1 - Выходы признаков модификации адреса микрокоманд
БМУ. Блок микропрограммного управления,
предназначен для формирования последовательности адресов УП микрокоманд как
функции от кодов команд, поступающих из УП инструкций, и значения признаков
модификации, поступающих в БМУ из вешних схем, и осуществляет контроль питания
микроЭВМ.. М1, М0 - Входы признаков модификации адресов микрокоманд
b. МИ
- Входная шина микрокоманд. ШД - Шина данных. АМК - Выходная шина
адреса микрокоманд.
УП. Управляющая память, предназначена для хранения
микропрограмм и выдачи микрокоманд по соответствующей шине микрокоманд в цикле
чтения.. АМК - Входная шина адреса микрокоманды
b. МК - Выходная шина микрокоманды
БС. Универсальный контроллер синхронизации,
предназначен для организации блоков синхронизации микроЭВМ, контроллеров УВВ,
либо самостоятельного применения в системах распространения тактовых сигналов.
Формирует синхроимпульсы СИ1, СИ2, СИ3.
Перед отображением исходного алгоритма в системе
микрокоманд необходимо определить системы символьного и двоичного кодирования
микроинструкций отдельных блоков и микрокоманд в целом (мнемокоды). Для
микросхем из стандартного МПК К584 символьные и двоичные коды микроинструкций
даются в справочных технических материалах.
Таблица 2
-
МИ
МЛУ
|
Мнемокод
МИ
|
М1
|
М0
|
Двоичный
код МИ (20-18)
|
Примечание
|
|
КСПД
|
0
|
!ССД
|
000
|
коммутация
инверсии СCД
|
|
КС1
|
!СД1
|
!СД1
|
001
|
Комм-я
выхода одинарного сдвига
|
|
КВП
|
!выхПАЛУ
|
!выхПАЛУ
|
010
|
коммутация
инв. выхода
ПАЛУ
|
|
К1
|
1
|
1
|
011
|
коммутация
лог-ой единицы
|
|
К0
|
0
|
0
|
1XX
|
коммутация
логического нуля
|
Таблица 3
- МИ БМУ
|
Мнемокод
команды
|
Комментарии
|
|
СЧ
|
Естественная
адресация
|
|
ПАххххх
|
Принудительная
адресация на адрес ххххх
|
|
РКМ:=ШД(2-0),АТР
|
Принудительная
адресация по трем младшим битам РКМ
|
Таблица 4 - МИ БМПП
|
Двоичный
код
|
Мнемокод
|
Описание
|
|
0
|
x
|
М3:=М2
|
Данные
на вход внешней системы
|
|
1
|
x
|
М1:=М3
|
Данные
на вход микроЭВМ
|
|
X
|
0
|
ОТКЛ
|
Магистраль
для связи с вн сист отключена
|
|
x
|
1
|
ОТКЛ
|
Отключена
магистраль для связи с микроЭВМ
|
Таблица 5 - Мнемокоды ВхП
|
Двоичный
код
|
Мнемокод
|
Описание
|
|
0
|
0
|
Нет
переноса
|
|
1
|
1
|
Есть
перенос
|
Таблица 6 - Коды операций
|
Код
|
Операция
|
|
0x0001
|
Сложение
|
|
0x0002
|
Вычитание
|
|
0x0003
|
Умножение
|
|
0x0004
|
Деление
|
|
0x0005
|
И
|
|
0x0006
|
ИЛИ
|
|
0x0007
|
НЕ
|
3.
Функциональное проектирование
При функциональном проектировании осуществляется
отображение структурной схемы микроЭВМ на множестве элементов конкретных
интегральных серий. Результатами функционального этапа проектирования являются
функциональные схемы микроЭВМ и временные диаграммы ее типовых микрокомандных,
машинных и командных циклов работы. Функциональные схемы выполняются с
использованием стандартных условных графических обозначений (УГО) без указания
цоколевки выводов микросхем и без разводки шин питания. Также не требуется
указания номиналов пассивных элементов (резисторов, конденсаторов и т.п.) и
изображения разнесенных емкостных высокочастотных фильтров.
Нумерация шин магистрали управления отображена в
таблице 7.
|
Номер
шины
|
Функцианальное
назначение
|
|
1
|
сигнал
входного переноса БМП
|
|
2-10
|
микроинструкция
БМП
|
|
11
|
выход
сигнала переноса БМП
|
|
12
|
выход
сигнала сдвига одинарного слова !СД1
|
|
13
|
сигнал
"Сопровождения данных" СД
|
|
14-27
|
микроинструкция
БМУ
|
|
28-30
|
микроинструкция
МЛУ
|
|
31-38
|
микроинструкция
БМПП
|
|
39
|
сигнал
разрешения выдачи РВ по магистрали М3 БМПП
|
|
40
|
сигнал
принятия данных ПД
|
|
41
|
сигнал
готовности ГТ
|
|
42
|
сигнал
принятия результата ПР
|
Рисунок 7 - Функциональная схема БМП с
СУП
Рисунок 8 - Функциональная схема БМУ,
МЛУ, УП
Рисунок 9 - Функциональная схема
БМПП
Рисунок 10 - Функциональная схема блока
синхронизации
Таблица 8 - используемые микросхемы
|
Позиционное
обозначение
|
Наименование
|
Кол.
|
Примечание
|
|
DD1-DD4
|
К584ВМ1А
|
4
|
БМП
|
|
DD5
|
К1533ИП4
|
1
|
СУП
|
|
DD6, DD7
|
К555КП7
|
2
|
МЛУ
|
|
DD8
|
К584ВУ1
|
1
|
БМУ
|
|
DD9-DD13
|
К541РЕ1
|
5
|
УП
|
|
DD15-DD17
|
К584ВВ1
|
3
|
БМПП
|
|
DD18
|
КМ555ЛА3
|
1
|
2И-НЕ
|
|
DD19,DD20
|
К155АГ1
|
2
|
Одновибратор
|
|
DD21,DD22
|
К583ВГ1
|
2
|
БС
|
|
DD14
|
К555ЛН1
|
1
|
НЕ
|
|
DD23
|
К555ЛИ1
|
1
|
2И
|
|
DD24
|
К555ЛИ3
|
1
|
3И
|
|
DD25
|
К555ЛИ6
|
1
|
4И
|
Таблица 9 - выводы блоков
|
Описание
выводов ЦП К584ВМ1А
|
|
DI(3-0)
|
Входная
4-разрядная шина данных
|
|
MINS(8-0)
|
Входная
9-разрядная шина микрокоманд
|
|
CI
|
Вход
переноса АЛУ
|
|
PCI
|
Вход
переноса программного счетчика
|
|
INC
|
Двунаправленная
шина; в младшей БИС задает коэффициент пересчета в программном счетчике, в старшей
- выход старшего бита шины В
|
|
POS(1,0)
|
Входная
2-разрядная шина, задающая позицию БИС ЦПЭ внутри процессора
|
|
SL1,SR1
|
Двунаправленные
шины для распространения сдвигов в WR и QR
|
|
3/0
|
Выходная
шина младшего бита QR в младшей и старшего бита QR в старшей БИС ЦПЭ внутри
процессора
|
|
SYNC
|
Вход
синхронизации
|
|
PR
|
Вход
управления индикацией R7 на шине А
|
|
DO(3-0)
|
Выходная
4-разрядная шина данных
|
|
AO(3-0)
|
Выходная
4-разрядная шина адреса
|
|
CO
|
Выход
переноса АЛУ
|
|
PCO
|
Выход
переноса программного счетчика, в старшей позиции выход старшего бита шины А
|
|
P,G
|
Выходы
для подключения СУП
|
|
Описание
выводов БМУ К584ВУ1
|
|
D(15-0)
|
Двунаправленная
16-разрядная шина данных
|
|
MINS(13-0)
|
Входная
шина микрокоманд
|
|
M1,
M0
|
Входы
признаков модификации адресов микрокоманд
|
|
C1,
C2
|
Входы
синхронизации БМУ
|
|
INT
|
Вход
запроса прерывания
|
|
AMC
|
Выходная
10-разрядная шина адреса микрокоманд
|
|
Описание
выводов МПП К584ВВ1
|
|
MI(3-0)
|
Входная
шина микрокоманд; управление М1 и М3
|
|
MI(7-4)
|
Входная
шина микрокоманд; управление М2 и М3
|
|
M1(7-0)
|
Двунаправленная
параллельная внутриблочная шина данных
|
|
M2(7-0)
|
Двунаправленная
параллельная внутриблочная шина данных
|
|
C1,C2
|
Входы
стробов приема микрокоманд; по MI(3-0) и MI(7-4)
|
|
WR1,WR2
|
Входы
стробов записи информации в R1,R2
|
|
RD1,RD2,RD3
|
Входы
стробов чтения информации в М1, М2, М3
|
|
M3
|
Двунаправленная
параллельная системная шина данных
|
|
A
|
Двунаправленный
канал паритетного контроля данных в М3; каскады организованы как в магистрали
М3
|
|
K
|
Двунаправленный
канал паритетного контроля данных в М3
|
|
Описание
выводов СУП К1533ИП4
|
|
CI
|
Вход
ПАЛУ
|
|
CO(0-3)
|
С(0-2)
- сигналы ускоренного переноса; С3 - выход ПАЛУ
|
|
P(0-3),
G(0-3)
|
Групповые
входы образования и распространения переносов
|
|
P,G
|
Каскадные
сигналы образования и распространения переносов
|
|
|
|
|
|
.
Построение временных диаграмм
Временные диаграммы работы микроЭВМ получаем
путем наращивания базовой группы временных диаграмм БМУ диаграммами временного
поведения сигналов в возможных контурах управления. Для микросхемы БМУ
временные параметры приведены в таблице 14
Таблица 14 - Временные параметры БМУ
|
Временные
параметры БМУ
|
|
Параметр
|
Значение,
нс
|
Описание
|
|
t1
|
>=100
|
Интервал
действия низкого уровня синхроимпульса С1
|
|
t2
|
Длительность
микрокомандного цикла, период синхронизации
|
|
t3
|
>=50
|
Время
дешифрации микроинструкции
|
|
t4
|
>=310
|
Интервал
действия низкого уровня синхроимпульса С2
|
|
t5
|
>=40
|
Интервал
предустановки микроинструкции
|
|
t6
|
>=50
|
Интервал
удержания микроинструкции
|
|
t7
|
>=200
|
Интервал
предустановки кода модификации
|
|
t8
|
>=100
|
Интервал
удержания кода модификации
|
|
t9
|
>=40
|
Интервал
предустановки кода данных
|
|
t10
|
>=100
|
Интервал
удержания кода данных
|
|
t11
|
>=200
|
Время
задержки выдачи адреса микрокоманды
|
Для процессорной секции БМП используются
следующие временные параметры, которые имеют привязку к положительному фронту
синхроимпульса.
Таблица 15 - Временные параметры БМП
|
Временные
параметры БМП
|
|
Параметр
|
Значение,
нс
|
Описание
|
|
T1
|
>=100
|
Интервал
действия низкого уровня синхроимпульса СLK
|
|
T2
|
>=500
|
Длительность
микрокомандного цикла, период синхронизации
|
|
T3
|
>=50
|
Интервал
предустановки микроинструкции
|
|
T4
|
>=310
|
Интервал
удержания микроинструкции
|
|
T5
|
>=40
|
Интервал
удержания входных данных DI и входного переноса CI
предыдущего цикла
|
|
T6
|
>=50
|
Время
задержки формирования частичных переносов в процессорной секции
|
|
T7
|
>=200
|
Время
задержки формирования выходных данных в процессорной секции
|
|
T8
|
>=100
|
Время
задержки формирования сигналов на выходной шине сдвига !SLR1
|
|
T9
|
>=40
|
Задержка
выходного переноса в схеме ускоренного переноса SFC
|
|
T10
|
>=100
|
Время
задержки формирования сигнала на выходных шинах мультиплексора
|
Завершающим этапом моделирования временных
процессов в течение микрокомандного цикла является наращивание системы
диаграммными осями, на которых отображается состояние шин интерфейсного блока
БМПП, осуществляющего сопряжение шин внешнего интерфейса с внутренними
магистралями микроЭВМ. БМПП имеет следующие временные параметры:
Таблица 16 - Временные параметры БМПП
|
Временные
параметры БМПП
|
|
Параметр
|
Значение,
нс
|
Описание
|
|
R1
|
>=20
|
Интервал
действия низкого уровня синхроимпульса СLK
|
|
R2
|
>=70
|
Длительность
микрокомандного цикла, период синхронизации
|
|
R3
|
>=15
|
Интервал
предустановки микроинструкции
|
|
R4
|
>=15
|
Интервал
удержания микроинструкции
|
|
R5
|
35
|
Задержка
дешифрации MINS
|
|
R6
|
>=15
|
Интервал
предустановки данных
|
|
R7
|
>=15
|
Интервал
действия низкого уровня синхроимпульса стробирования усилителей выходных
магистралей
|
|
R8
|
>=15
|
Задержка
установки выходных данных
|
|
R9
|
>=25
|
Задержка
трансляции данных
|
Временные диаграммы с обозначением их численных
временных компонент представленны на рисунке 11.
Рисунок 11 - Временная диаграмма работы
микроЭВМ
Рисунок 12 - Временная диаграмма
синхронизации
Список использованных источников
1. Нестерук В.Ф. Организация ЭВМ
и систем: Учебное пособие. Омск: изд-во ОмГТУ, 2005. - 51с.
2. Нестерук В.Ф. Организация
ЭВМ и систем: Краткий конспект лекций. Омск: изд-во ОмГТУ, 2005. - 51с.
. Микропроцессоры и микроЭВМ
в системах автоматического управления: Справочник/ С.Т. Хвощ, Н.Н. Варлинский, Е.А.
Попов - Л.: Машиностроение, 1987. 640с.
. Микропроцессоры и
микропроцессорные комплекты интегральных микросхем: Справочник/ Н.Н. Аверьянов,
А.И. Березенко - М.: Радио и связь, 1988. - Т.1