Тестування відеоадаптерів фірм Nvidia GeForce та AMD Radeon
ЗМІСТ
ВСТУП
. ПОРІВНЯЛЬНЕ ТЕСТУВАННЯ ВІДЕОАДАПТЕРІВ ФІРМ NVidia GeForce ТА AMD
Radeon
.1 Призначення та основні типи відеоадаптерів
.2 Будова та принцип роботи відеокарти
.3 Порівняння відеокарт NVidia GeForce та AMD Radeon
. ПРИЛАДИ ДЛЯ ПЕРЕВІРКИ ПРАЦЕЗДАТНОСТІ НАПІВПРОВІДНИКОВИХ ЕЛЕМЕНТІВ ПК
.1 Використання логічних пробників
.2 Перевірка параметрів напівпродникових пристроїв
.2.1 Вимірювання номінальної напруги
.2.2 Вимірювання номінального струму
.2.3 Вимірювання температури
. ОХОРОНА ПРАЦІ ТА ГІГІЄНА КОРИСТУВАЧА ЕОМ
.1 Вимоги до організації робочих місць
.2 Вимоги до обладнання
.3 Вимоги електробезпеки
.4 Основні вимоги безпеки під час експлуатації ЕОМ
ВИСНОВОК
СПИСОК ВИКОРИСТАНОЇ ЛІТЕРАТУРИ
ВСТУП
Теорія говорить, що конкуренція -
благо для споживача, механізм, який змушує виробників підвищувати якість і
знижувати вартість своєї продукції. На практиці, як відомо, не існує такого
злочину, на який не піде капіталіст заради хоча б ста відсотків прибутку. І
жертвою цього злочину найчастіше виявляється сам споживач, не здатний
розібратися в усіх тонкощах роботи товару, який він купує.
Не є винятком з правила і відеокарти.
З десятка з зайвим компаній, присутніх на ринку п'ятнадцять років тому,
залишилися лише одиниці, а розробників високопродуктивних рішень тільки два. І
боротьба за гаманець споживача між NVіdia і AMD (в дівоцтві ATI) триває всі ці
роки. У хід йдуть як об'єктивні технічні переваги і досягнення, так і
маркетинг. Для того, щоб оцінити продуктивність відеокарти, існує безліч
інструментів, але не завжди кількість означає якість.
1.
порівняльне тестування відеоадаптерів
фірм Nvidia GeForce та AMD Radeon
.1 Призначення та основні типи відеоадаптерів
Відеокарта - пристрій, призначений
для обробки, генерації зображень з подальшим їх виведенням на екран
периферійного пристрою.
Рис.1.1. Відеокарта
Відеокарта зазвичай є платою
розширення (дискретна відеокарта) і вставляється у слот розширення,
універсальний (PCI-Express,PCI,ISA,VLB,EISA,MCA) або спеціалізований (AGP),
проте відеокарта може бути вбудованою (інтегрованою) у материнську плату (як у
вигляді окремого елементу, так і в якості складової частини північного мосту
чіпсету або центрального процесора).
Сучасні відеокарти не обмежуються
лише звичайним виведенням зображень, вони мають вбудований графічний
мікропроцесор, котрий може проводити додаткову обробку, звільняючи від цих
задач центральний процесор. Наприклад, усі сучасні відео карти NVIDIA і
AMD(ATІ) підтримують Open GL на апаратному рівні. Останнім часом, разом зі
зростанням обчислювальних потужностей графічних процесорів має місце тенденція
використовувати обчислювальні можливості графічного процесору для вирішення не
графічних задач.
1.2 Будова та принцип роботи відеокарти
Відеокарта складається з чотирьох
основних пристроїв: пам'яті, контролера, цифро-аналогового перетворювача (ЦАП,
DAC) і відео - ПЗП.
Відеопам'ять - потрібна для
зберігання зображення. Від її об'єму залежить максимально можлива роздільна
здатність відеокарти. Повну роздільну здатність відеокарти можна обчислити за
формулою:
Г х В х К,
де Г - кількість точок по
горизонталі, В - по вертикалі, К - кількість можливих кольорів кожної точки.
Наприклад, для роздільної здатності
640x480x16 досить 256 КБ, для 800x600x256 - 512 КБ, для 1024x768x65536 -2 МБ.
Для зберігання кольорів виділяється
певне ціле число двійкових розрядів, тому кількість кольорів завжди є ступенем
двійки: 4 розряди - 16 кольорів, 8 розрядів - 256 кольорів, 16 розрядів - 65
536 кольорів (так званий режим HighColor - високоякісне відтворення кольорів),
24 розряди - 16 777 216 кольорів (TrueColor - реалістичне відтворення
кольорів).
Відеоконтролер - відповідає за
виведення зображення з відеопам’яті, відновлення її вмісту, формування сигналів
для монітора (горизонтальної й вертикальної розгортки) і обробку запитів
центрального процесора, що задає необхідний потік інформації для виведення.
Деякі відеоконтролери є потоковими - їхня робота ґрунтується на створенні й
змішуванні воєдино декількох потоків графічної інформації. Зазвичай це основне
зображення, на яке накладається зображення апаратного курсору миші й окреме
зображення у вікні операційної системи. Відеоконтролер із потоковою обробкою, а
також з апаратною підтримкою деяких типових функцій, називається акселератором,
або прискорювачем, і служить для розвантаження ЦП від рутинних операцій
формування зображення.
ЦАП - служить для перетворення потоку
даних, формованих відеоконтролером, у рівні інтенсивності кольору, що подаються
на монітор. Монітори використовують аналоговий відеосигнал, тому можливий
діапазон кольоровості зображення визначається тільки параметрами ЦАП. Більшість
ЦАП мають розрядність 8x3 - три канали основних кольорів (червоний, синій,
зелений, RGB) по 256 рівнів яскравості на кожен колір, що в сумі дає 16,7 млн
кольорів. Зазвичай ЦАП виконаний на одному кристалі з відеоконтролером.
Відео-ПЗП - постійний запам'ятовуючий
пристрій, у який записані відео-BIOS, екранні шрифти, службові таблиці та ін.
ПЗП не використовується відеоконтролером прямо - до нього звертається тільки
центральний процесор, і в результаті виконання ним програм із ПЗП здійснюються
звертання до відеоконтролера і відеопам'яті.
ПЗП необхідний тільки для первісного запуску адаптера і
роботи в режимі MS DOS; операційні системи з графічним інтерфейсом, наприклад
Windows, не використовують ПЗП для управління адаптером.
Принцип роботи
Комп'ютер формує цифрові дані про зображення, які з
оперативної пам'яті поступають в спеціалізований процесор відеоплати, де
обробляються і зберігаються у відеопам'яті. Паралельно з накопиченням у
відеопам'яті повного цифрового «зліпка» зображення на екрані дані прочитуються
цифро-аналоговим перетворювачем (Digital Analog Converter, DAC). Оскільки DAC
звичайно (хоч і не завжди) включає власну пам'ять довільного доступу (Random
Access Memory, RAM) для зберігання палітри кольорів в 8-розрядних режимах, його
ще називають RAMDAC. На останньому етапі DAC перетворює цифрові дані в
аналогові і посилає їх на монітор. Ця операція виконується DAC декілька
десятків разів за одну секунду; дана характеристика називається частотою
оновлення (або регенерації) екрану.
Згідно сучасним ергономічним стандартам, частота оновлення
екрану повинна складати не менше 85 Гц, інакше людське око помічає мерехтіння,
що негативно впливає на зір. Навіть подібна спрощена схема, що описує механізм
роботи універсального відеоадаптера, дозволяє зрозуміти, чим керуються
розробники графічних прискорювачів і плат, коли приймають ті чи інші
технологічні рішення. Очевидно, що тут, як і в будь-якій обчислювальній системі,
є вузькі місця, що обмежують загальну продуктивність. Де вони і як їх
намагаються усунути?
По-перше, продуктивність тракту передачі даних між пам'яттю
на системній платі і графічним прискорювачем. Ця характеристика залежить в
основному від розрядності, тактової частоти і організації роботи шини даних, що
використовується для обміну між центральним процесором, розташованим на
системній платі комп'ютера, і графічним прискорювачем, встановленим на платі
відеоадаптера (втім, іноді графічний процесор інтегрується в системну плату). В
даний час шина (а точніше, порт, оскільки до нього можна підключити тільки один
пристрій) AGP забезпечує цілком достатню і навіть надмірну для більшості
додатків продуктивність.
По-друге, обробка даних, що надходять, графічним
прискорювачем. Підвищити швидкість цієї операції можна, вдосконалюючи
архітектуру графічного процесора, наприклад, упровадивши конвеєрну обробку,
коли нова команда починає виконуватися ще до завершення виконання попередньої.
Виробники збільшують розрядність процесорів і розширюють перелік функцій,
підтримуваних на апаратному рівні; підвищують тактові частоти. Всі ці
вдосконалення дозволяють значно прискорити заповнення відеопам'яті графічними
даними, готовими для відображення на екрані.
І, по-третє, обмін даними в підсистемі «графічний процесор;
відеопам'ять; RAMDAC». Тут також існує декілька шляхів розвитку.
Один з них - використання спеціальної двохпортової пам'яті,
VRAM, до якої можна одночасно звертатися з двох пристроїв: записувати дані з
графічного процесора і читати з RAMDAC. Пам'ять VRAM досить складна у
виготовленні і, отже, дорожча за інші типи. (Є ще один варіант двохпортової
пам'яті, вперше застосований компанією Matrox; Window RAM, WRAM, що забезпечує
дещо більш високу продуктивність при собівартості на 20% нижче.) Оскільки
використання двохпортової пам'яті дає відчутний приріст продуктивності лише в
режимах з високими дозволами (1600Ч1200 і вище), цей шлях можна вважати
перспективним лише для відеоприскорювачів вищого класу.
Ще один спосіб - збільшити розрядність шини даних. У
більшості виробників розрядність шини даних досягла 128 біт, тобто за один раз
по такій шині можна передати 16 байт даних. Ще одне, досить очевидне рішення -
підвищити частоту звернення до відеопам'яті. Стандартна для сучасних
відеоадаптерів пам'ять SGRAM працює на тактовій частоті 100 Мгц, а у деяких
виробників вже використовуються частоти 125 і навіть 133 Мгц. Для чого все це
потрібно? Чим швидше підготовлені графічним процесором дані поступають в RAMDAC
і перетворяться в аналоговий сигнал, тим більший їх об'єм за одиницю часу буде
«конвертований» в зображення, що дозволяє підвищити його реалістичність і
деталізацію.
Продуктивність відеоадаптера характеризується багатьма
показниками, серед яких можна виділити декілька груп:реrformance;
продуктивність виведення символів або пікселів. Використання локальних шин VLB,
PCI і AGP, застосування спеціальної відеопам'яті великої розрядності, тіньової
відеопам'яті і BIOS при високопродуктивному CPU забезпечують істотне підвищення
продуктивності відеосистеми;(Graphic User Interface) реrformance (2D або
Windows реrformance); продуктивність при виведенні примітивів Windows GUI.
Окрім вищенаведених чинників, залежить і від ефективності акселератора
(Videochipset);
D реrfomance; продуктивність тривимірних побудов (швидкість
обробки полігонів, з яких збираються тривимірні поверхні).Display реrformance;
продуктивність виведення «живого» відео, підвищується застосуванням апаратних
кодеків (MPEG та ін.). Підвищення продуктивності виражається в підвищенні
якості декодування, зменшенні числа пропущених кадрів і зниженні завантаження
процесора (актуально для багатозадачних ОС).
Продуктивність конкретного адаптера залежить від вибраного
розширення, кількості кольорів, частоти і режиму розгортки. Вплив параметрів
розгортки на продуктивність може й не очевидний, але пригадаємо, що
відеопам'ять сильно завантажена постійним зчитуванням даних для регенерації
зображення. Доступ до неї для побудови зображень відбувається у вільний від
регенерації час, і чим вище частота сканування, тим менше у відеопам'яті цього
вільного часу і тим нижча продуктивність. Сучасні графічні чіпсети в поєднанні
із застосуванням спеціалізованої відеопам'яті дозволяють зменшити цей вплив на
продуктивність комп'ютера.
1.3 Порівняння відеокарт NVidia GeForce та AMD
Radeon Low-End (<$100)
Нішу нижче цієї планки давно зайняли
сучасні системи з інтегрованим відеоядром, а останнім часом їх продуктивність
значно виросла і тепер вони дозволяють не просто комфортно грати в більшість
3D-ігор, але і тиснуть на дешеві рішення з розглянутого цінового діапазону.
Придбання окремих відеокарт має сенс лише з цін від $60 і вище, а все інше
давно перейшло в сферу інтегрованих відеорішень. Від відеоядер початкового
рівня не вимагається надвисока 3D-продуктивність, адже для найвимогливіших
сучасних ігор при максимальних налаштуваннях не годяться ні інтегровані GPU, ні
бюджетні.
Та й окремі рішення з ціною від $60 і
до $100 мають якийсь сенс лише для надбюджетних домашніх варіантів, а для ігор
їх можна порадити тільки в разі жорстокої економії. Адже для запуску сучасних
3D-ігор, навіть поширених останнім часом мультиплатформових, які не надто
вимогливі, вельми рекомендується накопичити грошей хоча б на наступний ціновий
діапазон - нижній mid-end. Ну або хоча б придбати трохи потужніші плати.
Представлені в таблиці відеокарти,
обрані для порівняння, володіють різним об'ємом відеопам'яті. На обох рішеннях
з чіпами AMD встановлено по 1 ГБ пам'яті, а плати NVIDIA мають різний об'єм
пам'яті.Менший ніж 1 ГБ об'єм пам'яті ставити давно безглуздо, і виробники
віддають перевагу саме його.Єдиним рішенням з 2 ГБ стала GeForce GT 630, що
досить багато для відеокарти з найнижчою ціною, але це пояснюється тим, що вона
має DDR3 пам'ять, яка дуже дешева.Найчастіше навіть в недорогі плати ставлять
більш швидку GDDR5.Тому й відмінності за типом, робочій частоті пам'яті і її
пропускної здатності в цьому ціновому діапазоні можуть бути вельми значні. У
разі GeForce GTX 650 швидка GDDR5-пам'ять працює на ефективній частоті в 5000
МГц, а в разі GT 630 використовується вкрай повільна DDR3 з 1333 МГц частотою.
Отже, давайте розглянемо, що зараз
найвигідніше в секторі low-end:
|
Модель відеокарти
|
Об'ємпам'яті, МБ
|
Частота чіпа, МГц
|
Частота пам'яті, МГц
|
Ціна в Москві, $
|
|
AMD Radeon HD 6570
|
1024
|
650
|
2000
|
60
|
|
AMD Radeon HD 7750
|
1024
|
800
|
4500
|
100
|
|
NVIDIA GeForce GT 630
|
2048
|
800
|
1333
|
60
|
|
NVIDIA GeForce GTX 650
|
1024
|
1058
|
5000
|
110
|
Відповідно, найслабшими з розглянутих
моделей є GeForce GT 630 і Radeon HD 6570, так як і пам'ять у них нешвидка (а
отже і пропускна здатність) і графічні процесори самі малопотужні. Втім, судячи
з наших попередніх досліджень, Radeon HD 6570 може показати результати трохи
вище.А ось за лідерство в розглянутому ціновому діапазоні боротимуться GeForce
GTX 650 і Radeon HD 7750, також володіють близькою (але не рівної, плата від
NVIDIA трохи дорожче) вартістю і порівнянними характеристиками, за винятком
частоти відеопам'яті, яка дає деяку перевагу GeForce.
Для цієї цінової категорії вибрано
тестоверозширення 1280×1024, без використання згладжування і
анізотропної текстурной фільтрації, так як в більш важких режимах цими
відеокартами вельми рідко забезпечується комфортна частота зміни кадрів. Менші
розширення брати немає сенсу через те, що рідні розширення сучасних моніторів і
телевізорів рідко бувають нижче обраного.І хоча розширення сучасних пристроїв
все частіше не 1280×1024, а має інше співвідношення
сторін, оцінити швидкість цілком можна і так. Тим більше, що навіть в таких
нескладних умов рівень продуктивності у слабких карт буває занадто низьким:
За вибраними для цього цінового
діапазону іграм в цілому видно деяку різницю в продуктивності між порівнюваними
відеокартами. У більшості випадків вони вишикувалися відповідно до цін, хоча не
обійшлося і без деяких винятків.Як і передбачалося, виходячи з ціни,
найслабішою парою серед відеокарт цього діапазону стали Radeon HD 6570 і GT 630
з однаковою ціною.З них непросто вибрати переможця, так як при рівній ціні
рішення NVIDIA виявилося на третину швидші в грі SniperElite V2, яка раніше
прихильніше ставилася до рішень AMD, а Radeon, в свою чергу, був на 15% швидше
її в грі HardReset, яка найчастіше краще працює на NVIDIA, і на 20% - в
BioshockInifinite.
Так що в приблизно рівному ціновому
суперництві GeForce GT 630 і Radeon HD 6570 і продуктивність у рішень близька,
хоча рішення AMD має невелику перевагу за рахунок більшої кількості ігор, де
воно швидше.Зате в третій грі Radeon поступається дуже сильно. Загалом, в
такому випадку потрібно робити вибір, виходячи з інших особливостей відеокарт
або більш широкого набору бажаних ігор, подивившись всі діаграми і підсумковий
рейтинг нашого i3D-Speed, так як за трьома іграм судити можна лише приблизно.
LowerMid-End ($100-200)
Нижній-середній ціновий діапазон є
одним з найбільш масових сегментів ринку відеокарт.В останні місяці в цьому
діапазоні з'явилися нові відеокарти від AMD, що витіснили попередні моделі.
Що стосується цін, то хоча потужніші
відеокарти від AMD оновилися, але вони є майже повними копіями попередніх плат
і на реальні ціни це вплинуло не надто сильно, ціни на деякі з моделей
знизилися лише незначно, що також говорить про те, що для зниження цін у
виробників вже просто не залишилося запасу. А ціна на GeForce GTX 650 TiBoost
взагалі виросла!Так що можна звернути увагу на інші моделі в цьому діапазоні,
що не потрапили в список, які також можуть бути доволі вигідними для придбання.
Особливо старі серії Radeon HD 7000, які іноді вигідніше нових.
|
Модель відеокарти
|
Об'ємпам'яті, МБ
|
Частота чіпа, МГц
|
Частота пам'яті, МГц
|
Ціна в Москві, $
|
1024
|
1000
|
6000
|
130
|
|
AMD Radeon R7 260X
|
2048
|
1100
|
6500
|
150
|
|
NVIDIA GeForce GTX 650 Ti
|
2048
|
925
|
5400
|
150
|
|
NVIDIA GeForce GTX 650 Ti Boost
|
2048
|
980
|
6000
|
190
|
Для відеокарт цього рівня обсяг
відеопам'яті в 1 ГБ мінімальний, і все частіше ми бачимо на них вдвічі більше
пам'яті. Цього разу 1 ГБ поставили тільки в молодшу модель Radeon, що стоїть
дешевше інших плат.Можливо, в її випадку це виправдано, адже прискорення від
збільшення обсягу пам'яті найчастіше зовсім не таке велике, як зростання
собівартості, вкрай важливий для недорогих рішень.За тактовим частотам пам'яті
спостерігаються хоч і невеликі, але все ж відмінності - більш потужні рішення
компаній мають чіпи відеопам'яті, що працюють на більшій частоті, а менш
потужні - на меншій. Всі відеокарти цього цінового діапазону відрізняються
високою ефективною частотою чіпіввідеопам'яті від 5.4 до 6.5 ГГц, тому і ПСП у
них відповідна.
Для порівняння відеокарт в цьому
ціновому діапазоні використовувалося тестове розширення 1280×1024, як близьке до найбільш
поширених серед власників масових моніторів.Дозволи побутових пристроїв
низького розширення і широкоформатних моніторів невеликих розмірів близькі до
цих цифр, але на відміну від попереднього діапазону, в діаграмі наводяться
цифри в режимі з використанням повноекранного згладжування і анізотропної
текстурної фільтрації, адже карти цього цінового діапазону вже повинні
забезпечувати прийнятну частоту кадрів і в таких режимах, хоча і не завжди.
Розклад по продуктивності в рамках
другого цінового діапазону вийшов не зовсім такою, якою можна було припустити,
виходячи з цін. Сильно здивувала гра Sleeping Dogs, яка раніше працювала на AMD
набагато швидше, ніж на NVIDIA, а тепер ситуація змінилася на зворотну -
позначилася оптимізація драйверів. Цікаво, що в AliensvsPredator
«розбірливість» до виробника GPU добре помітна, відео карти Radeon в цьому
бенчмарке явно швидше.
Дуже непоганий виявився Radeon R7
260X - при невеликій різниці в ціні з двома іншими рішеннями, він забезпечує
відмінну продуктивність, а от від GTX 650 TiBoost при його ціні ми очікували
більшого - ціна у даної карти явно занадто завищена. Коштувала б вона $175, як
півроку тому - було б краще.
Загалом, якщо на відеокарту
планується витратити до $150, то в цьому порівнянні Radeon R7 260X виглядає все
ж краще, ніж його суперниця з нею GeForce GTX 650 Ti. Та й переплачувати $40 за
Boost-версію відеокарти NVIDIA немає сенсу. Так, вона швидше, але лише в
SleepingDog явно випередила Radeon. В інших двох іграх різниця між ними не така
велика.Загалом, GeForce GTX 650 TiBoost «псує» явно завищена ціна, так що в
цьому діапазоні віддаємо однозначна перевага старшої платі з двох Radeon.
UpperMid-End ($200-300)
Ми вже відзначали в попередніх
розділах, що придбання відеокарти з верхнього середнього цінового діапазону є,
мабуть, найбільш вигідним рішенням з точки зору збалансованого ігрового
комп'ютера.Така система хоч і не спрямована на отримання максимальної
продуктивності і якості картинки, але забезпечує достатній комфорт в іграх і
досить високу якість рендеринга.
Ще більшим запасом продуктивності і
все ще виправданою ціною володіють вирішення наступних цінових рівнів, але саме
у верхньому mid-end зазвичай розгораються найспекотніші битви між рішеннями
компаній AMD і NVIDIA.
На даний момент у верхньому
середньому діапазоні присутні рішення поточних лінійок від обох основних
виробників GPU.Цю нішу займають вже досить давно випущені рішення NVIDIA:
GeForce GTX 660 і GTX 760, а місце плат серії Radeon HD 7800 було зайнято
моделями нової лінійки: Radeon R9 270 і R9 270X - з підвищеною продуктивністю,
але майже тією ж ціною.З наявних в підрозділі відеокарт найпотужнішими є
найдорожчі моделі: GeForce GTX 760 і Radeon R7 270X, а ось парочка R7 270 і GTX
660 повинна відстати від більш потужних відеокарт. Розглянемо основні
характеристики представлених рішень:
|
Модель відеокарти
|
Об'ємпам'яті, МБ
|
Частота чіпа, МГц
|
Частота пам'яті, МГц
|
Ціна в Москві, $
|
|
AMD Radeon R7 270
|
2048
|
955
|
5600
|
230
|
|
AMD Radeon R7 270X
|
2048
|
1050
|
5600
|
260
|
|
NVIDIA GeForce GTX 660
|
2048
|
980
|
6000
|
190
|
|
NVIDIA GeForce GTX 760
|
2048
|
980
|
6000
|
270
|
Ось уже який раз між рішеннями цього
цінового сектора у плат AMD і NVIDIA немає різниці в обсязі пам'яті, пов'язаної
з різною шириною шини пам'яті.Останнім часом і рішення NVIDIA і AMD мають по 2
ГБ пам'яті.Та й різниці по частотах і ПСП тепер немає, відеокартиRadeon і
GeForce мають чіпи GDDR5-пам'яті приблизно однаковою продуктивності - порядку 5.6-6.0
ГГц. Раннім платам GeForce через більш вузької шини доводилося використовувати
мікросхеми, що працюють на більшій частоті.
За парам в цьому ціновому сегменті
сказати особливо нічого - напряму будемо порівнювати тільки AMD Radeon R7 270X
і NVIDIA GeForce GTX 760, як мають близьку ціну.А ось R7 260 і GTX 660 за
цінами відчутно відрізняються, так що велика ймовірність настільки ж великої
відмінності і в швидкості рендеринга в іграх.
У цьому порівнянні ми використовуємо
ще одне досить поширене розширення екрана РК-моніторів - 1680×1050, також з включеними
згладжуванням і анізотропною текстурною фільтрацією. Відкрите з цього діапазону
повинні бути цілком здатні забезпечувати комфортний FPS в таких режимах в
більшості сучасних ігор, за винятком найбільш вимогливих:
Цього разу зробити висновки про
розстановку сил у цьому ціновому діапазоні зовсім нескладно. Молодша GeForce
GTX 660 продається дешевше інших рішень, але цілком успішно конкурує з Radeon
R9 270, відстаючи в парі ігор зовсім трохи і випереджаючи конкурента в третій
на 18%!Якщо згадати, що вона продається відчутно дешевше ($190 проти $230), то
вибір у цій парі стає ще простіше - перемагає плата NVIDIA.
У старшій же парі ціни порівнянні, і
при зразковій відповідність цін GTX 760 і R9 270X, перша забезпечує трохи
більшу продуктивність у всіх трьох обраних іграх.І так як у другій парі
порівняння пряме, то висновок теж приблизно такий же - при виборі відеокарти
ціною до $300, краще купувати GeForce GTX 760, так як вона забезпечує більшу
продуктивність при схожій ціні.Цього разу тісному боротьби в даному ціновому
діапазоні не вийшло, загалом.Втім, перед покупкою потрібно уточнити реальні
ціни в магазинах - можливо, вони вже змінилися.
LowerHigh-End ($300-600)
За минулий час в цьому сегменті
відбулося досить багато змін.На поточний момент, в набір плат нижнього high-end
потрапили тільки одночіпові рішення - в цьому сегменті з'явилися нові рішення
AMD, засновані як на вже відомих топових графічних процесорах попереднього покоління,
так і модель на базі чіпа Hawaii.У NVIDIA в цьому сегменті з'явилася модель
GeForce GTX 780 на чіпі GK110 - дуже потужна відеокарта, яка також коштує
дорожче верхньої межі в $500, як і Radeon R9 290. Ну і менш дорога GTX 770 на
базі чіпа GK104 нікуди не поділася.
|
Модель відеокартиОб'ємпам'яті, МБЧастота чіпа,
МГцЧастота пам'яті, МГцЦіна в Москві, $
|
|
|
|
|
|
AMD Radeon R9 280X
|
3072
|
1050
|
6000
|
450
|
|
AMD Radeon R9 290
|
4096
|
5000
|
540
|
|
NVIDIA GeForce GTX 770
|
2048
|
1050
|
7000
|
370
|
|
NVIDIA GeForce GTX 780
|
3072
|
860
|
6000
|
580
|
Чим вища ціна, тим складніше знайти
прямих суперників з рівними цінами. Різниця в $40 і $90 ніяк не налаштовувало
на пряме попарне порівняння, тому оцінювати плати цього цінового діапазону
виключно з точки зору співвідношення ціни і продуктивності.Наприклад, молодша
модель компанії AMD (AMDRadeon R9 280X) за ціною знаходиться між двома відео
платами GeForce, одна дешевше її, а інша дорожче.Так що буде цікаво подивитися,
наскільки виправдана цінова політика обох виробників.
У нижньому high-end секторі ринку на
відеокарти зараз вже ставлять 2-3 і навіть 4 гігабайти швидкої
GDDR5-відеопам'яті (знову видно приріст в об'ємі - апетити ігор ростуть). Втім,
важливіше завжди ширина шини відеопам'яті, від якої продуктивність залежить
майже завжди, а не тільки в надвисоких дозволах.Через різницю в ширині шини, у
рішень AMD об'єм пам'яті становить 3 (384-біт шина) або 4 (512-біт шина) ГБ на
чіп, а у NVIDIA - 2 (256-біт шина) або 3 (384-біт шина) ГБ. Всі ці значення
достатні в більшості випадків, так як більш 2 ГБ до сих пір рідко
використовується в іграх, хоча такі ситуації вже зустрічаються.
Потужність відеокарт цього діапазону
дозволяють використовувати для їх порівняння широкоформатне розширення 1920×1200.Природно, що також з
включеними повноекранним згладжуванням і анізотропною фільтрацією. Обрані
відеокарти іноді можуть забезпечити комфортну гру і в більш складному режимі
майже у всіх іграх.
Розглянемо швидкість рішень з
нижнього high-end сектора ринку відеокарт в декількох 3D-іграх.Як звичайно, ми
намагалися брати проекти з перевагою рішень і NVIDIA і AMD, так як повністю
«нейтральних» майже немає.У цьому діапазоні вийшло, що нейтральній можна було б
вважати Metro 2033, якби не дивно низький показник старшої з GeForce (хоча може
їй відеопам'яті вже не вистачає в цьому режимі).В іншому, в
SleepingDogsвідеокарти NVIDIA показали себе помітно краще конкурентів, а в
AlienvsPredator - навпаки.
І знову в SleepingDogs, яка повинна
прихильніше ставитися до Radeon, обидві GeForce виявилися швидше. Ну а під
бенчмарк AvP, схоже, просто вже ніхто не оптимізує драйвери.Якщо судити по всіх
трьох ігор, то вибрати одноосібних лідерів не так просто, адже явних пар для
порівняння просто немає. Втім, якщо порівнювати GeForce GTX 770 і Radeon R9
280X, то з урахуванням того, що ціна відеокарти компанії AMD помітно вище, а
виграє по швидкості вона далеко не завжди, то в цьому випадку GeForce GTX 770
явно переважніше конкуруючої плати AMD.
Загалом, треба кілька разів подумати
- можливо, є сенс трохи заощадити, вибравши рішення GeForce GTX 770, яке
набагато дешевше, адже воно є вельми вигідним придбанням в своєму класі, хоч і
відстає від якнайшвидших плат діапазону.Ну а тим, кому потрібен максимальний
FPS при ціні відеокарти менше $600, варто придивитися до Radeon R9 290, яка
поєднує високу швидкість і не надто завищену ціну.
Upper High-End (>$600)
Прийшов час і для самого дорогого
діапазону - верхнього high-end, призначеного для найбільш забезпечених і
вимогливих гравців і ентузіастів, кількість яких останнім часом вже і не
збільшується, але вони хоча б все ще існують.Відсутність зростання цієї частки
ринку пов'язано з багатьма причинами: економічною ситуацією, засиллям
мультиплатформових ігор, обмежених порівняно слабкими можливостями застарілої
апаратної начинки консолей попереднього покоління і т.д. ПК-версії таких ігор
не завжди мають великі якісні відмінності і тому не особливо вимогливі до
продуктивності відеосистеми, що викликає відсутність необхідності в надпотужних
рішеннях.
У цьому сегменті за минулий з
попереднього поновлення час відбулося найбільше змін - всі чотири рішення з
минулої версії путівника були замінені іншими. Спочатку одночіпові відеокарти.
Місце моделі GeForce GTX Titan, призначеної для ентузіастів, зайняла ще більш продуктивна
чисто ігрова GeForce GTX 780 Ti з меншим об'ємом відеопам'яті, а місце
двочіпової Radeon HD 7990 зайняла нова топова модель на базі одного GPU -
Radeon R9 290X.
Минулого разу в цьому діапазоні від
AMD була ще й екстремальна ASUS Ares II, але тепер вона замінена на пару Radeon
R9 290X, що працюють у зв'язці CrossFire. Те ж саме і для NVIDIA - їх
двочіпової рішення засноване на парі GeForce GTX 780 Ti в SLI-конфігурації.Це
дозволить нам порівняти двочіпові і одночіпові відеосистеми на одній діаграмі,
оцінивши ефективність двухчіпових (не забуваючи, що у багаточіпових
конфігурацій є свої мінуси, в тому числі і необхідність спеціальної оптимізації
ігор для таких рішень).
|
Модель відеокарти
|
Об'ємпам'яті, МБ
|
Частота чіпа, МГц
|
Частота пам'яті, МГц
|
Ціна в Москві, $
|
|
AMD Radeon R9 290X
|
4096
|
1000
|
5000
|
700
|
|
AMD Radeon R9 290X CF
|
2×4096
|
1000
|
5000
|
1400
|
|
NVIDIA GeForce GTX 780 Ti
|
3072
|
880
|
7000
|
780
|
|
NVIDIA GeForce GTX 780 Ti SLI
|
2×3072
|
880
|
7000
|
1560
|
За цінами двохчіпових систем
зрозуміло, що ці рішення - для тих рідкісних покупців, яким потрібний максимум
продуктивності, а ціна при цьому має другорядне значення. І якщо одночіпові
GeForce GTX 770/780 (Ti) і Radeon R9 290 (X) ще можна вважати цілком
виправданою покупкою для гравців за наявності у них необхідних коштів, то
придбання потужних двохчіпових рішень логічно пояснити вельми непросто. Нам
здається, що в них є сенс виключно, якщо необхідна сума (більше $1000) покупця
зовсім не напружує.
Існує також можливість створення
систем на базі трьох-і навіть чотирьох GPU, але в зв'язку з багаторазово нами
викладеної інформацією про поширення мультиплатформових ігр та проблемах
багаточіповихрендеринга, в таких системах ми просто не бачимо сенсу, якщо мова
не йде про надвисокі дозволах в стерео режимі на три-чотири монітори. Якщо в
іграх при максимальних налаштуваннях не вистачає швидкості одночіпових рішень,
то для них можна придбати або двочіпові плати на GPU попередніх поколінь або
поставити по дві топові плати в SLI/CrossFire, чого вистачить навіть
найвибагливішим користувачам.
В цьому порівнянні, по суті, беруть
участь тільки дві відеоплати: AMD Radeon R9 290X і NVIDIA GeForce GTX 780 Ti.
Інші два варіанти покажуть швидше ефективність багаточіпових рендеринга і
оптимізацію драйверів для такого режиму, так як використовуються конфігурації з
двох плат. У разі ж одночіпових GeForce і Radeon, можна сказати, що їх ціни
близькі (різниця в 11% не настільки істотна для ентузіастів, тому й порівнювати
моделі напряму цілком дозволено.
Так як в останньому порівнянні
зібрані виключно потужні рішення, які просто зобов'язані порівнюватися в
найвищому дозволі, використовуваному в наших тестах i3D-Speed, саме його ми і
взяли. Природно, що всі тести проводяться разом з включеними згладжуванням і
анізотропної фільтрацією, а додаткову складність додає включення в огляд
максимально вимогливих ігор.
Що стосується вибору серед
представлених відеосистем, то розглянемо спочатку одночіповие рішення топового
сегмента. Хоча вони мають далеко не найнижчу ціну, але меншу, ніж вартість
двухчіпових плат минулих поколінь. А адже рішення на базі одного GPU завжди
дасть очікувано високий результат, не має проблем багаточіпових рішень і в
багатьох випадках цілком виправдано. Швидкість рендеринга вона забезпечує
цілком достатню у всіх умовах, навіть в Надвимогливість Metro: LastLight
середня частота наближається до 30 FPS.
Вибір серед GeForce GTX 780 Ti і
Radeon R9 290X зробити і просто і непросто.Хоча однозначний переможець є,
Radeon R9 290X явно виступив сильніше GeForce GTX 780 Ti в двох з трьох ігор -
йому явно допоміг збільшений об'єм відеопам'яті, а ось платі NVIDIA трьох
гігабайт вже не вистачає.І так як рішення AMD ще й продається трохи дешевше, то
в цій парі ми вибираємо топову одночіпову плату Radeon в якості переможця.А
NVIDIA треба подумати і про ціну топової плати і про те, щоб встановити на цю
модель більше 3 ГБ відеопам'яті.
А якщо користувача цікавить виключно
високий FPS, то буде краще придбати дві топові плати Radeon або GeForce.
Подивимося на ефективність багаточіпових AFR-рендеринга у рішень AMD і
NVIDIA.Половина представлених в даному діапазоні відеосистем засновані на двох
GPU, і вони непогано справляються зі збільшенням частоти кадрів, порівняно зі
своїми одночіповими аналогами.В найвищій роздільній здатності, де різниця
максимальна, виходить дуже близько до подвоєння частоти кадрів, що вельми
непогано. Двухчіповая система від AMD має деяку перевагу по ефективності в
Crysis 2 В цілому, висновки не відрізняються від того, що було написано вище -
ви найвищих дозволах пара Radeon буде ефективніше через 4 ГБ пам'яті на GPU.
В даному випадку не проявилися основні проблеми багаточіпових систем,
але інші недоліки мультичіпів, хоча і не завжди помітні неозброєним поглядом,
але вони є. Часом, при начебто зростанні FPS в порівнянні з одночіповою
відеокартою, важливі для людини затримки знижуються не так значно, в порівнянні
з частотою кадрів, та й ефективність двохчіпових систем в деяких іграх не
завжди ідеальна і сильно залежить від якості оптимізації ігор і драйверів.Це
вже ми не говоримо пронерівномірності частоти кадрів на деяких системах і в
певних умовах <#"786501.files/image007.jpg">
Рис. 2.1. Зовнішній вигляд пробників
Розглянемо конструкцію логічного пробника, що дозволяє
реєструвати логічні ТТЛ і КМОП рівні (високий, низький, або високоімпедансного
стану) у восми контрольних точках одночасно. Пристрій виготовляється на основі
мікроконтролера, містить мінімальну кількість компонентів і доступний для
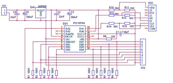
повторення починаючим радіоаматором. Схема пробника зображена на рис. 2.2.
Рис. 2.2. Принципова схема восьми канального логічного
пробника
Її можна умовно розділити на декілька функціональних частин:
мікроконтролер DD1, тактований від ланцюжка R9C1;
стабілізатор напруги живлення DA1 з блокувальними
конденсаторами C2...C5;
ЖКІ HG1 з дільниками напруги R10...R15;
набір "підтягаючих" резисторів R1...R8.
При включенні живлення на выв.1 DD1 встановлюється високий
логічний рівень, що підтягає лінії RB0...RB7 до напруги живлення після чого
проводиться прочитування логічних рівнів на них і запис одержаних даних в ОЗУ
мікроконтролера. Потім на лінії RA2 DD1 встановлюється низький логічний рівень
і проводиться аналогічна вище описаній процедура. У результаті після цього в
ОЗУ знаходяться два байти: один предсталяєт собою лічені логічні рівні з ліній
RB0...RB7 мікроконтролера, підтягнутих до напруги живлення (назвемо його INH),
і другий, аналогічний першому, з підтяжкою до "землі" (назвемо його
INL). Якщо жодна ніжка вхідного раз’єму XS2 не знаходиться у високоімпедансному
стані, то байти INL і INH рівні, інакше біти що відповідають за ніжку, що
знаходиться в Z-стані, будуть розрізняться. Програма мікроконтролера проводить
необхідні логічні операції з описаними двома байтами, і передає получений
результат на ЖКІ HG1:
– низький логічний рівень відображається
символом "0",
– високий - символом
"1",
– високо імпедансний стан -
символом "F".
Рис. 2.3. Ескіз друкарської плати
Рис. 2.4. Розміщення радіоелементів на друкарській платі
В описаному логічному пробнику можна використовувати наступні
деталі: DA1- LM7805,КР142ЕН5А; R1...R8 - матриця, резистора НР1-4-9 або лінійка
звичайних резисторів; у якості R9...R15 можна використовувати будь-які
вітчизняні або зарубіжні резистори, потужністю розсіювання 0,125Вт; HG1- ЖКІ
Holtek HT1611 (такі індикатори застосовуються в китайських телефонах); DD1-микроконтроллер
PIC16C54 або PIC16F84A. Живити пробник можна від будь-якого джерела постійної
напруги від 6 до 22 В, що забезпечує вихідний струм біля 100мА. Пристрій
наладки не вимагає і починає працювати відразу після збірки за умови, що
програма правильно вшита в мікроконтролер і в монтажі немає помилок.
При налагодженні цифрових пристроїв, зібраних на інтегральних
мікросхемах КМОП, нерідко виникає необхідність оперативної перевірки логічних
рівнів в різних точках схеми. Для цього потрібен спеціальний пристрій -
пробник. Контроль, як правило здійснюється за принципом “більше - менше”, “є -
ні”. Звичайно логічні пробники мають світлову індикацію, зручну для зорового
сприйняття. Проте при цьому потрібна постійна зорова увага на індикатор
пробника. Логічний пробник із звуковою індикацією зручніший для роботи і
полегшує ремонтні операції.
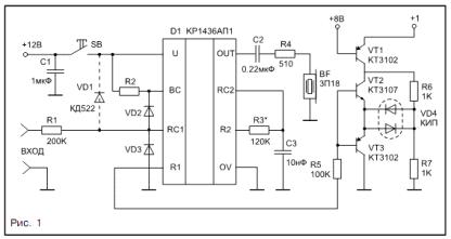
На рис. 2.5 приведена електрична схема логічного пробника із
звуковою індикацією. Цей пробник дозволяє визначати рівень напруги (логічний 0
або логічна 1) в точках тестуючої схеми на цифрових мікросхемах КМОП. За
наявності на вході пробника високого рівня напруги (логічна 1) світлової
індикатор - світлодіод - світиться червоним свіченням. Звуковий індикатор видає
звук низкою частоти. Якщо на вхід пробника поступає низький рівень напруги, то
світлодіод світиться зеленим світлом. Частота звуку при цьому вища. Коли
пробник підключений до контрольної точки з імпульсним сигналом, то видається
звук середньої частоти, а на світловому індикаторі з'являється жовтий колір.
Рис. 2.5. Електрична схема логічного пробника із звуковою
індикацією
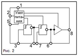
Схема пробника побудована на основі мікросхеми КР1436АП1, яка
містить вихідний підсилювач і два генератори, сполучені послідовно, причому
перший управляє другим.
Експериментально встановлено, що генератори повинні бути
виконані на основі трігерів Шмітта. Функціональна схема мікросхеми КР1436АП1
показана на рис. 2.6.
Рис. 2.6. Функціональна схема мікросхеми КР1436АП1
При непідключених ланцюгах трігери мають стійкий стан
виходів: 4 - логічна 1, 6 - логічна 1 (~ 7 В). Взаємодія елементів схеми
пробника відбувається наступним чином. Вхід пробника під’єднується до тестую
чого ланцюга. Сигнал, що перевіряється, поступає через схему захисту (елементи
VD1, VD2, VD3 і R1) на вхід першого тригера Шмітта і встановлює його у логічну
1 (при логічному 0 на вході) або в логічний 0 (при логічній 1 на вході).
Оскільки цей трігер управляє другим тригером Шмітта, на якому зібраний генератор,
то, у відповідності з логікою роботи, на виході генератора буде висока або
низька частота імпульсів. Це буде залежати від рівня сигналу на вході пробника
або в тестуючій точці. Як показано на схемі, світловій індикатор виконаний на
двобарвному світло діоді. Цей вихід малопотужний, і транзистори повинні мати
значне підсилення. При бажанні пробник може бути доповнений точкою SB для
подачі живлення тільки під час вимірювання.
2.2 Перевірка параметрів напівпродникових пристроїв
Ось найбільш важливі параметри (характеристики)
напівпровідникових пристроїв: напруга стабілізації Uст, струм стабілізації Iст,
мінімальний струм стабілізації Iст.мині максимальний струм стабілізації
Iст.макс.
Параметр Uст - це падіння напруги, яка створюється між
виводами пристрою в робочому режимі.
Мінімальний струм стабілізації Iст.мин- це - найменший струм
через прилад, при якому починається стійка робота в режимі «пробою».
Максимально допустимий струм стабілізації Iст.макс- це
найбільший струм через прилад, при якому температура його р-n переходу не
перевищує допустимою. Перевищення струму Iст.максведе до теплового пробою р-n
переходу і, природно, до виходу приладу з ладу.
Важливим параметром є температурний коефіцієнт напруги
стабілізації Ткн=(DUст./ DT) • 100%, який показує, на скільки відсотків
зміниться напруга стабілізації при зміні температури приладу на 10С. Для
вимірювання параметрів напівпровідникових пристроїв використовуються різні
електровимірювальні прилади. Розглянемо детальніше, як можна виміряти
номінальну напругу, струм та допустиму температуру на таких пристроях.
2.2.1 Вимірювання номінальної напруги
Основним приладом для вимірювання напруги є вольтметр.
Вольтметр- це прилад для вимірювання ЕРС чи напруги в електричних колах. Для
того щоб виміряти напругу вольтметр потрібно підключити паралельно
досліджуваному елементу так як це зображено на рис. 2.7.
Рис. 2.7. Схема підключення вольтметра
Ввімкнення вольтметра неповинне впливати на вимірювальну напругу, тому
опір вольтметра повинен бути більшим за опір приймача, паралельно якому він
приєднаний. При великому опорі вольтметра Rв сила струму Iв в ньому мала і
споживана ним потужність Pв=Iв2Rв теж невелика.
Для вимірювання напруги, які перевищують верхню межу вимірювального
приладу, застосовують при постійному струмі додаткові опори, а при змінному -
вимірювальні трансформатори сили струму і напруги.
У тих випадках, коли вольтметром потрібно виміряти напругу, яка
перевищує межі шкали, то послідовно з вольтметром приєднують додатковий опір
(резистор) опором Rд. Якщо в додатковому резисторі опір Rдбуде в 9 разів
більший від опору обмотки вольтметра, то 0,9 загальної напруги припадатиме на
додатковий резистор Rді лише 0,1- на опір обмотки вольтметра Rв. При цьому межі
вимірювання приладу розширяться в 10 разів. Опір додаткового резистора
розраховують за формулою Rд= Rв(n-1), де n- число, яке показує, у скільки разів
розширюються межі вимірювання приладу. Після приєднання додаткового опору,
потрібно виготовити нову шкалу або на тій шкалі, яку має прилад поставити
відповідний множник.
Мілівольтметри (рис. 2.8) виконують за найпростішими схемами і частіше
за все з однією границею вимірювань напруги. Створюють їх на основі
магнітоелектричних вимірювальних механізмів для вимірів на постійному струмі.
Мілівольтметри змінного струму виконують як електроні прилади.
Рис.
2.8. Зовнішній вигляд мілівольтметра
Переносні вольтметри у більшості випадків виготовляють на декілька границь
вимірювання напруги. У цих вольтметрів є декілька внутрішніх додаткових опорів,
що послідовно з’єднані між собою, так і з обмоткою вимірювального механізму.
Вольтметр перемикають для вимірювань при різних напругах шляхом приєднання
одного провідника, що підводить напругу від місця вимірювання до відповідного
затискача вольтметра.
Звичайно, для безпеки на час перемикання границь вимірів напруги
контрольоване цим вольтметром електричне коло необхідно вимкнути з мережі. Щоб
кожного разу цього не робити, у багатьох випадках вольтметри виконують з
важільними чи кнопковими перемикачами границі вимірювання.
2.2.2 Вимірювання номінального струму
У повсякденній практиці для технічних вимірів електричних
струмів застосовують найчастіше аналогові прилади магнітоелектричної й
електромагнітної систем - амперметри або тестери (рис. 2.9).

Рис. 2.9. Зовнішній вигляд тестера
Для визначення сили струму на будь-якій ділянці кола
потрібно, щоб увесь струм цієї ділянки проходив через вимірювальний механізм
амперметра. Це значить, що прилад повинен бути ввімкнений в розсічення цієї
ділянки кола, тобто послідовно з навантаженням (рис. 2.10, а).
Щоб вмикання амперметра не впливало помітно на загальний опір
кола й не змінювало істотно струм у ньому, струмоведучі частини приладу повинні
мати дуже малий опір. Для вимірювання постійного струму придатні амперметри
магнітоелектричної, електромагнітної та електродинамічної систем, а змінного
струму - електромагнітної, електродинамічної та індукційної систем.
Рис. 2.10. Вимірювання струму амперметром у колі з
навантаженням
З розглянутих вище приладів тільки амперметри
електромагнітної системи можуть вимірювати струм до 300 А. У приладів інших
систем струмоведучі частини розраховано на проходження дуже малих струмів.
Особливо це стосується амперметрів магнітоелектричної системи, де допускається
струм не більше 10 мА. Зрозуміло, що такі прилади великого практичного
застосування мати не можуть.
Для збільшення меж вимірюваного постійного струму
застосовуються шунти, а змінного - вимірювальні трансформатори струму.
Розглянемо спосіб розширення меж вимірюваного постійного
струму за допомогою шунта (рис. 2.10. б). Шунт - це дуже малий опір, який
вмикається в коло послідовно з навантаженням. Амперметр приєднується до шунта
паралельно. В точці А струм І розгалужується на струм шунта Іш і струм
амперметра Іа.
Шунт розраховується на струм, який становить близько 99 %
струму І. Через амперметр проходить тільки близько 1 % струну І. Оскільки при
змінах струму в колі це співвідношення залишається незмінним, шкалу амперметра
можна градуювати на весь струм кола. Градуювання провадиться за допомогою
еталонного амперметра.
Шунти виготовляються з манганіну, який має цінну властивість
сталості опору при змінах температури.
Шунти на малі струми монтуються всередині амперметра; при
великих струмах використовуються виносні шунти. На змінному струмі через великі
спотворення показів приладу шунти не застосовуються.
2.2.3 Вимірювання температури
Найчастіше для вимірювання
температури застосовують контактні методи, що передбачають використання як
чутливих елементів перетворювачів електричного опору (далі
"термоперетворювачі опору") чи термопар (рис. 2.11).
Дія термоперетворювачів опору
основана на зміні електричного опору металів, чи напівпровідників, при зміні
температури. Найбільш поширені у промисловості платинові та мідні
термоперетворювачі опору. Платинові термоперетворювачі здатні вимірювати
температуру від - 260 до 750 °С; мідні - від -200 до 200 °С.
Рис. 2.11. Загальний вигляд термопари
Найпростішим вторинним приладом,
тобто приладом, що показує величину температури згідно зі зміною величини опору
термоперетворювача опору, є логометр магнітоелектричної системи. Шкала
логометра градуйована в градусах. Розрахований він на використання з
термоперетворювачем опору саме того типу, що вказано на шкалі приладу.
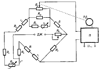
Принципова електрична схема логометра
з термоперетворювачем опору зображена на рис. 2.12. Завдяки нерівномірному
повітряному проміжку у вимірювальному механізмі постійний магніт М створює
нерівномірне магнітне поле, у якому є дві перехрещені рамки Р, і Р2. Послідовно
з першою рамою увімкнено перетворювач опору, а послідовно з другою - резистор,
виконаний з манганіну. При температурі, що відповідає початку шкали логометра,
величина опору перетворювача буде найменшою, а струм у рамці, яка ввімкнена
послідовно з цим опором, найбільшим. Завдяки цьому рамка створюватиме
найбільший обертовий момент, що буде врівноважений найбільшим моментом,
створюваним другою рамкою, яка перебуває у положенні, де щілина між полюсами
магніта М і центральним осердям буде близькою до мінімальної. При збільшенні
величини контрольованої температури величина опору перетворювача R,
збільшуватиметься, струм у ньому і у рамці, що ввімкнена послідовно з ним, а
також і обертовий момент, створюваний цією рамкою, зменшуватимуться.
Рис. 2.12. Принципова електрична схеми
логометра з термоперетворювачем опору
При цьому врівноваження її моменту
має відбутися при такому куті відхилення стрілки, при якому друга рамка
потрапить у місце щілини між полюсами магніту і центральним осердям, де ширина
щілини буде більшою, ніж у попередньому випадку, оскільки ця рамка повинна
створювати меншу величину обертового моменту, при незмінній величині струму в
ній, зумовленій опором манганінового резистора незмінної величини. У другому
положенні врівноваженості обертових моментів рамок приладу стрілка покаже
величину температури, до якої було нагріто термоперетворювач.
Коливання величини напруги живлення
практично не впливатимуть на показання логометра, бо вони однаковою мірою
змінюватимуть величини струмів обох рамок, тобто однаковою мірою змінюватимуть
і величини обертових моментів, що створюються обома рамками. При цьому
рівновага не порушується і рухома частина приладу не змінить свого положення.
Таким чином, питання про доцільність точної стабілізації величини напруги, що
живить схему, тут не виникає.
Спрощену принципову схему
автоматичного врівноваженого мосту, що застосовується при вимірюванні
температури за допомогою термоперетворювача опору, зображено на рис. 2.13. У
цій схемі термоперетворювач увімкнено в одне з плечей вимірювального мосту. При
цьому термоперетворювач приєднано за трипровідною схемою, де джерело живлення
приєднане до мосту коло самого перетворювача так, що проводи лінії з'єднання
перетворювача з мостом і Rn опиняються у різних плечах мосту. Це дає можливість
суттєво зменшити похибку вимірювань, спричинену зміною опорів мідних
з'єднувальних проводів у залежності від збільшення або зменшення температури
довкілля.
Схема автоматичного мосту має два
підгінні резистори, за допомогою яких опори кіл проводів лінії, що з'єднує
термоперетворювач опору з мостом, підганяються до величин, обумовлених
технічним описом. Якщо за перетворювач температури прийнято термопару, яка
перетворює температуру на термоелектрорушійну силу, то вторинними приладами,
які вимірюють цю ЕРС, можуть бути мілівольтметр або автоматичний потенціометр.
Рис. 2.13.Принципова схема
автоматичного врівноваженого мосту
. ОХОРОНА ПРАЦІ ТА ГІГІЄНА КОРИСТУВАЧА ЕОМ
3.1 Вимоги
до організації робочих місць
В Україні діють державні санітарні
правила та норми роботи з візуальними дисплейними терміналами
електронно-обчислювальних машин від 10 грудня 1998 №7 (Д Сан ПіНЗ.3,2007-98). У
цих правилах, зокрема, регламентується, що приміщення, де працюють люди з ПЕОМ,
повинно розміщуватися в північній або північно-східній частині будівлі. Площа
одного робочого місця повинна становити не менше 6 кв.м, об'єм - не менше 20
куб.м, відстань між робочими столами - не менше 2,5 м у ряду і 1,2 м між
рядами. Стіни приміщень повинні мати коефіцієнт відбиття 0,5-0,6.
Робоче місце має відповідати основним
антропометричним даним людини. Крісло або стілець на робочому місці повинні
мати висоту сидіння 40-50 см від рівня підлоги, а також відповідний кут нахилу
спинки. Стегна працюючих мають розміщуватися паралельно підлозі, а стопи ніг -
на підлозі або підставці, передпліччя - вертикально; лікті - під кутом 70-90°
до вертикальної площини; зап'ястя зігнуті під кутом не більше 20° відносно
горизонтальної площини, нахил голови - 15-20° відносно вертикальної площини.
Висота робочої поверхні столу має
бути в межах 680-800 мм. Рекомендована ширина столу - 600-1400 мм, глибина -
800-1000 мм. Робочий стіл повинен мати простір для ніг висотою не менше 600 мм,
шириною - не менше 500 мм, глибиною - на рівні колін - не менше 450 мм, на
рівні витягнутої ноги - не менше 650 мм.
Робочий стіл має бути обладнаний
підставкою для ніг шириною не менше 300 мм та глибиною нe менше 400 мм, з
можливістю регулювання по висоті в межах 150 мм та кута нахилу опорної поверхні
в межах 20°. Підставка повинна мати рифлену поверхню та бортик на передньому
краї заввишки 10 мм.
Робоче сидіння користувача повинно
бути підйомно-поворотним, таким, що регулюється за висотою, кутом нахилу
сидіння та спинки, за відстанню спинки до переднього краю сидіння. Регулювання
кожного параметра має бути незалежним, плавним або ступінчатим, мати надійну
фіксацію.
Хід ступінчастого регулювання
елементів сидіння має становити для лінійних розмірів 15-20 мм, для кутових -
2-5°. Ширина та глибина сидіння повинні бути не меншими за 400 мм. Висота
поверхні сидіння має регулюватися в межах 400-500 мм, а кут нахилу поверхні -
від 150 вперед до 50 назад.
Поверхня сидіння має бути плоскою,
передній край - закругленим.
Висота спинки сидіння має становити
300x20 мм, ширина - не менше 380 мм, радіус кривизни в горизонтальній площині -
400 мм. Кут нахилу спинки повинен регулюватися в межах 0-30° відносно
вертикального положення. Відстань від спинки до переднього краю сидіння повинна
регулюватися в межах 260-400 мм.
Поверхня сидіння спинки має бути
напівм'якою, з неслизьким, не наелектризовуючим, повітронепроникним покриттям.
Екран відеотермінала та клавіатура
повинні бути розташовані не ближче 600 мм від очей користувача з урахуванням
розміру алфавітно-цифрових знаків та символів (див. табл. 3.1)
Таблиця 3.1
(при розмірі екрана по діагоналі)
|
35/38 см(14"/15")
|
600-700 мм
|
|
43 см (17")
|
700-800 мм
|
|
48см (19")
|
800-900 мм
|
|
53см (21")
|
900-1000 мм
|
Площа робочого місця з обслуговування
повинна бути не менше 10 кв.м. Робоче місце повинно перебувати на відстані не
менше 1 м від приладів опалення. Поверхня робочого стола повинна бути виконана
із струмонепровідного матеріалу. За недостатнього загального освітлення робоче
місце повинно бути обладнане місцевим освітленням (стаціонарним або
переносним).
3.2 Вимоги
до обладнання
Відеотермінали, ЕОМ, ПЕОМ повинні
відповідати:
вимогам чинних в Україні стандартів,
нормативних актів з охорони праці;
вимогам національних стандартів
держав виробників і мати відповідну позначку на корпусі або в паспорті (ВДТ,
ЕОМ, ПЕОМ закордонного виробництва).
Забороняється використання для
виробничих потреб нових ВДТ, ЕОМ, ПЕОМ, які підлягають обов'язкової
сертифікації в Україні, без наявності виданою в установленому порядку або
визнаного в Україні згідно з державною системою сертифікації УкрСЕПРО
сертифіката, що засвідчує їхню відповідність обов'язковим вимогам.
ВДТ, ЕОМ, ПЕОМ (вітчизняні та
імпортні), що перебувають в експлуатації, повинні пройти експертизу їх
безпечності та нешкідливості для здоров'я людини в організаціях (лабораторіях),
що мають дозвіл органів державного нагляду за охороною праці на проведення
такої роботи.
3.3 Вимоги
електробезпеки
Під час використання ліній
електромережі необхідно повністю унеможливити виникнення джерела загорання
внаслідок короткого замикання та перевантаження проводів, обмежувати
застосування проводів з легкозаймистою ізоляцією і, за можливості, перейти на
негорючу ізоляцію.
Лінія електромережі для живлення ЕОМ
виконується як окрема групова трипровідна мережа, шляхом прокладання фазового,
нульового робочого та нульового захисного провідників. Нульовий захисний
провідник використовується для заземлення (занулення) електроприймачів.
Використання нульового робочого
провідника як нульового захисного провідника заборонено.
Нульовий захисний провід
прокладається від стійки групового розподільчого щита, розподільного пункту до
розеток живлення.
Не допускається підключення на щиті
до одного контактного затискача нульового робочого та нульового захисного
проводів.
У приміщенні, де одночасно
експлуатуються більше п'яти ПЕОМ, на помітному та доступному місці
встановлюється аварійний резервний вимикач, який може повністю вимкнути
електричне живлення приміщення, крім освітлення.
Штепсельні з'єднання та
електророзетки, крім контактів фазового та нульового робочого провідників,
повинні мати спеціальні контакти для підключення нульового захисного
провідника. Конструкція їх має бути такою, щоб приєднання нульового захисного
провідника відбувалося раніше ніж приєднання фазового та нульового робочого
провідників.
Неприпустимим є підключення ЕОМ до
звичайної двопровідної електромережі, в тому числі, з використанням перехідних
пристроїв.
Штепсельні з'єднання та
електророзетки для напруги 12 В і 36 В за своєю конструкцією повинні
відрізнятися від штепсельних з'єднань для напруги 127 і 220 В. Вони також
повинні значно відрізнятися за кольорами.
Електромережу штепсельних розеток для
живлення ПЕОМ при розташуванні їх уздовж приміщень прокладають по підлозі поряд
зі стінами приміщень, в металевих трубах та гнучких металевих рукавах з
відводами відповідно до затвердженого плану розміщення обладнання.
При розташуванні в приміщенні за його
периметром близько 5 ПЕОМ, використання трипровідникового захищеного проводу
або кабелю в оболонці з негорючого або важкозаймистого матеріалу дозволяється
прокладання їх без металевих труб та гнучких металевих рукавів.
3.4 Основні
вимоги безпеки під час експлуатації ЕОМ
користувачі ЕОМ повинні слідкувати за
тим, щоб відеотермінали ЕОМ були справними і випробуваними відповідно до чинних
нормативних документів;
щоденно перед початком роботи
необхідно проводити очищення екрана відеотермінала від пилу та інших
забруднень;
після закінчення роботи ЕОМ повинні
бути відключені від електричної мережі;
у разі виникнення аварійної ситуації
необхідно негайно відключити відеотермінала ЕОМ від електричної мережі;
при використанні з ЕОМ лазерних
принтерів треба дотримуватись вимог санітарних норм та правил експлуатації
лазерів № 5804-91, затверджених Міністерством охорони здоров'я СРСР в 1991 p.;
при потребі, для захисту від
електромагнітних, електростатичних та інших полів можуть використовуватися
спеціальні технічні засоби, що мають відповідний сертифікат або
санітарно-гігієнічний висновок.
Недопустимі такі дії:
виконання обслуговування ЕОМ
безпосередньо на робочому місці користувача ЕОМ;
зберігання біля ЕОМ паперу, дискет,
інших носіїв інформації, запасних блоків, деталей тощо, якщо вони не
використовуються для поточної роботи;
відключення захисних пристроїв,
самочинне проведення змін у конструкції та складі ЕОМ, устаткування або їх
технічне налагодження;
робота з відеотерміналами, в яких під
час роботи з'являються нехарактерні сигнали, нестабільне зображення на екрані
тощо;
праця на матричному принтері зі
знятою (трохи піднятою) верхньою кришкою.
Працівникам, що виконують
обслуговування ЕОМ, не дозволяється:
працювати поблизу відкритих
струмовивідних частин;
залишати без догляду увімкнуте в
мережу живлення ЕОМ;
розміщувати на одному робочому столі
(місці) два або більше увімкнутих в мережу живлення відеотермінали зі знятими
футлярами.
висновок
Відеокарта - пристрій, призначений
для обробки, генерації зображень з подальшим їх виведенням на екран
периферійного пристрою.
Відеокарта зазвичай є платою
розширення (дискретна відеокарта) і вставляється у слот розширення,
універсальний (PCI-Express,PCI,ISA,VLB,EISA,MCA) або спеціалізований (AGP),
проте відеокарта може бути вбудованою (інтегрованою) у материнську плату(як у
вигляді окремого елементу, так і в якості складової частини північного мосту
чіпсету або центрального процесора).
Із наведених у курсовій роботі
порівнянь, можна зробити висновок, що відео карти NVidia у цінових діапазонах
вище середнього, завжди перемагають. Проте навіть за невелику різницю у
швидкодії необхідно переплатити. А ближче до середнього та бюджетного
діапазону, різниця між NVidia та AMD майже не суттєва.
Приладами для перевірки працездатності напівпровідникових
елементів ПК є логічні пробники, вольтметри, амперметри або тестери, термопари,
логометри магнітоелектричної системи.
Список
ВИКОРИСТАНої Літератури
1. Батин, Н.В. Основы информационных технологий / Н.
В. Батин. ― Минск: Институт подготовки научных
кадров Нац. акад. наук Беларуси, 2008. ― 235 с.
2.Боділовський В. Г. “Електровакуумні та
напівпровідникові прибори в пристроях автоматики, телемеханіки і зв’язку” / М.;
Транспорт / 1969 р.
3. Глушаков С.В. «Персональний
комп'ютер» 2007. - Видавництво «АСТ»
4.Гуржій А. М, Поворознюк Н. І., Сільвестров А.
М.“Електротехніка з основами промислової електроніки” / К.; Форум / 2002 р.
.Колонтаєвський Ю. Ф. “Радіоелектроніка” / М.; Вища
школа / 1988 р.
6.Мокеїв О. К. «Напівпровідникові прилади та
мікросхеми». /М.; “Вища школа”/ 1987.
7. Мураховский В. И. Устройство компьютера.
- М.: ACT-ПРЕСС КНИГА, 2005. -640с.
. Мюллер, Скотт. Модернізація і
ремонт ПК, 16-е изд.: - М.: Издательский дом «Вильямс», 2006. с. 677 - 723.
. Рикалюк Р. Є., Злобін Г. Г.
Архітектура та апаратне забезпечення ПЕОМ. - К.: Каравела, 2005. - 280 с.
10.Терещук Р. М., Терещук К. М., Седов С. А.
«Напівпровідникові приймально-підсилювальні пристрої». Довідник. /К.; Наукова
думка/ 1987.
11. Тюнин Н. А. ЖК Мониторы - М.: Солон-Р, 2002
12. http://www.ixbt.com/video3/guide/guide-09.shtml