Моделирование работы гидропривода
Введение
Основное требование, которому должна удовлетворять любая
система автоматического управления (САУ) заключатся в обеспечении заданного для
управляемого объекта режима работы. Вследствие возмущающих воздействий или
изменения задающего воздействия в САУ в какие-то моменты времени нарушается
установившийся режим работы системы. При восстановлении заданного состояния или
при смене состояний в системе возникают переходные процессы, сопровождающиеся
изменением регулируемых величин во времени. Эти изменения при правильной работе
регулятора (управляющей системы) должны находиться в допустимых пределах. Кроме
того, иногда накладываются ограничения на продолжительность процессов
регулирования.
Можно выделить три основные задачи, которые приходиться
решать при исследовании и создании систем автоматического управления. Первой из
них является определение условий, при которых САУ будет устойчивой. Вторая
задача состоит в нахождении отклонений регулируемых величин при переходных
процессах и в определении продолжительности этих процессов. Третья задача
заключается в выявлении ошибок, с которыми система автоматического управления
работает в установившемся режиме. Эти три задачи по существу сводятся к
обеспечению устойчивости, качества и точности регулирования. Ввиду того, что в
работе проводится синтез закона высокой точности, для отработки
медленноменяющихся входных сигналов, и к быстродействию системы, вообще говоря,
никаких требований не предъявляется, вторая задача исключается.
Для решения первой и третьей задач существуют различные пути.
При наличии системы автоматического управления она может быть подвергнута
всесторонним испытаниям для проверки влияния различных факторов на
устойчивость, качество и точность регулирования. Однако, во-первых, такие
испытания оказываются очень трудоемкими, во-вторых не всегда известно влияние
каких именно факторов необходимо проверять. Вследствие этого даже при большом
объеме испытаний, результаты исследования будут недостаточно полными.
Поэтому необходимо сначала получить математическое описание
изучаемой системы. Такое описание осуществляется обычно с помощью
дифференциальных, интегральных, разностных или алгебраических уравнений, число
которых должны быть равно числу неизвестных переменных. В этом случае система
уравнений является замкнутой. Замкнутая система уравнений со всеми необходимыми
для ее решения начальными и граничными условиями образует математическую модель
изучаемой системы.
Очевидно, что после того как математическая модель системы
определена, исследование ее свойств сводится к одному из возможных способов
нахождения решений полученных уравнений. Такие решения могут быть получены
непосредственно на аналоговых или цифровых вычислительных машинах. Этот путь
благодаря развитию и совершенствованию вычислительной техники получил
наибольшее распространение при расчетах и проектировании современных САУ,
поэтому именное его мы и будем использовать.
Рассматриваемая система относится к классу следящих. Это один
из наиболее распространенных видов САУ. Назначением систем данного класса
является воспроизведение на выходе сигнала, подаваемого на вход. В большинстве
случаев качество системы определяется точностью с которой она может отслеживать
задающее воздействие.
Улучшить динамические свойства любой САУ можно за счет
повышения качества изготовления агрегатов и блоков из которых она состоит.
Однако это ведет к увеличению стоимости системы. Альтернативным способом
является синтез рационального закона управления, при котором достигается
необходимый уровень качества работы системы.
Для этого методами теории автоматического управления (ТАУ)
решаются две основные задачи. Первая состоит в анализе системы автоматического
управления. Анализ проводиться, когда известна или предварительно выбрана
структура системы и необходимо определить зависимости между параметрами и
характеристиками отдельных элементов, раскрывающими их влияние на устойчивость,
качество и точность регулирования. Второй задачей является синтез систем
автоматического управления. При синтезе может быть полностью неизвестна структура
регулятора или управляющей системы. В зависимости от предъявляемых к системе
требований по устойчивости, качеству и точности регулирования методами синтеза
определяются вид и характеристики элемента или группы элементов, которые
необходимо ввести в систему. Обычно такие элементы относятся к корректирующим.
[1]
Целью исследования является синтез регулятора,
обеспечивающего высокоточный закон управления следящим гидроприводом.
Для достижения поставленной задачи предполагается
использовать релейное управления и организовать в системе автоколебания с
частотой, близкой к скользящему режиму.
1.
Постановка задачи
гидропривод автоматический управление
преобразователь
Решение любой технической задачи никогда не бывает
единственным. Одной и той же цели можно достичь различными путями, одну и ту же
функцию могут выполнять различные устройства. При этом сами технические задачи
становятся в условиях современной научно-технической революции все масштабней и
сложнее, а решение их требует все больших средств. Проектирование, изготовление
и эксплуатация современных мощных и сложных машин и аппаратов связаны с
огромными и все возрастающими затратами материальных и трудовых ресурсов. В
этих условиях становится всё более важным из всех возможных вариантов решения
выбрать наилучший, наиболее эффективный и выгодный, другими словами,
оптимальный вариант. Сделать такой выбор совсем не просто даже и в том случае,
когда имеется исчерпывающее описание всех вариантов и сформирован достаточно
информативный критерий качества, позволяющий сравнивать варианты между собой.
Однако именно сравнение вариантов, их оценка, часто вызывает наибольшие
трудности. Любую техническую систему всегда можно оценивать с разных точек
зрения, и среди них всегда присутствуют противоречащие друг другу критерии -
эффективность и стоимость.
При проектировании систем автоматического управления (САУ),
как и при любом проектировании, также приходится иметь дело с большим
количеством противоречивых показателей качества. Не затрагивая весьма важные
стоимостные, массогабаритные, эксплуатационные и прочие показатели, остановимся
исключительно на показателях, связанных с эффективностью. По большому счёту к
САУ предъявляется только одно требование, чтобы выходной сигнал соответствовал
назначению системы, был таким, каким требуется. Наиболее простой, хотя и
достаточно богатый пример представляют в этом отношении следящие системы,
которые должны обеспечить сигнал на выходе по возможности похожий на сигнал на
входе.
Добиться эффективности любой системы можно, по меньшей мере,
двумя диаметрально противоположными путями - интенсивным и экстенсивным.
Применительно к системам управления эти пути означают: первый - применение
более точных элементов, более мощных и быстродействующих исполнительных
устройств, второй - использование более совершенных алгоритмов и законов
управления, позволяющих “выжать” из несовершенных элементов максимум того, на
что они способны. Понятны преимущества второго пути, особенно в условиях
современной России. Понятна также актуальность проблемы создания теоретических
методов и вычислительных алгоритмов, позволяющих обеспечить наибольшую
эффективность разрабатываемых или модернизируемых систем управления. По
большому счёту именной этой цели и служит вся теория автоматического
управления. Однако проблема далеко не исчерпана.
Остановимся ещё раз на вопросе эффективности САУ. Здесь
естественно выделить два аспекта - точность и быстродействие, соответствующие
двум режимам работы САУ - переходному и установившемуся. В конкретных случаях
могут выдвигаться различные дополнительные требования (гладкость, отсутствие
перерегулирования, энергосбережение и т.д.), но два основных критерия,
быстродействие и точность, сохраняют своё значение практически всегда.
Под быстродействием естественно понимают то время, за которое
гарантированно закончится переходный режим и начнётся режим слежения
(установившийся режим). Проблема оптимизация быстродействия в данной работе не
ставиться, хотя достаточно хорошо изученные методы решения этой задачи
безусловно существуют (см. [1,3,8]).
Проблема точности также затрагивалась в огромном количестве
публикаций (например, [5,6]), но все же этот вопрос нельзя считать закрытым.
Представляется естественным оценивать точность по величине ошибки, то есть,
разности между реальным значением выходного сигнала системы и его требуемым,
идеальным значением. Для следящей системы, которая может считаться достаточно
общим случаем САУ, это будет разность входного и выходного сигнала, то есть
функция времени. Часто в качестве оценки точности используются некоторые
преобразованные значения (функционалы) ошибки, причём наибольшей популярностью
пользуется средний квадрат (СКО, среднеквадратичное отклонение, дисперсия,
мощность). Однако в ряде случаев такая интегральная оценка может оказаться
недостаточной. Это относится в первую очередь к тем системам, для которых важно
мгновенное значение ошибки. Сюда можно отнести системы наведения и
сопровождения, управления технологическими процессами. В таких системах даже
кратковременное превышение ошибкой некоторого критического уровня может вызвать
необратимые последствия - срыв слежения, потерю цели, технологический брак. В
этом случае разумным представляется принять за оценку точности максимальную
величину модуля ошибки по всему процессу.
Следящие системы чаще всего не проектируются для отработки
какого-то заранее точно известного сигнала. Конкретная форма входного сигнала
обычно не известна заранее не только на стадии проектирования, но и при
эксплуатации. Однако практически всегда более или менее известен класс входных
сигналов, который может быть описан тем или иным способом. Представляется
логичным, оценивая точность системы, говорить именно о точности отработки
сигналов из некоторого заранее предопределенного класса.
Приведённые рассуждения приводят к использованию в качестве
количественной оценки точности следящей системы максимального значения модуля
ошибки в установившемся режиме при отработке произвольных сигналов из заданного
класса. Такой критерий, названный гарантированной точностью следящей системы,
впервые сформулирован в работе [ 5,6 ].
Из выше сказанного можно сделать следующий вывод: при синтезе
следящей силовой системы возникают две задачи:
1. обеспечение точности слежения,
2. обеспечение
высокого быстродействия,
В настоящей диссертации делается попытка решить первую задачу
при синтезе регулятора следящего гидропривода. Для большей определенности будем
считать, что гидропривод отвечает за горизонтальное наведение комплекса
вооружения (это может быть зенитная установка или башенное орудие танка).
2. Гидропривод как исполнительное устройство,
общие сведения
Гидропривод-это совокупность устройств,
предназначенных для приведения в движение машин и механизмов посредством
гидравлической энергии.
2.1 Области применения
Сейчас трудно назвать область техники, где бы ни
использовался гидропривод. Эффективность, большие технические возможности
делают его почти универсальным средством при механизации и автоматизации многих
процессов процессов. В частности: в горной промышленности, в качестве приводов
станков, прокатных станов, прессового и литейного оборудования, дорожных и
строительных машин, транспортных и сельскохозяйственных машин и т. п.
Гидропривод представляет собой своего рода
«гидравлическую вставку» между приводным двигателем (в нашем случае это
дизельный двигатель) и нагрузкой и выполняет те же функции, что и механическая
передача (ременная передача, кривошипно-шатунный механизм и т. д.). Основное
назначение гидропривода, как и механической передачи,- преобразование
механической характеристики приводного двигателя в соответствии с требованиями
нагрузки (преобразование вида движения выходного звена двигателя, его
параметров, а также регулирование, защита от перегрузок и др.).
Приводным двигателем насоса может быть не
только дизельный двигатель, но и любой другой (например электрический).
2.2 Классификация
По задаче регулирования регулируемый
объемный гидропривод разделяется на стабилизированный, программный и следящий.
Стабилизированным гидроприводом называется
регулируемый гидропривод, в котором скорость движения выходного звена
поддерживается постоянной.
Программным гидроприводом называется
регулируемый гидропривод, в котором скорость движения выходного звена
изменяется по заранее заданной программе.
Следящим гидроприводом называется
регулируемый гидропривод, в котором скорость движения выходного звена
изменяется по определенному закону в зависимости от задающего воздействия,
величина которого заранее неизвестна.
По характеру циркуляции рабочей жидкости насосные
гидроприводы разделяют на гидроприводы с замкнутой циркуляцией жидкости
(жидкость от гидродвигателя поступает во всасывающую гидролинию насоса) и
гидроприводы с разомкнутой циркуляцией жидкости (жидкость от гидродвигателя
поступает в гидробак).
По виду источника энергии гидроприводы разделяют на три типа.
. Насосный гидропривод - гидропривод, в котором рабочая
жидкость подается в гидродвигатель объемным насосом, входящим в состав этого
гидропривода. Он применяется наиболее широко.
. Аккумуляторный гидропривод, в котором рабочая жидкость
подается в гидродвигатель от предварительно заряженного гндроаккумулятора.
Такие гидроприводы используют в системах с кратковременным рабочим циклом или с
ограниченным числом циклов.
. Магистральный гидропривод, в котором рабочая жидкость
поступает в гидродвигатель из гидромагистрали. Напор рабочей жидкости в
гидромагистрали создается насосной станцией, состоящей из одного или нескольких
насосов и питающей несколько гидроприводов (централизованная система питания).
По характеру движения выходного звена различают гидроприводы:
поступательного движения - с возвратно-поступательным движением выходного
звена; поворотного движения - с возвратно-поворотным движением выходного звена
на угол менее 360°; вращательного движения - с вращательным движением выходного
звена.
По наличию устройства для изменения скорости движения
выходного звена различают регулируемые и нерегулируемые гидроприводы.
гидропривод автоматический управление
преобразователь
2.3 Управление гидроприводом
Применяются следующие два способа регулирования скорости
выходного звена гидроприводов:
) дроссельное регулирование - регулирование скорости
дросселированием потока рабочей жидкости и отводом части потока через дроссель
или клапан, минуя гидродвигатель.
При таком регулировании возможны два принципиально разных
способа включения регулирующего дросселя: последовательно с гидродвигателем и
параллельно ему.
) объемное регулирование, т. е. регулирование скорости
изменением рабочего объема насоса или гидродвигателя или того и другого.
КПД гидропривода с дроссельным регулированием в общем случае
мал. Вследствие этого дроссельное регулирование применяется в гидроприводах
небольшой мощности.
Рассматриваемый в настоящей работе гидропривод регулируется
объемно, однако при превышении предельно допустимого уровня давления в силовой
магистрали начинается перепуск рабочей жидкости между магистралями высокго и
низкого давления как это обычно бывает в случае с дроссельным управлением.
Принимая это во внимание, будем считать в что в системе реалиизовано
объемно-дроссельное регулирование.
В некоторых случаях в насосном гидроприводе скорость
выходного звена регулируется изменением скорости приводного двигателя
(электродвигателя, дизеля и т. п.). Такое регулирование называется
регулированием приводящим двигателем.
Также регулирование гидропривода может быть ручным,
автоматическим и программным.
2.4 Основные элементы гидропривода
В общем случае в состав насосного
гидропривода входят гидропередача, гидроаппараты, кондиционеры рабочей
жидкости, гидроемкости и гидролинии. Дадим определение этим элементам.
Гидропередача - часть насосного
гидропривода, предназначенная для передачи движения от приводного двигателя к
машинам и механизмам. Простейшая гидропередача состоит из насоса,
гидродвигателя и гидролинии. Иногда, в сложных системах работают одновременно
несколько насосов и гидродвигателей.
Гидроаппараты применяются для
регулирования параметров потока рабочей жидкости (давления и расхода), а также
для изменения или поддержания неизменным направления потока жидкости. Как
правило, гидроаппараты являются составными элементами гидроавтоматики.
Кондиционеры рабочей жидкости
(гидроочистители и теплообменные аппараты) предназначены для получения ее
необходимых качественных показателей.
Гидроемкости (гидробаки,
гидроаккумуляторы) предназначены для содержания в них рабочей жидкости с целью
использования ее в процессе работы гидропривода.
Гидролинии (гидросеть) - устройства для
прохождения рабочей жидкости. Конструктивно гидролинии представляют собой
трубы, рукава, колена, тройники и т. д.
2.5 Достоинства и недостатки гидроприводов
К явным преимуществам гидроприводов относятся:
меньшие масса и габариты гидропривода по
сравнению с массой и габаритами механического и электрического приводов, что
объясняется отсутствием или сокращением тяжелых нагруженных валов, редукторов,
муфт, генераторов с электроаппаратурой и т. п.;
простая и более совершенная компоновка.
Это объясняется тем, что отдельные узлы даже в том случае, когда они размещены
на взаимно перемещающихся частях машины, соединяют между собой гидролиниями,
которые в зависимости от удобства расположения узлов можно изгибать в различных
направлениях. Использование поворотных соединений и рукавов высокого давления
совместно с гидролиниями позволяет создавать более совершенную компоновку узлов
гидропривода на машинах. Насос обычно устанавливается у приводного двигателя;
гидродвигатели - непосредственно у исполнительных органов; элементы управления
- на пульте оператора-машиниста;
малая инерционность гидропривода, которая
обеспечивает хорошие динамические свойства, увеличивает долговечность машины и
позволяет производить включение и реверсирование рабочих движений за доли
секунды. Время рабочего цикла при этом сокращается и повышается
производительность машины;
бесступенчатость регулирования скорости рабочих
движений, позволяющая повысить коэффициент использования приводного двигателя,
упростить автоматизацию привода и улучшить условия работы машиниста;
возможность осуществления простым способом
больших передаточных отношений между ведущим и ведомым звеньями при
вращательном движении ведомого звена. Это достигается путем соответствующего
подбора рабочих объемов насоса и гидромотора. При использовании в качестве
ведомого звена высокомоментного гидромотора величина передаточного отношения
может достигать 500 и более;
надежное предохранение от перегрузок
приводного двигателя, металлоконструкций и рабочих органов. Гидропривод и
рабочие органы машины при быстро нарастающих пиковых нагрузках защищает
предохранительный гидроклапан, перепускающий часть жидкости на слив;
применение минеральных масел в качестве
рабочих жидкостей, что обеспечивает смазку самих элементов гидропривода и
повышает их эксплуатационные качества.
удобство управления, возможность
разветвления мощности, применение стандартизованных и унифицированных узлов,
возможность осуществления автоматизации и дистанционного управления и т.д.
Необходимо также считаться с недостатками гидропривода, а
именно:
зависимость характеристики гидропривода от
вязкости рабочей жидкости, которая изменяется от температуры; в автоматических
гидравлических системах нестабильность вязкости нарушает работу автоматических
устройств;
растворимость воздуха в жидкости, который
также нарушает работу гидропривода и особенно автоматических устройств;
внутренние и наружные утечки рабочей
жидкости, которые снижают КПД системы. В настоящее время уже разработаны
рабочие жидкости с высоким индексом вязкости и уплотнения, гарантирующие
длительную их работу без утечек.
КПД объемного гидропривода несколько ниже, чем КПД
механических и электрических передач, и, кроме того, он снижается в процессе
регулирования;
условия эксплуатации гидропривода (температуры) влияют на его
характеристики;
чувствительность к загрязнению рабочей жидкости и
необходимость достаточно высокой культуры обслуживания.
Однако при правильном выборе гидросхем и
конструировании гидроузлов некоторые из перечисленных недостатков гидропривода
можно устранить или значительно уменьшить их влияние на работу машин.
По характеру циркуляции рабочей жидкости насосные
гидроприводы разделяют на гидроприводы с замкнутой циркуляцией жидкости
(жидкость от гидродвигателя поступает во всасывающую гидролинию насоса) и
гидроприводы с незамкнутой циркуляцией жидкости (жидкость от гидродвигателя
поступает в гидробак).
Подводя итоги раздела, дадим краткую характеристику
рассматриваемому приводу.
а) По характеру циркуляции рабочей жидкости гидропривод
является замкнутым.
б) По задаче управления - следящий.
в) По типу приводного двигателя насоса -
дизельный.
г) По виду источника энергии - насосный.
д) По характеру движения выходного звена -
вращательным.
е) По способу управления - автоматический.
ж) Регулирование -автоматическое,
объемно-дроссельное.
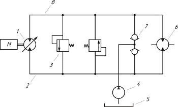
3. Состав рассматриваемой САУ
Принципиальная схема следящего гидропривода, закон управления
которым предстоит получить приведена на рис.
- насос основной; 2,8 - напорная или
сливная гидролиния; 3 - предохранительный гидроклапан; 4 - насос подпитки; 5 -
гидробак; 6 - гидродвигатель; 7 - обратный гидроклапан
3.1 Вращающейся трансформатор
Поворотные (вращающиеся) трансформаторы - это небольшие
индукционные электрические машины, предназначенные для преобразования
механического перемещения - угла поворота ротора α
- в
электрический сигнал - выходное напряжение U, амплитуда которого
находятся в определенной функциональной зависимости от угла поворота ротора.
Схема ВТ изображена на рис.
У большинства поворотных трансформаторов концы обмоток ротора
выводятся к контактным кольцам, по которым скользят щетки. Кольца и щетки
обычно выполняют из сплавов серебра.
Особенностью повортных трансформаторов является то, что у них
взаимоиндуктивность между первичными обмотками (статора) при повороте ротора
ищменяется строго по синусоидальному (или косинусоидальному закону) закону от
угла поворота α, что при определенных условиях обеспечивает
такой-же закон изменения амплитуды э.д.с. вторичных обмоток; этого не
наблюдается у обычных трансформаторов, не имеющих подвижных частей.
3.2 Гидроцилиндры
В силовых гидроцилиндрах рабочий ход поршня совершается
давлением жидкости. Конструктивно силовые цилиндры представляют сбой стальной
корпус, в котором перемещается шток с поршнем (рис. ). Зазор между поршнем и
корпусом выбирается наименьшим. Максимальная величина зазора зависит от поля
допусков на изготовление. Типовая конструкции силового гидроцилиндра и
натуральное изображение приведены ниже.
Силовые цилиндры
3.3 Электрогидравлический усилитель
Электрогидравлический усилитель ЭГУ, представляет собой
быстродействующее устройство, состоящее из электромеханического преобразователя
ЭМП и гидроусилителя ГУ.
Можно утверждать, что стабильность характеристик и надежность
работы электрогидравлического усилителя в большой степени определяются
качеством конструкции и совершенством технологии изготовления
электромеханического преобразователя. В связи с этим изучение характеристик
электромеханических преобразователей имеет важное значение. Его конструкция
должна быть простой и миниатюрной, а мощность управления минимальной (не более
0,1-0,5 Вт). Кроме этого, ЭМП должен иметь высокую частоту собственных
колебаний (не менее 400Гц) и надежность.
Электромеханические преобразователи ЭМП предназначены для
преобразования электрических сигналов управления в механическое перемещение
«входного звена» распределительно - управляющего устройства гидроусилителя.
Электромеханический преобразователь конструктивно выполняется в виде
электромагнита, подвижный якорь которого жестко соединен с заслонкой или
струйной трубкой гидроусилителя.
Статические и динамические характеристики ЭГУ в большой
степени зависят от гидродинамических сил, действующих на якорь ЭМП,
управляющего перемещениями входного элемента - заслонки гидроусилителя. Эти
силы, нагружая якорь ЭМП, определяют его мощность и в значительной степени
быстродействие.
ГУ может быть дроссельного или золотникового типа. В
литературе по автоматическому управлению усилитель первого типа чаще
упоминается под названием «сопло-заслонка». В ЭГУ рассматриваемой системы
формируется два каскада. (см рис)

Основным элементом является дросселирующий
золотниковый распределитель, который сочетает функции дросселя переменного
сопротивления и распределительного устройства. Дросселируя поток жидкости,
золотник изменяет значение давления последнего, а следовательно и усилие,
перемещающее регулирующий орган. Изменение направления движения жидкости,
распределителем позволяет реверсировать исполнительный орган. Распределители
обычно выполняются разгруженными, что повышает чувствительность регулятора.
Кроме того (см. рис), ЭГУ оснащен обратной связью. Основными
достоинствами электрогидравлических усилителей с обратной связью являются:
высокое быстродействие, стабильность характеристик (и, что очень важно -
коэффициента передачи) при изменении температуры в широком диапазоне,
отсутствие центрирующих пружин, которые могут вызвать перекос золотника и
увеличить его трение.
Однако следует отметить, что конструктивное выполнение и
компановка электрогидравлического усилителя с обратной связью в некоторых
случаях отличаются определенной сложностью.
Важный показатель для регуляторов - коэффициент усиления
гидроусилителя - отношение мощности на выходе усилителя к мощности на входе.
Практически это отношение можно определить как отношение мощности на входе
исполнительного механизма регулирующего органа к мощности на выходе
чувствительного элемента. Значение коэффициента для гидроусилителей обычно
колеблется от нескольких сотен до нескольких десятков тысяч единиц.
.4 Гидробак
В гидробаках находится запас рабочей жидкости, который
необходим для улучшения теплоотвода, для предотвращения эмульсирования, а также
для очистки рабочей жидкости от мелких взвесей. Гидробак обычно сваривается из
листовой стали, внутри него делается несквозная перегородка, разделяющая бак на
два неравных отсека (см. рис) больший отсек сливается рабочая жидкость из
системы из меньшего - производится забор жидкости насосом.
Гидробак
В большем отсеке происходит оседание крупных частиц,
попадающих в систему из гидролиний, соединений и отдельных гидроагрегатов, а
также освобождение жидкости от избыточного воздуха, поступающего в нее через
неплотности соединений. В меньшем отсеке происходит оседание мелких взвесей,
имеющихся в жидкости.
Для того чтобы оседающие на дно бака взвеси не попадали во
всасывающую гидролинию, отверстие всасывающего патрубка находится выше дна
гидробака на 50 - 60 мм. Отверстие сливного патрубка находится также на
расстоянии 50 - 60 мм от дна гидробака. Этим исключается насыщение рабочей
жидкости воздухом при поступлении в бак, а также гасится напор. Емкость
гидробака выбирается в зависимости от давления в системе, объемного к. п. д.
насоса и общего кпд всей системы, а также наличия в системе дроссельных и
специальных охлаждающих устройств, интенсивности работы исполнительных органов,
температуры окружающего воздуха.
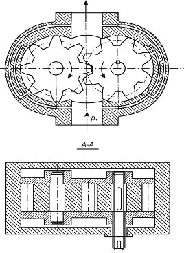
3.5 Шестеренный насос
Благодаря простоте конструкции шестеренные гидромашины
получили очень широкое распространение в качестве нерегулируемых насосов,
применяемых для питания гидропередач небольшой мощности с дроссельным
управлением, для подачи смазки, для питания систем управления.
Шестеренная гидромашина распространенного типа с наружным
зацеплением (рис.) представляет собой пару чаще всего одинаковых шестерен,
находящихся в зацеплении и помещенных в камеру, стенки которой охватывают их со
всех сторон с малыми зазорами.
Камеру образует корпус. Конструкция шестеренного насоса
приведена на рис.. К недостаткам шестеренных насосов следует отнести
сравнительно большие объемные потери и резкое падение к. п. д. при высоких
температурах до 70-80%, небольшой срок службы под нагрузкой, трудность
регулирования насоса.
3.6 Фильтры
Долговечность насосов и узлов гидропривода в значительной
мере зависят от чистоты рабочей жидкости и ее филы рации. В большинстве случаев
загрязняющие частицы состоят из кварца, окислов металлов, волокон тканей и
абразивной пыли, которая поступает в систему вследствие недостаточно тщательной
промывки деталей, обработанных микропорошками. Известны случаи, когда микропорошки
сокращали срок службы насосов в 10-12 раз. Наиболее опасными являются частицы
такого же порядка, каким является зазор в трущейся паре. Таким образом, для
увеличения долговечности узлов гидросистем с зазорами между сопряженными
деталями более 5 мкм в системе должен быть установлен фильтр тонкой очистки,
удерживающий механические примеси размером более 3-5 мкм.
Через фильтр проходит вся жидкость, циркулирующая в системе.
В качестве фильтроэлементов применяются проволочные плетеные сетки с отверстиями
40 - 63 мкм, проволока со спиральной намоткой с отверстиями до 100 мкм и бумага
с порами 25 мкм.
Конструкции фильтров приведены на рис
3.7 Основной насос
Существует две группы аксиальных роторно-поршневых машин: с
наклонным блоком цилиндров и с наклонным диском.
Гидронасос в рассматриваемом приводе является машиной
аксиально-поршневого типа с наклонным диском. Такие насосы, по сравнению с
другими типами, отличаются наибольшей компактностью и, следовательно,
наименьшей массой. Имея рабочие органы с малыми радиальными габаритными
размерами и поэтому с малым моментом инерции они способны быстро изменять
частоту вращения. Эти специальные свойства обусловили широкое применение таких машин
в качестве регулируемых и нерегулируемых насосов и гидромоторов.
В гидромашинах с наклонным диском блок цилиндров с поршнями
вращается вместе с валом. Поршни опираются па наклонный диск и благодаря этому
совершают возвратно-поступательное движение. При изменении угла наклона диска
(люльки) в ту или другую сторону нейтрального положения изменяются направление
и величина подачи насоса при неизменной частоте вращения приводного вала. Если
угол наклона блока является постоянным и зафиксирован в этом положении, насос
становится нерегулируемым. Насосы обратимы, т. е. при необходимости насос может
работать как гидромотор.
Аксиально-поршневой регулируемый насос с наклонным диском.
Регулирование производительности в рассматриваемых насосах
переменной производительности осуществляется за счет поворота упорного диска на
угол нужный угол.
Аксиальные роторно-поршневые насосы и гидромоторы выпускаются
на давление до 32 МПа. Их КПД достигает - 97%.
.8 Мотор
Гидромотор - это объемный гидродвигатель вращательного
движения.
Благодаря свойству обратимости роторных насосов, любой из них
в принципе может быть использован в качестве гидромотора, поэтому гидромоторы
классифицируют так же, как и роторные насосы, т. е. разделяют на шестеренные,
винтовые, поршневые (радиальные и аксиальные) и т.д. Наибольшее распространение
в гидроприводах получили поршневые гидромоторы.
В конструкции гидромоторов однако можно заметить некоторые
отличия от соответствующих роторных насосов, обусловленные различным
функциональным назначением этих гидромашин. В аксиально-поршневых гидромоторах
устанавливается угол наклона блока цилиндров (до 40˚) больший, чем у таких
же насосов (до 30°).
Так же как и роторный насос, гидромотор характеризуется,
прежде всего, рабочим объемом, т. е. идеальным расходом жидкости через
гидромотор за один оборот ротора.
Гидромотор такого типа в основном состоит из следующих
деталей: ротора с поршнями, барабана с толкателями, вала, корпуса переднего, в
расточке которого под углом в 22°30/ размещен упорно-радиальный
подшипник, корпуса среднего и опорно-распределительного диска с отверстиями,
предназначенными для подвода и отвода жидкости. В барабане расположены пружины,
прижимающие ротор к распределительному диску, в котором имеются полукольцевые
пазы с окнами, разделенные двумя перегородками. По одному пазу жидкость
подводится к ротору от насоса, а от другого - отводится в бак.
Гидромотор работает следующим образом. Жидкость, поступающая
через соответствующий полукольцевой паз от насоса к окнам, выполненным на торце
ротора, воздействует на поршни, расположенные в створе с этим пазом, благодаря
чему поршни вместе с толкателями выдвигаются к подшипнику. Возникающие при этом
тангенциальные силы проворачивают толкатели вместе с барабаном и валом,
соединенным с барабаном шпонкой, а также ротор, который увлекается барабаном
при помощи поводка.
Такой гидромотор относится к нерегулируемым машинам, так как
удельный расход жидкости в нем постоянен. Частота вращения вала определяется
расходом жидкости, причем допускается как дроссельный, так и объемный способ
регулирования скорости. При изменении направления жидкости происходит
реверсирование.
Детали гидромотора, находящиеся в корпусе, работают в
благоприятных условиях из-за обильной смазки всех трущихся поверхностей.
Сквозной вал позволяет присоединить к гидромотору такие
вспомогательные устройства, как насос или датчик скорости.
Гидромоторы такого типа предназначены для приводов
вращательного движения в гидросистемах с бесступенчатым регулированием частоты
вращения, в системах, где требуется реверсирование, частые включения,
автоматическое и дистанционное управление.
3.9 Механический редуктор
Обычно редуктор состоит из ряда последовательно соединенных
зубчатых и червячных передач и служит для уменьшения числа оборотов и
увеличения крутящего момента. Для увеличения числа оборотов применяют
мультипликаторы (по конструкции эти устройства аналогичны редукторам).
Элементы редуктора, обычно, монтируются в жестком корпусе,
который необходим для обеспечения необходимой соосности между валами, точными
межосевыми расстояниями, для защиты от попадания грязи и создания условий для
эффективной смазки (редуктор рассматриваемой в данной работе системы корпуса не
имеет).
Общее передаточное отношение редуктора зависит от числа
ступеней и типа передачи и может доходить до 100 тыс. единиц.
Редукторы могут служить для передачи вращения между
параллельными, пересекающимися и перекрещивающимися валами.
Для передачи вращения между параллельными валами служат
редукторы с цилиндрическими зубчатыми передачами - так называемее
цилиндрические редукторы.
В зависимости от типа применяемых зубчатых колес
цилиндрические редукторы могут быть с прямозубыми (рис. 99, а), косозубыми
(рис. 99, б) и шевронными (рис. 99, в) колесами. В ряде редукторов применябтся
прямозубые и косозубые передачи с внутренним зацеплением (рис. 1, г) -
редуктор, соответствующий тому, что установлен в рассматриваемом гидроприводе.
В тех случаях, когда необходимо передать вращение между
пересекающимися валами, используются конические зубчатые передачи (конические
редукторы). В таком типе редукторов применяются конические зубчатые передачи с
прямым (рис. 2. а), косым (рис. 2, б) и криволинейнм (рис. 2, в) зубом, а также
конические гипоидные (рис. 2, г) передачи.
Для передачи вращения между перекрещивающимися валами в
редукторах применяются червячные редукторы.
Одним из основных преимуществ зубчатых редукторов перед
другими передачами является то, что они могут применяться для передачи больших
мощностей (до нескольких десятков МВт). Во многом благодаря этому, зубчатые
редукторы получили преобладающее распространение во всех отраслях
машиностроения.
К некоторым недостаткам зубчатых редукторов можно отнести
большие габариты при значительных передаточных отношениях и шум при работе со
значительными скоростями.
Редукторы, состоящие, только из одной передачи применяются
редко. Большее распространение получили двух-, трех- и многоступенчатые
редукторы.
Кроме того, далеко не все редукторы представляют собой
отдельные монтажные узлы, существуют также и специальные типы встроенных
редукторов, конструктивно составляющих единое целое с машиной (как в нашем
случае).
4.
Математическая модель системы
4.1
Вращающийся трансформатор
Как уже было сказано выше, вращающийся трансформатор
предназначен для преобразования угла (или разности углов) в некоторый
электрический сигнал. Будем считать, что углы вращения малы, вследствие чего
трансформатор имеет линейные характеристики. Тогда передаточная функция
вращающегося представляет собой некоторый коэффициент усиления. (Ктр)
Таким образом получаем, что на выходе трансформатора будет напряжение
пропорциональное разности двух углов.
Структурная схема имеет вид:
Коэффициент передачи трансформатора равен 2 В/рад.
4.2 Усилитель
На выходе вращающегося трансформатора сигнал очень
незначителен и чтобы с ним можно было работать дальше его необходимо усилить.
Эту функцию выполняет усилитель по напряжению. Принимаем, что усилитель имеет
линейные характеристики, вследствие чего передаточная функция усилителя
представляет собой некоторый коэффициент усиления. (Ку) Т.е.
напряжение поданное с вращающегося трансформатора усиливается в КУ
раз.
Тогда можем нарисовать структурную схему:
Коэффициент усиления усилителя равен 4.
4.3 Электромеханический преобразователь
На ЭМП подаётся электрический сигнал с усилителя. В
зависимости от поданного сигнала электромеханический преобразователь
поворачивает струйный гидрораспределитель на некоторый угол.
Гидрораспределитель в свою очередь создаёт разницу давлений в рабочих полостях
золотника, а следовательно золотник смещается от положения равновесия. В
состоянии равновесия площадь выпускных отверстий (дросселей) золотника
одинаковые. А когда золотник смещён от положения равновесия из рабочих полостей
золотника масло под давлением поступает в гидроцилиндры.
При составлении передаточной функции ЭМП принимаем некоторые
допущения. Полагая, что сухое трение, гистерезисная петля и электродвижущая
сила, наведённая движением якоря, малы и ими можно пренебречь, запишем
уравнение движения якоря в таком виде:
где m - масса якоря и подвижных частей
гидроусилителя;
b - коэффициент вязкого демпфирования;
a - перемещение якоря;
KFI - коэффициент усиления тяговой
характеристики, зависящей от величины поляризующей магнитодвижущей силы, числа
витков обмотки управления и конструктивных параметров магнитной цепи;
I - ток управления;
СЭМП - коэффициент жёсткости статической характеристики,
определяется по формуле:
где KhI - коэффициент пропорциональности,
зависящий от параметров магнитной системы, числа витков обмотки управления и
жёсткости упругого элемента якоря.
Произведя необходимые преобразования в уравнении представим
передаточную функцию электромеханического преобразователя в виде колебательного
звена:
где
- электромеханическая постоянная времени;
- коэффициент относительного демпфирования;
KЭМП = KhI - коэффициент передачи.
Преобразуем передаточную функцию следующим образом:
Раскрыв скобки получаем:
С учетом индуктивности обмотки управления и электродвижущей силы,
наведённой движением якоря, система уравнений движения электромеханического
преобразователя в приращениях приобретает такой вид:
уравнение движения якоря
уравнение электрической цепи
где U - напряжение источника ЭДС;
R - сопротивление контура по которому протекает ток; R=RИ+ RУПР
RИ, RУПР - соответственно сопротивления источника ЭДС и
сопротивление обмотки управления;
L - коэффициент самоиндукции (индуктивности) обмотки управления;
kПЭ -
коэффициент противо-ЭДС, зависящей от параметров электромагнитной цепи.
Структурная схема электромеханического преобразователя на
основании преобразованных уравнений, приведённых выше, имеет вид:
На самом деле золотник ограничен в перемещении упорами, поэтому в
схему необходимо ввести звено ограничивающее перемещение золотника. Тогда
структурная схема примет вид:
На рисунке введено обозначение TL=L/R. В частности, если R велико, а TL мало и им можно
пренебречь, то предаточная функция электромеханического преобразователя на
основании преобразований структурной схемы приобретает вид:
где
Во время проектирования на самом деле удобнее использовать модель,
которая несколько отличается от описанной выше. А именно модель описанная через
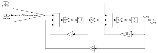
моменты. Структурная схема приведена на следующем рисунке:
В данной схеме противо ЭДС учитывается обратной связью по
скорости с коэффициентом К_пе. Более правильно было бы учитывать противо ЭДС по
координате, однако, в этом случае в обратной связи появляется дифференцирующее
звено. Чтобы избавиться от него обратная связь идёт от скорости. В данном
случае появляется новая проблема: в то время когда гидрораспределитель ложится
на упоре и угол становится константой, скорость не равна нулю. Чтобы этого
избежать, в обратную связь в модели встраиваем звено - “ключ”, которое в
обратной связи обнуляет скорость в момент, когда гидрораспределитель ложится на
упор, т.е. на интеграторе с ограничением достигается насыщение. Данная модель
наиболее полно соответствует реальной модели нашей системы.
Коэффициенты данной модели имеют следующие параметры: K_i = 0.15 А/В; T_i = 0.005 c; K_s = 0.9/1.6e-3 рад/(Н*м*с); K1_s = 1/0.9 Н*м/рад; K_ne = 5.73e-3 В*с/рад. Значение
ограничения на интеграторе равно 0.087 рад.
4.4
Золотниковый распределитель
Золотниковый гидрораспределитель представляет собой систему
управляемых дросселей, объединённых, как правило, в одной конструкции и
включённых по схеме гидравлического мостика. Золотниковый гидрораспределитель,
который в дальнейшем будем называть просто золотник, применяется в качестве
распределительно - управляющего устройства большой мощности. Принципиальная
схема золотника приведена на рисунке:
При составлении передаточной функции золотника принимаем
некоторые допущения:
1. Геометрические размеры симметричны относительно осей;
2. Гидравлические
проводимости G1 и G2, а также G3 и G4, образованные прямоугольными окнами с острыми
кромками, при равных значениях х одинаковы;
3. Радиальный зазор, перекрытие, перетечки жидкости и
сопротивление внутренних каналов настолько малы, что ими можно пренебречь;
4. Ограничение
гидравлических проводимостей окон и расхода жидкости отсутствует.
Расход жидкости управляемого дросселя идеального золотника
запишется так:
или
где
- гидравлическая проводимость
дросселирующего окна при смещении золотника на величину х.
Рассмотрим систему уравнений расхода во всех четырёх
управляемых дросселях:
при х > 0;
при х < 0,
Учитывая сделанные нами допущения, при равных абсолютных значениях
х G1 = G2 = G3 = G4 = G(x), а Q1 = Q2 = Q3 = Q4 = Q(x) систему уравнений расхода после
небольших преобразований можно записать в таком виде:
при х > 0
при х < 0
где pпит=pн-pсл - давление питания;
pд=p1-p2 - давление нагрузки;
Qд - расход
золотника при нагрузке pд.
,
где sign(x) -
функция Кронекера, т.е. sign(x) = 1 при x > 0,
sign(x) = -1 при x < 0.
Таким образом получаем, что скорость перемещения золотника
прямо пропорциональна углу поворота струйного гидрораспределителя на ЭМП. В
тоже время перемещение золотника прямо пропорционально расходу жидкости в
гидроцилиндры. Таким образом получаем следующую структурную схему золотника:
В реальной конструкции перемещение золотника ограничено упорами,
поэтому в структурную схему добавляется ограничитель (нелинейное звено).
Значения параметров такой модели: К = 2 м/(рад*с); Т = 0.01 с.
Перемещение золотника ограничено и данное ограничение равно 1е-3 м.
4.5 Гидроцилиндры с наклонной пластиной
Гидроцилиндры здесь применяют в качестве исполнительных
гидродвигателей возвратно-поступательного действия для изменения угла поворота
наклонного диска в гидронасосе. Схема представлена на рисунке:
Для составления уравнений гидроцилиндров представим их в
виде:
Из приведённого выше рисунка видно, что
Откуда
где l - длина наклонной пластины.
С другой стороны расход жидкости гидроцилиндра прямо
пропорционален линейной скорости движения поршня:
где υ - линейная скорость поршня;
Aп -
рабочая площадь поршня.
Площадь поршня можно представить в следующем виде:
где Dп - площадь поршня.
Скорость движения поршня есть не что иное как производная от
координаты положения поршня, т.е.:
Или если записать через оператор дифференцирования:
Откуда:
Подставляя полученное выражение в формулу полученную для угла
поворота наклонной пластины получим:
Структурная схема представлена следующим образом:
Но данная модель не будет работать на практике, если не учесть
ограничение, которое вызвано тем, что наклонная пластина не может
поворачиваться на большие углы. Таким образом структурная схема примет вид:
Коэффициент при интеграторе можно обозначить как К_х. Тогда
значения параметров данного участка структурной схемы следующие: К_х = 5000
рад/(м*с). Ограничение имеет следующее значение: наклонная пластина может
поворачиваться на ± 30 градусов или на 30*3.14/180 радиан.
4.6
Гидросистема (гидронасос, трубопровод, гидромотор).
Основная часть системы выглядит следующим образом:
Для начала запишем уравнения для расхода жидкости из гидронасоса.
Расход жидкости складывается из следующих составляющих: расход жидкости в
гидромотор, утечки происходящие как в гидронасосе, так и в гидромоторе, а также
на сжатие масла (при давлении, приблизительно в 320 атмосфер масло несжимаемым
считать уже нельзя). К тому же в системе встроен предохранительный клапан
который срабатывает при достижении в трубопроводе критического давления.
Расход масла в гидромотор описывается следующим уравнением:
где Wд - угловая скорость вращения гидромотора;
ω - удельный приход масла в поршень при
повороте на один радиан.
Потери в трубопроводе и местах соединения его с гидромотором и
гидронасосом считаем величиной пропорциональной величине давления, т.е. потери
определяются выражением:
где L - некоторый коэффициент называемый
коэффициентом потерь.
Третья составляющая расхода масла определяется сжатием масла в
трубопроводе:
где V - объём трубопровода;
Е - адиабатический (адиабатичский) модуль объёмной упругости
жидкости в условиях постоянной энтропии, т.е. в условиях повышения давления и
увеличения температуры в результате сжатия жидкости.
Таким образом данные потери пропорциональны объёму
трубопровода, скорости изменения давления и обратно пропорциональны модулю
объёмной упругости. Суммарный расход масла представим в виде:
С другой стороны данный суммарный расход равен:
где Wн - скорость вращения гидронасоса;
ω - удельный приход масла в
поршень при повороте на один радиан, причём его значение точно такое же, что и
для гидромотора;
γ - угол наклона пластины, в
которую упираются штоки поршней из барабана;
γmax - максимальный угол
наклона этой пластины.
Приравнивая правые части обоих уравнений получим:
Выразим из этого выражения производную давления по времени:
Теперь определим выражение связывающее скорость вращения
гидронасоса в зависимости от давления в трубопроводе. Производная от скорости
вращения поршневого цилиндра равна отношению момента двигателя к моменту
инерции нагрузки.
В свою очередь:
Подставляя это выражение в верхнюю формулу окончательно имеем:
Построим структурную схему на основании полученных зависимостей:
Нелинейный элемент присутствующий в системе появился в следствии
наличия на трубопроводе предохранительного клапана, который ограничивает
давление в магистрали. В системе присутствует трение, поэтому в структурной
схеме присутствует обратная связь учитывающая трение в системе.
Приведём параметры данной структурной схемы: Wн = 50*3,14 рад/с; gмах = 30*3.14/180 рад; w = 140/(2*3.14)*1е-6 м3/рад; Е
= 1.4е9 Н/м2; V = 1е-3 м3;
L = 1е-11 м5/(Н*с); Jд = 0.0175 Н*м*с2; К_тр = 0.0024 Н*м*с.
Предохранительный клапан открывается когда давление достигает значения 32е6 Па.
4.7
Редуктор
Посредством редуктора осуществляется механическая связь
гидромотора с объектом управления. Так как нагрузки на объект управления очень
большие (объектом управления является башня танка), а также из-за того что
наведение на цель должно быть максимально быстрым, т.е. большие угловые
ускорения, то зубья редуктора подвергаются деформации, пренебречь которой
нельзя. Значит описать редуктор, учитывая только лишь передаточное число
редуктора нельзя. Момент развиваемый поршневым цилиндрам определяется следующей
зависимостью:
где ω - удельный
приход масла в поршень при повороте на один радиан поршневого цилиндра;
р - давление в трубопроволе.
Угловая скорость вращения барабана определяется моментом,
развиваемым поршневым цилиндром с учётом эффекта подпружинивания, и моментом
нагрузки. Запишем это в виде формулы:
Для определения угла поворота цилиндра достаточно
проинтегрировать угловую скорость вращения. Т.е.:
Так как зубья деформируются то редуктор поворачивается на
некоторый другой угол, отличный от φц, т.е.:
Данная разница углов умноженная на С1+С2·p даёт нам реальный момент развиваемый поршневым цилиндром.
Запишем данное утверждение в виде формулы:
Если полученный момент умножить на передаточное число редуктора,
то получим не что иное как момент передаваемый на нагрузку. Зная этот момент
нам не составит особого труда определить угловую скорость вращения башни танка.
В виде формулы это запишется так:
Для получения угла поворота достаточно проинтегрировать
полученную угловую скорость:
Приступаем к построению структурной схемы:
Но в реальной системе всегда присутствует трение которым
пренебречь нельзя, поэтому с учётом трения структурная схема принимает
следующий вид:
Также в системе присутствует люфт, а следовательно в структурной схеме
присутствует нелинейный элемент, который стоит после разности углов.
Численные данные параметров присутствующих в системе следующие: С1
= 4.5е7 Н*м/рад; С2 = 4.5е3; J_b = 16500 Н*м*с2. Величина люфта зубьев на редукторе
равна 0.0003 радиан. Трение в системе описывается нелинейным звеном, а именно
реле с величиной 300 Н*м.
Таким образом мы получили для каждого элемента свои
передаточные функции. Можем приступить к составлению структурной схемы всей
системы. (она представлена в приложении).
.8
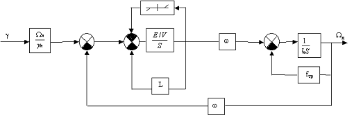
Структурная схема всей системы
Для составления структурной схемы системы достаточно собрать
все структурные схемы отдельных звеньев и соединить их. Для удобства и
наглядности системы соберём некоторые звенья в одно. А именно вращающийся
трансформатор, усилитель, электромеханический преобразователь, золотник,
гидроцилиндры с наклонной пластиной в одно звено; гидросистему в другое, а
редуктор в третье. После проделанной операции получаем следующую структурную
схему:
Блок управления (“Control”) в
раскрытом виде представляет собой следующую структурную схему:
Блок гидропривода (“Gidrosystem”)
выглядит следующим образом:
Блок редуктора (“Reduktor”) в
раскрытом виде выглядит следующим образом:
Таким образом, получена структурная схема всей системы.
5.
Синтез закона управления высокой точности
.1 Выбор фазовых координат и получение полного
фазового годограф системы
Для решения задачи синтеза релейного управления в следящих
приводах высокой точности метод фазового годографа является, видимо, наиболее
эффективным. Наиболее сложной и трудоемкой частью этого метода является
вычисление самого фазового годографа.
Введем понятие фазового годографа релейной системы. Обозначим
через х = (х1, х2, …, хn) вектор состояния системы. В автономной релейной системе (y(t) ≡ 0)
периодическое движение однозначно задается одной точкой предельного цикла.
Ограничимся рассмотрением простых симметричных периодических движений. Будем
задавать периодическое движение точкой х* = (х1*, х2*, …,
хn*), соответствующей переключению релейного
элемента с минуса на плюс. Рассмотрим множество всех возможных периодических
движений объекта управления. Это множество, очевидно, представляет собой
множество периодических колебаний разомкнутого объекта при u = A sign sin ω
t, где частота ω изменяется от 0 до ∞. Каждому
периоду
соответствует единственное периодическое
решение уравнений объекта управления, т.е. каждому периоду 2Т в фазовом
пространстве системы соответствует единственная точка х*(Т). Множество
возможных периодических движений объекта задается некоторой линией х*(Т) (в
функции полупериода Т). Назовем эту линию фазовым годографом релейной системы.
Отдельные компоненты фазового годографа хi*(Т), i = 1, 2, … n, назовем R-характеристиками.
Если построен фазовый годограф, то периодическое движение,
возникающее в замкнутой релейной системе, определяется точкой пересечения
фазового годографа с поверхностью переключений. В частности, в данном случае
симметричное периодическое движение определяется из условия
где
R-характеристика
выходного сигнала.
Для построения полного фазового годографа, прежде всего необходимо
выбрать фазовые координаты для которых он будет строиться. Видимо нет смысла
останавличаться на тех, координатах, которые невозможно померить в реальных
условиях (например момент развиваемый ЭМП гидроусилителя). Кроме самой
регулируемой величины, из доступных измерению были выбраны еще 6 координат. Все
они перечислены на рис.
Т.к. исследуемая система является существенно нелинейной, то
построить фазовый годограф можно только численно, с помощью пакета MATLAB. Для этих целей автором было разработано
несколько программ, текст которых помещен в приложении 3. На рис представлена
блок схема алгоритма m-функции,
определющий одну точку фазового годографа. Для получения фащового годографа
также необходимо заменить в структурной схеме системы все звенья на их
реализации на интегрирующих звеньях.
5.2
Основные положения метода гарантированной точности
Повышение частоты автоколебаний безусловно способствует
улучшению качества работы системы, однако не гарантирует, что установившееся
значение ошибки при том или ином входном сигнале (отличном от 0) будет лежать в
допустимых пределах.
Следовательно необходимо ввести требование, которое даст
возможность заранее отбрасывать решения не удовляетворяющие требованию по
точности
Используемый далее метод гарантированной точности сводит
оценку ошибки при слежении в нелинейной релейной системе к оценке ошибки в
некоторой линейной системе.
В дальнейшем начальные условия для следящей системы условимся
всегда считать нулевыми, следящую систему - линейной и стационарной. Тогда
каждому входному конкретному сигналу
соответствует свой сигнал ошибки
. Максимум модуля этой ошибки на отрезке времени
обозначим
.
.
Это значение может служить характеристикой точности
воспроизведения следящей системой конкретного сигнала
. Взяв максимум (полагая
компактом) от
по всем сигналам
из класса
, найдём гарантированную точность (ГТ) следящей системы для класса
, то есть величину, которая оценивает
ошибку воспроизведения любого входного сигнала из класса
при длительности процесса
. Обозначим её
.
Гарантированная точность зависит от класса входных сигналов
и длины отрезка
и не убывает с ростом длительности
интервала. Если ГТ не превосходит допустимой величины ошибки, можно сделать
вывод об обеспечении необходимой точности. При этом если длина интервала
выбрана, исходя из реального времени работы системы, можно не беспокоиться об
устойчивости. Если же
, устойчивость системы вытекает из условия
.
Очень важен вопрос о формировании и задании класса входных
сигналов V. Рассмотрим один из вариантов задания такого класса. Будем
полагать, что входные сигналы v(t) сами являются выходными сигналами некоторой
динамической системы, которую назовём задающим устройством (ЗУ). При этом
задающее устройство, как на рис. 4.2, подвержено действию произвольного
управляющего сигнала u(t), на который наложим единственное ограничение - в
каждый момент времени должно выполняться неравенство
.
Ограничимся рассмотрением только линейных стационарных
задающих устройств, причём всегда будем полагать у них все начальные условия
нулевыми. Несмотря на все перечисленные ограничения, сконструированные
указанным образом классы входных сигналов оказываются достаточно богатыми, а
свойствами этих классов нетрудно управлять соответствующим выбором параметров
задающего устройства. В частности, если порядок знаменателя передаточной
функции задающего устройства превышает порядок числителя на n, то V будет
содержать только непрерывные n - 1 раз дифференцируемые сигналы.
Будем в дальнейшем полагать, что класс V всегда
состоит только из непрерывных функций, поскольку ясно, что изучение
отслеживания разрывных сигналов не представляет ни научного, ни практического
интереса. Кроме того, будем полагать, что ошибка слежения e(t) также всегда является
непрерывной функцией времени. Это всегда справедливо для рассматриваемых в
настоящей работе линейных систем.
Поскольку целью всего рассмотрения является оценка точности
слежения системы, нас не будут интересовать процессы выхода на режим слежения.
Это оправдывает принятое выше соглашение о нулевых начальных условиях в
следящей системе. Тогда задача вычисления гарантированной точности принимает
окончательный законченный вид.
Будем в дальнейшем называть систему, изображённую на рис.4.3
и состоящую из последовательно соединённых задающего устройства и следящей
системы расширенной системой.
В выражении (4.1) теперь можно вместо максимума по v использовать максимум по
u, и оно приобретает вид
Вычисление ГТ, как следует из (4.2) и рис. 4.3, становится
равносильным максимизации ухода линейной системы за конечный (или бесконечный)
отрезок времени. Эта задача для линейных систем с постоянными параметрами впервые
рассмотрена и решена Б.В.Булгаковым. Там же показано, что ошибка достигает
максимального значения именно в конечный момент времени, т.е.
.
Поскольку и задающее устройство и следящая система - стационарные
линейные системы, существует передаточная функция всей системы от входного
сигнала задающего устройства u к сигналу
ошибки e. Обозначим эту передаточную функцию
, а обратное преобразование Лапласа от неё
-
. Последняя функция может рассматриваться
как весовая (импульсная переходная) функция расширенной системы рис.4.3.
.
Тогда, в соответствии с известным интегральным соотношением
вход-выход, имеем
Для вычисления гарантированной точности необходимо подобрать такое
входное воздействие задающего устройства u(t), которое максимизирует ошибку в конечный
момент времени Т. Ясно, что для этого в каждый момент времени должно
выполняться условие
, а знак
должен совпадать со знаком
. Тогда из выражения (4.4) получаем конечное выражение для
вычисления гарантированной точности:
Аналогичный результат был получен и Булгаковым в.
Известно, что весовая функция может рассматриваться как
отклик (при нулевых начальных условиях) на единичную импульсную функцию
(дельта-функцию Дирака).
В известном смысле предпочтительнее, чем вычисление интеграла
(4.5), поскольку не требует получения весовой функции расширенной системы. Реализация
дельта-функции, которая не может быть осуществлена точно, на самом деле и не
требуется, поскольку вместо этого можно использовать систему без входного
сигнала, но с ненулевыми начальными условиями.
Таким образом, вычисление гарантированной тонности в принципе
не составляет проблемы. Рассмотрим теперь вопрос применения этой характеристики
в анализе и синтезе систем автоматического управления.
Первое и наиболее очевидное применение гарантированной
точности связано с оценкой точности САУ при отработке входных сигналов из
заданного класса. Поставив задачу минимизации предельной ошибки отработки
сигналов из заданного класса, мы получаем метод синтеза регулятора
(корректирующего устройства) для системы автоматического управления.
Пусть следящая система, состоящая из регулятора и объекта
управления, должна воспроизводить входные сигналы из заданного класса,
описываемого известным задающим устройством.
.
Теперь передаточная функция от входного сигнала задающего устройства
к ошибке,
, зависит также от
параметров регулятора:
(s - комплексный аргумент в преобразовании Лапласа). Тогда ГТ также
зависит от этих параметров:
.
Поставим задачу минимизации ГТ по этим параметрам. Такой
подход позволяет рассматривать задачу расчёта регулятора как оптимизационную
задачу, причём критерий оптимизации в данном случае имеет ясный содержательный
смысл - наибольшая ошибка слежения, которая может возникнуть при отработке
входных сигналов из заданного класса. При этом в принципе на параметры можно не
накладывать никаких ограничений. На практике, однако, такие ограничения, скорее
всего, будут. Кроме физической реализуемости, от регулятора вполне могут
потребоваться какие-нибудь дополнительные свойства.
Расчёт регулятора для следящей системы при описанном выше
подходе включает в себя следующие этапы:
. анализ имеющейся информации о входных сигналах;
. формирование задающего устройства;
. выбор структуры закона управления (регулятора);
. упрощение модели объекта управления;
. оптимизация параметров регулятора;
. моделирование синтезированной системы.
Важной задачей является подбор или построение задающего
устройства. От того, насколько используемое задающее устройство адекватно
реальной ситуации, зависит как качество управления в синтезированной системе,
так и адекватность полученной оценки её точности. Решение данной задачи
существенно зависит от той информации о классе входных сигналов разрабатываемой
системы, которая известна на этапе синтеза регулятора.
Нередко входными сигналами для следящей системы являются
выходные сигналы какой-либо другой системы. Так бывает, например, когда локатор
следит за самолётом (самолёт - динамическая система, движение которой
описывается своими дифференциальными уравнениями, и со своим управляющим
воздействием, ограниченным по величине, которым может произвольно распоряжаться
пилот). В этом случае в качестве ЗУ можно использовать линеаризованную модель
такой системы - источника сигнала.
Значительно чаще встречается другой случай, когда известны
некоторые предельные характеристики входного сигнала - максимальное значение
сигнала, его максимальные скорость и ускорение, область достижимости в фазовом
пространстве и т.д. При этом естественно попытаться построить простейшее
линейное звено, удовлетворяющее указанным ограничениям. Для такого подбора
необходимо иметь простой аппарат вычисления предельных отклонений и построения
областей достижимости хотя бы для простейших линейных звеньев.
В рассмотренных выше ситуациях класс входных сигналов
включает детерминированные сигналы, однако на практике так бывает не всегда -
часто разработчик не имеет никакой информации о классе входных сигналов, кроме
спектральной плотности. При этом сами входные сигналы рассматриваются как
случайные. Возникает задача формирования ЗУ для отработки стохастического
класса входных сигналов, описываемого в терминах статистической динамики.
Итак, первой критической для метода гарантированной точности
задачей является формирование задающего устройства, для чего требуется
инструмент формирования линейных звеньев либо с заданной областью достижимости,
либо обеспечивающих заданную спектральную плотность при рассмотрении случайных
входных сигналов.
Также важно эффективно, то есть быстро и точно, вычислять
значение гарантированной точности. Поскольку задача синтеза регулятора
рассматривается как задача оптимизации по критерию гарантированной точности,
значение указанного критерия в ходе оптимизации неизбежно потребуется вычислять
много раз. Выше приведены как общее выражение (4.5), позволяющее выполнить
такое вычисление, так и схема (рис.4.4), моделируя которую также можно получить
значение гарантированной точности. Однако аналитическое решение, как правило,
ни в том, ни в другом случае невозможно, поэтому большое значение имеет
применяемый численный метод. Разработка эффективного численного метода
вычисления гарантированной точности составляет вторую критичную для описанной
выше методики задачу.
Третья задача, подлежащая решению, это разработка алгоритма
параметрической оптимизации регулятора при сложных ограничениях. В принципе,
метод гарантированной точности как таковой не предполагает наложения каких-либо
условий или ограничений на параметры регулятора. Однако это не исключает
возможности использования подобных ограничений, призванных обеспечить некоторые
дополнительные требования к системе. В частности, ниже в работе использовались
в качестве таких ограничений степень устойчивости замкнутой системы и её
колебательность, позволяющие мере контролировать качество переходного процесса
в системе.
Заключение
В работе решена задача анализа и синтеза следящего
гидропривода высокой точности.
С использованием законов гидродинамики, электромеханики была
построена математическая модель системы. Полученная модель содержит нелинейные
звенья и перекрестные связи, имеет высокий (десятый) порядок. Это усложняет
синтез следящего гидропривода. Для решения поставленной задачи исходная модель
была упрощена до четвертого порядка.
С применением метода гарантированной точности и фазового
годографа получен закон управления, обеспечивающий точность слежения системой в
скользящем режиме за классом входных сигналов.
Анализ системы с данным управлением показал, что она
позволяет выполнить все требования по точности. Ошибка при этом не превышает
5мрад.
Исследование проводилось с использованием вычислительной
техники. Моделирование моделей осуществлялось с помощью среды MatLAB.
Таким образом, получен регулятор, обеспечивающий требуемую
точность системы.
Литература
1.
Бесекерский В.А., Попов Е.П. Теория систем автоматического регулирования.- М.:
Наука, 1975. - 768 с.
1. Гамынин
Н.С. Гидравлический привод систем управления.-М.: Машиностроение, 1972. - 376
с.
3.
Иванов В. А., Фалдин Н. В. Теория оптимальных систем автоматического
управления. - М.: Наука. - 1981. - 336 с.
.
Дьяконов В. MATLAB 6: учебный курс - СПб.: Питер, 2001. - 592 с.: ил.
.
Макаров Н.Н. Методы анализа и синтеза систем управления высокой динамической
точности. Диссертация на соискание ученой степени доктора технических наук.
Тула, ТулГУ, 2001.
.
Макаров Н.Н., Макарова Н.Н. Синтез регулятора методом гарантированной точности.
//ММЕЕ - 12. Сб. трудов Международной научной конференции в 5-ти т. Т 5.
Великий Новгород. Новгородский государственный университет. 1999. - С145-147.
.
Прокофьев В.Н., Казмиренко В.Ф. Проектирование и расчет автономных приводов.
/под ред. Прокофьева В.Н.-М.: Машиностроение, 1978. - 232 с.
.
Фалдин Н. В. Синтез оптимальных по быстродействию замкнутых систем управления -
Тул. политехн. ин-т. Тула, 1990. - 100 с.
.
Попов Д.Н. Динамика и регулирование гидро- и пневмосистем: Учебник для вузав по
специальностям “Гидропневмоавтоматика и гидропривод” и “Гидравлические машины и
средства автоматики”. - 2-е изд., перераб. и доп. - М.: Машиностроение, 1987. -
464 с. ил.
.
Савин И.В., Сафонов П.В. Основы гидравлики и гидропривод: Учебник для
строительных техникумов. - М.: Высш. школа, 1978. - 222 с., ил.
.
Попов Д.Н. Механика гидро- и пневмоприводов: Учеб. для вузов. - М.: Изд-во МГТУ
им. Н.Э. Баумана, 20001. - 320 с., ил.
.
Богданович Л.Б. Гидравлические приводы: Учеб. пособие для вузов. - Киев: Вища
школа. Головное изв-во, 1980. - 232 с. - 30314. 2702000000.
.
Динамика гидропривода. Колл. Авторов. Под. Ред. В.Н. Прокофьева. М.,
“Машиностроение”, 1972, 292 стр.
.
Гидравлика, гидромашины и гидроприводы: Учебник для машиностроительных вузов
/Т.М. Башта, С.С. Руднев, Б.Б. Некрасов и др. - 2-е изд., перераб. - М.:
Машиностроение, 1982. - 432 с., ил.
.
Гейгер В.Г., Дулин В.С., Заря А.Н. Гидравлика и гидропривод: Учеб. для вузов. -
3-е изд., перераб. и доп. - М.: Недра, 1991. - 331 с.: ил.
.
Гудилин Н.С., Кривенко Е.М., Махавиков Б.С., Пастоев И.Л. Гидравлика и
гидропривод: Учеб. пособие / Под общ. ред. И.Л. Пастоева. - 3-е изд., стер. -
М.: Издательство Московского государственного горного университета, 2001. - 520
с.
.
Руднев С.А., Фалдин Н.В. Линеаризвция релейной следящей системы по полезному
сигналу // Изв. РАН. Теория и системы управления. 1998. № 2. - С. 36-43.
Приложение
m-функция “time”
%TIME(CLOCK1,CLOCK2) returns time passed since
CLOCK1 to CLOCK2
%CLOCK1, CLOCK2 - are arrays formed by function
CLOCK.
%
%For example:
%
%a1=clock;
%...
%statements
%...
%a2=clock;
%t=time(a1,a2);
%
%So, variable "t" is array, containing
information about
%duration of realization
"statements".time=f(clock1,clock2);=clock2-clock1;=1;and(D(k)==0,k<6)=k+1;D(k)<0=clock1;=clock2;=A;=D*(-1);=0;D(k)==0=0;=1;f==0D(2)<0(2)=D(2)+12;(1)=D(1)-1;D(3)<0=or(clock1(2)==1,
clock1(2)==3);=or(clock1(2)==5, clock1(2)==7);=or(clock1(2)==8,
clock1(2)==10);=clock1(2)==12;=or(A1,A2);=or(A3,A4);=or(A5,A6);=or(clock1(2)==4,
clock1(2)==6);=or(clock1(2)==9,
clock1(2)==11);=or(B1,B2);=and(clock1(2)==2,fix(clock1(1)/4)~=(clock1(1)/4));=and(clock1(2)==2,
fix(clock1(1)/4)==clock1(1)/4);A_clock3=31;B_clock3=30;C_clock3=28;E_clock3=29(3)=D(3)+max_clock3;(2)=D(2)-1;D(4)<0(4)=D(4)+24;(3)=D(3)-1;D(5)<0(5)=D(5)+60;(4)=D(4)-1;
D(6)<0(6)=D(6)+60;(5)=D(5)-1; =D;
end
функция “Equality”
%EQUALITY(X1,X2,M,N) returns 1 if X1=X2 or 0 in
all other cases.
%Equality in this fucntion is defined to M by
absolute accuracy
%or to Nth decimal place N=1,2,3...
%There are two accuracy parameters. M and N are
used as in rule logical OR
%in this function.
%
%Parameters X1, X2, M, N are able to be scalars
or row matrixes. X1, X2,
%M, N numbers of dimension should be equal then.
%
%There are some requirements for parametres M and
N.
%It should be:
%N>=1 and N - integer; M - positive.
%
%
%Example for scalar X1, X2, M, N:
%
%>> equality(0.1722, 0.1721, 0.000001, 3)
%
%ans =
%
% 1
%
%>>
%
%
%here:
%0.1722, 0.1721 - compared numbers
%0.000001 - absolute accuracy
%3 - number or decimal
placesy=f(x1,x2,m,n)=size(x1);=size(x2);=size(m);=size(n);=(s1==s2);=(length(C1)==sum(C1));=(s2==s3);=(length(C2)==sum(C2));=(s3==s4);=(length(C3)==sum(C3));=(s1(1)==1);=(fix(n)==n);=sum(C5);=((s4(1)*s4(2))==sum(C5));=(n>=1);=sum(C6);=((s4(1)*s4(2))==sum(C6));=(m>0);=sum(C7);=((s3(1)*s3(2))==sum(C7));C1&C2&C3&C4&C5&C6&C7i=1:1:s1(2)(x1(i)==x2(i))(i)=1;(x1(i)*x2(i)<=0)&((abs(x1(i)-x2(i)))<m(i))(i)=1;(x1(i)*x2(i)<=0)&((abs(x1(i)-x2(i)))>=m(i))(i)=0;(i)=((abs((x1(i)-x2(i))/(x1(i)+x2(i))))<(1/(10^n(i))))|((abs(x1(i)-x2(i)))<m(i));=C;('\n')('Error:\n')('Incorrect
parameters X1, X2, M, N or its numbers\n')('of dimension aren''t equal, in
function EQUALITY(X1,X2,M,N)\n')
y=NaN;
функция “PH_point”
%PH_point=f(mn,A,T,sv,pc,m,n,min_pn,min_mtd,max_rtd,df,pf)
%
%mn - model name (name of model you're working
at.)
%A - amplitude of input Meander-line signal
you're giving to system.
%T - period of input Meander-line signal you're
giving to system.
%st - state vector (state vector of system.)
%pc - phase coordinate (vector phase coordinate
you're taking up.)
%m - absolute accuracy
%n - accuracy by decimal places n=1,2,3...
%min_pn - minimum period number.
%min_mtd - minimum model time duration.
%max_rtd - maximum real time duration.
%df - duration flag.
%pf - printing flag.
%
%returns X*(T) vector of Simlulink system 'model
name'
%
%Property:
%All parameters should be a variable of
Workspace, so it can be defined
%in a session or m - script file of MATLAB before
begining work.PH_point=f(mn,A,T,sv,pc,m,n,min_pn,min_mtd,max_rtd,df,pf)A sv
pc=(fix(n)==n)&(n>=1);=(m>0)&(max_rtd>0)&((df==0)|(df==1))&((pf==0)|(pf==1));=(A>0)&(min_mtd>0)&(min_pn>=2)&(fix(min_pn)==min_pn);(mn,1/Inf);=size(m);=size(n);=(s1(1)==1);=(s2(1)==1);=(length(pc)==length(m))&(length(m)==length(n));=B1&B2&B3&B4&B5&B6;B=0;=clock;(mn,T/2);_min1=pc;=-A;(mn,T/2);
k=1; _pl1=pc;pf==1
fprintf('\n')(' Using PH_point for T=%g',T)('
c')(' (Phase coordinate number
is%g',length(pc))(')\n')('\n')index=1:1:length(x_pl1)('
%g',x_pl1(index))('\n')=-A;(mn,T/2);_min2=pc;=-A;(mn,T/2);=k+1;
x_pl2=pc;pf==1
for index=1:1:length(x_pl2)(' %g',x_pl2(index))('\n')=clock;c1==c2=0;=time(c1,c2);=c(1)*31104000+c(2)*2592000+c(3)*86400+c(4)*3600+c(5)*60+c(6)*1;((t>=max_rtd)&(k>=min_pn)&(k*T>=min_mtd))=1;((sum(equality(x_pl2,x_pl1,m,n))~=length(equality(x_pl2,x_pl1,m,n)))|...
(sum(equality(x_min2,x_min1,m,n))~=length(equality(x_min2,x_min1,m,n))))&(F==0)_min1=x_min2;_pl1=x_pl2;=-A;(mn,T/2);_min2=pc;=-A;(mn,T/2);=k+1;
x_pl2=pc;pf==1
for index=1:1:length(x_pl2)('
%g',x_pl2(index))('\n')=clock;c1==c2=0;=time(c1,c2);=c(1)*31104000+c(2)*2592000+c(3)*86400+c(4)*3600+c(5)*60+c(6)*1;
if
((t>=max_rtd)&(k>=min_pn)&(k*T>=min_mtd))=1;=-A;F==0pf==1
('\n')('Phase hodograph point is defined successfully\n')('Passed period number
is%g',k)('\n')('Passed model time is%g',T*k)(' s\n')('Passed real time
is%g',t)(' s\n')=(x_pl2+x_min2)./2;
x_pl2=x_pl2-d;_pl2(length(x_pl2)+1)=T;_pl2(length(x_pl2)+1)=1;
if
pf==1 ('\n') ('Warning:\n')('Function
PH_point=f(mn,A,T,sv,pc,m,n,min_pn,min_mtd,max_rtd,df,pf)\n')('failed to find
R-characteristic in period T=%g',T)(' s\n')('You should increase max_rtd and
parameters "Relative tolerance"\n') ('and "Absolute
tolerance" in Simulation parametres to get correct\n')('result here.
')('Also don''t set m and n too much.\n')('\n')('Passed period number
is%g',k)('\n')('Passed model time is%g',T*k)(' s\n')('Passed real time
is%g',t)(' s\n')
df==1_pl2=(x_pl1+x_pl2)./2;_min2=(x_min1+x_min2)./2;=(x_pl2+x_min2)./2;_pl2=x_pl2-d;
_pl2(length(x_pl2)+1)=T;_pl2(length(x_pl2)+1)=2;_pl2=x_pl2.*NaN;_pl2(length(x_pl2)+1)=T;_pl2(length(x_pl2)+1)=3;
_point=x_pl2;
else('\n')
fprintf('Error:\n')('Incorrect
parameters in function
\n')('PH_point=f(mn,A,T,sv,pc,m,n,min_pn,min_mtd,max_rtd,df,pf)\n')_point=NaN;
-функция “Script”
% Script.m m-файл для определения всего фазового
годографа
global
A sv pc('off', 'all');('ph_point.txt')on;='hydraulic_drive';=27;=5;=2.99;=0.01;=Ts;=[0
0 0 0 0 0 0 0 0 0];=0;=[1e-6 1e-2 1e-12 1e-8 1e-6 1e-9 1 1e-2 1e-3 1e-9 1e-5
1e-15];=[5 5 5 5 5 5 5 5 5 5 5
5];_pn=5;_mtd=6;_rtd=10;=1;=1;=1;T>=Tf=PH_point(mn,A,T,sv,pc,m,n,min_pn,min_mtd,max_rtd,df,pf);j=1:1:length(a)(i,j)=a(j);=T-dT;=i+1;