Система КОМПАС-ГРАФИК
МИНИСТЕРСТВО
ОБРАЗОВАНИЯ И НАУКИ УКРАИНЫ
ЛУГАНСКИЙ
УНИВЕРСИТЕТ
имени
Владимира Даля
ФАКУЛЬТЕТ
АВТОМОБИЛЬНОГО ТРАНСПОРТА
Кафедра
“Автомобили”
Курсовая
работа по дисциплине
«Основы
автоматизированного
проектирования
на автотранспорте»
Луганск
2014 г.
Реферат
Курсовая работа содержит: стр., рис., 2 чертежа
формата А3.
В курсовой работе по САПР изучена система
КОМПАС-ГРАФИК, ее структура и основные возможности. Получены практические
навыки работы в системе КОМПАС-ГРАФИК. Выполнены: рабочий чертеж детали с
простановкой размеров, оформлением технических требований и заполнением
основной надписи чертежа. При создании сборочного чертежа были освоены основные
приемы работы со сборочными чертежами и правила оформления спецификаций. В
третьей части курсовой работы был выполнен проверочный прочностной расчет узла
автомобиля в САПР-АВТО.
Точка, прямая, отрезок прямой, окружность, дуга
окружности, эллипс, символ шероховатости, линия выноски, стрелка направления
взгляда, линия разреза или сечения, фрикционное сцепление, коэффициент запаса
сцепления, напряжения кручения, удельная работа трения.
Содержание
1.
Общие сведения о системе компас -график
.1
Типы объектов в КОМПАС-График
.2
Объекты оформления
.3
Объекты чертежа
.4
Типы объектов
.5
Типы файлов
.
Расчет фрикционного сцепления
.1
Момент, передаваемый сцеплением
.2
Расчет пружины сцепления
.2.1
Расчет периферийно расположенных пружин
.3
Определение показателей износостойкости сцепления
.4
Расчет ступицы ведомого диска
.5
Расчет привода сцепления
Заключение
Список
использованных источников
Приложения
Введение
Подсистема КОМПАС-ГРАФИК 5 предназначена для
автоматизации проектно-конструкторских работ в различных отраслях деятельности.
Она может успешно использоваться в машиностроении, архитектуре, строительстве,
составлении планов и схем - везде, где необходимо разрабатывать и выпускать
чертежную и текстовую документацию.
КОМПАС-ГРАФИК 5 разработан специально для
операционной среды MS Windows и в полной мере использует все ее возможности и
преимущества для предоставления пользователю максимального комфорта и удобства
в работе. В то же время версия 5 поддерживает чертежи, созданные в предыдущей
версии системы, поэтому сделанные ранее наработки смогут быть использованы без
каких-либо затруднений.
Подсистема КОМПАС-3D предназначена для создания
трехмерных параметрических моделей деталей с целью передачи геометрии в
расчетные пакеты и в пакеты разработки управляющих программ для оборудования с
ЧПУ, а также расчета их геометрических и массо-центровочных характеристик.
КОМПАС-3D ориентирован на формирование моделей
конкретных деталей, содержащих как типичные, так и нестандартные, уникальные
конструктивные элементы. Параметризация трехмерных моделей позволяет быстро
получать типовые детали на основе однажды спроектированного прототипа.
1. Общие сведения о системе компас-график
.1 Типы объектов в КОМПАС-График
В КОМПАС-ГРАФИК 5 поддерживаются следующие
графические объекты.
Геометрические объекты
точка
прямая
отрезок прямой
окружность
дуга окружности
эллипс
многоугольник (ломаная)
контур
кривая Безье
NURBS-кривая
штриховка
эквидистантная кривая
макроэлемент
.2 Объекты оформления
многострочная текстовая надпись
таблица
размер линейный
размер угловой
размер радиальный
размер диаметральный
обозначение базы
допуск формы и расположения
символ шероховатости
линия выноски
стрелка направления взгляда
линия разреза или сечения
обозначение центра
атрибут
.3 Объекты чертежа
вид
технические требования
обозначение шероховатости неуказанных поверхностей
.4 Типы объектов
Основным документом в системе КОМПAС-ГPAФИК 5
является лист чеpтежa (в дaльнейшем теpмин чеpтеж кaк paз и будет ознaчaть лист
чеpтежa). Чеpтеж хpaнится в отдельном фaйле специaльного двоичного фоpмaтa
(расширение фaйлa *.cdw). Если Вaшa констpуктоpскaя документaция состоит из
нескольких листов, то они создaются и обpaбaтывaются отдельно (в paзличных
фaйлaх).
Каждый чеpтеж состоит из видов, технических
тpебовaний, основной нaдписи (штaмпa чертежа) и обознaчения шеpоховaтости неукaзaнных
повеpхностей детaли (знака неуказанной шероховатости). Под видом в дaльнейшем
будем понимaть любое изолиpовaнное изобpaжение нa чеpтеже, a не обязaтельно
кaкую-либо пpоекцию детaли в стpого геометpическом толковaнии. Положение
кaждого видa в системе кооpдинaт чеpтежa (или абсолютной системе) опpеделяется
точкой пpивязки, углом повоpотa и мaсштaбом.
В пpинципе, все изобpaжение нa чеpтеже может
быть создaно в одном виде, если это удобно пpи paботе. При создании нового
чертежа специальный системный вид с номером 0 создается автоматически, и Вы
можете немедленно приступать к вычерчиванию объектов, которые будут помещаться
в этот нулевой вид.
В каждом виде можно создавать до 255 слоев для
удобного размещения и обработки изображения.
Другим типом документа КОМПАС-ГРАФИК 5 является
фрагмент (расширение фaйлa *.frw). Он отличается от чертежа отсутствием
объектов оформления. Во фрагменте нет рамки, основной надписи, знака
неуказанной шероховатости и технических требований. Фрагмент, как и вид
чертежа, может содержать до 255 слоев.
Фрагмент идеально подходит для хранения
изображений, которые не нужно оформлять как лист чертежа (эскизные прорисовки,
разработки и т.д.). Кроме того, во фрагментах удобно сохранять созданные
типовые решения и конструкции для последующего использования в других
документах. Отметим, что КОМПАС-ГРАФИК 5 предоставляет возможность ссылаться на
внешний фрагмент без его физического копирования в документ, при этом после
редактирования внешнего фрагмента автоматически будет откорректирован и старший
документ.
Встроенный текстовый процессор КОМПАС-ГРАФИК 5
позволяет создавать текстово-графические документы (расширение фaйлa *.kdw). В
таком документе помимо собственно текстовой части могут быть вставлены таблицы
и графические иллюстрации (чертежи и фрагменты). Текстово-графический документ,
как и чертеж, оформляется рамкой и основной надписью.
Начиная с версии 5.5 документом КОМПАС-ГРАФИК
является спецификация (расширение файла *.spw.)
Спецификация представляет собой таблицу,
содержащую информацию о составе сборочной единицы, комплекса или комплекта.
Заполнение этой таблицы и сортировка записей в ней производятся в соответствии
с ГОСТ 2.108-68. Оформление спецификации включает рамку, основную надпись и
таблицу. Поставляемые в составе системы оформления спецификации отвечают
указанному стандарту. Возможно создание пользовательского типа спецификации.
Такая спецификация является произвольной таблицей с задаваемыми пользователем
заголовками колонок, названиями разделов, правилами заполнения и сортировки
записей. Принципы формирования и назначение такой таблицы аналогичны принципам
формирования и назначению стандартной спецификации. Ее удобно использовать для
создания отвечающих отраслевым или ведомственным стандартам спецификаций, а
также различных перечней и ведомостей.
.5 Типы файлов
В КОМПАС-ГРАФИК 5 используются по умолчанию
следующие расширения файлов.
Файлы документов
*.a3d - файлы сборок
*.m3d - файлы деталей
*.cdw - файлы чертежей
*.frw - файлы фрагментов
*.kdw - файлы текстовых документов
*.spw - файлы спецификаций
*.tbl - файлы таблиц
Служебные и вспомогательные файлы
*.tdp - файлы шаблонов технических требований
*.pdt - файлы шаблонов текста (предопределенного
текста)
*.tol - файлы предельных отклонений (допусков)
*.lat - файлы библиотек типов атрибутов
*.lcs - файлы библиотек стилей линий
*.lhs - файлы библиотек стилей штриховки
*.lts - файлы библиотек стилей текстов
*.lyt - файлы библиотек оформлений документов
*.lfr - файлы библиотек фрагментов
*.l3d - файлы библиотек моделей
*.bss - файлы библиотек специальных знаков
*.sss - файлы с исходными описаниями специальных
знаков
*.cfg - файлы конфигурации, содержащие сведения
о настройках рабочей среды системы
*.prj - файлы проектов, содержащие сведения о
настройках новых документов
*.dns - файлы с данными о плотностях материалов
*.rps - файлы обмена КОМПАС RPS Client
*.rpr - файлы резервной копии памяти ключа
электронной защиты (HASP)
Вспомогательные файлы для конвертации текстов
при обмене с файлами AutoCAD
*.acs - файлы соответствия обозначений
спецзнаков в КОМПАС 5 и AutoCAD
*.shx - файлы шрифтов в формате AutoCAD
*.shp - файлы шрифтов в формате AutoCAD
Файлы приложений
*.rtw - файлы прикладных библиотек
*.dll - файлы прикладных библиотек
*.loa - файлы баз данных по элементам прикладных
библиотек
2. Расчет фрикционного сцепления
.1 Момент, передаваемый сцеплением
Наибольший момент Мс, передаваемый сцеплением,
равен
где b - коэффициент
запаса сцепления, принимается в зависимости от Мкmax.
При Мкmax = 50-100Нм - b
= 1,25…1,5, при Мкmax = 100-260Нм b = 1,5…1,75, при
Мкmax=280-600Нм - b=1,8…2,2 и при Мкmax=700-1000Нм b=2,3…2,5.
Принимаем коэффициент запаса сцепления b
= .
.2 Расчет пружины сцепления
.2.1 Расчет периферийно расположенных пружин
Прижимное усилие на нажимной диск
где m=0,25 - коэффициент
трения в сцеплении;- число поверхностей трения;р - средний радиус накладки
ведомого диска, м
где D и d - соответственно наружный и внутренний
диаметры накладки ведомого диска сцепления, м.
Удельное давление от пружин на ведомые диски
.
В выполненных конструкциях rо=0,15...0,25
МПа.
Усилие, создаваемое одной пружиной
где z - число пружин сцепления. Их число должно
быть кратно числу включающих рычажков и зависит от диаметра ведомого диска D.
Напряжения кручения в цилиндрической пружине
< (600...800
МПа),
где Dср и dп - соответственно средний диаметр
витка пружины и диаметр проволоки, м.
где n - число витков нажимной пружины;- модуль
упругости, (8…8,5)×104 МПА.
Коэффициент жесткости пружин /f,
для современных сцеплений - 150...450 Н/см.
. Расчет диафрагменной пружины
Расчетная схема для определения параметров
диафрагменной пружины
Рис. 2.1. Расчетная схема диафрагменной пружины
Толщина диафрагменной пружины сцепления
находится в пределах 2,0...2,5 мм для легковых и 3,0...5,0 мм для грузовых
автомобилей.
Усилие пружины
, Н,
где E’=E/(1-m2) - (E - модуль
упругости первого рода 2×105 МПа);
m - коэффициент Пуассона, m=0,25;
Н - высота пружины, м;- толщина пружины, м; пр -
деформация пружины, м.
По этому уравнению построить зависимость нажимного
усилия диафрагменной пружины от ее деформации.
Усилие выключения из условия равновесия
Ход подшипника муфты выключения

,
где Da - угловое
перемещение;
сл - жесткость лепестков.
Наибольшие напряжения испытывает элемент пружины
со стороны малого торца при повороте на угол a, т.е. когда
пружина становится плоской.
Суммарное напряжение
Напряжения растяжения
, МПа.
В свободном состоянии a»10...120.
Изгибающие напряжения у основания лепестков
МПа,
где nл - число лепестков; и - момент
сопротивления изгибу в опасном сечении
м3,
где b - ширина лепестка, м
Допускаемые напряжения [s]=700...800
МПа.
.3 Определение показателей износостойкости
сцепления
Работа буксования сцепления
где Ia - момент инерции автомобиля, приведенный
к ведущему валу коробки передач, м4;
we - угловая скорость коленчатого вала. Частота
вращения коленчатого вала в момент трогания с места равна 1000…1500 мин-1
Мy - момент
сопротивления движению при трогании, приведенный к ведущему валу коробки
передач, Нм; - радиус качения колеса, м;- масса автомобиля, кг;тр -
передаточное число трансмиссии
,кп - передаточное
число коробки передач при трогании автомобиля с места;гл - передаточное число
главной передачи;рк - передаточное число раздаточной коробки.
d=1+d1uкп2+d2
- коэффициент, учитывающий вращающиеся массы автомобиля (d1»d2=0,04).
Приведенный момент сопротивлению движению
где hтр - КПД
трансмиссии;
y - коэффициент сопротивления движению
(0,015...0,020).
Удельная работа буксования
где Fнс - суммарная площадь накладок сцепления,
см2
Удельная работа буксования сцепления при
трогания автомобиля с места для легковых автомобилей [Lбо]=50...70
Дж/см2; для грузовых автомобилей [Lбо]=15...120
Дж/см2; для автобусов [Lбо]=10...40
Дж/см2.
Приращение температуры деталей сцепления при
трогании автомобиля с места, без учета теплоотдачи в окружающую среду
где g - коэффициент
перераспределения теплоты между деталями (g=0,5 - для
нажимного диска однодискового сцепления и среднего диска двухдискового
сцепления; g=0,25 - для наружного диска двухдискового
сцепления);
Сдет - теплоемкость детали (500 Дж/кг×К);дет
- масса детали, кг.
Допустимый нагрев нажимного диска за одно
включение
[DT]=10...150С.
.4 Расчет ступицы ведомого диска
Шлицы рассчитываются на срез и смятие.
Средний радиус шлицев
где dвн и dн - внутренний и наружный диаметры
шлицев, м.
Сила, действующая на шлицах, определяется по
формуле
Суммарная площадь смятия шлицев
где lш - длина шлица, м;ш - количество шлицев,
м.
Напряжение смятия на шлицах

где aш - коэффициент
0,75;ш - ширина шлица у основания, м.
.5 Расчет привода сцепления
Общее передаточное число привода определяется по
формуле
,
Рп - усилие на педаль (принимается 120...150 Н);
hпр - КПД привода (0,7...0,8).
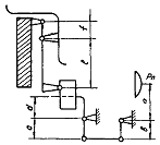
В механическом приводе (рис. 2.2)
Рис. 2.2. Схема привода сцепления
В гидравлическом приводе (рис.2.2)
Заключение
В результате выполнения курсовой работы по САПР
была изучена Система КОМПАС-ГРАФИК, ее структура и основные возможности. Были получены
практические навыки работы в системе КОМПАС-ГРАФИК. В соответствии с заданием
выполнены: рабочий чертеж детали с простановкой размеров, оформлением
технических требований и заполнением основной надписи чертежа. При создании
сборочного чертежа были освоены основные приемы работы со сборочными чертежами
и правила оформления спецификаций. В третьей части курсовой работы был выполнен
проверочный прочностной расчет узла автомобиля в САПР-АВТО.
компас график чертеж деталь
Список использованных источников
А.
Потемкин. Инженерная графика. Издание второе, исправленное и дополненное.-М.:
Издательство "Лори", 2002.-446с.: ил.
Осепчугов
В.В., Фрумкин А.К. Автомобиль: Анализ конструкций, элементы расчета: Учебник
для студентов вузов по специальности "Автомобили и автомобильное
хозяйство".-М.: Машиностроение, 1989.-304 с.: ил.
Методические
указания к выполнению курсового проекта "Анализ конструкций и основы
расчета автомобиля" (для студентов, обучающихся по направлению
"Инженерная механика", специальность 7.090.215)/Сост. А.В.
Сидорченко.-Луганск: Изд-во Восточноукр. гос. Ун-та, 1997. -48 с.
ПО
КОМПАС-ГРАФИК LT, "АСКОН", г. Санкт-Петербург, РФ.
ПО
САПР-АВТО, ВНУ, г. Луганск.
ПРИЛОЖЕНИЕ
Исходные данные:
|
430
|
Максимальный
крутящий момент двигателя, кВт
|
|
2.35
|
Коэффициент
запаса сцепления
|
|
0.3
|
Коэффициент
трения
|
|
4
|
Число
поверхностей трения
|
|
0.342
|
Наружный
диаметр накладки ведомого диска сцепления, м
|
|
0.186
|
Внутренний
диаметр накладки ведомого диска сцепления, м
|
|
16
|
Число
нажимных пружин
|
|
0.0255
|
Средний
диаметр витка пружины, м
|
|
0.0045
|
Диаметр
проволоки пружины, м
|
|
850000
|
Модуль
упругости, МПа
|
|
8.5
|
Число
витков пружины
|
|
6800
|
Масса
автомобиля, кг
|
|
970
|
Число
оборотов двигателя при трогании с места, об/мин
|
|
0.38
|
Радиус
качения колеса, м
|
|
5.3
|
Передаточное
число коробки передач (1-я передача)
|
|
6.4
|
Передаточное
число главной передачи
|
|
1
|
Передаточное
число раздаточной коробки
|
|
0.02
|
Коэффициент
сопротивления движению
|
|
0.9
|
КПД
трансмиссии
|
|
0.25
|
Коэффициент
перераспределения теплоты между дисками
|
|
4.2
|
Масса
нажимного диска, кг
|
|
0.038
|
Внутренний
дмаметр шлицев ступицы, м
|
|
0.046
|
|
0.07
|
Длина
шлицев, м
|
|
12
|
Количество
шлицев
|
|
0.004
|
Ширина
шлица, м
|
|
140
|
Усилие
на педали сцепления, Н
|
|
0.75
|
КПД
привода сцепления
|
Расчет:
|
Максимальный
момент, передаваемый сцеплением
|
1010.5
|
|
Средний
радиус накладки ведомого диска
|
0.132
|
|
Прижимное
усилие на нажимной диск
|
6379.419
|
|
Удельное
давление от пружин на ведомый диск
|
0.099
|
|
Усилие,
создаваемое одной пружиной
|
398.714
|
|
Напряжения
кручения в одной пружине
|
341.119
|
|
Деформация
пружины
|
0.00129
|
|
Коэффициент
жесткости
|
3090.806
|
|
Приведенный
к сцеплению момент инерции автомобиля
|
1.068
|
|
Коэффициент
вращающихся масс
|
1.252
|
|
Передаточное
число трансмиссии
|
33.92
|
|
Угловая
скорость коленчатого вала
|
101.527
|
|
Приведенный
момент сопротивления движению
|
16.607
|
|
Работа
буксования при трогании с места
|
5725.451
|
|
Суммарная
площадь накладок ведомого диска
|
2586.355
|
|
Удельная
работа буксования
|
2.214
|
|
Нагрев
нажимного диска за одно включение
|
0.682
|
|
Средний
радиус шлицев ступицы ведомого диска
|
0.021
|
|
Сила,
действующая на шлицах
|
48119.048
|
|
Суммарная
площадь смятия
|
0.003
|
|
Напряжение
смятия на шлицах
|
21.386
|
|
Напряжение
среза шлицев
|
19.095
|
|
Общее
передаточное число привода сцепления
|
72.908
|