Детали машин
Задача 1
Расчет посадки для подшипника скольжения
Условие: Рассчитать и выбрать
стандартную посадку с зазором из системы ЕСДП для опорного подшипника
скольжения, работающего в условиях жидкостного трения, при средней температуре
смазочного слоя 50º
С.
Коэффициент запаса точности
Для выбранной посадки: начертить
схему полей допусков сопрягаемых деталей; определить наибольший и наименьшие
предельные размеры вала и отверстия, наибольший и наименьший зазоры, допуск
посадки. Вычертить эскиз соединения, обозначив на нем посадку и эскиз
сопрягаемых деталей, проставив размеры с предельными отклонениями.
= 50 мм
l = 50 мм
n = 3000
об/мин
= 2500 Н
Марка масла: сепарат. Т.
Принимаем, что подшипник с углом
охвата φ
= 360º работает
при температуре
, вкладыш -
из бронзы БрОЦС6-6-3, вал - из стали 45.
Решение
. Среднее удельное давление
. Допускаемая толщина масляного слоя
где
, приняты по приложению.
. Динамическая вязкость масла при
температуре работы подшипника
где n = 1,9
4. Значение
5. При
и
для
подшипника с углом охвата φ = 360º находим
(принимаем
);
;
;
;
(значение A при x = 0,3).
. Минимальный допустимый зазор
где
для φ = 360º взят из
таблицы.
. Максимальный допустимый зазор
подшипник
зубчатый соединение
8. Максимальный допустимый зазор с поправками
где
для бронзы БрОЦС6-6-3,
для стали
45 взяты из таблицы.
. Допуск на износ при запасе
точности
Максимальный допустимый зазор с
учетом допуска на износ.
. Для выбора посадки желательно,
чтобы средний зазор в посадке
был примерно равен оптимальному
;
Толщина масляного слоя при
. Выбираем посадку из условия
Отсюда: Ø
Для выбранной посадки
,
,
,
,
. Выбранные
,
не отвечают
требованиям условия, однако эти отступления незначительны.
Схема полей допусков
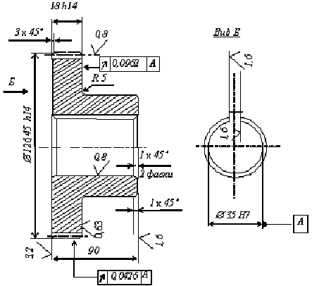
Эскизы соединения и сопрягаемых
деталей.
Задача 2
Взаимозаменяемость резьбовых соединений
Условие. Для резьбы
определить
номинальные и предельные размеры наружного, среднего и внутреннего диаметров
наружной и внутренней резьбы. Установить наибольший и наименьший зазоры (или
натяги) по среднему диаметру. Начертить схемы полей допусков по наружному,
среднему и внутреннему диаметрам, обозначив величины отклонений.
Решение
. Номинальное значение наружного
диаметра d (D) = 8 мм.
. Определяем значения наружного и
внутреннего диаметров (по табл.);
. Находим по табл. предельные
размеры болта.
Наружный диаметр болта.
Средний диаметр болта.
Внутренний диаметр болта.
. Предельные размеры гайки по
таблице.
;
; 
. По результатам расчетов строим
схему полей допусков резьбы гайки и болта.
Задача 3
Установление контролируемых параметров
цилиндрических зубчатых колес
Условие: Для заданной цилиндрической
некоррегированной зубчатой передачи с углом зацепления
и
установить
контролируемые параметры. По ГОСТ 1643-81 установить численные значения
контролируемых показателей. Дать эскиз зубчатого колеса.
Параметры: m = 1,375 мм,
,
, b = 18 мм
Точность передачи по ГОСТ 1943-81:
9-7-7-E
Решение
Принимаем зубчатую передачу с
регулируемым положением осей.
Диаметры делительных окружностей
колес.
. Нормы кинематической точности.
. Нормы плавности работы.
. Нормы контакта зубьев.
За показатель контакта для передачи
согласно ГОСТ 1643-81 принимаем суммарное пятно контакта, которое по ГОСТ
1643-81 степени точности должно быть по высоте - 30%, по длине - 40%.
. Нормы бокового зазора.
Находим по таблице
Класс отклонения
Для зубчатого колеса за
контролируемый параметр принимаем среднюю длину общей нормали.
Номинальная длина общей нормали.
Допуск на среднюю длину общей
нормали
Нижнее отклонение длины общей
нормали.
Средняя длина общей нормали.
. Допуски заготовки зубчатого
колеса.
Допуск на торцевое биение базового
торца.
Допуск на радиальное биение
наружного цилиндра.
Поле допуска на диаметр наружного
цилиндра заготовки принимаем h14.
Чертеж зубчатого колеса.
|
Модуль
|
m
|
1,375
|
|
Число
зубьев
|
z
|
90
|
|
Нормальный
исходный контур
|
-
|
ГОСТ
13755-81
|
|
Коэффициент
смещения
|
x
|
0
|
|
Степень
точности по ГОСТ 1643-81
|
-
|
9-7-7
Е
|
|
Делительный
диаметр
|
d
|
123,7
|
|
Колебания
измерительного межосевого расстояния
|
99,4 мкм
|
|
|
Средняя
длина общей нормали
|
Wm
|

|
FVw
|
40
|
|
Отклонение
шага зацепления
|
fpb
|
±
26,3 мкм
|
|
Отклонение
шага углового
|
fpt
|
±
28 мкм
|
|
Суммарное
пятно контакта
|
|
по
высоте - 30% по длине - 40%
|
Задача 4
Взаимозаменяемость шлицевых соединений
Условие. Для заданного шлицевого
сопряжения
ГОСТ
6033-80 дать графическое изображение сопрягаемых деталей с указанием отклонений
на все элементы. Начертить схемы полей допусков на все сопрягаемые поверхности.
Решение
Обозначение втулки: 48×H7×2×9Н ГОСТ
6033-80
Обозначение вала: 48×h6×2×9d ГОСТ
6033-80
. Определяем размеры шлицевого
соединения.
По ГОСТ 6033-80, число зубьев z = 22, модуль
m = 2 мм.
. Поля допусков нецентрирующих
диаметров.
Схема эвольвентного шлицевого соединения
Задача 5
Выбор посадок для подшипников качания
Условие. Для подшипника качения 211 выбрать
посадки внутреннего и наружного колец. Начертить схемы полей допусков посадок.
Вычертить сборочный чертеж, а также чертежи вала и корпуса с простановкой полей
допусков, шероховатости, допусков формы и расположения.
Параметры подшипника качения 211:
Класс точности - 5
Вид нагрузки - 3, с ударами.
Вращающаяся деталь - корпус
Решение
. При вращающемся корпусе и
постоянно действующей силе
, внутреннее кольцо нагружено
местными нагрузками, а наружное - циркуляционными нагрузками.
. Интенсивность нагрузки.
где
3. При
, для вала
выбираем поле допуска h5, для корпуса - поле допуска P7.
4. Схемы полей
допусков
Эскизы подшипникового узла, вала и
отверстия.
Задача 6
Расчет размерных цепей
Условие. Рассчитать заданную размерную цепь,
обосновав выбор метода решения.
Решение
уменьшающее звено
Уравнение размерной цепи.
Произведем проверку суммы
установленных допусков составляющих звеньев с остатком допуска замыкающего
звена.
Приводим проверку отклонений
составляющих звеньев по отклонениям замыкающего звена:
Задача 7
Выбор измерительных средств для
контроля размеров
Условие. Выбрать универсальные
измерительные средства для размеров отверстия
и вала
, длина вала
. Предельные отклонения и допуски на
размеры.
и
По ГОСТ 25670-83 для длины вала
с
неуказанными предельными отклонениями принимаем средний класс точности с полем
допуска
и заносим в
таблицу.
. Определяем допускаемую погрешность
измерения по ГОСТ 8.051-81 и заносим в таблицу.
. Выбираем измерительное средство,
выполняя перечисленные условия. Данные выбранных измерительных средств заносим
в таблицу.
|
Измерительный
размер
|
Допуск
на размер, мм
|
Допустимая
погрешность измерения, мм
|
Измерительные
средства
|
|
|
|
Наименование
|
Тип
или модель
|
Погрешность
измерения, мм
|
Пределы
измерения, мм
|
Цена
деления, мм
|
Метод
измерения
|
|
Отверстие
Æ50 Н9
(+0,062)
|
0,062
|
0,016
|
Нутромер
индикаторный
|
ГОСТ
868-82
|
±0,015
|
18-50
|
0,01
|
Сравнения,
прямой, статистич, комплексный поэлементн. технический инструмент.
поэлементн.
|
|
Вал
Æ50 d9 (-0,080) (-0,142)
|
0,062
|
0,016
|
Микрометр
I
класса
|
МК
ГОСТ 6507-90
|
±0,0025
|
50-75
|
0,01
|
Непосредств,
прямой, абсолют. прямой инструмент комплексн. абсолютн. поэлементн.
|
|
Длина
вала =50 (±0,2)
|
0,4
|
0,080
|
Штанген
циркуль
|
ШЦ-III ГОСТ
166-89
|
±0,05
|
0-200
|
0,05
|
|
Задача 8
Расчет и проектирование калибров для контроля
гладких цилиндрических соединений
Условие. Для посадки Ø
, определить
исполнительные размеры рабочих и контрольных калибров. Начертить схемы
расположения полей допусков калибров. Вычертить эскизы рабочих калибров,
проставив исполнительные размеры и шероховатость измерительных поверхностей.
Решение
Рассчитаем предельные размеры вала Ø50d9:
По ГОСТ 25347-82 определяем
,
и
посчитываем
и
.
Строим схему расположения полей
допусков.
Определяем числовые значения
отклонений и допусков
,
,
,
и
проставляем их на схеме.
Рассчитываем исполнительные размеры
калибра и контркалибров.
Чертим, рабочий калибр и проставляем
исполнительные размеры и шероховатость на измерительные поверхности.
Рассчитаем предельные размеры отверстия Æ50
Н9:
Строим схему расположения полей допусков. Определяем
числовые значения отклонений допусков (Z
= 11 мкм; у = 0 мкм; Н = 4 мкм) и проставляем на схеме.
Схема расположения полей допусков
Рассчитываем исполнительные размеры калибров:
Чертим, рабочий калибр и проставляем
исполнительные размеры и шероховатость на измерительные поверхности.
Задача 9
Расчет и проектирование калибров для контроля
расположения поверхностей
Условие. Рассчитать калибр для контроля
соосности поверхностей. Начертить схемы полей допусков измерительных элементов
и эскиз калибра.
|
d1
|
d2
|
Д
|
R
|
L1
|
L2
|
|
70p6
|
75h6
|
60
|
0,025
|
50
|
110
|
Решение
. Принимаем составную конструкцию комплексного
калибра с базовым резьбовым элементом.
. Предельное смещение осей контролируемых
поверхностей от номинального расположения.
для гладкой поверхности ТР = 0,025 мм;
для резьбовой (базовой) ТР = 0,025 мм
. Предельные отклонения и допуски измерительных
элементов калибра согласно табл. 5.14 (при ТР = 0,025 мм):
для гладкой поверхности= 0,009 мм; H = 0,004 мм;
W = 0,004 мм; TРК = 0,006 мм;
для резьбовой поверхности= H = 0,004 мм; W0 = W
= 0,004 мм.
4. Наибольший допустимый зазор в соединении двух
элементов калибра Smax = 0,003 мм.
. Исполнительные размеры элементов калибра
рассчитываем по формулам:
для гладкой поверхности 70p6
для гладкой поверхности 75h6
6. Предельное отклонение от
соосности гладкой поверхности относительно резьбовой (допуск соосности) в
радиусном выражении
= 0,003 мм.