Управление автопоездом

  • Вид работы:
    Курсовая работа (т)
  • Предмет:
    Информационное обеспечение, программирование
  • Язык:
    Русский
    ,
    Формат файла:
    MS Word
    98,34 Кб
  • Опубликовано:
    2014-08-06
Вы можете узнать стоимость помощи в написании студенческой работы.
Помощь в написании работы, которую точно примут!

Управление автопоездом

1. Исходные данные


Мощность на валу при номинальном режиме………………………Рн=185кВт

Скорость движения при номинальном режиме……………………. Vн=43,5 км/ч

Индуктивность обмоток двигателя……………………………. Lд=0.029 Гн

2. Алгоритм управления и функциональная схема системы автоматического пуска поезда

электропоезд реостат двигатель тяговой

Система автоматического пуска электропоезда представляет собой замкнутую многоканальную ступенчатую систему автоматического регулирования тока ТЭД, в которых используется принцип регулирования по отклонению.

Рис. 2.1. Укрупненная функциональная схема системы

В процессе разгона поезда по мере увеличения скорости его движения происходит постепенное уменьшение тока I тяговых двигателей. При снижении тока до заданной величины Iу, подается управляющее воздействие, которое приводит к увеличению тока тяговых двигателей. После того, как ток опять снизиться до величины Iу, подается следующее управляющее воздействие, ток опять возрастает и.т.д.

2.1 Таблица алгоритма управления электропоездом

Таблица 2.1. Алгоритм управления электропоездом

Соединение ТЭД

Позиции РК

Контакторы

Сопротивления пусковых резисторов



Линейные

Реостатные

Переходные

Мостовые

Ослаб. Возб уждения




ЛК-1

ЛК-2

1

2

3

4

5

6

7

8

9

10

11

12

П1-2

М

Ш1-2


Последовательное

1

+

+







+

+






+


9,09


2

+

+

+






+

+






+


7,10


3

+

+

+

+





+

+






+


6,15


4

+

+

+

+

+




+

+






+


5,30


5

+

+


+

+

+



+

+






+


4,55


6

+

+



+

+

+


+

+






+


2,55


7

+

+




+

+

+

+

+






+


1,61


8

+

+





+

+

+

+

+





+


0,75


9

+

+






+

+

+

+

+




+


0,00


10

+

+








+

+

+




+

+

0,00


11

+

+









+

+

+

+


+

+

0,00

Последовательно - параллеьное

12

+

+









+

+

+

+

+


+

9,09


13

+

+

+

+







+

+

+

+

+



5,11


14

+

+

+

+

+

+





+

+



+



3,22


15

+

+



+

+

+

+



+

+



+



1,51


16

+

+





+

+

+

+

+

+



+



0,00


17

+

+







+

+

+

+



+


+

0,00


18

+

+







+

+

+

+



+


+

0,00



2.2 Силовая схема и схема управления

Рис. 2.2. Упрощенная силовая схема моторного вагона

Рис. 2.3. Упрощенная схема цепей управления

3. Статические характеристики ТЭД и сопротивления пускового реостата

 

.1 Расчет номинального тока двигателя


для расчета характеристик двигателя в первую очередь необходимо определить номинальное значение тока. Для расчета номинального тока, номинальное напряжение на ТЭД принимаем Uдн=1500 В, а КПД ТЭД h=0.9, тогда:

 А.                                                              (3.1.)

3.2 Расчетная таблица и график скоростных характеристик ТЭД


Чтобы получить конкретные характеристики двигателя заданной мощности, необходимы относительные выражения координат универсальных характеристик умножить на заданные номинальные величины. Результаты расчетов представим в таблице 3.1.

Таблица 3.1. Универсальные характеристики тягового двигателя

Ток двигателя

110

137

178

219

274

301

Позиция

Скорость движения

1

9,1

3,5

-2,2

-

-

-

2

12,2

7,0

2,2

-2,2

-

-

3

15,2

10,9

6,5

3,0

-1,3

-

4

17,0

12,6

8,7

5,7

2,2

-

5

18,3

14,4

10,4

7,8

4,8

-

6

19,6

16,1

12,6

10,4

7,8

-

7

20,9

17,8

14,8

12,6

10,4

-

8

22,2

19,1

16,5

14,8

12,6

-

9

23,5

20,9

18,3

16,5

14,8

-

10

28,7

24,8

21,8

19,6

17,4

-

11

35,2

28,7

24,8

22,2

19,6

-

12

44,8

34,8

24,8

17,0

7,4

-

13

40,5

33,5

27,8

23,1

17,4

-

14

43,5

37,0

32,2

27,8

23,5

-

15

46,1

40,5

35,7

32,2

28,3

-

16

48,7

43,5

39,6

36,5

33,5

-

17

-

50,9

45,7

41,8

38,7

-

-

-

51,8

47,4

43,1

41,3


По данным таблицы построим график зависимости V=¦(I)

3.3 Расчет сопротивления обмоток двигателя


Сопротивление обмоток одного двигателя определяется по формуле

    Ом                                                    (3.2.)

3.4 Расчет сопротивления реостата на первой позиции, таблица сопротивлений секций реостата

Сопротивление реостата складывается из сопротивлений секций, включенных на каждой позиции. Сопротивление секций определяем по формуле:

                                                   (3.3.)

где (Rс)% - сопротивление секции, заданное в процентах от полного сопротивления реостата R1. Секция а-21.9%, б-10.4%, в-9.4%, г-8.3%.

Величину сопротивления R1 ориентировочно определяем из условия получения тока I1, при трогании на первой позиции, когда скорость движения V=0, определяется из рис. 3.1.

I1=165 А:

 Ом                                                                            (3.2.)

Вычислим значения Rс для каждой другой секции реостата. Полученные значения занесем в таблицу3.2.

Таблица 3.2.

Сопротивление секций реостата

Секция

а

б

в

г

Rс (Ом)

1,99

0,95

0,85

0,75


После построения скоростных характеристик можно заполнить колонку R в таблице 1.1.

Из графика Рис. 3.1. определяем величину R, так же как и определяли величины сопротивления R1, и заполняем графу R в таблицу 1.1.

4. Исходная пусковая диаграмма и последовательность работы системы управления электропоездом

 

.1 Исходная пусковая диаграмма


На графике скоростных характеристик изображаем исходную пусковую диаграмму тонкими линиями.

А.                                                                   (4.1.)

Рисунок 1 - скоростная и тяговая характеристика

4.2 Таблица последовательности работы системы управления электропоездом во времени


Таблица 4.1. Последовательность работы системы управления электропоездом во времени

Характеристики тока

Такт

Срабатывание аппаратов или процесс изменения тока в силовой цепи

Длительность (с)

Наименование выходного элемента аппарата

Цепь подачи воздействия

Исполнение

DV км ч.

V км ч.

I А.







Цепи управления

Силовые цепи





0

Исходное состояние

-

-

-

КБ, К1, К3-К9, Р-ВП, РК1, РУ, РК1-8, ПВ2,1П1-2,2ЛК1-2

В1, В3, В5, В7,7,8,11,12

0

0

0

1

1

Включение ЛК1-2

0.08

ЛК1-2

К3, К4, КБ, РК1, К9

1ЛК1-2, 2ЛК1-2

ЛК1-2

0

0

0


2

Включение М

0.08

М

К3, К4,1ЛК1-2, КБ, К1, Р-ВП 1ЛК1-2, 1П1-2, К9

1М, 2М

М

0

0

165


3

Переключение РК

0.35

РК1

К3, К5, РК1-8, 2М, ПВ2

РУ, РУ1, ПВ2, ПВ3, РК2-18, РУ

1,11,12

0,3

0,3

163

1-2

4

Переход

-

-

-

-

-

0

0,3

195

2

5

Задержка

3,22

-

-

-

-

1,9

2,2

178


6

Отпускание РУ

0.04

РУ-С

Силовая цепь

РУ

-





7

Переключение.РК

0.35

РК11

К3, К5, РК1-8, 2М, ПВ3

РУ, ПВ3, ПВ2 РУ

2

0,2

2,4

176

2-3

8

Переход

-

-

-

-

-

0

2,4

227

3

9

Задержка

6,95

-

-

-

-

4,1

6,5

178


10

Отпускание РУ

0.04

РУ-С

Силовая цепь

РУ

-





11

Переключение.РК

0.35

РК1

К3, К5, РК1-8, 2М, ПВ2

РУ, ПВ2, ПВ3 РУ

3

0,2

6,7

176

3-4

12

Переход

-

-

-

-

-

0

6,7

203

4

13

Задержка

3,39

-

-

-

-

2

8,7

178


14

Отпускание РУ

0.04

РУ-С

Силовая цепь

РУ

-





15

Переключение.РК

0.35

РК11

К3, К5, РК1-8, 2М, ПВ3

РУ, ПВ2, ПВ3 РУ

4,1

0,2

8,9

176

4-5

16

Переход

-

-

-

-

-

0

8,9

198

5

17

Задержка

2,54

-

-

-

-

1,5

10,4

178


18

Отпускание РУ

0.04

РУ-С

Силовая цепь

РУ

-





19

Переключение.РК

0.35

РК1

К3, К5, РК1-8, 2М, ПВ3

РУ, ПВ2, ПВ3 РУ

5,2

0,2

10,6

176

5-6

20

Переход

-

-

-

-

-

0

10,6

215

6

21

Задержка

3,39

-

-

-

-

2

12,6

178


22

Отпускание РУ

0.04

РУ-С

Силовая цепь

РУ

-





23

Переключение.РК

0.35

РК11

К3, К5, РК1-8, 2М, ПВ3

РУ, ПВ2, ПВ3 РУ

6,3

0,2

12,8

176

6-7

24

Переход

-

-

-

-

-

0

12,8

215

7

25

Задержка

3,39

-

-

-

-

2

14,8

178


26

Отпускание РУ

0.04

РУ-С

Силовая цепь

РУ

-





27

Переключение.РК

0.35

РК1

К3, К5, РК1-8, 2М, ПВ3

РУ, ПВ2, ПВ3 РУ

9,4

0,2

15

176

7-8

28

Переход

-

-

-

-

-

0

15

216

8

29

Задержка

2,54

-

-

-

-

1,5

16,5

178


30

Отпускание РУ

0.04

РУ-С

Силовая цепь

РУ

-

Переключение.РК

0.35

РК11

К3, К5, РК1-8, 2М, ПВ3

РУ, ПВ2, ПВ3 РУ

10,5

0,2

16,7

176

8-9

32

Переход

-

-

-

-

-

0

16,7

218

9

33

Задержка

2,71

-

-

-

-

1,6

18,3

178


34

Отпускание РУ

0.04

РУ-С

Силовая цепь

РУ

-





35

Переключение.РК 9-10

0.35

РК1

К3, К5, РК9-10, 12-15,2М, ПВ3

ПВ2, ПВ3, РК10-12

6,7

0,2

18,5

176


36

Включение Ш1-2

0.8

Ш1-2

К3, К6, РК9-10, К9

-

Ш1-2

0,5

19

168

9-10

37

Переход и переключение. РК 10-11

-

РК11

К3, К6, РК9-10,12-15, РУ, 2М, ПВ3

-

-

0

19

226

10

38

Переключение 10-11

0.35

РК11

К3, К6, РК9-10,12-15, РУ, 2М, ПВ3

ПВ3, ПВ2, РУ, РК11

11,12,8

0,2

19,2

224

10-11

39

Переход

-

-

-

-

-

2,1

21,3

230

11

40

Задержка

5,93

-

-

-

-

3,5

24,8

178

 

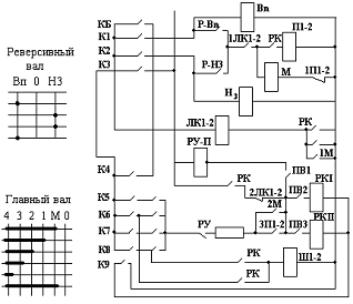
1.1.    4.3 Функциональная схема управления электропоездом


Функциональная схема управления электропоездом представлена на рис. 4.1.

Рис. 4.1.

5. Динамические характеристики цепи тяговых двигателей

 

5.1 Расчет углового коэффициента линеаризованной функции СvФ(i)


                                                                                          (5.1.)

где DСvФ - приращение магнитного потока, определяется из выражения 5.2.:

DI - соответствующее изменение тока вычисляется по формуле 5.3.

 5.2

где Iв1=1.15Iн - изменение тока возбуждение от а до б;

Iв2=1.45Iн - изменение тока возбуждение от в до г;

Указанным токам соответствуют скорости движения:

V1=0.45Vн и V1=0. 4Vн при работе на 9 позиции.

 А.                                          (5.3.)

тогда:

5.2 Расчет шунтового сопротивления Rш при b1=0.67 и b2=0.5


Расчет шунтового сопротивления Rш произведем по формуле 5.4.

                                                  (5.4.)

где Гв=0.4×rд =0.4×0.55=0.220 - сопротивление обмотки возбуждения.

 

.3 Расчет постоянной времени tв1 и tв2


Постоянные времени рассчитывают по формуле 5.5.

                                                    (5.5.)

где Гя=0.6×rд=0.6×0.55=0,33 Ом-сопротивление обмотки якоря и добавочных полюсов;

L я=0.5×Lд=0.5×0.029=0.015Гн - Индуктивность обмоток якоря;

L ш=0.1 Гн - индуктивность шунта.

 


6. График времен замыкания и размыкания силовых и блокировочных контактов РК


График времен замыкания и размыкания силовых и блокировочных контактов РК и контактов переключения вентилей (ПВ1, ПВ2, ПВ3) за один поворот вала РК показан на рисунке 6.1. Полный угол поворота вала, при каждом переключении РК составляет 60°, а скорость -0.4 рад/мс.

График времен замыкания и размыкания силовых и блокировочных контактов РК и контактов переключения вентилей ПВ1, ПВ2, ПВ3.

Позиции

11 12

Контакторы

Силовые

1 2 9 10 5 6 7 8 11 12 3 4





Блокировочные

 10-12 12-18 17-18 ПВ1 ПВ2 ПВ3







7. Динамические характеристики электрических аппаратов системы


Значение времен запаздывания

tру=40 мс - время отпадания якоря РУ (время от момента достижения тока уставки до момента замыкания контакторов РУ)

=20 мс - время срабатывания РУ (время от момента замыкания контакта ПВ1 до момента размыкания контакторов РУ)

tк=80 мс - время включения и отключения контакторов с индивидуальным приводом (переходного, мостового, регулирование возбуждения)

Время срабатывания вентиля РК складывается из двух времен:

Время трогания tтр=130 мс

Время движения tд=20 мс,

Далее происходит заполнение воздухом цилиндра привода, которое завершается в течении tэв=100 мс

Полное время переключения РК будет складываться из

 мс.                                                  (7.1.)

Далее вычислим постоянную времени t12 цепи ТЭД при переходе на 12 характеристику по формуле 7.2.

 с.                    (7.2.)

Длительность электрического переходного процесса определяем по формуле:

 с.                                                                        (7.3.)

для контакторов 37,45,64

время переключения на тактах 38и 65:

с.                                    (7.4.)

 

.2 Расчет ускорения электропоезда


Ускорение электропоезда определяется из выражения:

                                                         (7.5.)

где Q=575 т - расчетная масса электропоезда

Fэ - сила тяги электропоезда

w0=2.5 Н/кН - основное удельное сопротивление движению электропоезда

g=0.06 - коэффициент, учитывающий инерцию вращающихся масс.

g=9.81 - ускорение свободного падения.

Fд - сила тяги двигателя определяется из выражения 7.6.

 кН             (7.6.)

где hзн=0.975 - КПД зубчатой передачи.

I=1.3×Iн=1.3×137=178 А

V=0.91×Vн=0.91×43,5=39,6 км/ч

 кН                                                    (7.7.)

 км/ч/с

8. Анализ работы системы при реостатном регулировании

 

.1 Расчет приращения скорости за время срабатывания аппаратов


Приращение скорости за время отпускание реле отдельно не рассчитывается. Когда РК работает вслед за РУ, в колонку 9 таблицы 4.1. записываем приращение скорости за два такта для суммы времен tру+ tрк=0.39 с.

Далее рассчитываем приращение скорости DVэп за время переходного процесса в цепи двигателей.

км/ч                                                                    (8.1.)

полученные значения времени приращения скорости движения и тока записываем в колонки 10 и 11 таблицы 4.1.

8.2 Расчетная таблица приращения скорости за время перехода


Таблица 8.1. Расчетная таблица приращения скорости за время перехода

Переход

Rn+1

Vнач

t

tэп

DVэп

1-2

9,09

0,3

0,010

0,031

0,018

2-3

7,10

2,4

0,012

0,035

0,020

3-4

6,15

6,7

0,011

0,034

0,020

4-5

5,30

8,9

0,012

0,035

0,020

5-6

4,55

10,6

0,012

0,036

0,021

6-7

2,55

12,8

0,014

0,042

0,025

7-8

1,61

15

0,014

0,043

0,026

8-9

0,75

16,7

0,015

0,046

0,027

9-10

0,00

19

0,015

0,046

0,027

10-11

0,00

21,3

0,014

0,043

0,025

11-12

0,00

25,5

0,012

0,037

0,022

12-13

9,09

25,7

0,006

0,019

0,011

13-14

5,11

28

0,008

0,023

0,013

14-15

3,22

32,4

0,008

0,024

0,014

15-16

1,51

35,9

0,008

0,025

0,015

16-17

0,00

39,8

0,009

0,026

0,015

17-18

0,00

44

0,008

0,024

0,014

 

9. Анализ работы системы при регулировании возбуждения

 

.1 Таблица переходных процессов


t

0

t

2t

3t

00.6320.8650.95-1






Таблица 9.1. Расчет переходных процессов при регулировании возбуждения

переход

Tэп

DVэп

Ia

I в

9-10

0,015

0,046

0,027

168

189

202

226

10-11

0,014

0,043

0,025

224

226

228

230

16-17

0,009

0,026

0,015

176

-

-

241

17-18

0,008

0,024

0,014

239

-

-

260


 с.                                                              (9.1.)

Iн=137А.

10. Анализ влияния технического состояния оборудования на качество регулирования

                         

                                                                 

Начальные значения токов

Координаты точек вариантов промежуточных характеристик

Ток двигателя

137

178

219

274

Ш1-2; 1,2 выключен

27,4

19,6

13,1

6,1

Ш1-2; 1,2 включен

45,7

35,7

28,3

22,6

 


11. Отказ цепи подъемной катушки


Без подъемной катушки якорь реле ускорения может быть притянут при условии, если ток силовой катушки достигнет тока

 А.                                                  (11.1)

Задержки на 15 характеристики не будет, так как Iпр>Iн.

 


Список использованной литературы


1. Методические указания к курсовому проекту по дисциплине «Теория автоматического управления». - Самара: СамГУПС, - 2011 г. - 32 с.

2. Савоськин А.Н. Автоматизация электроподвижного состава. М.: Транспорт, 1990. - 216 с.

Похожие работы на - Управление автопоездом

 

Не нашли материал для своей работы?
Поможем написать уникальную работу
Без плагиата!
Без нейросетей!