Базирование заготовок в пространстве и приспособлении
ВВЕДЕНИЕ
Машиностроение - ведущий комплекс отраслей в промышленности. Ведущую роль
в машиностроении играет станкостроение, выпускающее технологическое
оборудование, приспособления, инструменты.
Большое значение в совершенствовании производства имеют приспособления.
Затраты на технологическую оснастку достигают до 20% себестоимости
изделия, особенно значительны они при создании сложной, дорогостоящей и
ответственной её части - приспособлений.
Приспособление - это вспомогательное устройство, используемое при
механической обработке, сборке и контроле изделий.
Для успешного решения вопросов научно-технического прогресса инженер
должен знать теоретические основы создания приспособлений, их системы и типовые
конструкции; уметь анализировать соответствующие конструкции приспособлений
требованиям производства; обладать соответствующими навыками проектирования и
расчёта различных приспособлений.
Целью курсового проекта является расчет размерных цепей на
технологичность и расчет методом максимума минимума.
В ходе выполнения курсового проекта необходимо рассчитать размерные цепи
и рассмотреть базирование заготовок в пространстве и приспособлении.
Часть 1. БАЗИРОВАНИЕ ЗАГОТОВОК НА СТАНКАХ И В ПРИСПОСОБЛЕНИЯХ
Задача 1
Комплект баз:
1, 2, 3, 4 - двойная
направляющая скрытая база;
- опорная скрытая база;
- опорная явная база;
Задача 18
Комплект баз:
, 2, 3, 4 - двойная направляющая скрытая база;
, 5 -опорная явная база ;
- опорная скрытая база .
Задача 25
Комплект баз:
, 2, 3 - установочная явная база ;
- опорная явная база .
Задача 1 Б
Комбинированная схема установки корпусных деталей на
цилиндрическую и сферическую опоры
Комплект баз:
, 2, 3, 4 - двойная направляющая скрытая база ;
- опорная скрытая база ;
- опорная явная база .
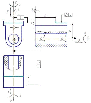
Задача 2 В
Схема установки вала в призму на подпружиненный
цилиндрический палец.
Комплект баз:
, 2, 3, 4 - двойная направляющая скрытая база ;
- опорная явная база ;
- опорная явная база
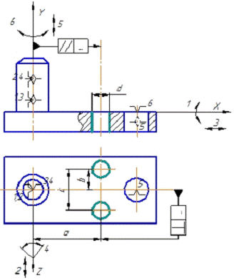
Задача 4 Г
Схема установки заготовок на длинную и короткую подпружиненные призмы.
Комплект баз:
, 2, 3, 4 - двойная направляющая скрытая база ;
- опорная явная база;
- опорная скрытая база .
Часть 2. РАЗМЕРНЫЙ АНАЛИЗ ТЕХНОЛОГИЧЕСКОГО ПРОЦЕССА
ИЗГОТОВЛЕНИЯ ДЕТАЛИ
Технологический маршрут
.Отрезать заготовку из прутка.
010
Фрезерно-центровальная
.Фрезеровать
торцы 1 и 4 одновременно.
Обработка
- получистовая
Квалитет
11-13, примем квалитет 11;
Rz=50 мкм; Т=50
мкм;[1, стр.185, табл.10];
Zi min = Rz + Т = 50 + 50 = 100 мкм
015
Токарная
.Точить
поверхность 5 с подрезкой торца 3.
Обработка
- чистовая
Квалитет
8-10, примем квалитет 10;
Токарная
.Точить
поверхность 6 с подрезкой торца 2.
Обработка
- чистовая
Квалитет
8-10, примем квалитет 10;
Так
как размеры Б и В получаются не непосредственно, то для этих размеров надо
воспользоваться методом максимума-минимума. Допуск замыкающего звена должен
быть равен, либо меньше суммы допусков звеньев входящих в размерную цепь.
,22
+ 0,25 + 0,19 = 0,66 > 0,5
Так
как суммарный допуск больше замыкающего звена, следовательно, возможен брак.
Для устранения брака требуется ужесточить требования на размеры Д20, А10 , Г15.
После
ужесточения требований:
,14
+ 0,16 + 0, 12 = 0,42 < 0,5
Так
как допуск замыкающего звена больше, следовательно, брак устранен.
Размер
[В] = -Г15 + А10
,19
+ 0,25 = 0,44 > 0,3
Так
как суммарный допуск больше замыкающего звена, следовательно, возможен брак.
Для устранения брака требуется ужесточить требования на размеры Г15 и А10.
После
ужесточения требований:
,12
+ 0,16 = 0,28 < 0,3
Так
как допуск замыкающего звена больше, следовательно, брак устранен.
Составим
уравнение номиналов
1. [
]
=-А10 +
+ А5
Решая данное уравнение получаем:
[
] =-А10 +
+ А5
= 0,1 +
0,048 = 0,148
А10=140+0,5

Ответ:

; 
ЗАКЛЮЧЕНИЕ
базирование механический припуск
В ходе данной курсовой работы я построил размерную схему технологического
процесса, определил минимально необходимые величины операционных припусков,
оценил размерную корректность рассматриваемого технологического процесса и внёс
изменения и доказал корректность этого изменения, выявил контуры размерных
цепей, записал уравнения номиналов размерных цепей и установил
последовательность их решения. В ходе решения размерных цепей установил
максимальные значения операционных припусков, размеры на технологические
переходы и размеры исходной заготовки.
СПИСОК ИСПОЛЬЗОВАННОЙ ЛИТЕРАТУРЫ
1. Справочник технолога-машиностроителя: в 2-х томах. Т.
1. / Под ред. А.Г. Косиловой и Р.К. Мещерякова. - 4-е изд., перераб. и. доп. -
М.: Машиностроение, 1986. - 656 с.
2. Методические указания к практическим занятиям
«Базирование заготовок при выполнение технологического процесса изготовления
деталей»: учеб. пособие / В.И. Абрамов и И.Т. Сычёв; ПГУ - Новополоцк, 2001. -
29 с.
. Методические указания к практическим занятиям
«Размерный анализ технологических процессов изготовления деталей»: учеб.
пособие / В.И. Абрамов, Р.С. Хмельницкий; ПГУ - Новополоцк, 2013 - 20с.
. Методические указания к курсовой работе «Основы
технологии машиностроения»: учеб. пособие / Н.Н. Попок, В.И. Абрамов, Р.С.
Хмельницкий; ПГУ - Новополоцк, 2013 - 48с.