Устройство акустического автомата

  • Вид работы:
    Контрольная работа
  • Предмет:
    Информатика, ВТ, телекоммуникации
  • Язык:
    Русский
    ,
    Формат файла:
    MS Word
    215,12 Кб
  • Опубликовано:
    2014-01-09
Вы можете узнать стоимость помощи в написании студенческой работы.
Помощь в написании работы, которую точно примут!

Устройство акустического автомата

1. Задание и анализ технического задания


Предмет проектирования - разработка конструкции функционально и конструктивно законченного устройства. Курсовой проект завершается разработкой комплекта конструкторской документации, в который входит:

· схема электрическая принципиальная;

· чертеж печатной платы;

· пояснительная записка;

· спецификация.

Задачей данного проекта является разработка на основе выполненных эскизных компоновок обоснованного варианта конструкции устройства акустический автомат. Эта конструкция должна учитывать особенности принципиальной электрической схемы и другие задания, включая эксплуатационные требования, защиту от дестабилизирующих воздействий (механических, климатических), вопросы надежности.

В ходе выполнения курсового проекта необходимо:

- провести анализ принципиальной электрической схемы;

·   пользуясь справочной литературой, выбрать элементную базу устройств;

·   пронумеровать корпуса элементов, проставить номера выводов микросхем;

· выбрать разъем с требуемым числом контактов;

· исходя из заданных типоразмеров и количества навесных элементов, разработать компоновочный эскиз устройства;

· выбрать размеры печатной платы;

· указать примерное размещение элементов и вилки разъёма;

· выбрать и оформить установочные эскизы элементов;

- оценить качество компоновки схемы устройства с помощью выбранного критерия;

· в зависимости от вида конструкции печатной платы и технических требований к ней, выбрать один из методов изготовления печатных плат, обосновать возможность его применения;

·  выполнить расчет печатного монтажа;

- выполнить шаг координатной сетки и выполнить трассировку печатной платы.

1.1     Определение уровня конструкторской структуры

Данная конструкция является модулем первого уровня - основная сборочная единица, служащая для размещения и электрического объединения (соединения) микросхем, ЭРЭ, функционально законченных устройств, не имеющих самостоятельного эксплуатационного назначения. Модуль первого уровня часто называют ячейкой, которая представляет собой несколько плат с элементами 0 уровня (от десятка до сотен микросхем) и выполняется на печатной плате.

1.2     Анализ особенностей устройства и технических требований

Заданное устройство предназначено для работы в нормальных условиях, исходя из этого будем производить расчет параметров и характеристик.

Климатические условия:

· воздействие повышенной влажности (при температуре 25 °С) 80%;

· диапазон рабочих температур-5..+40 °С;

· диапазон предельно допустимых температур -40..+55 °С;

· воздействие пониженного атмосферного давления 6,1 * 104 Па.

Механические условия:

· диапазон частот 10..30 ГЦ;

· длительность удара 5..10 мс;

· ударное ускорение 9,8 м/с2;

В соответствии с данными параметрами необходимо обеспечить влагостойкость, теплостойкость, виброустойчивость конструкции, обеспечить ее необходимую надежность. При этом необходимо добиться высокой технологичности конструкции, низких экономических затрат на ее изготовление и возможность равноценной замены на аналогичное устройство.

2. Выбор элементной и конструктивной базы


2.1     Анализ принципиальной электрической схемы

Анализ принципиальной электрической схемы выполняется на основании выданной схемы и перечня элементов с использованием справочников и ГОСТ. Выданная схема - принципиальная электрическая схема устройства блок управления. Для упрощения технологических процессов изготовления однотипные элементы печатной платы целесообразно группировать вместе.

Было подсчитано число необходимых контактов разъема, устанавливаемого на печатной плате, на основании чего был выбран разъем DB-09m. Данный разъем предназначен для установки на печатные платы, масса данного разъема равна 5 г.

2.2     Выбор элементной базы с оформлением эскизов по установке навесных элементов

С использованием справочной литературы была выбрана элементная база. Элементы выбирались исходя из указанных на схеме номиналов, а также условий эксплуатации:

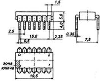
а) Основные технические параметры К561ЛЕ5:

Цифровая микросхема серии КМОП.

В составе К561ЛЕ5 четыре логических элемента «2ИЛИ-HЕ»

Содержит 49 интегральных элементов.

Корпус типа 2102Ю.14-В, масса не более 1 г.

Аналог К561ЛЕ5 - CD4001A.

Рисунок 1. Условное графическое обозначение К561ЛЕ5

Назначение выводов:

1 - вход X1;

2 - вход X2;

3 - выход Y1;

4 - выход Y2;

5 - вход X3;

6 - вход X4;

7 - общий;

8 - вход X5;

9 - вход X6;

10 - выход Y3;

11 - выход Y4;

12 - вход X7;

13 - вход X8;

14 - напряжение питания.

Рисунок 2. Корпус К561ЛЕ5

Таблица 1 - Электрические параметры микросхемы К561ЛЕ5

1

Номинальное напряжение питания

3…15В

2

Выходное напряжение низкого уровня

не более 0,1В

Выходное напряжение высокого уровня

не менее 9,9 В

4

Входной ток низкого уровня

не более 0,2 мкА

5

Входной ток высокого уровня

не более 0,2 мкА

6

Ток потребления

не более 0,3 мкА

7

Ток потребления в динамическом режиме одним логическим элементом

не более 0,22мкА

8

Время задержки распространения при включении (выключении)

не более 260 нс


Таблица 2 - Предельно допустимые режимы эксплуатации К561ЛЕ5

Напряжение питания

3В-15В

Максимально потребляемая мощность при температуре 25 °С

150 мВт

Максимально допустимый ток на один вывод

10 мА

Температура окружающей среды

-45…+85 °С


б) Основные технические параметры К561ИЕ8:

Цифровая микросхема серии КМОП.

Микросхемы К561ИЕ8 представляют собой десятичный счетчик делитель.

Содержат 194 интегральных элементов.

Корпус типа 2103Ю.16-Д, масса не более 1,5 г.

Технические условия: бК0.348.457-14ТУ.

Рисунок 3. Условное графическое обозначение К561ИЕ8

Назначение выводов:

1 - выход 5;

2 - выход 1;

3 - выход 0;

4 - выход 2;

5 - выход 6;

6 - выход 7;

7 - выход 3;

8 - общий;

9 - выход 8;

10 - выход 4;

11 - выход 9;

12 - выход переноса Р;

13 - тактовый вход С2;

14 - тактовый вход С1;

15 - Вход установки нуля R;

16 - напряжение питания.

Рисунок 4. Корпус К561ИЕ8

Таблица 3 - Электрические параметры микросхемы К561ИЕ8

1

Номинальное напряжение питания

3…15В

2

Выходное напряжение низкого уровня

не более 1В

3

Выходное напряжение высокого уровня

не менее 9 В

4

Входной ток низкого уровня

не более 0,3 мкА

5

Входной ток высокого уровня

не более 0,3 мкА

6

не более 0,35 мкА

7

Ток потребления

не более 20 мкА

8

Ток потребления в динамическом режиме

не более 400 мкА

9

Рабочая частота на тактовом входе

3 мГц





Таблица 4 - Предельно допустимые режимы эксплуатации К561ИЕ8

Напряжение питания

3В-15В

Нагрузочная способность на логическую микросхему, не более

50

Выходной ток Iвых0 и Iвых1, не более

0,5 мА

Помехоустойчивость

0,9 В


в) Основные технические параметры К561TP2:

Цифровая микросхема серии КМОП.

Микросхемы К561ТР2 представляют собой четыре RS-триггера (асинхронных) с третьим состоянием на входе.

Содержат 154 интегральных элемента.

Корпус типа 2103Ю.16-Д, масса не более 1,5 г.

Технические условия: бК0.348.457-03 ТУ.

Рисунок 5. Условное графическое обозначение К561ТР2

Назначение выводов:

1 - Выход Q4 9 Выход Q2

2 - Выход Q1 10 Выход Q3

3 - Вход R1 11 Вход R3

4 - Вход S1 12 Вход S3

5 - Вход E 13 Свободный

6 - Вход S2 14 Вход S4

7 - Вход R2 15 Вход R4

8 - Общий GND 16 Питание UCC

Рисунок 6. Корпус К561ТР2.

Таблица 5 - Электрические параметры микросхемы К561ТР2

1

Номинальное напряжение питания

3…15В

2

Выходное напряжение низкого уровня

не более 0,01 В

3

Выходное напряжение высокого уровня

не менее 9. 9 В

4

Входной ток низкого уровня

не более 0,2 мкА

5

Входной ток высокого уровня

не более 0,2 мкА

6

Ток потребления

не более 0,3 мкА

7

Ток потребления в динамическом режиме одним логическим элементом

не более 0,20 мкА

8

Время задержки распространения при включении (выключении)

не более 720 нс


Таблица 6 - Предельно допустимые режимы эксплуатации К561ТР2.

Напряжение питания

3…15В

Нагрузочная способность на логическую микросхему, не более

50

Выходной ток Iвых0 и Iвых1, не более

0,5 мА

0,9 В


г) Конденсаторы К10-17А

Конденсаторы К10-17А предназначены для работы в цепях постоянного, переменного токов и в импульсных режимах.

К10-17А - правильной формы, изолированные керамические конденсаторы во всеклиматическом исполнении.

Рисунок 7. Конденсатор К10-17 А

Таблица 7 - Параметры конденсатора К10-17 А

Номинальная емкость, мкФ

Габаритные размеры, мм


L

B

A

H

d

0,68

8,4

5,6

5

2,7

0,6


д) Конденсаторы К50-35

Импортные оксидно-электролитические алюминиевые полярные применяется в цепях постоянного, пульсирующего тока и в импульсном режимах.

Рисунок 8. Конденсатор К50-35

Таблица 8 - Параметры конденсатора К50-35

Номинальное напряжение, В

Номинальная емкость, мкФ

Габаритные размеры, мм



D

H

A

d

16

220

10

12

5

0,8


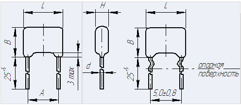
е) Резистор С2-33

Резисторы постоянные непроволочные общего применения предназначены для работы в электрических цепях постоянного, переменного токов и в импульсных режимах.

Рисунок 9. Резистор С2-33

Таблица 9 - Размеры резистора С2-33

Габаритные размеры, мм

L

D

I

d

6

2,2

20±3

0,6±0,1


Таблица 10 - Электрические параметры резистора С2-33

Номинальная мощность. Вт

0,5

Диапазон номинальных значений. кОм

470±1%

Предельное рабочее напряжение. В

350

Температура окружающей среды. °С

от -55 до +155

Относительная влажность. °С%

До 98% при +25 °С


ж) Резистор С1-4

Резисторы с углеродистым проводящим слоем предназначены для работы в цепях постоянного, переменного и импульсного тока.

Рисунок 10. Резистор С1-4

Таблица 11 - Размеры резистора С1-4

Габаритные размеры, мм

L

I

d

3,2

1,5

20

0,48


Таблица 12 - Электрические параметры резистора С1-4

Номинальная мощность. Вт

0,062

Диапазон номинальных значений. кОм

1,2

Предельное рабочее напряжение. В

250

Температура окружающей среды. °С

от -55 до +125

Относительная влажность. °С%

До 98% при +25 °С


з) Резистор С2-23

Резисторы металлодиэлектрические предназначены для работы в цепях постоянного, переменного и импульсного тока.

Рисунок 11. Резистор С2-23

Таблица 13 - Размеры резистора С2-23

Габаритные размеры, мм

L

D

I

d

3,2

1,5

20

0,48


Таблица 14 - Электрические параметры резистора С2-23

Номинальная мощность. Вт

0,25

Диапазон номинальных значений. кОм

10

Предельное рабочее напряжение. В

250

Температура окружающей среды. °С

от -55 до +155

Относительная влажность. °С%

До 98% при +25 °С


и) Транзистор КТ972Б

Кремниевые эпитаксиально-планарные составные биполярные транзисторы (транзисторы Дарлингтона). Предназначены для использования в блоках и узлах радиоэлектронной аппаратуры широкого применения.

Рисунок 12. Транзистор КТ972Б

Таблица 15 - Электрические параметры транзистора КТ972Б

 Структура

NPN

Максимально допустимое (импульсное) напряжение коллектор-база

45 В

Максимально допустимое (импульсное) напряжение коллектор-эмиттер

45 В

Напряжение эмиттер-база

5 В

Постоянная рассеиваемая мощность коллектора при Ткорп. = -45 ÷ +25 ° С

8 Вт

Постоянная рассеиваемая мощность коллектора при Тсреды. = 25 ° С

1.25 Вт

Импульсный ток коллектора (tu ≤10 мкс, Q ≥ 5)

4 А

Максимально допустимый постоянный(импульсный) ток коллектора мА

2 А

Температура перехода

150 °C


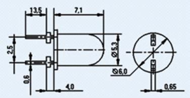
к) Диод АЛ307БМ

Диоды АЛ307БМ светоизлучающие, с рассеянным излучением, эпитаксиальные.

Выпускаются в пластмассовых корпусах.

Рисунок 13. Диод АЛ307БМ

Таблица 16 - Основные технические параметры светодиода АЛ307БМ

красный

Сила света

не менее 0,9 кд/м2

Постоянное прямое напряжение

не более 2 В

Максимум спектрального распределения

0,665 мкм

Максимально допустимый постоянный прямой ток

20 мА

Максимальный импульсный ток при заданной длительности импульса

100 мА

Максимально допустимое обратное постоянное напряжение

2 В

Максимально допустимое импульсное обратное постоянное напряжение

2 В

л) Разъем DB-09m

Рисунок 14. Разъем DB-09m

Таблица 17 - Основные технические параметры разъема DB-09m

Кол-во выводов

9

Номинальный ток

7,5 А

Материал изолятора

термопласт

Покрытие контакта

позолота

Сопротивление контакта макс.

20 мОм

Номинальное напряжение

300 В AC

Рабочая температура

-55…85 °C

Класс горючести

UL94V-0

Вес

 

3. Выбор и описание метода компоновки схемы устройства

3.1 Разработка компоновочного эскиза устройства

Компоновка - процесс размещения компонентов, модулей и деталей изделия на плоскости или в заданном объёме. Геометрическая компоновка ЭВМ - это выбор формы, размеров, взаимного расположения типовых конструкций и способа их перемещения относительно друг друга. Цель геометрической компоновки - обеспечить технические характеристики и удовлетворить конструктивно - технологические и эксплуатационные требования.

При размещении элементов на ПП необходимо воспользоваться следующими правилами:

- элементы, имеющие наибольшее число внешних связей, располагаются вблизи соединителя (разъема);

· элементы, имеющие наибольшее число связей, с уже размещенными элементами, располагаются рядом и т.д.;

· размещение выполняется при минимальных значениях длин связей, количества переходов печатных проводников со слоя на слой и т.д.;

- обеспечение равномерного распределения масс элементов по полю ПП. Элементы с большой массой располагаются вблизи мест крепления 1111.

Графическая компоновка заканчивается разработкой компоновочного эскиза: после удачного размещения обводятся контуры элементов и выполняют разводку проводников.

Графический метод позволяет выполнять компоновку изделия на чертёжной бумаге с помощью карандаша. Допускается упрощенное графическое изображение конструктивных элементов.

Недостаток заключается в высокой трудоёмкости метода при получении отрицательного варианта.

3.2 Расчет критерия компоновки схемы

В качестве критерия оценки качества проведенной компоновки рассчитаем коэффициент заполнения объема печатной платы.

Коэффициент заполнения объема рассчитывается по формуле:

 (1)

где ∑Vycт - суммарный объем всех элементов, Vпп - объем печатной платы.

Для начала рассчитаем установочный объем каждого элемента, исходя из его геометрических параметров, взятых из справочной литературы. Установочный объем элемента рассчитывается по формуле:

V= 1,5 (а + 0,15) (b + 0,15) (с + 0,15)

Таблица 11 - Суммарный объем элементов

Наименование элемента

Объем, мм

Количество, шт.

Суммарный объем, мм3

Микросхема К561ЛЕ5

1161,24

1

1161,24

Микросхема К561ИЕ8

1338,53

1

1338,53

Микросхема К1561ТР2

1338,53

1

Конденсатор К10-17 А

497,77

1

497,77

Конденсатор К50-35

1877,59

1

1877,59

Резистор С1-4

13,68

4

54,72

Резистор С2-23

13,68

1

13,68

Резистор С2-33

50,95

1

50,95

Транзистор КТ972Б

395,76

1

395,76

Диод АЛ307БМ

311,27

4

1245,08

Разъем DB-09m

165,94

1

165,94


Суммируя рассчитанные объемы элементов, получаем общий установочный объем всех элементов ∑Vycт = 8139,8 мм3

Объем печатной платы равен:

Vnn = abh, (2)

где a, b - длина и ширина печатной платы,

h - высота самого высокого элемента печатной платы (с учетом выводов).

Учитывая, что наибольшим параметр h является у конденсатора К50-35:

Vпп= 90*75*12 = 81000 мм3.

Подставляя полученные значения объемов в формулу (1), находим коэффициент заполнения по объему:

Кvзап=0,101

Вывод: коэффициент заполнения 0,101 является приемлемым для данной элементной базы.

Список литературы

1. ГОСТ 2.701-89. ЕСКД. Схемы. Виды и типы. Общие требования к выполнению. М., 1989. 8 с.

2. ГОСТ 2.702-75. ЕСКД. Правила выполнения электрических схем. М., 1975.16 с.

3. ГОСТ 2.710-81. ЕСКД. Обозначения буквенно-цифровые в электрических схемах. М., 1981. 20 с.

4. ГОСТ 10317-79. Платы печатные. Основные размеры. М., 1979. 3 с.

5. ГОСТ 23751-86. Платы печатные. Основные параметры конструкции. М., 1986. 11 с.

6. Кониченко А.В., Потапенко A.M. Дирбакина Т.А. Проектирование цифровых устройств на ПЛИС: Учебное пособие/ Курск, гос. техн. ун-т. Курск, 1999. - 83 с.

7. Медведев А.А. Печатные платы. Конструкции и материалы. - М., Высшая школа, 2005.-228 с.

8. Разработка и оформление конструкторской документации РЭА: Справочное пособие /Э.Т. Романычева и др. М., Радио и связь, 1989. - 340 с.

9. Умрихин В.В., Захаров И.С., Ширабакина Т.А., Вахания В.И. Конструкторско-технологическое проектирование электронных вычислительных средств: Учебное пособие/ Курск, гос. техн. ун-т. Курск, 2004-175 с.

10. Усатенко СТ., Каченюк Т.К., Терехова М.В. Выполнение электрических схем по ЕСКД.-М., Из-во стандартов, 1992.-316 с.

Похожие работы на - Устройство акустического автомата

 

Не нашли материал для своей работы?
Поможем написать уникальную работу
Без плагиата!
Без нейросетей!