Розрахунок паливного насосу високого тиску
Вступ
Двигуни внутрішнього згорання належать до
найбільш розповсюдженого та багато кількісного класу теплових двигунів, та
таких двигунів, в яких теплова енергія, яка виділяється при згоранні палива,
перетворюється у корисну роботу. В теплових двигунах процеси згорання палива,
виділення теплоти і перетворення її в механічну енергію відбувається в середині
двигуна.
До двигунів внутрішнього згорання відносяться
поршневі двигуни, газові турбіни та реактивні двигуни.
Широке використання двигунів внутрішнього згорання
у всіх галузях народного господарства пояснюється рядом переваг, з яких
основними є висока економічність (навіть у агрегатах малої потужності),
відносно малі габарити та маса, пристосування до різноманітних умов роботи та
автономність.
У зв’язку з різноманіттям умов використання та
специфічністю вимог, які пред’являють до двигунів у різних галузях народного
господарства, перспективи розвитку їх типажу слід розглядати по галузям.
Прийняте розділення двигунів на два типа в
основному визначається об’ємом та методами виробництва: автомобільні та
тракторні двигуни являються об’єктами масового виробництва, в той час як
двигуни тепловозні та судові випускаються обмеженими серіями, а деякі типи - в
індивідуальному порядку.
1. ТЕПЛОВИЙ РОЗРАХУНОК ДВИГУНА
1.1 Умови завдання
е = 60 кВт - ефективна потужність;= 1600 хв-1
- частота обертання колінчастого вала;е =225 (кг/кВт.ч) - ефективна
питома витрати палива;
і = 6 - число циліндрів.
1.2 Вихідні дані теплового
розрахунку
ε = 16
- ступінь стиску [1,п.3.2.3.1]
Рz = 5,5 - МПа - тиск в кінці
згоряння [1,п.3.2.3.6]
Ро = 0,1 - МПа - тиск
оточуючого середовища ГОСТ 10150[1,п.3.2.3.3]
То = 300К - температура
оточуючого середовища ГОСТ 10150-88
Рг = 1,1 МПа - тиск залишкових
газів [1,п.3.2.3.4]
Тг = 750 - К - температура
залишкових газів [1,п.3.2.3.4]
α
= 1,6 - коефіцієнт надлишкового повітря [1,п.3.2.3.4]
γr=
0,04 - коефіцієнт залишкових газів [1,п.3.2.3.2]
ξ
= 0,85 - коефіцієнт використання тепла [1,п.3.2.3.5]
φ =
0,97 - коефіцієнт округлення індикаторної діаграми [1,п.3.2.3.7]
η
м= 0,85 - механічний коефіцієнт корисної дії [1,п.3.2.3.9]
Елементарний склад: С = 0,87кг;
Н = 0,126кг; О = 0,004кг.
Нижча теплотворна здатність Q = 42500 кДж/кг. [1,п.3.2.3.13]
.3 Розрахунок
.3.1 Параметри процесу
наповнення
Величина тиску, характеризую
чого опір на впуску.
ΔРа
= (0,1…0,2) Ро = 0,1 · 0,1 = 0,01 мПа
Тиск у кінці процесу наповнення
Ра = Ро -
ΔРа
= 0,1 - 0,01=0,09 мПа
Температура свіжого заряду з
урахуванням нагріву від стінок двигуна
То' = Тк + Δt
= 300 + 25 = 325 К
де Δt
= 25оС - величина температури, на яку нагрівається свіжий заряд від
стінок двигуна [1,п.1.3.1.3] Температура у кінці процесу наповнення
Та =
=
Коефіцієнт наповнення:
ηv =
=
.3.2 Параметри процесу стиску
Показник політропи стиску.1
= 1,34 [1,п.3.2.3.8]
Тиск в кінці процесу стиску:
Рс = Ра · εn-1 =0,09
∙ 161,34 = 3,6962 мПа
Температура в кінці процесу
стиску.
Тс = Та ·εn1
-1
= 341,3 ∙ 161,34 - 1 = 876,1 оК
.3.3 Параметри процесу
згорання
Теоретична необхідна
кількість повітря для згорання 1 кг палива:
Мо=
Дійсна кількість повітря для
згорання 1кг палива.
М1 = α ·
М
= 1,6 ∙ 0,4946 = 0,7914 к/моль/кг∙пал.
Кількість окремих компонентів
продуктів згоряння
Мсо2 =
кмоль/кг∙пал.
Мн2о =
кмоль/кг∙пал.
Мо2 = 0,21 Мо(α-1)
=
0,21 ∙ 0,4946 ∙(1,6 - 1) = 0,0623 кмоль/кг∙пал.
МN2 = 0,79 · Мо
· α
=
0,79 · 1,6 · 0,4946 = 0,6252 кмоль/кг∙пал.
агальна кількість продуктів
згоряння.
М2 =
кмоль/кг∙пал.
Теоретичний коефіцієнт
молекулярної зміни суміші.
βо =
Дійсний коефіцієнт
молекулярної зміни суміші.
β =
Ступінь підвищення тиску.
λ =
Температура в кінці процесу
згоряння.
де μСv =
22,09 кДж/моль.град - мольна теплоємність повітря при постійному об'ємі в кінці
процесу стиску при Тс = 876,1 оК, визначаємо по таблиці 2
[1,п.3.2.3.15] Підставляю у ліву частину рівняння числові значення та привожу
його до вигляду число =

Приймаю у першому наближенні
Tz = 1973оК і по таблиці 3 визначаю мольну теплоємкість компонентів
продуктів згоряння при Tz = 1973оК [1,п.3.2.3.15]
μССО2
= 53,22 кДж/моль.град μСN2 = 32,75 кДж/моль.град
μСН2О
= 42,58 кДж/моль.град μСО2 = 34,66 кДж/моль.град
Визначаю мольну теплоємність
продуктів згоряння при постійному тиску в кінці процесу згоряння
μСр = 
Визначаю температуру у кінці
процесу згоряння.
= число/( μСр β);К
=
2012,6 К
.3.4 Параметри процесу
розширення
Ступінь попереднього
розширення.
ρ =
Ступінь наступного
розширення.
δ =
Показник політропи розширення. n2
= 1,25 [1,п.3.2.3.8]
Тиск в кінці
розширення.
Рв =
мПа
Температура в кінці
розширення.
Тв =
оК
.3.5 Індикаторні показники
Теоретичний середній
індикаторний тиск.
Середній індикаторний тиск з
урахуванням округлення індикаторної діаграми.
Рі = φ Рі'
= 0,97 0,807 = 0,7828 мПа
Індикаторний коефіцієнт
корисної дії
ηі =
8,314
Індикаторна питома витрата палива.
qі =
кг/кВт.ч
.3.6 Ефективні показники
двигуна
Середній ефективний тиск.
Ре= Рі ηм =
0,85 0,7828 = 0,6654 мПа
двигун згорання насос паливний
Ефективний
коефіцієнт корисної дії.
е
= ηі ·
ηм =
0,85 · 0,4481 = 0,3809
Ефективна питома
витрати палива.
qе =
=
кт/кВт.ч
.3.7 Основні розміри двигуна
Приймаю середню швидкість
поршня. Сm = 6,7 м/с,
Визначаю хід поршня.
=
м
Приймаю S = 0,125 м
Визначаю діаметр циліндра.
= 0,39
,м
Приймаю D = 0,11 м.
Визначаю відношення хода
поршня до діаметра циліндра.
Визначаю робочий об'єм
циліндрів.
л =
л
Визначаю потужність двигуна.
е =
кВт.
Задана потужність двигуна 60
кВт при частоті обертання колінчастого валу 1600 хв.-1,
забезпечується 6 циліндровим (довгохідним) двигуном з діаметром циліндра 110
мм, ходом поршня 125 мм, без надуву.
.3.8 Розрахунок до побудови
теоретичної індикаторної діаграми
Розрахунок необхідних параметрів до
побудови теоретичної індикаторної діаграми виконуємо на комп’ютері
Таблиця 1.
|
Позначення у тепловому розрахунку
|
Ро
|
ε
|
n1
|
λ
|
δ
|
Vs
|
ρ
|
Мр
|
Va
|
n2
|
Ра
|
|
Одиниці виміру
|
МПа
|
-
|
-
|
-
|
-
|
мм
|
-
|
МПа мм
|
-
|
МПа
|
|
Значення параметрів
|
0,1
|
16
|
1,34
|
1,4881
|
9,9825
|
125
|
1,6028
|
0,03
|
1.0
|
1,25
|
0,09
|
Повний об’єм циліндраа = 1,0 мм
Робочий об’єм циліндра= 125 мм
Масштаб по осі ординат
μр
= 0,03 мПа/мм
Об’єми
Vc =
, мм Vz = ρ Vc
, мм Vа = Vc + Vz , мм
Визначаю тиск у характерних
точках циклу з використанням комп’ютера по формулам

Визначаю проміжні точки
політроп стиску і розширення на комп’ютері по формулах, а значення заношу у
таблицю 2.
Таблиця 2 Об’єми і тиски у
характерних точках циклу
|
Ро
|
Ра
|
Рс
|
Pz
|
Pb
|
Vc
|
Vz
|
Va
|
|
мм
|
мм
|
мм
|
мм
|
мм
|
мм
|
мм
|
мм
|
|
3,33,
|
3,00,
|
123,21,
|
183,35
|
10,33,
|
8,33,
|
13,36
|
133,33
|
Таблиця 3
Визначення допоміжних точок політроп.
|
Vx
|
Політропа стиску
|
Політропа розшир.
|
|
мм
|
мм
|
мм
|
|
8,33
|
123,21
|
|
|
13,36
|
85,47
|
183,35
|
|
16,87
|
48,67
|
139,03
|
|
26,67
|
25,93
|
77,26
|
|
33,33
|
19,23
|
58,46
|
15,08
|
46,54
|
|
46,87
|
12,25
|
38,39
|
|
53,33
|
10,24
|
32,48
|
|
80,00
|
8,75
|
28,04
|
|
66,87
|
7,59
|
24,58
|
|
73,33
|
6,68
|
21,82
|
|
80,00
|
5.95
|
19,57
|
|
86,67
|
5,34
|
17,71
|
|
93,33
|
4,84
|
16,14
|
|
100,00
|
4,41
|
1481
|
|
106,87
|
4,05
|
13,68
|
|
113,33
|
3,73
|
12,86
|
|
120,00
|
3,45
|
11,79
|
|
126,87 133,33
|
3,21 3,00
|
11,02 10,33
|
2. Опис
конструкції паливного насосу високого тиску
.1 Призначення та тип
.1.1 Призначення паливного насосу
високого тиску
Паливний насос високого тиску
призначений для подавання палива в циліндри в необхідній кількості і в
потрібний момент під високим тиском.
.1.2 Тип паливного насосу високого
тиску
Паливний насос високого тиску є
рядним золотникового типу з постійним ходом плунжера.
.2 Конструкція паливного насосу
високого тиску
Паливний насос високого тиску
складається з корпусу блочного типу, кулачкового валу, шести штовхачів, шести
секцій насоса (плунжер, гільза), кулькового підшипника, пружин, натискаючих
клапанів, кулачкової муфти, болта штовхача, зубчастої рейки.
Корпус насосу представляє фасонну
форму з алюмінієвого сплаву, виготовлений ливарним способом. З одного торця
кріпиться регулятор. На бічній поверхні є люк для доступу до деталей секцій та
штовхачів. На цій стороні кріпиться поливопідкачувальний насос.
Кулачковий валик встановлюється на
кулькопідшипниках, на обох кінцях має конічні хвостовики, на які встановлюється
кулачкова муфта привода регулятора та шестерня приводу регулятора. Він має
кулачки однакової форми для приводу штовхачів.
Штовхач приводить в дію плунжер, при
цьому зменшує від бокового тиску і зносу. Зверху в штовхач закручується гвинт
для регулювання рівномірності кутових інтервалів між моментом початку подачі
палива плунжерами в послідовності їх роботи. Головними деталями кожної секції
насосу є гільза плунжера та плунжер, поворотна втулка з зубчастим сектором,
пружина, натискний клапан та сідло клапана, натискний штуцер, прокладка.
Гільза плунжера має циліндричну
форму, у верхній частині гільза має два отвори, які з’єднуються з
паливопідводящим та відсічним каналами, а також розрізний зубчастий вінець.
Плунжер золотниковий регулює
кількість палива, яке подається відповідно навантаженню дизеля. В нижній
частині плунжер має два виступи, які входять в пази поворотної втулки, і
закінчується головкою, на якій кріпиться тарілки пружини.
Зубчаста рейка встановлена на
втулках і має осьове переміщення. Один кінець з’єднується з важелем регулятора,
а інший входить в гільзу обмежувача ходу рейки.
Натискний клапан виконує функції
зворотного клапана, який періодично роз’єднують внутрішню порожнину
трубопроводу високого тиску і над плунжерний простір за допомогою циліндричного
поясу, забезпечує після відсікання зменшення тиску в паливному трубопроводі до
величини близько навколишнього середовища.
Гільза з плунжером, а також клапан з
сідлом представляють прецизійну пару.
2.3 Схема і принцип роботи паливного
насосу високого тиску
Рис. 2.1 Схема
- плунжер; 2,3,10 - перепускна
камера, втулка і відсічна кромка плунжера; 4,9 - вікна; 5,6 - корпус і пружина;
7 - штуцер відведення палива; 8 - нагнітальний клапан; 11 - рейка; 12 -
зубчатий вінець; 13 - поворотна втулка.
Рис 2.2. Різні положення плунжера
І - крайнє нижнє положення, що
відповідає максимальній подачі палива;
ІІ - кінець нагнітання при повній
подачі палива;
ІІІ - крайнє нижнє положення, що
відповідає частковій подачі палива;
ІV - кінець нагнітання при частковій
подачі палива;- відсутня подача.
Кулачковий вал отримує обертання від
приводу паливного насосу через кулачкову муфту. Вал на своїй поверхні має
кулачки однакової форми. При обертанні кулачок натискує на ролик через вісь
передає рух на штовхач.
Штовхач передає рух на плунжер.
Плунжер має осьовий отвір, який з’єднує над плунжерне середовище з кільцевою проточкою,
від якої бере початок спіральна відсічна канавка, яка слугує для регулювання
кількості палива в залежності від навантаження. Штовхач рухається вертикально.
Нижній кінець плунжера має два виступи, які входять в пази поворотної втулки.
Гільза плунжера має два
горизонтальних отвори, один отвір з’єднується з паливопідводящим каналом. Цей
отвір розташований вище від відсічного.
При подальшому обертанні валу
кулачок сходе з ролика, штовхач разом з плунжером рухаються вниз під діями
пружин.
.4 Обґрунтування прийнятої
конструкції
Прийнята конструкція паливного
насосу високого тиску забезпечує необхідний тиск впорскування палива в циліндри
двигуна не складна, забезпечує ресурс роботи до капітального ремонту, добре
зарекомендував в експлуатації.
Конструкція паливного насосу
високого тиску технологічна тому, що:
- не
має високої кількості складальних операцій;
- забезпечує
вільний доступ для обслуговування;
- при
монтажі насосу на двигун ніяких операцій розбирання не проводиться;
- зручне
виконання складальних робіт;
- мінімальна
трудомісткість в процесі складання;
- місця
розташування кріпильних виробів доступні для інструменту;
- складальні
одиниці розділені таким чином, щоб можливо проводити незалежне паралельне
складання.
3.
Розрахунок паливного насосу високого тиску
.1 Визначення основних параметрів
ПНВТ
Об’ємна подача палива за один цикл
Vц =
;
де qе=0,2224
г/кВт·год - питома ефективна витрата палива [тепловий розрахунок];е =
60 кВт - потужність двигуна [завдання];= 1600 хв-1 - частота
обертання колінчастого валу [завдання];
і = 6 - число циліндрів;
[завдання);
ρТ =
0,84 г/см3 - густина палива; [2, с.46]
- коефіцієнт тактності
Визначаю діаметр плунжера
Приймаю діаметр плунжера
згідно ДЕСТ 10578 по таблиці 1 [6, с.1], в якій Vц=0,056 см3/цикл,
n=1500 хв-1; dпл=6,5 мм; hn=8 мм.
Визначаю активний хід
плунжера
а =
;
де φп=2,0...4,0
- коефіцієнт для золотникових насосів [10, с.196];
ηн=0,6...0,95
- коефіцієнт подачі для золотникових насосів [10, с.196].
Визначаю повний хід плунжера
п =
m·hа = 2,5 ·0,42 = 1,05 см;
де m=2,3…6,5 - коефіцієнт
враховуючий втрату ходу плунжера на перепуск палива після відсічки для
золотникових насосів. Приймаю m=2,5.
.2 Розрахунок на міцність штовхача
і вісі ролика
Визначення сил діючих на
деталі паливного насоса
Мал.2. Схема сил діючих у
парі ролик штовхача-кулачок кулачкового валу. 1 - ролик ПНВТ; 2 - кулачок
кулачкового валу ПНВТ.
Знаходимо хід плунжера на
момент дії максимального тиску
x = hа
+ hн = 0,42 + 0,25 = 0,67 см;
де hа - активний
хід плунжера;н - частина ходу плунжера, яка витрачається на
наповнення над плунжерного простору і приймається рівною діаметру наповнюю чого
отвору втулки плунжера [прототип] hн = dо = 0,25 см.
Визначаємо кут повороту
плунжера
j = 13°24´
;
де r = 9 мм - радіус ролика
штовхача [прототип];= 15 мм - основне коло кулачка [прототип].
Визначаємо максимальну
сумарну силу діючу на кулачковий вал
ΣРmах
= Рn mах + Рпр = 0,001326 + 0,57 ·10-4 =
0,001383 МН;
де Рn mах - сила
від тиску палива на плунжер;
Рпр - сила дії
пружини плунжера;
;
де Рmaх = 30…100 МПа -
максимальний тиск палива у над плунжерному просторі.
Рпр
;
де С = 0,0104 МН/м -
жорсткість пружини плунжера; [прототип]х = 0,0067 м - хід плунжера;
Р1 = 0,57 104
МН - настановне зусилля пружини плунжера [прототип].
Знаходимо складові сумарної
сили
mах =
ΣРmах·tqφ =
0,001383 ·tq 13о24´= 0,000329 МН
Тmах =
ΣРmах/Соsφ =
0,
001383 /Соs13о24´= 0,00142 МН
При розрахунку штовхача
приділяється найбільша увага вісі ролика, що знаходиться в тяжких умовах
роботи, і його направляючої.
Розрахунок вісі ролика на
вигин:
Напругу вигину вісі ролика
визначаю по формулі
де Мв - згинаючий
момент;
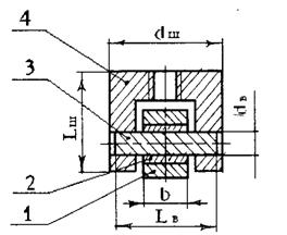
де Lв = 0,038 м -
довжина вісі ролика, (прототип);= 0,0255 м - ширина ролика, (прототип);
Тmax - сила, яка
створює обертальний момент;в - момент вигину опору;
де dв = 0,009 м -
діаметр вісі ролика, (прототип);
Умови міцності виконуються
так як:
[10, c.273]
Розрахунок вісі ролика на
зріз.
Напругу зрізу вісі ролика
визначаю по формулі:
Умови міцності виконуються
так як:
[10, c. 273]
Питомий тиск у опорах
штовхача визначаю по формулі
Умови міцності виконуються
так як:
[10, c. 273]
Розрахунок питомого тиску у
втулці ролика:
Питомий тиск у втулці ролика
визначаю по формулі
Умови міцності виконуються
так як:
[10, c. 273]
Розрахунок максимального
тиску у направляючої штовхача.
Максимальний тиск створюється
у нижнього краю направляючої штовхача і визначається за формулою:
де dш = 0,0028 м -
діаметр штовхача, (прототип);ш = 0,002 м - довжина штовхача,
(прототип).
Умови міцності виконуються
так як:
[11, c. 27]
Прийнятий матеріал та розміри
забезпечують необхідну міцність деталей штовхача.
.3 Обґрунтування вибору
матеріалу деталей
Корпус насосу високого тиску
блочного типу має фасонну форму, виготовлений ливарним способом і призначений
для встановлення всіх деталей, які входять в паливний насос. Виготовлений з
алюмінієвого сплаву АЛ-9 ГОСТ 2685-75.
Валик паливного насосу
передає обертальний момент кулачка по відношенню вісі валу розташовані
ексцентрично при передачі зусиль на ролик штовхача додатково виникає деформація
вигину. Від кулачка на ролик передається зусилля ковзанням, ці поверхні
підлягають гартуванню, приймаємо матеріал валу сталь 12ХН3А ГОСТ 4543-71. В
роботі паливного насосу відповідальними деталями є плунжер і гільза плунжера,
які повинні бути прецизійними, зносостійкими, загартованими НRС 60-65.
Приймаємо матеріал ШХ15 ГОСТ 807-78.
Ролик штовхача сприймає
великі зусилля тому, що він ковзає по поверхні кулачка валу. Приймаємо матеріал
ШХ15 ГОСТ 807-78.
Нагнітальний клапан повинен
щільно прилягати до корпусу клапана, то ці деталі також виготовляються зі сталі
ШХ15 ГОСТ 807-78.
Вісь ролика сприймає великі
навантаження на зріз. Поверхня вісі повинна бути загартованою, а середина
в’язкою, тому приймаємо матеріал сталь 12ХН3А ГОСТ 4543-71.
4.
Нове у проекті
В картер паливного насосу
заливається дизельне мастило для змащення підшипників. Злив мастила
здійснюється через пробки, які виготовляються зі сталі. Ці пробки не несуть
ніяких навантажень. Тому пропоную їх виготовляти з волокніту ГОСТ 5689-73.
σв =
600 МПа; δ
= 9%;
ρ
= 1,45 МПа.
5.
Стандартизація
Використання у проектуванні
виробів на 70-80% уніфікованих та стандартних елементів конструкції значно, на
15-20% зменшує цикл підготовки виробництва, сприяє підвищенню якості та
зменшенню трудомісткості виготовлення у складанні.
.1 Коефіцієнт уніфікації
де
= 46 -
кількість типорозмірів деталей уніфікованих з деталями виробів базового
заводу.= 47 - загальна кількість типорозмірів деталей у виробу
.2 Коефіцієнт стандартизації
де mст=9 -
кількість типорозмірів стандартних деталей у виробу
.3 Коефіцієнт повторювання
де mq = 119 -
загальна кількість усіх деталей у виробі.
ЛІТЕРАТУРА
1. Методичні
вказівки по виконанню курсового проекту дисциплін «Теорія двигунів внутрішнього
згоряння», «Конструкція та динаміка двигунів», «Система двигунів внутрішнього
згоряння», 2009.
. Колчин
А.І., Демидов В.П. „Расчет автомобильных и тракторних двигателей”, М:, „Высшая
школа” 1980, с.343.
. Моргуліс
Ю.Б. „Двигуни внутрішнього згоряння”, М:, „Машиностроение” 1972, с.336.
. Дизелі
типа 6Ч 12/14 і дизель-генератори, М:, „Машиностроение”, 1983, с.463.
. Гузенков
П.Г. Кратний справочник по расчетам деталей машин. М:, „Высшая школа” 1967,
с.312.
. Методичні
вказівки по виконанню розрахунку основних параметрів паливного насосу високого
тиску і його деталей на міцність для курсових і дипломних проектів. 2006.
. Орлін
А.С. і др. Конструкція і розрахунок поршневих і комбінованих двигунів. М:,
„Машиностроение” 1974, с.463.
. Чернавський
С.А. Курсове проектування деталей машин. М:, „Машиностроение” 1988, с.416.
. Антонович
і др. Креслення. Львів, „Світ”, 2006, с.508.
.
Лишевський А.С. Питание дизелів. Новочеркаськ, 1974.
.
Фомін Ю.Я., Ніконов Г.В. Паливна апаратура дизелів. Довідник. М:,
„Машиностроение” 1982.
.
Я.А. Самохвалов, М.Я. Лєвіцкій, В.Д. Грігораш. .Довідник техніка
-конструктора". Київ, „Техніка", 1978 р.