Расчёт резистивного усилителя
Проектирование
резистивного усилителя
1. ЗАДАНИЕ
резистивный усилитель электрический
ток
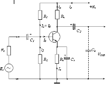
Дана электрическая схема резистивного усилителя
Для заданного транзистора обеспечить в нагрузке
Rк
наибольшую полезную мощность, отдаваемую транзистором в режиме класса " А
" .
При этом:
В статическом режиме
Обосновать, выбрать и рассчитать :Uвых
Eк , Rк
, R1 , R2
, Rэ , C1
, Cэ , Pо
2. В динамическом режиме
Рассчитать Rвх
, Rвых , Ег , Рк , Ко
, h , f
в
, П = Kо × DF ,
а также рассчитать и построить АЧХ усилителя .
Примечание: на электрической схеме показаны
постоянные составляющие токов.
|
N
|
Транзистор
|
Rг
, Ом
|
Сн,
пФ
|
fн,
Гц
|
|
48
|
КТ
368Б
|
300
|
300
|
30
|
Ik
max = 30 мА -
постоянный ток коллектора;
U
кэ max = 15 В -
постоянное напряжение коллектор-эмиттер;
Pк
max = 100 мВт -
постоянная рассеиваемая мощность коллектора;
U
эб max = 4 В - постоянное
напряжение эмиттер-база;
U
кб
max =15 В - постоянное
напряжение коллектор-база;
ºС
- = -40… + 85 С Допустимая температура окружающей среды;
. СТАТИЧЕСКИЙ РЕЖИМ
Построим гиперболу рассеивания:
Табл. 1.
|
Uк,В
|
2
|
4
|
6
|
8
|
10
|
12
|
14
|
16
|
|
Iк,мА
|
50
|
25
|
16,6
|
12,5
|
10
|
8,3
|
7,1
|
6,2
|
;
Рис. 1.
Из графика находим:
;
;
;
;
Рис. 2.
Из графика находим:
IБ0=0,082
мА;
Находим
:
Если
;
Рассчитаем токи
:
;
;
где:
;
;
Рассчитаем
и найдём
:
;
отсюда:
;
;
Запишем уравнение нагрузочной
прямой:
при
,
;
, при
;
, отсюда:
Найдем,
используя
формулы:
и
где:
;
;
;
;
Рассчитаем мощность
:
;
- по условию;
- const;
; - емкость коллектора по
справочнику;
;
. ДИНАМИЧЕСКИЙ РЕЖИМ
Для
:
;

;
Для
:
;
;
Для
:
;
;
Рассчитаем входное сопротивление:
;
Рассчитаем коэффициент передачи
тока:
Рассчитаем выходную проводимость:
Рассчитаем
:
;
;
;
;
СЧ:
;
;
следовательно:
НЧ:
где;
т.е.
- постоянная времени усилителя НЧ.
АЧХ:
тогда и только тогда когда
;
;
Ф.
ВЧ:
;
- постоянная времени усилителя ВЧ
;
АЧХ:
;
тогда и только тогда когда
;
отсюда:
;
Рассчитаем полосу пропускания:
Т.к. чистота верхней границы
пропускания во много раз выше частоты нижней границы то с большой долеё
вероятности можно утверждать, что:
;
Найдём полосу усиления:
;
;
;
отсюда:
;
;
Построим АЧХ усилителя:
Табл. 2.
|
АЧХ
Н
|
|
f,Гц
|
1
|
10
|
20
|
|
KН
|
0.119
|
1.126
|
1.975
|
Табл. 3.
|
F,мГц
|
10
|
20
|
50
|
100
|
|
KВ
|
3.377
|
2.962
|
1.831
|
1.023
|