Разработка устройства для измерения радиационного излучения

  • Вид работы:
    Дипломная (ВКР)
  • Предмет:
    Информатика, ВТ, телекоммуникации
  • Язык:
    Русский
    ,
    Формат файла:
    MS Word
    415,01 Кб
  • Опубликовано:
    2014-04-26
Вы можете узнать стоимость помощи в написании студенческой работы.
Помощь в написании работы, которую точно примут!

Разработка устройства для измерения радиационного излучения

УСЛОВНЫЕ ОБОЗНАЧЕНИЯ

ГПП - гибкие печатные платы;

ДПП - двусторонние печатные платы;

ЖКИ - жидкокристаллический индикатор;

ИМС - интегральная микросхема;

КП - контактная площадка;

КЭ - конструктивный элемент;

МК - микроконтроллер;

МПП - многослойные печатные платы;

ОПП - односторонние печатные платы;

ПП - печатная плата;

ПУ - печатный узел;

РЭА - радиоэлектронная аппаратура;

САПР - система автоматического проектирования;

СГ - счетчик Гейгера;

УГО - условное графическое обозначение.

ВВЕДЕНИЕ

Ионизирующее излучение, часто называемое радиоактивным излучением, ― это естественное явление, всегда присутствующее в окружающей нас природной среде.[1] На нас постоянно воздействует излучение радиационного фона Земли и космоса. Мы постоянно подвергаемся влиянию излучения природных радиоактивных материалов, находящихся в почве и в строительных материалах зданий и сооружений, в которых мы живем и работаем. В последнее время все чаще люди подвергаются дополнительному воздействию радиоактивных излучений, например, при определенных медицинских процедурах или при курении. Имеет место также влияние на людей источников радиоактивного излучения техногенного происхождения вследствие загрязнения обширных территорий выбросами, происшедшими во время аварии на Чернобыльской АЭС. Таким образом, к воздействию на нас природного ионизирующего излучения нередко добавляется и «чернобыльская составляющая», негативно влияющая на наш организм при попадании внутрь него вместе с сельскохозяйственными продуктами питания, выращенными на загрязненных территориях, с лесными ягодами и грибами. Ионизирующее излучение ― это, прежде всего, рентгеновское, гамма-, бета-, альфа- и нейтронное излучения.

Исходя из вышесказанного, следует, что для контроля радиационной чистоты жилых помещений, зданий сооружений, предметов быта, одежды, транспортных средств, фабрик, ферм, поверхности почвы на приусадебных участках; для оценки радиационного загрязнения различных растений, например, лесных ягод и грибов, а также как наглядное пособие для учебных заведений, вытекает потребность разработки устройства для измерения радиационного излучения. Разработка такого устройства является целью данного проекта.

Прибор предназначается для определения уровня ионизирующей радиации. Так как в повседневной жизни человек чаще всего встречается с опасностью гамма-, бета- и рентгеновского излучения, то большинство приборов для контроля радиационного излучения контролируют именно эти виды излучений. Именно для предупреждения опасности гамма-, бета- и рентгеновского излучения и разрабатывается прибор для измерения радиационного излучения.

Для достижения поставленной цели в бакалаврской работе определяются следующие задачи:

.        Анализ технического задания.

.        Разработка структурной схемы

.        Разработка принципиальной схемы.

.        Выбор элементной базы.

.        Проектирование печатной платы.

.        Конструкторские расчеты.

.        Моделирование работы отдельных функциональных узлов схемы.

.        Охрана труда

. ТЕОРЕТИЧЕСКИЕ СВЕДЕНИЯ

1.1     Ионизирующее излучение

Как уже упоминалось, ионизирующее излучение ― это, прежде всего, рентгеновское, гамма-, бета-, альфа- и нейтронное излучения.

Рентгеновское и гамма-излучение представляют собою энергию, которая передается в виде волн, наподобие света и тепла, идущих от Солнца. Рентгеновское и гамма-излучение по своей природе не очень отличаются между собою. Различие состоит лишь в способах их возникновения и длинах волн. Рентгеновские лучи, как правило, получают с помощью электронных аппаратов, которые можно встретить в каждой поликлинике. Гамма-лучи излучаются нестабильными радиоактивными изотопами. Как рентгеновское так и гамма-излучения характеризуются большой проникающей способностью, которая, в свою очередь, зависит от энергии лучей.

Проникающая способность гамма-лучей высокой энергии столь велика, что ее может остановить лишь толстая свинцовая или бетонная плита.

Альфа-излучение ― это поток ядер гелия. Альфа-излучение имеет очень малую проникающую способность и задерживается, например, листком бумаги. Поэтому оно не несет опасности до тех пор, пока радиоактивные вещества, которые излучают альфа-частицы, не попадут внутрь организма через открытую рану, с едой или посредством дыхания с воздухом.

Бета-излучение ― это поток электронов. Бета-излучение имеет высокую проникающую способность: оно проходит в ткани организма на глубину от 1 до 2 см.

Нейтронное излучение ― это поток нейтронов, который возникает в процессе ядерного деления в реакторах или вследствие спонтанного деления в ядерных материалах. Поскольку нейтроны ― это электронейтральные частички, то они глубоко проникают во всякое вещество, включая живые ткани.[1]

Исходя из вышесказанного и учитывая то, что человек в повседневной жизни наиболее часто сталкивается с бета-, гамма- и рентгеновским излучением, можно сделать вывод, что разработка прибора способного измерять эти виды излучения является целесообразным.

1.2     Счетчик Гейгера

Счетчик Гейгера (Гейгера-Мюллера) - газоразрядный прибор <#"730265.files/image001.gif">.

·        Собственный фон ― не более 1 имп/сек.

·        Амплитуда импульса ― не менее 50 В.

·        Диапазон регистрируемых мощностей ― (0,001…10) мкр/сек.

·        Чувствительность к излучению ― 460 имп/сек.

Рис. 1.1 ― Зависимость скорости счета от напряжения питания

Рис. 1.2 ― Зависимость скорости счета от уровня радиации

1.3     Приборы, измеряющие радиационное излучение

Радиометрия - совокупность методов измерений активности источников ионизирующего излучения <#"730265.files/image004.jpg">

Рис 1.3 Структура компьютера с архитектурой фон Неймана

Микроконтроллер может быть организован по одному из двух принципов организации вычислительной среды ― Принстонскому, известному так же как принцип фон Неймана, или Гарвардскому принципу. Принстонский принцип предполагает общую память для хранения программ и данных.

Рис. 1.4 ― Структура компьютера с Гарвардской архитектурой

Основной особенностью архитектуры однокристальных микроконтроллеров является использование Гарвардского принципа организации вычислительной среды, который предполагает раздельную память программ и память данных.

Двумя основными архитектурами набора команд, используемыми компьютерной промышленностью на современном этапе развития вычислительной техники являются архитектуры CISC (Complex Instruction Set Computers - компьютеры со сложной системой команд) и RISC (Reduced Instruct Set Computers - компьютеры с сокращенной системой команд).- архитектура процессора, в которой быстродействие увеличивается за счёт упрощения команд, чтобы их декодирование было проще, а время выполнения - короче.

Характерные особенности:

1.   Фиксированная длина машинных команд (например, 32 бита) и простой формат команды.

.     Специализированные команды для операций с памятью - чтения или записи. Операции вида «прочитать-изменить-записать» отсутствуют. Любые операции «изменить» выполняются только над содержимым регистров.

3.       Большое количество регистров общего назначения (32 и более).

.        Отсутствие поддержки операций вида «изменить» над укороченными типами данных - байт, 16-битное слово.

.        Отсутствие микропрограмм внутри самого процессора. То, что в CISC процессоре исполняется микропрограммами, в RISC процессоре исполняется как обыкновенный (хотя и помещённый в специальное хранилище) машинный код, не отличающийся принципиально от кода ядра ОС и приложений.

CISC - концепция проектирования процессоров, которая характеризуется следующим набором свойств:

1.   Нефиксированное значение длины команды.

.     Арифметические действия кодируются в одной команде.

3.       Небольшое число регистров, каждый из которых выполняет строго определённую функцию.

Недостатки CISC архитектуры:

1.   Высокая стоимость аппаратной части.

.     Сложности с распараллеливанием вычислений.

В микроконтроллерах различных устройств RISC используется в подавляющем большинстве случаев и в рамках данного проекта будет использован микроконтроллер с RISC архитектурой набора команд и с Гарвардским принципом организации вычислительной среды.[5]

2. РАЗРАБОТКА СТРУКТУРНОЙ СХЕМЫ

2.1 Основные узлы устройства и их назначение

Произведя анализ технического задания, можно выделить следующие основные узлы прибора и составить структурную схему устройства. К основным узлам можно отнести:

. Блокинг-генератор.

. Детекторная камера.

. Одновибратор.

. Свето-акустический узел индикации.

. Микроконтроллер.

. Блок индикации.

. Преобразователь постоянного напряжения.

. Батарея.

Рассмотрим назначение всех вышеперечисленных узлов устройства.

Блокинг-генератор формирует короткие импульсы с амплитудой около 400 В, которые необходимы для питания главного элемента конструкции, а именно, СГ. Ключевым элементом блокинг-генератора является повышающий трансформатор, который заряжает конденсатор, который в свою очередь и является источником питания для детектора, частота генерации задается при помощи RC-цепочки.

Детекторная камера, в состав которой входит главный элемент прибора ― СГ, предназначена для детектирования радиации.

Одновибратор формирует из короткого импульса импульс прямоугольной формы, который необходим для правильной работы микроконтроллера.

Свето-акустический узел индикации предназначен для индикации радиоактивных частиц и индикации переключения режимов. Акустический узел собран на ждущем генераторе и пьезоэлектрическом излучателе.

Микроконтроллер предназначен для управления и цифровой обработки данных, приходящих с детекторной камеры. Также он предназначен для управления внешней периферией, т. е. передачи данных на индикаторные устройства прибора.

Блок индикации предназначен для визуализации результатов замера.

Преобразователь постоянного напряжения предназначен для повышения напряжения питания до нужного уровня.

Батарея задает напряжение питания устройства.

2.1     Структурная схема устройства

Рис. 2.1 ― Структурная схема устройства для измерения радиационного излучения

Главным элементом схемы является датчик радиации ― счетчик Гейгера, при помощи которого происходит идентификация и измерение уровня радиационного излучения. Питается он высоким напряжением 400 В, которое генерирует блокинг-генератор, при помощи повышающего трансформатора, который получает от микроконтроллера напряжение с амплитудой 5 В и повышает его до нужного уровня для питания счетчика. Далее импульс короткой длительности поступает на одновибратор, где из него формируется импульс прямоугольной формы и нужной длительности, необходимой для корректной работы микроконтроллера. Микроконтроллер ― один из основных элементов схемы, так как является связующим узлом для остальных элементов, выполняет все арифметико-логические задачи, производит управление внешней периферией. Также микроконтроллер выдает импульсы подкачки для блокинг-генератора, относительно пришедших частиц; управляет блоком индикации, генератором для акустического излучателя.

3.     

3. РАЗРАБОТКА СХЕМЫ ЭЛЕКТРИЧЕСКОЙ ПРИНЦИПИАЛЬНОЙ

3.1     Выбор и обоснование элементной базы

Произведем обоснование выбора ИМС, которая будет использована в устройстве, а именно, микросхема И-НЕ, в которой в одном корпусе находится четыре элемента И-НЕ. Анализ произведем с тремя микросхемами, которые являются аналогами друг другу и полностью аналогичны по своей функциональности: HEF4011B, SN74HC00, MM74HC00.

Выбранные для сравнения параметры микросхем и их значения представлены в таблице 3.1. Выбор параметров для сравнения производился исходя из их различия в значениях, т. е. выбирались параметры, значения которых отличаются в рассматриваемых микросхемах, а также, исходя из важности того или иного параметра.

Таблица 3.1 ― Параметры микросхем И-НЕ

Серии ИМС

Pрас, мВт

Vccmax, В

Tmaxamb, ºС

tr, tf, нс

Icc, мкА

HEF4011B

500

18

125

750

50

SN74HC00

400

7

125

500

40

MM74HC00

500

7

85

500

20

Весовой коэффициент

0,35

0,25

0,15

0,1

0,15

Примечание. Pрас ― мощность рассеивания; Vccmax ― максимальное напряжение питания; Tmaxamb ― максимальная температура окружающей среды; tr, tf ― уровень нарастания или спадания; Icc ― ток питания

Произведем выбор оптимальной микросхемы при помощи метода выбора компонентов по матрице параметров.

Если увеличение параметра приведет к ухудшению работы схемы, то необходимо его пересчитать по формуле:

.(3.1)

Таблица 3.2 ― Приведенные параметры Y

500

18

125

0,0013

50

7

125

0,002

40

500

7

85

0,002

20


Запишем матрицу нормированных параметров. Элементы матрицы рассчитаем по формуле:

. (3.2)

Таблица 3.3 ― Матрица нормированных параметров А

0

0

0

0,35

0

0,2

0,611

0

0

0,2

0

0,611

0,32

0

0,6


Далее рассчитаем оценочную функцию, по которой и определим оптимальную микросхему. Воспользуемся формулой:

, (3.3)

где  ― весовой коэффициент. Составим оценочную функцию для каждой серии ИМС: .

Рекомендованная серия микросхем та, которая имеет минимальное значение оценочной функции. Как видно из результатов расчетов, выбираем микросхему HEF4011B.

Произведем обоснование выбора детектора радиации, который будет использован в устройстве, а именно, счетчик Гейгера-Мюллера. Анализ произведем с тремя счетчиками, которые являются аналогами друг другу и аналогичны по своей функциональности: СБМ 20, СТС 6, СИ 5Ф.

Выбранные для сравнения параметры детекторы и их значения представлены в таблице 3.4. Выбор параметров для сравнения производился исходя из их различия в значениях, т. е. выбирались параметры, значения которых отличаются в рассматриваемых детекторах, а также, исходя из важности того или иного параметра.

Таблица 3.4 ― Параметры детекторов радиации

Тип детектора

S, мкР-1

Vном, В

Vнач, В

Ф, с-1

m, г

СБМ 20

67

400

260

1

10

СТС 6

210

400

295

1,83

25

СИ 5Ф

55

900

750

0,5

27

Весовой коэффициент

0,2

0,25

0,15

0,15

0,25

Примечание. S ― чувствительность к гамма-излучению; Vном ― номинальное рабочее напряжение; Vнач ― напряжение начала счета; Ф ― собственный фон; m ― масса

Произведем выбор оптимального счетчика при помощи метода выбора компонентов по матрице параметров.

Если увеличение параметра приведет к ухудшению работы схемы, то необходимо его пересчитать по формуле (3.1).

Таблица 3.5 ― Приведенные параметры Y

67

0,003

1

0,1

210

0,003

0,00334

0,55

0,04

55

0,001

0,00133

2

0,037


Запишем матрицу нормированных параметров. Элементы матрицы рассчитаем по формуле (3.2).

Таблица 3.6 ― Матрица нормированных параметров А

0,681

0

0,006

0,5

0

0

0

0

0,725

0,6

0,738

0,667

0,602

0

0,63


Далее рассчитаем оценочную функцию, по которой и определим оптимальный тип счетчика. Воспользуемся формулой (3.3).

Составим оценочную функцию для каждого типа детектора: .

Рекомендованный тип счетчиков Гейгера-Мюллера тот, который имеет минимальное значение оценочной функции. Как видно из результатов расчетов, выбираем детектор радиации СБМ 20.

Произведем обоснование выбора еще одной микросхемы, которая будет использована в устройстве, а именно, микроконтроллера. Анализ произведем с тремя ИМС, которые являются аналогами друг другу и аналогичны по своей функциональности: Atmega8, PIC16F, MC68HC08.

Выбранные для сравнения параметры микросхем и их значения представлены в таблице 3.7. Выбор параметров для сравнения производился исходя из их различия в значениях, т. е. выбирались параметры, значения которых отличаются в рассматриваемых микросхемах, а также, исходя из важности того или иного параметра.

Таблица 3.7 ― Параметры микроконтроллеров

Серия микроконтроллера

fтакт, МГц

ROM-память, Байт

Flash-память, КБайт

RAM-память, Байт

Vмакс, В

Atmega8

16

512

8

1000

5,5

PIC16F

20

64

1,5

67

5,5

MC68HC08

8

512

4

128

5

Весовой коэффициент

0,3

0,1

0,25

0,2

0,15

Примечание. fтакт ― тактовая частота; Vмакс ― максимальное рабочее напряжение

Произведем выбор оптимального микроконтроллера при помощи метода выбора компонентов по матрице параметров.

Если увеличение параметра приведет к ухудшению работы схемы, то необходимо его пересчитать по формуле (3.1).

Таблица 3.8 ― Приведенные параметры Y

16

8

1000

5,5

20

64

1,5

67

5,5

8

512

4

128

5


Запишем матрицу нормированных параметров. Элементы матрицы рассчитаем по формуле (3.2).

Таблица 3.9 ― Матрица нормированных параметров А

0,2

0

0

0

0

0

0,875

0,813

0,933

0

0,6

0

0,5

0,872

0,091


Далее рассчитаем оценочную функцию, по которой и определим оптимальную микросхему. Воспользуемся формулой (3.3).

Составим оценочную функцию для каждого типа детектора: .

Рекомендованная серия микроконтроллеров та, которая имеет минимальное значение оценочной функции. Как видно из результатов расчетов, выбираем микросхему Atmega8.

3.2     Схема электрическая принципиальная устройства

Как уже не раз упоминалось, работа любого устройства для измерения или индикации радиационного излучения построена на детектировании радиации при помощи детектора, в разрабатываемом устройстве в качестве датчика ионизирующей радиации, т. е. детектора радиации, используется СГ СБМ 20, на схеме обозначен ― BD1. Питается счетчик высоким напряжением, которое формируется на его аноде при помощи блокинг-генератора, состоящего из трансформатора Т1, транзистора VT4, диодов VD2 и VD4, конденсаторов C9 и C13, резисторов R2 и R12. На повышающей обмотке 1 трансформатора Т1 периодически с частотой в несколько герц возникают импульсы напряжения, амплитуда которых близка к напряжению питания BD1. Эти импульсы через диод VD2 заряжают конденсатор С9, который и становится таким образом источником питания детектора радиации. Диод VD4, демпфируя обратный импульс напряжения на обмотке 2, препятствует переходу блокинг-генератора в режим значительно более высокочастотного LC-генератора.

При возбуждении BD1 бета-частицей или гамма-квантом в нем возникает импульс тока с коротким фронтом и затянутым спадом. Соответственно импульс напряжения такой же формы возникает на его катоде. Его амплитуда ― не менее 50 В.

Назначения одновибратора, выполненного на элементах DD2.1 и DD2.2, микросхема И-НЕ, а также конденсатора С8 и резистора R5, состоит в том, чтобы преобразовать импульс, снятый с катода СГ, в импульс прямоугольной формы цифрового стандарта. В его формировании важную роль играет резистор R3, ограничивающий ток в защитных диодах микросхемы до величины, при которой «нулевое» напряжение на входе DD2.1 остается в пределах напряжения уровня логического нуля.

Этот единичный импульс поступает на вход INT1 (PD3) микроконтроллера DD3. С микроконтроллера импульс поступает на мультивибратор, который выполнен на элементах DD2.3 и DD2.4, микросхемы И-НЕ, пъезоизлучателе ВА2, конденсаторе С10, резисторе R7. Поступивший импульс на вход 6 DD2, создает нужные для его самовозбуждения условия. Мультивибратор возбуждается и парафазно подключенный к его выходам пъезоизлучатель трансформирует это возбуждение в короткий акустический щелчок, сигнализирующий о попадании радиационной частицы на детектор. Также о попадании частиц сигнализирует светодиод HL1. Еще DD3 осуществляет управление свето-акустическим узлом, который состоит из ЖКИ HG1, потенциометра R8, генератора звука ВА1, транзистора VT1, вышерассмотренного мультивибратора, а также выдает импульсы подкачки для блокинг-генератора.

Микроконтроллер выдает импульс на генератор звука ВА1, через транзистор VT1, который откроется при подаче на него напряжения в результате превышения естественного радиационного фона. Также значение ЕРФ, превышение ЕРФ и время измерение выводятся по средствам DD3 на ЖКИ. Яркость HG1 регулируется при помощи потенциометра R8.

Тактовая частота микроконтроллера DD3 задается при помощи кварцевого генератора ZQ1.

Преобразователь постоянного напряжения, состоящий из преобразователя DD1, конденсаторов С1-С3, диода VD1, катушки L1, повышает напряжение питание, поступающее от батареи GB1 (4,5 В), до необходимого уровня ― 5 В. Т. е. преобразователь позволяет максимально эффективно использовать батарею.

По средствам кнопки SB1 на элементы схемы подается питание, т. е. устройство включается.

4.     

4. ПРОЕКТИРОВАНИЕ СХЕМЫ В САПР ORCAD

радиационный излучение прибор принципиальный

Для проверки работы участка схемы, а именно одновибратора, отвечающего за преобразование короткозатянутого импульса поступающего от детектора радиации и сигнализирующего о попадании радиационной частицы, воспользуемся САПР ORCAD, который позволяет проводить моделирование электрических схем и систем.

Создаем схему одновибратора, которая присутствует в схеме электрической принципиальной устройства. И задаем исходные номиналы. Результат показан на рисунке ниже.

Рис. 4.1 ― Схема одновибратора в ORCAD

Как видно из схемы, на вход подан сигнал имеющий форму пилы, аналогичную к реальному сигналу, который поступает с выхода СГ. Сигнал в виде пилы был задан при помощи генератора прямоугольного импульса путем задания малой длительности импульса относительно большого периода, малого времени нарастания и на порядок большего времени спадания.

Полученные временные диаграммы (результат работы) представлены ниже.

Рис. 4.2 ― Временная диаграмма в ORCAD (входной сигнал)

Рис. 4.3 ― Временная диаграмма в ORCAD (выходной сигнал)

Исходя из результатов, можно сделать вывод, что промоделированный участок схемы функционирует правильно, так как результат подтвердил работоспособность одновибратора.

5.     

5. РАЗРАБОТКА ПЕЧАТНОЙ ПЛАТЫ УСТРОЙСТВА

5.1     Разработка посадочных мест

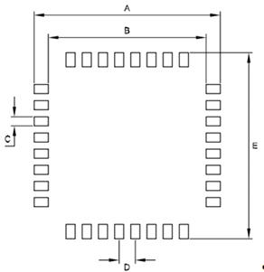
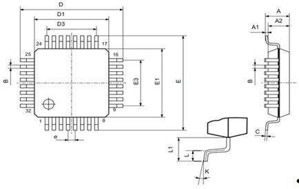
Тип корпуса: TQFP32.

Рис. 5.1 ― Корпус TQFP32

Таблица 5.1 ― Размеры для корпуса TQFP32


Рис. 5.2 ― Посадочное место для корпуса TQFP32

Таблица 5.2 ― Размеры для посадочного места для корпуса TQFP32


В вышерассмотренном типе корпуса реализована микросхема Atmega8.

Тип корпуса: SO14.

Рис. 5.3 ― Корпус SO14

Таблица 5.3 ― Размеры для корпуса SO14



Рис. 5.4 ― Посадочное место для корпуса SO14

Таблица 5.4 ― Размеры для посадочного места для корпуса SO14


В вышерассмотренном типе корпуса реализована микросхема HEF4011B.

Тип корпуса: 8-pin μMAX.

Рис. 5.5 ― Корпус 8-pin μMAX

Таблица 5.5 ― Размеры для корпуса 8-pin μMAX



Рис. 5.6 ― Посадочное место для корпуса 8-pin μMAX

В вышерассмотренном типе корпуса реализована микросхема MAX1674.

Тип корпуса: СБМ 20.

Рис. 5.7 ― Корпус СБМ 20

Рис. 5.8 ― Посадочное место для корпуса СБМ 20

В вышерассмотренном типе корпуса реализован СГ СБМ 20.

Посадочное место для разъема: PLS-15.

Рис. 5.9 ― Разъем PLS-15

Рис. 5.10 ― Посадочное место для разъема PLS-15

Посадочное место для трансформатора.

Рис. 5.11 ― Посадочное место для трансформатора

5.2   

5.3     Выбор и обоснование типа и формы печатной платы

Произведем выбор типа ПП среди возможных вариантов, а именно:

·        односторонние ПП (ОПП);

·        двусторонние ПП (ДПП);

·        многослойные ПП (МПП);

·        гибкие ПП (ГПП).

К преимуществам ОПП можно отнести простоту и экономичность изготовления, также они обеспечивают возможность выполнения проводящего рисунка с повышенной точностью, позволяют осуществлять установку навесных элементов на поверхность платы со стороны, противоположной пайке, без дополнительной изоляции. Однако ОПП при данном количестве компонентов будет иметь большие размеры и вызовет проблемы при трассировке, также ОПП имеют низкую механическую прочность и низкую надежность.

ДПП имеют высокую трассировочную способность, обеспечивают высокую плотность монтажа, имеют хорошую механическую прочность и, при этом, требуют на изготовление относительно невысокие расходы.

Технология изготовления МПП требует больших затрат, что неизбежно повлечет за собой возрастание цены прибора, что является не желательным при конструировании ПП изготовляемого устройства.

ГПП состоит из медной фольги, клея и гибкой изоляционной пленки на основе полиимида. ГПП применяются в изделиях, у которых жесткие ограничения на объем и массу. Способность изгибаться более чем в одной плоскости. Для ГПП характерны такие свойства, как компактность, высокая надежность и высокая ударная прочность. Однако есть и существенные недостатки, а именно: применение дорогих материалов для их изготовления, трудно обеспечить высокие электрические характеристики печатного монтажа.[6]

Исходя из вышеизложенного анализа типов ПП, можно сделать вывод, что наиболее оптимальным выбором будет ДПП. Так как применение этого типа ПП позволяет облегчить трассировку соединений, компактнее разместить элементы, а значит рационально использовать площадь печатной платы. Также она обеспечивает повышенную прочность соединения выводов навесного элемента с проводящим рисунком платы.

Исходя из количества и размещения элементов на схеме, наиболее оптимальной формой для данной ПП будет прямоугольная, с соотношением сторон 4:3.

5.4     Выбор и обоснование материала печатной платы

Материал, который будет применяться в качестве основы для ПП, должен обладать высокими электроизоляционными свойствами, иметь достаточную механическую стойкость и быть устойчивым к механическим воздействиям. Эти критерии удовлетворяют такие электротехнические материалы, как стеклотекстолит, фторопластовая пленка, керамика и другие.

Основными материалами для изготовления ДПП являются гетинакс и стеклотекстолит. Стеклотекстолит ― спрессованные слои стеклотканей, пропитанные эпоксидной смолой. Гетинакс ― спрессованные слои электроизоляционной бумаги, пропитанные фенольной смолой. Оба материала имеют малую водопроницаемость, большое поверхностное сопротивление.

В качестве материала для изготовления проектируемой печатной платы выбираем стеклотекстолит фольгированный СФ-2-35-1,5 ГОСТ 10316-78, так как стеклотекстолит превосходит гетинакс по всем электрическим и механическим параметрам и уступает по экономическим показателям. Поскольку в техническом задании экономические показатели изготовления данного устройства не оговорены, то этот критерий является менее важным, чем электромеханические параметры.

Приведем значения электрических характеристик стеклотекстолита фольгированного СФ-2-35-1,5:

·        удельное поверхностное сопротивление: 1,0∙1012 Ом;

·        удельное объемное сопротивление: 1,0∙1011 Ом·м;

·        тангенс угла диэлектрических потерь при частоте 1МГц: 0,025;

·        диапазон рабочих температур: (-60…+155) °С;

·        диэлектрическая проницаемость при частоте 1 МГц: ε = 6,0.

5.5     Выбор и обоснование класса точности печатной платы

По точности изготовления элементов печатного монтажа ПП делят на 5 классов. Наименьшие номинальные значения основных размеров элементов конструкции ПП в зависимости от классов точности приведены ниже в таблице по ГОСТ 23751-86.

Таблица 5.6 ― Основные параметры и размеры ПП

Класс точности

Минимальная ширина проводника, мм

Расстояние между краями соседних элементов, мм

Гарантийный поясок, мм

γ

1

0,75

0,75

0,3

0,4

2

0,45

0,45

0,2

3

0,25

0,25

0,1

0,33

4

0,15

0,15

0,05

0,25

5

0,1

0,1

0,025

0,2

Примечание. γ ― отношение номинального значения диаметра наименьшего из металлизированных отверстий к толщине ПП[6]

Платы первого и второго классов характеризуются простотой исполнения, низкой стоимостью, высокой надежностью, но имеют большие габариты. Печатные платы остальных классов точности отличаются высокой плотностью монтажа, применением дорогостоящих технологий и высококачественных материалов при своем изготовлении, высокой ценой и трудоемкостью производства.

ПП 3-гo класса ― наиболее распространенные, поскольку, с одной стороны, обеспечивают достаточно высокую плотность трассировки и монтажа, а с другой - для их производства требуется рядовое, хотя и специализированное, оборудование.

ПП 4-го класса выпускаются на высокоточном оборудовании, но требования к материалам, оборудованию и помещениям ниже, чем для пятого класса.

Изготовление ПП 5-гo класса требует применения уникального высокоточного оборудования, специальных (как правило, дорогих) материалов, безусадочной фотопленки и даже создания в производственных помещениях «чистой зоны» с термостатированием. Таким требованиям отвечает далеко не каждое производство. Но ПП небольшого размера могут выполняться по пятому классу на оборудовании, обеспечивающем получение плат четвертого класса.

Разрабатываемое устройство должно иметь достаточно малые габариты, обладать высокой надежностью. Для конструируемой ПП выбираем 3-ий класс точности, так как он обеспечивает достаточную плотность трассировки и монтажа с учетом необходимых габаритов устройства и при этом для реализации не требует высокоточного оборудования, которое является достаточно дорогим.

5.6    

Похожие работы на - Разработка устройства для измерения радиационного излучения

 

Не нашли материал для своей работы?
Поможем написать уникальную работу
Без плагиата!
Без нейросетей!