Проектирование приборов времени

  • Вид работы:
    Курсовая работа (т)
  • Предмет:
    Информатика, ВТ, телекоммуникации
  • Язык:
    Русский
    ,
    Формат файла:
    MS Word
    450,23 Кб
  • Опубликовано:
    2014-03-31
Вы можете узнать стоимость помощи в написании студенческой работы.
Помощь в написании работы, которую точно примут!

Проектирование приборов времени

Министерство образования и науки РФ

Снежинский физико-технический институт -

Филиал Федерального государственного автономного образовательного учреждения

высшего профессионального образования

"Национальный исследовательский ядерный университет "МИФИ"

(СФТИ НИЯУ МИФИ)

Кафедра Технологии машиностроения





Курсовая работа

Проектирование часового механизма


Группа: ПБ40Д

Студент: Шрейдер А.А.

Преподаватель: Румянцев П.О.





Снежинск

Содержание

Введение

. Кинематический расчет

. Определение основных размеров барабана

. Плоскостная планировка часового механизма

. Стрелочный механизм и механизм завода пружины и перевода стрелок

.1 Стрелочный механизм

.2 Механизм завода пружины и перевода стрелок

. Построение неравноплечего швейцарского хода

. Применяемые материалы

. Применяемые опоры

. Градусник

. Предохранительное устройство

Заключение

Список используемой литературы

Приложения

Введение

В данной курсовой работе предстоит спроектировать часовой механизм с целью закрепления теоретических сведений, полученных при прослушивании курса лекций, и получения практических навыков проектирования механизмов малогабаритных часов бытового назначения.

Основанием для проектирования являются исходные данные (вариант 26):=24 мм - калибр часовx=38 - заданная продолжительность хода часов от одного завода двигателяоб=5 - число оборотов барабана за время tx=0,4с - период колебаний осциллятораx=15 - число зубьев ходового колеса

Высота механизма С - не более 3,5 мм

Тип часового механизма: наручные с боковой секундной стрелкой

Тип хода: швейцарский полуравноплечий

Рассмотрим кинематическую схему часов с боковой секундной стрелкой (рисунок 1) [1]. Введем следующие обозначения основной зубчатой передачи часов и числа зубьев колёс и трибов:1 и z'1 - барабанное колесо и центральный триб;2 и z'2 - центральное колесо и промежуточный триб;3 и z'3 - промежуточное колесо и секундный триб;4 и z'4 - секундное колесо и ходовой (анкерный) триб.

Рисунок 1 - Кинематическая схема механических часов с боковой секундной стрелкой.

Через z1, z'1, z2, z'2 и т.д. будем обозначать также числа зубьев колёс и трибов.

Триб минутной стрелки z5 стрелочного механизма фрикционно посажен на центральную ось. Этот триб вращает переводное колесо z'5, с которым жестко соединен переводной триб z6. Переводной триб вращает часовое колесо z'6, свободно посаженное на втулку триба минутной стрелки. Часовая и минутная стрелки посажены на втулку часового колеса и на втулку триба минутной стрелки соответственно.

На цилиндрической шейке заводного валика свободно посажен заводной триб z9, а на квадратной части валика - кулачковая муфта 1, которая в показанном положении сцеплена с заводным трибом z9. Для перевода стрелок необходимо заводную головку 2 оттянуть до упора. При этом рычажная система (на рисунке 1 не показана) выводит кулачковую муфту из зацепления с заводным трибом и вводит ее в зацепление с трибом z7.

Данная схема основной передачи часов имеет самый высокий коэффициент полезного действия, и её часто называют классической схемой. Она применяется в наручных и карманных часах с боковой секундной стрелкой. Имея все необходимые данные приступим к расчету и составлению кинематической схемы часов.

1. Кинематический расчет

Находим передаточное отношение барабан - центральный триб


Передаточное отношение центральное колесо - секундный триб


Скорость вращения ходового колеса

.

Отсюда передаточное отношение секундное колесо - триб ходового колеса


Передаточное отношение центральное колесо - триб ходового колеса


Общее передаточное отношение механизма от заводного барабана до триба ходового колеса


Для часов с односуточной продолжительностью хода рекомендуется принимать

;

Тогда


Передаточное отношение i2=60 можно осуществить двумя парами колёс с близкими между собой передаточными отношениями

,

Пусть


Тогда


Тогда


Передаточное отношение i4=600 принято считать неизменным для всех анкерных ходов с периодом колебаний Т=0,4 с, независимо от того, имеется ли секундная стрелка или она отсутствует. В последнем случае условие i3=10 не является обязательным.

Таким образом, получаем основные параметры зубчатых передач в таблице 1

Таблица 1. Основные параметры зубчатых передач

Число зубьев колес

Число зубьев трибов

1

76

10

2

75

10

3

64

8

4

60

6

2. Определение основных размеров барабана

Конструкция часов характеризуется, прежде всего, габаритными размерами механизма и в первую очередь площадью платины. Платина - это основание часового механизма, на ней монтируются с помощью мостов все основные детали и сборочные единицы механизма. Платина в сборе с мостами называется комплектом.

Модуль зацепления

 мм

По таблице значений модулей по ГОСТ 13678-73, находим минимальный ближайший модуль

мм

Определяем радиус расточки барабана


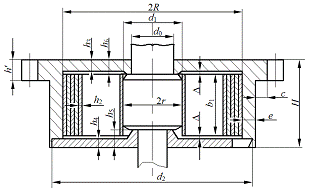
Остальные размеры пружинных двигателей для малогабаритных часов (рисунок 2) могут быть получены с помощью их предельных значений, указанных в таблице 2 [4].

Значение h' должно быть больше той величины, которая получается путем расчёта на прочность первой зубчатой пары. В предварительных расчётах, как показывает практика, значение этого параметра может быть определено по формуле

h'=kD,

где k=0,03¸0,04, D - наружный диаметр зучатого венца барабана.

Таблица 2. Основные размеры барабана

Обозначение

Расчетные формулы

Значение, мм

r

(0,26¸0,43)×R

1,492

d0

(0,27¸0,38)×R

1,404

d1

(0,50¸0,55)×R

2,282

d2

(2,10¸2,16)×R

9,35

h'

kD

0,359

h2

(0,02¸0,03)×R

0,109

h3

(0,04¸0,08)×R

0,263

h4

(0,04¸0,10)×R

0,307

h5

(0,12¸0,15)×R

0,615

h6

(0,10¸0,15)×R

0,526

f

(0,01¸0,03)×R

0,087

e

(0,06¸0,09)×R

0,351

b1

Н-(2Δ+h3+h4)

1,392

Δ

0,069

H

(В зависимости от высоты механизма С)=0,6*С

2,1


Рисунок 2. Основные размеры барабана.

Положение зубчатого венца на барабане может быть произвольным. Целесообразно его размещать в середине. Тогда усилие, возникающее в зацеплении, будет равномерно распределяться на обе цапфы вала.

3. Плоскостная планировка часового механизма

Используем метод для расчета колес и трибов, по которому модули всех зубчатых пар основной передачи определяют по модулю первой зубчатой пары барабан - триб центрального колеса через коэффициент измельчения ε, под которым подразумевается отношение модуля последующей пары к модулю предыдущей.

Определим модуль зацепления и диаметры начальной, выступов и впадин окружностей колёс и трибов основной передачи, если m1 = 0,145 мм, ε ≈ 0,9. Числа зубьев колёс и трибов берутся из таблицы 1.

. Определяем диаметры окружностей колеса и триба первой пары зацепления барабан - центральный триб:

D1t=z1·m1 = 76·0,130=9,88 мм; d1t =z¢1·m1=10·0,13=1,3 мм;=(z1+3)·m1=79·0,130=10,27 мм; d=(z¢1+2)·m1=12*0,13=1,56 мм;=(z1-3)·m1==73*0,13=9,49 мм; d=(z¢1-3,8)·m1=·0,13=0,806 мм.

Межосевое расстояние первой пары


Затем определяем модули зацепления остальных пар основной передачи с учетом таблицы стандартных модулей:

центральное колесо - промежуточный триб:

2 = ε m1 = 0,9·0,130 = 0,120 мм;

промежуточное колесо - секундный триб:

m3 = ε m2 = 0,9·0,120 = 0,115 мм;

секундное колесо - триб ходового колеса:

4 = ε m3 = 0,9·0,115 = 0,110 мм.

. Определяем диаметры окружностей колеса и триба второй пары зацепления центральное колесо - промежуточный триб:

2t=z2·m2 = 75·0,12=9 мм; d2t =z¢2·m2=10·0,12=1,2 мм;

D=(z2+3)·m2=78·0,12=9,36 мм; d=(z¢2+2)·m2=12*0,12=1,44 мм;=(z2-3)·m2==72*0,1=8,64 мм; d=(z¢2-3,8)·m2=6,2·0,12=0,744 мм.

Межосевое расстояние второй пары


. Определяем диаметры окружностей колеса и триба третьей пары зацепления промежуточное колесо - секундный триб:

D3t=z3·m3 = 64·0,115=7,36 мм; d3t =z¢3·m3=8·0,115=0,92 мм;=(z3+3)·m3=67·0,115=7,705 мм; d=(z¢3+2)·m3=10*0,115=1,15 мм;=(z3-3)·m3==61*0,115=7,015 мм;         d=(z¢3-3,8)·m3=4,2·0,115=0,483 мм.

Межосевое расстояние третьей пары

4. Определяем диаметры окружностей колеса и триба четвертой пары зацепления секундное колесо - триб ходового колеса:

D4t=z4·m4 = 60·0,110=6,6 мм; d4t =z¢4·m4=6·0,110=0,66 мм;=(z4+3)·m4=63·0,110=6,93 мм; d=(z¢4+2)·m4=8·0,110=0,88 мм;=(z4-3)·m4==57*0,110=6,27 мм; d=(z¢4-3,8)·m4=2,2·0,110=0,242 мм.

Межосевое расстояние четвертой пары


Компоновка механизма производится после того, как выполнен кинематический расчёт и определены размеры колёс и трибов. При выполнении компоновки механизма необходимо так располагать колеса и трибы на осях, а оси их на платине механизма, чтобы давление в подшипниках было минимальным [4]. Однако при выполнении плоскостной планировки механизма часов это требование не удается выполнить в полной мере из-за того, что некоторые оси колёс должны занимать вполне определенное положение. Так, в случае цилиндрической (дисковой) формы платины ось вращения часовой и минутной стрелок обычно помещается в центре платины.

Компоновку механизма выполним в увеличенном масштабе 15:1.

Рассмотрим плоскостную планировку наручных часов с боковой секундной стрелкой (рисунок 3). Здесь цифрами I, II, …, VIII обозначены центры вращения барабана, центрального, промежуточного, секундного и ходового колёс, а также центры вращения вилки, баланса и заводного колеса.

Движение от барабана z1 передается через центральный триб z¢1 и центральное колесо z2 на промежуточный триб z¢2, затем через промежуточное колесо z3 - на секундный триб z¢3, который установлен на отдельно оси.. Секундное колесо z4, установленное жестко на трибе z¢3, передает движение на ходовой триб z¢4 и ходовое колесо zх и, наконец, через вилку - на баланс.

Рисунок 3 - Схема плоскостной планировки наручных часов.

1=0,42*D=10,08 мм1=0,25*D=6 мм

Положение промежуточного колеса z10 (VIII) не связано с диаметром барабана z1 и его выбирают в зависимости от размера H1, определяющего положение заводного триба z9 в вырезе платины. Желательно увеличение размера H1, что при выбранном отношении z10/z11 позволяет увеличить размеры колёс, а главное увеличить размеры деталей заводного механизма, из которых наиболее сложной в изготовлении является кулачковая муфта.

Весьма важным является размещение на платине центров вращения ходового колеса, вилки и баланса (V, VI, VII). В случае дисковой формы платины обычно применяют прямую вилку, когда все указанные точки располагаются на одной прямой. Расстояние между точками (V), (VI) и (VII), а также размеры деталей спускового регулятора выбирают в зависимости от диаметра платины, используя следующие соотношения:


где dx - диаметр действующей окружности ходового колеса;

D- калибр механизма- расстояние между осями ходового колеса и баланса;б - диаметр внешней окружности баланса (с винтами).

x = (0,18 ч 0,2)·24 = 0,2*24=4,48 мм,= dx/0,8=4,48/0,8=6 ммб= dx/0,42=10,6 мм

В большинстве случаев в основном механизме часов предусматривается пять

мостов, а именно: мост барабана или заводного механизма; мост центрального, промежуточного и секундного колёс; мост ходового колеса; мост вилки и мост баланса, но в наручных часах применяют четыре моста (рисунок 3).

Одновременно с плоскостной планировкой механизма выполняют его пространственную компоновку, назначение которой состоит в выборе оптимального расположения деталей и узлов часов по высоте механизма.

4. Стрелочный механизм и механизм завода пружины и перевода стрелок

.1 Стрелочный механизм

Стрелочный механизм, состоящий обычно из двух пар зубчатых колёс, служит для передачи движения от центрального триба к часовому колесу, на втулке которого насажена часовая стрелка. Минутная стрелка размещается на уступе минутного триба, который в свою очередь фрикционно соединяется с осью центрального триба.

Наиболее распространенные варианты чисел зубьев трибов и колёс стрелочного механизма представлены в таблице.

Таблица 3. Варианты чисел зубьев трибов и колес стрелочного механизма

Вариант

1-я зубчатая пара

2-я зубчатая пара


z5

5

z6

6

1

10

30

8

32

2

12

32

36

3

15

40

10

45

4

15

45

12

48


Берем №1


Межцентровое расстояние А зависит от габаритов часов и выбирается в известной мере произвольно. Ориентировочно можно принять А ≈ 0,12D

Модуль зацепления стрелочного механизма можно найти как

мм (сразу округляем до ближайшего стандартного).

Определяем диаметры окружностей колеса и триба пятой пары зацепления:

D5t=z5·m5 = 10·0,144=1,44 мм;         d5t =z¢5·m5=30·0,144=4,32 мм;=(z5+3)·m5=13·0,144= 1,82 мм;                                                     d=(z¢5+2)·m5=32·0,144=4,608 мм;=(z5-3)·m5==7*0,144=1,008 мм;         d=(z¢5-3,8)·m5=26,2·0,144=3,772мм.

Межосевое расстояние пятой пары


Определяем диаметры окружностей колеса и триба шестой пары зацепления:

D6t=z6·m6 = 8·0,144=1,152 мм; d6t =z¢6·m6=32·0,144=4,608 мм;=(z6+3)·m6=11·0,144=1,584 мм; d=(z¢6+2)·m6=34·0,144=4,89 мм;=(z6-3)·m6==5*0,144=0,72 мм; d=(z¢6-3,8)·m6=28,2·0,144=4,06 мм.

Межосевое расстояние шестой пары

4.2 Механизм завода пружины и перевода стрелок

В наручных и карманных часах современных конструкций завод пружины и перевод стрелок осуществляют с помощью заводной головки. На заводном валике 1 свободно посажен заводной триб z9, находящийся в постоянном зацеплении цилиндрическими модульными зубьями с заводным колесом z10 и торцовыми зубьями косоугольной формы с кулачковой муфтой 3.

Кулачковая муфта выходит из зацепления с заводным трибом в момент перевода стрелок. Муфта имеет квадратное отверстие и может перемещаться в осевом направлении. На другом конце она имеет модульные зубья z8, которыми она сцепляется с трибом z7 во время перевода стрелок

Рисунок 4 - Схемы к определению глубины зацепления:

а) заводного триба z9 и промежуточного колеса z10; б) кулачковой муфты z8 и переводного триба z7.

1        Определяем параметры заводного триба z9. Задавшись модулем этого триба m9 в 0,2 мм, находим число зубьев триба z9 так, чтобы диаметр окружности выступов его был меньше высоты механизма С=3,5 мм. То есть, z9 £ C/m9 - 2

9=3,5/0,2-2=15,5. Z9=15; d9= Z9*0,2=3,3 мм < C=3,5 мм

Определяем глубину зацепления в осевом а и радиальном b направлениях (рисунок 4, а) цилиндрических зубьев заводного триба и промежуточного колеса z10. Рекомендуется выбирать a = 2,8·m9=0,56 мм, b = 2,4·m9=0,48 мм.

         Задавшись числом зубьев заводного колеса z11=45 и числом зубьев промежуточного колеса z10=28, находим положение центров осей (VIII) и (I) (выполняя одновременно плоскостную планировку механизма). Находим диаметры колёс z10 и z11, учитывая, что их модули равны модулю триба z9.

D10t=z10·m9 =28·0,2=5,6 мм; D11t =z11·m9= 45*0,2·=9 мм;10н=(z10+3)·m9=31*0,2=6,2 мм; D11н=(z11+3)·m9= 48*0,2=9,6 мм;10в=(z10-3)·m9=25*0,2=5 мм; D11в=(z11-3)·m9=42*0,2=8,4 мм.

3        Находим диаметры триба z7. Задавшись расстоянием между центрами осей (IX) и (X) несколько большим, чем расстояние А между центрами осей II и IX, найдем число зубьев триба z7.


Отсюда z7=11

Модуль его равен модулю m6 пар зацепления стрелочного механизма

7=0,144 мм7t=z7·m7 = 11·0,144=1,584 мм;=(z7+2)·m7=13·0,144=1,872 мм;=(z7-3,8)·m7==7,2*0,144=1,036 мм;

Задавшись числом торцовых зубьев z8=13 кулачковой муфты, определяем наружный диаметр муфты

а = z8·m5=13*0,144=1,79 мм;

4        Определяем глубину зацепления в осевом а¢ и радиальном b¢ направлениях (рисунок 4, б) торцовых зубьев кулачковой муфты и цилиндрических зубьев переводного триба.

а¢=2,4m5=0,144*2,4=0;345 b¢=2·m5=2*0,144=0,288 мм.

Высота торцовых зубьев

= 2,8·m5=2,8*0,144=0,403 мм,

а длина

= 2,25*m5=0,324 мм.

5. Построение неравноплечего швейцарского хода

Исходные данные:x=15 - число зубьев ходового колеса

угол обхвата 2α=60°

угол подъема вилки θ1=10°

угол подъема баланса θ2=45°

угол потерянного пути ξ=0°30'

угол падения ходового колеса δп=2°

угол покоя γп=2°

радиус действующей окружности ходового колеса Rx=2,4 мм

Проводим оси координат XOY и из точки О в выбранном масштабе вычерчиваем действующую окружность ходового колеса радиусом R. Симметрично по обе стороны от оси OY откладываем угол обхвата 2α0=60° и получаем лучи Оа и Оа1, которые пересекают действующую окружность ходового колеса в точках А и А1 .

Через точки А и А1 проводим касательные к действующей окружности O1b и О1b1, которые пересекаются на оси OY в точке O1 - центре вращения вилки. Определяем расстояние между центрами вращения ходового колеса и вилки

l=R/cosα0=2,4/cos30=2,77 мм.

Половина шага ходового колеса (12°) состоит из суммы трех углов: угловой ширины палеты jп, угловой ширины зуба jх и угла падения δп, т.е.

jп + jх + δп = 12°.

Поэтому

jп + jх = 12° - δп = 10°.

Обычно jп > jх , поэтому принимаем jп = 5°30¢ ¸ 7°0¢, а jх = 3°0¢ ¸ 4°30¢.

Для построения полуравноплечего хода влево от лучей Оа и Оа1 откладываем угол ε = jп/4, а вправо от этих лучей откладываем угол jп-ε = (3/4)·jп. Получаем лучи, пересекающие действующую окружность ходового колеса в точках В, С, В1 и С1. Из центра вращения вилки О1 радиусом О1В1 и О1В проводим внутренние палетные окружности входной палеты t1t1 и выходной палеты tt, а радиусами О1С1 и О1С - внешние палетные окружности s1s1 и ss.

От отрезка ОС вправо откладываем угловую ширину зуба ходового колеса jх и получаем луч Od, пересекающий действующую окружность ходового колеса в точке D. Из центра вращения вилки и через эту точку проводим луч О1с.

От луча О1b вверх откладываем суммарный угол импульса на зубе и палете (θ1 - γn). Луч О1e, ограничивающий этот угол сверху, пересекает внутреннюю палетную окружность в точке Е. Соединяем точки Е и D прямой и проводим луч О1f из центра О1 через точку F, в которой пересекаются прямая ED с внешней палетной окружностью. Получаем угол импульса на выходной палете еО1f = λn и угол импульса на зубе 1С =λх. Из центра вращения ходового колеса радиусом Rв =OF проводим внешнюю окружность ходового колеса.

Отрезки EF и FD представляют собой проекции плоскости импульса выходной палеты и зуба ходового колеса на плоскость чертежа. Указанный способ построения (графического определения) углов импульса зуба и выходной палеты обеспечивает правильное взаимодействие плоскостей импульса палет с зубьями ходового колеса, так как в процессе передачи импульса по палете зуб скользит своим острием по плоскости импульса палеты, а угол (d0) между плоскостями импульса зуба и палеты остается больше нуля. Лишь в конце импульса зуба по выходной палете δ0 = 0.

Из точек G1 и Е к лучам О1е1 и О1е восстанавливаем перпендикуляры G1h1 и Eh, от них вправо откладываем углы притяжки на входной и выходной палетах: τвх = 14°; τвых = 10°. Получаем прямые G1i1 и Ei, ограничивающие плоскости покоя палет. Ширина палет ограничена прямыми Fj и F1j1, которые параллельны прямым Ei и G1i1. Обычно ширина входной палеты не равна ширине выходной, в особенности в неравноплечем ходе. Длина палеты выбирается в 3ч3,5 раза больше ее ширины, определяемой из построения. Контур вилки очерчивается, исходя из требований необходимой прочности, технологичности и минимального момента инерции.

От точки D действующую окружность ходового колеса делим на zх частей и заканчиваем построение зубьев. Чтобы зуб ходового колеса касался плоскости покоя палет только своим острием, необходимо поднутрить переднюю плоскость (грань) зуба. С этой целью через острие зуба 2, т.е. через точку D1 проводим прямую D1n1 под углом β = 2ч3° к плоскости покоя входной палеты. К прямой D1n1, как к касательной строим вспомогательную окружность n1n1, которую используем для построения передних и задних плоскостей зубьев ходового колеса.

Остальные данные для построения ходового колеса принимаем из следующих конструктивных соотношений:

d2=(0,4ч0,5)R=1,08 мм=0,2R=0,48 мм1=b2=(0,05ч0,06)R=0,132 мм3=1,2b2=0,158 мм

В заключение находим расстояние между центрами вращения вилки и баланса (L - l). OO2=3,22 мм

Для построения вилки необходимы следующие величины: расстояние между центрами вилки и баланса (L - l); угол подъёма вилки θ1; угол подъема баланса θ2 = 45ч50°; угол предохранения η = (1ч1,5°) и угол потерянного пути εп=0°30¢.

Построение вилки с двойной ролькой (рисунок 17) продолжаем в том же масштабе, что и построение вилки с ходовым колесом. На оси OY отмечаем центры вращения вилки О1 и баланса О2 , расстояние между которыми (L-l) определено из предыдущего построения вилки и колеса.

Симметрично по обе стороны от оси OY из точки O1 откладываем угол подъема вилки θ1 такой же величины, какой он был принят при построении вилки и колеса. Получим лучи О1а2 и О1а3 . Из точки О2 также откладываем угол подъема баланса θ2 и получаем лучи О2b2 и О2b3 . Через точки А2 и А3 пересечения этих лучей из точки О1 проводим дугу S2S2, радиус которой rb называют действующей длиной вилки. Из точки О2 через те же точки радиусом ru проводим действующую окружность импульсной рольки. Из той же точки проводим окружность предохранительной рольки, радиус которой принимаем

n ≈ (0,6ч0,8)ru =0,495 мм.

Диаметр импульсного камня (эллипса) d2 можно ориентировочно определить, если принять, что его ширина составляет половину угла подъема вилки. Паз вилки построен симметрично относительно оси хвостовика ее О1а2 и ограничен параллельными линиями, пересекающими действующую окружность вилки в точках K и Q. Зазор эллипса в пазу вилки d¢2 приблизительно равен удвоенному радиальному зазору цапф вилки в подшипниках. Глубину паза вилки принимают такой, чтобы импульсный камень в положении равновесия свободно проходил, не касаясь основания. Импульсный камень срезан по дуге окружности, проведенной из точки О2 так, чтобы высоты h2 ≈ (2/3)d2 .

От луча О1а2 откладываем вправо угол предохранения η=1ч1,5° (при этом необходимо помнить, что полный угловой зазор в копье η¢=η+εn должен быть меньше угла покоя γn) и проводим луч О1с2 , пересекающий окружность предохранительной рольки в точке С2 . Через эту точку проводим дугу S3S3 , являющуюся траекторией перемещения острия копья. В точке А4, находящейся на пересечении дуги S3S3 с лучом О1а2, будет находиться острие копья в рассматриваемом положении вилки.

Угол заострения копья принимают приближенно равным 90°ч100°. Из точки В2 , находящейся на пересечении окружности предохранительной рольки с лучом О2b2 проводим дугу выемки предохранительной рольки радиусом приближенно равным (0,5ч0,6)d2 .

Для построения рожков вилки из центра вращения вилки О1 через центр вращения баланса О2 проводим дугу S4S4 и из точек K и Q радиусом r4 делаем засечки на этой дуге. Из полученных точек m и n тем же радиусом описываем дугу рожек, длина которых может составлять (0,75ч1,25)d2 . Снаружи рожки могут быть ограничены кривой произвольной формы. Контур вилки очерчивают, исходя из конструктивных соображений, руководствуясь требованием минимального момента инерции ее, и технологичности изготовления.

Ограниченные штифты располагают на дуге S5S5 радиуса r¢b , который принимают r¢b≈(2/3)rb . Через точку пересечения дуги S4S4 с контуром вилки проводим прямую О1t2 и от нее слева под углом εn - прямую О1t3 . Затем из точки О3 проводим окружность штифта диаметром d1, касающуюся луча О1t3. Центр правого ограничительного штифта расположен симметрично относительно линии центров в точке О4.

6. Применяемые материалы

Таблица 4. Материалы, применяемые в приборах времени

Материал

Характеристика

Область применения

1

2

3

Черные металлы и их сплавы

У7АВ

Хорошо обрабатывается резанием. Имеет повышенную хрупкость и недостаточную коррозионную стойкость. Детали подвергаются закалке.

Трибы, оси, винты, валы, кулачковые муфты, заводные трибы, колеса заводного механизма, фиксирующие штифты пружин.

Сплавы цветных металлов

Латунь ЛС63-3

Достаточно твердая. Хорошо обрабатывается резанием, шлифованием и полированием.

Платины, мосты, колеса основной зубчатой передачи, баланс, двойная ролька, колеса стрелочного механизма.

Нейзильбер МНЦС63-17-18-2

Сплав меди, никеля, цинка и свинца. Тверже латуни, более вязок, хуже обрабатывается резанием, но более коррозионностойкий.

Корпуса наручных часов, ободы балансов.

Специальные сплавы с особыми физическими свойствами

40КТЮ, 40КНХТ

Немагнитные сплавы. Имеют повышенную антикоррозионную стойкость.

Заводные пружины наручных часов, камертоны.

Неметаллические материалы

Дакрил-Ч

Полимер литьевой.

Применяется для изготовления часовых стекол методом литья под давлением.

Клеевые соединения

Клей К-300-61

Герметичен, коррозионностоек, виброустойчив, высокие электроизоляционные параметры, теплостойкий. Не вызывает потемнения серебра, цинка, меди и других металлов. Не изменяет характеристик кварцевых пластин. Не требует высокого давления при склеивании.

Для склеивания металлических и неметаллических деталей, а также различных их соединений.

Смазочные материалы и часовые масла

МПБ-12

Характеристика по ГОСТ 7935-74.

Для баланса и палет в наручных и карманных часах.


7. Применяемые опоры

Опоры в приборах времени обеспечивают вращательное или качательное движение подвижных деталей и сборочных единиц, например, валов и осей, поддерживают вращающиеся детали в требуемом положении и воспринимают действующие на них нагрузки.

К опорам, применяемым в приборах времени, предъявляются следующие основные требования:

1) минимальные потери на трение;

2) стабильность трения во времени;

3) точность направления движения;

4) износостойкость в заданных условиях эксплуатации и ресурса работы;

5) малые габаритные размеры;

6) низкая стоимость.

В часовых механизмах в качестве опор для осей и трибов валиков и трущихся поверхностей других деталей применяют технологические камни, изготовляемые из синтетического корунда (рубина-10 по ГОСТ 22029-76 "Корунд синтетический. Рубин-10. Технические условия." или лейкосапфира по ГОСТ 22028-76). Из всех минералов и металлов рубин в паре со сталью имеет наименьший коэффициент трения: при трении без смазочного материала f=0,25 ¸ 0,40; со смазкой f=0,12 ¸ 0,15. Синтетический корунд представляет собой монокристаллы окиси алюминия Al2O3.

Применение камневых опор в часовых механизмах повышает их точность и долговечность благодаря высокой твердости синтетического корунда - 9 единиц по шкале Мооса (алмаз имеет 10 единиц). Синтетический корунд в сравнении с другими материалами допускает высокое давление, не вступает в химическое взаимодействие с металлом цапфы, обеспечивает сохранение физико-механических свойств смазочного материала в течение длительного времени.

В данном механизме применены опоры типа СЦ (рисунок 5) типоразмера 0718х0,30 для опор мостов и типоразмера 0712х0,25 для опор в корпусе механизма, СЦБМ (рисунок 5) типоразмера 0517х0,20 для оси анкерной вилки.

Рисунок 5 - Применяемые опоры.

8. Градусник

В наручных и карманных часах регулирование периода колебаний системы баланс-спираль осуществляют обычно изменением рабочей длины спирали, так как в этом случае не требуется остановка механизма прибора времени, а сам процесс регулирования достаточно прост. Увеличение рабочей длины спирали увеличивает период колебаний - ход часов замедляется; уменьшение рабочей длины уменьшает период колебаний - ход часов ускоряется.

В приборах времени укорочение или удлинение рабочей части спирали осуществляется специальным приспособлением, называемым градусником.

Конструкция градусника представлена на чертеже на главном виде и на разрезе Б-Б. Разрезное кольцо градусника 1 удерживается за счет трения на конической поверхности верхней накладки 2, прикрепленной к балансовому мосту 3 двумя винтами. В коротком плече градусника запрессованы два штифта 4, между которыми расположен наружный виток спирали 5. Конец внутреннего витка спирали закреплен в колодке 6, сидящей неподвижно на оси баланса, конец наружного витка - в колонке 7, расположенной в балансовом мосту 3 и закрепленной винтом 8.

В процессе колебаний баланса наружный виток прилегает к одному из штифтов 4. При этом рабочая длина спирали укорачивается, так как часть её от штифта 4 до колонки 7 из работы исключается. Рабочей частью спирали остается её длина от штифта 4 до колодки баланса. При вращении градусника штифты 4 перемещаются вдоль спирали, укорачивая или удлиняя её рабочую длину. На лицевой стороне балансового моста 3 против стрелки градусника предусматривается шкала со значками "+" и "-".

9. Предохранительное устройство

На чертеже выносным элементом А показано противоударное устройство со строго фиксированным положением оси баланса при отсутствии удара. Сквозной камень 1 закреплен в улиткообразной пружине 2. Накладной камень 3 установлен в оправку 4 и поджимается пружиной 5. При действии удара в радиальном направлении пружина 2 деформируется до момента касания утолщенной части цапфы оси баланса с накладкой 7. Действие удара в осевом направлении вызывает деформацию пружины 5 и перемещение оси баланса до момента соприкосновения с накладкой. При ударе имеет место некоторое смещение сквозного камня относительно накладного, это ухудшает условие сохранения смазки.

часы механический секундный швейцарский

В данной курсовой работе был спроектирован часовой механизм для карманных часов. Механизм имеет боковую секундную стрелку, что упрощает конструкцию часов по сравнению со схемой с центральной секундной стрелкой, но это несколько затрудняет отсчет секунд. Были получены практические навыки кинематического расчета зубчатых передач часового механизма, осуществлена плоскостная и пространственная компоновка механизма, построен швейцарский полуравноплечий анкерный ход.

Список используемой литературы

1. Проектирование приборов времени - методическое пособие №1.

. Конструктивные элементы приборов времени - методическое пособие №2

. Аксельрод З.М. Проектирование часов и часовых систем. - Л.: Машиностроение, 1981.-320 с.

. Романов А.Д. Проектирование приборов времени. - М.: Высшая школа, 1975.-220 с.

. Тарасов С.В. Приборы времени. - М.: Машиностроение, 1976.-370 с.

 

Приложение А


Таблица А1. Параметры передач

Основная передача

№ пары

Модуль, мм

Число зубьев колёс

Число зубьев трибов

1

m1=0,130

z1=76

z'1=10

2

m2=0,120

z2=75

z'2=10

3

m3=0,115

z3=64

z'3=8

4

m4=0,110

z4=60

z'4=6

Стрелочный механизм

Модуль m5, мм

1-я зубчата пара

2- я зубчата пара


z5

z'5

z6

z'6

0,144

10

30

8

32

Механизм перевода стрелок

Модуль m5, мм

Триб z7

Кулачковая муфта z8

0,144

11

13

Механизм завода пружины

Модуль m9, мм

Заводной триб z9

Промежуточное колесо z10

Заводное колесо z11

0,144

15

28

45

 

Приложение Б

 

Сводные данные построения хода

Действующий радиус ходового колеса R = 2,4 мм,

Угол охвата 2a0=60°,

*Расстояние между центрами вращения ходового колеса и вилки l=2,77 мм,

Угловая ширина паллеты jп=6°,

Угловая ширина зуба jх=3°,

Угол смещения паллет e =2°,

Угол подъема вилки q1=12°,

Угол покоя gп=2°0¢,

*Угол импульса на зубе lк=3°32’,

*Внешний радиус ходового колеса Rв=2,47мм,

Угол притяжки: входной паллеты tвх=14°, выходной паллеты tвых=10°,

Число зубьев ходового колеса zx=15,

Угол поднутрения передней грани зуба b=3°2',

Расст. между центрами вращения ходового колеса и баланса L=6мм,

Угол подъема баланса q2=45°,

*Действующая длина вилки rb=2,58мм,

*Действующий радиус импульсной рольки rи=0,707мм,

Радиус предохранительной рольки rп=0,495мм,

*Диаметр импульсного камня d2=0,135мм,

Угол предохранения h=1°,

Угол потерянного пути eп=0°30¢.

Примечание: величины, отмеченные (*) - расчётные.

Похожие работы на - Проектирование приборов времени

 

Не нашли материал для своей работы?
Поможем написать уникальную работу
Без плагиата!
Без нейросетей!