Проектирование микропроцессорного устройства

  • Вид работы:
    Курсовая работа (т)
  • Предмет:
    Информатика, ВТ, телекоммуникации
  • Язык:
    Русский
    ,
    Формат файла:
    MS Word
    155,91 Кб
  • Опубликовано:
    2014-02-09
Вы можете узнать стоимость помощи в написании студенческой работы.
Помощь в написании работы, которую точно примут!

Проектирование микропроцессорного устройства

Московский Государственный Открытый Университет












Курсовой проект

по дисциплине «ЦУ и микропроцессоры»










Москва 2005 г.

Содержание

Задание

.        Структурная схема

.        Описание внешних сигналов

.        Краткое описание микросхем

.        Программа

Литература

Задание

Спроектировать микропроцессорное устройство содержащее МП, системный контроллер, адресные буферы, ОЗУ, ПЗУ, порт ввода/вывода, адресный дешифратор.

Организовать полную дешифрацию микросхем памяти и порта.

Описать все сигналы действующие в схеме: их назначение, направление распространения и результат действия.

Кратко описать назначение и структуру микросхем составляющих схему.

Привести программу преобразующую двоичный код в код семисегментного индикатора.

1.      Структурная схема

Адреса верхнее ОЗУ лежит в диапазоне:


Нижнее ОЗУ лежит в диапазоне :


ПЗУ - 4000…7FFF


Порт - AC00…AFFF


2. Описание внешних сигналов

Внешние сигналы генератора

X1 и X2 - к этим входам подключается кварц. RESIN (Сброс)- вход принимает сигнал «Сброс», поступающий с блока ручного или автоматического сброса.

RDYIN (Готовность) - вход связан с блоком формирования сигнала «Готовность», на который от готовых к обмену внешних устройств поступают аналогичные сигналы.

STSTB - с выхода снимается строб-импульс для системного контроллера, формируемый в результате конъюнкции сигналов SYNC и F1.

SYNC - на вход поступают сигналы синхронизации от микропроцессора.

RESET - с вывода снимаются импульсы привязанные к фронту импульсов F2 сигнал «Сброс».

F1, F2 (Тактовые импульсы) - выходные сигналы тактового генератора, которые, обеспечивают синхронизацию работы всей МП-системы.

READY - с вывода снимаются импульсы привязанные к фронту импульсов F2 сигнала «Готовность».

Внешние сигналы микропроцессора

READY (Готовность) - входной сигнал, выставляемый компонентом системы и означающий его готовность (ГОТ = 1) к обмену с микропроцессором. При ГОТ = 0 работа МП приостанавливается, и он переходит в режим ожидания. Это позволяет осуществлять ввод в МП достоверной информации, уже подготовленной одним из компонентов системы, и вывод информации из МП, когда компонент готов к ее приему. Использование сигнала ГОТ позволяет осуществлять обмен данными между МП и компонентами с малым быстродействием.

WAIT (Ожидание) - выходной сигнал, который выставляет МП при сигнале ГОТ=0, переходя в режим ожидания.

RESET (Сброс) - входной сигнал, сбрасывающий в нуль внутренние регистры, счетчики и триггеры МП, в частности, счетчик команд, из-за чего выполнение программы начинается с нулевой ячейки памяти.

INT (Запрос прерывания) - входной сигнал, выставляемый периферийным (внешним) устройством, требующим обслуживания, т. е. прерывания основной программы и перехода на подпрограмму обслуживания. Вместе с этим сигналом внешнее устройство выставляет на шину данных свой трехразрядный адрес, который «вклинивается» в разряды счетчика команд. Так образуется начальный адрес подпрограммы обслуживания данного прерывания.

INTE (Разрешение прерывания) - выходной сигнал, выводится МП для указания на то, что запрос на прерывание будет принят. Разрешение и запрет прерывания осуществляются специальными командами, которые воздействуют на внутренний триггер прерывания. Если прерывания разрешены, то в стек заносится содержимое программного счетчика и ряда внутренних регистров, а в программный счетчик помещается адрес первой команды подпрограммы. После ее выполнения из стека извлекается занесенная туда информация и МП возвращается к выполнению прерванной основной программы.

HLD (Запрос захвата шин) - входной сигнал, выставляется периферийным устройством (через специальный контроллер - управляющее по программе устройство), которое для быстрого обмена с памятью, минуя МП (прямой доступ к памяти - ПДП), запрашивает самостоятельное использование шин адреса и данных.

HLDA (Подтверждение захвата шин) - выходной сигнал, которым МП информирует о переводе буферных регистров адреса и данных в высокоимпедансное состояние, т. е. об отключении от системных шин. С этого момента управление передачей информации по этим шинам осуществляет контроллер ПДП, а МП приостанавливает выполнение программы и выдает в систему только синхроимпульсы, по которым происходит обмен данными. Выход из этого состояния осуществляется при снятии сигнала ЗЗх.

DBIN (Чтение) - выходной сигнал, информирующий о том, что МП находится в состоянии приема (чтения) информации из памяти или порта ввода.

WR (Запись) - выходной сигнал, информирующий о том, что МП находится в состоянии выдачи (записи) информации в память или в порт вывода.

SYNC (Синхронизация) - выходной сигнал, указывающий на начало цикла обращения МП к памяти или к порту ввода - вывода.

F1, F2 (Тактовые импульсы) - входные сигналы, поступающие от тактового генератора и обеспечивающие синхронизацию работы всей МП-системы.

D0...D7 (шина данных) - выходные или входные сигналы, которыми передается или принимается информация в память или порт вывода.

A0...A15 (шина адреса) - выходные сигналы, которыми МП выбирает память или порт вывода для работы с ними.

Внешние сигналы контроллера

WR (Запись) - входной сигнал информирующий о том, что МП находится в состоянии выдачи (записи) информации в память или в порт вывода.

DBIN (Чтение) - входной сигнал, информирующий о том, что МП находится в состоянии приема информации из памяти или порта вывода.

HLDA (подтверждение захвата шин) - входной сигнал, которым МП информирует о переводе буферных регистров адреса и данных в высокоимпедансное состояние, т. е. об отключении от системных шин.

BUSEN - вход разрешения работы шины управления.

STSTB - вывод соединяющийся с генератором тактовых импульсов для синхронизации с МП.

INTA - выходной сигнал информирующий о том, что МП разрешил прерывание.

MEMR(чтение памяти) - выходной сигнал информирующий о том, что МП производит чтение информации из памяти.

MEMW(запись памяти) - выходной сигнал информирующий о том, что МП производит запись информации в память.

I/OR(чтение ввода) - выходной сигнал информирующий о том, что МП производит чтение информации из порта ввода.

I/OR(запись ввода) - выходной сигнал информирующий о том, что МП производит запись информации в порт ввода.

3. Краткое описание микросхем

Логическое сложение (дизъюнкция) является функцией (у) переменных (х1, х2,... ..., хn) и фиксирует наступление сложного события (у=1), если наступило хотя бы одно простое событие (x1 = 1 ИЛИ х2= 1 ... ИЛИ хn=1). Отсюда следует еще одно название рассматриваемой операции - операция ИЛИ. Элемент ИЛИ изображен на рисунке 2.

Рис. 2

Логическое отрицание (инверсия) записывается в виде у= и называется также операцией НЕ (читается «у НЕ х»). Элемент НЕ изображен на рисунке 3.

Рис. 3

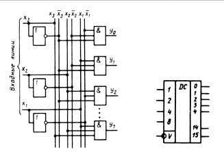
Дешифратор. Каждому цифровому коду на входах дешифратора соответствует логическая 1 (или логический 0) на соответствующем выходе. Так, на одном выходе дешифратора появляется логическая 1, а на остальных - логические 0, когда на входах устанавливается, к примеру, двоичный код десятичного числа четырех; логическая 1 на другом выходе и логические 0 на остальных появляются, когда на входах присутствует двоичный код десятичного числа пяти и т. д. Таким образом, дешифратор расшифровывает (дешифрирует), число, записанное в двоичном коде, представляя его логической 1 (логическим 0) на определенном выходе. Структура дешифратора показана на рисунке 4а, условное изображение дешифратора на рисунке 4б.

Рис. 4


Рис. 5

Запоминающие устройства (ЗУ) предназначены для хранения информации, выраженной двоичными числами. Такая информация заносится (записывается) в ЗУ и в нужные моменты из него выбирается (считывается).

Запоминающее устройство - один из основных функциональных блоков электронных вычислительных машин; в нем хранятся числа, над которыми должны быть произведены определенные действия, и числа - коды команд, определяющие характер этих действий.

Запоминающее устройство состоит из запоминающего массива и электронного обрамления. Запоминающий массив (накопитель) содержит запоминающие элементы (ЗЭ), каждый из которых может принимать состояния лог. 1 и лог. О, т. е. хранить один бит информации. В запоминающем элементе хранится один разряд записанного двоичного слова; все n-разрядное слово заносится в запоминающие элементы, составляющие ячейку памяти.

ЗУ с одноразрядной организацией. В этом случае ЗУ имеет матрицу, каждый запоминающий элемент которой выбирается дешифратором строки и дешифратором столбца. Выбранным оказывается элемент, находящийся на пересечении возбужденных линий, одна из которых принадлежит дешифратору строки, а другая - дешифратору столбца. Структура этого ЗУ показана на рисунке 6а, его условное изображение на рисунке 6б.

 

Рис. 6

Элементами ПЗУ в нашем случае являются диоды . На рис. 7а, а изображено матричное ПЗУ, состоящее из диодной матрицы и внутреннего дешифратора адреса. Горизонтальные линии матрицы - адресные; вертикальные - разрядные, с них снимаются восьмиразрядные двоичные числа, записанные в ПЗУ. Код адреса возбуждает одну из адресных линий матрицы. Диоды в ней расположены так, чтобы обеспечить соединение адресуемой линии с теми разрядными линиями, на которых нужно получить лог. 1. Условное изображение ПЗУ представлено на рис. 7б.

 

Рис. 7

Программируемый параллельный интерфейс (ППИ). ППИ (иначе- программируемый параллельный периферийный адаптер - ППА) позволяет осуществлять обмен данными в параллельном формате между МП и практически любым внешним устройством.

Порты А и В - 8-разрядные регистры всегда работают как порты (каналы) вводы-вывода. В них заносятся данные ВУ для передачи в МП или наоборот. Порты С1 и С2 содержат 4-разрядные регистры и тоже могут работать на ввод или вывод как один 8-разрядный порт, как два независимых 4-разрядных порта, а также могут обеспечивать управляющими сигналами обмен данными через порты А и В. Структура ППИ показана на рисунке 8б, условное изображение ППИ на рисунке 8а.

Рис. 8

Генератор тактовых импульсов. Основное назначение генератора тактовых импульсов (ГТИ) - формирование двух непересекающихся во времени серий положительных тактовых импульсов с определенными параметрами, и временная привязка к ним сигналов, управляющих работой микропроцессора. Условное изображение генератора тактовых импульсов приведена на рис. 9.

Рис. 9

Системный контроллер. Системный контроллер (СК) формирует шину управления (ШУ) и буферирует (умощняет) шину данных .

В начале каждого машинного цикла соответствующее его типу слово состояния (СС) МП по шине данных D1...DO загружается в регистр СК и «защелкивается» в нем. Сочетания сигналов МП «Чтение» (Чт) и «Запись» (Зп) с значением соответствующих бит этого слова, реализуемые конъюнкторами, позволяют вместо общего сигнала «Чтение» иметь сигналы «Чтение ЗУ» и «Чтение ВУ» и вместо сигнала «Запись» - сигналы «Запись ЗУ» и «Запись ВУ». Условное изображение системного контроллера приведена на рис. 10.

Рис. 10

Буфер. - умощняет первые или последние 8 бит информации шины адреса. Условное изображение приведено на рис. 11.

Рис. 11

микропроцессор сигнал генератор котроллер

4. Программа

Для отображения в привычной десятичной системе счисления информация, выраженной в двоичном счислении, необходимо преобразование двоичного кода в код семисегментного индикатора (в «семисегментный код»). Так как информация должна отображаться десятичными разделами, то на первом этапе решения задачи двоичный код должен быть преобразован в двоично-десятичный, а на втором - двоично-десятичный код следует преобразовать в семисегментный. Опишем принципы, которые могут быть положены в основу составляемой программы.

Значение каждой тетрады двоично-десятичного кода не должно превышать 9. Поэтому следует организовать последовательно включенные счетчики, переполнение каждого из которых происходит с поступлением десятой единицы. Если их установить в режим сложения, а регистр с двоичным кодом - в режим вычитания, то при обнулении регистра его содержимое окажется представленным в счетчиках в двоично-десятичном коде.

Вторая половина задачи решается следующим образом. В ячейки памяти, начиная с некоторого базового адреса, записываются коды, соответствующие представлению десятичных цифр семисегментным индикаторам, а из ячейки они заносятся в регистр кода сегмента для случая, когда сегмент светится при подаче на него логического нуля, указанные коды приведены в таблице 1. Чтобы на индикаторе было, к примеру, изображение 5, должны осветится сегменты a,f,g,c,d. Это обеспечивается кодом, записанным в строке N10=5.

Таблица 1

N10

B

A

F

G

E

D

C

H

0 1 2 3 4 5 6 7 8 9

0 0 0 0 0 1 1 0 0 0

0 1 0 0 1 0 0 1 0 0

0 1 1 1 0 0 0 1 0 0

1 1 0 0 0 0 0 1 0 1

0 1 0 1 1 1 0 1 0 0

0 1 0 0 1 0 0 1 0 0

0 0 1 0 0 0 0 0 0 0

1 1 1 1 1 1 1 1 1 1


Выводимая на индикацию тетрада складывается с базовым адресом таблицы кодов. Так формируется адрес ячейки, в которой записан семисегментный код, соответствующий значению данной тетрады.


Литература

1.       Радиотехнические устройства и элементы радиосистем: Учеб. Р15 пособие/В. А. Каплун, Ю. А. Браммер, С. П. Лохова, И, В. Шостак.- М.: Высшая школа, 2002. - 294 с.: л.

Похожие работы на - Проектирование микропроцессорного устройства

 

Не нашли материал для своей работы?
Поможем написать уникальную работу
Без плагиата!
Без нейросетей!