Проектирование сборочного узла редуктора
КУРСОВАЯ
РАБОТА
Проектирование
сборочного узла редуктора
Содержание
Введение
1.
Гладкие цилиндрические соединения
.1
Посадка с зазором
.2
Посадка с натягом
.
Расчёт посадок подшипников качения
3.
Выбор средств измерения (с зазором, с натягом)
.
Расчёт размерной цепи
.1
Расчёт размерной цепи методом полной взаимозаменяемости
.2
Расчёт размерной цепи теоретико-вероятностным методом
.
Расчёт рабочих калибров для соединения либо с зазором, либо с натягом
.
Нормирование точности типовых соединений
.1
Переходная посадка
.2
Шпоночные
6.3................................................................................................................... Шлицевые
7.
Шероховатость
.
Допуски формы и взаимного расположения поверхности
.
Позиционный допуск
.
Расчёт резьбовых соединений
.1
Резьбовое соединение с зазором
.2
Резьбовое соединение с натягом
10.3 Выбор
средств измерения и контроля резьбовых деталей
11.
Расчёт посадок гладких цилиндрических соединений
.1
Расчёт посадки с зазором
11.2 Расчёт
посадки с натягом
12.
Точность зубчатых колёс
Заключение
Библиографический
список
Введение
Взаимозаменяемостью изделий (машин, приборов,
механизмов и т.д.), их частей или других видов продукции (сырья, материалов,
полуфабрикатов и т.д.) называют их свойство равноценно заменять при
использовании любой из множества экземпляров изделий, их частей или иной
продукции другим однотипным экземпляром. Наиболее широко применяют полную
взаимозаменяемость, которая обеспечивает возможность беспригоночной сборки (или
замены при ремонте) любых независимо изготовленных с заданной точностью
однотипных деталей в сборочные единицы, а последних - в изделия при соблюдении
предъявляемых к ним (к сборочным единицам или изделиям) технических требований
по всем параметрам качества. Полная взаимозаменяемость возможна только, когда
размеры, форма, механические, электрические и другие количественные и
качественные характеристики деталей и сборочных единиц после изготовления
находятся в заданных пределах и собранные изделия удовлетворяют техническим
требованиям. Выполнение требований к точности деталей и сборочных единиц
изделий является важнейшим исходным условием обеспечения взаимозаменяемости.
Стандартизация - это установление и применение
правил с целью упорядочивания деятельности в определенной области на пользу и
при участии всех заинтересованных сторон, в частности для достижения всеобщей
оптимальной экономии при соблюдении условий эксплуатации (использования) и
требований безопасности. Стандартизация, основанная на объединенных достижениях
науки, техники и передового опыта, определяет основу не только настоящего, но и
будущего развития промышленности.
Унификация - это приведение объектов
функционального одинакового назначения к единообразию (например, к оптимальной
конструкции) по установленному признаку и рациональное сокращение числа этих
объектов на основе данных об их эффективной применяемости.
1. Гладкие цилиндрические соединения
Номинальный размер - размер, который служит
началом отсчета отклонений и относительно которого определяют предельные
размеры. Для деталей, составляющий соединение, номинальный размер является
общим.
Действительный размер - размер, установленный
измерением с допускаемой погрешностью. Этот термин введен, потому что
невозможно изготовить деталей с абсолютно точными требуемыми размерами и
измерить их без внесения погрешности.
Предельные размеры детали - два предельно допускаемых
размера, между которыми должен находиться или которым может быть равен
действительный размер годной детали. Больший из них называют наибольшим
предельным размером, меньший - наименьшим предельным размером. Обозначают их Dmax
и Dmin для отверстия, dmax
и dmin - для вала.
Сравнение действительного размера с предельным дает возможность судить о
годности детали.
Для упрощения изображений деталей на чертежах
введены понятия предельных отклонений от номинального размера:
верхнее предельное отклонение ES,
es - алгебраическая
разность между наибольшим предельным и соответствующим номинальным размером.
Для отверстия:
ES=Dmax-D,
EI=Dmin-D
(1.1)
Для вала:
es=dmax-d,
ei=dmin-d
(1.2)
Действительным отклонением называют
алгебраическую разность между действительным и соответствующим номинальным
размерами. Отклонение является положительным, если предельный или
действительный размер больше номинального, и отрицательным, если указанные
размеры меньше номинального.
Допуск Т - называют разность между наибольшим и
наименьшим предельными размерами или алгебраическая разность между верхним и
нижним отклонениями. Допуск всегда положителен. Он определяет допускаемое поле
рассеяния действительных размеров годных деталей в партии, то есть заданную
точность изготовления. С увеличением допуска качество деталей ухудшается, но
стоимость изготовления уменьшается.
В зависимости от взаимного расположения полей
допусков отверстия и вала посадка может быть: с зазором S,
с натягом N или переходной.
.1 Соединение с зазором Ø38
Н7/e7 СА
Размер отверстия Ø38 Н7
EI= 0 мкм ES=+25мкм
TD= ES-
EI=0,025мкм (0,025мм)
Dmax = Dh
+ ES = 38 + 0,025=
38,025 (мм) - наибольший предельный размер
Dmin = Dh
+ EI = 38+0=38 (мм)
-наименьший предельный размер
Размер вала Ø38 e7
es=-50мкм ei=--75мкм
Td=-50-(-75)=25мкм
(0,025мм)
dmax = dн
+ es = 38+(-0,050) =
37,95 (мм)- наибольший предельный размер
dmin = dн
+ ei = 38+(-0,075) =
37,925 (мм) -наименьший предельный размер
Вычисляем зазор:
Smax = Dmax
- dmin = 38,025-37,925 =
0,1 (мм)-максимальный зазор
Smin = Dmin
- dmax = 38-37,95 =
0,05(мм)-минимальный зазор
Sm = (Smax + Smin)/2 =
(0,315+0,095)/2 = 0,205 (мм)=
TD + Td =0,021+ 0,013=0,034мм
Рисунок 1 - Схема полей допусков посадки с
зазором
.2 Соединение с натягом Ø90
p7/h6
СВ
Размер отверстия Ø90 p7/h6
ES
=-24мкм=-0/024мм EI
=-0,059мм
TD = ES-EI=-0,024-(-0,059)=
0,035мм
Dmax = Dн
+ ES = 90+( - 0,024) =
89,976 (мм)- наибольший предельный размер
Dmin = Dн
+ EI = 90+( - 0,059) =
89,94 (мм)-наименьший предельный размер
Размер вала Ø90 h6
(0/-22)
es =0мкм ei
=-87мкм Td = es-ei=0-(-0,022)=
0,087мм
dmax = dн
+ es = 90 (мм)-
наибольший предельный размер
dmin = dн
+ ei = 90+( - 0.022) =
89.978(мм)- наименьший предельный размер
Вычисляем натяг:
Nmax = dmax
- Dmin = 90-89.941 =
0,059(мм)
Nmin = dmin
- Dmax = 89.978-89.976 =
0.002 (мм)
Nm = (Nmax
+ Nmin)/2 =
(0,059+0.002)/2 = (мм)
Рисунок 2 - Схема полей допусков посадки с
натягом
2. Расчёт и выбор посадок подшипников качения
Подшипники качения - наиболее распространённые
стандартные сборочные единицы. Они являются универсальными узлами, служат
опорами вращающихся частей механизмов и машин и работают в условиях
преобладающего трения качения, заменяя собой подшипники скольжения.
В общем случае подшипник качения состоит из
наружного и внутренних колец, тел качения и сепаратора. По типу тел качения
подшипники делятся на шариковые и роликовые (игольчатые, если ролики тонкие и
длинные). Подшипники качения изготавливаются централизованно на специальных
заводах; обладают полной внешней взаимозаменяемостью по присоединительным
поверхностям, определяемым наружным диаметром Dm
наружного кольца и внутренним диаметром dm
внутреннего кольца, и неполной внутренней взаимозаменяемостью между телами
качения и дорожками качения колец. Полная взаимозаменяемость по
присоединительным поверхностям позволяет быстро монтировать и заменять
изношенные подшипники качения при сохранении их хорошего качества.
Диаметры наружного кольца Dm и
внутреннего кольца dm приняты соответственно за диаметры
основного вала и основного отверстия, а следовательно, посадку соединения
наружного кольца с корпусом назначают в системе вала, а посадку соединения
внутреннего кольца с валом - в системе отверстия. Посадку подшипника качения на
вал и в корпус выбирают в зависимости от типа и размера подшипника, условий его
эксплуатации, значения и характера действующих на него нагрузок и вида
нагружения колец. В зависимости от условий работы подшипникового узла различают
следующие виды нагружения колец: местное, циркуляционное и колебательное.
Циркуляционное нагружение обычно используется для подвижных колец с небольшим
натягом посадочной поверхности. Выбор конкретного поля допуска детали
производится по величине интенсивности радиальной нагрузки PR
,
определяемой соотношением:
где Fr -
радиальная нагрузка на подшипник качения, кН;
b - рабочая
ширина посадочного места под подшипник, м;
k1 -
динамический коэффициент посадки, зависящий от характера нагрузки (k1 = 1 - при
умеренных толчках и ударах);
k2 -
коэффициент, учитывающий степень ослабления посадочного натяга при полом вале
или тонкостенном корпусе (D/d=1,8 тогда k2 = 4);
k3 -
коэффициент неравномерности распределения радиальной нагрузки Fr между
телами качения в многорядных подшипниках (k3 = 1 - для
однорядных радиальных и радиально-упорных подшипников)
d = 30 мм -
внутренний диаметр подшипника;
D = 55 мм -
наружный диаметр подшипника;
B = 13 мм -
ширина подшипника;
r = 1,5 мм -
ширина фаски кольца подшипника;
b = B - 2r = 13 - 3 =
10 мм = 0,010 м; Fr = 1,8 кН
По нашему варианту подходит посадка
К6. Посадка наружного кольца в корпусе осуществляется по Н7.
Указанные требования к точности
геометрических параметров посадочных поверхностей валов и корпусов проставляем
на эскизах деталей подшипникового узла.
3. Выбор универсальных средств
измерения
Ø38 Н7/e7
Для вала Ø38 e7
) Головки рычажно-зубчатые с ценой
деления 0,002 мм и пределом измерения - 0,01…+0,01 мм, с настройкой по концевым
мерам.
Головку (ГОСТ 18883-73) применяют вместо
индикатора часового типа при более точных измерениях: цена деления 0,001 и
0,002 мм с пределами измерений соответственно
0,05 и
0,01 мм.
В рычажно-зубчатых головках механизм
преобразования перемещения измерительного стержня в угловые перемещения стрелки
состоит из рычажных и зубчатых элементов. Измерительный стержень, перемещаясь,
поворачивает рычаг, который через опорный штифт вращает зубчатый сектор.
Зубчатый сектор, соединяясь с трибом, вращает стрелку, насаженную на его ось.
Длину малого плеча рычага регулируют эксцентриком, а положение зубчатого
сектора перемещением компенсатора.
Рисунок
3.1 - Рычажно-зубчатая измерительная головка
1 - измерительный стержень;
- отводка;
- триб со стрелкой;
- зубчатый сектор ;
- опорный штифт;
- компенсатор;
-стопор ободка;
- рычаг;
- эксцентрик.
Для отверстия Ø38 Н7
) Микроскопы универсальные измерительные при
использовании штриховой головки
Универсальный измерительный
микроскоп (УИМ) - семейство универсальных измерительных приборов
<#"729738.files/image008.gif">
Рисунок 3.2 - Универсальный измерительный
микроскоп
4. Расчёт размерной цепи
4.1 Расчёт размерной цепи методом полной
взаимозаменяемости
Рисунок 4.1 - Схема размерной цепи
Таблица
4.1
Расчёт размерной цепи методом полной
взаимозаменяемости
|
№
|
Aj, мм
|
Тип
звена
|
ij, мкм
|
TAj, мкм
|
TAj пр, мкм
|
EsAj, EiAj
|
|
1
|
100
|
ув.
|
2,17
|
220
|
220
|
|
|
2
|
45
|
ув.
|
1,56
|
160
|
160
|
|
|
3
|
4
|
ум.
|
0,73
|
75
|
75
|
|
|
4
|
110
|
ум.,
к
|
2,17
|
220
|
140
|
|
|
5
|
25
|
ум.
|
1,31
|
130
|
130
|
|
|
6
|
5
|
ум.
|
0,73
|
75
|
75
|
|
|
Σ
|
8,67
|
880
|
800
|
|
Значение kср
соответствует точности обработки 11-ого квалитета (Таблица 12, МУ).
При нахождении допусков составляющих
звеньев TAj допускались
упрощения расчётов, что привело к неравенству:
поэтому, одно из составляющих
звеньев принимается за компенсирующее и определяется величина допуска по
формуле:
Верхнее и нижнее предельные
отклонения компенсирующего звена определяются из уравнений:
+500 = (220 + 160) - (- 75 + EiA4 - 130 -
75);
EiA4 = + 160
мкм;
300 = 0 + 0 - (0 + EsA4 + 0 +0);
EsA4 = + 300
мкм;
TA4 = EsA4 - EiA4 = 300 - 160
= 140 мкм
4.2 Расчёт размерной цепи
теоретико-вероятностным методом
Рисунок 4.2 - Схема размерной цепи
Таблица
4.2
Расчёт размерной цепи теоретико-вероятностным
методом
№ Aj, мм Тип
звена λj 
, мкм
мкм2
, мкм
мкм2
мкм
|
мкм2EsAj,
EiAj
|
|
|
|
|
|
|
|
|
|
1
|
100
|
ув.
|
0,33
|
0,11
|
2,17
|
4,71
|
540
|
291600
|
540
|
291600
|
|
|
2
|
45
|
ув.
|
0,33
|
0,11
|
1,56
|
2,43
|
390
|
152100
|
390
|
152100
|
|
|
3
|
4
|
ум.
|
0,33
|
0,11
|
0,73
|
0,53
|
180
|
32400
|
180
|
32400
|
|
|
4
|
110
|
ум.,
к
|
0,33
|
0,11
|
2,17
|
4,71
|
540
|
291600
|
189
|
35721
|
|
|
5
|
25
|
ум.
|
0,33
|
0,11
|
1,31
|
1,72
|
330
|
108900
|
330
|
108900
|
|
|
6
|
5
|
ум.
|
0,33
|
0,11
|
0,73
|
0,53
|
180
|
32400
|
180
|
32400
|
|
|
Σ
|
14,63
|
|
909000
|
|
653121
|
|
Процент риска выхода размеров замыкающего звена
за предельные принимается P
= 0,27%.
Среднее количество единиц допуска при способе
одной степени точности допусков составляющих звеньев определяется по формуле:
где t -
коэффициент принятого процента риска замыкающего звена; λj -
коэффициент относительного рассеяния j-го звена,
являющийся относительным средним квадратичным отклонением. Коэффициент
относительного рассеяния λ
зависит
от условий и масштаба производства, технологического процесса изготовления
составляющих звеньев.
Для нормального закона распределения
λ
≈
0,33.
Значение kср
соответствует точности обработки 13-ого квалитета (Таблица 12, МУ).
Сумма квадратов допусков
составляющих размеров должна удовлетворять условию:
≠ 944, следовательно, допуск
на какое-то звено необходимо уменьшить.
В качестве компенсирующего звена
выбирается звено A4.
Рассчитывается его допуск по формуле:
Координата середины поля допуска
компенсирующего звена EcAk
определяется из выражения
в которое она входит в одну из сумм
левой части. Для размеров увеличивающих звеньев
уменьшающих -
Исходя из условия задачи EcA0 = +100 мкм.
Составляется уравнение, в котором Х
это координата середины поля допуска
.
Предельные отклонения
компенсирующего звена:
5. Расчёт рабочих калибров
Калибром в соответствии с ДСТУ 2234-93
называется техническое устройство контроля, воспроизводящее геометрические
параметры элементов детали и контактирующие с элементами детали по поверхности,
линии или точке.
Предельные калибры предназначены для контроля
заданных пределов геометрических параметров. Предельные калибры для отверстий и
валов подразделяют на проходной (ПР) калибр, контролирующий предел максимума
материала, и непроходной (НЕ) калибр, контролирующий предел минимума материала.
По таблицам ГОСТ 24853 - 81 находим данные для
режима калибров-пробок калибров-скоб
Для калибров-пробок (мкм): H=6,
Z=5, Y=4
(мкм)
Для калибров-скоб (мкм): H1=6,
Z1=5,
Y1=4
Н - допуск на изготовление исполнительного
размера нового калибра-пробки;
Z - отклонение
координаты середины поля допуска проходного калибра-пробки от предела максимума
материала внутрь поля допуска контролируемого элемента ;
Y -граница износа
проходного калибра-пробки ;
Найдём параметры проходного калибра-пробки Ø
90P7
П Рmax=
Dmin + Z
+ (H/2) = 89,941 +
0,005 + 0,006/2 = 89,949 мм.
На чертеже проставляется раз мер 79,892
-0,004
Непроходная сторона НЕ:
max
= Dmax + (H/2)
= 89,976 + 0,006/2 = 89,979 мм.
На чертеже проставляется размер 79,924 -0,004
Наименьший размер изношенной проходной стороны
калибра-пробки ПРизн:
П Pизнош=
Dmin - Y
= 89,94 - 0,004 = 89,937 мм.
Если калибр-пробка ПР имеет указанный размер,
его нужно изъять из эксплуатации.
Определим размеры калибра-скобы для вала диаметром
Ø90
h6.
По ГОСТу 24853-81 для квалитета h6
и диаметра 90, находим данные для расчета размеров калибра, мкм.
Н1 = 6 мкм
Z1
= 5 мкм
Y1
= 4 мкм
Hp
= 2,5 мкм
Найдем размеры калибра-скобы:
П
Рmin
= dmax -Z1-
(Н1 /2) = 90 -0,005- 0,006/2 = 89,998 мм
На чертеже проставляем размер 89,998+0,004мм
HEmin=
dmin - (Н1 /2)
= 89,973 - 0,006/2 = 89,97 мм
K-HE = dmin + (Нp
/2) = 89,973 + 2,5/2 = 89,9705 ммПР
= dmax-z1+(Нp
/2) = 90 -0,005 +0,0025/2 = 89,99625
мм-И
= dmax + (Нp
/2)+
y1
= 90 + 0,00125/2+ 0,004 = 90,00525 мм
Проставляем на чертежах 90,00525-0,0025
Схема расположения полей допусков: a)
калибр-пробка , б)калибр-скоба
6. Нормирование точности типовых соединений
.1 Переходная посадка
Ø 18 H7/js6
Рисунок 6.1 - Схема поля допуска переходной
посадки
.2 Шпоночные соединения
Шпоночным соединением называют соединение вала с
установленным на нем отверстием посредство шпонки, то есть детали,
представляющий собой призматический, глинообразный или сегментный брусок.
Для ширины шпонки установлено поле допуска h9.
Установлены следующие 3 типа шпоночных соединений: свободное, нормальное и
плотное. Для свободного соединения установлены поля допусков ширины в паза на
валу H9 и для паза во
втулке D10, что дает
посадку с зазором; для нормального соединения - соответственно N9
и js9; для плотного
соединения - одинаковые поля допусков на ширину в для паза на валу и паза во
втулке Р9. Нормальные и плотные соединения имеют переходные посадки.
а) Свободное шпоночное соединение
б) Нормальное шпоночное соединение
в) Плотное шпоночное соединение
Рисунок 6.2 - Виды шпоночных соединений
.3 Шлицевые соединения
Шлицевым соединением, или зубчатым соединением,
называется разъемное соединение вала с отверстием, когда на валу имеются зубья
(выступы), а в отверстии - соответствующие впадины (шлицы).
Требования к шлицевым соединениям задаются в
зависимости от принятой центрирования между валом и втулкой, то есть от той
поверхности, по которой производится основное сопряжение обеспечивающее
расположение осей втулки и вала. Используют 3 способа центрирования: по
наружной поверхности (D),
по внутренней поверхности (d)
и по боковой поверхности зубьев (в).
В обозначении указывается способ центрирования,
число шлицев, значение внутреннего диаметра с посадкой, значение наружного
диаметра с посадкой, значение ширины шлицев и посадка по шлицам.
При центрировании по наружному диаметру (D):

При центрировании по внутреннему
диаметру (d):
Рисунок 6.4 - Схема полей допусков
шлицевых соединений при центрировании по внутреннему диаметру (d)
7. Нормирование шероховатости
поверхности
Шероховатостью поверхности называют
совокупность неровностей поверхности с относительно малыми шагами, выделенную,
например, с помощью базовой длины. Согласно ДСТУ 2789-73 шероховатость
поверхности изделия можно оценить следующими параметрами:
Ra - среднее
арифметическое профиля;
Rz - высота
неровностей профиля;
Sm - средний
шаг неровностей профиля;
S - средний
шаг выступов профиля;
tp -
относительная опорная длина профиля.
Среднее арифметическое отклонение
профиля (Ra) - среднее
арифметическое абсолютных значений отклонений профиля в пределах базовой длины
(рисунок 7.1):
где Ɩ - базовая длина; n - число
выбранных точек профиля на базовой длине.
Параметр Ra нормируется
значениями от 0,008 до 100 мкм. Этот параметр геометрически интерпретируется
высотой прямоугольника, построенного на базовой длине и равномерного по площади
фигуре, очерченной профилем неровностей и его средней линией.
Рисунок 7.1 - Среднее арифметическое
отклонение профиля (Ra)
Высота неровностей профиля по десяти
точкам (Rz) - сумма
средних абсолютных значений высот пяти наибольших выступов профиля и глубин
пяти наибольших впадин профиля в пределах базовой длины (рисунок 7.2):
где ypi - высота i-ого
наибольшего выступа профиля;
yvi - глубина i-ой
наибольшей впадины профиля.
Рисунок 7.2 - Высота неровностей
профиля по десяти точкам (Rz)
Параметр Rz нормируется
значениями от 0,025 до 1600 мкм. Весь приведенный диапазон практически не
используется. Чаще применяется диапазон от 0,025 до 0,1 мкм при нормировании
малых неровностей и значения от 10 до 1600 мкм для нормирования больших
(грубых) неровностей. Связано это с возможностями существующих средств
измерений.
Наибольшая высота неровностей
профиля (Rmax) -
расстояние между линией выступов профиля и линией впадин профиля в пределах
базовой длины (рисунок 7.3). Нормируется значение от 0,025 до 1600 мкм как и Rz.
Rmax = Rp+Rm;
где Rp - высота
наибольшего выступа профиля;
Rm - глубина
наибольшей впадины профиля.
Рисунок 7.3 - Наибольшая высота
неровностей профиля (Rmax)
Линия выступов профиля - это линия
эквидистантная средней линии, проходящая через высшую точку профиля в пределах
базовой длины.
Линия впадин профиля - это линия
эквидистантная средней линии, проходящая через низшую точку профиля в пределах
базовой длины.
Средний шаг неровностей профиля (Sm) - среднее
значение шага неровностей профиля в пределах базовой длины (рисунок 7.4):
где n -
количество шагов неровностей профиля на базовой длине.
Под этим параметром понимается
среднее значение длин отрезков средней линии, пересекающих профиль в трех
соседних точках и ограниченных двумя крайними точками. Нормируется значение от
0,002 до 12,5 мм.
Рисунок 7.4 - Средний шаг
неровностей профиля (Sm)
Средний шаг местных выступов профиля
(S) - среднее
значение шагов местных выступов профиля в пределах базовой длины (рисунок 7.5):
Под этим параметром понимается
среднее значение длин отрезков средней линии между проекциями на эту линию двух
наивысших точек соседних выступов профиля. Нормируются значения от 0,002 до
12,5 мм.
Рисунок 7.5 - Средний шаг местных
выступов профиля (S)
Опорная длина профиля (ηp) - равна
сумме длин отрезков, отсекаемых на заданном уровне (p) профиля
детали линией, эквидистантной средней линии, в пределах базовой длины (рисунок
7.6):
Относительная опорная длина профиля
(tp) -
отношение опорной длины профиля (ηp) к базовой
длине (Ɩ), то есть
посадка допуск резьбовый
деталь
Рисунок 7.6 - Опорная длина профиля (η)
Определенная условность параметра tp
заключается в том, что нормируется единичный уровень сечения. Значение опорной
длины могут совпадать для разных поверхностей, отличающихся эксплуатационными
свойствами. Параметр tp
условно отнесен к горизонтальным параметрам. Более точно этот параметр
характеризует поверхностные неровности по форме этих неровностей.
Расшифровка числового значения шероховатости
T070= Ra1,25
Знак - полка знака, означает, что разработчиком
не установлены требования к виду обработки;
направление неровностей поверхности
параллельное;
Ra - среднее
арифметическое отклонение профилей;
,25 - среднее арифметическое отклонение,
составляющее 1,25 мкм, которое соответствует 6 классу точности.
Оптимальная опорная длина профиля tp=70%
при условии сечении профиля p=50%
В цеховых условиях принимается качественный
контроль шероховатости, осуществляемый путем сравнения с образцами или
образцовыми деталями визуально или на ощупь. ГОСТ 9378-75 устанавливает образцы
шероховатости, полученные механической обработкой, снятием позитивных
отпечатков гальванопластикой или нанесением покрытий на пластиковые отпечатки.
На каждом образце указаны значение параметра Ra
(в мкм) и вид обработки образца.
Количественный контроль параметров шероховатости
осуществляют бесконтактными и контактными средствами измерения. Приборы
контактного действия основаны на принципе ощупывания поверхности детали
специальным наконечником в виде иглы. Контактные приборы делятся на
профилометры (перемещение иглы передается на шкалу) и профилографы (перемещение
на профилограмму).
Рассмотрим профилограф-профилометр, изображенный
на рисунке 7.7
Профилограф - прибор для записи величин
неровностей поверхности в нормальном к ней сечении в виде профилограммы,
обработкой которой определяются параметры, характеризующие шероховатость и
волнистость поверхности.
Профилометр - прибор для измерения величин
неровностей поверхности в нормальном к ней сечении и представлении результатов
измерения на шкале прибора в виде значения одного из параметров, используемых
для оценки этих неровностей.
Прибор снабжен преобразователем, пиктронным
измерительным блоком 7 со счетно-решающим блоком 8 и записывающим устройством
9. Индуктивный преобразователь выполняют в виде сердечника 5 с двумя катушками
6. Катушки и две половины первичной обмотки дифференциального входного
трансформатора включены по мостовой схеме, питание которой происходит от
генераторов 4 и 10 с частотой 10 кГц. При перемещении по контролируемой
поверхности алмазная игла 3 преобразователя вместе с якорем, подвешенном на
опоре 2 совершает крутильные колебания. Повороты якоря перераспределяют
индуктивности катушек, изменяя тем самым выходное напряжение дифференциального
трансформатора. Изменяя амплитуды напряжения характеризуют высоту
микронеровностей, а изменение частоты - их шаг. Числовые значения параметров
определяют с помощью цифрового отсчетного устройства. При работе прибора в
режиме профилографа изменение напряжения подается на записывающее устройство.
Рисунок 7.7 - Схема профилографа-профилометра
мод. 252
В цеховых условиях контроль шероховатости
поверхности производится визуально или наощупь при сравнении образцов.
Рисунок 7.8 -Внешний вид образцов для проверки
шероховатости
-вид обработки;
-подложка;
-образцы шероховатости;
-измеряемая деталь.
8. Допуски формы и взаимного расположения
поверхности
.1 Отклонение от плоскостности, числовое
значение которого равно 0,002. Степень точно для заданного диапазона размеров
40-63 мм равна 6.
Торцевым биением ЕСА называется разность
наибольшего и наименьшего расположения оси точек реального профиля торцевой
поверхности до плоскости , перпендикулярной базовой (рис 8.1)
Полем допуска является область на боковой
поверхности цилиндра , диаметр которого равен заданному или любому диаметру
торцевой поверхности , а ось совпадает с базовой осью ограниченная двумя
параллельными плоскостями ,расположенными друг от друга на расстоянии равное
допуску торцевого биения и перпендикулярным базовой оси (рис 8.1)
Торцевое биение относится к суммарным
отклонениям потому, что оно является результатом совместного проявления
отклонения от общей плоскости точек, лежащих на линии пересечения торцевой
поверхности с секущим цилиндром, соосным с осью детали (отклонение формы), и
отклонения от перпендикулярности торца относительно оси базовой поверхности
(отклонение расположения) на длине, равной диаметру рассматриваемого сечения.
Таким образом, торцевое биение включает часть отклонений от плоскостности, но
только в отношении точек, расположенных на одной окружности, т.е. в общем
случае не совпадает ни с одним параметром, нормирующим отклонения формы.
Полное торцевое биение ЕСТА - разность
наибольшего и наименьшего расстояния от точек всей торцовой поверхности до
плоскости, перпендикулярной базовой оси; оно является результатом совместного
проявления отклонения от плоскостности рассматриваемой поверхности и отклонения
от ее перпендикулярности относительно базовой оси. (рис 8.3)
Полем допуска является область в пространстве,
ограниченная двумя параллельными плоскостями, перпендикулярными базовой оси и
находящимися на расстоянии друг от друга равному допуску полного торцевого
биения ТСТА (рис 8.4)
Полное торцевое биение относится к суммарным
отклонениям потому, что оно является результатом совместного проявления
отклонения от плоскостности рассматриваемой поверхности (отклонение формы) и
отклонения ее от перпендикулярности относительно базовой оси (отклонение
расположения).
Таким образом, полное торцевое биение отличается
от торцевого биения тем, что относится не к одному сечению торцевой поверхности
цилиндром соосным с осью вращения, а ко всей плоской торцевой поверхности.
9. Определение позиционного допуска отверстий
под крепежные детали
Допуски расположения осей отверстий для
крепежных деталей должны устанавливаться одним из способов:
позиционными допусками осей отверстий;
предельными отклонениями размеров,
координирующих осей отверстий. Для отверстий, образующих одну сборочную группу,
при числе элементов в группе более двух, предпочтительней назначать позиционные
допуски их осей.
) Расчет позиционного допуска при массовом производстве
деталей.
Рисунок 9.1 - Позиционные допуски осей отверстий
в зависимости от типа соединения крепёжными деталями
В зависимости от типа соединения допуск
рассчитывается следующим образом:
Для соединения типа А:
Т = n
* Smin,
где Smin
- минимальный зазор, k
- коэффициент использования этого зазора.
Для соединения типа В:
T = 0.5 * n
* Smin
Исходя из параметров винтового соединения на
чертеже индивидуального задания и параметров отверстий, позиционный допуск осей
отверстий определяется следующим образом.
Тип соединения В;
d1=6*1,1=6,6
мм , тогда Smin
=
0,6 мм
T=0,5*K*
Smin=0,6*0,5*1=0,3мм
из таблицы подбираем T=0,3мм
) Расчёт позиционного допуска при индивидуальном
производстве деталей. Произведем пересчет позиционного допуска, определив
предельные отклонения размеров, координирующих оси отверстий.
Тип В
d1=6*1,1=6,6
мм , тогда Smin
=
0,6 мм
T=0,5*K*
Smin=0,6*0,5*1=0,3мм
из таблицы подбираем T=0,3мм
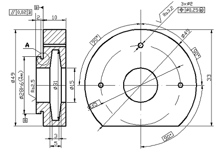
Рисунок 9.2 - Эскиз крышки подшипника
Позиционный допуск B
от типа соединения
C=d=6мм
DФ-диаметр фланца ,
крышки подшипника
DФ=4*d+dk=24+55=79мм
Позиционный допуск поставим на сборочном чертеже
деталь 340.016. 005
10. Нормирование точности резьбовых соединений
.1 Расчёт резьбового соединения с зазором M36-8H/7g6g
Резьба метрическая с номинальным (наружным)
диаметром 8 мм, резьба правая, шаг крупный. Для болта (наружная резьба) поле
допуска на средний диаметр 5G(пятая
степень точности и основное отклонение ) на наружный диаметр 6G(шестая
степень точности). Для гайки (внутренняя резьба) точность нормируется поле
допуска на средний диаметр и на внутренний диаметр одинаковое - 6G
(шестая степень точности и основное отклонение G).
Болт и гайка имеют нормальную длину свинчивания (N).
Из справочника [3] в зависимости от шага P,
выбираются следующие данные:
D = d
= 36 мм - наружный (номинальный) диаметр
P = 4 мм - шаг
резьбы
D2
= d2
= 33,407 мм - средний диаметр гайки и болта соответственно
D1
= d1
= 31,670 мм - внутренний диаметр гайки и болта соответственно
H1=2,165
мм
Предельные отклонения диаметров наружной резьбы:
es
d = - 60 мкм Td=475мкм
ei
d = - 535 мкм
es
d2
= - 340 мкм Td2=280мкм
Предельные отклонения диаметров внутренней
резьбы:
EI
D = 0 мкм
ES
D2
= + 375 мкм Td2=375мкм
ES
D1
= + 750 мкм Td1=750мкм
dmax
= d + es
d = 8 + (- 0,028) =
7,972 мм
dmin = d + ei d = 8 + (-
0,240) = 7,760 мм2
max
= d2 + es d2 = 7,118 + (- 0,028) = 7,090 мм2
min
= d2 + ei d2 = 7,118 + (- 0,146) = 6,972 мм1
max
= d1 + es d1 = 6,647 + (- 0,028) = 6,619 мм
Рисунок
10.1 - Расположение полей допусков метрической резьбы болта и гайки при посадке
с зазором
.2
Расчёт резьбового соединения с натягом M36-2H5D(2)/3P(2)
Резьба
метрическая с номинальным (наружным) диаметром 36 мм. Для болта (наружная
резьба) поле допуска на средний диаметр 3p(2) (третья
степень точности и основное отклонение p). Для гайки
(внутренняя резьба) точность параметров нормируется полем допуска 2H на средний
диаметр и полем допуска 5D на внутренний диаметр. Число групп
сортировки по величине допуска на средний диаметр и у болта, и у гайки равно
двум. Болт и гайка имеют нормальную длину свинчивания (N).
D = d=36 мм -
наружный (номинальный) диаметр
.3
Выбор средств измерения и контроля резьбовых деталей
Существуют
2 метода контроля:
.
Комлексный метода осуществляется с помощью резьбовых предельных калибров при М
> 18, а при М < 18 - метод слепков. Свинчиваемость рабочего калибра с
резьбой или вхождение на нее скобы означает, что приведенный средний номинальный
внутренний для болта и наружный наибольший для гайки диаметр не входят за
проходные предельные значения. Непроходными калибрами контролируют только
средний диаметр резьбы, они не должны свинчиваться более чем на 2 оборота.
.
Поэлементный контроль
Контролируемый
параметр измеряют многократно. Контролируемыми параметрами могут быть:
средний
диаметр наружной резьбы - контролируют с помощью универсальных средств без
дополнительных приспособлений или с использованием резьбовых вставок, ножей,
проволочек, роликов, а для внутренней резьбы - еще и шариков;
шаг
резьбы - измеряют с помощью универсальных или специальных средств. В
специальных приборах шаг измеряют путем сравнения либо с образцовой деталью,
либо со штриховой мерой.
угол
профиля - определяют с помощью микроскопов или проекторов по результатам 4-х
измерений.


а) б)
Рисунок 10.3 - Схемы измерения параметров резьбы
а) среднего диаметра тремя проволочками;
б) среднего диаметра, угла профиля и шага
резьбы.
. Расчёт посадок гладких цилиндрических
соединений
.1 Расчёт посадки с зазором
В подвижных соединениях зазор служит
для обеспечения свободы пе-ремещения, размещения слоя смазки, компенсаций
температурных деформа-ций, а также компенсаций погрешности изготовления и
сборки, упругой деформации деталей, их шероховатости и т.д. Для ответственных
соединений, которые должны работать в условиях жидкостного трения, зазоры
подсчитываются на основе гидродинамической
теории трения.
По варианту задания имеются следующие параметры:
n = 1872 об/мин
-
частота вращения вала;
µ = 35·103 H·c/м2
- динамическая вязкость масла;
R = 1014 H
- радиальная нагрузка;
Найдём hmin
по упрощённой формуле:
hmin = k·[4·(RaD
+ Rad) + kд],
min
- толщина масляного слоя, мкм;
k
≥
2 - коэффициент запаса надёжности по толщине масляного слоя;
kд
- добавка на неразрывность масляного слоя (kд
= 2…3 мкм).
Согласно таблице с рекомендуемыми значениями
параметров вала и отверстия принимаем
Вал = RaD
= 0,7 мкм, Rad
= 1,3 мкм.
Принимаем k
= 2, kд
= 2 мкм.
hmin
= 2·[4·(0,7 + 1,3) + 2] = 8 мкм
Найдём среднее удельное давление p
= R/Ɩd,
H/м2.
p = 330/(24·34) =
0,404 H/м2.
Толщина масляного слоя hmin
связана с безразмерной величиной Ah,
которая определяется следующей формулой:
0,2
Находим отношение 42:28=1,5
По номограмме для определения
значений максимального (χmax) и
минимального (χmin)
относительного эксцентриситетов, приведённой в методических указаниях, видим,
что χmax = 0,96, а χmin < 0,3.
Поэтому значение Aχ определяем
при заданном отношении
и χ = 0,3. По таблице
получаем Aχ = 2.
Величину наименьшего допустимого
зазора [Smin]
рассчитываем по формуле
,547/0,2=62,5
Величину наибольшего допустимого
зазора [Smax] рассчитываем
по формуле
320мкм
Для обеспечения жидкостного трения
необходимо соблюдение условий подбора посадки с учётом износа и шероховатости
поверхности деталей:
Smin ≥ [Smin] ≥
62,5 мкм
Smax < [Smax] - 320 мкм
Назначим посадку Ø 28d9
Smin=65мкм>Smin=62,5мкм.
Smax=140мкм<Smax=320
Следовательно, условие удовлетворено
.2 Расчёт посадки с натягом
Посадки с натягом
предназначены для неподвижных неразъёмных со-единений деталей, как правило, без
дополнительного крепления винтами, штифтами и т. п. Относительная неподвижность
деталей достигается за счёт сил сцеплений, возникающих в материале сопрягаемых
деталей вследствие деформаций их контактных поверхностей (рисунок).
Рисунок 11.1
Исходные данные:кр = 810
H·м - крутящий момент;
Материалом для обоих деталей (для
отверстия и вала) служит сталь°D = 20°C - рабочая
температура отверстия;°d = 20°C - рабочая температура
вала;°сб = 21°C - температура при сборке соединений;
. Определяем коэффициенты Ляме для
отверстия и вала
где µD, µd -
коэффициенты Пуассона соответственно для отверстия и вала.
. Определяем поправку, учитывающую
смятие неровностей посадочных поверхностей деталей при сборке
= 1,2·(RzD + Rzd)
≈ 5·(RaD + Rad), мкм=1,2(3,2+6,3)=1,2*9,5=11,4мкм
- поправка, учитывающая смятие
неровностей посадочных поверхностей деталей при сборке;D = 6,3 мкм -
высота неровностей поверхности вала;d = 3,2 мкм - высота неровностей
поверхности отверстия ступицы.
Таким образом Ut=0 , U2=0
= 0,1 - коэффициент трения при
установившемся процессе распрессовки или проворачивании;
ED = Ed = 2·1011
Н/м2 - модуль упругости
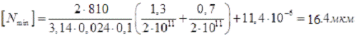
Определяем величину максимального
формированного натяга
68,2
В качестве Pdon берем
наименьшее значение
Для вала Td=2,75
108
Па
Pdon < 0,58
ϬTD
H/м2
T.o.
=11,4 мкм;
=68,2мкм
Условия подборки посадки:
<
>
Подбираем посадку Ø28H7/t6
Nmin=20мкм;
Nmax=54мкм;
Получаем
=20мкм;
=54мкм;
Т.е
>
<
Выбираем посадку с натягом Ø28H7/t6
12. Точность зубчатых колес
В соответствии с заданием точность зубчатых
колес - 7-6-6A.
- степень точности по нормам кинематической
точности;
A - вид сопряжения;
Это колесо силовое. К ним относят зубчатые
передачи, передающие значительные крутящие моменты при малой частоте вращения
(зубчатые передачи шестеренных клетей прокатных станов, подъемно-транпортных
механизмов и др.). Колеса для таких передач изготавливают с большим модулем.
Основное точностное требование к ним - обеспечение более полного использования
активных боковых поверхностей зубьев, то есть получение наибольшего пятна
контакта зубьев.
Комплекс нормируемых параметров:
Fpxn
-допуск на торцевой шаг (предельные отклонения осевых шагов по нормам);
Fβ
- допуск на направление зуба;
Fk
- допуск на суммарную погрешность контактной линии;
fx
- допуск на непараллельность осей;
fy
- допуск на перекос осей;
fa
- предельные отклонения межосевого расстояния.
По таблицам справочника [3, том 1, стр. 194-196,
таблицы 5.31, 5.32, 5.33, 5.34, 5.36, 5.37] берутся следующие числовые значения
для нормируемых параметров:
Fpxn
= 12 мкм;
Fk
= 18 мкм;
Fβ
= fx = 9 мкм;
fy
= 5 мкм;
fa =
100 мкм
Нормируемые параметры, характеризующие
полноту контакта зубьев
Для повышения износостойкости и
долговечности зубчатых передач необходимо, чтобы полнота контакта сопряженных
боковых поверхностей зубьев колес была наибольшей. При неполном и неравномерном
прилегании зубьев уменьшается несущая площадь поверхности их контакта,
неравномерно распределяются контактные напряжения и смазочный материал, что
приводит к интенсивному изнашиванию зубьев.
Суммарным пятном контакта называется
часть активной боковой поверхности зуба зубчатого колеса, на котором
располагаются среды прилегания зубьев парного зубчатого колеса в собранной
передаче после вращения под нагрузкой, устанавливаемой конструктором.
Пятно контакта (рисунок 12.1)
определяется относительными размерами (в %): по длине зуба - отношение расстояния
а между крайними точками следов прилегания за вычетом разрывов с, превышающих
модуль в мм, к длине зуба b, то есть [(a-c)/b]*100%; по
высоте зуба - отношение средней (по длине зуба) высоты следов прилегания hm к высоте
зуба соответствующей активной боковой поверхности hp, то есть (hm/hp)*100%.
Рисунок 12.1 - Пятно контакта
Погрешностью направления зуба
называется расстояние между двумя ближайшими друг к другу номинальными
делительными линиями зуба 1 в торцевом сечении, между которыми размещается
действительная делительная линия зуба 2, соответствующая рабочей ширине
зубчатого колеса (рисунок 12.2).
Рисунок 12.2 - Погрешность направления зуба
Измерение параметров, характеризующих полноту
контакта
Размеры пятна контакта определяют либо по следам
приработки после некоторого периода работы передачи на контрольно-обкатных
станках и приспособлениях, либо по следам краски, оставившей отпечаток на
парном колесе. С помощью поэлементных методов измеряют осевой шаг по нормали,
отклонение направления зуба, погрешность формы и расположения контактной линии
и др.
Выбирается комплекс контроля 1.
Заключение
В данной курсовой работе требовалось по
заданному чертежу спроектировать сборочный узел редуктора, проставить все
необходимые допуски и посадки, выполнить деталировку заданных деталей с
расстановкой допусков формы и расположения поверхностей.
В пояснительной записке были выполнены все
необходимые задания с приведением всех необходимых схем и эскизов. Была
проведена обширная работа со справочной литературой.
Данная работа позволила закрепить навыки и
знания в сфере подготовки чертежной и технической документации, что дает на
более высоком уровне подходов к решению инженерно-технических задач.
Библиографический список
1.
Нормирование и контроль точности типовых соединений механизмов. Методические
указания к выполнению курсовой работы по дисциплине "Взаимозаменяемость,
стандартизация и технические измерения" / Разраб. Н.А. Волошина, О.В.
Филипович.- Севастополь: Изд-во СевНТУ, 2012.-52с.
.
Взаимозаменяемость, стандартизация и технические измерения: Учебное пособие /
В.А. Карпенко, Н.А. Волошина, С.П. Волков,- Севастополь: Изд-во СевНТУ,
2010-372с.
.
Палей М.А. Допуски и посадки. Справочник (в 2-х ч.). 8-е изд., перераб. и доп./
М.А. Палей, А.Б. Романов, В.А Брагинский,- СПб:Изд-во "Политехника",
2008.-ч.1-576с., ч.2-608с.
.
Якушев А.И. Взаимозаменяемость, стандартизация и технические измерения / А.И.
Якушев, Л.Н. Воронцов, Н.М. Федотов.- М: Машиностроение, 1987.-340с.
.
Павлище
В.Т. Підшипники кочення: Основні параметри, конструкції опор, змащування,
ущільнення та розрахунки ресурсу. - Львів: Національний університет «Львівська
політехніка» (Інформаційно-видавничий центр «ІНТЕЛЕКТ+» Інституту підвищення
кваліфікації та перепідготовки кадрів), «Інтелект-Захід», 2009.
- 136 с.
6.
Анурьев В.И. Справочник конструктора-машиностроителя: В 3 т. 8-е изд., перераб.
и доп. Под ред. И.Н. Жестковой. - М.: Машиностроение, 2001. - т.1 - 920 с.:
ил., т.2 - 912 с.: ил., т.3 - 864 с.: ил.
.
Анухин В.И. Допуски и посадки. Выбор и расчёт, указание на чертежах: Учеб.
пособие. 2-е изд., перераб. и доп. СПб.: Изд-во СПбГТУ, 2001. 219 с.