|
Пристрій
|
BACK5
|
BACK4
|
BACK3
|
BACK2
|
BACK1
|
|
ПЗП
|
0
|
0
|
0
|
0
|
1
|
|
ОЗП
|
0
|
0
|
0
|
1
|
0
|
|
Послідовний інтерфейс
|
0
|
0
|
0
|
0
|
|
Паралельний інтерфейс
|
0
|
1
|
0
|
0
|
0
|
|
таймер
|
1
|
0
|
0
|
0
|
0
|
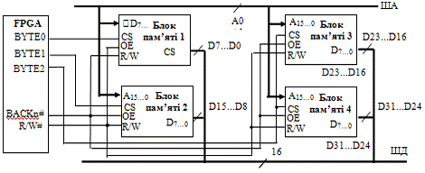
·
BYTE2…0 - сигнали,
які
визначають розрядність даних, що
передаються
ШД. Значення сигналу BYTE0, що
дорівнює 0 зберігається
при обробці байтів, слів
та довгих слів, значення
BYTE1 дорівнює 0 при обробці
слів
та молодших байтів довгих слів і
BYTE2 дорівнює
0 при обробці старших байтів
довгих
слів,
що
дозволяє спрощувати організацію багатошарової пам’яті.
Підсистема пам’яті будується
відповідно завдання і складається з блоку ОЗП і блоку ПЗП, які будуються за
однаковими принципами Різниця між ними полягає лише у необхідності забезпечення
і формування специфічних для кожного з них сигналів керування.
Головна задача, яка вирішується при
побудуванні підсистеми пам’яті - забезпечення необхідної інформаційної ємності
і забезпечення розрядності сигналів даних. Розв’язання цих задачі, в залежності
від типу мікросхем пам’яті, які визначені завданням може бути двох видів:
-
у
номенклатурі мікросхем пам’яті існує ВІС, яка відповідає завданню на
інформаційну організацію блока і забезпечує відповідні часові характеристики. В
цьому випадку мікросхема установлюється у МПС і виконується узгодження рівнів
сигналів керування або їх формування в разі необхідності. На цьому побудова
блоку пам’яті вважається закінченою;
-
у
номенклатурі мікросхем пам’яті не існує ВІС, яка відповідає завданню на
організацію блока. В цьому
випадку необхідно з наявних типів ВІС побудувати
схему, що буде відповідати
завданню.
Ця
задача має два варіанти:
по-перше
- у наявності є мікросхеми,
що
мають необхідну інформаційну ємність, але
мають меншу розрядність даних; по-друге
- у наявності можуть бути ВІС, які
мають меншу інформаційну ємність, ніж
задано, але забезпечують розрядність шини
даних.
Побудування блоків пам’яті
розглянуто у [2]. Блоки ПЗП і ОЗП, які побудовано відповідно до цих принципів і
представлені на рис. 5.11 і 5.12 [2].
Відміни в побудові пам’яті для МПС
на базі МС680х0 обумовлені тим, що у таких системах дані можуть подаватися у
вигляді байтів, слів й довгих слів, при тому, що пам'ять МПС має байтну організацію,
а ШД є 16-розрядною і робота з байтами та словами відбувається за один цикл
шини, а робота з довгими словами виконується за два цикли. Тому при роботі з
байтами і словами відбувається звернення до комірок пам’яті з однією адресою, а
молодше і старше слова довгих слів розміщуються у двох сусідніх парах комірок.
Для реалізації такого принципу роботи необхідно будувати пам’ять з чотирьох
блоків, кожен з яких призначено для роботи з байтами даних, поєднуючи їх
відповідно до довжини операндів. Приклад логічної структури пам’яті, яку
побудовано за таким принципом показано на рис. 2.3. Організація блоків ОЗП і
ПЗП виконується однаково.
Рисунок 2.3 - Логічна структура
блоку па м’яті
Робота такого блоку буде відбуватися
наступним чином: якщо необхідно звернутися до даних розмір яких дорівнює байту,
адреса комірки пам’яті надходить на всі блоки, але формується лише сигнал BYTE0,
який дозволяє роботу лише Блоку пам’яті 1 і до шини даних підмикаються
виходи цього блоку на яких формуються розряди даних D7
- D0.
При роботі зі словами одночасно формуються сигнали BYTE0
та BYTE1
і до шини даних підмикаються виходи Блоків пам’яті 1, 2, які працюють
одночасно як одна комірка пам’яті. Звернення до довгих слів відбувається за два
цикли шини: у першому циклі відбувається звернення до молодшого слова, так як
було показано вище, а в другому циклі, при незмінній адресі, формується сигнал BYTE2,
який одночасно надходить на обидва Блоки пам’яті 3, 4 і на шину даних
надходить старше слово - розряди D23
- D16
і D31
- D24.
При побудуванні цієї логічної
структури ми вважали, що мапа розподілу адресного простору має вигляд, який
подано на рис. 2.4. При цьому кожна з
підсистем МПС має власну область
адрес у адресному просторі
МПС. Для зручності адреси показані у шістнадцятковій
і двійковій системах
числення.
При запису двійкового коду, для більшої наочності, тетради відокремлено
крапками.
Рисунок 2.4 - Мапа розподілу
адресного простору
При аналізі адрес пристроїв можливо
побачити, що молодші чотири розряди шістнадцятирічних адрес циклічно
повторюються для кожного пристрою. Відміни є лише у п’ятому і шостому розрядах,
які і передбачено використовувати для адресування відповідних пристроїв. Так,
початкова адреса для ПЗП користувача становить $090000
= %0000.1001.0000.0000.0000.0000, а остання $09FFFF
= %0000.1001.1111.1111.1111.1111.
Таким чином, адресний простір цього блоку становить 64К і для організації
звернення до нього необхідно дешифрувати код, якій відповідає початковій адресі
цього пристрою (самі старші розряди адреси), а саме $09
= %0000.1001. Логічна структура такого дешифратора показана на рис. 2.5.
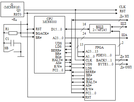
В МПС, яка розробляється
розподілення адрес виконується за допомогою ВІС FPGA,
яка була розглянута вище, і яка формує сигнали BACK1
(2, 3, 4, 5) відповідно до мапи, аналогічно схемі наведеної на рис. 1.5.
Рисунок 2.5 - Логічна структура
дешифратора
До підсистеми вводу/виводу
інформації входять такі пристрої:
·
ПІ/Т - периферійний
інтерфейс/таймер, призначений для обміну
даними
поміж мікропроцесором та зовнішніми
пристроями (датчиками, пристроями
керування тощо) у паралельному
коді. Також цей пристрій може використовуватися, як таймер, для формування
довільних часових інтервалів у МПС;
·
ПАП/П - послідовний асинхронний
приймач/передавач, який призначено для обміну інформацією у послідовному коді.
ПІ/Т (PI/T)
реалізовано на базі ВІС М68230 фірми Motorola.
ПІ/Т складається з блоків, які забезпечують зв’язок з мікропроцесором (буферний
регістр, системний інтерфейс тощо), і блоків, які обслуговують зовнішні
пристрої. ПІ/Т МС68230 дозволяє організувати три 8-розрядні порти А, В, С;
вміщує 24-розрядний таймер і блок керування обміном, який може
використовуватись для реалізації переривань, паралельного введення-виведення
даних або формування сигналів квітування при пересиланні даних через порти А,
В. Докладний опис цієї ВІС наведено у [3].
Для усунення конфліктів при використанні цієї ВІС при обміну даними і
формуванні часових інтервалів бажано передбачити включення двох мікросхем -
одну для обміну даними, другу як таймер.
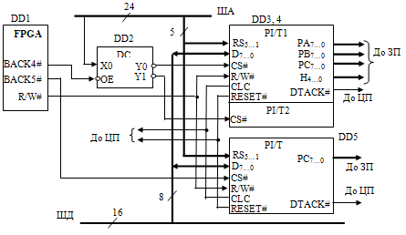
Логічна структура блоку паралельного
порту і таймеру наведена на рис. 1.6. В якості паралельного порту передбачено
використання двох ВІС DD3
і DD4, за допомогою
яких буде можливо зорганізувати підключення шести незалежних периферійних
пристроїв. В якості таймера використовується ВІС DD5.
Керування
пристроями здійснюється за допомогою сигналів від ВІС FPGA,
які дозволяють роботу паралельного порту (ВІС DD3
і DD4) - BACK4
і таймеру - сигнал BACK5.
Паралельний порт на рис. 2.6
складається з двох ВІС М68230, що дозволяє організувати шість незалежних
паралельних каналів для підключення шести зовнішніх пристроїв.
Рисунок 2.6 - Логічна структура
блоку паралельного порту і таймеру
Загалом, з ША ці ВІС з’єднуються
шиною RS5…1,
яка підключена до розрядів А5…1 і забезпечує вибір пристроїв, що
входять до складу цих мікросхем. Таким чином, адресний простір кожної з цих
мікросхем становить 25 = 32 комірки пам’яті , тому для вибору однієї
з цих двох мікросхем можна використовувати наступний розряд ША - А6.
Вибір між цими ВІС здійснюється за допомогою дешифратору DD2,
який виконує дешифрування біта А6 шини адресу. При цьому, значення
біту А6 = 0 викликає формування сигналу на виводі Y0
дешифратора
DD2, який дозволяє
роботу ВІС DD3
(верхня, за схемою), а значення А6 = 1 - дозволяє роботу ВІС DD4.
Дозволом на роботу дешифратора слугує сигнал BACK4,
який надходить на його вхід ОЕ. Якщо є необхідність збільшити кількість
паралельних каналів, то необхідно включати додаткові ВІС, вибір яких буде
здійснюватися при дешифруванні відповідних старших розрядів ША.
Дані, які приймаються або
передаються через паралельний порт надходять на виводи D7…0,
які з’єднуються з ШД і становлять молодший байт цієї шини. Кожна з двох ВІС
паралельного порту з’єднується з периферійними пристроями трьома шинами, які
підключено до виводів РА7…0, РВ7…0 і РС7…0,
які можуть працювати у різних режимах [3], а для обміну сигналами квітування
слугують виводи Н4…0.
Так як, у якості таймеру
використовується така ж ВІС, як і у паралельному порту, то підключення виконується
аналогічно, лише вихідні сигнали формуються тільки на виводах РС7…0.
ПАП/П може бути зреалізований за
допомогою ВІС МС68681 фірми Motorola,
яка є подвійним асинхронним приймачем-передавачем (DUART
- Dual asynchronous Receiver/transmitter) і слугує для організації двох незалежних
послідовних асинхронних дуплексних каналів обміну (А та В) із зовнішніми
пристроями; також за його допомогою існує можливість організації обміну
службовою інформацією через 6-розрядний паралельний порт приймання і 8-розрядний
паралельний порт введення-виведення інформації. Більш докладний опис цієї ВІС
наведено у [3].
Логічна структура блоку наведена на рис. 2.7.
Вибір блоку ПАП/П відбувається
сигналом BACK3#,
який формується ВІС FPGA.
На схемі показано підключення двох ВІС ПАП/П (DD6,
7), що дає змогу організувати чотири незалежних дуплексних каналів зв’язку (TDA,
RDA, TDB,
TDB). Вибір одного з
двох ВІС ПАП/П здійснюється аналогічно попередньому блоку, за допомогою
дешифратора DD2.
Рисунок 2.7 - Логічна структура
блоку послідовного порту
3.
Вимоги до оформлення комплексного завдання
Комплексне завдання виконується
рукописним або машинописним способом на одній сторонці паперового аркуша
формату А4 (210х297) по ДСТ 27301-68. Всі сторінки нумеруються, починаючи з
другої у верхньому правому куті.
Склад пояснювальної записки:
. Титульний аркуш.
. Зміст.
. Завдання.
. Вступ.
. Розробка структурної і логічної
схем мікропроцесорної системи
. Висновок.
. Список використаної літератури.
Всі рисунки виконуються вручну або
за допомогою технічних засобів (принтера тощо) на білому папері або
міліметровому папері форматів А4 або А3 або А2.
Список основної використаної
літератури
1
Шагурин И.И. Современные
микроконтроллеры и микропроцессоры "Motorola":
Справочник / И.И. Шагурин - М.:
Горячая линия - Телеком, 2004. - 952 с.
2
Антонов О.С., Хіхловська І.В.
Обчислювальна техніка та мікропроцесори. Навчальний посібник. Частина 1. -
Одеса: Вид. центр ОНАЗ ім. О.С. Попова, 2008. - 262 с.: іл.
3
Антонов О.С., Хіхловська І.В.
Обчислювальна техніка та мікропроцесори. Навчальний посібник. Частина 1. -
Одеса: Вид. центр ОНАЗ ім. О.С. Попова, 2008. - 200 с.: іл.
4
Ніколенко І.М., Нікіфоров Ю.О.,
Паску Д.Г. Методичні вказівки до виконання курсової роботи "МІКРОПРОЦЕСОРНА
СИСТЕМА М68000". - Одеса: Вид. центр ОНАЗ ім. О.С. Попова, 2011. - 65 с.:
іл.
Додаток
Приклади виконання комплексного
завдання
Перед виконанням курсової роботи
необхідно обов’язково опрацювати положення розділу 2 посібника й відповідні
розділи додаткової літератури, які згадуються у цьому посібнику.
Для побудування узагальненої
структурної необхідно визначити кількість ВІС, які будуть використовуватися у
кожній з підсистем МПС, відповідно до завдання. Припустимо, що відповідно
завдання необхідно побудувати МПС з наступними параметрами:
Вважаємо, що ОЗП будемо будувати з
ВІС типу АМ21С512, яки мають задану організацію - 64К×8,
а
ПЗП - з ВІС типу АМ27С512.
.1 Кількість ВІС для побудування ОЗП
визначається таким чином:

.2 Кількість ВІС для побудування ОЗП
визначається таким чином:
Таким чином, для побудування ОЗП
необхідно всього 4 ВІС типу АМ27С512, які будуть розподілені по чотирьох блоках
пам’яті, кожен з яких буде вміщувати по 1 мікросхемі.
.3 Блок паралельного інтерфейсу
будемо будувати з використанням ВІС типу МС68230, кожна з яких може забезпечити
роботу трьох незалежних 8-розрядних паралельних портів. Кількість ВІС
визначається як:
Таким чином, для побудування
паралельного інтерфейсу необхідно 2 ВІС типу МС68230, які загалом зможуть
забезпечити роботу шести 8-розрядних паралельних портів.
.4 Блок таймера будемо будувати з
використанням ВІС типу МС68230, яких може забезпечити роботу одного таймера.
Кількість ВІС визначається як:
Таким чином, для побудування таймера
в розроблюваній МПС необхідно 1 ВІС типу МС68230.
.5 Блок послідовного інтерфейсу
будемо будувати з використанням ВІС типу МС68681, кожна з яких може забезпечити
роботу двох незалежних дуплексних послідовних портів. Кількість ВІС
визначається як:
Таким чином, для побудування
паралельного інтерфейсу необхідно 2 ВІС типу МС68681.
Структурна схема будується
відповідно положень даного посібника й рис. 2.1 посібника.
Сигнали керування МПС повинні
забезпечувати включення відповідних блоків в залежності від виконуваного циклу
й адреси пристрою, який використовується у даний момент часу. До таких сигналів
відносяться сигнали вибору пристроїв - BACK5…1,
сигнали вибору розміру операнда - BYTE2…0
й сигнали вибору відповідної ВІС, якщо пристрій побудовано з кількох ВІС, які
використовуються для збільшення обсягу адресного простору даного пристрою.
Формування таких сигналів
відбувається аналогічно розглянутому у розділі 2 посібника формуванню сигналів
для вибору шару у блоку пам’яті.
Для прикладу розглянемо побудування
пристрою формування сигналів вибору шару (дешифратора адреси) блоку
паралельного інтерфейсу. Кожна ВІС паралельного інтерфейсу повинна мати
адресний простір обсягом 32 байти (для адресування внутрішніх пристроїв). Для
адресування використовуються розряди А5…А1. Таким чином,
перша ВІС має адресуватися у межах $С00000
÷
$С0003Е,
початкова адреса другої ВІС буде $С0040,
а остання - $С0007Е. Таким
чином, розряд А6 можливо використовувати для вибору однієї з двох
перших ВІС паралельного інтерфейсу. Для дозволу на роботу цього пристрою
використовуємо сигнал дозволу роботи паралельного інтерфейсу - BACK4.
Схема пристрою приведена на наступній схемі.
Після розробки всіх необхідних
пристроїв можливо побудувати загальну логічну структуру МПС.