Бесконтактные регуляторы напряжения

  • Вид работы:
    Курсовая работа (т)
  • Предмет:
    Информатика, ВТ, телекоммуникации
  • Язык:
    Русский
    ,
    Формат файла:
    MS Word
    1,23 Мб
  • Опубликовано:
    2014-04-21
Вы можете узнать стоимость помощи в написании студенческой работы.
Помощь в написании работы, которую точно примут!

Бесконтактные регуляторы напряжения

Оглавление

Введение

. Дроссельные магнитные усилители

.1 Простые схемы дросселей насыщения

.2 Параметры магнитных усилителей

.3 Дроссели насыщения с самоподмагничиванием

. Полупроводниковые бесконтактные элементы электрических аппаратов

.1 Бесконтактные полупроводниковые реле

.2 Транзисторные усилители с обратной связью

. Тиристорные коммутационные аппараты

.1. Тиристорные коммутационные аппараты постоянного тока

.2. Тиристорные коммутационные аппараты переменного тока

. Софтстартеры

.1 Назначение и область применения

.2 Схема подключения ТРН

.3 Цифровые устройства плавного пуска серии STAT

.4 Шкаф регулятора напряжения

.5 Система управления

.5 Основные технические данные

Заключение

Список литературы

Введение

В связи с широкой автоматизацией производственных процессов, внедрением систем автоматического управления в промышленности, транспорте и других областях народного хозяйства существенно возросли требования к надежности, быстродействию и долговечности электрических аппаратов. До минимума должен быть сведен уход за аппаратами в процессе их эксплуатации. Этим требованиям в значительной степени удовлетворяют бесконтактные электрические аппараты. Бесконтактным электрическим аппаратом называется устройство, предназначенное для коммутации электрических цепей без физического разрыва самой цепи. Важные преимущества бесконтактных аппаратов, по сравнению с контактными, обусловливаются отсутствием контактов и подвижных частей.

Основными из них являются:

Быстродействие, высокая скорость и частота переключения. Время переключения бесконтактных аппаратов обычно на несколько порядков меньше, чем контактных.

Долговечность. В бесконтактных аппаратах подвижных частей и контактов нет. Поэтому практически нет и ограничений по числу переключений.

Простота обслуживания. Исключены такие трудоемкие операции, как чистка и регулировка контактов.

Механическая стойкость. Сохранение работоспособности при любом положении в пространстве.

Способность к работе во взрывоопасных и загрязненных средах. Уменьшенный уровень радиопомех. Бесшумность в работе. Следует отметить, что этот неполный перечень бесконтактных аппаратов вовсе не исключает целесообразность применения контактных. Контактные аппараты обеспечивают несравненно более глубокую коммутацию, видимый разрыв электрической цепи и, как правило, более устойчивы к перенапряжениям и перегрузкам.

Принцип действия бесконтактных аппаратов основан на использовании элементов, обладающих нелинейной вольт-амперной характеристикой.

Основными из них являются нелинейные индуктивности (ферромагнитные сердечники с обмотками) и нелинейные активные сопротивления (полупроводниковые приборы).

1. Дроссельные магнитные усилители

.1 Простые схемы дросселей насыщения

Дроссельный магнитный усилитель является дросселем насыщения с подмагничиванием, у которого по какой-либо из обмоток проходит постоянный ток.

Схема простейшего ДН с подмагничиванием приведена на рис. 2.1;

дроссель выполнен на ферромагнитном сердечнике и имеет две обмотки. Одна обмотка wР включена последовательно с нагрузкой RН к переменному напряжению (ЭДС) е частотой f. Другая обмотка wУ включена последовательно с большим сопротивлением ZБ к источнику постоянного напряжения ЕУ, это цепь управления, по которой осуществляется подмагничивание дросселя постоянным током.

Главная особенность ДН с подмагничиванием состоит в том, что оказывается возможным, изменяя напряжение или ток в цепи управления, менять ток или напряжение на нагрузке, т. е. управлять нагрузкой. При этом малыми токами и мощностью управляют большими мощностями в нагрузке, т.е. ДН с подмагничиванием является усилителем. Рассмотрим возможность управления током нагрузки более подробно.

Индуктивное сопротивление магнитного усилителя, включенного последовательно с сопротивлением нагрузки, равно:


где l и S - соответственно средняя длина и сечение магнитопровода.

Таким образом, является функцией магнитной проницаемости μ материала сердечника. Ток в цепи нагрузки магнитного усилителя равен


где U - напряжение источника переменного напряжения.

Если μ велика, то xМУ >> RН и ток IH очень мал, что соответствует отключенному состоянию нагрузки от источника. Если μ мала, то xМУ << RН и по цепи нагрузки протекает номинальный ток, это соответствует включенному состоянию. Изменение в широких пределах μ достигается подмагничиванием сердечника постоянным током IУ, протекающим через обмотку управления wУ.

Большое балластное сопротивление необходимо для того, чтобы трансформируемое из рабочей обмотки переменное напряжение практически не создавало бы тока в управляющей цепи (рис. 2.1).


Характеристика управления приведена на рис. 2.2. Ток нагрузки может меняться практически от нуля до максимального значения. Балластное сопротивление делает схему неэкономичной. Если это резистор с большим активным сопротивлением, то мощность, потребляемая им от источника управления, будет больше полезной мощности в нагрузке. Если это дроссель с большим воздушным зазором, то габариты схемы в целом удваиваются и оказывается целесообразным применить схему на двух ДН с подмагничиванием. Такая схема с двумя ДН представлена на рис. 2.3.

Два дросселя позволяют без специального балластного резистора избежать тока основной частоты в цепи управления. Для этого обмотки wР включают последовательно и согласно, а обмотки wУ -последовательно и встречно. При таком включении обмоток и идентичных сердечников ЭДС основной частоты, трансформируемые из рабочей цепи в цепь управления, оказываются в противофазе и взаимно компенсируются



Согласно ГОСТу изображать схемы магнитных усилителей можно так, как показано на рис 2.4, а,б.


Магнитный усилитель может иметь несколько обмоток управления. В этом случае в рабочем режиме ток в нагрузке будет определяться суммарным приведенным током с управлением и в соответствии с законом равенства средних значений намагничивающих сил:


где n - число обмоток управления; - приведенное к рабочей обмотке значение тока управления в i - обмотке.

Таким образом, магнитный усилитель может быть использован как сумматор электрически не связанных сигналов.

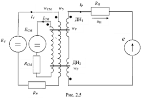
Характеристики магнитного усилителя можно сместить относительно начала координат. Пусть усилитель имеет две обмотки управления (рис. 2.5).

Первая из них будет управляющей обмоткой wУ, по которой протекает управляющий ток IУ, а вторую обмотку называют обмоткой смещения wСМ. Если по обмотке смещения пропустить постоянный неизменный ток, то характеристика управления IР = IР(IУ) будет смещена относительно начала координат на величину тока I′СМ (рис. 2.5).


Смещение позволяет выбрать начальную точку ДМУ в любом месте характеристики; это делает усилитель чувствительным к полярности: при положительной полярности IР растет (рис. 2.6,а), а при отрицательной - уменьшается (рис. 2.6,б).


1.2 Параметры магнитных усилителей


Параметры разделяют на статические и динамические. Статические параметры характеризуют магнитный усилитель в статическом режиме. Основными статическими параметрами для ДМУ являются:

Коэффициент полезного действия рабочей цепи


где мощность, потребляемая в нагрузке (полезная); - мощность, потребляемая от источника.

Коэффициент усиления тока - это соотношение приращения тока в нагрузке ΔIН к соответствующему приращению тока управления ΔIУ:


Коэффициент усиления напряжения - это соотношение приращения напряжения на нагрузке ΔUН к соответствующему приращению напряжения управления ΔUУ:


Коэффициент усиления мощности


Коэффициент кратности, показывающий, во сколько раз может изменяться ток (или напряжения) в нагрузке:


где IН. МАКС - максимальный ток в нагрузке; - ток холостого хода.

С подачей управляющего напряжения ЕУ или с его изменением новый режим ДМУ устанавливается не сразу, идет переходной процесс. Динамические параметры характеризуют скорость переходного процесса. К ним относятся следующие параметры.

Время задержки. Это время с момента подачи управляющего напряжения до достижения одним из дросселей насыщенного состояния:


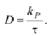
Длительность переходного процесса после задержки характеризуется постоянной времени магнитного усилителя.

Постоянную времени можно определить по формуле


Добротность магнитного усилителя


Добротность связывает статические и динамические параметры магнитного усилителя. Численно она равна коэффициенту мощности магнитного усилителя, если его постоянная времени равна одной секунде.

1.3 Дроссели насыщения с самоподмагничиванием


Схема простейшего ДН с самоподмагничиванием (МУС) приведена на рис. 2.7. Цепь управления ДН состоит из обмотки управления wУ, балластного сопротивления ZБ и источника управляющего напряжения ЕУ. Рабочая цепь - из последовательно включенных рабочей обмотки wР, источника напряжения е с частотой f, нагрузки RН и диода VD. Именно диодом в рабочей цепи отличается дроссель с самоподмагничиванием от дросселя на рис. 2.1.

Благодаря диоду, по рабочим обмоткам ДН может протекать только однополупериодный, выпрямленный ток - в этом принципиальное отличие ДН с самоподмагничиванием от иных дросселей.

Постоянная составляющая тока в рабочей обмотке подмагничивает ДН и при отсутствии тока управления, поэтому такой дроссель называется с самоподмагничиванием. С изменением тока управления изменяется суммарное подмагничивание дросселя, в результате изменяются ток и напряжение на нагрузке. При этом, как правило, меньшим током или меньшей мощностью в цепи управления управляют большим током или большей мощностью в нагрузке.

ДН с самоподмагничиванием на одном сердечнике обусловливает в нагрузке однополупериодный выпрямленный ток и называется однополупериодным МУС. Применение его ограничено тем, что нагрузку нельзя включить на переменном токе и, кроме того, как и в простейшем ДН без подмагничивания, балластное сопротивление должно быть велико, для того чтобы трансформируемое из рабочей цепи переменное напряжение не создавало тока в цепи управления.


Балластное сопротивление делает схему неэкономичной. В этом случае часто оказывается целесообразным использовать ДН с самоподмагничиванием на двух сердечниках, каждый из которых представляет простейший ДН с самоподмагничиванием и имеет в своей рабочей цепи диод.

Схемы на двух ДН обеспечивают двухполупериодный ток в нагрузке (переменный или постоянный выпрямленный) и не нуждаются в балластном сопротивлении в цепи управления.

Однополупериодный МУС входит как основная структурная ячейка практически во все более сложные МУС; имеет и самостоятельное применение в бесконтактных электроаппаратах.

На основе однополупериодного МУС разработаны измерительные трансформаторы постоянного тока, стабилизаторы напряжения, регулируемые трансформаторы, датчики положения и другие специальные схемы магнитных усилителей.

2. Полупроводниковые бесконтактные элементы электрических аппаратов

 

.1 Бесконтактные полупроводниковые реле


Основными элементами бесконтактных полупроводниковых электрических аппаратов являются релейные и импульсные усилители, выполненные на различных полупроводниковых приборах, главным образом на транзисторах, тиристорах и специальных диодах.

Рассмотрим режимы работы транзистора. В зависимости от того, какой электрод тиристора является общим при подключении управляющего напряжения и напряжения источника питания, различают схемы с общим эмиттером, общей базой и общим коллектором. Схема с общим эмиттером (ОЭ) обладает наибольшим усилением мощности и поэтому имеет преимущественное применение в бесконтактных электрических аппаратах. На рис. 4.1,а приведен транзистор типа р - n - p, включенный по схеме ОЭ, и показаны положительные направления токов и напряжений на его электродах; на рис. 4.1,б показаны вольт-амперные характеристики при разных токах базы, для простоты характеристики представлены отрезками прямых.


Отметим, что IК0 - обратный ток коллекторного перехода.

Характеристики на рис. 2.1,б показывают, что транзистор может находиться в трех состояниях (режимах):

. Режим отсечки - транзистор полностью закрыт iК ≈ 0.

. Режим активный - транзистор управляется и находится в режиме усиления сигналов.

. Режим насыщения - транзистор полностью открыт, напряжение uКЭ очень мало, и можно для расчетов принять uКЭН= 0.

На рис. 4.2,а приведена схема простейшего однокаскадного усилителя с ОЭ на транзисторе типа n - p - n


На рис. 4.2,б приведена характеристика управления uКЭ(uУ). В зависимости от величины сигнала управления транзистор может быть переведен в различные режимы. Если сигнал управления изменяется на такую величину, что обеспечивает переход транзистора из отсечки в насыщение (или наоборот), то однокаскадный усилитель (рис. 4.2,а) представляет собой простейший бесконтактный ключ. Действительно, в состоянии насыщения на транзисторе падает малое напряжение uКЭН << ЕК (по аналогии с контактом - ключ замкнут), а в состоянии отсечки через транзистор протекает малый ток iК = IК0 << IКH (ключ разомкнут). Усилители на транзисторе в ключевом режиме малогабаритны, имеют высокий КПД, высокий коэффициент усиления мощности.

В тех случаях, когда требуется более высокий коэффициент усиления мощности, чем коэффициент у однокаскадного усилителя, то используют двухкаскадный усилитель.

Схема такого усилителя приведена на рис. 4.3. Он состоит из двух простейших усилителей с ОЭ и выполненных соответственно на транзисторах VT1 и VT2. Оба усилителя (каскада) включены на общее напряжение ЕК . Выходное напряжение первого усилителя является входным управляющим напряжением второго усилителя.


Напряжение управления uУ1 подается на вход первого транзистора. Если параметры усилителя таковы, что оба находятся в активном состоянии, то с уменьшением напряжения управления транзистор VT1 постепенно закрывается и напряжение uКЭ1 возрастает. Это влечет за собой увеличение тока базы второго транзистора VT2, постепенное открытие этого транзистора и соответственно уменьшение напряжения uКЭ2 на его коллекторе. И наоборот, если uУ1 увеличивается, то уменьшается uКЭ1, VT2 закрывается и возрастает uКЭ2. Однако полное закрывание транзистора было бы невозможно, если бы отсутствовал диод VD1, потому что при полном насыщении транзистора VT1 напряжение uКЭ1 остается положительным и не дает полностью перевести VT2 в режим отсечки.

Чтобы полностью закрыть транзистор, необходимо ввести в схему дополнительный источник смещения для транзистора VT2 либо сделать так, как на схеме рис. 4.3. Здесь запирающее напряжение создается от напряжения питания.

На основе транзисторных реле можно создать различные по назначению и по мощности бесконтактные реле, например реле контроля (фотореле, термореле, реле напряжения или тока); реле времени; выходные реле и другие. Релейные элементы можно выполнить на полупроводниковых приборах, которые имеют вольт-амперные характеристики с отрицательным дифференциальным сопротивлением du/di < 0. Эта область является неустойчивой, и при достижении этой области происходит скачкообразный переход из одной устойчивой области в другую устойчивую область. К таким полупроводниковым приборам относятся туннельные диоды, двухбазовые диоды, динисторы и тиристоры. Наиболее широкое применение нашли бесконтактные аппараты на основе тиристоров.

 

.2 Транзисторные усилители с обратной связью


Для того чтобы усилитель перевести в релейный режим, т. е. при достижении определенного уровня напряжения управления усилитель скачкообразно переходит из режима отсечки в режим насыщения или наоборот, необходимо ввести в схему усилителя положительную обратную связь.

Обратную связь можно сделать по напряжению, току и комбинированную (по напряжению и по току одновременно).

Схема усилителя с обратной связью по напряжению приведена рис. 4.4.

Выходное напряжение uКЭ2 двухкаскадного усилителя, снимаемое с коллектора VТ2, через сопротивление RК.О. обратной связи подается обратно на вход усилителя, на базу транзистора VT1 параллельно входному сигналу uУ1. Поэтому обратную связь (ОС) по напряжению называют также коллекторной, или параллельной.

Обратная связь положительная, так как приращению сигнала управления одного знака соответствует приращение выходного напряжения того же знака, которое возвращаясь на вход усиливает действие входного сигнала. С уменьшением RК.О. увеличивается коэффициент прямоугольности. При определенном значении RК.О. усилитель переходит в релейный режим



Ток нагрузки iН, проходя по сопротивлению обратной связи RО.Э, создает на нем падение напряжение, которое воздействует на вход усилителя совместно с сигналом управления uУ , т. е. на вход усилителя подается сигнал, пропорциональный току нагрузки. Так как сопротивление обратной связи включено в цепи эмиттеров VT1 и VT2, а создаваемое на нем напряжение обратной связи uО.С оказывается включенным последовательно с входным сигналом, то ОС по току называют также эмиттерной, или последовательной.

Усилитель с комбинированной обратной связью имеет одновременно обратную связь по напряжению и по току.

транзисторный усилитель дроссель тиристорный

3. Тиристорные коммутационные аппараты

 

.1 Тиристорные коммутационные аппараты постоянного тока


Тиристоры - это полупроводниковые приборы, выполненные на основе четырехслойной полупроводниковой структуры. Тиристоры выполняются как на малые токи и напряжения, так и на большие и способны включать и отключать установки мощностью до сотен киловатт, т. е. выполнять роль силовых переключателей (контакторов, пускателей и др.). Тиристоры имеют выводы от двух крайних областей (анода и катода) и внутренней базовой области (управляющего электрода). На рис. 5.1 приведена вольт-амперная характеристика тиристора.

Когда на анод подан положительный потенциал, при возрастании напряжения до величины Uп.max ток через тиристор будет небольшим. Это соответствует отключенному состоянию (участок 1). При достижении напряжения, соответствующего переключению тиристора Uп.max, резко уменьшается его внутреннее сопротивление (участок 2) и тиристор переходит во включенное состояние (участок 3). Падение напряжения на тиристоре становится небольшим (единицы вольтов) и величина тока определяется сопротивлением внешней нагрузки, включенным в анодную цепь.

Напряжение переключения (Uп.max) имеет максимальное значение при отсутствии тока в цепи управляющего электрода. Uп.max зависит от типа (класса) тиристора. При увеличении тока управления величина напряжения переключения падает. При токе управления порядка I = 100 мА оно уменьшается до нескольких десятков вольтов. Выключенное состояние тиристора (участок 4) характеризуется допустимым обратным напряжением.обр тоже зависит от типа (класса) тиристора. Значения Uп.max, Uобр., I для разных типов тиристоров различны.

Тиристор может оставаться включенным длительное время даже при отсутствии тока в цепи управляющего электрода. Номинальные токи мощных тиристоров определяются сотнями и тысячами амперов. Коэффициенты усиления тиристоров по току (отношение анодного тока к току в цепи управляющего электрода) достигают , а по мощности оказываются еще более высокими.


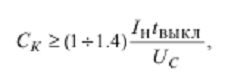
Отключение производится понижением напряжения на тиристоре до напряжения меньше UВЫКЛ. Тиристор переходит также в выключенное состояние при анодном токе, равном 0. Понижение напряжения может быть произведено или за счет понижения напряжения питания Е или шунтирования тиристора ключом. Подача запирающего напряжения уменьшает время выключения до 5 - 25 мкс вместо 100 мкс и более. В качестве источника запирающего напряжения обычно используется коммутирующий конденсатор СК.


где IH - ток нагрузки во время коммутации; UC - напряжение на конденсаторе; tВЫКЛ - время выключения.

Ввиду малости времени выключения, даже при больших выключаемых токах емкость конденсатора получается сравнительно небольшой.

Для включения тиристоров используют схемы включения. При этом длительность времени подачи управляющего сигнала должна быть несколько больше времени включения тиристора, т. е можно использовать импульсы длительностью больше времени включения тиристора. Схема подачи управляющего сигнала показана на рис. 5.2


Способы формирования управляющего сигнала ey и его подачи на управляющий электрод тиристора могут быть различными (контактные и бесконтактные ключи, использование источников постоянного и переменного напряжений, магнитные усилители, импульсные трансформаторы). При этом в качестве источника управляющего напряжения можно непосредственно использовать напряжение питания Е. На рис. 5.3 приведена схема релейного усилителя с питанием от источника постоянного тока. В качестве управляющего напряжения здесь используется источник нагрузки. Включение этого устройства происходит при подаче небольшого сигнала на управляющий электрод тиристора VS1.

Этот сигнал подается с помощью кнопки включения K1. Тиристор VS1 отпирается, и напряжение в сети подводится к нагрузке. Для запирания тиристора VS1 собирается цепочка, состоящая из зарядного сопротивления R1 и емкости C. Заряд емкости С происходит одновременно с отпиранием тиристора Т1 по цепи R1 - C - VS1. Запирание тиристора VS1 происходит после того, как к нему прикладывается обратное напряжение, т. е. после включения кнопки запирания К2 предварительно заряженный конденсатор С, имеющий обратные полярности приложенного напряжения, подключается к электродам тиристора VS1. Постоянная времени R1C должна быть достаточно большой, чтобы на VS1 сохранилось обратное напряжение до тех пор, пока он не восстановит способность запирать прямое напряжение. Тиристор VS1 выбирается в соответствии с максимальным током нагрузки. Минимальная величина коммутирующей емкости С определяется при активной нагрузке по формуле


где tзап - время запирания тиристора, I - максимальный ток нагрузки в момент коммутации, U - значение напряжения на конденсаторе. Сопротивление R1 выбирается из условия R1 ≤ (0,1...0,01) RЗ , где RЗ - минимальное сопротивление тиристора в прямом закрытом состоянии.

Если нагрузка носит индуктивный характер, то для снятия перенапряжений на тиристоре VS1 во время коммутации необходимо, чтобы нагрузка была зашунтирована неуправляемым вентилем VD. Кроме рассмотренных тиристоров, существуют двуоперационные тиристоры, которые выключаются путем подачи отрицательного тока в цепь управления тиристора. Такой способ не требует дополнительных элементов в силовой цепи для выключения тиристора.

Однако схема управления двухоперационного тиристора намного сложнее, чем у простого(однооперационного) тиристора. Кроме этого, ток управления для выключения тиристора соизмерим с током нагрузки. Поэтому на практике более широкое распространение получили схемы на однооперационном тиристоре.

 

.2 Тиристорные коммутационные аппараты переменного тока


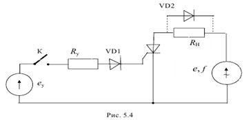
При питании тиристорного усилителя от источника переменного тока не нужны специальные устройства для выключения тиристора: с окончанием положительного полупериода, когда силовой ток уменьшается до величины IВЫКЛ, тиристор автоматически выключается. Поэтому усилители с питанием от переменного тока получили наибольшее распространение. На рис. 5.4 приведена схема однополупериодного усилителя выпрямителя), который служит основной структурной ячейкой для построения более сложных схем. Резистор Ry ограничивает ток управления. Диод VD1 защищает управляющий переход тиристора от обратного напряжения и цепь управления от обратного тока. Напряжение источника управления может быть постоянным, переменным, выпрямленным и импульсным.


В зависимости от метода управления ключом возможны два режима работы тиристорного усилителя: а) режим выключателя, аналогичный релейному режиму магнитных усилителей. Ключ К или все время разомкнут, и тиристор не включается, практически не пропускает ток в нагрузку; или К замкнут и тиристор каждый положительный период открыт и пропускает ток на нагрузку почти полностью напряжение питания. Такой режим работы используется для включения и отключения нагрузки от напряжения питания, подобно обычному контактору или реле; б) режим в котором возможны не только включение и отключение нагрузки, но и плавная регулировка среднего значения напряжения на нагрузке. Достигается он путем замыкания и размыкания ключа с частотой сети f; ключ замыкается в каждый положительный полупериод напряжения питания, но в разные, считая от начала полупериода, моменты времени. Меняя момент замыкания ключа, изменяют тем самым момент включения тиристора tS. (рис. 5.5). Пренебрегая током утечки через запертый тиристор и остаточным напряжением при его насыщении, получаем


где Е - среднее за период напряжение питания. Из (5.1) видно, что, изменяя момент замыкания К от tS = Т/2 до tS = 0, можно менять среднее значение от 0 до максимального, равного Е/2 (рис. 5.5). В процессе плавного регулирования изменяются ширина усеченной полусинусоиды uН , а также момент tS (или угол, фаза ωtS) подачи управляющего сигнала.


Поэтому этот режим называют еще широтно-импульсной модуляцией, или фазовым управлением. Такой режим используется в различного рода пускорегулирующей аппаратуре, в преобразователях, регуляторах и стабилизаторах. Оба режима работы широко используются в бесконтактных электрических аппаратах, выполненных на базе тиристорных усилителей. Рассмотрим несколько примеров применения тиристорных усилителей. Схемы двухполупериодных и трехфазных усилителей выполняются на базе рассмотренного выше однополупериодного усилителя и могут быть с нагрузкой на постоянном токе (управляемые выпрямители) и с нагрузкой на переменном токе. На рис. 5.6 представлен трехфазный усилитель (выпрямитель) с нагрузкой на постоянном токе.


На рис. 5.7 представлена схема усилителя с нагрузкой на переменном токе. Эта схема однофазная, с двумя «встречно-параллельно» включенными тиристорами имеет наибольшее распространение. Она, по существу, представляет два простейших однополупериодных усилителя, включенными на одну нагрузку. Цепи управления каждого тиристора не должны иметь электрической связи друг с другом. Схема трехфазного усилителя на рис. 5.8 состоит из трех однофазных усилителей со встречно-параллельными тиристорами, включенными на каждую фазу. В принципе, работа усилителей каждой фазы аналогична работе однофазной схемы.


В каждой паре встречно-параллельных вентилей один может быть неуправляемым обычным диодом. Работа тиристоров в этой схеме от этого не меняется. Но максимальное время выключения усилителя увеличивается до двух полупериодов. При частоте 50 Гц это время равно 20 мс.

 


4. Софтстартеры

 

.1 Назначение и область применения


Цифровые устройства плавного пуска на основе тиристорного регулятора напряжения (ТРН) или софтстартеры (softstarter <#"729460.files/image037.gif">

Рис.1 Схема подключения ТРН

Тиристорный регулятор напряжения (ТРН) подключается к силовой энергосистеме предприятия таким образом, чтобы, в случае его отказа или вывода в ремонт, включение всех двигателей могло осуществляться по существующей в настоящее время штатной схеме прямого пуска.

Подключение ТРН к питающей шине высокого напряжения 6 (10)кВ осуществляется через вводной выключатель QT1.

Подключение ТРН к электродвигателю при плавном пуске осуществляется через пусковую секцию шин и соответствующий пусковой выключатель QП1…8, размещенные в шкафу пусковых выключателей (контакторов) ШПВ.

После окончания разгона и достижения скорости вращения ротора ЭД близкой к номинальной, двигатель подключается к сети 6кВ существующим рабочим выключателем QPх (где х - номер запускаемого ЭД). При этом отключается пусковой выключатель QПх и ТРН переходит в режим подготовки к плавному пуску следующего двигателя.

Непосредственное управление и защита преобразователя ТРН выполнена на базе современной микропроцессорной системы. Сигнал оператора о начале плавного пуска, а также выбор номера запускаемого двигателя осуществляется местно - с панели управления на шкафу ТРН или дистанционно от АСУ ТП по согласованному с производителем ТРН протоколу обмена данными с верхним уровнем, оборудованным SCADA-интерфейсом (по запросу). Передача данных в цифровом виде может быть реализована по каналам Ethernet, Modbus или Profibus DP.

Включение и отключение вводных, пусковых и рабочих выключателей, разгон двигателя и переключение на сеть выполняются электроникой ТРН в автоматическом режиме и не требуют присутствия оперативного персонала.

4.3 Цифровые устройства плавного пуска серии STAT


Устройства плавного пуска серии STAT выполненных по схеме ТРН. Фотография устройства приведена на рис. 2

Рис.2 Фотография устройства плавного пуска серии STAT (статический тиристорный преобразователь напряжения)

Основные параметры устройств плавного пуска серии STAT приведены в таблице 1. Габаритные размеры оборудования приведены в таблице 2

Таблица 1.

Напряжение / Ток*

Мощность, кВт


80А

160А

260А

350А

450А

600А

6600В

710

1600

2500

3150

4500

5600

11000В

1250

2500

4000

5600

7100

9000

* - номинальный длительный ток

Таблица 2.

Напряжение

ШРН

ШВ

ШПВ


В, мм

Ш, мм

Г, мм

В, мм

Ш, мм

Г, мм

В, мм

Ш, мм

Г, мм

6600В

2340

800

1200

2340

800

1200

2340

1200*n/2

1200

11000В

2340

800

1400

800

1400

2340

1200*n/2

1400

/2 - число секций ШПВ. Если n (число двигателей) - нечетное, то n/2 округляется до целого в большую сторону

Рис.3. Устройство плавного пуска серии STAT - стандартная комплектация, опции

Пример обозначения: STAT600M6K6A113: устройство плавного пуска серии STAT (тиристорный преобразователь напряжения), ток 600 A, морское исполнение, 6600В переменного напряжения, реле защиты двигателя не включено, есть байпасный контактор, вводной контактор, разъединитель c заземлителем, комплект высоковольтных предохранителей (ШРН и ШВ с опциями 1 и 2).

Технические параметры оборудования

 

.4 Шкаф регулятора напряжения


ШРН представляет собой шкаф с двухсторонним обслуживанием, конструкция которого обеспечивает минимальные сроки технического обслуживания и ремонта.

В каждом тиристорном модуле установлены последовательно соединенные (двунаправленные) тиристоры, число которых подбирается в зависимости от класса высокого питающего напряжения

Охлаждение тепловыделяющих элементов ШРН: тиристоров и резисторов демпфирующих цепочек - воздушное или принудительное воздушное.

4.5 Система управления


Система управления установлена в секции шкафа, изолированной от высоковольтной части. Доступ к местной операторной панели управления осуществляется с лицевой стороны шкафа.

Система управления обеспечивает плавный пуск двигателя с заданным значением тока статора и переключение на сеть, а также аварийную остановку работы оборудования при срабатывании внутренних или внешних защит.

Защиты устройства плавного пуска и двигателя:

·        защита от потери питания

·              внешние защиты (удаленный стоп и др.)

·              защита от перегрузки по току

·              защита от зависания программы

·              защита от торможения двигателя

Программируемые настройки:

·        основные данные устройства плавного пуска

·              аналоговые / цифровые входы и выходы

·              регулирование и ограничение тока

·              предупредительные и защитные уставки

·              мониторинг

Шкаф пусковых выключателей

Шкаф пусковых выключателей (ШПВ) предназначен для подключения ТРН к одному из запускаемых плавным пуском электродвигателей.

В каждом шкафу установлено по два независимых контактора, подключенных с одной стороны к общей пусковой шине, а с другой стороны к одному из электродвигателей при помощи кабеля.

Подвод кабеля к выключателю шкафа ШПВ осуществляется снизу.

4.5 Основные технические данные


Отклонение входного рабочего напряжения: ±10%

Частота: 50/60 Гц ±5%

Сигналы управления: по световодам обеспечивают гальваническую развязку с высоковольтной частью.

Удаленное управление: по выделенным цифровым входам (24 В постоянного напряжения и 230 В переменного напряжения).

Удаленный мониторинг по выделенным цифровым выходам (сухие контакты).

Регулирование ограничений по току: в пределах

- 400% (по запросу потребителя)

Регулирование времени разгона: в интервале 1..30с.

Количество пусков: 2..3 в час при максимально допустимых режимах двигателя (чаще - с принудительным воздушным охлаждением)

Стандартное исполнение: применяется для эксплуатации при температуре окружающей среды от 0 до +40°C

Степень защиты шкафа: IP31

Цвет шкафа: RAL-7035

Кабельный ввод: снизу с лицевой стороны (другие варианты - по запросу)

Передача данных: опционная плата Profibus

Морское исполнение, технические данные:

Конструкция шкафа: рассчитана на максимальную температуру окружающей среды +45°C

Печатные платы: имеют тропическое исполнение

Материал для шин: используется медь

Допустимое отклонение напряжения: +6/-10% припостоянном режиме и +/-20% при кратковременном воздействии в течение 1,5с

Допустимое отклонение частоты: +/-5% при постоянном режиме и +/-10% при кратковременном воздействии в течение 5с

Основные электрические компоненты: соответствуют требованиям морских стандартов (регистров) типа (ABS, Lloyd, Rina, DNV...)

Проводятся испытания на: виброустойчивость и механическую прочность

Проводится проверка на: работоспособность в требуемых диапазонах рабочего напряжения

При техническом обслуживании:

Подъем за рым-болты и ручное перемещение

Возможность блокировки и фиксации дверей

Возможность изолирования софтстартера с помощью вручную отсоединяемых шин (для исполнений с внутренним или внешним байпасным контактором)

Возможность прямого пуска двигателя (в случае аварии тиристорного преобразователя напряжения, двигатель можно пустить напрямую через байпасный контактор)

Интерфейс человек-машина


Возможно выполнять локально: Измерения, Установка Параметров, Просмотр Неисправностей, Диагностика Оборудования

Заключение


В настоящее время бесконтактные электрические аппараты широко применяются в промышленности особенно в автоматизированном электроприводе, на транспорте, в металлургии, самолетостроении и других областях техники. Это стало возможным благодаря прогрессу в области производства высококачественных магнитных материалов и полупроводниковых приборов. С каждым годом растут число разработок и выпуск бесконтактных аппаратов, велико их многообразие, что, несомненно, способствует научно-техническому прогрессу.

Список литературы


1. Бесконтактные электрические аппараты учебно-методический комплекс

Похожие работы на - Бесконтактные регуляторы напряжения

 

Не нашли материал для своей работы?
Поможем написать уникальную работу
Без плагиата!
Без нейросетей!