Автоматизированная система измерения амплитудных и амплитудно-частотных характеристик усилителей

  • Вид работы:
    Курсовая работа (т)
  • Предмет:
    Информатика, ВТ, телекоммуникации
  • Язык:
    Русский
    ,
    Формат файла:
    MS Word
    209,08 Кб
  • Опубликовано:
    2013-12-07
Вы можете узнать стоимость помощи в написании студенческой работы.
Помощь в написании работы, которую точно примут!

Автоматизированная система измерения амплитудных и амплитудно-частотных характеристик усилителей















Курсовая работа по дисциплине

«Микропроцессорные системы в измерительной технике»

Автоматизированная система измерения амплитудных и амплитудно-частотных характеристик усилителей









Казань 2013г.

Задание на курсовую работу

Автоматизированная система измерения амплитудных и амплитудно-частотных характеристик усилителей.

Разработать автоматизированную систему снятия амплитудных и амплитудно-частотных характеристик усилителей. Система включает в себя измерительный канал и канал формирования испытательных сигналов.

Погрешность оценки амплитудных значений на выходе измерительного канала £ 0,1 %; диапазон формируемых системой гармонических испытательных сигналов, подаваемых на усилитель - (0,001¸5) В; погрешность формирования амплитуды - 0,1%; дискретность задания амплитуды - 2-8. Рабочий частотный диапазон - (1¸10000) Гц; дискретность установки частоты - 1 Гц. Необходимо предусмотреть возможность передачи данных по цифровому каналу связи.

Содержание расчетно-пояснительной записки (перечень подлежащих разработке вопросов к исходные данные к ним):

. Провести обзорную проработку темы работы (назначение, аналоги, актуальность разработки).

. Разработать структурную и функциональную схемы системы.

. Провести расчет системных параметров и обоснование выбора микропроцессорной части измерительного канала.

Анализа задания и обзор тематики

Как известно, при разработке различной радиоэлектронной аппаратуры одним из важнейших этапов работы является изготовление опытного образца или макета, его настройка и проверка его параметров на соответствие техническому заданию. На этом этапе необходим тщательный подбор комплекса контрольно-измерительного оборудования для исследования параметров опытного образца разрабатываемого изделия с заданной точностью. При этом нужно иметь ввиду, что спектр вновь разрабатываемых и выпускаемых изделий очень широк и, соответственно, велик перечень параметров и диапазон изменения их значений.

То же касается и реакции различных испытуемых устройств на эти воздействия. В связи с этим использовать один-единственный измерительный комплекс на все случаи жизни на сегодняшний день совершенно нереально. Вместе с тем, для изделий или узлов общего назначения (усилители, фильтры, преобразователи, детекторы, модуляторы и т. п.) существуют некоторые однотипные наборы характеристик, например: амплитудная, амплитудно-частотная, фазо-частотная, импульсная, переходная и т. п., которые снимаются с помощью одних и тех классов измерительной аппаратуры.

В реальной жизни эта задача усложняется тем, что практически каждый вид воздействия требует своего источника тестирующих сигналов с требуемыми формой (синусоидальная, прямоугольная, дельта-импульсная, пилообразная, треугольная и т. п.) и числовыми амплитудными и временными параметрами. В качестве регистратора-измерителя чаще всего используются осциллографы или вольтметры. Поэтому, при достаточно большом количестве исследуемых параметров или широком диапазоне изменения этих параметров парк измерительной аппаратуры соответственно расширяется. Применение большого парка измерительной аппаратуры при исследовании радиоэлектронных устройств одного класса приводит к снижению производительности из-за увеличения времени проведения измерений за счет большого количества коммутаций сигнальных кабелей, а так же к повышению себестоимости работы вследствие значительной суммарной стоимости парка используемого оборудования и повышению трудоемкости анализа и сохранения результатов измерений даже с применением компьютера, т. к. эти результаты приходится вводить вручную. Кроме того, существенно увеличивается загруженность рабочего места ввиду немалых суммарных габаритов всего комплекса приборов и общая потребляемая мощность.

Очевидно, что для снижения этих временных и финансовых затрат целесообразно использование специализированного измерительного оборудования, с помощью которого можно проверять максимально возможное количество параметров исследуемого устройства, изменяя лишь режимы работы при минимальном количестве коммутационных операций. В идеале такое изменение режимов должно производиться полностью автоматически в соответствие с заданной программой измерений (сценарием). Примером подобного рода аппаратуры являются различные приборы для снятия амплитудно-частотных характеристик (АЧХ-метры), в которых совмещены синхронно работающие генератор синусоидального сигнала с изменяемой в заданном диапазоне частотой и индикатор результирующей амплитудно-частотной характеристики в осях «Амплитуда частота» с возможностью курсорных измерений ее числовых параметров. Аналогичным образом устроены измерители КСВН (приборы для измерения коэффициента стоячей волны), рефлектометры (приборы для измерения параметров кабельных линий и обнаружения отклонения этих параметров от заданных допустимых значений), B-H анализаторы (приборы для измерения характеристик магнитных материалов), ВАХ-метры (приборы для снятия семейств вольтамперных, фарад-амперных и т. п. характеристик электровакуумных и полупроводниковых приборов).

Все эти приборы предназначены для работы в различных областях измерений, но не являются в полной мере универсальными, т. к. чаще всего решают только одну измерительную задачу, хотя и довольно сложную. Так, например, с помощью АЧХ-метра снимается или настраивается амплитудно-частотная характеристика устройства, но для снятия другой, например, амплитудной, характеристики того же изделия в общем случае необходимо использовать другой комплект измерительной аппаратуры. Вместе с тем, использование современных компьютерных технологий позволяет несколько приблизиться к созданию единого универсального измерительного комплекса. Основной задачей при этом является разработка аппаратной части генератора тестирующих сигналов с максимально широким диапазоном временных и амплитудных характеристик сигналов необходимой формы и регистратора-измерителя реакции (отклика) на входные воздействия с параметрами, согласованными с параметрами генератора. Обязательным условием при создании таких комплексов является возможность программного управления генератором и регистратором от внешнего или от встроенного компьютера (программного модуля). Наличие такого управления при фиксированном аппаратном обеспечении позволяет автоматизировать процесс измерений, гибко меняя измерительные задачи по запрограммированному сценарию в зависимости от потребностей пользователя, практически не производя при этом или сводя к минимуму операции коммутации при исследовании одного изделия. Это особенно удобно для потокового контроля однотипных изделий. Протоколирование процесса тестирования полностью автоматизируется, однако при этом сохраняется возможность контроля и анализа в любой момент времени.

Чаще всего для измерений используются генераторы напряжения и регистраторы с входами по напряжению, но при использовании дополнительных соответствующих преобразователей необходимых физических величин, включая неэлектрические, в напряжение, один и тот же комплекс аппаратуры можно использовать при работе с этими величинами, что значительно расширяет спектр применения такого комплекса. При этом изменению подвергнется только программное обеспечение для адаптации к конкретной задаче и физической величине. В некоторых случаях такие изменения может проводить сам пользователь при достаточной квалификации и открытости программного обеспечения, поставляемого в комплекте с измерительной аппаратурой. Это позволяет резко сократить временные и материальные затраты на обеспечение новой задачи измерительным оборудованием. [1]

Однако, в нашем случае не стоит задача разработки универсального измерительного устройства. Напротив, анализируя ТЗ можно придти к выводу, что автоматизированная система, подлежащая разработке, будет применена довольно в узкой области усилителей класса УНЧ и УПТ (рабочий частотный диапазон только от 1 до 10000 Гц). Поэтому разработку функциональной схемы будем производить на МП-устройстве без учета возможности программного управления извне, а изначально запрограммированного под нашу задачу.

Структурная схема измерителя

Структурная схема микропроцессорного измерителя приведена на рис. 1. Она содержит три основные составляющие: канал формирования тестового (гармонического) сигнала, канал измерения и микропроцессорную систему.

Рис.1

Канал формирования тестового сигнала включает в себя цифроаналоговый преобразователь, интерполятор и аттенюатор. Интерполятор выполняет функцию восстановления сигнала по заданной величине погрешности.

По расчетам - фильтр 3-го порядка, частота дискретизации в k=5 раз выше частоты основной гармоники. Коэффициент деления аттенюатора определяется входным напряжением исследуемого усилителя.

Измерительный канал содержит аналого-цифровой преобразователь, программно-управляемый масштабирующий усилитель и фильтр нижних частот.

Здесь фильтр нижних частот выполняет функцию ограничения полосы частот с целью исключения комбинационных частот, а назначение масштабирующего усилителя - подтягивание выходного сигнала исследуемого усилителя к максимальной шкале аналого-цифрового преобразователя для обеспечения максимальной точности преобразования.

На микропроцессорную систему возложены функции выполнения вычислительных процедур и управления.

Время выборки в измерительном канале, время дискретизации (интервал времени вывода отсчетов сигнала) регулируются МПС в зависимости от частоты основной гармоники. Так же предусмотрено управление МПС с помощью клавиатуры (КВ).

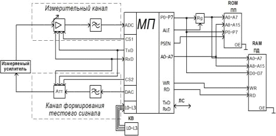
Функциональная схема измерителя

На рис. 2 приведена функциональная схема. На ней более подробно представлена структура канала формирования тестовых сигналов и измерительного канала.

Для оптимизации схемы выбран такой МК, в котором уже есть встроенные АЦП и ЦАП, однако методика их оценки и выбора от этого не изменится. А сформированные оценочные параметры будут использованы не при выборе отдельных устройств АЦП и ЦАП, а при выборе МК.

Рис. 2

Канал формирования тестовых сигналов содержит микроконтроллер, который на выходных линиях порта ввода-вывода формирует цифровой код, соответствующий отсчету тестового сигнала. Линии порта ввода-вывода подключены к входу цифро-аналогового преобразователя (ЦАП). На выходе ЦАП формируется сигнал, соответствующий его максимальной шкале. Это необходимо для исключения потери в точности моделирования тестового сигнала. Выход ЦАП подключен к входу схемы восстановления сигналов. В данном случае - это фильтр нижних частот, порядок которого определяется заданной погрешностью восстановления. Интервал дискретизации ограничивается параметрами ЦАП и составляет 50 мкс.

Необходимая амплитуда выходного сигнала задается с помощью программно-управляемого аттенюатора. С выхода аттенюатора через буферный каскад сигнал поступает на вход исследуемого усилителя.

Измерительный канал включает программно-управляемый дифференциальный усилитель, ФНЧ, аналого-цифровой преобразователь и микроконтроллер. Усилитель построен на базе инвертирующего усилителя и двух цифровых потенциометров. Особенностью измерительного канала является возможность подтягивания амплитуды измеряемого сигнала к максимальной шкале АЦП. Это необходимо для обеспечения максимальной точности по заданной разрядности АЦП (m=12). Максимальное время преобразования АЦП 400 нс.

К микроконтроллеру подключена память данных. Так как выбранный микроконтроллер имеет мультиплексную магистраль, то для фиксации адреса в схему введен регистр защелка, который управляется сигналом ALE.

Связь микроконтроллера с внешней ЭВМ (ПК) осуществляется по интерфейсу RS485.

Распределение погрешности

Заданная погрешность устройства равна ε = 0,1%.

Суммарная среднеквадратическая погрешность оценивается выражением:

,

Допустим, что погрешности устройств между собой некоррелированны. Для исключения потери информации при прохождении сигнала по каналу должно выполняться условие:

.

На основание перечисленных выше условий допустим, что
εОУ = 0,0001%, εАТТ = 0,03%, εФНЧ = 0,04%.

Тогда на долю ЦАП допускается погрешность:

.

Необходимая разрядность АЦП определяется выражением:

.

Выбираем 12-ти разрядный АЦП.

Зная количество двоичных разрядов (N=12) ЦАП погрешность ЦАП можно найти по следующей формуле:

.

Суммарная среднеквадратическая погрешность оценивается выражением:

.

Определение временных параметров

Максимальная частота изменения информации fmax = 10 кГц. Согласно теореме Котельникова интервал дискретизации Δt сигнал не должен превышать:

с.

Для точного восстановления сигнала в аналоговую форму частота дискретизации должна быть не менее

сигнал измеритель амплитудный гармонический

Гц.

Так как система одноканальная, то длительность измерения по каналу должна быть не больше интервала дискретизации: .

Длительность измерения ΔtИЗМ включает длительность коммутации ΔtК, выборки ΔtВ, цифро-аналогового преобразователя ΔtЦАП и ввода информации в ЭВМ ΔtВВ. Под длительностью выборки принимается время заряда запоминающей емкости. Таким образом, суммарное быстродействие канала должно быть следующим:

.

Пусть ΔtК = 200 нс, ΔtВ = 100 нс, у выбранного АЦП ΔtЦАП = 400 нс, тогда длительность ввода информации в ЭВМ не должна превышать:

мкс.

Для обеспечения погрешности 0,1% необходимо выполнить условие:

.

Разрядность ЦАП определяется необходимой разрядностью микроконтроллера на формирование испытательного сигнала. Разрядность находится исходя из дискретности установки частоты и формирования амплитуды в заданном диапазоне.

Максимальная частота имитируемого сигнала равна 10 кГц. Поэтому частоту среза фильтра нижних частот можно задать 11 кГц.

Погрешность восстановления аналогового сигнала зависит от применяемой интерполяции при восстановлении сигнала. Если рассматривать в качестве идеального фильтра ФНЧ, то, например, фильтр Баттеворта по эффективности приближается к устройствам, осуществляющим линейную интерполяцию, особенно с ростом порядка фильтра.

Относительный квадрат ошибки восстановления для интерполирующих фильтров рассчитывается по формуле:

,

где fmax - максимальная частота в спектре сигнала; m - порядок фильтра; T - период коммутации (время выборки ΔtВ или шаг дискретизации).

На практике для уменьшения погрешности восстановления шаг дискретизации (время выборки) выбирают из соотношения

ΔtВ=1/(k2fmax),

причем k=5¸10.

При T = 10 мкс и m = 3 получим, что .

Выбор аппаратной части

Выбор микроконтроллера будем производить исходя из полученных требований:

1.   наличие 12-разрядного АЦП

2.       наличие 12-разрядного ЦАП

.        наличие внешнего интерфейса

.        возможность подключения или наличие 16-битного регистра памяти

.        Общее количество программируемых выходов >10

Поиск будем проводить на сайте производителей. Под наши условия (и даже с запасом) подходит MSP430F2619S-HT фирмы Texas Instruments [6]

Рис. 3

·        Low Supply Voltage Range 1.8 V to 3.6 V

·              Ultralow-Power Consumption

o   Active Mode: 365 µA at 1 MHz, 2.2 V

o     Standby Mode (VLO): 0.5 µA

o     Off Mode (RAM Retention): 0.1 µA

·        Wake-Up From Standby Mode in Less than 1 µs

·              16-Bit RISC Architecture, 62.5-ns Instruction Cycle Time

·              Three-Channel Internal DMA

·              12-Bit Analog-to-Digital (A/D) Converter With Internal Reference, Sample-and-Hold, and Autoscan Feature

·              Dual 12-Bit Digital-to-Analog (D/A) Converters With Synchronization

·              16-Bit Timer_A With Three Capture/Compare Registers

·              16-Bit Timer_B With Seven Capture/Compare-With-Shadow Registers

·              On-Chip Comparator

·              Four Universal Serial Communication Interfaces (USCIs)

o   USCI_A0 and USCI_A1

§  Enhanced UART Supporting Auto-Baud-Rate Detection (LIN)

§   IrDA Encoder and Decoder

§   Synchronous SPI

o   USCI_B0 and USCI_B1

§  I2C™

§   Synchronous SPI

·        Supply Voltage Supervisor/Monitor With Programmable Level Detection

·              Brownout Detector

·              Bootstrap Loader

·              Serial Onboard Programming, No External Programming Voltage Needed Programmable Code Protection by Security Fuse

·              MSP430F2619S 120 kB + 256 B Flash Memory, 4 kB RAM

·              Available in 64-Pin QFP and KDG Packages

·              For Complete Module Descriptions, Refer to the MSP430x2xx Family User’s Guide (SLAU144)

·              APPLICATIONS

o   Controlled Baseline

o     One Assembly/Test Site

o     One Fabrication Site

o     Extended Product Life Cycle

o     Extended Product-Change Notification

o     Product Traceability

o     Texas Instruments high temperature products utilize highly optimized silicon (die) solutions with design and process enhancements to maximize performance over extended temperatures.

Список литературы

1.   Мирский Г.Я. Электронные измерения: 4-е изд., перераб. и доп. - М.: Радио и связь, 1986. - 440 с., ил. ББК 32.842, УДК 621.317.3(024).

2.       Проектирование автоматизированных систем измерения, контроля и управления РЭС: Учебное пособие. Казань: Изд-во Казан. гос. техн. ун-та, 1999. 40 с. УДК 681.518.3

Похожие работы на - Автоматизированная система измерения амплитудных и амплитудно-частотных характеристик усилителей

 

Не нашли материал для своей работы?
Поможем написать уникальную работу
Без плагиата!
Без нейросетей!