|
Размерная
цепь
|
|
P,%
|
λ
|
А1
|
А2
|
А3
|
А4
|
А5
|
А∆
|
|
0,27
|
1/6
|
100
|
10
|
16
|
45
|
12
|
1-0,38
|
Рисунок 1 - Рисунок по варианту(№5)
1. Выбор посадок гладких сопряжений
Действующие стандарты:
ГОСТ 25346-89 Основные нормы взаимозаменяемости.
ЕСДП. Общие положения, ряды допусков и основных отклонений.
ГОСТ 25347-82 Основные нормы взаимозаменяемости.
ЕСДП. Поля допусков и рекомендуемые посадки.
ГОСТ 8338-75 Подшипники шариковые, радиальные
однорядные. Основные размеры.
ГОСТ 520-89 Подшипники качения. Общие
технические условия.
ГОСТ 3325-85 Подшипники качения. Поля допусков и
технические требования к посадочным поверхностям валов и корпусов. Посадки.
1.1 Выбор посадок подшипников
качения
По ГОСТ 8338- 75 выбран однородный подшипник
качения 205, легкой серии с размерами:
Внутренний диаметр внутреннего кольца d
= 30 мм.
Диаметр наружного кольца D
= 62 мм.
Ширина кольца B
= 16 мм.
Нагрузка R
= 8 Кн, вибрации, толчки умеренные, перегрузка до 150%.
Посадка наружного кольца в корпусе:
Ø62 Н7/l6
Н7 - поле допуска отверстия
l6 - поле допуска
наружного кольца
- интенсивность нагружения, Н/мм;
R -
постоянная нагрузка на подшипник R = 8 кН;
В - ширина кольца подшипника, В = 16
мм;
- динамически коэффициент
= 1;
- коэффициент, учитывающий степень
ослабление натяга при полом вале или тонкостенном корпусе, при сплошном вале
= 1;
- коэффициент неравномерности
распределение радиальной нагрузки между рядами роликов в однорядном подшипнике
при отсутствии динамической нагрузки, перегрузка до 150% -
=1.
Посадка внутреннего кольца на вал:
Ø30 L6/k6
k6 - поле
допуска вала
L6 - поле
допуска внутреннего кольца подшипника
Предельный размеры колец подшипника.
Наружнее кольцо Ø62l6
Верхнее отклонение
Нижнее отклонение
Допуск
Предельные размеры:
Внутреннее кольцо Ø30L6
Верхнее отклонение
Нижнее отклонение
Допуск
Предельные размеры:
Ширина кольца подшипника В = 16 мм.
Верхнее отклонение
Нижнее отклонение
Допуск
Предельные размеры:
Предельные размеры отверстия в
корпусе Ø62Н7.
Допуск
Нижнее отклонение
Верхнее отклонение
Предельные размеры:
Предельные размеры вала Ø30k6
Допуск
Нижнее отклонение
Верхнее отклонение
Предельные размеры:
Характеристики посадок подшипника
качения.
Посадка наружного кольца в корпусе Ø62Н7/l6:
Допуск посадки:
Проверка:
Посадка внутреннего кольца на вал Ø30L6/k6:
Допуск посадки:
Проверка:
Рисунок 2 - посадка наружного кольца в корпус Ø62Н7/
l6
Рисунок 3 - Посадка внутреннего кольца на вал Ø30L6/k6
Рисунок 4 - Схема сопряжения подшипника качения
с валом
1.2 Выбор посадок гладких
цилиндрических сопряжений
Выбор крышки в корпус
Посадка крышки в корпус Ø62Н7/d10
Предельные отклонения крышки Ø62d10
Допуск
Верхнее отклонение
Нижнее отклонение
Предельные размеры:
Характеристики посадки Ø62H7/d10:
Допуск посадки:
Выбор посадки крышки в корпусе.
Посадка крышки в корпусе Ø62Н7/d10.
Предельные отклонения крышки Ø62 d10:
Допуск
Верхнее отклонение
Нижнее отклонение
Предельные размеры:
Характеристики посадки Ø62Н7/d10.
Допуск посадки:
Рисунок 5 - посадка крышки в корпус Ø62H7/d10
1.3 Расчет калибров
Рисунок 6 - Схема поля допуска
непроходного калибра для Ø62 Н7/d10
Ø30 k6
Z = 3 мкм
Y = 2.5 мкм
Н = 1.5 мкм
) скоба
Рисунок 7 - Схема поля допуска
калибра для Ø30 k6
2. Выбор посадок резьбового
соединения
Действующие стандарты:
ГОСТ 24705-81 Основные нормы
взаимозаменяемости. Резьба метрическая. Основные размеры.
ГОСТ 8724-81 Основные нормы
взаимозаменяемости. Резьба метрическая. Диаметры и шаги.
ГОСТ 16093-81 Основные нормы взаимозаменяемости.
Резьба метрическая. Допуски. Посадки с зазором.
ГОСТ 9150-81 Основные нормы взаимозаменяемости.
Резьба метрическая. Профиль.
Таблица. По ГОСТ 24705-81 резьба М5 имеет
размеры:
|
Параметр
|
Гайка
|
Болт
|
|
Обозначение
|
Величина
|
Обозначение
|
Величина
|
|
Шаг
мелкий
|
P
|
0,75
|
P
|
0,75
|
|
Наружный
диаметр
|
D
|
5,000
|
D
|
5,000
|
|
Средний
диаметр
|
D2
|
4,480
|
d2
|
4,480
|
|
Внутренний
диаметр
|
D1
|
4,134
|
d 1
|
4,134
|
|
Угол
профиля
|
α
|
60º
|
α
|
60º
|
Длина свинчивания по ГОСТ 16093-81 N
= 4 мм (0,8d=0,8*5=4)
Выбор класса точности.
Назначения резьбы - крепежная.
Гнездо - глухое.
Нагрузка - статическая.
Выбираем резьбу среднего класса точности.
Выбор поля допусков.
По ГОСТ 16093-81 для резьбы среднего класса
точности с длиной свинчивания 4 мм, назначаем следующие поля допусков:
Таблица
|
Диаметр
резьбы
|
Величина
диаметра
|
Поле
допуска гайки
|
Поле
допуска болта
|
|
Средний
|
D2(d2) = 4,480
|
6Н
|
6g
|
|
Наружный
|
D(d) = 5,000
|
не
нормируется
|
6g
|
|
Внутренний
|
D1(d 1) = 4,134
|
6Н
|
не
нормируется
|
Обозначение резьбовых соединений.
На рабочих чертежах:
Гайка М5 х 0,75 - 6Н
Болт М5 х 0,75 - 6g
На сборочном чертеже:
М5 х 0,75 - 6Н/6g
Таблица. Предельные отклонения среднего диаметра
резьбы
|
Наименование
отклонения
|
Отклонения
|
|
Гайка
4,480 6Н
|
Болт
Ø4,480 6g
|
|
Нижнее
|

|
|
|
Верхнее
|

|
|
|
Допуск
|

|
|
Предельные размеры, мм.
Для гайки:
Для болта:
Характеристики посадки по среднему
диаметру Ø4,480 мм.
Допуск посадки:
Проверка:
Рисунок 8 - посадка резьбового
соединения по среднему диаметру Ø4,480 6Н/6g
3. Выбор посадок шлицевого
соединения
Действующие стандарты:
ГОСТ 1139-80 Основные нормы
взаимозаменяемости. Соединения шлицевые прямобочные. Размеры и допуски.
Размеры деталей шлицевого
соединения.
Наружный диаметр D = 34 мм.
Внутренний диаметр d = 28 мм.
Ширина боковых сторон шлица b = 7 мм.
Количество шлицев Z = 6.
Условия работы шлицевого соединения.
Соединения - неподвижное. Нагружения
- умеренное.
Выбор вида центрирования.
Учитывая условия работы и
конструкцию узла, выбираем способ центрирования по наружному диаметру D.
Таблица. Посадки шлицевого
соединения по ГОСТ 1139-80.
|
Вид
соединения
|
Посадки
|
|
По
центрирующему диаметру (D)
|
По
боковым сторонам зубьев (b)
|
|
Неподвижное
|
Ø34Н7/js6
|
Ø7H8/js7
|
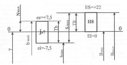
Обозначение шлицевых соединений.
На сборочных чертежах:
D - 6 х 28 х 34 Н7/js6
х 7 H8/js7
На рабочем чертеже:
шлицевая втулка: D
- 6 х 28 х 34 Н7 х 7H8
шлицевой вал: D
- 6 х 28 х 34 js6 х 7 js7
Допуски и предельные отклонения для шлицевого
соединения D - 6 х 28 х 34 Н7/js6
х 6 H8/js7.
Таблица
|
Наименование
параметра
|
Наименование
детали
|
|
Шлицевая
втулка
|
Шлицевой
вал
|
|
Центрирующий
диаметр D
|
|
Обозначение
|
Ø34Н7
|
Ø34js6
|
|
Допуск,
мкм
|

|
|
|
Нижнее
отклонение, мкм
|

|
|
|
Верхнее
отклонения, мкм
|

|
|
|
По
боковым сторонам зубьев b
|
|
Обозначение
|
Ø7H
|
Ø7Js7
|
|
Допуск,
мкм
|
 
|

|
|
|
Верхнее
отклонения, мкм
|

|
|
Предельные размеры параметров шлицевых деталей.
По центрирующему диаметру D
Шлицевая втулка Ø34Н7
Шлицевой вал Ø34js6
По боковым сторонам зубьев b
Шлицевая втулка Ø7H8
Шлицевой вал Ø7js7
Характеристики посадки шлицевого
соединения.
Для заданного шлицевого соединения
по центрирующему диаметру D назначена переходная посадка Ø34Н7/js6
Допуск посадки:
Проверка:
Рисунок 9 - Пример обозначения
шлицевого соединения на чертеже: 1 - шлицевой вал; 2 - шлицевая втулка
По боковым сторонам зубьев b назначена
посадка с зазором Ø7H8/js7
Допуск посадки:
Проверка:
Рисунок 10 - Посадка по
центрирующему диаметру D Ø34Н7/Js6
Рисунок 11 - Посадка по боковым
сторонам зубьев b Ø7H8/Js7
4. Расчет размерных цепей
Действующие стандарты:
ГОСТ 6636 - 69 Основные нормы
взаимозаменяемости. Нормальные линейные размеры.
ГОСТ 25346 - 89 Основные нормы
взаимозаменяемости. ЕСДП. Общие положения, ряды допусков и основных отклонений.
ГОСТ 520-89 Подшипники качения.
Общие технические условия.
4.1 Расчет размерных цепей методом
полной взаимозаменяемости
Определение параметров исходного
звена.
Исходным звеном размерной цепи
служит осевой зазор А∆, имеющий параметры
А∆ = 1-0.38
Верхнее отклонение
Нижнее отклонение
Допуск
Координаты середины поля допуска:
Схема размерной цепи
Передаточные отношения:
ξ = +1 - имеют увеличивающие
звенья.
ξ = - 1 - имеют уменьшающие
звенья
размерной цепи.
Таблица. Анализ звеньев размерной
цепи.
|
Звено
|
Наименование
звена размерной цепи
|
Передат.
откл. ξ
|
Размеры
звеньев, мм
|
|
|
|
по
варианту
|
по
ГОСТ 6636-69
|
|
Выступ
крышки-11212
|
|
|
|
|
|
Длина
корпуса+1100100
|
|
|
|
|
|
Ширина
кольца подшипника-11616
|
|
|
|
|
|
Ширина
зубчатого колеса-14545
|
|
|
|
|
|
Длина
втулки-11616
|
|
|
|
|
|
Ширина
кольца подшипника-11010
|
|
|
|
|
Уравнения размерной цепи:
Проверка правильности назначенных
размеров:
Расчет коэффициента «а» числа единиц
допуска в допусках составляющих размеров:
- заданный допуск исходного звена
- стандартный допуск ширины
подшипника
k- количество
подшипников (k=2)
По значению «а» определяется
соответствующий ближайший квалитет по ГОСТ 25346-89. Ближайший квалитет по
результатом расчетов для коэффициента а = 25 будет IT8.
Для IT8
коэффициент а = 25.
Таблица. Определение квалитета
составляющих звеньев размерной цепи.
|
Составляющие
звенья. Величина размеров, мм
|
Интервал
размеров, мм
|
Единица
допуска ij, мкм
|
Допуски
расчетные по IT8, мкм (ТАj)
|
Допуски назначенные
ТАj, мкм
|
Характер
размера по ходу обработки
|
Координата
середины поля допуска Ес(Аj), мкм
|
Размеры
с отклонениями Аj, мм
|
|
80-1202,175454отв+164
|
|
|
|
|
|
|
|
|
30-501,563939вал-19,5
|
|
|
|
|
|
|
|
|
--120120вал-60
|
|
|
|
|
|
|
|
|
6-100,902222вал-11
|
|
|
|
|
|
|
|
|
--120120вал-60
|
|
|
|
|
|
|
|
|
6-100,902227вал-11
|
|
|
|
|
|
|
|
Выбор расчетных допусков.
Стандартные допуски должны
удовлетворять условию:
Характеристика размеров.
Детали, размеры которых
увеличиваются при обработке, относят к отверстиям (поля допусков назначают как
у основного отверстия «Н»).
Детали, размеры которых при
обработке уменьшаются относятся к валам (поля допусков назначают как у
основного вала «h» в минус).
Определение координат середин полей
допусков составляющих звеньев.
Для деталей «основные отверстия»
(для которых
- нижнее
отклонение,
- верхнее
отклонение) координата середины поля допуска будит равна:
По схеме размерной цепи звеном
«основные отверстия» является размер
= 100 мм. Допуск звена
мкм.
В связи с тем, что размер
является не
только «отверстием», но и самым большим звеном, определение середины поля
допуска для него производится далее (как для компенсирующего спецзвена размерной
цепи, изменением значения которого достигается требуемая точность замыкающего
звена. Обозначается компенсирующее звено соответствующей буквой, заключенной в
прямоугольник).
Для деталей «основные валы» (для
которых нижнее отклонение -
, верхнее отклонение -
) координата
середины поля допуска будет равна:
Координата середины поля допуска
наибольшего размера или специального компенсирующего звена:
х = 164
Определение предельных отклонений составляющих
звеньев. Для отверстий проставляется верхнее отклонение равное допуску со
знаком «плюс»:
;
Для вала проставляется нижнее
отклонение равное допуску со знаком «минус»:
;
Для звена с наибольшим размером или
компенсирующего специального звена предельные отклонения определяются по
формулам:
;
Составления уравнения размерной
цепи.
Записать уравнение размерной цепи
числовыми значениями:
Проверка правильности установленных
допусков и отклонений.
. Проверить уравнение номинальных
размеров:
2. Проверить уравнение точности:
. Проверить уравнение координат
середин полей:
. Проверка предельных отклонений:
. Проверка правильности вычислений:
Расчетное исходное звено
Метод полной взаимозаменяемости (Min-Max) дает
возможность максимального приближения к заданной величине допуска исходного
звена. Расчет размерных цепей по вероятностному методу (неполная
взаимозаменяемость). Исходное звено
По заданию: коэффициент
относительного рассеивания λ = 1/6;
Допустимый процент риска Р = 0,27 %
Для данного процента риска коэффициент t
= 3
Определение квалитета составляющих звеньев.
- квадрат допуска исходное звена в
мкм.
- квадрат допуска ширины
подшипников в мкм.
n - число
подшипников (n = 2)
t -
коэффициент, зависящий от процента риска «Р»
λ - коэффициент рассеивания
размеров
- результат суммирования квадратов
единиц допуска.
По значению «а» определяется
ближайший расчетный квалитет. Для коэффициента а = 109 ближайший квалитет IT11.
Таблица. Определение параметров
составляющих звеньев размерной цепи.
|
Состав
звеньев. Величина размеров Аj, мм
|
Интервал
размеров, мм
|
Квадрат
единица допуска i2, мкм2
|
Допуски
расчетные по IT11
|
Квадрат
допусков по IT11 (ТАj2), мкм2
|
Допуски
назначенные
|
Квадрат
назначенных допусков
|
Характер
размера (вал - отв)
|
Координата
середины поля допуска Ес(Аj), мкм
|
Размеры
с отклонениями, мм
|
|
80-1206,35042204840022048400отв+110
|
|
|
|
|
|
|
|
|
|
|
30-502,433616025600391521-+80
|
|
|
|
|
|
|
|
|
|
|
--1101210011012100вал-55
|
|
|
|
|
|
|
|
|
|
|
6-100,81908100908100вал-45
|
|
|
|
|
|
|
|
|
|
|
6-100,81908100908100вал-45
|
|
|
|
|
|
|
|
|
|
|
10-181,16641101210011012100вал-55
|
|
|
|
|
|
|
|
|
|
Выбор расчетных допусков.
- компенсирующее звено из квалитета
IT11.
Условие не выполняется. Для
выполнения условия взаимозаменяемости находим и выбираем другой допуск звена 
размерной цепи по квалитету T8 (TA4=39)
.
Проверка правильности выбранных допусков:
Условие взаимозаменяемости стандартными
допусками выполняется.
Определение координат середин полей допусков
составляющих звеньев.
Для звеньев, размеры которых являются валами:
Для звеньев, размеры которых
являются отверстиями:
Координата середины поля допуска
компенсирующего звена:
= (+80) · (+1) + (х -55-45-45-55) ·
(-1)
=-х+280
х=+440
Определение предельных отклонений
составляющих звеньев.
Для размеров - валов принимаем:
;
Для размеров - отверстий принимаем:
;
Отклонения компенсирующего звена:
Составления уравнения размерной
цепи.
Проверка правильности установленных
допусков и отклонений.
. Проверить уравнение координат:
. Проверить уравнение точности:
. Проверить предельные отклонения
исходного звена:
Исходное звено
Вывод
Вероятностный метод расчета
экономически более выгоден, т.к. при менее точном квалитете составляющих
звеньев (11 квалитет по сравнению с 8-м по методу полной взаимозаменяемости)
достигнута требуемая точность исходного (замыкающего) звена.
Литература
.
М.В.Дудкин «Метрология, стандартизация и технологические измерения»,
Методическое указания по выполнению курсовой работы. Усть-Каменогорск 2007 г.
.
А.И.Якушев «Взаимозаменяемость, стандартизация и технические измерения». М.:
Машиностроение, 1987. - 352 с.
.
Ганевский Г.М., Гольдин И.И. Допуски, посадки и технические измерения в
машиностроении: учеб. Для ПТУ. - М.: Высшая школа, 1987.-270с.: ил.
ено
н