Литейное производство. Сварка
Содержание
Литейное производство. Опишите
технологию изготовления стержней
Плавка литейных сплавов. Опишите
плавку чугуна в вагранке
Согласно Вашему варианту,
разработайте отдельные этапы технологического процесса изготовления отливок в
разовых песчаных литейных формах
Изложите сущность процесса волочения
и укажите область его применения. Приведите схему процесса с указанием
инструмента. Опишите типы волочильных станов. Укажите необходимые условия для
успешного ведения процесса
Опишите штамповку на горизонтально-ковочных
и специальных машинах, виды получаемых поковок
Сварка давлением. Опишите суть
ультра звуковой сварки
Опишите виды защитных покрытий
металлов
Список использованных источников
Литейное производство. Опишите технологию
изготовления стержней
литейное сварка отливка волочение
Стержни во время заливки формы, как правило,
окружены жидким металлом, поэтому они должны обладать по сравнению с формой
более высокой прочностью, газопроницаемостью, податливостью,
противопригарностью и должны легко выбиваться из отливки.
Прочность стержня увеличивают путем установки
внутри него каркаса 1, изготовляемого из железных прутьев (рис. 1, а) или
отлитого в виде чугунных рамок (рис. 1, б и в). Каркас 1 выформовывают внутрь
стержня (рис. 1, б). При конструировании отливки необходимо предусматривать
окна и отверстия для свободного удаления из них стержней с каркасами.
Газопроницаемость стержня повышается устройством
внутри него специальных вентиляционных каналов 2 (рис. 1, а), выходящих в знак.
Прямолинейные вентиляционные каналы накалывают в стержне иглой или же образуют
при помощи прутка, которые заформовывают в стержень, а затем вынимают из него.
Криволинейные каналы вырезают в плоскости соединения половинок стержней.
В отдельных случаях (тонкостенные или очень сложные
стержни) каналы изготовляют при помощи воскового шнура, который заформовывают
внутри стержня. Воск во время сушки стержня выплавляется, образуя полость
канала. Крупные стержни делают пустотелыми или с сердцевиной из шлака 3 (рис.
1, б), что увеличивает их газопроницаемость и податливость.Последовательность
операций изготовления стержня в стержневом ящике представлена на рис. 55, а.
Собранный стержневой ящик 4 (рис. 55, а) заполняют в несколько приемов
стержневой смесью, предварительно поставив каркас 7 и пруток 2 для образования
газоотводящего канала. Уплотняют
стержневую смесь вручную или на встряхивающих машинах.
Рис 1. Технология изготовления стержней: 1 -
каркас; 2 - газовый канал; 3
- кокс или шлак;
4
- стержневой ящик; 5 - вкладыши; 6 - формовочная смесь;
7 - сушильная плита; 8 - поддон
После уплотнения снимают вкладыш 5,
образовавшуюся пустоту засыпают формовочной смесью, которую слегка уплотняют,
затем накладывают сушильную плиту 7, поворачивают ящик на 180° и снимают его со
стержня. Уплотненная формовочная смесь служит опорой для выступающих частей
стержня во время сушки. В массовом производстве стержень укладывают на
металлические подставки. В этом случае вместо земляной подсыпки 6 применяют фасонные
металлические поддоны 8. Поддон накладывают на ящик и вместе с ящиком
поворачивают на 180°; после этого ящик снимают со стержня, а готовый стержень,
установленный на поддоне, переносят в сушило.
Изготовление стержней в разъемном стержневом
ящике показано на рис. 1, б. В стержневой ящик засыпают слой стержневой смеси,
уплотняют ее и ставят литой каркас 7.
Затем подсыпают еще стержневой смеси, наполняют
середину ящика шлаком 3, сверху вновь заполняют ящик смесью и уплотняют ее.
После этого делают газовые каналы, счищают избыток смеси, ставят сушильную
плиту и поворачивают ящик на 180°; стержневой ящик разнимают, а стержень вместе
с плитой направляют в сушило.
Процесс изготовления стержня по частям
следующий. В половине стержневого ящика 4 (рис. 1, г) слоями уплотняют
стержневую смесь, прокладывают каркасы, линейкой очищают излишнюю смесь и
прорезают газоотводящие каналы.
Также изготовляют другую половину стержня во
второй части стержневого ящика. Обе половины стержня сушат, а затем склеивают.
При изготовлении небольших стержней половины стержня склеивают в сыром
состоянии, для чего поверхность стержня смазывают разведенной в воде
огнеупорной глиной; две половины ящика, наполненные уплотненной стержневой
смесью, соединяют. Затем стержневой ящик снимают, и стержень на плите ставят в
сушило.
Мелкие и средние стержни, имеющие сложное очертание, зготовляют почастям, а
затем склеивают.
После изготовления стержни и крупные формы из
обычных смесей сушат с целью увеличения их газопроницаемости, прочности и
уменьшения газотворной способности. Продолжительность сушки зависит от
температуры, толщины стержней и форм, условий передачи тепла в сушиле и
колеблется от нескольких минут до нескольких часов. Для эффективной сушки и
подсушки форм и стержней необходимы постепенный подъем температуры в камере
сушила, а затем поддержание равномерной максимально допустимой температуры в
течение всего периода сушки, а также обеспечение равномерного движения газов во
всем объеме сушила. При сушке стержней, изготовленных на масляных связующих и
их заменителях, помимо испарения влаги происходят процессы окисления и
полимеризации. Процесс окисления заключается в нарушении связи между атомами
углерода, входящего в состав масла, и присоединении к ним кислорода. В
результате химических изменений, а также удаления из масла некоторых
составляющих при нагреве оно превращается в густую клейкую массу и образует
прочную пленку, соединяющую зерна песка. В процессе окисления, происходящего
при 150-220 °С, масло поглощает 20-30 % кислорода. Кроме того, выделяется
тепло, повышающее температуру стержней, что ускоряет окисление масла.
После нагрева при сушке стержней, изготовленных на искусственных
термореактивных смолах, и выделения воды смолы становятся неплавкими и
нерастворимыми в воде. Температура сушки стержней на этих связующих 150-160 °С.
Смеси, содержащие патоку и крахмал,
рекомендуется сушить при 165-190 °С, в результате чего после удаления воды
образуется сахароза, а в смесях, содержащих сульфитную барду- смола. И та, и
другая обладают склеивающей способностью.
Смеси, изготовленные на глине, гипсе или
цементе, сушат при 350-400 °С, а при использовании бентонитовых глин - при 200
°С. Продолжительность сушки песчано-глинистых форм при 350-400 °С в зависимости
от их размеров составляет от 5 до 36 ч.
Плавка литейных сплавов. Опишите плавку чугуна в
вагранке
Несмотря на создание в настоящее время ряда
новых плавильных агрегатов, основное количество чугуна для отливок выплавляется
в вагранках.
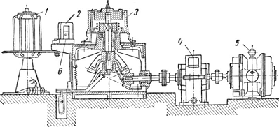
Рассмотрим устройство вагранки. Вагранка (рис.
2.1) представляет собой шахтную печь, диаметр которой колеблется в пределах
700- 2300 мм, а производительность 4- 50 т/ч. По конструктивным особенностям
вагранки делят на два типа: с копильником и без него. Первые применяют при
производстве крупных отливок, когда необходимо накопить большое количество
расплава, а вторые - при получении мелких и средних отливок с небольшой
толщиной стенок, когда требуется расплав, обладающий более высокой
жидкотекучестью.
Рис. 2.1. Схема устройства вагранки открытого
типа с копильником:
- летка, 2 - дверцы днища, 3 - горн, 4 -
колонны, 5 - подовая плита, 6 _ лещадь. 7 - окна, 8 - фурмы, 9 - кирпичная
кладка, 10 - кожух, 11 - чугунные кирпичи, 12 - загрузочное окно, 13 -
искроуловитель. 14 - шахта. 15 - бадья, 16 - металлическая шихта, 17 - коксовая
колоша, 13 - копильник, 19 - летка для расплава, 20 - желоб
Рассмотрим материалы ваграночной плавки.
К ним относят огнеупоры, металлургическую шихту,
флюсы и топливо.
Огнеупоры - обладающие высокой температурой
плавления материалы и изделия, применяемые для оформления рабочего пространства
(шахты) вагранки, благодаря которым обеспечивается процесс плавки в условиях
высоких (свыше 1580°С) температур. В качестве огнеупоров для футеровки горна,
плавильного пояса и фурменной зоны чаще всего применяют шамотный кирпич марок
ШАВ и ШБВ, поставляемый литейным цехам по ГОСТ 3272-71. Для заделки швов
кирпичной кладки используют массу, состоящую из кварцевого песка (80-85%),
огнеупорной глины (20-15%), крошки шамота и воды.
Металлургическая шихта - строго подобранный
набор исходных металлических материалов, обеспечивающих требуемый (заданный)
химический состав получаемого чугуна. В состав ваграночной шихты могут входить
выплавляемые в доменных печах чушковые чугуны (литейные и передельные),
чугунный и стальной лом, возврат собственного производства (литники, сплески,
брак отливок), а также различные присадки (ферросилиций, ферромарганец и др.).
При получении высококачественных чугунов в шихту вводят специальные легированные
(содержащие хром, никель) чугуны.
Флюсы - неметаллические шихтовые материалы,
которые вводят в вагранку для понижения температуры плавления неметаллических
включений и перевода в шлак золы топлива, кварцевого песка, а также вредных
(серы и фосфора) и посторонних примесей. В качестве флюса в ваграночной плавке
наиболее широко применяют известняк (содержащий не менее 97% СаСО3), расход
которого составляет 2,5-4,0% от массы расплавляемой шихты, реже плавиковый шпат
и др.
Наиболее распространенным видом топлива для
ваграночной плавки является кокс, при горении которого выделяется теплота,
обеспечивающая плавление исходных шихтовых материалов и образующегося шлака,
понижение его вязкости, с тем чтобы наиболее полно протекали металлургические
процессы между расплавом чугуна и шлаком. Расход кокса в вагранках составляет
10-12% от массы расплавляемой шихты.
Перед использованием шихтовые материалы
подвергают обработке: металлические (чушковые чугуны, лом и отходы собственного
производства) измельчают и разрезают на более мелкие части специальным
оборудованием (чушколомами, аллигаторными ножницами, копрами и др.), а крупные
куски флюсов - в щековых дробилках и в шаровых мельницах. Для интенсификации
горения кокса его перед использованием просеивают на специальных ситах -
грохотах для отсеивания мелочи.
Кожух вагранки 10 изготовляют из листовой стали
в виде цилиндра, внутренняя поверхность которого выкладывается огнеупорным
кирпичом
9. Между кожухом и огнеупорным кирпичом оставляется зазор размером 20-50 мм,
который засыпается кварцевым песком. Кожух вагранки устанавливается на
массивную стальную подовую плиту 5, имеющую посредине отверстие (равное
внутреннему диаметру футеровки), которое закрывается дверцами 2, снабженными
запорным устройством. В свою очередь, подовая плита опирается на четыре колонны
4, установленные на бетонный фундамент.
Дно 6 вагранки, называемое лещадью, набивается
слоем формовочной смеси. В нижней части вагранки у лещади предусмотрено
отверстие - летка 1 для выпуска чугунного расплава в копильник 13, а затем
через летку 19 и желоб 20 в разливочный ковш. Для выпуска шлака в копильнике
предусмотрена шлаковая летка. Для введения необходимого для горения топлива
воздуха в шахте вагранки предусмотрены окна 7 и специальные трубы S,
называемые фурмами; в них воздух поступает из фурменной коробки, соединенной с
вентилятором. Чтобы обеспечить равномерность распределения воздуха, он вводится
в плавильную зону двумя рядами фурм, располагаемых в шахматном порядке.
Завалка исходных материалов в вагранку производится
с колошниковой площадки через загрузочное окно 12 бадьей 15. Отходящие при
плавке газы удаляются через верхнюю часть шахты 14, после чего направляются в
искроуловитель 13. Для предохранения футеровки печи от ударов кусками
загружаемой шихты верхнюю часть шахты вагранки выкладывают пустотелыми
чугунными кирпичами 11.
По виду используемого при плавке топлива
вагранки подразделяют на коксовые, коксогазовые и газовые. В связи с
необходимостью защиты окружающей среды вагранки с открытыми искроуловителями (см.
рис. 2.1) заменяют на вагранки закрытого типа (рис. 2.2).
Рис. 2.2. Схема устройства вагранки закрытого
типа без копильника:
- узел герметизации загрузки шихты, 2 - узел
отбора ваграночных газов, 3 - водоохлаждаемая шахта, 4 - фурменные трубы. 5 -
сифонный шлакоотделитель, 6 - опорная часть, 7 - фурма
Вновь построенная или отремонтированная вагранка
(см. рис. 2.1, 2.2) должка быть хорошо просушена. После розжига в нее загружают
слой кокса высотой 500-1500 мм, который называется холостой колошей. Этот кокс
служит для разогрева вагранки и поддерживает расплавляемые шихтовые материалы в
зоне наиболее высоких температур, что способствует ускорению процесса плавки.
Далее на разогретый кокс холостой колоши загружают рабочую коксовую колошу,
флюс и первую порцию металлической шихты. Таким образом загрузка шихтовых
материалов происходит слоями: кокс - флюс - металл.
В современных условиях загрузку шихты обычно
осуществляют с помощью бадьи, вводимой в шахту вагранки наклонным (скиповым)
подъемником (рис. 2.3). После загрузки шихтовых материалов открывают фурмы и
дают дутье - воздух, необходимый для горения топлива. При этом летку оставляют
открытой до тех пор, пока не появятся капли расплавленного чугуна.
<#"728534.files/image005.gif">
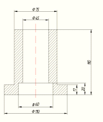
Рис. 3.1 Чертеж детали
Класс точности размеров 9; ряд припусков 4
Рис. 3.2 Чертеж детали
Примем допуски размеров отливки (на сторону) для
класса точности 9:
Ф110 - 2,4 мм
Ф75 - 2,0 мм
Ф60 - 2,0 мм
Ф45 - 1,8 мм
- 2,4 мм
- 1,6 мм
- 1,6 мм
Примем припуски на механическую обработку для ряда
припусков 4:
Ф110 - 4,2 мм
Ф75 -4,2 мм
Ф60 - 4,2 мм
Ф45 - 4,2 мм
- 4,2 мм
- 3,8 мм
- 3,8 мм
Усадка для стали составляет 2%.
Принимаем уклоны:
Ф40х99 - 3°
Ф115х16 - 3°
Принимаем горизонтальное расположение отливки в
форме.
Стержень принимаем Ф55хФ40х120
Рис. 3.3 Горизонтальный стержневой знак
Формовочные уклоны знаковых частей стержня: γ
=3
Рис. 3.4 Чертеж отливки
Рис. 3.5 Эскиз собранной формы для отливки
,4- вентиляционные каналы, 2- выпор,
3-формовочная смесь, 5- шлакоуловитель, 6- полуформы, 7-отливка, 8-стержень
Изложите сущность процесса волочения и укажите
область его применения. Приведите схему процесса с указанием инструмента.
Опишите типы волочильных станов. Укажите необходимые условия для успешного
ведения процесса
Волочением называется процесс
получения проволоки, прутков, труб малого сечения, полос, профилей.
Рис. 4.1. Схема волочения: а -
прутка
Коэффициент вытяжки:
μ = l
/ l0 = F0
/ F,
величина которого в первых и последних проходах
составляет 1,15 ÷ 1,25, при
промежуточном волочении допускают 1,30 ÷ 1,45, а
обжатие (обжатие определяется формулой:
φ = F0
- F / F0Ì100%,
где F0
- исходное сечение, F -
полученное сечение.
При калибровке оно бывает 8-12%.) до 30-35%.
Усилие Р, потребное при волочении, называется
усилием волочения. Отношение Р к площади поперечного сечения, получаемого после
волочения, называется напряжением волочения, которое должно быть меньше предела
текучести обрабатываемого металла, иначе выходящий из отверстия волоки пруток
будет утрачивать форму и размеры, полученные в отверстии волоки.
Волочение осуществляется в холодном состоянии,
поэтому оно вызывает физическое упрочнение (наклеп) металла. Для восстановления
первоначальных свойств применяют термообработку (отжиг), которая необходима при
волочении в несколько переходов, а также в окончательной продукции.
Волочильный инструмент изготовляют из
инструментальной стали, твердых сплавов, а для получения проволоки размером
меньше 0,5 мм иногда применяют волоки из естественного алмаза.
Основная часть волоки называется волочильным
глазком,
или матрицей, и представляет собой рабочее отверстие постепенно уменьшающегося
сечения, через которое протягивается металл.
Волока с одним отверстием называется фильером, с несколькими - волочильной
доской.
Для уменьшения трения при волочении применяют
обильную смазку, различные предварительные покрытия, например, омеднение,
которое снижает коэффициент трения, а
следовательно, и усилие волочения, а также предохраняет поверхность от задира
волочильным инструментом; для снижения усилия волочения
применяют также роликовую матрицу (рис. 4.2, а).
Рис. 4.2. Роликовая матрица и фасонные профили.
Передний конец исходной заготовки перед
волочением вытягивается (заостряется) с тем, чтобы он прошел через отверстие
полоки и его можно было захватить тянущим устройством. Для волочения применяют
декапированный металл - отожженный и протравленный.
Чтобы экономить дорогостоящий
материал, волочильные доски часто изготовляют из обыкновенной углеродистой стали,
а фильеры из высококачественной легированной стали или из
твердого сплава. При этом фильеры делают вставными, что позволяет
заменять их при износе.
Для получения весьма малой по диаметру
наитончайшей проволоки применяют алмазные фильеры в металлической
оправке.
Рис.4.3. Формы волочильных
отверстий
а - профиль-фильер стальной
доски,
б
- профиль фильер из твердого
сплава
Наиболее удобная форма фильера
показана в продольном разрезе на рис. 3.3. Фильер выполнен в виде двух конусов,
обращенных один к другому вершинами. При протяжке сечение проволоки
уменьшается в необходимой степени и в то же время сильно снижается сила
трения. Уменьшить трение можно также смазкой фильера.
При волочении проволоки
переход от фильера большего диаметра сразу же к фильеру
малого диаметра не допускается, так как от сильного обжатия резко
понижается пластичность металла, и проволока, становясь чрезмерно
твердой, хрупкой, может разрываться. Чтобы восстановить пластичность, металл
при многократном протягивании через постепенно уменьшающиеся отверстия
подвергают промежуточному отжигу. Если число проходов велико, отжиг
производится неоднократно.
При возобновлении протяжки
после отжига проволока должна быть очищена от окалины травлением
в растворе кислоты и промыта в щелочном растворе.
Для волочения используют
углеродистую и легированную сталь с малым содержанием углерода, а также
разнообразные цветные металлы и их сплавы.
Волочильные станы разделяют
на барабанные и цепные.
Барабанные станы (рис. 4.4)
имеют разматывающее устройство 1, устройство для крепления проволоки
2 и тянущий барабан 3, который через редуктор 4 вращается
электрическим двигателем 5 и, наматывая на себя проволоку, протягивает ее через
фильер 6. Такой стан может иметь один барабан для волочения
через один фильер или несколько барабанов для многократного
волочения, когда проволока последовательно обжимается в нескольких
фильерах.
Рис. 4.4 Барабанный
волочильный стан
Опишите штамповку на горизонтально-ковочных
и специальных машинах, виды получаемых поковок
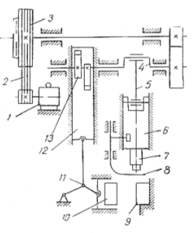
Горизонтально ковочные машины (ГКМ)
изготовляют с усилием по ползуну до 3150 т. Кинематическая схема этой машины
изображена на рис. 5.1.
Горизонтально ковочная машина
представляет собой горизонтальный кривошипный пресс, который дополняется
боковым механизмом, получающим движение от кулачков 13.
Рис. 5.1. Кинематическая схема
горизонтально-ковочной машины.
Главный ползун 6 машины, несущий пуансон 7,
приводится движение от кривошипного вала 4 через шатун 5. Движение подвижной
щеки вместе с подвижной матрицей 10 осуществляется от бокового ползуна 12
системой рычагов 11. Сам боковой ползун приводится в движение с помощью
кулачков 13, сидящих на кривошипном валу 4. Движение на привод передает мотор 1
через клиноременную передачу 2 и маховик 3.
Штампы горизонтальноковочных машин состоят не из
двух частей, а из трех: неподвижной матрицы 9, подвижной 10 и пуансона 7,
раскрывающихся в двух взаимно перпендикулярных плоскостях, что позволяет
штамповать сложные поковки. Матрицы 9 и 10 имеют вертикальную плоскость
разъема. Главный ползун 6 и боковой 12 горизонтально-ковочной машины в отличие
от кривошипных пресс осуществляют движение в горизонтальном направлении.
Схема процесса штамповки на
горизонтально-ковочной машине представлена на рис. 5.2. Нагретый до температуры
горячей деформирования пруток 4 закладывают в неподвижную матрицу 3 (рис. 5.2,
а и б). Положение конца нагретого прутка определяется упором 2. После включения
машины на рабочий ход ползуны машины начинают движение. Подвижная щека вместе с
подвижной матрицей 5 подходит к неподвижной матрице 3 до соприкосновения
пуансона 1 с выступающим торцом прутка и зажимает пруток. На пути движения
пуансона 1 находится упор 2, сблокированный с главным ползуном, к которому
прикреплен пуансон 1. При подходе пуансона 1 упор 2 автоматически отходит. При
дальнейшем движении ползуна пуансоном 1 происходит высадка прутка, выступающего
за пределы зажимной части матрицы, при этом металл заполнит полость матрицы
(рис. 5.2, в).

Рис. 5.2. Схема высадки на
горизонтально-ковочной машине.
Достигнув крайнего переднего сложения,
ползун
двигается в обратном направлении, а пуансон из полости матриц выходит на
некоторое расстояние, после чего матрицы раскрываются, а высаженную поковку
вынимают или она выпадает из матрицы, после чего пуансон и матрица принимают
исходное положение (рис. 5.2, г). В дальнейшем, смотря по технологическому
процессу, можно использовать другую заготовку,
повторить на ней ту же операцию или же произвести следующий переход в другом
ручье. Каждый переход
осуществляется за один рабочий ход.
Формующая полость может быть одновременно в
матрице и в пуансоне (рис. 5.2, в) или только в одном пуансоне (см. рис. 5.6).
Исходным материалом для штамповки на
горизонтально-ковочных машинах служит круглый, реже квадратный или
прямоугольный прокат повышенной точности. Диаметр круглой заготовки достигает
300 мм.
Работу на горизонтально-ковочных машинах
механизируют путем применения пневматических подъемников, с помощью которых
осуществляют перенос полуфабриката из ручья в ручей (рис. 5.3); устройством
монорельсов для подачи заготовки от печи к машине. Работа на этих машинах
иногда автоматизируется, т. е. нагретая заготовка подается наклонным
транспортером, захватывается механическими клещами и направляется в ручей
машины, а затем автоматически передается в последующие ручьи. При такой подаче
заготовок работа деформации осуществляется одновременно во всех ручьях штампа.
В настоящее время применяются
горизонтально-ковочные машины (небольших размеров) с горизонтальной плоскостью
разъема (подвижная матрица вверху), этим облегчается возможность автоматизации
технологического процесса.
Штамповка на горизонтально-ковочных машинах
характеризуется высокой производительностью, возможностью изготовлять поковки
сложной конфигурации без напусков; малыми отходами металла точностью размеров и
чистотой поверхности и удобством работы.

Рис. 5.3. Пневматический подъемник для
горизонтально-ковочной машины.
Конструкции поковок, штампуемых на
горизонтально-ковочных машинах, весьма разнообразны, однако наиболее удобными
для штамповки являются поковки, имеющие форму простых или усложненных выступами
или впадинами тел вращения (рис. 5.4). Изготовление таких деталей на ГКМ
рентабельнее, чем на молоте.
Рис. 5.4. Типовые поковки для штамповки на ГКМ.
Основной операцией при изготовлении поковок на
этой машине является высадка, часто сопровождающаяся прошивкой, но возможны и
др.
При конструировании поковок, изготовляемых на ГКМ,
необходимо соблюдать следующие правила:
Предусматривать штамповочные уклоны: а - на
цилиндрических участках поковки (рис. 5.5, а), высаживаемых в полости, длиной
более половины диаметра не менее 0,5° на сторону; б - на буртиках (рис. 5.5,
б), формуемых в глубоких круговых впадинах матриц - 0,5 ÷
1,5° на
сторону; в - глубокие несквозные полости, прошиваемые пуансоном, когда металл
необходимо направить на образование буртика, стенки должны иметь уклон 0,5 ÷
3°, (рис.
5.5, в).
Переходы с одной поверхности на другую
выполняются по радиусам величиной не менее 1,5 ÷ 2 мм.
Толщина стенок деталей со сквозными отверстиями
или глубокими полостями принимается не меньше 0,15 наружного-диаметра (рис.
5.5, г).
При получении полостей в поковках необходимо
избегать сужения их в продольном направлении для обеспечения свободного течения
металла навстречу пуансону (рис. 5.5, д).
Рис. 5.5. Конфигурации поковок, которые должны
быть учтены при их изготовлении на горизонтально-ковочных машинах.
Диаметр исходного прутка зависит от конфигурации
поковки. Учитывая, что операция вытежки на ГКМ не производится, следует площадь
поперечного сечения прутка брать не более минимальной площади поперечного
сечения поковки.
Вне зависимости от формы полости инструмента
высадить на любой диаметр за один переход выступающий из зажимной части матрицы
конец прутка можно лишь в том случае, когда длина этого конца не превышает трех
диаметров его. При большей длине возможен изгиб заготовки, а поэтому
деформирование в этих случаях осуществляется в специальных наборных ручьях.
При наборе материала в матрицах диаметр полости
не должен превышать 1,5 диаметра высаживаемого прутка. Набор материала в
пуансоне (рис. 5.6, а) осуществляется чаще в конических полостях. Максимальный
диаметр конуса D1 не должен
превышать 1,5 диаметров исходного прутка d,
если D1 = l,5d,
то размер а' не должен превышать 2d,
если D1<l,25d,
то размер а' может быть увеличен до 3 d.
При последующих высадках под диаметром d
следует подразумевать средний диаметр конуса d1,
полученного в предыдущем ручье (рис. 166, в), или диаметр прутка d1
(рис. 5.6, б), высаженного на предыдущем переходе.
Рис. 5.6. Ручьи штампа ГКМ с набором металла в
пуансоне.
Максимальная длина выживаемой части прутка не
должна превышать 12 ее диаметров.
Необходимое усилие Р для штамповки на ГКМ
определяют по формуле
P = cFσпч,
где F
- площадь проекции поковки на плоскость, перпендикулярную к направлению
движения ползуна; σпч
- предел прочности металла при температуре штамповки; с - коэффициент,
зависящий от к фигурации поковки; для грубых расчетов его можно принять равным
4.
При работе одновременно во всех ручьях штампа
значение F в формуле Р = cFσпч
следует заменять ΣF
- суммой площад проекции переходов поковки на плоскость, перпендикулярную
направлению движения ползуна.
Понятие о конструкции штампов для этих машин и о
ходе работы штампа дает рис. 5.7. Заготовкой является цилиндрический пруток,
который после нагрева закладывается в ручей 1 штампа и, будучи зажатым
матрицами, деформируется верхним пуансоном. Деформированию подвержена часть
заготовки, которая выступает из зажимной части ручья. В первом ручье производят
набор материала вследствие того, что длина высаживаемой части более трех ее
диаметров, и получают усеченный конус А. Полученный в ручье 1 полуфабрикат
переносится в ручей 2, после деформирования в котором поковка получает вид В; в
этом ручье, в отличие от ручья 1, где набор металла происходит в полости
матрицы, формующая полость находится и в матрице, и в пуансоне. В ручье 2
поковки оформлена по наружному контуру с наметкой отверстия. В ручье 3
происходит прошивка отверстия, диаметром пуансона
равным диаметру прутка, после чего получается готовая деталь С. Прошивка
осуществляется нижним пуансоном с помощью прошивной вставки 4, закрепленной в
матрице. Благодаря прошивки деталь отделяется
от прутка.
Рис. 5.7. Штамп ГКМ для получения поковки с
отверстием.
Правая матрица штампа крепится к станине машины,
а левая матрица - к подвижной щеке машины при помощи накладок. Пуансоны
прикрепляют к ползуну с помощью пуансонодержателей или переходных державок.
Сварка давлением. Опишите суть ультра звуковой
сварки
Для осуществления данного вида сварки было
разработано специализированное оборудование, состоящее из источника генерации
высокочастотных (ультразвуковых) электромагнитных колебаний, механической
колебательной системы, аппаратуры управления сварочным циклом и привода
сварочного усилия. Преобразование электромагнитных колебаний в механические и
введение последних в зону сварки обеспечивается механической колебательной
системой.
Типовые колебательные системы для ультразвуковой
сварки металлов приведены на рис. 6.1.
Рис. 6.1. Схемы типовых колебательных систем: а
- продольная; б - продольно-поперечная; в - продольно-вертикальная; г -
крутильная
Основным звеном колебательных систем является
преобразователь 1, который изготавливают из магнито-стрикционных или
электрострикционных материалов (никель, пермендюр, титанат бария, ниобат свинца
и др.).
Преобразователь является источником механических
колебаний. Волноводное звено 2 осуществляет передачу энергии к сварочному
наконечнику и обеспечивает увеличение амплитуды колебаний по сравнению с
амплитудой исходных волн преобразователя, а также трансформирует сопротивление
нагрузки и концентрирует энергию в заданном участке свариваемых деталей 5.
Акустическая развязка 3 от корпуса машины позволяет практически всю энергию
механических колебаний трансформировать и концентрировать в зоне контакта.
Сварочный наконечник 4 является согласующим
волноводным звеном между нагрузкой и колебательной системой. Он определяет
площадь и объем непосредственного источника ультразвуковых механических
колебаний в зоне сварки. В зависимости от формы сварочного наконечника
колебательной системы ультразвуковая сварка может быть точечной, шовной или
кольцевой. С помощью ультразвука можно сваривать металлы и сплавы как между
собой (в однородном или разнородном сочетании), так и с некоторыми
неметаллическими материалами.
Свариваемость металла зависит от его твердости и
кристаллической структуры. Свариваемость ухудшается в следующей
последовательности для металлов, имеющих ГЦК, ОЦК и гексагональную решетки, а
также с увеличением твердости.
Ультразвуковая сварка позволяет соединять разные
элементы изделий толщиной 0,005 - 3,0 мм или диаметром 0,01 - 0,5 мм. При
приварке тонких листов и фольг к деталям толщина последних практически не
ограничивается.
Особые преимущества этот процесс имеет при
соединении разнородных и термочувствительных элементов.
Областями использования ультразвуковой сварки
являются: производство полупроводников, микроприборов и микроэлементов для
электроники, конденсаторов, предохранителей, реле, трансформаторов,
нагревателей бытовых холодильников, приборов точной механики и оптики,
реакторов, сращивание концов рулонов различных тонколистовых материалов (медь,
алюминий, никель и их сплавы) в линиях их обработки, а также автомобильная
промышленность.
Опишите виды защитных покрытий металлов
Защитные покрытия используют в
противокоррозионной практике для изоляции металла от агрессивной среды. Чтобы
обеспечить хорошую защиту от коррозии покрытие должно быть сплошным,
иметь хорошую адгезию с основным металлом (сцепление), быть непроницаемым для
агрессивной среды, равномерно распределятся по поверхности, обладать высокой
износостойкостью, жаростойкостью и твердостью (в отдельных случаях).
Различают защитные покрытия на
органической и неорганической основе. К первой группе относят лакокрасочные,
полимерные и пластмассовые покрытия, ко второй группе - металлические, окисные
и солевые покрытия. Как теоретическая основа, так и технология нанесения
покрытий этих двух групп коренным образом различаются.
Помимо покрытий, предназначенных для
защиты основного металла от атмосферной коррозии, различают
защитно-декоративные покрытия, которые не только должны защищать основной
металл от коррозии, но и сообщать его поверхности красивый, часто блестящий вид
на протяжении определенного периода эксплуатации в атмосферных условиях.
Довольно широкое распространение
имеют износостойкие покрытия, назначение которых сводится к повышению
сопротивления трущихся поверхностей механическому износу. Для этих целей
успешно применяют хромовые покрытия, которые повышают срок службы трущихся
поверхностей, в частности цилиндров двигателей внутреннего сгорания автомобилей
и тракторов, авиационных моторов, мотоциклов и других двигателей.
Покрытия из металлов и сплавов
сообщают поверхности изделий определенные оптические, магнитные,
антифрикционные и другие свойства. В последнее десятилетие покрытия из
драгоценных металлов применяют все в больших количествах в электронной
промышленности - в производстве полупроводниковых приборов и различного рода
электрических контактов, когда наряду с химической стойкостью требуется
сообщить поверхности высокую электропроводность, низкое и постоянное переходное
электросопротивление и целый ряд других свойств. Помимо перечисленных, нередко
наносят и другие металлические, окисные и солевые покрытия, которые в различных
отраслях народного хозяйства находят более или менее широкое распространение.
В зависимости от физико-химических
свойств металлопокрытий и основного металла, требуемой толщины покрытия и
целого ряда других технико-экономических показателей выбирают тот или иной
метод нанесения покрытия. Большое распространение имеет горячий метод, т. е.
погружение покрываемых изделий в расплавленный металл и электролитический
метод. Горячий метод применяется для нанесения покрытий со сравнительно низкой
температурой плавления, во всяком случае на несколько десятков градусов (или
больше) ниже температуры плавления основного металла. Непременным условием
применимости горячего метода нанесения металлопокрытия является образование
между ним и основой промежуточного сплава типа интерметаллида.
Горячим методом наносят алюминиевые
покрытия (электролитическое алюминирование из водных растворов теоретически
невозможно), а также покрытия полуфабрикатов сплавами на основе свинца.
Электролитический метод имеет
несомненные преимущества при нанесении покрытий со сравнительно высокой
температурой плавления, например в процессах меднения, никелирования,
хромирования, а также при нанесении покрытий из сплавов на их основе, при
серебрении, золочении, покрытиях металлами платиновой группы и некоторыми
редкими металлами. Широкое распространение имеет процесс электролитического
окисления (анодирования) алюминия, магния и других металлов.
Диффузионные методы нанесения
покрытий, распыление расплавленного металла и напыление металла методом
испарения в вакууме имеют более ограниченное применение. В последнее время все
чаще прибегают к нанесению покрытий на изделия сложной формы и на
неметаллические изделия химическим методом, т. е. без электрического тока,
заменяя его восстановителем, например гипофосфитом, гидразином и др.
В зависимости от назначения защитных
покрытий к ним предъявляют различные требования. Однако независимо от их
назначения общим требованием, которому должны удовлетворять все покрытия,
является прочное сцепление с основой. Хотя количественного метода определения
прочности сцепления между основой и покрытием нет, имеются некоторые
технологические пробы, на основании которых можно вынести качественное суждение
о прочности сцепления. В наиболее ответственных случаях покрытие не должно
отслаиваться от основы при любой степени деформации. Другими требованиями, предъявляемыми
к покрытиям, являются мелкая структура, а при нанесении защитно-декоративных
покрытий они должны иметь блестящий вид без полировки. Покрытия должны иметь
максимально равномерную толщину на различных участках - выступах и углублениях,
так как толщина покрытий является важнейшей характеристикой, определяющей срок
их защитного действия. Покрытия должны иметь минимум пор (даже микроскопических
размеров). Это требование не столь существенно при нанесении так называемых
анодных покрытий, т. е. покрытий, у которых электродный потенциал в данных
условиях эксплуатации изделий электроотрицательнее, чем потенциал основного
металла. Как известно, потенциал ряда металлов в сильной степени зависит от
среды, температуры и других факторов. Так, например, потенциал олова в
органических кислотах или солях, в том числе в пищевых продуктах,
электроотрицательнее потенциала железа и электрохимически защищает его от
коррозии. Потенциал цинка в воде при температуре 60° С и выше в результате
образования на нем защитной пленки становится электроположительнее потенциала
железа и перестает его электрохимически защищать. Предъявляемые требования в
значительной степени удовлетворяются при надежной подготовке поверхности
основного металла, правильном выборе типа электролита и оптимальной
концентрации компонентов, входящих в его состав, электрического и
температурного режима.
При электролитическом способе
нанесения металлических покрытий мелкокристаллическое строение их и равномерное
распределение по толщине часто обеспечиваются применением комплексных
растворов, в частности цианистых солей, вместо простых и введением в электролит
органических добавок.
Список использованных источников
1.
Обработка конструкционных материалов/ под ред. А.М.
Дальского.
М.: Машиностроение, 2004. - 420 с.
.
Егоров
М.Е.
Технология
машиностроения./ М.Е. Егоров. М.:
Высш.шк., 1976. - 380 с.
.
Арзамасов Б.Н. «Материаловедение». М. Машиностроение, 1986, 384 с
.
Фетисов Г.П. «Материаловедение и технология металлов» М. Высшая школа, 2001