Учет расходных материалов в государственном учреждении образования 'Пудовнянская средняя школа'

  • Вид работы:
    Отчет по практике
  • Предмет:
    Информационное обеспечение, программирование
  • Язык:
    Русский
    ,
    Формат файла:
    MS Word
    553,98 Кб
  • Опубликовано:
    2014-02-01
Вы можете узнать стоимость помощи в написании студенческой работы.
Помощь в написании работы, которую точно примут!

Учет расходных материалов в государственном учреждении образования 'Пудовнянская средняя школа'

Введение

Системы управления учреждения за длительный период своего развития прошли путь от простейших ручных форм учета до современных автоматизированных методов управления на основе использования компьютеров, и предназначенных для применения в учреждениях образования.

Исторически, развитие управленческих систем происходило в логической последовательности от простого к сложному, от элементарного отслеживания состояния дел, до информационно-управляющих систем, позволяющих не только учитывать, но и оптимизировать производственные процессы в условиях быстро меняющегося внешнего окружения и внутренних условий учреждения образования.

В условиях рыночной экономики учреждение нуждается в решении задач управления на качественно новом уровне. Необходимость оперативного реагирования на конъюнктуру рынка и быстро меняющуюся экономическую ситуацию требует перестройки внутренней микроэкономики учреждения, постановки управленческого учета, оптимизации процессов управления.

Целью работы является разработка информационной системы учета расходных материалов в ГУО «Пудовнянская средняя школа».

Объектом работы является учет расходных материалов в государственном учреждении образования «Пудовнянская средняя школа».

Задачи:

1. Изучение деятельности и внутренней организационной структуры учреждения образования;

2. Ознакомление с основными функциями сотрудников;

3. Изучение аппаратных и программных средств, которыми оснащены компьютеры в данном учреждении;

4. Анализ бизнес-процессов учреждения образования и разработка базы данных офисного оборудованияс помощью MS Office Access;

5. Создание функциональной модели и модели данных

Новизна работы заключается в том, что программный продукт представляет собой индивидуальный проект, полностью ориентированный на особенности деятельности учреждения образования и направленный на решение проблем, связанных с учетом расходных материалов компьютерного оборудования.

1. Общее знакомство с организацией

учет материал программирование

ГУО «Пудовнянская средняя школа» расположено в д.Пудовня, ул.Домановская, 25, Дрибинского района, Могилевской области.

Краткая история учреждения образования:

В 1909 году в д. Пудовня была открыта первая земская 4-классная школа. Это был небольшой деревянный дом с маленькими окнами, который имел в своём составе 2 классные комнаты. В каждой комнате располагалось по два класса. В школе училось приблизительно около 30 учеников, это были дети не только из Пудовни, но и из окружающих деревень.

В 1928 году в д. Пудовня на государственные деньги было построено здание начальной школы, которое было рассчитано на 100 учеников. В строительстве школы принимали участие почти все жители деревни.

В конце 20-х начало 30-х годов школа была преобразована в семилетку, в которой уже училось 150 человек.

В 1940 году Пудовнянская семилетняя школа была преобразована в среднюю.

Мирная жизнь белорусского народа оборвалась на рассвете 22 июня 1941 года. И запылали в огне войны белорусские деревни и города.

В годы немецко-фашистской оккупации наша школа практически не работала. Школьные здания были практически уничтожены, либо использовались оккупантами для своих нужд. Всю школьную обстановку оккупанты пустили на дрова. Поэтому задача возрождения общеобразовательной школы после изгнания фашистов оказалась очень тяжелой. После освобождения Советской Армией наша школа имела грустный вид: выбитые окна, разломанные двери, разбуренные печи, осколки снарядов пробили потолок, были разграблены кабинеты, библиотека, школьная обстановка. В таком состоянии школа работать не могла, и учителя вместе с местными жителями сделали все, чтобы школа как можно быстрее стала работать.

В 1944 году, осенью, школа снова встретила своих учеников. Учащиеся занимались в холодных классах, не хватало учебников, бумаги, ученических принадлежностей. Но занятия в школе не останавливались ни на один день, так как было самое необходимое - стремление детей к знаниям. И дети начали их получать.

В 1956 году Пудовнянская средняя школа сделала свой первый послевоенный выпуск. И до 1995 года, включительно, было сделано 39 выпусков.

В 1996 было построено новое современное здание школы. Имеется просторная библиотека, два современных компьютерных класса, актовый и спортивный залы, столовая.

Рассмотрим подразделенияучреждения образования подробнее.

Подразделение «Администрация» состоит из 3-х человек директора,заместителя директора по учебной работе, заместителя директора по воспитательной работе. В их непосредственном подчинении находятся секретарь.

включает в себя два отдела:

отдел регистратуры - занимаетсярегистрацией поступающих и выписывающихсяучащихся (состоит из 1 человека);

архивный отдел - занимается ведением архивов со сведениями обучащихся, педагогах (отметки об их квалификации)и технического персонала (личныеданные, диагноз заболевания и др).

Столоваяобеспечивает питанием школьников и преподавательский состав.

Спортзал предоставляет возможность школьникам посещать спортивный зал, и обеспечивает спортивным инвентарем. В состав спортзала входят:

преподаватели физической культуры, состоящих из 2 человек.

Культурно-развлекательный комплекс(актовый зал) занимается культурно-развлекательными программами для школьников.

Материально-технический отдел проводит небольшие ремонтные работы, а также осуществляет снабжение всех классов хозяйственным инвентарем и хранение этого инвентаря. В состав отдела входят:

завхоз школы- контролирует работу своего отдела;

материально-техническая часть - осуществляет снабжение всех подразделений техническим инвентарем;

Подразделение «Склады» занимается хранением школьного инвентаря, материальных средств, их хранением и доставкой в подразделения.

Все вышеизложенное описание подразделений ГО «Пудовнянская средняя школа»и его состава в дальнейшем поможет конкретизировать процесс разработки ИСУ.

В соответствии с количеством сотрудников каждого подразделения и выполняемых ими функций будут решаться вопросы о количестве ПК и аппаратных и программных средств, необходимых для каждого подразделения.

1.1 Структура предприятия


1.2 Описание структуры ВЦ, АСУП


Информация позволяет:

осуществлять контроль за текущим состоянием учреждения образования, его подразделений и процессов в них;

определять стратегические, тактические и оперативные цели и задачи учреждения образования;

принимать обоснованные и своевременные решения;

координировать действия подразделений в достижении целей.

Информационная потребность - осознанное понимание различия между индивидуальным знанием о предмете и знанием, накопленным обществом.

Данные - информация, низведенная до уровня объекта тех или иных преобразований.

Документ - информационное сообщение в бумажной, звуковой, электронной или иной форме, оформленное по определенным правилам, заверенное в установленном порядке.

Документооборот - системасоздания, интерпретации, передачи, приема, архивирования документов, а также контроля за их исполнением и защиты от несанкционированного доступа.

Экономическая информация - совокупность сведений о социально-экономических процессах, служащих для управления этими процессами и коллективами людей в производственной и непроизводственной сфере.

Информационные ресурсы - весь имеющийся объем информации в информационной системе.

Информационная технология - системаметодов и способов сбора, передачи, накопления, обработки, хранения, представления и использования информации.

Автоматизация - заменадеятельности человека работой машин и механизмов.

Информационная система - информационный контур вместе со средствами сбора, передачи, обработки и хранения информации, а так же персоналом, осуществляющим эти действия с информацией.

Миссия информационных систем - производство нужной для организации информации для обеспечения эффективного управления всеми ее ресурсами, создание информационной и технологической среды для осуществления управления учреждением.

Обычно в системах управления выделяют три уровня: стратегический, тактический и оперативный. На каждом из этих уровней управления имеются свои задачи, при решении которых возникает потребность в соответствующих данных, получить эти данные можно путем запросов в информационную систему. Эти запросы обращены к соответствующей информации в информационной системе. Информационные технологии позволяют обработать запросы и, используя имеющуюся информацию, сформировать ответ на эти запросы. Таким образом, на каждом уровне управления появляется информация, служащая основой для принятия соответствующих решений.

В результате применения информационных технологий к информационным ресурсам создается некая новая информация или информация в новой форме. Эта продукция информационной системы называется информационными продуктами и услугами.

Информационный продукт или услуга - специфическая услуга, когда некоторое информационное содержание в виде совокупности данных, сформированная производителем для распространения в вещественной и невещественной форме, предоставляется в пользование потребителю.

В настоящее время бытует мнение об информационной системе как о системе, реализованной с помощью компьютерной техники. Это не так. Как и информационные технологии, информационные системы могут функционировать и с применением технических средств, и без такого применения. Это вопрос экономической целесообразности.

Преимущества неавтоматизированных (бумажных) систем:

-   простота внедрения уже существующих решений;

-         они просты для понимания и для их освоения требуется минимум тренировки;

          не требуются технические навыки;

          они, обычно, гибкие и способны к адаптации для соответствия деловым процессам.

Преимущества автоматизированных систем:

в автоматизированной информационной системе появляется возможность целостно и комплексно представить все, что происходит с учреждением, поскольку все экономические факторы и ресурсы отображаются в единой информационной форме в виде данных.

Корпоративную информационную систему обычно рассматривают как некоторую совокупность частных решений и компонентов их реализации, в числе которых:

единая база хранения информации;

совокупность прикладных систем, созданных разными фирмами и по разным технологиям.

Комплект учебной вычислительной техники (КУВТ) подставляет собой набор рабочих мест учащихся (РМУ), рабочее место преподавателя (РМП) и периферийные устройства, связанные между собой локальной сетью для совместного использования программ и обмена данными. КУВТ устанавливается в специальном кабинете информатики и вычислительной техники (КИВТ) и предполагает комплекс организационных, методических, программных и эргономических решений для его эффективного применения.

Компьютеризированные рабочие места (КРМ) включает в себя один или несколько компьютеров с периферийными устройствами, устанавливаемые в общеобразовательных учебных классах. КРМ предполагает комплекс организационных и методических решений. Возможно подключение КРМ к локальной сети учебного заведения. Такая структура ориентирована на применение компьютера в преподавании общеобразовательных и специальных предметов. Она наиболее эффективна для демонстрационного обеспечения занятий, для индивидуального и группового обучения при лекционно-лабораторной системе, для организации самостоятельной учебно-исследовательской работы учащихся.

Специализированные автоматизированные рабочие места (АРМ) представляют собой отдельные компьютеры с периферией и программным обеспечением, специализированные для решения конкретных задач. Этой структуре соответствует АРМ секретаря, оператора ЭВМ, педагога социального, учителя-дефектолога и др..

Наиболее распространенной и эффективной для реализации классно-урочной формы обучения является структура: КУВТ. Данная структура организации ВТ целесообразна для группового обучения, для организации совместной работы большой группы учащихся а также для фронтального тестирования и контроля. КУВТ - она из основных характеристик кабинета информатики.

Кабинет информатики и вычислительной техники (КИВТ) организуется как учебно-воспитательное подразделение общеобразовательной и профессиональной школы, учебно-производственного комбината, оснащенное комплексом учебной вычислительной техники (КУВТ), учебно-наглядными пособиями, учебным оборудованием, мебелью, оргтехникой и приспособленными для проведения теоретических и практических, классных, внеклассных, внеурочных занятий по курсам «Информатика», «Математика и информатика» и «Основы информатики и вычислительной техники» как базовым, так и профильным. Кроме того, КИВТ может использоваться в преподавании различных учебных предметов, трудового обучения, в организации общественно полезного и производительного труда учащихся, для эффективного управления учебно-воспитательным процессом.

КИВТ выполнен как психологически, гигиенически и эргономически комфортная среда, организованная так, чтобы в максимальной степени содействовать успешному преподаванию, умственному развитию и формированию информационной картины мира.

В кабинете информатики организуется информационное взаимодействие между учащимися и программно-аппаратными средствами хранения и обработки информации, между учащимися и учителем, необходимое для осуществления учебно-воспитательного процесса.

Занятия в кабинете направлены на формирование у учащихся знаний об устройстве и функционировании современной вычислительной техники, умений и навыков решения задач с помощью ЭВМ и работы информационных ресурсов; ознакомление учащихся с применением вычислительной техники напроизводстве, научных учреждениях, учебном процессе и управлении; совершенствование методов обучения и организации учебно-воспитательного процесса в школе.

Организационную работу КИВТвозглавляет учитель информатики. Он отвечает за сохранность оборудования, ведения журнала инвентаризационной записи, содержание оборудования в постоянной готовности к применению, своевременность и тщательность профилактического технического обслуживания ВТ, правильное ее использование, за исправность противопожарных средств и средств первой помощи при несчастных случаях, за своевременное проведение вводного и периодического инструктажей учащихся по технике безопасности, за соблюдение учащимся правил техники безопасности

Вычислительная техника и оборудование, имеющее на базе ГУО «Пудовнянская средняя школа»

№ п/п

Наименование

Количество

Описание

1.

Компьютер

6

процессор: Intel(R) Atom(TM) CPU D525 @1.80GHz 1,80 GHz, ОЗУ: 1,00 ГБ Тип системы: 32-разрядная операционная система

2.

Компьютер

10

процессор: Intel(R) Atom(TM) CPU D525 @ 1.80GHz 1,80 GHz, ОЗУ: 1,00 ГБ Тип системы: 32-разрядная

3.

Компьютер

1

процессор: Pentium(R) Dual-CoreCPU E5500 @2.80GHz2,40 GHz, ОЗУ: 2,00 ГБ Тип системы: 32-разрядная

4.

Компьютер

1

процессор: Intel(R) Celeron(TM) CPU E3400 @ 2.60GHz2,60 GHz, ОЗУ: 2,00 ГБ Тип системы: 32-разрядная

5.

Принтер

1

HP Laser Jet 1018

6.

Принтер

1

Samsung ML-1640

7.

Принтер

1

Samsung ML-2250S

8.

Принтер

1

Samsung ML-1710P

9.

Принтер

1

Epson

10.

Ксерокс

1

WorkcentrePE 114e

11.

Ксерокс

1

Phaser 3100MFP/S

12.

Проекционная система

1

BENQ

13.

Интерактивная доска

1

TRIUMPH BOARD 78´´ DUAL Touch

14.

Сканер

1

PlustekOpticSlim 2420+

Цифровой фотоаппарат

1

Fujifilm FinePix A600

 

.4 Характеристика операционных систем и языков программирования


В последние годы деятельности процесс обучения и преподавания в школе намного шагнуло вперед. Если говорить кратко, учащиеся школы в течение учебного года обучаются всем современным в использовании компьютерным технологиям. Приобретенный опыт в процессе учебы дает возможность учащимся выбирать такие отдельные направления в профессии как: компьютерное программирование, Web-дизайн, компьютерная графика, администрирование сетей, обработка базы данных и т.д. После окончания средней школы они могут продолжить учебу в вузах страны.

В текущем учебном году в программе обучения предусмотрены серьезные изменения. В том числе переход к изучению наиболее передовой компьютерной среды как Pascal и Delphi.

Сегодня в школе, при спонсорской поддержке отдела образования, с учетом заслуг учащихся,занявших призовые места на Республике, число созданных учебных классов достигло двух. Каждый из них оснащён компьютерами IBM PC PentiumIntel(R) Atom(TM) CPU.

Стоит также отметить сайт школы <#"725342.files/image002.gif">

Рисунок 1 - Контекстная диаграмма

В дальнейшем диаграмма разбивается на уровни. Первый уровень - это диаграмма (см. рисунок 2), с помощью которой производится детализация основного процесса, находящегося на контекстной диаграмме. Контекстную диаграмму разбиваем на 3 блока.

Рисунок 2 - Декомпозиция процесса «Учет расходных материалов»

Полученные блоки - «Ввод информации о поставщиках», «Списание расходных материалов», «Ввод информации о расходных материалах». Механизм, выполняющий работу, является завхоз учреждения образования.

Рисунок 3 - Декомпозиция процесса «Ввод информации о поставщиках»

Входными данными являются поступившие в учреждение материалы. Выходными - дата списание, наименование, количество. Механизмом, выполняющим работу, является завхоз учреждения образования.

Рисунок 4 - Декомпозиция процесса «Списание расходных материалов»Блок «Списание расходных материалов» разбиваем на три блока - «Ввод данных о списании», «Ввод информации о количестве списываемых расходных материалов» и «Ввод информации о причине списания».

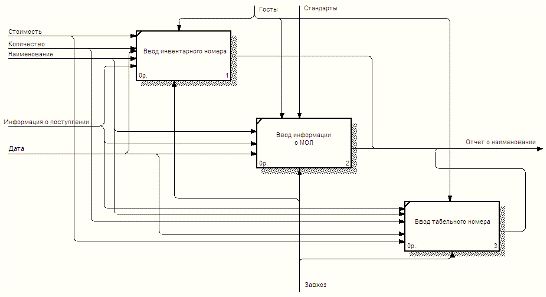
Рисунок 5 - Декомпозиция процесса «Ввод информации о расходных материалах»

Блок «ввод информации о расходных материалах» разбиваем на три блока - «Ввод инвентарного номера», «Ввод информации о МОЛ» и «Ввод табельного номера».

Информационная модель

Для отображения информационной модели рассматриваемого процесса используются следующие сущности:

поставщики - для отображения информации о поставщиках;

списание расходных материалов - для отображения информации об расходных материалов за месяц;

расходные материалы - содержит информацию о наименовании и количестве списываемого материала.

Информационная модель была реализована с помощью ER-win, с использованием логически - физического уровня. Наглядно модель представлена на рисунке 6.

Рисунок 6 - Информационная модель физического уровня

Рисунок 7 - Информационная модель логического уровня

Заключение

Во время технологической практики была собрана информация о деятельности ГУО «Пудовнянская средняя школа» и видах выполняемых работ. Были закреплены и углублены знания по инструктажам, отработаны практические навыки, изучена охрана туда.

В течении периода практики была разработана информационная и функциональная модели ИС учета расходных материалов. BPwin обеспечивает возможность задания логической четкости в определении и описании элементов диаграмм, проверку целостности связей между диаграммами, дает возможность поддерживать пользовательские свойства, применяемые к элементам диаграммы для описания специфических свойств, присущих данному элементу. В диаграммах потоков данных все используемые символы складываются в общую схему, которая дает ясное представление того, какие данные используются, и какие функции выполняются данным модулем. Кроме того, это помогает определить существующие потоки информации, которые необходимы для корректной работы системы и нуждаются в редактировании.

При разработке функциональной и информационной систем были пройдены следующие этапы:

-   сбор необходимой информации;

-        изучение предложенной задачи;

-        построение моделей.

Список литературы

Григорьев Ю.А., ФраерманВ.В, NetWare 5. Настольная книга администратора. - М.: ДМК, 2000. - 656 с.

ГОСТ 12.1.005-76 Воздух рабочей зоны. Общие санитарно-гигиенические требования.

СанПиН 9-98 РБ 98 Санитарные правила и нормы аэроионизации воздушной среды производственных и общественных помещений.

Сергеев И.В. Экономика предприятия. - М.: Финансы и статистика, 2000.

Похожие работы на - Учет расходных материалов в государственном учреждении образования 'Пудовнянская средняя школа'

 

Не нашли материал для своей работы?
Поможем написать уникальную работу
Без плагиата!
Без нейросетей!