|
Назва параметру
|
Позначення
|
Числове значення
|
|
Максимальна
швидкість бистрого ходу, мм/хв.
|
Vб.х
|
10000
|
|
Максимальна робоча
швидкість подачі, мм/хв.
|
Vp. max
|
4000
|
|
Мінімальна робоча
швидкість подачі, мм/хв.
|
Vр. min
|
1
|
|
Крок ходового
гвинта, мм/об
|
tг
|
10
|
|
Середній діаметр
ходового гвинта, м
|
Dг
|
0.05
|
|
Довжина ходового
гвинта, м
|
lг
|
1.2
|
|
Попереднє значення
моменту інерції електродвигуна, кг.м2
|
Jд
|
0.03
|
|
Зусилля натягу
передачі ходовий гвинт-гайка, Н
|
Fн
|
100
|
Час розгону до швидкості скорого ходу tп.п = 0,4 с
Тривалість вмикання ПВ=90%
Момент інерції редуктора
кг/м2
Вид направляючих - кочення
Матеріал заготовок - сталь
Матеріал ріжучого інструменту -швидкоріжуча сталь
Глибина різання t =0,8 мм
Подача S = 0.6
Швидкість різання V = 4 м/хв
Маса вузла подачі m=400 кг
.2 Розрахунок зусилля та потужності різання
Зусилля, яке прикладається до ріжучої кромки інструменту, може бути
розкладене на три складові (див. рис. 2.1):
де Fz - головна дотична сила, яка діє у напрямку головного руху (сила
різання, яку долає шпиндель верстату); Fy -радіальна сила, яка діє нормально до
оброблюваної поверхні (сила, яку долає поперечна подача); Fx -осьова сила, яка
діє паралельно до оброблюваної поверхні (сила, яку долає поздовжня подача).
Розрахунок зусилля різання проводиться за формулою:
де t- глибина різання, мм; s- величина подачі, мм/об; v- окружна
швидкість різання, мм/хв..; CFz, XFz, YFz, n- коефіцієнт та показники ступеня,
які залежать від різновиду та режиму металообробки ; Kпz - загальний
поправочний коефіцієнт, який враховує зміни умов металообробки (особливості
геометрії різця, його спрацьованість, умови охолодження, стан поверхні
заготовки, для даних умов приймається рівним 1).
У відповідності із заданими матеріалами коефіцієнти та показники
ступеня будуть мати наступні числові значення [Теряєв]
Таким чином зусилля по осі z рівне
За аналогічними формулами розраховуються складові зусилля різання Fy та
Fx :
Для орієнтовних розрахунків можна приймати:@0,4Fz =0,4*1068=427 Н@0,3Fz . =0,3*1068=320,4 Н
.3 Визначення швидкості двигуна подачі
Для перетворення обертального руху двигуна у поступальний рух вузла
подачі при довжині переміщень до 4 метрів звичайно використовують передачу
ходовий гвинт - гайка, більше 4 метрів - передачу шестерня - рійка.
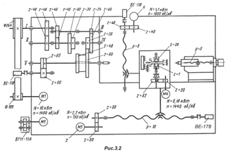
Кінематична схема привода подачі з передачею ходовий гвинт - гайка
представлена на рис. 4.1.
Двигун подачі 1 через редуктор 2 обертає ходовий гвинт 3. За допомогою
гвинтової пари обертальний рух ходового гвинта перетворюється у поступальний
рух вузла подачі 4.
По можливості з кінематичної ланки приводу подачі прагнуть виключити
редуктор та з'єднати двигун безпосередньо з ходовим гвинтом. Це дозволяє
підвищити точність приводу подачі за рахунок виключення люфта редуктора,
зменшити сумарний приведений момент інерції та втрати в кінематичному ланцюзі.
Швидкість двигуна подачі nдв визначається заданою лінійною швидкістю
переміщення вузла подачі та передаточним відношенням кінематичного ланцюга:
- для передачі гвинт - гайка:
де V - лінійна швидкість вузла подачі, мм/хв.; ip - передаточне
відношення редуктора; tг - крок гвинта, мм.
За формулою (2.1) розраховують максимальну швидкість двигуна подачі
nдв.max, яка відповідає переміщенню вузла подачі на неробочому бистрому ході
Vб.х.:
а також номінальну швидкість пдв.ном., яка відповідає максимальній
швидкості робочої подачі Vр.max.
.4 Визначення моментів двигуна для статичних режимів
Статичний момент на валу двигуна подачі визначається зусиллям, яке
долає привод у напрямку подачі при сталому русі виконавчого органу Fп, та ККД
кінематичного ланцюга привода подачі.
В загальному випадку зусилля Fп в режимі різання визначається за
формулою:
де: к - коефіцієнт запасу, к=1…1,5; Fx - складова зусилля різання у
напрямку подачі, Н; m - коефіцієнт тертя; NS - сума нормальних сил, діючих на напрямні, Н; Fн -
зусилля від попереднього натягу в передачі гвинт - гайка, Н.
Статичний момент на валу двигуна подачі за відомим зусиллям подачі
визначається через радіус інерції
де: r - радіус інерції, м; h - загальний коефіцієнт корисної дії механічної
передачі.
Радіус інерції для передачі ходовий гвинт - гайка:
Загальний коефіцієнт корисної дії кінематичного ланцюга привода подачі
з редуктором:
де: h1=0,95 - ККД
передачі гвинт - гайка без натягу (з натягом h1=0,85…0,9); h2=0,85…0,9
- ККД зубчастого редуктора. При установленні двигуна безпосередньо на ходовий
гвинт:
.
Основними режимами руху привода подачі є режим різання з робочою
подачею та режим руху на бистрому ході для здійснення установчих переміщень,
коли різання відсутнє.
При сталому русі у режимі різання з робочою подачею, зусилля подачі Fп1
складається згідно (2.2) із зусилля різання у напрямку подачі Fx, зусилля тертя
у рухомих ланках механізму подачі mFS та зусилля натягу Fн.
Основною складовою зусилля тертя в механізмі подачі є тертя в напрямних
вузла подачі. Тертя у парі гвинт-гайка, підшипниках ходового гвинта та в
редукторі незначне і враховується відповідним ККД.
При розрахунку зусилля тертя до суми нормальних сил, діючих на напрямні
NS , слід включити вагу вузла подачі, вагу
деталі, якщо вона розміщується на вузлі подачі, а також складові зусилля
різання Fy, Fz, якщо вони діють перпендикулярно до напрямних.
При переміщенні вузла подачі в горизонтальній площині:
де: mв.п. - маса вузла подачі, кг; mдет. - маса деталі, кг
(враховується у випадках встановлення деталі на вузлі подачі); g - прискорення
сили тяжіння 9,81 м/с2.
Відповідно статичний момент на валу двигуна рівний:
Коефіцієнт тертя m залежить
від матеріалів поверхонь, що труться, їх змащування та конструкції напрямних.
Звичайно для напрямних ковзання зі змащуванням приймають m =0,1, для напрямних катання m =0,005…0,01.
Для вузлів подачі, які переміщуються у вертикальній площині, слід
враховувати додаткове зусилля від ваги переміщуваних вузлів, а також той факт,
що навантаження від сил тертя пристроїв, які переміщуються вертикально,
дорівнює нулю.
Для вузлів подачі, які переміщуються в горизонтальній площині:
Статичний момент при сталому русі на швидкому ході - М2 визначається
через зусилля Fп2 згідно (2.3) для передачі гвинт - гайка:
де tг - крок гвинта, м;
Попередньо вибирають двигун з номінальним моментом у діапазоні робочих
швидкостей при різанні nр.max …nр.min , більше статичного розрахункового
моменту у режимі різання:
Мдв.ном ³ М1, а також з моментом на швидкості бистрого
ходу nб.х., більшим від статичного моменту опору на бистрому ході:
Мдв.б.х. ³ М2.
При відсутності паспортного значення моменту двигуна на швидкості
бистрого ходу, його величина може бути розрахована:
.
Для повторно-короткочасного режиму роботи двигун вибирають не
за М1, а за моментом
де ТВ - тривалість вмикання у відсотках.
.5 Визначення моментів двигуна для динамічних режимів
Попередньо вибраний двигун перевіряють з урахуванням динамічних
навантажень. Для цього визначають момент двигуна у перехідних режимах М3,
необхідний для подолання сил тертя при пуску з місця та надання інерційним
масам механізму подачі завданого прискорення.
де М2¢ - момент
тертя при пуску з місця; Мдин - динамічна складова моменту.
Момент М2¢ визначається згідно (2.4) аналогічно моменту
тертя на швидкому ході М2, але при розрахунку зусилля подачі Fп2 в формулі
(2.3) треба використовувати підвищене значення коефіцієнту тертя m =0,015 для напрямних катання :
Динамічна складова моменту двигуна визначається сумарним моментом
інерції механізму, приведеним до валу двигуна і власним моментом інерції
двигуна з урахуванням моментів інерції датчиків швидкості та кута повороту,
якщо вони є, та прискоренням e, яке
повинен розвивати двигун:
Сумарний момент інерції механізму, приведений до валу двигуна:
де Jв.п¢ - момент інерції поступально переміщуваних
частин вузла подачі, приведений до валу двигуна; Jг¢ - приведений момент інерції ходового гвинта; Jр -
приведений момент інерції редуктора.
Приведений момент інерції поступально переміщуваних частин вузла
подачі:
де mв.п - маса вузла подачі, кг; mдет - маса деталі, кг (враховується у
випадках встановлення деталі на вузлі подачі); r - радіус інерції, м).
Приведений момент інерції редуктора
Приведений момент інерції ходового гвинта:
де: Dг - середній діаметр ходового гвинта, м; lг - довжина ходового
гвинта, м; g - густота матеріалу гвинта; для сталі g =7,8×103
кг/м3.
Якщо кутове прискорення невідоме, то в завданні на проектування
вказують лінійне прискорення вузла подачі, або час розгону до швидкості
швидкого ходу tп.п .
Кутове прискорення визначається через лінійне за формулою:
де а - лінійне прискорення, м/с2; r - радіус інерції, м.
При заданому часі розгону до швидкості бистрого ходу tп.п., кутове
прискорення може бути визначене через швидкість бистрого ходу:
де Vб.х. - швидкість бистрого ходу, мм/хв.; tг - шаг ходового гвинта,
мм; ір - передаточне число редуктора.
Таким чином, для випадку відпрацювання електроприводом ступінчастого
керуючого сигналу динамічний та повний моменти в перехідному режимі розгону до
швидкості бистрого ходу складатимуть, відповідно:
Перевірка попередньо вибраного двигуна на динамічні навантаження
забезпечується виконанням умови:
тобто максимально допустимий момент двигуна на час розгону до швидкості
бистрого ходу tп.п. повинен бути не менше повного моменту в перехідному режимі
М3, необхідного для подолання сил тертя та надання інерційним масам механізму
заданого прискорення.
.6 Перевірка умов придатності електродвигуна
В результаті проведених розрахунків були визначені: необхідний момент
двигуна у сталому режимі на робочих подачах по подоланню сил тертя та складових
зусилля різання при обробці деталі М1; момент двигуна у сталому режимі при
неробочому бистрому ході М2; момент двигуна в перехідному режимі розгону до
швидкості бистрого ходу М3; швидкість бистрого ходу nб.х.
Параметри обраного електродвигуна повинні задовольняти наступним
нерівностям:
Якщо попередньо вибраний двигун не задовольняє хоча б однієї з
наведених нерівностей, необхідно вибрати двигун більшої потужності та повторити
розрахунки.
Після вибору конкретного електродвигуна слід скорегувати величину Jд, у
формулі (2.5) для розрахунку Мдин, який є складовою моменту М3, та повторно
здійснити перевірку умови Мдв.max ³ М3.
Слід зазначити, що якщо в обраній системі електроприводу не передбачено
регулювання швидкості двигуна вище номінальної, то умови застосовуються у
вигляді Мдв.ном ³ М2, пдв.ном ³ nб.х.
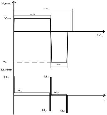
.7 Побудова тахограми та навантажувальної характеристики
План побудови тахограми включає наступні пункти:
)Час розгону до робочої швидкості подачі:
с
) Прискорення під час розгону до швидкості подачі:
м/с2
) Шлях пройдений під час розгону до швидкості подачі:
м
)Час усталеної роботи:
с
0,9- максимальна довжина заготовки , м
)Час подачі
с
)Час розгону до швидкості бистрого ходу:
с
) Шлях пройдений під час розгону до швидкості бистрого ходу:
м
)Час усталеної роботи при швидкості бистрого ходу:
с
) Час роботи при швидкості бистрого ходу:
с
) Час роботи двигуна:
с
) Час паузи :
с
) Час циклу
с
Виконується розрахунок діаграми навантажень:
) При розгоні до робочої швидкості подачі:
Нм
) При усталеному русі із швидкостю подачі:
Нм
) При гальмуванні з швидкості подачі:
Нм
) При розгоні до швидкості бистрого ходу:
Нм
) )При усталеному русі із швидкостю бистрого ходу
Нм
) ) При гальмуванні із швидкості бистрого ходу
Нм
На основі отриманих данних будуєм тахограму роботи двигуна, а також
його навантажувальну діаграму:
Розрахуємо значення еквівалентного моменту
.8 Вибір двигуна
В попередньому розділі було розраховано діаграму навантажень рис
де значення статичних моментів дорівнюють:
Швидкості показані на тахограмі після приведення до валу двигуна
становлять:
при чому на систему накладають наступні обмеження:
максимальна швидкість:
максимальне прискорення:
максимальна похибка:
момент інерції робочого органу рівний J=0.01 м*кг/с^2
виходячи з даних значень моментів та швидкостей вибрано синхроний
двигун 1FT6062-6AC7
Паспортні дані:
|
Технічні дані
|
Позначення
|
Од. Вимір.
|
Величини
|
|
Дані для
проектування
|
Номінальна швидкість Кількість полюсів
Номінальний момент (100К ) Номінальний струм (100К) Момент інерції
p
Об/хв
Нм
А
2000
,2
,6
|
|
|
|
|
|
Граничні дані
|
Максимальний момент Максимальний струм

А24
Опір обмотки при 20 С Головна індуктивність
Електрична постійна часу Механічна постійна часу Постійна часу нагріву
Ом
мГн
мс
мс
хв5,8
,4
Також необхідно провести розрахунок додаткових параметрів
двигуна для роботи в номінальному режимі
Синхронна кутова швидкість двигуна
рад/с
Номінальна лінійна напруга двигуна
В
В
Номінальний потік
Вб
Потужність на валу:
Вт
Коефіцієнт корисної дії двигуна:
Коефіцієнт потужності
.9 Вибір перетворювача
Для даного двигуна обираємо перетворювач частоти фірми SIEMENS SIMOVERT
MASTERDRIVES.
Його параметри:
Номінальна потужність
кВт
Короткі технічні дані:
|
Напруга
|
|
Лінійна напруга
|
3-фазна 380В (-15%)
|
|
Напруга ланки
постійного струму
|
510 В (постіна)
|
|
Частота
|
|
Лінійна частота
|
50/60 Гц
|
|
Вихідна частота
|
0...400Гц
|
|
Пульсації частоти
|
5кГц...8кГц
|
|
Номінальний струм
|
3,5 А
|
|
Коефіцієнт
навантаження
|
0,98
|
3. Розробка функціональної схеми
Привід подачі станка відноситься до системи регулювання
положення.
Дані системи представляють собою клас систем з надзвичайно
широким діапазоном призначень. Вони знаходять застосування в різних промислових
установках і роботах як системи наведення антен, оптичних телескопів і
радіотелескопів, для стабілізації різних платформ в умовах вібрацій основ, на
яких монтуються дані платформи й т.п. Потужність виконавчих двигунів становить
від одиниць і десятків ват до десятків і сотень кіловат, їхнє живлення
здійснюється від електромашинних, тиристорних та транзисторних перетворювачів.
Контроль положення здійснюється за допомогою датчиків, які в аналоговій або
дискретній формі подають інформацію про переміщення робочого органа механізму
протягом усього шляху. Як датчики використовуються сельсини, обертові
трансформатори, индуктосини, імпульсні й цифрові датчики.
У більшості випадків промислові системи керування положенням
будуються сьогодні на принципах підпорядкованого регулювання. На даний час в
більшості цих систем використовують синхронні двигуни з постійними
магнітами.Синхронний двигун з постійними магнітами (СДПМ), завдяки своїм
високим експлуатаційним характеристикам, є найбільш перспективною машиною в
діапазоні малих і середніх потужностей. СДПМ простий по конструкції, не має
втрат на збудження й має стабільну швидкість ротора. Ці якості відділяють його
з ряду всіх інших машин і забезпечують йому ширше застосування в автоматиці,
приводах подачі верстатів, прецизійних системах .спостереження, а також
системах, де стабільність швидкості є першорядною вимогою, щодо технологічного
процесу.
СДПМ діляться на два класи: з синусоїдальним розподіленням
магніторушійної сили (MPC) та з трапецеїдальним. З трапецеїдальним
розподіленням MPC відносяться до електронно-комутуючих електричних машин, які
називаються вентильними або безщітковими двигунами постійного струму.
Постійне здешевлення магнітних матеріалів, зокрема,
впровадження сплавів рідкоземельних металів, удосконалення апаратної бази
керування роблять можливим використання цього типу двигунів у тих областях, де
традиційно застосовувалися двигуни постійного струму (ДПТ) або асинхронні
двигуни (АД). Використання СДПМ як альтернативи ДПТ у регульованому приводі
стало можливим з появою відповідної перетворювальної й цифрової обчислювальної
техніки. Насамперед, це пов'язане із впровадженням перетворювачів на
транзисторах з ізольованим затвором (Insulated Gate Bipolar Transistor (IGBT)),
використанням принципів широтно-імпульсної модуляції (Ш1М, Pulse Width
Modulation (PWM)), перетворення змінного нерегульованого струму в регульований
змінний (АС-АС).
В бакалаврській роботі розроблена система слідкуючого
електропривода з синхронним двигуном, для якої важливе відпрацювання заданої
траєкторії без помилки. Система розроблена на основі двофазної моделі двигуна.
Таким чином подальші розрахунки будуть проводитись для такої
функціональної схеми рис 3.1:
Рис 3.1
3.1 Математична модель ЕП з СД
Узагальнена машина
Розглядаючи структуру електричної машини неважко встановити
її загальні особливості, завдяки яким при певних допущеннях можливо побудувати
їх узагальнену теорію.
Кожна машина має статор і ротор розділені малим повітряним
проміжком.
Магнітопроводи статора і ротора мають радіальну симетрію
магнітних властивостей, а їх поверхні звернені до проміжку можна розглядати як
гладкі циліндричні.
Закон розподілу і тип обмотки вибираються так, щоб взаємна
індуктивність між обмоткамі статора і ротора змінювалася по синусоїдальному
закону функції кута повороту ротора. На практиці це можливо виконати ліше з
деяким наближенням, тому взаємна індуктивність представляється деякою функцією
з домінуючою першою гармонікою. Вищі гармоніки ряду Фур'е відносяться до
індуктивностям розсіювання.
В електричній машині електромагнітні процеси повторюються
через кожну пару полюсів, тому узагальнену машину приймаєм ідеалізованою
двополюсною. З іншого боку електромагнітні процеси в електричних машинах в
основному визначаються магнітними потоками ,що протікають в повітряних
проміжках, які,в свою чергу , визначаються струмами ,що протікають вздовж осі
машини. Потоки ,створювані струмами, в лобових частинах називаються потоками
розсіювання. У більшості практично важливих випадках допустимо вважати, що
лінії силового магнітного поля перпендикулярні до циліндричних поверхонь
створюючих проміжок.
Розподіл струмів по повітряному проміжку , а також зміна їх в
часі зрештою визначають тип електричної машини і всіх її характеристик.
Розподіл струмів залежить від типу обмотки, а зміна їх в часі від характеру
напруги, що підводиться. Машина передбачається ненасиченою, тобто
магнітопроводи виконані з матеріалу з нескінченною магнітною проникністю,
втрати на вихрові струми і перемагнічування відсутні.
Електромеханічний перетворювач розглядається як такий, що містить n
обмоток на статорі і m на роторі. До обмоток статора і ротора прикладається
керуючі напруги
, яка формуються пристроєм керування електроприводу і
які створюють
струмів електричної машини.
В такій постановці виділяють електричну і механічну частини. Виходом
першої являється електромагнітний момент ,як результат взаємодії струмів статора
і ротора , що прикладається до ротора електричної машини.
ЕЧ - електрична частина
МЧ - механічна частина
У загальному випадку оскільки для прийнятої схематизації число обмоток
статора і ротора
, то їм повинно відповідати
рівнянь Кирхгофа ,які встановлюють взаємозв'язок між
струмом і напругою.
Якщо допустимо вважати, що картина електромагнітного поля січної
площини перпендикулярна до осі обертання не змінюється при її русі в межах
повітряного проміжку, то поле можна вважати плоским.
Оскільки представлення інформації в площині двомірне, то будь-який
вектор МРС створюваний багатофазною обмоткою може бути сформований всього лише
двома обмотками. Таким чином, при вказаних допущеннях будь-яка багатофазна
обмотка має двофазний аналог. Зрозуміло ,що така аналогія формується на основі
ідеальності МРС.
Якщо об’єднати всі розглянуті раніше допущення, то приходимо до поняття
узагальненої машини, що ідеалізується, яка описує фундаментальні принципи
реальних електричних машин.
Модель СД в системі координат (a-b)
Сформуємо наступні вектори:
Запишемо повні вектори струмів і потокощеплень:
Запишемо матрицю індуктівностей :
Використовуючи
отримаємо:
Підставивши значення
і
в рівняння електричної рівноваги отримаємо:
Звідси
Рівняння моменту:
Об'єднав отримані рівняння отримаємо повну модель СД з постійними
магнітами в системі координат (a-b):
-
керуюча дія,
- збурююча дія,
-
вихідні координати.
Модель СД в системі координат (d-q)
Здійснимо перетворення в систему координат ротора (d-q) відповідно до
перетворення:
Де
Модель СД з постійними магнітами в системі координат (a-b) приводиться
до моделі СД в системі (d-q) враховуючи вищенаведені перетворення:
З виразу для моменту слідує:
. Він пропорційний компоненті струму статора ортогональній до
.
. Для отримання постійного моменту
повинен обертатись синхронно з ротором двигуна.
. Пряма компонента
момент
нестворює. З метою мінімізації втрат керування повинно здійснюватись при
.
. Регулювання
може
реалізовуватись при явищі послаблення поля.
Якщо знехтувати
, то в достатньій мірі можна вважати, що вектор
буде направлений по осі q.
При
можна вважати , що реактивна потужність статора
нульова, тобто статор СД поводиться як чисто активне навантаження.
Якщо
, тоді реактивна потужність регулюємого СД буде
віддаватись в мережу. Він набуває активно-ємністного характеру навантаження.
При
реактивна потужність споживається з мережі, що
відповідає активно-індуктивному характеру навантаження.
Регулювання
не впливає на момент, тобто основна керуюча дія,
, вирішує головну задачу керування моментом, а допожна
керуюча дія
, можна використовувати для регулювання коефіцієнта
потужності. Вчасності з векторної діаграми випливає,: якщо СД керувати при
, тоді СД моменту створювати не буде і буде обертатись
зі швидкістю холостого ходу. Регулюючи
можна
регулювати баланс реактивних потужностей, такий СД називається синхронним
компенсатором.
З виразу для потокощеплень витікає, що потокощеплення по осі d
дорівнює:
З виразу для
витікає, що при
весь
потік ротора створюється постійними магнітами
.
При
здійснюється розмагнічування по осі d, що
еквівалентно ослабленню магнітного потоку, при цьому реактивна потужність
віддається в мережу
При
створюється додаткове збудження за рахунок реактивної
потужності споживаною від джерела живлення.
4. Розробка структуної схеми
.1 Постановка завдання керування
Система векторного керування будується у вигляді трьохконтурної схеми
керування, побудованої за принципом підпорядкованого керування в осях d-q. При
цьому система керування містить внутрішній контур регулювання складовою струму
статора
і внутрішній контур регулювання швидкості обертання
вала двигуна
, а також зовнішній контур регулювання положення вала
двигуна
..Контури будуть реалізовані з цифровими
регуляторами. Особливістю побудови даної системи є те, що у вихідному контурі
регулювання положення необхідним є аперіодичний характер перехідного процесу,
тому що перерегулювання приводить до помилок при відпрацюванні завдання
(наприклад приводить до зайвого зняття металу із заготівки, тобто до браку
деталі).
.2 Розробка динамічної моделі обєкта керування
Система диференційних рівнянь ,що описує фіз. процесів в двигуні була
отримана вище (стр. ):
Після введення компенсаційних звязків
Отримано наступну модель
Значення
знаходиться згідно такої формули:
А
Фізична модель перетворювача частоти представлена у вигляді аперіодичної
ланки з коефіцієнтом підсилення:
Стала часу рівна:
с
Остаточно отримано:
Так як метою синтезу є отримання передаточних функцій цифрових
регуляторів, очевидно ,що сигнал в системі має мати дискретний характер, тому
на вході перетворювача частоти встановлено імпульсний елемент (для перетворення
аналоговий сигнал в дискретний ), що представлений ідеальним та формуючим
елементами (рис. 4.1)
Останній являє собою естраполятор нульового порядку з передаточною
функцією
де То-час квантування ідеального елементу.
.3 Синтез регулятора контуру керування струмом статора
Синтез цифрового регулятора проведено методом послідовної
корекції.Структурна схема контуру струму статора
зображена
на рис. 4.2.
Рис 4.2 Схема контуру струму
Передаточна функція обєкту має вигляд :
де
Тоді передаточна функція розімкненої системи:
Задано такі показники якості для контуру:
що відповідає настройці на модульний оптимум.
Бажана передаточна функція розімкненої системи матиме вигляд :
Так досягається ряд переваг :
) реалізовуються добрі показники якості ,
) задовільняється гіпотеза фільтра,
Предаточна функція регулятора визначається як:
Регулятор являє собою передаточну функцію пропорційно-інтегральної
ланки:
Для визначення коефіцієнтів ПІ- регулятора використовують відомі
формули:
де
коефіцієнт зворотнього звязку по струму
Значення коефіцієнтів визначаються наступним чином
Остаточно передаточна функція корегувального пристрою запишеться:
Здійснюється перехід до дискретної передаточної функції
де Т0- частота квантування. Для виконання умов теореми
Котельникова-Шенона її значення обране рівним (стр 38).
Замкнений контур струму виражається як:
Аналогічно проводиться розрахунок регулятора контуру струму
Якщо прийняти що, значення струму
,
і якщо контури струмів однакові ,значення ПІ-регулятора та коефіцієнта
зворотнього звязку рівні:
Здійснюється перехід до дискретної передаточної функції:
.4 Синтез регулятора в контурі швидкості
Структурна схема контура швидкості представлена на рис. 4.3
Рис. 4.3
Для даної структурної схеми проводять деякі спрощення.
Оскільки
передаточна функція контуру струму апроксимується
аперіодичною ланкою:
де
.
передаточна функція контуру швидкості має вигляд:
де
-коефіцієнт зворотнього звязку по швидкості.
При настройці контура на симетричний оптимум перехідні процеси даного
контуру повинні відповідати слідуючим показникам якості :
Тоді передаточна функція бажаної розімкненої системи має вигляд :
Для настройки системи на симетричний оптимум використовується
ПІ-регулятор:
де :
При реалізації регулятора в цифровому пристрої необхідно перейти до
дискретної передаточної функції:
Передаточна функція замкненої системи:
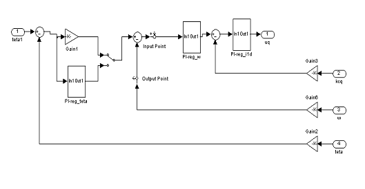
4.5 Синтез регулятора положення
Структурна схема контуру регулювання положенням показана на рис. 4.4
Рис 4.4
Коефіцієнт підсилення контуру рівний:
де
- коефіцієнт зворотнього звязку по положенню.
Частота пропускання контуру визначена графічно з ЛАХ контуру і
становить:
Для зменшення розходження між частотою та псевдочастотою при подальшому
синтезі, частоту квантування вибрано рівною:
при частоті
кут нахилу ЛАХ рівний -60 дБ/дек , тому передаточну
функцію високочастотної області представлено як інтегратор 3-го порядку.
Дискретна передаточна функція матиме вигляд:
Запас по фазі та амплітуді:
Синтезований контур повинен задовільняти таким умовам
Так як система повинна відпрацьовувати лінійно наростаючий сигнал
динамічна похибка по положенню повинна бути рівною нулю, тобто компенсуватися
за рахунок введення інтегральної складової.Для цього БЛАХ повинна в
низькочастотній області мати нахил -40 дБ/дек.
Для отримання аперіодичного перехідного процесу в контурі положення
частота зрізу розімкненого контуру положення повинна бути у 8-10 разів нижче за
частоту спряження внутрішнього контуру швидкості ,тобто рівна :
Добротність контуру чисельно рівна частоті зрізу і коеффіцієнт передачі
розімкненого контуру становить:
Для спрощення виду регулятора в БЛАХ включено усі сталі часу
нескорегованої ЛАХ (з частотою меншою за частоту зрізу).
Тоді бажана ЛАХ буде мати таку передаточну функцію (рис )
Віднімаючи ЛАХ та ЛФХ нескорегованого контуру від ЛАХ та ЛФХ
скорегованого отримано наступну передаточну функцію регулятора (рис):
Остаточно отримано:
Передаточна функція замкненої системи буде:
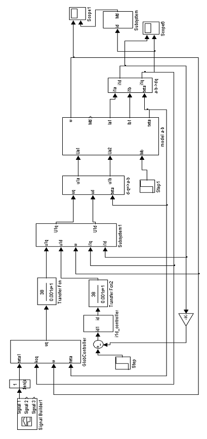
5. Дослідження динаміки САК
В даному розділі ,на основі отриманих функцій регуляторів та
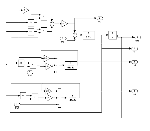
математичої моделі двигуна рис. 5.1 ,необхідно здійснити моделювання системи.
Рис 5.1
Для цього використовується пакет програм MatLab,SimuLink.
Нижче приведено короткий опис деяких ланок ,що будуть
використовуватись:
Блок Step джерело одиничного стрибку;
Блок Scope осцилограф;
Блок Sum суматор;
Блок Gain пропорційна ланка;
Блок Transfer Fcn за її використанням можна задавати передаточну
функцію,як два поліноми.
Блок Constant формує постійну величину
Блок Ramp створює лінійно наростаючий сигнал;
Блок Product виконує множення двох сигналів;
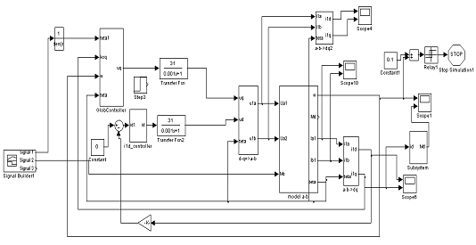
Остаточна структурна схема подана на рис. 5.2 і включає такі блоки:
1. Блок”Model SD” рис.5.3 - модель синхронного двигуна у
системі координат (a-b) .Представлена такою системою диференційних рівнянь
де
кутова швидкість;
компоненти
вектора струму статора;
компоненти
вектора напруги статора
активний
опір обмотки статора
індуктивність
обмотки статора;
Рис 5.3
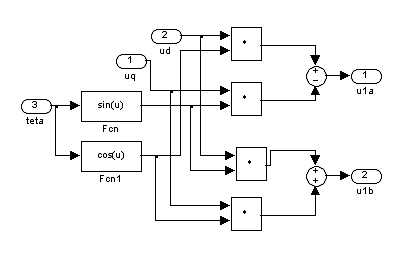
2. Блок “(d-q)=>(a-b)” рис.5.4 здійснює перехід від
системи координат (d-q) до системи координат (a-b). В блоці реалізована
наступна залежність:
- де
- просторові проекції вектора напруги на систему коодинат
(a-b);
-
просторові проекції вектора напруги на систему коодинат
(d-q)
Рис 5.4
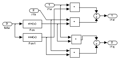
3. Блок “(a-b)=>(d-q)” рис. 5.5 ,здійснює перехід від
системи координат ( a-b) до системи координат ( d-q) .Претворення здійснюються
на основі наступного виразу:
Рис 5.6
. Блок “GlobController” рис 5.7 містить в собі регулятори
керованих величин
,опис яких було приведено вище (п.4).
Рис. 5.7
Рис 5.2
При відпрацюванні системою завдання отримано наступні
перехідні характеристики в моменти розгону та реверсу двигуна:
1) по швидкості рис. 5.9,5.12;
2) по моменту рис. 5.8 ,5.15;
) по струму рис. 5.10, 5.14;
) по положенню рис. 5.11, 5.13;
Рис 5.8
Рис 5.9
Рис 5.10
Рис. 5.11
Рис. 5.12
Рис. 5.13
Рис. 5.14
Рис. 5.15
При аналізі перехідних процесів отримані наступні показники
якості:
час перехідного процесу по швидкості 0,16 с
- величина перерегулювання
максимальна помилка відпрацювання положення становить 1,5 рад
перерегулювання струму становить 30%
час перехідного процесу в контурі струму рівний 0,06 с
6. Спеціальне завдання
Дослідження аварійного режиму ЕП
При проектуванні ЕП необхідно також розглядати поведінку системи в
аварійних ситуаціях та вжити необхідних заходів ,щодо збереження дієздатності
системи.
В системі подачі верстату поширені випадки застрягання .у випадку
неоднорідного матеріалу або великого захвату обробки .В такій ситуації
необхідно обмежити момент для запобігання електричних та мехнічних поломок.
Для початку розглянемо перехідні характеристики при скачку моменту до
рівня 10-кратного перевищення номінального значення.Отримано наступні перехідні
процеси по швидкості ,моменту та струму рис. 6,1-6,3
Рис. 6.1
Рис. 6.2
Рис.6.3
Як видно з перехідних характеристик значення моменту та струму
перевищують допустимі .Для запобігання даного аварійного режиму доцільно ввести
на вхід контура струму нелінійність типу „насичення”.Величина обмеження
встановлюєтьс на рівні максимального значення струму.
Структурна схема наведена на рис 6.4
Рис. 6.4
Тоді при моделюванні отримаєм наступні характеристики
Рис. 6.5 графік зміни механічної потужності при збільшенні навантаження
Рис. 6.6 Механічна характеристика
Рис. 6.7 Графік зміни швидкості
Рис. 6.8 Графік зміни моменту
Рис. 6.9 Графік зміни струму
Як видно з графіка механічної характеристики при дсяганні деякого
значення моменту М=14,5 Нм. Жорсткість характеристики різко зменшується
,потужність на валу при цьому починає також спадати.
7. Реалізація регулятора на базі мікроконтроллера
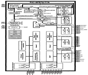
.1 Опис мікроконтроллерів PIC16F87
Серія PIC16F87 підходить для широкого спектру додатків від
схем високошвидкісного керування автомобільними і електричними двигунами до
економічних видалених приймачів, індикаторних приладів і зв'язних процесорів.
Наявність ПЗП дозволяє підстроювати параметри в прикладних програмах (коди
передавача, швидкості двигуна, частоти приймача та інші).
Малі розміри корпусів, як для звичайного, так і для
поверхневого монтажу, робить цю серію мікроконтролерів придатною для
портативних застосувань. Низька ціна, економічність, швидкодія, простота
використання і гнучкість введення/виводу робить PIC16F87 переважним навіть в
тих областях, де раніше не застосовувалися мікроконтролери. Наприклад, таймери,
заміна жорсткої логіки у великих системах, співпроцесори.
Мікроконтролер PIC16F87 відноситься до сімейства КМОП
мікроконтролерів, має внутрішній 1Килобайт Х 16 бітний EEPROM для програм, 64
байт EEPROM пам'яті даних, а також 36 регістрів загального користування і 15
спеціальних апаратних регістрів. Має 35 команд, які складаються з одного слова
шириною 14 бітові виконуються за один цикл, окрім команд переходу, що
виконуються за два цикли. Один цикл виконання інструкції складається з 4
періодів тактової частоти. Таким чином, при частоті 4МГц, час виконання
інструкції складає 1мксек. Висока швидкість виконання команд досягається за
рахунок використання двохшинної Гарвардської архітектури замість традиційної
Фон-неймановськой. Гарвардська архітектура грунтується на наборі регістрів з
розділеними шинами і адресним простором для команд і для даних. Набір регістрів
означає, що всі програмні об'єкти, такі як таймер, регістри портів є фізично
реалізовані апаратні регістри. Гарвардська архітектура допускає конвейєрне
виконання інструкцій, коли одночасно виконується поточна інструкція і одночасно
прочитується наступна (Microchip Technical Library CD-ROM, 2000).PIC16F87 має
переривання від чотирьох джерел і восьмирівневий апаратний стек.. Периферія
включає 8-бітовий таймер/лічильник з 8-бітовим попереднім дільником, 13 ліній
двонаправленого введення/виводу і сторожовий таймер. Робоча частота від до 10
Мгц, діапазон напруги живлення від 2В до 6В, температурний діапазон від -40 С
до +125 С, низьке споживання від 50 мка до 3 ма.
Для створення робочих програм використовується пакет MPLAB, у
складі якого є редактор, відладчик, симулятор і емулятор. Для забезпечення
процесу програмування мікроконтролерів використовується програма обслуговування
програматора COMPIC.
Схема мікроконтроллера PIC16F87 зображена на рис. 7.1
Рис.7.1
7.2 Розробка керуючої програми
Передаточна функція регулятора
записується у вигляді різничного рівняння
Де
-значення поточного та попереднього вихідного сигналу
відповідно,
-значення
поточної та попередньої помилки відпрацювання положення відповідно.
Наступним кроком є виділення регістру для кожної змінної таблиця 7.1
Таблиця 7.1
|
регістр
|
змінна
|
|
20
|
m(n)
|
|
21
|
m(n-1)
|
|
22
|
|
|
23
|
|
|
24
|
|
|
25
|
|
|
26
|
|
В даному випадку значення коефіцієнтів рівні
Основна програма
Підпрограма ініціалізації портів
5,3; вибір банку 1 h`06`; очищення
буферу порта В h`07`; очищення буферу порта С b`0000 0000`; задання
роботи порту В на вхід h`86`; b`1111 1111`;
задання роботи порту В на вихід h`87`;
Підпрограма реалізації регулятора
5,3;перехід до банку 1` h`06`,0;зчитування
в роб. регістр із порту В h`22`;запис в регістр 22 h`23`,0;запис
з регістру 23 в регістр 2В h`2B’; d`1100011`;запис
числа 99 в роб. регістр h`2A`;занесення числа 99 в регістр 2А MUL;виконання
процедури множення h`2C`,0; запис результату в регістр 24 h`24` d`11000100`;
запис в регістр 2А число 100 h`2A`; h`22`,0;запис з
регістру 22 в регістр 2В h`2B`; MUL; виконання
процедури множення h`2C`,0; запис результату в регістр 26 h`26`; h`24`,0;
запис в робочий регістр з регістру 24 h`26`,0; віднімання
роб.регістру від регістру 20,запис в роб.регістр h`25`; запис
з роб.регістру в 25 h`21`,0; додавання роб. регістру та регістру
21 h`20`; запис в регістр 20 h`20`,0; запис з
регістру 20 в регістр 21 h`21`; h`22`,0; запис з
регістру 22 в регістр 23 h`23`;;
Підпрограма множення чисел.
equ h`2A`;множникequ h`2B`;множене_L equ h`2C`;добуток ,молодший байт_H
equ h`2D`;добуток,старший байт_H equ h`2E`;байт для розширення множеного
;Обнулити добутокclrf PRODUCT_L; PRODUCT_H; MULTIPLICAND_H;
;Зсув множеного на один біт вправо_LOOP bcf STATUS,C;Зкид
прапору переносу MULTIPLIER,f;
STATUS,C;Якщо С= = 1,ТО додаєм MUL_CONT; ІНАКШЕ
пропускаєм дану задачу
MULTIPLICAND,w;виконуєм додавання PRODUCT_L,f;молодших
байтів STATUS,C;ЯКЩО немає переносу ,ТО переходим до старших PRODUCT_H,f;
ІНАКШЕ враховуєм перенос MULTIPLICAND_H,w; тепер старші PRODUCT_H,f;
;Зсув множеного на один біт вліво_CONT bcf STATUS,C; MULTIPLICAND,f; MULTIPLICAND_H,f;
;ПОКИ множник не стане рівним нулю MULTIPLIER,f;перевірка множника на
нуль STATUS,Z; MUL_LOOP;ЯКЩО не нуль ,ТО повтор;ІНАКШЕ виходим
з підпрограми
За допомогою даної програми записуються усі дискретні передаточні
функції синтезованих регуляторів, із заміною лише коефіцієнтів К1,К2 .При
Розробці програми було використано таблицю команд (Таблиця 7.2) та
таблицею спец. регістрів (Таблиця 7.3)
Таблиця 7.2
Таблиця 7.3
Висновки
Спроектована трьохконтурна система автоматичного керування слідкуючого
електропривода з синхронним двигуном побудована за принципом підпорядкованого
регулювання координат.Вона включає внутрішній контур струму ,настроєний на
модульний оптимум , внутрішній контур швидкості,настроєний на модульний оптимум
і зовнішній контур положення, настроєний по методу частотної декомпозиції.
Розраховано тахограми та навантажувальні діаграми для граничного режиму
роботи верстату, для подальшого вибору двигуна.
Для виконання поставлених задач було обрано синхронний двигун з
постійними магнітами серії 1FT6 , та перетворювач частоти SIMOVERT.
Система керування організована на основі мікроконтроллера PIC16F87.
Складена програма ,що реалізує регулятори.
Було складено модель даної системи керування в координатах (a-b) для
моделювання в програмі MatLab.При аналізі отриманих графіків перехідних
процесів видно ,що система задовольняє поставлені умови ,щодо її роботи.
Проведено аналіз аварійного режиму та вжито заходів, щодо його
знешкодження ,за рахунок обмеження сигналу завдання струму.
Таким чином ,спроектована система може бути використана ,як
електропривод подачі обраного станка.
мікроконтроллер верстатний регулятор двигун
Список джерел
1.
Ключев В.
И. Теория электропривода.-М.: Высш.шк., 1985.-560 с. ил.
2.
Башарин
А. В., Новиков В. А., Соколовский Г. Г. Управление электроприводами.- Л.:
Энергоатомиздат., 1982.- 392 с, ил.
3.
В.А.
Бесекерский „Теория систем автоматического регулирования” Наука 1972
4.
Попович
М. Г., Борисюк М. Г., Гаврилюк В. А. та ін. Teopія електропривода.- К.: Вища
шк., 199
5.
В.Д.
Циделко „Проектирование микропроцесорых систем” Техніка 1984 р.
6.
А.А.
Батоврин , П.Г. Дашевский „Цифровые системы управления электроприводами”
Энергия 1977г.
7.
Герман-Галкин
„Цифровые электропривода с транзисторными преобразователями” Энергия 1986г.
8.
Bose
“Modern Power Electrinics and AC Drives”
9.
Сид
Катцен „PIC микроконтроллеры ” Москва 2008г.
10.«Руководство по проектированию»
Выпуск 12/2004 «Синхронные двигатели 1FT6»