Обчислювальні та мікропроцесорні засоби в електронній апаратурі
ПОЯСНЮВАЛЬНА
ЗАПИСКА
До
курсового проекту
З
дисципліни
Мікропроцесори
в електронній апаратурі
Зміст
Вступ
.
Завдання на проектування
.
Опис застосованих мікросхем
.
Розробка структурної схеми
.
Розробка схеми дешифратора адреси
.
Розробка загальної принципової схеми модуля сполучення
.
Часові діаграми роботи модуля
.
Розробка алгоритму обслуговування інтерфейсного модуля
.
Розробка програмного обслуговування інтерфейсного модуля
Висновки
Список
літератури
Вступ
Метою курсової роботи з дисципліни
“Мікропроцесори в електронній апаратурі” є вивчення структури центрального
процесора, склад та призначення шин адреси, даних та керування; часові діаграми
та умови формування сигналів на шинах адреси, даних та керування; розробка
програми на Асемблері. Під час проведення курсової роботи необхідно поглибити
знання з мікропроцесорної техніки та розробки програмного забезпечення.
1. Завдання на проектування
Номер варіанту відповідає
порядковому номеру у журналі групи, тобто №04. Дані завдання наведені у таблиці
1.
Таблиця
1
|
Номер варіанту
|
Настройка портів (1-введення, 0-виведення)
|
Реалізована функція
|
Адреса порту А у десятковій системі счислення
|
|
|
РА
|
РВ
|
РС1
|
РС2
|
|
|
|
|
РА0-РА7
|
РВ0-РВ7
|
РС0-РС3
|
РС4-РС7
|
|
|
|
|
в/в
|
р-м
|
в/в
|
р-м
|
в/в
|
р-м
|
в/в
|
р-м
|
|
|
|
04
|
0
|
0
|
0
|
0
|
1
|
0
|
1
|
0
|
DPC1= DPC2
|
12
|
У даному завданні через порт РC1 и
PC2 вводиться інформація, через порти РА, РВ виводиться інформація.
2. Опис застосованих мікросхем
Для виконання курсової роботи
обираємо центральний процесор на базі ВІС КР580ВМ80А, програмований паралельний
інтерфейс на базі ВІС КР580ВВ55А, шинні формувачі К589АП16, К589АП26.
Мікропроцесорний комплект серії
КР580 використовується для побудови широкого класу цифрових пристроїв,
контролерів та мікропроцесорних систем різного призначення. Особливістю
комплекту є фіксована розрядність та система команд, що однозначно визначає
структуру пристроїв, побудованих на його основі. Мікросхеми комплекту серії
КР580 виконані по nМОП-технології. Усі мікросхеми, які входять до
мікропроцесорного комплекту серії КР580, призначені для праці у діапазоні
температур -10...+70оС.
Нижче наведений склад
мікропроцесорного комплекту КР580 та мікросхем, які входять до його складу.
Центральний мікропроцесорний
пристрій даних КР580ВМ80А
Таблиця
2
|
Параметри
|
Значення
|
|
1
|
2
|
|
Розрядність обробляємих даних
|
8
|
|
Кількість виконуємих команд
|
78
|
|
Максимальний об’єм адресованої пам’яті, Кбайт
|
64
|
|
Кількість адресованих пристроїв вводу/виводу
|
|
Число рівнів преривання
|
8
|
|
Види адресації: пряма, непряма, безпосередня,
регістрова, по покажчику стека
|
|
|
Швидкодія при виконанні операцій типу регістр
- регістр, тис. оп./с.
|
625
|
|
Тактова частота, МГц
|
2,5
|
|
Споживана потужність, мВт
|
1250
|
Програмований паралельний інтерфейс
КР580ВВ55А
Таблиця
3
|
Параметри
|
Значення
|
|
Число каналів ( при розрядності каналу 8 біт )
|
3
|
|
Число програмованих режимів роботи
|
3
|
|
Тактова частота, МГц
|
2,5
|
|
Споживана потужність, мВт
|
600
|
Мікросхема КР580ВМ80А
Однокристальний мікропроцесор
К580ВМ80А з макропрограмним керуванням і фіксованою системою команд призначений
для паралельної обробки 8-розрядної цифрової інформації. За призначенням
відноситься до класу універсальних мікропроцесора і застосовується в різних
галузях техніки - від одноплатних контролерів технологічних процесів до
персональних ЕОМ середньої продуктивності. На базі мікропроцесора К580ВМ80А
розроблені широко відомі ЕОМ середньої продуктивності: «Корвет», «Спектр-001»,
«Нейрон», «К1-20» та ін Кристал МП виконаний за n-МОП технології і містить 4800
транзисторів. Швидкодію мікропроцесора досягає 500 тис. оп / з простих операцій
типу «регістр-регістр» при тривалості циклу 250 не. Конструктивно
мікропроцесора виконаний у пластмасовому корпусі з 40 висновками. Для
розширення функціональних можливостей розроблено значну кількість мікросхем
підтримки, які складають МПК К580, що складається з 18 ВІС. Данні ВІС
характеризується наступними параметрами:
) потужність, що споживається
КР580ВМ80А 1,25 Вт, інші ВІС - 0,75 Вт;
) напруга живлення КР580ВМ80А; -5 В,
+5 В, +12 В, інші ВІС +0,5 В;
) Допустиму відхилення напруги
живлення ВІС КР580 ± 5%;
) навантажувальна здатність кожного
виведення ВІС - один вхід елемента ТТЛ;
) рівень лог. «1» - 2,4 - 5В; лог.
«0» - 0 - 0,4 В;
) температурний діапазон ВІС КР580 -
10 - +70 ° С;
) час спаду і наростання вхідних
напруг на висновках ВІС - 30 нс.
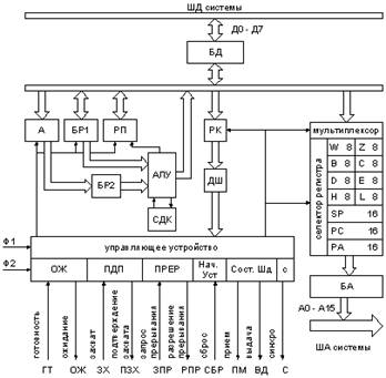
Структурна схема мікропроцесора
КР580ВМ80А (рис.1) складається з двох частин: операційної (ОП) і керуючої (УП).
Обидві частини розташовані на одному кристалі. Керуюча частина містить
недоступна для користувача управляючої пам'ять, в яку в процесі виготовлення
ВІС записані операції, що визначають склад команд МП. Структура МП мало
відрізняється від структури узагальненого мікропроцесора, але має деякі
особливості.
Операційна частина мікропроцесора
побудована на базі 8-разрядного АЛУ, на два входи якого підключені два
8-розрядних буферних регістра БР1 І БР2. Вхід до регістру БР1 з'єднаний з
внутрішньою магістраллю мікропроцесора, а вхід до регістру-засувки БР2 - з
акумулятором, що виконують функції реєстру-накопичувача.
Блок РОН містить шість 8-розрядних
регістрів, які позначені літерами В, С, D, E, H, L, які можуть
використовуватися як одиночні 8-розрядні регістри, як регістрові 16-розрядні
пари ПС, DE, HL. Об'єднання регістрів в пари дає можливість зберігати
16-розрядні двійкові числа. Всі регістри мають 3-розрядні кодові позначення.
Регістрова пара позначається кодом старшого регістра в парі. Наприклад, реєстр
D має кодове позначення 010. Таке ж кодове позначення має і регістрова пара DE,
позначена умовно D.
Рис. 1
Буферних регістри БР1, БР2, а також
8-розрядні регістри W і Z програмно недоступні і служать для зберігання даних
при виконанні деяких операцій. Вказівник стека SP і лічильник команд PC є
16-розрядними регістрів і служать для зберігання адрес комірок пам'яті. При
зверненні до пам'яті в якості адреси може використовуватися і вміст будь-якої
регістрової пари блоку РОН. Вміст лічильника команд інкрементується
(збільшується на одиницю) після вибірки вмісту будь-якої комірки пам'яті.
Сформований в PC адреса черговий комірки пам'яті записується в 16-розрядний
регістр адреси РА і видається на шину адреси системи через буфер адреси БА. МП
має 16-розрядну ША і забезпечує адресацію до пам'яті, що містить 216 = 64 Кбайт
пам'яті.
АЛУ МП виконує арифметичні, логічні
та здвигові операції над 8-розрядними двійкового числа. Базовою операцією АЛУ є
операція складання двійкових чисел. Всі арифметичні, логічні та здвигові
операції виконуються за участю акумулятора. Результат операції розміщується в
акумуляторі. Обмін інформацією МП із ВУ можливий тільки через акумулятор. МП
має можливість виконання операції з 2-розрядними десяткове число. З цією метою
кожна десяткова цифра розміщується в зошити будь-якого регістра МП. Корекція
двійкових чисел, необхідність якої виникає при виконанні арифметичних операцій
над десяткове число, виконується спеціальною схемою десяткової корекції КФОР.
Восьмирозрядний регістр ознак РП ніяких особливостей не має: п'ять його
розрядів використовуються для зберігання ознак результату операції, дії, що виконуються
в АЛУ.
Вміст розрядів РП, які називаються
прапорами, має таке призначення:
прапор переносу Тс встановлюється в
стан, відповідне переносу з старшого розряду при виконанні арифметичних
операцій або операцій зсуву;
прапор нульового результату ТZ встановлюється
в стан лог. «1», якщо результат операції в АЛУ або в будь-якому РОН дорівнює
нулю;
прапор знака TS встановлюється в
стан лог. «1», якщо результат операції в АЛУ або будь-якому РОН негативний;
прапор парності ТР встановлюється в
стан лог. «1», якщо кількість одиниць в розрядах парне;
прапор додаткового перенесення TV
встановлюється в стан лог. «1», якщо при виконанні операцій АЛУ виникає
перенесення з четвертого розряду.
РП підключений до внутрішньої
магістралі МП, що дозволяє за допомогою спеціальних команд переслати його вміст
в пам'ять системи. Це необхідно, наприклад, при виклику підпрограми, коли стан
мікропроцесора необхідно запам'ятати в стеку. Керуюча частина мікропроцесора
містить 8-розрядний регістр команд РК, дешифратор команд і управляючий
пристрій. При виконанні команди програми, що міститься в пам'яті системи, код
команди через буфер даних БД і внутрішню магістраль МП записується в РК для
подальшої обробки в дешифраторі команд і М. пристрої. Управляючий пристрій,
робота якого трактується двома імпульсними послідовностями Ф1 і Ф2, виробляє
три групи керуючих сигналів, необхідних для реалізації чотирьох режимів роботи
МП: режиму початкової установки, очікування, прямого доступу до пам'яті та
переривання. Сигнали, що визначають стан шини даних:
С - Вихідний сигнал високого рівня,
стробує поява на ШД «слова стану»; ПМ - вихідний сигнал високого рівня,
підтверджує готовність МП до прийому даних;
ВД - вихідний сигнал низького рівня,
повідомляє, що МП видав інформацію на ШД.
Сигнали, що визначають робочий цикл
мікропроцесора:
ГТ - вхідний сигнал високого рівня,
сповістять про МП про готовність ВУ до обміну даними. При подачі на вхід ГТ
сигналу низького рівня МП переходить в стан очікування, яке продовжується до
моменту появи на вході ГТ сигналу високого рівня:
ОЖ - вихідний сигнал високого рівня,
що підтверджує перехід МП в стан очікування;
ЗХ - вхідний сигнал високого рівня,
що забезпечує відключення МП від ШД системи за рахунок перекладу буфер адреси
БА і даних БД в високоімпедансний стан, що характеризується практично
нескінченним вихідним опором;
ПЗХ - вихідний сигнал високого
рівня, що підтверджує відключення МП від ШД;
СБР - вхідний сигнал низького рівня,
що забезпечує початкову установку МП, при якій лічильник команд PC обнулюється,
а сигнали ПЗХ і РПР здійснюється скид.
Вміст РОН при цьому змінюється
вихідним опором.
Сигнали управління перериваннями:
ЗПР - вхідний сигнал високого рівня,
який забороняє читання коду операції черговий команди виконуваної програми та
готує мікропроцесор до виконання команд програми для обробки переривання;
РПР - вихідний сигнал високого
рівня, що підтверджує переказ мікропроцесора в режим переривання.
МП тактується двома послідовності
імпульсів Ф1 і Ф2, що виробляються ІС тактового генератора КР580ГФ24. Імпульсні
послідовності мають амплітуду 12 В і не перекривається в часі. Крім того,
генератор тактових імпульсів ГТВ формує позитивний імпульс стандартного
ТТЛ-рівня і негативний імпульс «стрибає стану», який далі для стислості будемо
позначати СТС. Формування всіх цих імпульсів відбувається з частотою
повторення, що дорівнює дев'яти періодів коливань задаючого кварцового
резонатора, що підключається до висновків ГТВ. Отже, для отримання частоти
прямування тактових імпульсів, що дорівнює 2 МГц, буде потрібно кварцовий
резонатор з частотою, яка дорівнює 18 МГц. Одночасно ГТВ використовується для
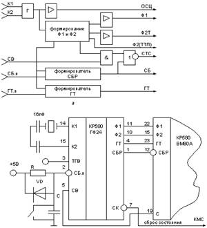
формування сигналів ГТ і СБР. Структурна схема ГТВ та його підключення до
висновків МП показані на рис. 2.
Рис. 2
ІС ГТВ містить генератор Г
гармонійних коливань, до висновків К1 і К2 якого підключається кварцовий
резонатор. Гармонійні коливання з виходу генератора надходять на вихід ІС ГТВ і
використовуються всередині нього для управління схемами формування тактуючих
послідовностей Ф1 і Ф2, сигналу скидання СБ і сигналу готовності ГТ. Наявність
гармонійних коливань на виведенні ОСЦ ГТВ може бути використана для контролю за
його роботи або у зовнішніх модулях МС. Висновок Ф2Т ГТВ використовується для
виведення з генератора сигналу високого рівня стандартного для ТТЛ-схем,
тривалістю п'ять періодів опорної частоти кварцового резонатора. Цей сигнал
може бути використаний у зовнішніх пристроях як еталонний імпульсний сигнал
стабілізованої частоти. Вивід СБ.в використовується для підключення кнопки КН,
що переводить МП в ре жім початкової установки. Зауважимо, що формування
системного стробуючого сигналу СТС здійснюється ІС ГТВ після подачі на його
висновок СВ (вхід синхросигналу) синхросигналу С з відповідного висновку МП.
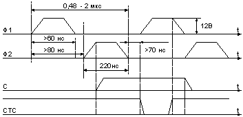
Часові співвідношення тактових імпульсних послідовностей Ф1 і Ф2 і формування
системного сигналу СТС показані на рис. 3.
Рис. 3
За переднього фронту тактуючого
сигналу Ф2 синхросигнал З подається на вхід СВ ГТВ і з його допомогою на висновок
СТС ГТВ пере дається інвертований сигнал Ф1, який є системним стробом СТС.
Процес виконання будь-якої команди мікропроцесора розбивається на
цікли.обозначаемиеМ1, М2 ,..., М10. У кожному циклі відбувається одне звернення
мікропроцесора до пам'яті або зовнішнього пристрою (ВУ). Кожен цикл
розбивається на такти Т1, Т2, ..., Т5. Самий тривалий цикл виконання команди
становить 5 тактів. У мікропроцесорі КР580ВМ80А можуть виконуватися наступні
машинні цикли: М1, що розташовуються - вибірка коду операції, М2 - зчитування з
пам'яті, МОЗ - запис в пам'ять, М4 - зчитування з стека, М5 - запис у стек, Мб
- введення інформації, М7 - висновок інформації, М8 - підтвердження
переривання, М9 - підтвердження зупину, М10 - підтвердження переривання при
зупинці. Роздивимось послідовність виконання першого циклу будь-якої команди
циклу М1 вибірки коду операції. Як відомо, коди всіх команд знаходяться в
комірках пам'яті. Тому в першому такті Т1 з переднього фронту сигналу Ф2 на ША
лічильник команд PC виставляє адреса комірки пам'яті, в якій міститься чергова
команда, що підлягає виконанню (рис. 4).
Рис. 4
При цьому схема збільшення
мікропроцесора автоматично збільшує на одиницю вміст лічильника PC. Одночасно з
появою адреси на ША, МП виробляє синхросигнал С, а на шину даних ШД видає байт
слова стану, значення розрядів якого (табл. 4) використовуються далі для
формування керуючих сигналів, що діють в протягом усього поточного циклу. Для
збереження на час виконання циклу «слово стану» записується в регістр-засувку.
Здійснюється це в такий спосіб (рис. 5).
Рис. 5
Таблиця
4
|
Разряд
|
Назначение
|
|
DO
|
INTA
|
Сигнал подтверждения прерывания. Используется
для разрешения вы¬дачи на ШД первой команды после прерывания при активном
сигнале «П»
|
|
D1
|
WO (ЗП)
|
Указывает, что операция в текущем цикле цикле
является операцией записи (при WO = 0) или чтения (при WO = 1)
|
|
D2
|
STACK (CTK)
|
Означает наличие на шине адреса содержимого
указателя стека
|
|
D3
|
HLTA
|
Сигнал подтверждения команды остановка
|
|
D4
|
OUT (ОСТ)
|
Указывает, что в текущем цикле вы¬полняется
операция вывода
|
|
D5
|
M1
|
Указывает, что текущий цикл служит для выборки
первого байта команды
|
|
D6
|
INP (ВЫВ)
|
Указывает, что в текущем цикле выполняется
операция ввода
|
|
D7
|
MEMR (ЧТП)
|
Указывает, что в текущем цикле производится
чтение памяти
|
Сигнал підтвердження переривання.
Використовується для видачі дозволу на ШД першої команди після переривання при
активному сигнал «П» Після появи (в такт Т1 по позитивному фронту імпульсу Ф2)
стробуючого сигналу С на шині даних знаходиться байт «слова стану». На початку
такту Т2 позитивним фронтом імпульсу Ф1 на виході ГТВ формується стрибає СТС,
яким «слово стану» записується в зовнішній регістр Рг. СС. Позитивним фронтом
Ф2 закінчується сигнал С і МП формує сигнал прийому П, який спільно з сьомим
розрядом реєстру-засувки «слова стану» використовується для формування
системного керуючого сигналу ЧТ. Пам'яті - читання пам'яті, і дані (код
команди) виставляються на ШД. Далі проводиться аналіз стану вхідного сигналу
готовності ГТ і захоплення ЗХ. При наявності високого рівня сигналу ЗХ
мікропроцесор видає сигнал підтвердження про захоплення ПЗХ, за наявності якого
МС бере керування на себе. При відсутності сигналу «ГТ» мікропроцесор сигналом
ОЖ повідомляє мікропроцесору про перехід в режим очікування, який може тривати
до появи сигналу ГТ (необмежену кількість тактів). При наявності сигналу ГТ
здійснюється перехід до такту ТЗ.В такті ТЗ за наявності сигналу ЧТ. Пам'яті і
спаду Ф1 провадиться запис даних у внутрішній регістр команд. Позитивним
фронтом Ф2 закінчується сигнал прийом (П) і сигнал ЧТ. В такт Т4 прийнятий код
операції дешифрується і передається в управляючий пристрій для формування
керуючих сигналів, що забезпечують внутрішні пересилання. З'ясовується, чи
використовується додаткове звернення до пам'яті. Якщо додаткові звернення не
потрібні, то в такт Т4 операція виконується чи потрібен для цього такт Т5. Якщо
Ви бажаєте додаткове звернення до пам'яті, то на такті Т4 завершується цикл М1
і залучається цикл М2 або М2 та МОЗ. Кожна команда закінчується аналізом
сигналу ЗПР (запит переривання). При наявності сигналу ЗПР МП переходить до
виконання особливого циклу М8 обслуговування переривання, який характеризується
тим, що при його виконанні лічильник команд не збільшує свій зміст на 1, а
мікропроцесор видає сигнал підтвердження переривання - РПР. У цьому випадку з
пристрою, запросившого переривання, повинна надійти команда, що організують
переривання. Однак сигнал ЗПР буде сприйнятий мікропроцесором в тому випадку,
якщо перше спеціальної командою EI тригер запиту переривання буде встановлено.
В іншому випадку сигнал ЗПР ігнорується, вміст лічильника команд збільшується
на 1, і починається виконання циклу М1 наступної команди.
Таблиця 4 розшифровує значення
кожного розряду «слова стану» мікропроцесора, записаного в регістр-засувку.
Знаючи вміст кожного розряду реєстру-засувки, з табл. 5 можна визначити, який
машинний цикл виконується мікропроцесором. Комбінація перерахованих 10 машинних
циклів забезпечується виконання більш 70 різних команд мікропроцесора.
Таблиця
5
|
Машинный цикл
|
Разряды регистра состояния
|
|
D0
|
D1
|
D2
|
D3
|
D4
|
D5
|
D6
|
D7
|
|
М1
|
0
|
1
|
0
|
0
|
0
|
1
|
0
|
1
|
|
М2
|
0
|
1
|
0
|
0
|
0
|
0
|
0
|
1
|
|
М3
|
0
|
0
|
0
|
0
|
0
|
0
|
0
|
0
|
|
М4
|
0
|
1
|
1
|
0
|
0
|
0
|
1
|
|
М5
|
0
|
0
|
1
|
0
|
0
|
0
|
0
|
0
|
|
М6
|
0
|
1
|
0
|
0
|
0
|
0
|
1
|
0
|
|
М7
|
0
|
0
|
0
|
0
|
1
|
0
|
0
|
0
|
|
М8
|
1
|
1
|
0
|
0
|
0
|
1
|
0
|
0
|
|
М9
|
0
|
1
|
0
|
1
|
0
|
0
|
0
|
1
|
|
М10
|
1
|
1
|
0
|
1
|
0
|
1
|
0
|
0
|
Таблиця
6
Таблиця
7
|
Номер виводу
|
Позначення
|
Призначення
|
|
25-27, 29-35, 1, 40, 37-39, 36
|
А0-А15
|
Шина адреси
|
|
10, 9, 8, 7, 3-6
|
D0-D7
|
Шина даних
|
|
2
|
Загальний
|
|
11
|
U -5B
|
|
|
12
|
RESET
|
Встановлення
|
|
13
|
HOLD
|
Захват шин
|
|
14
|
INT
|
Переривання
|
|
15,22
|
Ф2, Ф1
|
Фаза
|
|
16
|
INTA
|
Дозвіл переривання
|
|
17
|
DBIN
|
Прийом
|
|
18
|
WR
|
Запис ( видача )
|
|
19
|
SYNC
|
Синхронізація
|
|
20
|
U +5В
|
|
|
21
|
HLDA
|
Підтвердження захоплення
|
|
23
|
READY
|
Готовність
|
|
24
|
WAIT
|
Очікування
|
|
28
|
U +12В
|
|
Рис. 6. Принципова схема КР580ВМ80А
Мікросхема КР580ВВ55А
Мікросхема КР580ВВ55А (старе
позначення К580ІК55А) - програмований пристрій введення / виводу паралельної
інформації. Застосовується в мікропроцесорної техніки в якості елемента
введення / виводу загального призначення для підключення інтерфейсних пристроїв
(клавіатури, принтера, накопичувач на магнітній стрічці і т. д.) до магістралей
даних. Умовне графічне зображення мікросхеми показано на малюнку 7, а її структурна
схема - на малюнку 8. Дані про призначення виводів ви знайдете в таблиці 4.
Обмін інформацією між магістраллю
даних системи та мікросхемою KР580BB55A здійснюється через 8-розрядний
двонаправлений канал даних (D). Для зв'язку з периферійними пристроями
використовуються 24 лінії введення / виводу, згруповані в три 8-розрядних
каналу БА, ВВ та ПС, режими роботи яких і напрямок передачі інформації
визначаються програмним способом. мікросхема процесор інтерфейс формувач
Мікросхема має три режими роботи. У
режимі 0 забезпечується синхронний, програмно-керована передача даних через два
незалежних 8-розрядних каналу ВА і ВВ і два 4-розрядних каналу ПС. У режимі 1
забезпечується введення або виведення інформації 'у' або 'з' периферійного
пристрою через канали ВА і ВВ за спеціальними сигналами. При цьому лінії каналу
С використовуються для прийому і видачі сигналів керування обміном інформацією.
У режимі 2 забезпечується можливість обміну інформацією з периферійними
пристроями через двонаправлений 8-розрядний канал ВА за спеціальними сигналами.
Для передачі і прийому сигналів управління обміном використовуються п'ять ліній
каналу ПС. Вибір відповідного каналу і напрямок передачі інформації через канал
визначається сигналами А0, А1 (звичайно з'єднується з молодшими розрядами
каналу адреси системи), RD, WR, CS у відповідності з таблицею 5.
Режим роботи кожного з каналів ВА,
ВВ і ПС визначається вмістом регістр керуючого слова (РУС). Записав в нього
здійснює управління слово, мікросхему можна перевести в один із трьох режимів
роботи: режим 0 - простий введення / виводу, режим 1 - стробований
введення/виводу, режим 2 - двонаправлений канал. При подачі сигналу SR регістр
керованого слова встановлюється в стан, при якому всі канали настроюються у
режимі 0 для введення інформації. Режим роботи каналів можна змінювати не
тільки на початку, але в самому процесі виконання програми. Завдяки цьому одна
мікросхема може в певному порядку послідовно обслуговувати кілька різних
периферійних пристроїв. При зміні режиму роботи будь-якого до каналу, всі
вхідні та вихідні регістри каналів і тригери стану здійснюється скид.
Розібратися в режимах роботи каналів
вам допоможе малюнок 9.
Рис. 7. Графическое обозначение м/сх
КР580ВВ55А
Рис. 8. Структурна схема ВІС
КР580ВВ55А
Таблиця
8
Таблиця
9
Рис. 9. Режими роботи каналів
Мікросхеми КР589АП16 і КР589АП26
Мікросхеми К589АП16 і К589АП26 -
двонаправлені шинні формувателі, свого роду підсилювачі цифрових сигналів.
Відрізняються вони тим, що, проходячи через мікросхему К589АП16, сигнал
залишається незмінним, а через К589АП26 - інвертується. Використовуються ці мікросхеми
для керування шинами (магістралями) в цифрової та мікропроцесорної техніки.
Обидві мікросхеми представляють собою 4-канальні комутатори, що мають у кожному
каналі одну шину тільки для прийому інформації та одну двонаправлену шину для
прийому та видачі інформації. Умовне графічне позначення мікросхем показано на
малюнку 11, а структурна схема - на малюнку 12. Призначення висновків зазначено
в таблиці 7.
Для керування режимами роботи та
напрямком видачі інформації використовується спеціальна схема на двох елементах
2І. При появі на вході CS подається логічна 1, формувачі переходять у
вимкненому високоомний стан. При наявності на вході CS логічного 0 управління
видачею інформації по шинам D0 та DВ здійснюється сигналом на вході управління
видачею інформації DСЕ. Якщо на вході DCE логічний 0, то відкрита передача
інформації з входів DI на виходи DВ. При сигнал з рівнем логічної 1 на цьому ж
вході відбувається передача інформації з входів DВ на виходи 0 (див. таблицю
8).
Шинний формувач і шинний формувач з
інверсією типів К589АП16 і К589АП26 відповідно являють собою чотириканальні
комутатори і призначені для збільшення навантажувальної здібності МОП ВІС при
підключенні їх до системної магістралі. Виходи ШФ і ШФІ мають три стану. У ШФІ
вхідні сигнали інвертуються. Корпуса обох схем 16-вивідні. К589АП16, виконують
потрійну роль:
підсилюють сигнали по потужності,
зняті з висновків DO-D7MH
відключають висновки В1-В4 від
загальної шини, коли на ВК надходить сигнал ПЗХ;
двонаправлені забезпечують передачу
даних при читанні і запису.
Рис. 10. Графічне позначення м/сх
К589АП16 и К589АП26
Рис. 11 Структурна схема м/сх
К589АП16 и К589АП26
Таблиця
10

3. Розробка структурної схеми
Відповідно до завдання враховується,
що внутрішньо системна магістраль сформована, а у якості пристрою обміну
інформацією слід використовувати ВІС програмованого паралельного інтерфейсу КР580ВВ55А.
Для організації двостороннього обміну між системною магістраллю та ВІС, між ВІС
та об’єктом, а також для забезпечення погодження роботи мікросхем по струму
використовуємо магістральні прийомопередавачі з трьома етапами на виході, у
якості яких обираємо мікросхеми КР580ВА86 та КР580ВА87. Ці мікросхеми я обрав
тому, що у мене в завданні усі режими 0, тобто просте введення/виведення і
немає стробів. Мікросхеми К589АП16 і К589АП26 призначені для формування
стробів. Мікросхеми КР580ВК28 і КР580ВК38 призначені для формування сигналів
І/OW, MEMW відносно сигналів WR „Запис” та STSTB „Строб стану” відповідно.
Мікросхеми КР580ВА86/87 більш придатні для практичного використання у
порівнянні з мікросхемами К589АП16/26,тому що достатні для буферування усієї 8-розрядної
шини даних.
Інформація від об’єкта повинна
вводитися через порти РА, необхідно виходи приймачів А мікросхеми КР580ВА86
з’єднати з портами РА, а входи приймачів В - до об’єкту. Інформація до об’єкту
повинна виводитися через порти РВ, РС1, РС2, необхідно входи приймачів А
мікросхеми КР580ВА86 з’єднати до портів РВ, РС1, РС2, а виходи приймачів В
з’єднати з об’єктом.
ВІС паралельного інтерфейсу працює в
режимі 0. Для організації двостороннього обміну даними між шиною даних ( ШД )
та портом необхідно використовувати додатковий шинний формувач ШФDB. Режим
роботи формувача на приймання чи передачу даних визначається сигналом Чт В/В,
який повинен взаємодіяти тільки при виборі модуля відповідної адресою. Вибір
модуля відповідною адресою повинен здійснюватись за допомогою дешифратора ДА
коду на адресних шинах А2-А7, а вибір відповідного порту його регістра за
допомогою адрес А0, А1. Вочевидь, що для запису інформації в порт і її
зчитування ДА повинен регулюватися сигналами Чт В/В, Зп В/В.(Interrupt request
- запит на переривання) - вхідний сигнал с низьким активним рівнем.
Запис інформації в ОЗУ проводиться
по сигналу WR протягом часу t ЗАП. Однак, попередньо на адресних лініях повинні
бути встановлені комірки пам’яті, в яку необхідно помістити дані.(Reset-скид) -
вхідний сигнал с низьким активним рівнем, має самий високий пріоритет.
Тривалість сигналу скиду - не менш 3 періодів тактуючого сигналу. Під час дії
сигналу скиду адресна шина и шина даних переводяться в стан високого імпедансу,
а для всіх керуючих вихідних сигналів встановлюється неактивний рівень або
високоімпедансний стан. Після зняття сигналу RESET МП починає виконання
програми, початок якої знаходиться в комірці пам’яті с нульовою адресою.
4. Розробка схеми дешифратора адреси
За умовою завдання номер порту РА
відповідає 12 у десятковій системі числення. Відповідне зображення в двійковій
та шістнадцятирічній системах числення номерів портів у прямому та інверсному
кодах наведено у таблиці 12.
Таблиця
12
|
Порт
|
Прямий код
|
Інверсний код
|
|
А7А6А5А4А3А2А1А0
|
HEX
|
А7А6А5А4А3А2А1А0
|
HEX
|
|
PA
|
0 0 0 0 1 1 0 0
|
C
|
1 1 1 1 0 0 1 1
|
F3
|
|
PB
|
0 0 0 0 1 1 0 1
|
D
|
1 1 1 1 0 0 1 0
|
F2
|
|
PC1
|
0 0 0 0 1 1 1 0
|
E
|
1 1 1 1 0 0 0 1
|
F1
|
|
PУC
|
0 0 0 0 1 1 1 1
|
F
|
1 1 1 1 0 0 0 0
|
F
|
Отже, логічна умова, котру повинен
реалізувати дешифратор, буде мати вигляд :
= A7 + A6+ A5 + A4
+
+
З урахуванням команд Чт В/В та Зп
В/В, які передаються сигналом логічного нуля, підсумкова умова прийме вигляд
= A7
A6
A5
A4
* 
(
+
).
Тобто для реалізації
дешифратора адреси беремо 7-входовий елемент І-НЕ, формуючий сигнал CS, у
якості якого обираємо К155ЛА8, два інвертори для формування сигналів А3 та А2,
у якості яких обираємо мікросхеми К155ЛН1, та двовходовий елемент АБО, у якості
якого обираємо мікросхему К155ЛА13.
5. Розробка
загальної принципової схеми модуля сполучення
При розробці принципової
схеми підключаємо обрані елементи та розроблені блоки відповідно до структурної
схеми.
Для розроблюваного модуля
сполучення відповідно до структурної схеми здійснюємо електричні підключення
наступних вузлів:
- двонаправленого шинного формувача
ШФDB;
- дешифратора адреси ДА;
шинних формувачів з’єднання
портів з об’єктом.
У якості ШФDB обираємо мікросхему
КР580ВА86, яка забезпечує передачу інформації по 8 розрядах. Отже, для передачі
8-розрядного слова використовуємо одну таку мікросхему, входи А7 - А0 з’єднуємо
з системною магістраллю, а виходи В7 - В0 - з входами буфера даних ВІС
інтерфейсу. Тому що обмін даними при виборі модуля повинен здійснюватись тільки
відповідною адресою, треба вхід ШФDB підключити до виходу ДА. При низькому
рівні сигналу на вході ДА та низькому рівні команди Чт В/В дані будуть
передаватися з магістралі у ВІС, при відсутності сигналу - з буфера ВІС на
магістраль. ШФ для вводу даних в порти РА та РВ повинні забезпечити передачу
байтів при появі інформації. Отже, шини даних від об’єкта повинні бути підключені
до входів ВВ, а входи приймачів D0 - до портів. Для передачі даних в такому
напрямку сигнал CS повинен бути низьким, а BS - високим.
Відповідно до режиму 0 роботи ВІС
інтерфейсу дані, які передаються в порт, не відчувають змін.
. Часові діаграми роботі модуля
Відповідно до завдання порти РА і РВ
працюють в однакових режимах - виведення інформації. Тому достатньо скласти
часові діаграми тільки для 1 з них. Розглянемо роботу ВІС інтерфейсу в режимі 1
при виведені інформації від порту РВ до об’єкта відповідно до часових діаграм,
наведених на рис. 12.
7. Розробка алгоритму обслуговування
інтерфейсного модуля
Алгоритм призначений для визначення
послідовних програмних дій на обслуговування портів.
Перед прийомом інформації працює
програма ініціалізації, що визначається керуючим словом.
Відповідно до завдання модуль
сполучення повинен приймати інформацію через порти РС1 і РС2. Якщо РС1=РС2, то
відбувається зупинка МП. Якщо умова не виконується,то проводиться повторне
введення даних.
Алгоритм приведений на рис. 13.
Рис. 13
. Розробка програми обслуговування
інтерфейсного модуля
Для настройки ВІС інтерфейсу слід
визначити 16-ковий код керуючого слова та ввести його в РКС. Розряд РС7 не
використовується для заданого варіанта. Код керуючого слова у двійковій системі
буде мати вигляд:
Д7Д6Д5Д4Д3Д2Д1Д0
У 16-ій системі числення керуюче
слово буде мати код С. Помістимо керуюче слово у регістр керуючого слова за
допомогою команд:
A CDE
Далі проводиться читання з порту РС1і
РС2 за допомогою команди IN. Отриманні данні з порту РС1 порівнюються з даними
отриманими з порту РС2. Якщо умова не виконується, то проводиться нове введення
даних в порт РС.
Програма обслуговування модуля
сполучення приведена в табл. 13
Таблиця
13
|
Адреса
|
Машинний код
|
Мнемокод
|
Коментарі
|
|
С000
|
ЗЕ С
|
MVI A, C
|
Завантажити в А код КС
|
|
С001
|
D3 DE
|
OUT DE
|
Ввести КС в РКС
|
|
Програма введення даних
|
|
С002
|
DB DB
|
IN DD
|
Прочитати порт РС1
|
|
С003
|
DB DB
|
IN DD
|
Прочитати порт РС21
|
|
С004
|
С2 02 СO
|
JNZ CO 02
|
Якщо РС1≠РС2, тоді перейти до початку
програми введення
|
|
С005
|
76
|
HLT
|
Якщо РС1=РС2, тоді зупинити систему
|
Висновок
У результаті виконання даної
курсової роботи, були розглянуті центральний процесор на базі ВІС КР580ВМ80А,
програмований паралельний інтерфейс на базі ВІС КР580ВВ55А, шинні формувачі
К589АП16, К589АП26. Для ВІС КР580ВВ55А були розроблені режими і часова діаграма
роботи ВІС, блока-схема алгоритму роботи програми і організація його
програмування.
Список літератури
1.
Методичні вказівки до розрахунково-графічної роботи з дисципліни» Обчислювальні
та мікропроцесорні засоби в електронній апаратурі» для студентів фахів
7.092.001, 7.091.003 / Укл. Ю.Д. Іванов-Одеса: ОНПУ, 2003.-24 с.
.
Микропроцессоры и МПС. Часть 1. Архитектура микропроцессора К580ВМ80.
Организация МП - систем / Укл. В.П. Мокрецов - Екатеринбург , 2007.
.
В.Н. Булатов. Учебное пособие. Архитектура микропроцессорной системы. Состав
машинних команд и основы программирования Микропроцессорной системы на
ассемблере. Оренбург, 2009.
.
Смирнов В.А. Схемотехника микропроцессорных систем: Текст лекций. - Челябинск:
Изд-воЮУрГУ, 2010. - 110 с.
.
Вернер В.Д. Микропроцессоры: Кн.2. Средства сопряджения. Контрлирующие и
информационно-управляющие системы.
- М.:высшая школа, 2008.-383 с.
.
Балашов Е.П. Микропроцессоры и микропроцессорные системы / под. ред.. В.Б.
Смолова.- М.:радио и связь, 1981.-328с.