Оптимизация управления электромонтажным проектом

  • Вид работы:
    Курсовая работа (т)
  • Предмет:
    Физика
  • Язык:
    Русский
    ,
    Формат файла:
    MS Word
    460,57 Кб
  • Опубликовано:
    2014-04-22
Вы можете узнать стоимость помощи в написании студенческой работы.
Помощь в написании работы, которую точно примут!

Оптимизация управления электромонтажным проектом

Введение


Разработка и согласование графиков производства работ являются важнейшими мероприятиями в процессе подготовки и производства электромонтажных работ.

Вопросы производственных взаимоотношений, а также разделения работ между монтажными и строительными организациями, между участниками сложнейших ремонтных работ находят конкретное выражение в совмещении календарных линейных или сетевых графиках производства работ.

Целью настоящей курсовой работы является разработка подробного плана проведения электромонтажных работ.

Для заданной схемы электроснабжения цеха необходимо выбрать основное электрооборудование, провести технико-экономическое сравнение вариантов выполнения кабельных линий (согласно заданию это варианты исполнения кабельной трассы в земле и в кабельном канале). Затем составить локальную смету на приобретение и монтаж электрооборудования, построить сетевую модель комплекса электромонтажных работ и рассчитать данную модель табличным и графическим методом. В завершении курсовой работы необходимо оптимизировать сетевую модель по трудовым ресурсам (графически) и максимально сократить сроки выполнения работ с помощью программы OPTIMA.

1.     
Исходные данные и выбор электрооборудования


Таблица 1.1 Инвентарный перечень силового электрооборудования

№ п/п

Тип оборудования

Марка

Кол-во, шт.

Основные технические данные

Стоимость






Ед., руб.

всего

1

Трансформатор силовой 110/6 кВ

ТДН-10000/110

2

Номинальная мощность Sн=10[МВА]. Масса масла m=10,2 [т], полная масса m=31[т]

40000

80000

2

Трансформатор силовой 6/0,4 кВ

ТСЗ-1000/10

8

Номинальная мощность Sн =1000 [кВА].

5740

45920

3

Реактор бетонный 6 кВ

РБГ 10-1600-0,2УЗ

2

Длительно допустимый ток Iдл. доп=1600 [А]. Индуктивное сопротивление Х=0,2 [Ом],  Масса фазы=5,49 [т]

3150

6300

4

Разъединитель

РВ-10/1500

4

Номинальное напряжение Uн=10 [кВ]. Номинальный ток Iн=1500 [А].

33

132

5

Привод разъединителя

ПР-3УЗ

4

Предназначен для районов с умеренным климатом

7,4

29,6

6

Ячейка вводного выключателя

КРУ 2-63

2

Ячейка КРУ 2-63. Шкаф серии КВЭ-6. Номинальный ток шкафа Iн=2500 [А].

1870

3740

7

Ячейка секционного выключателя

КРУ 2-10Э

1

Ячейка КРУ-2-10Э. Шкаф КВЭ-6 Номинальный ток шкафа Iн=2500 [А]

1460

1460

8

Ячейка трансформатора напряжения

КРУ 2-63

2

Ячейка КРУ 2-63. Шкаф серии КНТМИ-6/600. Номинальный ток шкафа Iн=600 [А].

570

1140

9

Ячейка питания электродвигателя

КРУ 2-63

8

Ячейка КРУ 2-63. Шкаф серии КВЭ-6/600. Номинальный ток шкафа Iн=600 [А].

1230

9840

10

Ячейка питания силового трансформатора

КРУ 2-63

8

Ячейка КРУ 2-63. Шкаф серии КВЭ-6-0,7/600. Номинальный ток шкафа Iн=600 [А].

1230

9840

11

Электродвигатель асинхронный

ДАЗ02-16-44-6/8У1

10

Номинальное напряжение Uн=6 [кВ]. Номинальная мощность Рн=400 [кВт]. полная масса m=7,3 [т]

5200

52000


Таблица 1.2 Способ прокладки кабельной трассы с указанием длины, марки кабеля и его сечения

Заданный параметр

Способ прокладки кабельной трассы


В земле

В кабельном канале

Длина кабельной трассы от ГПП до цеха

1050 м

1000 м

Кабель марки

А АШБ

ААБ

Сечение кабеля, мм2

к цеховым трансформаторам

3x70

3x70


к асинхронным двигателям

3x50

3x50

Количество кабелей, шт.

к цеховым трансформаторам

8


к асинхронным двигателям

10


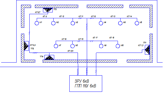
Рис. 1.1 Схема электроснабжения цеха.

 

2.     
Технико-экономическое сравнение вариантов


При проектировании технических объектов возникает необходимость выбора оптимального решения.

Выбор лучшего варианта, способного дать наибольший экономический эффект, осуществляется на основе технико-экономического расчета.

Варианты, подлежащие экономическому сравнению, должны отвечать следующим требованиям:

. Быть технически сопоставимыми и взаимозаменяемыми. В качестве исходной базы (эталона) для сравнения принимаются лучшие из имеющихся или разрабатываемых. Каждый вариант следует ставить в оптимальные для него условия с учетом времени, качества, количества выпускаемой продукции, при которых обеспечивается получение наилучших технико-экономических показателей.

. Обеспечивать одинаковый производственный эффект.

. Обеспечивать единство методов расчета, единые уровни цен или сопоставимые показатели себестоимости.

. Обеспечивать одинаковую достоверность исходной информации и достижение одинаковой степени точности при выполнении расчетов.

. Быть сопоставимыми по уровню действия на окружающую среду, в противном случае необходим учет дополнительных затрат.

. При сравнении вариантов следует учитывать перспективность дальнейшего развития каждого из вариантов с точки зрения технического прогресса.

Наличие тождественности по всем этим показателям сводит все различия между сопоставляемыми вариантами только к различию в затратах, обусловленных производством и реализацией энергии.

Оптимальным считается вариант, обеспечивающий наименьшие приведенные затраты. При разнице до 5 % варианты считаются равноэкономичными. Окончательный выбор производится с учетом дополнительных факторов (возможность дальнейшего расширения, ремонтопригодность, надежность и т.д.).

Варианты технических решений характеризуются рядом технико-экономических показателей, важнейшими из которых являются:

) По - основной производственный эффект, который измеряется в натуральных показателях и характеризует количество ежегодно выпускаемой продукции или годовой объем функций; в энергетике По измеряется величиной установленной (передаваемой) мощности или количеством выработанной (отпущенной) энергии;

) Пс - сопутствующий производственный эффект, не предусмотренный идеей создания мероприятия, измеряется в натуральных единицах, отличных от основного производственного эффекта;

) К - объем капитальных вложений, в рублях, необходимый для реализации варианта;

) И - ежегодные издержки производства, равные годовой себестоимости производства продукции, в рублях в год;

) дополнительные качественные показатели, неучтенные при расчете капитальных вложений и ежегодных издержек (надежность (Н), долговечность, объемы используемых лимитируемых ресурсов, воздействие на окружающую среду, социальный эффект и др.).

Взаимодействие перечисленных технико-экономических показателей представлено на рисунке 2.1.

Рис. 2.1. Входные и выходные характеристики варианта технического решения

Сравниваемые варианты технических решений могут отличаться друг от друга как одним, так и несколькими параметрами. Обычно улучшение от варианта к варианту одних показателей сопровождается ухудшением других. Так, увеличение числа цепей воздушных линий повышает надежность электроснабжения потребителей и снижает ущерб от недоотпуска электроэнергии, но требует значительного увеличения капитальных вложений.

Для выбора лучшего варианта в практике технико-экономических расчетов основное значение имеет соизмерение одновременных (капитальных) и ежегодных (текущих) затрат, или проблема эффективности капиталовложений. При этом имеется в виду не абсолютная эффективность всех капитальных вложений, а относительная эффективность дополнительных вложений сверх минимально необходимой для выпуска данной продукции По. Достоверность результатов выбора оптимального варианта будет зависеть от точности оценки показателей К и И, которые, с одной стороны, должны учитывать все затраты, связанные с реализацией данного варианта, а, с другой, их расчет должен базироваться на использовании одних и тех же методик, одной и той же информационной базы, одного и того же уровня цен.

Основным условием технико-экономического сопоставления вариантов является тождество полезного (производственного, энергетического) эффекта. Оно состоит в том, что сравниваемые варианты должны иметь одинаковые объем и состав получаемой продукции По (энергии) и сроки ее выпуска. Если сопутствующий эффект Пс имеет существенное значение, то должен быть учтен и он.

Поскольку существует возможность решения одной и той же технической задачи несколькими вариантами, то для принятия окончательного решения о выборе лучшего из них необходимо воспользоваться определенными критериями оптимальности. Критерии оптимальности могут быть самыми различными. При проектировании технических систем целью оптимизации может служить, например, достижение максимальной надежности, минимального влияния на окружающую среду и т.д. При соблюдении тождества вариантов по мощности и надежности универсальным критерием оптимальности является экономический критерий - критерий минимума затрат.

Например, при сопоставлении двух вариантов технических решений, обеспечивающих тождественный эффект (По1о2 и Н12), но отличающихся капитальными вложениями К и ежегодными издержками И, могут иметь место следующие три вида соотношений между К и И:

) К2 = К1 , И21; 2) К2 1 , И2 = И1; 3) К21, И2 < И1 .

В первых двух случаях решение однозначно - эффективен первый вариант, поскольку дополнительные вложения во второй вариант не снижают себестоимость.

В третьем случае дополнительные капитальные вложения во второй вариант DDК = К2 - К1 обеспечивают положительный эффект - снижение себестоимости продукции на величину DDИ=И12. Этот случай является наиболее часто встречающимся в практике сопоставительных технико-экономических расчетов (рис. 2.2).

Рис. 2.2. Принципиальная связь ежегодных издержек и капитальных вложений

В случае «разнонаправленности» вариантов по К и И, их эффективность определяется по сроку окупаемости или коэффициенту эффективности.

Срок окупаемости дополнительных капитальных вложений - это период, в течение которого эти капитальные вложения должны быть возмещены в результате экономии от снижения себестоимости:

Трасч = ,

где DК - дополнительные капитальные вложения во второй вариант, т.е. DК = К2 - К1;

Э - экономия в результате снижения себестоимости продукции, т.е. Э = DИ = И1 - И2.

Коэффициент эффективности дополнительных капитальных вложений - это показатель, характеризующий экономию, приходящуюся на 1 рубль дополнительных капитальных вложений:

Ерасч = .

Капиталоёмкий второй вариант будет более выгодным при условии, если Ерасч ³ Ен или Трасч £ Тн, где Ен и Тн, нормативные значения показателя. Причем Тн рассчитывается как величина обратная Ен ,т.е. Тн = 1/Ен. На сегодняшний день принято приравнивать значение Ен к текущей ставке рефинансирования Центрального Банка Российской Федерации. Если эти условия сравнения расчетных параметров с нормативными не соблюдаются, то наиболее экономичным является менее капиталоемкий вариант.

Для промышленного предприятия, капитальные вложения которого финансируются за счет собственных средств, в качестве нормативного коэффициента эффективности Ен принимается уровень чистой рентабельности, а для инвесторов, вклад которых предусматривает долевое участие в прибыли, - процентная ставка на капитал, которая соответствует требованиям вкладчика и зафиксирована в договоре.

В экономической литературе предлагаются следующие пороговые значения рентабельности: для капитальных вложений, направляемых на проведение мероприятий по росту прибыли - не более 20%; для снижения текущих издержек производства - в пределах 15%.

При сравнении более двух вариантов, выбор наиболее экономичного варианта осуществляют по методу приведенных затрат. Критерием эффективности в данном случае являются наименьшие затраты труда на производство продукции, определяемые с учетом приведения единовременных затрат к текущим с помощью коэффициента сравнительной эффективности. Наиболее экономичным считается тот вариант, при котором обеспечиваются минимальные приведенные затраты.

По этому методу можно рассчитать приведенные затраты за год:

Зпрi = Eн×Кii ® min,

где Иi - издержки (себестоимость) i-го варианта; Кi - капитальные вложения i-го варианта; Ен- нормативный коэффициент эффективности дополнительных капитальных вложений.

При незначительном отличии вариантов по производственному эффекту выбор оптимального варианта можно осуществлять по критерию минимума удельных приведенных затрат:

,

где иi, ki - себестоимость единицы продукции и удельные капвложения i-го варианта.

Сопоставление вариантов технических решений с разной степенью надежности энергоснабжения (Н1¹Н2) производится с учетом экономических последствий, обусловленных их ненадежностью.

Выбор варианта с меньшей надежностью приведет к дополнительным затратам у потребителей. Эти дополнительные затраты называют ущербом от ненадежности. Ущерб от нарушения надежности функционирования производственных систем имеет вероятностный характер и должен рассматриваться как математическое ожидание дополнительных ежегодных издержек М(У). При этом основной критерий оптимальности примет вид:

Зi = Ен ЧЧ Кi + Иi + М(Уi) ®® min.

В укрупненных расчетах математическое ожидание ущерба, обусловленного ненадежностью, можно определять по формуле:

М(У) = уЧЧ DDW,

где DDW - суммарный недоотпуск энергии, обусловленный ненадежностью системы электроснабжения. Его расчет требует использования специальных методик расчета ненадежности системы электроснабжения, описываемых в соответствующей учебно-методической литературе. Средняя величина удельного ущерба у, приходящегося на 1 кВтЧЧч недоотпуска электроэнергии по разным отраслям народного хозяйства, составляет:

у = 0,6 руб./кВтЧЧч (цены 1984 г.); у = 520780 руб/(кВтЧЧч); (цены 2006 г.).

Выбор оптимального варианта прокладки кабельной трассы по внешнему участку, представленному на рис.2.1, производится по критерию минимума приведенных затрат, что математически описывается следующим образом:

,

где Зпр - приведенные затраты, руб./год; Ен =0,2 - нормативный коэффициент капитальных вложений (инвестиций) для выполнения монтажных работ в электроэнергетике (приравнивается к текущей ставке рефинансирования ЦБ РФ); КS - суммарные капитальные вложения в рассматриваемый вариант; руб; И S - ежегодные эксплуатационные издержки, руб.

Для простоты расчета величины издержек по рассматриваемым вариантам принимают равными, т.е. И12. В таком случае критерий выбора оптимального варианта прокладки кабельной трассы по внешнему участку упростится и примет следующий вид:

.

При условии, что нормативный коэффициент капитальных вложений Ен =0,2 одинаков для обоих вариантов, сравнение можно осуществлять по суммарным капиталовложениям:

.

Суммарные капитальные вложения КS в рассматриваемый вариант включают следующие составляющие:

,

где Кпр - капитальные вложения, расходуемые на приобретение оборудования, руб (в случае курсовой работы - кабельной продукции).; Км - капитальные вложения, относимые на монтаж оборудования, руб.; Кстр - капитальные вложения, предназначенные на строительные работы, руб.

При проектировании технических объектов возникает необходимость выбора оптимального решения.

Выбор лучшего варианта, способного дать наибольший экономический эффект, осуществляется на основе технико-экономического расчета.

Варианты, подлежащие экономическому сравнению, должны отвечать следующим требованиям:

. Быть технически сопоставимыми и взаимозаменяемыми. В качестве исходной базы (эталона) для сравнения принимаются лучшие из имеющихся или разрабатываемых. Каждый вариант следует ставить в оптимальные для него условия с учетом времени, качества, количества выпускаемой продукции, при которых обеспечивается получение наилучших технико-экономических показателей.

. Обеспечивать одинаковый производственный эффект.

. Обеспечивать единство методов расчета, единые уровни цен или сопоставимые показатели себестоимости.

. Обеспечивать одинаковую достоверность исходной информации и достижение одинаковой степени точности при выполнении расчетов.

. Быть сопоставимыми по уровню действия на окружающую среду, в противном случае необходим учет дополнительных затрат.

. При сравнении вариантов следует учитывать перспективность дальнейшего развития каждого из вариантов с точки зрения технического прогресса.

Наличие тождественности по всем этим показателям сводит все различия между сопоставляемыми вариантами только к различию в затратах, обусловленных производством и реализацией энергии.

Оптимальным считается вариант, обеспечивающий наименьшие приведенные затраты. При разнице до 5 % варианты считаются равноэкономичными. Окончательный выбор производится с учетом дополнительных факторов (возможность дальнейшего расширения, ремонтопригодность, надежность и т.д.).

Варианты технических решений характеризуются рядом технико-экономических показателей, важнейшими из которых являются:

) По - основной производственный эффект, который измеряется в натуральных показателях и характеризует количество ежегодно выпускаемой продукции или годовой объем функций; в энергетике По измеряется величиной установленной (передаваемой) мощности или количеством выработанной (отпущенной) энергии;

) Пс - сопутствующий производственный эффект, не предусмотренный идеей создания мероприятия, измеряется в натуральных единицах, отличных от основного производственного эффекта;

) К - объем капитальных вложений, в рублях, необходимый для реализации варианта;

) И - ежегодные издержки производства, равные годовой себестоимости производства продукции, в рублях в год;

) дополнительные качественные показатели, неучтенные при расчете капитальных вложений и ежегодных издержек (надежность (Н), долговечность, объемы используемых лимитируемых ресурсов, воздействие на окружающую среду, социальный эффект и др.).

Таблица 2.1 Выбор варианта прокладки кабельной трассы

Источник информации

Наименования затрат

Ед. изм.

Цена за ед. изм., руб/км

Расходы по вариантам





На эстакаде

В земле





 км

руб.

км

руб.

I. ПРИОБРЕТЕНИЕ КАБЕЛЯ.

[2]

Марка кабеля: ААШВ



3´50

1 км

1830

10,5

19215

-

-


3´70

1 км

2100

8,4

17640

-

-


Марка кабеля: ААБ



3´50

1 км

2060

-

-

10

20600


3´70

1 км

2330

-

-

8

18640


Итого по I разделу

36855


39240

II. СТРОИТЕЛЬНЫЕ РАБОТЫ.

[2]

Прокладка в земле

1 км

10560

-

-

1

11910

[2]

В кабельном канале

1 км

32190

1,05

99225

-

-


Итого по II разделу

99225


11910

III. МОНТАЖНЫЕ РАБОТЫ.

В земле

8-141-1

Подготовка траншеи

1 км

125

-

-

1

125

8-142-1

Устройство постели: одного кабеля

1 км

95,7

-

-

1

95,7

8-142-2

Последующих кабелей

1 км

30,8

-

-

1

523,6 (30,8*17)

8-143-1

Покрытие кирпичом: одного кабеля

1 км

88,6

-

-

1

88,6

8-143-2

Последующих кабелей

1 км

50,7

-

-

1

861,9 (50,7*17)

На эстакаде

8-148-2

Монтаж кабеля

1 км

156

1,05

2948,4 (163,8*18)

-

-


Итого поII разделу

2948,4


1694,8

 ИТОГО:

139028,4


52844,8


На основании полученных результатов сравнения к дальнейшему расчету принимаем способ прокладки кабеля на внешнем участке в земле, т.к. данный способ имеет наименьшие суммарные капиталовложения, чем способ прокладки кабеля в кабельном канале.

Прокладка кабельных линий по территории цеха (таб. 2.2) осуществляется способом рациональным с точки зрения эксплуатации кабелей внутри помещений. Длина кабельных линий определяется на основании рис.2.1 с учётом выбранного масштаба по исходным данным в варианте задания размеров цеха. В указанной таблице прокладка кабеля рассчитывается отдельно для трансформаторных подстанций и для двигателей, монтируемых на территории цеха.

Таблица 2.2 Прокладка кабельных линий в цехе

Тип приемника, марка кабеля

№ п/п

Длина кабеля

Стоимость кабеля

Стоимость монтажа



До приемника, км

Суммарная длина, км

Цена за 1 км, руб.

Сумма, руб

Прокладка 1 км, руб.

Сумма, руб

1

2

3

4

5

6

7

8

I. ПРОКЛАДКА КАБЕЛЬНЫХ ЛИНИЙ К ЦЕХОВЫМ ТРАНСФОРМАТОРАМ 6/0,4 кВ

ТП-1, ААБ 3х70

КЛ 1

0,157

0,254

2390

523,24

128


КЛ 3

0,157






ТП-2, ААБ 3х70

КЛ 2

0,164

0,546


1124,76


69,88


КЛ 4

0,164






ТП-3, ААБ 3х70

КЛ 5

0,269

0,760


1565,6


97,28


КЛ 7

0,269






ТП-4, ААБ 3х70

КЛ 6

0,108

0,114


234,84


14,59


КЛ 8

0,108






 Итого по I разделу:

1,674

 

3448,44

 

214,27

II. ПРОКЛАДКА КАБЕЛЬНЫХ ЛИНИЙ К АСИНХРОННЫМ ДВИГАТЕЛЯМ 6 кВ

М2, ААБ 3х50

КЛ 9

0,227

0,454


1085,06


217,92

М2, ААБ 3х50

КЛ 10

0,192

0,384

2060

917,76

480

184,32

М3, ААБ 3х50

КЛ 11

0,151

0,302


721,78


144,96

М4, ААБ 3х50

КЛ 12

0,151

0,302


721,78


144,96

М5 ААБ 3х50

КЛ 13

0,192

0,384


917,76


184,32

М6, ААБ 3х50

КЛ 14

0,227

0,454


1085,06


217,92

М7, ААБ 3х50

КЛ 15

0,137

0,274


654,86


131,52

М8, ААБ 3х50

КЛ 16

0,103

0,206


492,34


98,88

М9, ААБ 3х50

КЛ 17

0,103

0,206


492,34


98,88

М9, ААБ 3х50

КЛ 18

0,137

0,274


654,86


131,52

 Итого по II разделу:

3,24

 

7743,6

 

1555,2

 Итого по разделам:

4,914


11192,04


1769,47


Рис. 2.1 План прокладки кабельных линий с указанием мест расположения ТП и электроприемников.

3.     
Составление локальной сметы на преобретение и монтаж электрооборудования


Сметная стоимость строительства - это сумма денежных средств, определяемая сметными документами в соответствии с выбранным проектом.

Сметная стоимость является основой для финансирования строительства, расчетов за выполнение строительно-монтажных работ, оплаты расходов по приобретению и доставке оборудования.

Стоимость строительства определяется его сметой - экономическим документом, характеризующим предел допустимых затрат на сооружение объекта. Смета - это документ, определяющий стоимость реализации проекта. В сметах определяются денежные, трудовые и материальные затраты, необходимые для выполнения определенного объема работ.

Правильно составленная сметная документация, принятая и согласованная заинтересованными организациями, является основным финансовым документом на весь период выполнения работ.

Дальнейшее совершенствование сметной документации, повышение ее качества, приближение цены на материалы и объемы работ к реальным необходимым затратам имеют важное значение.

Для определения сметной стоимости используются сметные нормы на строительные работы, прейскуранты на оборудование, ценники на монтаж оборудования, единичные расценки - нормативы, характеризующие сметную стоимость единицы строительных работ и включающие стоимость материалов, заработную плату рабочих, затраты на эксплуатацию используемых механизмов, нормы накладных расходов.

Структура сметной стоимости строительно-монтажных работ включает в себя три основные статьи:

) прямые затраты (ПЗ) - состоят из затрат на материалы: элементы, конструкции, сырьё, полуфабрикаты, зарплаты основных рабочих, эксплуатации машин и механизмов, зарплаты дополнительных рабочих (машинистов) и.т.д.;

) накладные расходы (НР) - берутся в % от прямых затрат; включают в себя административно-хозяйственные расходы, зарплату работников аппарата управления, затраты по обслуживанию рабочих, затраты по обслуживанию строительной площадки, прочие затраты (командировки, штрафы, пени, неустойки и.т.д.) и.т.д.;

Совокупность прямых затрат и накладных расходов (ПЗ+НР) представляют собой себестоимость производства работ.

) плановая прибыль - составляет % от себестоимости, или % от основной заработной платы из прямых затрат.

В данной курсовой работе выполнено составление сметного документа по двум вариантам по разным нормативным документам. Для варианта сметы № 1 нормативным документом является СНиП-82 часть IV глава 6 (Строительные Нормы и Правила на монтаж электросилового оборудования (сборник или ценник №8)). Для варианта сметы № 2 нормативным документом является ГЭСНм-2001-08, т.е. Государственные Элементные Сметные Нормы на монтаж электротехнических установок.

.1 Составление сметного документа по СНиП - 82

При разработке сметы по СНиП-82 часть IV глава 6 «На приобретение и монтаж электросилового оборудования» выделили следующие разделы:

I. Приобретение электрооборудования и его монтаж; . Монтажные работы; . Материалы, неучтенные ценником №8.

В I разделе все графы сметы заполняются на основании прейскурантов и ценников на монтаж оборудования. Учли полную стоимость всего выбираемого оборудования, расценки всех запланированных работ.

Раздел II "Монтажные работы" заполняется на основании ценника № 8 [2] и технологических требований по монтажу оборудования и кабельных трасс.

В третьем разделе сметы определили стоимость материалов, которые включены не в основной состав расценок ценника №8, а в приложение №2 ценника. Для простоты расчетов в рамках данной курсовой работы определили только стоимость кабельных линий.

В конце сметы привели сводку итогов. Все данные свели в таблицу 3.1.

На приобретение и монтаж электросилового оборудования

Общая сметная стоимость 313468,292 руб. Смета составлена в ценах 1989 г.

В том числе:

а) оборудование 290707,94 руб.

б) монтажные работы 22760,352 руб.

3.2 Составление сметного документа по ГЭСНм - 2001

При составлении сметы «На приобретение и монтаж электросилового оборудования» составляются два документа по ГЭСНм-2001. Настоящие Государственные элементные сметные нормы (ГЭСНм) предназначены для определения потребности в ресурсах (затраты труда рабочих, строительные машины, материалы) при выполнении работ по монтажу электротехнических установок и для составления сметных расчетов (смет) ресурсным методом. ГЭСНм-2001 являются исходными нормативами для разработки единичных расценок на работы федерального (ФЕР), территориального (ТЕР), отраслевого уровней, индивидуальных и укрупненных норм (расценок) и других нормативных документов, применяемых для определения прямых затрат в сметной стоимости монтажных работ.

Таблица 3.1. Локальная смета

№ п/п

Шифр (позиция ценника)

Наименование и характеристика оборудования и монтажных работ

Ед.  изм.

Количество

Стоимость ед., руб.

Общая стоимость, руб.

Трудозатраты, чел.ч






Оборудования

Монтажных работ

Оборудования

Монтажных работ

На ед.

Всего







Всего

На з/пл


Всего

На з/пл



1

2

3

4

5

6

7

8

9

10

11

12

13

I. ПРИОБРЕТЕНИЕ ОБОРУДОВАНИЯ И ЕГО МОНТАЖ

1

8-1-14

Трансформатор силовой ТДН-10000/110

шт.

2

40000

666

202

80000

1332

404

333

666

2

8-62-3

Трансформатор силовой ТСЗ-1000/10

шт.

8

5740

82,7

39,2

45920

661,6

313,6

74

592

3

8-63-4

Реактор бетонный РБГ 10-1600-0,20УЗ

шт.

2

3150

52,5

34,4

6300

105

68,8

64

128

4

8-56-3

Разъединитель РВ-10/1500

шт.

4

33

7,72

5,96

132

30,88

23,84

9

36

5

8-57-1

Привод разъединителя ПР-3УЗ

шт.

4

7,4

3,94

1,81

29,6

15,76

7,24

3

12

6

8-89-2

Ячейка вводного выключателя КРУ-2-63, шкаф КВЭ-6, I=2500 А

шт.

2

1870

34

20,8

3740

68

41,6

33

66

7

8-89-2

Ячейка секционного выключателя КРУ-2-10Э шкаф КВЭ-6, I=2000 А

шт.

1

1460

34

20,8

1460

34

20,8

33

33

8

8-27-2

Ячейка трансформатора напряжения КРУ-2-63, шкаф КНТМИ-6/600

шт.

2

570

21,7

13,5

1140

43,4

27

23

46

9

8-89-1

Ячейка питания электродвигателей  КРУ 2-63, шкаф КВЭ-6/600

шт.

8

1230

24,9

17,1

9840

199,2

136,8

27

216

10

8-89-1

Ячейки питания силового трансформатора КРУ 2-63, шкаф  КВЭ-6-0,7/600

шт.

8

1230

24,9

17,1

9840

199,2

136,8

27

216

11

8-481-8

Электродвигатель асинхронный, тип А4-400Х-4УЗ, U=6 кВ, Рн=500 кВт

шт.

10

5200

31,4

13,5

52000

251,2

108

21

168

 Всего по I разделу:

210401.6

2940,24

1288,48


2179

 Затраты на транспортировку, складирование, хранение и доставку (30% от общей стоимости оборудования)

63120.48





 Итого по I разделу:

273522.08

2940,24

1288,48


2179

II. ДОПОЛНИТЕЛЬНЫЕ МОНТАЖНЫЕ РАБОТЫ

1

П 1-10

Ревизия трансформатора ТДН-10000/110

шт.

2

 

40,3

21

 

80,6

42

31

62

2

П 1-2

Ревизия трансформатора ТСЗ-1000/10

шт.

8

 

45,7

25,3

 

365,6

202,4

42

336

3

П 1-140

шт.

2

 

1360

521

 

2720

1042

733

1466

4

8-67-1

Сушка масла для трансформатора ТДН-10000/110

1 т.

20,4

 

13,9

7,08

 

283,56

144,432

12

244,8

5

8-68-1

Заливка маслом трансформатора ТДН-10000/110

1 т.

20,4

 

4,58

1,51

 

93,432

30,804

3

61,2

6

8-10-3

Дегазация и азотирование масла для трансформатора ТДН-10000/110

1 т.

20,4

 

16,9

2,39

 

344,76

48,756

4

81,6

7

П 1-6

Ревизия бетонного реактора  РБГ 10-1600-0,20УЗ

шт.

2

 

64,5

49,6

 

129

99,2

86

172

8

П 1-134

Сушка бетонного реактора  РБГ 10-1600-0,20УЗ

шт.

2

 

62,8

32,8

 

125,6

65,6

53

106

9

П 1-25

Ревизия асинхронного двигателя  ДАЗ02-16-44-6/8У1

шт.

8

 

16,6

7,64

 

132,8

61,12

12

96

10

П 1-151

Сушка асинхронного двигателя  ДАЗ02-16-44-6/8У1

шт.

8

 

22,7

21,5

 

181,6

172

30

240

11

8-481-25

Присоединение асинхронного двигателя ДАЗ02-16-44-6/8У1 к электрической сети

шт.

8

 

4,57

3,03

 

36,56

24,24

4

32

12

8-180-1

Муфта кабельная концевая с заливкой эпоксидным компаундом

шт.

36

 

2,34

2,09

 

84,24

75,24

3

108

13

8-180-1

Муфта кабельная концевая с заливкой эпоксидным компаундом

шт.

36

 

2,34

2,09

 

84,24

75,24

3

108

14

8-156-1

Заделка концевая эпоксидная для кабеля внешнего участка

шт.

18

 

1,01

0,31

 

18,18

5,58

1

18

15

8-156-1

Заделка концевая эпоксидная для кабеля внутреннего участка

шт.

18

 

1,01

0,31

 

18,18

5,58

1

18

16

8-177-1

Кожух защитный для эпоксидных муфт внешнего участка

шт.

36

 

1,07

0,69

 

38,52

24,84

 

 

17

8-177-1

Кожух защитный для эпоксидных муфт внутреннего участка

шт.

36

 

1,07

0,69

 

38,52

24,84

 

 

18

8-168-1

Указатель кабельной трассы, проложенный в земле

шт.

36

 

0,72

0,32

 

25,92

11,52

1

36

19

8-68-2

Заливка маслом выключателей ВМП ячеек КРУ 2-63 с I=600 А, I=1500 А питания электродвигателей

1 т.

1,496

 

9,16

6,6

 

13,703

9,874

11

16,456

20

8-68-2

Заливка маслом выключателей ВМП ячеек КРУ 2-63 с I=600 А, I=1500 А питания силовых трансформаторов

1 т.

1,496

 

9,16

6,6

 

13,703

9,874

11

16,456

21

8-68-2

Заливка маслом выключателей ВМП ячеек КРУ 2-63 с I=3000 А вводных выключателей

1 т.

0,064

 

9,16

6,6

 

0,586

0,422

11

0,704

22

8-68-2

Заливка маслом выключателя ВМП ячейки КРУ 2-63 с I=3000 А секционного выключателя

1 т.

0,064

 

9,16

6,6

 

0,586

0,422

11

0,704

23

8-692-24

Разделка кабеля внешнего участка

шт.

36

 

4,54

3,78

 

163,44

136,08

4

144

24

8-692-24

Разделка кабеля внутреннего участка

шт.

36

 

4,54

3,78

 

163,44

136,08

4

144

25

8-5-9

Подсушка методом низкотемпературной обработки изоляции ТСЗ-1000/10

шт.

8

 

1214

191

 

9712

1528

304

2432

26

8-5-132м

Подсушка индукционным способом изоляции трансформатора ТДН 10000/110

шт.

2

 

399

165

 

798

330

232

464

27

8-141-1

Прокладка кабеля ААБ по внешнему участку в земле

км

14,4

 

125

58,9

 

1800

848,16

100

1440

28

8-146-1

Прокладка кабеля ААБ по внутреннему участку к асинхронным двигателям

км

0,944

 

480

182

 

453,12

171,808

310

292,64

29

8-149-2

Прокладка кабеля ААБ по внутреннему участку к трансформаторным подстанциям

км

1,674

 

128

86,2

 

214,272

144,299

160

267,84

 Всего по II разделу:

 

5470,411


8404,4

III. МАТЕРИАЛЫ НЕУЧТЁННЫЕ ЦЕННИКОМ №8

1

[2]

Кабель ААБ по внешнему участку, проложенный в земле:

км

7,2

2390

 

 

17208

 

 

 

 



- к трансформаторным подстанциям кабелем ААШБ 3х70













- к асинхронным двигателям кабелем ААШБ 3х50


7,2

2060

 

 

14832

 

 

 

 

2

[2]

Кабель ААБ по внутреннему участку:

км

1,674

2390

 

 

4000,86

 

 

 

 



- к трансформаторным подстанциям кабелем ААБ 3х70













- к асинхронным двигателям кабелем ААБ 3х50


0,944

2060

 

 

1945

 

 

 

 

 Всего по III разделу:

37985,86

 

 

 

 

Всего по разделам:

 

 

 

 

 

 

I раздел

273522.08

2940,24

1288,48


2179


II раздел

18134,16

18134,16

5470,411


8404,4


III раздел

37985,86





Итого по разделам:

329642.1

21074,4

6758,891


10583,4

Плановые накопления (8% от стоимости монтажа)


1685,952




Отклонения по заработной плате (40% от заработной платы)



2703,556



Всего по смете:

329642.1

22760,352

9462,447


10583,4



ГЭСНм отражают среднеотраслевые затраты на эксплуатацию строительных машин и механизмов, технологию и организацию работ по монтажу оборудования. ГЭСНм обязательны для применения всеми предприятиями и организациями, независимо от их принадлежности и форм собственности, осуществляющими строительство с привлечением средств государственного бюджета всех уровней и целевых внебюджетных фондов.

Сметный документ по ГЭСНм состоит из двух документов: «Локальную ресурсную ведомость», «Локальный ресурсный сметный расчет».

В первый документ собирается сумма всех ресурсов, необходимых для производства работ в натуральных единицах измерения, т.е. в шт., кг, чел.-час, маш-ч, т, и т.д. по следующей структуре: раздел 1 «Затраты труда рабочих - монтажников или строителей» (учитывая средний разряд работников, измеряются в человеко-часах),

-       раздел 2 - «Затраты труда машинистов» (измеряются в человеко-часах);

-       раздел 3 - «Машины и механизмы», с перечислением всех используемых машин и механизмов и временем их использования в маш.-ч,

-       раздел 4 - «Материалы» основные и дополнительные (таблица 3.2.).

Перечень всех необходимых материалов, машин и механизмов, количества чел.-час и маш.-ч указан в ГЭСНм-2001 по соответствующему виду выполняемых работ. Для каждого вида машин и механизмов и материалов указывается шифр норматива и код ресурса в соответствии с ГЭСНм-2001-08. Составляется итоговая сводка в натуральных единицах по всем необходимым ресурсам, внесенным в составленную Локальную ресурсную ведомость. Итоги подводятся по каждому разделу всех видов оборудования для каждого наименования машин и механизмов, затрат труда машинистов и по каждому разряду рабочих, вида материалов. Локальная ресурсная ведомость не содержит данных в денежном выражении.

Во втором документ, на основании полученных в локальной ресурсной ведомости результатов, проводится расчет сметной (денежной) стоимости комплекса электромонтажных работ. Для расчета оплаты труда рабочих и машинистов в соответствии с разрядом, пользуются данными бухгалтерии или условиями контракта между работодателем и работником. Полученная сумма называется Фонд Оплаты Труда (ФОТ). На ФОТ начисляется сметная прибыль в % и накладные расходы в % (зависят от реального производства). Если смета составлялась приглашенным сметчиком, то закладываются расходы на составление проектно-сметной документации в % от ФОТ (по условиям договора).

Для определения затрат на каждый вид машин и механизмов учитывают имущественную принадлежность этого механизма: для арендованных учитывают стоимость 1 маш.-ч аренды по договору аренды, для собственных - стоимость 1 маш.-ч работы по данным бухгалтерии или другим источникам. Стоимость каждого вида материалов (основных и дополнительных) определяется по каталогам заводов-изготовителей, прейскурантам фирм-реализаторов, прайс-листам или другим источникам в реальных ценах на момент составления сметного расчета. Далее подводят итоги по смете. В рамках данной курсовой работы был составлен документ «Локальная ресурсная ведомость» и оформлена в виде таблицы (табл.3.2).

Таблица 3.2 Локальная ресурсная ведомость на приобретение и монтаж основного электрооборудования трансформаторных подстанций

№ п/п

Шифр, номера нормативов и коды ресурсов

Наименование работ и затрат

Ед. изм.

Количество





на ед. изм.

общая величина

08-01-001-11

ТРАНСФОРМАТОР СИЛОВОЙ ТДН - 10000 / 110

2

1

 

Затраты труда рабочих-монтажников

чел.-ч

508

1016

1.1

 

Средний разряд работы

 

4

 

2

 

Затраты труда машинистов

чел.-ч

90,7

181,4

3

МАШИНЫ И МЕХАНИЗМЫ

 

021102

Краны на автомобильном ходу при работе на монтаже технологического оборудования 10 т

маш.-ч

43,7

87,4

 

400002

Автомобили бортовые грузоподъемностью до 8 т

маш.-ч

3,05

6,1

 

030203

Домкраты гидравлические грузоподъемностью 63 т

маш.-ч

27,4

54,8

 

350701

Станции насосные для привода гидродомкратов

маш.-ч

6,38

12,76

 

010410

Тракторы на пневмоколесном ходу при работе на других видах строительства (кроме водохозяйственного) 59 (80) кВт (л.с.)

маш.-ч

0,77

1,54

 

040502

Установки для сварки ручной дуговой (постоянного тока)

маш.-ч

3,98

7,96

 

351101

Установки "Суховей"

маш.-ч

39,8

79,6

 

050102

Компрессоры передвижные с двигателем внутреннего сгорания давлением до 686 кПа (7 ат) 5 м3/мин

маш.-ч

39,8

79,6

 

351051

Установки передвижные цеолитовые

маш.-ч

1,14

2,28

 

351251

Шкафы сушильные

маш.-ч

9,28

18,56

 

030902

Подъемники гидравлические высотой подъема 10 м

маш.-ч

3,35

6,7

 

350221

Маслоподогреватели

маш.-ч

11,9

23,8

4

МАТЕРИАЛЫ

 

202-0012

Пути крановые из рельсов железнодорожных на бетонном основании, марка стали С 255. Рельсы железнодорожные

т

0,0015

0,003

 

105-0071

Шпалы непропитанные для железных дорог 1 тип

шт.

2,08

4,16

 

102-0081

Пиломатериалы хвойных пород. Доски необрезные длиной 4-6.5 м, все ширины, толщиной 44 мм и более III сорта

м3

0,048

0,096

 

101-9184

Скобы металлические

кг

20

40

 

101-0324

Кислород технический газообразный

м3

5,33

10,66

 

542-0042

Пропан-бутан, смесь техническая

кг

6

12

 

101-1924

Электроды диаметром 4 мм Э42А

кг

3,7

7,4

 

101-1627

Сталь углеродистая обыкновенного качества, марка стали ВСт3пс5, листовая толщиной 4-6 мм

т

0,03325

0,0665

 

101-0113

Бязь суровая арт. 6804

10 м2

1,7

3,4

 

113-9042

Клей БМК-5к

кг

0,02

0,04

 

500-9597

Шлифовальная бумага

кг

0,54

1,08

 

542-0031

Смазка универсальная тугоплавкая УТ (консталин жировой)

т

0,00012

0,00024

 

543-0001

Пластина техническая без тканевых прокладок

т

0,0125

0,025

 

500-9204

Прессшпан листовой, марки А

кг

0,33

0,66

 

101-9852

Краска

кг

0,26

0,52

 

500-9502

Бирки-оконцеватели

100 шт.

2

4

 

534-9100

Муфта

шт.

22

44

 

101-1641

Сталь угловая, равнополочная, марка стали ВСт3кп2 размером 50х50х5 мм

т

0,001

0,002

08-02-141-3

КАБЕЛИ ДО 35кВ в готовых траншеях без покрытый

8

1

 

Затраты труда рабочих-монтажников

чел.-ч

142

1136

1.1

 

Средний разряд работы

 

4

 

2

 

Затраты труда машинистов

чел.-ч

55,6

444.8

3

МАШИНЫ И МЕХАНИЗМЫ

 

21102

Краны на автомобильном ходу при работе на монтаже технологического оборудования 10 т

маш.-ч

11,7

93.6

 

400002

Автомобили бортовые грузоподъемностью до 8 т

маш.-ч

11,7

93.6

 

30408

Лебедки электрические, тяговым усилием 156,96 (16) кН (т)

32,2

257.6

 

30203

Домкраты гидравлические грузоподъемностью 63 т

маш.-ч

32,2

257.6

4

МАТЕРИАЛЫ

 

101-0865

Роли свинцовые марки С1 толщиной 1.0 мм

т

0,008

0.064

 

500-9500

Бирки маркировочные

100 шт.

0,41

3.28

 

101-1786

Лак битумный БТ-123

т

0,0006

0.0048

 

500-9623

Лента К226

100 м

0,096

0.768

 

500-9101

Кнопки монтажные

1000шт.

0,0832

0,6656

 

101-0813

Проволока стальная низкоуглеродистая разного назначения оцинкованная диаметром 3.0 мм

т

0,0004

0,0032

 

101-1641

Сталь угловая, равнополочная, марка стали ВСт3кп2 размером 50х50х5 мм

т

0,1

0,8

 

101-1755

Сталь полосовая спокойная марки Ст3сп, шириной 50-200 мм толщиной 4-5 мм

т

0,01

0,08

 

101-9852

Краска

кг

2,5

20

08-02-146-4

КАБЕЛИ ДО 35 кВ с креплением накладными скобами

8,4

1

 

Затраты труда рабочих-монтажников

чел.-ч

233

219,952

1.1

 

Средний разряд работы

 

4

 

2

 

Затраты труда машинистов

чел.-ч

149

140,656

3

МАШИНЫ И МЕХАНИЗМЫ

 

21102

Краны на автомобильном ходу при работе на монтаже технологического оборудования 10 т

маш.-ч

11,9

11,234

 

400002

Автомобили бортовые грузоподъемностью до 8 т

маш.-ч

11,9

11,234

 

30408

Лебедки электрические, тяговым усилием 156,96 (16) кН (т)

маш.-ч

53,7

50,693

 

30203

Домкраты гидравлические грузоподъемностью 63 т

маш.-ч

53,7

50,693

 

31050

Вышки телескопические 25 м

маш.-ч

71,6

67,5904

4

МАТЕРИАЛЫ

 

500-9500

Бирки маркировочные

100 шт.

0,01

0,00944

 

500-9623

Лента К226

100 м

0,245

0,23128

 

500-9101

Кнопки монтажные

1000 шт.

0,208

0,19635

 

101-0813

Проволока стальная низкоуглеродистая разного назначения оцинкованная диаметром 3.0 мм

т

0,001

0,000944

 

500-9039

Скобы и накладки для крепления кабеля

10 шт.

102

96,288

 

101-9109

Дюбели для пристрелки

10 шт.

248

234,112

 

101-9100

Патроны для пристрелки

10 шт.

248

234,112

 

101-0865

Роли свинцовые марки С1 толщиной 1,0 мм

т

0,016

0,0151

 

522-0077

Припои оловянно-свинцовые бессурьмянистые марки ПОС30

кг

5

4,72

 

101-1786

Лак битумный БТ-123

т

0,0288

0,02719

08-02-148-3

КАБЕЛИ ДО 35 кВ в проложенных трубах, блоках и коробах

1,674

1

 

Затраты труда рабочих-монтажников

чел.-ч

232

388,368

1.1

 

Средний разряд работы

 

4

 

2

 

Затраты труда машинистов

чел.-ч

76,6

128,228

3

МАШИНЫ И МЕХАНИЗМЫ

 

21102

Краны на автомобильном ходу при работе на монтаже технологического оборудования 10 т

маш.-ч

11,6

19,418

 

400002

Автомобили бортовые грузоподъемностью до 8 т

маш.-ч

11,6

19,418

 

30203

Домкраты гидравлические грузоподъемностью 63 т

маш.-ч

53,4

89,392

 

30408

Лебедки электрические, тяговым усилием 156,96 (16) кН (т)

маш.-ч

53,4

89,392

4

МАТЕРИАЛЫ

 

500-9500

Бирки маркировочные

100 шт.

0,041

0,0686

 

500-9623

Лента К226

100 м

0,096

0,1607

 

500-9101

Кнопки монтажные

1000 шт.

0,0832

0,1393

 

101-0813

Проволока стальная низкоуглеродистая разного назначения оцинкованная диаметром 3.0 мм

т

0,0004

0,0006696

 

101-0865

Роли свинцовые марки С1 толщиной 1.0 мм

т

0,008

0,013392

 

522-0077

Припои оловянно-свинцовые бессурьмянистые марки ПОС30

кг

5

8,37

 

101-1786

Лак битумный БТ-123

т

0,0006

0,001004

ИТОГО по ресурсной ведомости:

1

 

Затраты труда рабочих-монтажников

чел.-ч

 

3669,12

1.1

 

Средний разряд работы

 

4

 

2

 

Затраты труда машинистов

чел.-ч

 

1122,696

3

МАШИНЫ И МЕХАНИЗМЫ

 

021102

Краны на автомобильном ходу при работе на монтаже технологического оборудования 10 т

маш.-ч

 

267,114

 

400002

Автомобили бортовые грузоподъемностью до 8 т

маш.-ч

 

185,814

 

030203

Домкраты гидравлические грузоподъемностью 63 т

маш.-ч

 

569,173

 

350701

Станции насосные для привода гидродомкратов

маш.-ч

 

12,76

 

010410

Тракторы на пневмоколесном ходу при работе на других видах строительства (кроме водохозяйственного) 59 (80) кВт (л.с.)

маш.-ч

 

1,54

 

040502

Установки для сварки ручной дуговой (постоянного тока)

маш.-ч

 

7,96

 

351101

Установки "Суховей"

маш.-ч

 

79,6

 

050102

Компрессоры передвижные с двигателем внутреннего сгорания давлением до 686 кПа (7 ат) 5 м3/мин

маш.-ч

 

79,6

 

351051

Установки передвижные цеолитовые

маш.-ч

 

2,28

 

351251

Шкафы сушильные

маш.-ч

 

 

030902

Подъемники гидравлические высотой подъема 10 м

маш.-ч

 

6,7

 

350221

Маслоподогреватели

маш.-ч

 

23,8

 

030408

Лебедки электрические, тяговым усилием 156,96 (16) кН (т)

маш.-ч

 

514,373

 

31050

Вышки телескопические 25 м

маш.-ч

 

67,5904

4

МАТЕРИАЛЫ

 

202-0012

Пути крановые из рельсов железнодорожных на бетонном основании, марка стали С 255. Рельсы железнодорожные

т

 

0,003

 

105-0071

Шпалы непропитанные для железных дорог 1 тип

шт.

 

4,16

 

102-0081

Пиломатериалы хвойных пород. Доски необрезные длиной 4-6.5 м, все ширины, толщиной 44 мм и более III сорта

м3

 

0,096

 

101-9184

Скобы металлические

кг

 

40

 

101-0324

Кислород технический газообразный

м3

 

10,66

 

542-0042

Пропан-бутан, смесь техническая

кг

 

12

 

101-1924

Электроды диаметром 4 мм Э42А

кг

 

7,4

 

101-1627

Сталь углеродистая обыкновенного качества, марка стали ВСт3пс5, листовая толщиной 4-6 мм

т

 

0,0665

 

101-0113

Бязь суровая арт. 6804

10 м2

 

3,4

 

113-9042

Клей БМК-5к

кг

 

0,04

 

500-9597

Шлифовальная бумага

кг

 

1,08

 

542-0031

Смазка универсальная тугоплавкая УТ (консталин жировой)

т

 

0,00024

 

543-0001

Пластина техническая без тканевых прокладок

т

 

0,025

 

500-9204

Прессшпан листовой, марки А

кг

 

0,66

 

101-9852

Краска

кг

 

36,52

 

500-9502

Бирки-оконцеватели

100 шт.

 

4

 

534-9100

Муфта

шт.

 

44

 

101-1641

Сталь угловая, равнополочная, марка стали ВСт3кп2 размером 50х50х5 мм

т

 

1,442

 

101-0865

Роли свинцовые марки С1 толщиной 1.0 мм

т

 

0,143692

 

500-9500

Бирки маркировочные

100 шт.

 

5,98204

 

101-1786

Лак битумный БТ-123

т

 

0,036834

 

500-9623

Лента К226

100 м

 

1,77438

 

500-9101

Кнопки монтажные

1000 шт.

 

1,53373

 

101-0813

Проволока стальная низкоуглеродистая разного назначения оцинкованная диаметром 3.0 мм

т

 

0,007374

 

101-1755

Сталь полосовая спокойная марки Ст3сп, шириной 50-200 мм толщиной 4-5 мм

т

 

0,144

 

500-9039

Скобы и накладки для крепления кабеля

10 шт.

 

96,288

 

101-9109

Дюбели для пристрелки

10 шт.

 

234,112

 

101-9100

Патроны для пристрелки

10 шт.

 

234,112

 

522-0077

Припои оловянно-свинцовые бессурьмянистые марки ПОС30

кг

 

13,09


4.     
Построение сетевой модели комплекса электромантажных работ


Высокой организации электромонтажных работ можно добиться с помощью предварительно составленного сетевого графика.

Сетевой график представляет собой схему выполнения отдельных операций и элементов работ по монтажу оборудования, а также взаимных связей между ними, порядка, технологической последовательности выполнения и контроля за выполнением работ. На нем, нанося работы и события. Каждое событие характеризует завершение или начало работы, а работа означает действие, которое нужно совершить, чтобы перейти от предшествующего события к последующему. Работу на графике обозначают стрелкой, показывающей связь между событиями, изображенными кружками. Работа должна быть корректной, четко описанной и иметь ответственного исполнителя; ее продолжительность определяется в часах или днях.

Важный элемент разработки сетевого графика - определение продолжительности критического пути. На графике пути изображены линиями, образуемыми стрелками, концы которых указывают на начальные и конечные события. При составлении графика стрелки должны идти слева направо, номер события выхода работы должен быть меньше номера события, куда она входит.

В сетевых графиках различают входные и выходные работы. Буквы над стрелками указывают индекс работы, а цифры - ее продолжительность.

В сетевом графике ремонта четко видны те отдельные работы, от которых зависит общий срок завершения всего комплекса работ. Этот срок определяется последовательностью выполнения монтажных работ с наибольшей продолжительностью от исходного до завершающего события. Такая последовательность и определяет критический путь на сетевом графике (обозначен жирной чертой).

Критический путь представляет собой основу для выбора оптимального плана и организации контроля за ходом работ. Отношение продолжительности любого пути к продолжительности критического характеризует степень надежности плана. Если критический путь от начального до конечного события является наиболее продолжительным по времени, все другие события и работы должны лежать на более коротких путях.

В ходе монтажа оборудования возможна так называемая оптимизация сетевого графика по времени. Ее проводят для сокращения сроков монтажа, в первую очередь по критическому пути. Для этого разрабатываются мероприятия, в которых предусматривают: начало производства отдельных видов работ раньше полного окончания предыдущих; увеличение численности бригад ; временную приостановку работ, не лежащих на критическом пути , и переброску людей на работы, лежащие на критическом пути. Такие же мероприятия проводят, когда по каким-либо причинам нарушается выполнение отдельных работ.

Сетевое планирование имеет большое организующее и дисциплинирующее значение, направленное на четкое выполнение работ и повышение производительности труда рабочих.

Построение сетевого графика начинается с составления полного перечня всех работ рассматриваемого комплекса (согласно технологической последовательности). Этот перечень записывается в виде структурной таблицы. В ней указывается последовательность работ, номер предыдущих работ, нормативная продолжительность и трудоемкость, а также количество исполнителей. При этом, трудозатраты пересчитываются в чел×дн, по следующей формуле, исходя из восьмичасового рабочего дня:

, чел×дн       (4.1)

Величина затрат времени и труда по каждой из работ по следующему выражению:

, чел×дн (4.2)

Таблица 4.1 Список электромонтажных работ

№ п/п

Код работы i-j

Наименование работы

№ предшествующей работы

Время выполнения работы, ti-j, дн.

Количество рабочих ni-j, чел.

Трудозатраты, чел.ч

Трудозатраты Qi-j, чел.дн.

Полный путь, дн.

 

 

Трансформатор силовой ТДН-10000/110

 

 

 

 

 

 

1

1-2

Монтаж трансформатора силового  ТДН-10000/110

-

9

9

648

81

36

2

2-13

Ревизия трансформатора ТДН-10000/110

1

2

4

64

8


3

13-20

Сушка трансформатора ТДН-10000/10

2

12

15

1440

180


4

20-24

Подсушка индукционным способом изоляции трансформатора ТДН 10000/110

3

4

14

448

56


5

24-27

Сушка масла для трансформатора  ТДН-10000/110

4

5

6

240

30


6

27-30

Дегазация и азотирование масла для трансформатора ТДН-10000/110

5

2

5

80

10


7

30-31

Заливка маслом трансформатора  ТДН-10000/110

6

2

4

64

8


 

 

Трансформатор силовой ТСЗ-1000/10

 

 

 



 

8

1-3

Монтаж трансформатора силового  ТСЗ-1000/10

-

8

9

576

72

28

9

3-14

Ревизия трансформатора ТСЗ-1000/10

8

5

8

320

40


10

14-31

Подсушка методом низкотемпературной обработки изоляции ТСЗ-1000/10

9

15

20

2400

300


 

 

Реактор бетонный РБГ 10-1600-0,20УЗ

 

 

 

 

 

 

11

1-4

Монтаж реактора бетонного  РБГ 10-1600-0,20УЗ

-

2

8

128

16

9

12

4-15

Ревизия бетонного реактора  РБГ 10-1600-0,20УЗ

11

4

5

160

20


13

15-31

Сушка бетонного реактора  РБГ 10-1600-0,20УЗ

12

4

96

12


 

 

Электродвигатель асинхронный, тип ДАЗ02-16-44-6/8У1

 

 

 



 

14

1-5

Монтаж электродвигателя асинхронного, типа ДАЗ02-16-44-6/8У1

-

4

5

160

20

10

15

5-16

Ревизия асинхронного двигателя  ДАЗ02-16-44-6/8У1

14

2

6

96

12


16

16-21

Сушка асинхронного двигателя  ДАЗ02-16-44-6/8У1

15

3

10

240

30


17

21-31

Присоединение асинхронного двигателя ДАЗ02-16-44-6/8У1к электрической сети

16

1

4

32

4


 

 

Разъединитель РВ-10/1500

 

 

 



 

18

1-6

Монтаж разъединителя РВ-10/1500

-

1

4

32

4

2

19

6-31

Монтаж привода разъединителя ПР-3УЗ

18

1

2

8

2


 

 

Ячейки КРУ 2-63

 

 

 



 

20

1-7

Монтаж ячейки вводного выключателя КРУ-2-63, шкаф КВЭ-6, I=2500 А

-

2

4

64

8

3

21

7-31

Заливка маслом выключателей ВМП ячеек КРУ 2-63 с I=3000 А

20

1

1

8

1


22

1-8

Монтаж ячейки секционного выключателя КРУ-2-10Э шкаф КВЭ-6, I=2000 А

-

1

4

32

4

3

23

8-17

Заливка маслом выключателей ВМП ячеек КРУ 2-63 с I=3000 А

22

1

1

8

1


24

17-31

Монтаж ячейки трансформатора напряжения КРУ-2-63,  шкаф КНТМИ-6/600

23

1

5

40

5


25

1-9

Монтаж ячейки питания электродвигателей КРУ 2-63,  шкаф КВЭ-6/600

-

3

9

216

27

4

26

9-31

Заливка маслом выключателей ВМП ячеек КРУ 2-63 с I=600 А, I=1500 А

25

1

2

16

2


27

1-10

Монтаж ячейки питания силового трансформатора КРУ 2-63,  шкаф КВЭ-6-0,7/600

-

4

8

256

32

5

28

10-31

Заливка маслом выключателей ВМП ячеек КРУ 2-63 с I=600 А, I=1500 А

27

1

2

16

2


 

 

Кабельные работы

 

 

 



 

 

 

Внешний участок

 

 

 



 

29

1-11

Прокладка кабеля ААБ по внешнему участку в земле

-

10

18

1440

180

16

30

11-18

Указатель кабельной трассы, проложенный в земле

29

1

4

32

4


31

18-22

Разделка кабеля

30

2

9

144

18


32

22-25

Установка муфты кабельной концевой с заливкой эпоксидным компаундом

31

2

6

96

12


33

25-28

Заделка концевая эпоксидная для кабеля внешнего участка

32

1

2

16

2


34

28-31

Установка кожуха защитного для эпоксидных муфт

33

-

-

-

-


 

 

Внутренний участок

 

 

 



 

35

1-12

Прокладка кабеля ААБ по внутреннему участку к асинхронным двигателям

-

4

9

288

36

13

36

12-19

Прокладка кабеля ААБ по внутреннему участку к трансформаторным подстанциям

35

4

8

288

32


37

19-23

Разделка кабеля

36

2

9

144

18


38

23-26

Установка муфты кабельной концевой с заливкой эпоксидным компаундом

37

2

6

96

12


39

26-29

Заделка концевая эпоксидная для кабеля внутреннего участка

38

1

2

16

2


40

29-31

Установка кожуха защитного для эпоксидных муфт

39

-

-

-

-



Нумерация работ в графе 1 (табл. 4.1) принята согласно сетевой модели комплекса электромонтажных работ представленной на рисунке 4.1.

Рис. 4.1 - сетевая модель комплекса электромонтажных работ

5.     
Расчет сетевой модели табличным методом


Расчёт сетевой модели заключается в определении величины критического пути, наиболее ранних возможных и наиболее поздних допустимых сроков начала и окончания работ, а также резервов времени работ.

Раннее начало работы - время, раньше которого начать выполнение работы нельзя. Другими словами, это время максимального пути от исходного события комплекса работ до начального "i"-го события данной (рассматриваемой) i-j работы.

 [дн]     (5.1)

Раннее окончание работы - время, раньше которого нельзя закончить выполнение работы. Другими словами, это суммарное время раннего начала данной работы и длительности самой работы.

 [дн]          (5.2)

Критический путь - самый продолжительный по времени полный путь всего комплекса работ, т.е. максимальный по продолжительности путь от исходного события до завершающего события всего комплекса работ.

[дн]      (5.3)

Позднее окончание работы - время, за пределы которого не допустимо откладывать выполнение данной работы, определяется как разность между критическим путем и путем максимальным по продолжительности от завершающего события комплекса до конечного j-го события рассматриваемой работы.

 [дн]    (5.4)

Позднее начало работы - время, позднее которого нельзя начинать выполнение работы. Другими словами, это разность между поздним окончанием "i-j"-ой работы и длительностью самой работы.

 [дн]         (5.5)

Полный резерв времени работы - время (запас по времени), на которое можно задержать выполнение данной работы так, чтобы такая задержка не повлияла на время выполнения всего комплекса работ.

 [дн]     (5.6)

Свободный резерв времени работы - время (запас по времени), на которое можно задержать выполнение данной работы, так чтобы такая задержка не повлияла на время выполнения последующих работ.

 [дн]        (5.7)

где - раннее начало последующей (по отношению к рассматриваемой) работы.

Результаты расчета сетевой модели свели в таблицу 5.1.

Таблица 5.1 Табличный метод расчёта сетевой модели электромонтажных работ

Код работы

Количество рабочих, ni-j, чел.

Продолжительность работы, ti-j, дн.

Время РН, ti-jРН, дн.

Время РО, ti-jРО, дн.

Время ПН, ti-jПН, дн.

Время ПО, ti-jПО, дн.

Полный резерв, Ri-jп, дн.

Свободный резерв, Ri-jс, дн.

По порядку работ в сетевой модели (а)

Через коды событий i-j









1

1-3

9

9

0

9

0

9

0

0

2

3-18

4

2

9

11

9

11



3

18-21

15

12

11

23

11

23



4

21-25

14

4

23

27

23

27



5

25-28

6

5

27

32

27

32



6

28-30

5

2

32

34

32



7

30-31

4

2

34

36

34

36



8

1-4

9

8

0

8

8

16

8

0

9

4-17

8

5

8

13

16

21



10

17-31

20

15

13

28

21

36


8

11

1-5

8

2

0

2

27

29

27

0

12

5-16

5

4

2

6

29

33



13

16-31

4

3

6

9

33

36


27

14

1-6

5

4

0

4

26

30

26

0

15

6-15

6

2

4

6

30

32



16

15-22

10

3

6

9

32

35



17

22-31

4

1

9

10

35

36


26

18

1-7

4

1

0

1

34

35

34

0

19

7-31

2

1

1

2

35

36


34

20

1-8

4

2

0

2

33

35

33

0

21

8-31

1

1

2

3

35

36


33

22

1-9

4

1

0

1

33

34

33

0

23

9-14

1

1

1

2

34

35



24

14-31

5

1

2

3

35

36


33

25

1-10

9

3

0

3

32

35

32

0

26

10-31

2

1

3

4

35

36


32

27

1-11

8

4

0

4

31

35

31

0

28

11-31

2

1

4

5

35

36


31

29

1-2

18

10

0

10

20

30

20

0

30

2-19

4

1

10

11

30

31



31

19-20

9

2

11

13

31

33



32

20-26

6

2

13

15

33

35



33

26-27

2

1

15

16

35

36



34

27-31

0

0

16

16

36

36


20

35

1-12

9

4

0

4

23

27

25

0

36

12-13

8

4

4

8

27

31



37

13-23

9

2

8

10

31

33



38

23-24

6

2

10

12

33

35



39

24-29

2

1

12

13

35

36



40

29-31

0

0

13

13

36

36


25

электрооборудование монтаж сетевой смета

6.     
Расчет сетевой модели графическим способом


Расчёт сетевой модели данным способом также заключается в определении величины критического пути, ранних и поздних сроков свершения событий, а также резервов времени работ и событий.

При расчёте графическим методом расчётные параметры указываются прямо на сетевой модели.

Расчёт параметров сетевой модели ведётся в следующей последовательности:

. Расчёт ранних сроков (РС) свершения событий:

а) частный случай, для исходного события комплекса принимается равным нулю, ;

б) для остальных событий определяется в строгой последовательности по возрастающим номерам событий.

Для определения РС свершения любого последующего события j рассматриваются все работы, входящие в данное событие. По каждой работе определяется ранний срок свершения конечного события как сумма РС свершения начального события и продолжительности каждой работы. Из полученных значений выбирается максимальное время РС свершения j-го события

. Расчёт поздних сроков (ПС) свершения событий:

а) частный случай, для завершающего события

б) для остальных событий ПС определяются в обратной последовательности по убывающим номерам событий. Для определения ПС свершения предыдущего события i рассматриваются все работы, выходящие из указанного события. По каждой работе ведется расчет ПС свершения начального события  как разность между ПС свершения конечного события этой работы  и продолжительностью этой работы .

Из полученных значений выбирается минимальное время ПС свершения i-го события .

3. Продолжительность критического пути:


. Резерв времени события:


. Полный резерв времени работы:


. Свободный резерв времени работы:


Критический путь проходит через события, имеющие нулевые полный и свободный резервы времени работ и нулевой резерв времени событий.

На рисунке 6.1. представлен пример заполнения секторов событий.

Рис. 6.1. Пример заполнения ячеек сетевой модели при графическом способе её расчёта

7.      Оптимизация сетевой модели по времени и трудовым ресурсам


Оптимизация - приведение модели в соответствие с выделенными ресурсами и заданным сроком выполнения. В данной курсовой работе провели оптимизацию по времени и по трудовым ресурсам. Цель оптимизации по времени - сократить продолжительность критического пути, оптимизации по трудовым ресурсам - выровнять загрузку исполнителей и сократить общую численность занятых.

.1 Оптимизация по времени

Оптимизация СМ по времени осуществляется, если продолжительность критического пути больше запланированного (директивного) срока выполнения комплекса работ (Ткрдир) .

Оптимизация сетевого графика по времени проводится следующим способом:

а) путем изменения топологии сетевой модели, т.е. разделением какой-либо работы критического пути на несколько работ, выполняемых параллельно;

б) путем перераспределения трудовых ресурсов, т.е. путем перевода части исполнителей с ненапряженных работ (т.е. имеющих свободный резерв времени) на работы критического пути, выполняемые параллельно с первыми. В результате такого перераспределения продолжительность ненапряженных работ увеличится, а работ критического пути - уменьшится;

Оптимизация по времени выполняется в следующей последовательности.

. Определяется объем работы i-j (Qi-j), с которой предполагается перевести исполнителей на работу критического пути:

Qi-j=Ti-jNi-j,

где Ni-j - количество исполнителей.

2. Определяется необходимое число исполнителей для выполнения работы i-j при условии увеличения ее продолжительности на время свободного. Исходя из условия постоянства трудозатрат (Q = n × t = const), количество исполнителей работы i-j после оптимизации, т.е. меньшая численность исполнителей работы i-j после оптимизации

.

. Определяется число исполнителей, которые могут быть переведены на параллельно выполняемую работу критического пути:

.

4. Определяется объем работы i-j критического пути до оптимизации:

Qi-j кр = Ti-j кр ЧЧ Ni-j кр.

. Определяется продолжительность работы i-j критического пути после оптимизации, т.е. после увеличения численности исполнителей на этой работе:

.

6. Определяется продолжительность критического пути после оптимизации сетевого графика.

Согласно системе планово-предупредительных работ (ППР) каждое предприятие планирует график вывода основного оборудования в ремонт. На основании известного перечня ремонтных работ и их последовательности, используя методы СПУ, можно составить сетевую модель комплекса ремонтных работ, рассчитать сетевую модель и проанализировать возможное использование резервов времени, т.е. предложить мероприятия, направленные на улучшение организации ремонтного обслуживания электрооборудования. В качестве анализируемого комплекса (объема) работ можно рассмотреть, например, полный капитальный ремонт электрооборудования и т.д.

В рамках курсовой работы для оптимизации использовали специальное программное обеспечение - программа OPTIM_PR.

Оптимизация производится путем перевода на работу критического пути части исполнителей с одной или нескольких работ, которые выполняются параллельно с критической работой и имеют свободные резервы времени. При этом необходимо учитывать специализацию исполнителей. Перевод исполнителей возможен только на технологически однородные работы.

Результаты до оптимизации приведены в таблицах: 7.1; 7.2; 7.3; 7.4.

Таблица 7.1 Параметры работ


Таблица 7.2 Параметры событий


Таблица 7.3 Работы критического пути


Длина критического пути, дн = 36.00

Таблица 7.4 Резервы работ


После оптимизации результаты расчетов таковы:

Таблица 7.5 Параметры работ после оптимизации

Таблица 7.6 Параметры событий после оптимизации


Таблица 7.7 Работы критического пути после оптимизации


Таблица 7.8 Резервы работ после оптимизации

В результате оптимизации по времени время критического пути уменьшилось на 6 дней.

.2 Оптимизация по трудовым ресурсам

Оптимизация СМ по трудовым ресурсам осуществляется тогда, когда продолжительность критического пути меньше установленного (директивного) срока. Целью оптимизации является равномерное распределение (загрузка) исполнителей за счет перераспределения во времени работ графика, имеющих свободные резервы времени. Выделяют три способа оптимизации:

а) передвижение в календарном графике некритических (ненапряженных) работ в пределах резервов времени, при условии, что ³ ti-j;

б) увеличение времени выполнения работ меньшим количеством исполнителей, при условии, что < ti-j. Для ненапряженных работ, имеющих свободный резерв, можно увеличить время их выполнения с  до . При этом, исходя из постоянства трудозатрат, новое количество исполнителей уменьшится до величины:

;

в) использование свободного резерва времени последней работы любого пути для всех предыдущих работ этого пути.

Оптимизация СМ по трудовым ресурсам выполняется графически. В масштабе времени необходимо простроить календарный график выполнения работ (линейную диаграмму). На графике работы изображают отрезками прямых, параллельных оси абсцисс. Начало каждого отрезка должно совпадать со временем раннего начала рассматриваемой работы (по расчету). Календарный график необходим, чтобы построить внизу совмещенный по оси ординат график движения исполнителей (эпюру трудовых ресурсов). Построение эпюры осуществляют путем суммирования числа рабочих по вертикали для каждого дня выполнения работ. Ниже представлен пример оптимизации сетевой модели по трудовым ресурсам.

На рисунках 7.1, 7.2 показаны графики, соответственно, до и после оптимизации по трудовым ресурсам. На рисунке 7.3 представлены соответствующие эпюры трудовых ресурсов. В курсовой работе все графики необходимо построить на одном листе, совместив их по оси ординат.

Заключение

В данной курсовой работе для заданной схемы электроснабжения цеха промышленного предприятия выбрали основное электрооборудование, произведены следующие расчеты:

1)   Технико-экономического сравнение вариантов выполнения кабельных линий, из двух предложенных в кабельном канале и в земле. Для дальнейшего расчета был выбран вариант прокладки в земле, т.к. он имеет наименьшие суммарные капиталовложения, чем способ прокладки кабеля в кабельном канале;

2)   Составлена в ценах 1989 г локальная схема на приобретение и монтаж электрооборудования, определена общая сметная стоимость (313468,292 тыс.руб);

3)   Составлена локальная ресурсная ведомость на приобретение и монтаж основного электрооборудования трансформаторных подстанций по ГЭСНм - 2001г.;

4)   Построена сетевая модель комплекса электромонтажных работ, определён критический путь равный 36 дням;

5)   Рассчитана сетевая модель табличным и графическим способами;

6)   Произведена оптимизация данной сетевой модели:

- по времени с помощью программного обеспечения OPTIMA, в результате которого время критического пути составило 30 дней;

по трудовым ресурсам, в результате которого количество человек с 87 уменьшилось до 46 человек.

Список литературы

1. Неклепаев Б.Н. Крючков И.П. Электрическая часть станций и подстанций. Справочные материалы для курсового и дипломного проектирования.- М.: Энергоатомиздат 1989.-610с.

2. Федоров А.А. Старкова Л.Е. Учебное пособие для курсового и дипломного проектирования. - М.: Энергоатомиздат 1987.-368с.

3. Князевский Б.А. Липкин Б.Ю. Электроснабжение промышленных предприятий.- М.: Высш.шк., 1979.- 430с.

4. СНиП IV-6-82. Приложение. Сборник расценок на монтаж оборудования. Сб.8. Электротехнические установки/ Госстрой СССР. - М.: Стройиздат, 1983.-191с.

5. ГЭСНм-2001-08 Государственные Элементные Сметные Нормы Сборник расценок на монтаж электротехнических установок, сборник № 8, 2001 год.


Не нашли материал для своей работы?
Поможем написать уникальную работу
Без плагиата!
Без нейросетей!