Разработка календарного плана строительства объекта
СОДЕРЖАНИЕ
ВВЕДЕНИЕ
. РАЗРАБОТКА КАЛЕНДАРНОГО ПЛАНА СТРОИТЕЛЬСТВА ОБЪЕКТА
1.1 Расчет календарного плана
объекта строительства
.1.1 Подготовительные работы (№1)
.1.2 Земляные работы (№2)
.1.3 Монтаж подземной части (№3)
.1.4 Монтаж надземной части (№4)
.1.5 Устройство крыши и кровли (№5)
.1.6 Монтаж окон (№6)
.1.7 Монтаж перегородок (№7)
.1.8 Отделка фасада (№8)
.1.9 1-ый этап электромонтажных
работ (№9)
.1.10 1-ый этап
санитарно-технических работ (№10)
.1.11 Штукатурные работы (№11)
.1.12 Благоустройство территории
(№12)
.1.13 2-ой этап электромонтажных
работ (№16)
.2 Построение линейного календарного
графика строительства объекта. Построение графика работы исполнителей в первую
смену
.3 Сокращение продолжительности
строительства объекта с привлечением и без привлечения дополнительных
исполнителей работ. Построение линейного календарного графика строительства
объекта. Построение графика работы исполнителей в две смены
.4 Сокращение максимального
количества исполнителей в первую смену. Построение линейного календарного
графика строительства объекта. Построение графика работы исполнителей в две
смены
.5 Оценка трёх вариантов календарных
планов
. ПРОЕКТИРОВАНИЕ ОБЪЕКТНОГО
СТРОЙГЕНПЛАНА
.1 Выбор и размещение монтажного
крана
.2 Проектирование временных дорог
.3 Расчет и размещение приобъектных
складов
.4 Выбор и размещение временных
зданий
.5 Проектирование временного
электроснабжения строительной площадки
.5.1 Расчет количества потребителей
временной электроэнергии и мощности электродвигателей строительных машин,
механизмов и установок строительной площадки
.5.2 Расчет наружного и внутреннего
освещения
.5.3 Расчет прожекторов
.5.4 Расчет отопления
административно-бытовых зданий
.5.5 Выбор трансформаторной
подстанции
.6 Проектирование временного
водоснабжения строительной площадки
.6.1 Определение расчетной
потребности в воде
.6.2 Определение источника
временного водоснабжения
.6.3 Проектирование схемы временного
водоснабжения строительной площадки
.6.4 Определение диаметра временного
водопровода
.7 Оценка стройгенплана
ЗАКЛЮЧЕНИЕ
СПИСОК ИСПОЛЬЗОВАННЫХ ИСТОЧНИКОВ
ВВЕДЕНИЕ
Календарное планирование - разработка календарных планов строительства
объектов или комплексов объектов в составе проектной документации.
Календарный план - документ, в котором содержится описание комплекса
взаимосвязанных работ; и указываются характеристики этих работ: объемы работ в
натуральных показателях, трудозатраты, затраты труда машинистов, количество
исполнителей, количество механизмов, количество смен их работы,
продолжительность работ, сроки выполнения работ, стоимости работ.
Различают календарные планы выполнения комплексного процесса, календарные
планы строительства объектов и комплексов объектов, календарные планы
строительства объектов годовой программы работ подрядной организации,
календарные планы инвестиционного строительного проекта.
Календарные планы рассчитываются для разных уровней управления
строительным производством и на различные периоды управления.
Календарные планы в зависимости от их содержания рассчитываются с точностью
до часа, дня, месяца, квартала или года.
Расчет КП сводится к определению основных характеристик комплекса
взаимосвязанных работ, а оптимизация КП сводится к изменению этих параметров с
целью сокращения продолжительности комплекса работ, более равномерного
использования трудовых, материальных и энергетических ресурсов и для снижения
стоимости производства работ.
На сроки выполнения отдельных видов работ на объектах влияют внешние
ограничения:
§ сроки освобождения исполнителей с других объектов;
§ сроки готовности строительной техники;
§ сроки поставки материалов;
§ сроки финансирования работ;
§ сроки согласования проектно-сметной документации.
На основе календарных планов разрабатываются графики потребления,
хранения и поставок материальных ресурсов.
Календарные планы могут изображаться в графической, аналитической и
текстовой форме, в том числе и одновременно.
Календарный план строительства объекта в виде линейного или сетевого
графика предназначен для определения последовательности и сроков выполнения общестроительных,
специальных и монтажных работ, осуществляемых при возведении объекта. Эти сроки
устанавливают в результате рациональной увязки сроков выполнения отдельных
видов работ, учета состава и количества основных ресурсов, в первую очередь
рабочих бригад и ведущих механизмов, а также специфических условий района
строительства, отдельной площадки и ряда других существенных факторов.
При календарном планировании рассчитывают во времени потребность в
трудовых и материально-технических ресурсах, а также сроки поставок всех видов
оборудования. Эти расчеты можно выполнять как по объекту в целом, так и по
отдельным периодам строительства. На основе КП ведут контроль за ходом работ и
координируют работу исполнителей. Сроки работ, рассчитанные в КП, используют в
качестве отправных в более детальных плановых документах, например, в
недельно-суточных графиках и сменных заданиях.
Порядок разработки календарного плана следующий:
. Составляют перечень (номенклатуру) работ;
. В соответствии с ним по каждому виду работ определяют их объемы;
. Производят выбор методов производства основных работ и ведущих машин;
. Рассчитывают нормативную машиноёмкость и трудоемкость;
. Определяют состав бригад и звеньев;
. Выявляют технологическую последовательность выполнения работ;
. Устанавливают сменность работ;
. Определяют продолжительность отдельных работ и их совмещение между
собой; одновременно по этим данным корректируют число исполнителей и сменность;
. Сопоставляют расчетную продолжительность с нормативной и вводят необходимые
поправки;
. На основе выполненного плана разрабатывают графики потребности в
ресурсах и их обеспечения.
Повсеместно применяется линейный календарный график. На оси ординат этого
графика представляются в технологической последовательности виды работ с их
характеристиками (объем, стоимость, трудоемкость, машиноёмкость, состав
исполнителей), а на оси абсцисс принятые порядковые или календарные единицы
времени в количестве, достаточном для отображения всего периода производства
работ. Непосредственно на сетке календарного графика наносятся горизонтальные
линии, отображающие ход и сроки выполнения каждого вида работ. Под сеткой
календарного графика выписывается потребность в исполнителях и
механовооруженность на каждую единицу времени.
1.
1. РАЗРАБОТКА КАЛЕНДАРНОГО ПЛАНА СТРОИТЕЛЬСТВА ОБЪЕКТА
1.1 Расчет календарного плана объекта строительства
В курсовом проектировании используется несколько методов организации
работ на объекте:
· последовательная организация разнотипных работ на объекте;
· параллельная организация разнотипных работ на объекте;
· поточная организация работ;
1) Рассчитаем максимально возможную продолжительность в днях:
2) Рассчитаем минимально возможную планируемую продолжительность в
днях:
3) Определяем нормативную продолжительность основного периода в
днях:
1.1.1
1.1.1 Подготовительные работы (№1)
Определяем продолжительность подготовительных работ, приняв резерв
времени 15% от заданной продолжительности подготовительных работ на
строительстве объекта (2 месяца).
Переводим продолжительность подготовительных работ на строительстве
объекта из размерности в месяцах, в размерность в днях. Время подготовительных
работ:
Определяем
количество рабочих на подготовительных работах R1:
-
трудоёмкость подготовительных работ, чел.-дн., по заданию;
К11
- коэффициент выполнения норм времени, по заданию;
Максимально
возможное число рабочих в одну смену 16 человек, поэтому принимаем
,
Уточняем
продолжительность подготовительных работ на строительстве объекта:
Определяем
среднее количество исполнителей на период основных работ:
1.1.2 Земляные работы (№2)
Рассчитываем продолжительность работы земляных работ для первого этапа
поточной организации работ:
Рассчитываем
необходимое количество механизмов и необходимое количество времени их работы:
М2
- машиноёмкость земляных работ, маш.-см., по заданию;
=0,90 -
коэффициент выполнения норм времени машины, по заданию;
=0,95 -
коэффициент использования рабочего времени машины, по заданию;
Принимаем
m1см2=2 механизма, m2см2=1 механизм.
Уточняем
продолжительность земляных работ на строительстве объекта:
t2=tm2=27
дней
Рассчитываем
количество рабочих на земляных работах R2:
-
трудоёмкость земляных работ, чел.-дн., по заданию;
-
коэффициент выполнения норм времени, по заданию;
Принимаем
,
Рассчитываем
количество машинистов:
человека
=1 - количество машинистов в
одну смену с одним ведущим механизмом для земляных работ;
Рассчитываем
продолжительность работы на фронтах работ:
Продолжительность работ на 1
секции:
Продолжительность работ на 2
секции:
Продолжительность работ на 3
секции:
Продолжительность работ на 4
секции:
1.1.3 Монтаж подземной части (№3)
tm3= t2=24 дней;
Рассчитываем необходимое количество механизмов и необходимое количество
времени их работы:
М3
- машиноёмкость монтажа подземной части, маш.-см., по заданию;
К32=1,0
- коэффициент выполнения норм времени машины, по заданию;
К3=0,85
- коэффициент использования рабочего времени машины, по заданию;
Принимаем
m1см3=2механизма, m2см3=2 механизма.
Уточняем
продолжительность монтажа подземной части на строительстве объекта:
=
tm3= 25 дней;
Рассчитываем
количество рабочих на монтаже подземной части R3:
-
трудоёмкость монтажа подземной части, чел.-дн., по заданию;
К31
- коэффициент выполнения норм времени, по заданию;
Принимаем
,
Рассчитываем
количество машинистов:
человека
=1 - количество машинистов в
одну смену с одним ведущим механизмом для монтажа подземной части;
Рассчитываем
продолжительность работы на фронтах работ:,j - машиноёмкость работ для i секции
на j виде работ, маш.-см., по заданию;
τi,j - продолжительность работ на i секции на j виде
работ;
Продолжительность работ на 1
секции:
Продолжительность работ на 2
секции:
Продолжительность работ на 3
секции:
Продолжительность работ на 4
секции:
1.1.4 Монтаж надземной части (№4)
Рассчитываем продолжительность монтажа надземной части:
Рассчитываем
необходимое количество механизмов и необходимое количество времени их работы:
М4
- машиноёмкость монтажа подземной части, маш.-см., по заданию;
К42
= 0,95 - коэффициент выполнения норм времени машины, по заданию;
К43
= 0,9 - коэффициент использования рабочего времени машины, по заданию;
Принимаем,
исходя из ограничения на максимальное количество механизмов в смену (для
монтажа надземной части 1 механизм) m4=1, s4=2.
Уточняем
продолжительность монтажа надземной части на строительстве объекта:
дня
=
tm4 = 122 дня;
Рассчитываем
количество рабочих на монтаже надземной части R4:
-
трудоёмкость монтажа надземной части, чел.-дн., по заданию;
К41
- коэффициент выполнения норм времени, по заданию;
Принимаем
,
,
учитывая ограничения на минимальное число людей в смену.
Рассчитываем
количество машинистов:
человека
=2 - количество машинистов в
одну смену с одним ведущим механизмом для монтажа подземной части;
Рассчитываем
продолжительность работы на фронтах работ:,j - машиноёмкость работ для i секции
на j виде работ, маш.-см., по заданию;
τi,j
- продолжительность работ на i секции на
j виде работ;
Для первого этажа:
Продолжительность работ на 1
секции:
Продолжительность работ на 2
секции:
Продолжительность работ на 3
секции:
Продолжительность работ на 4
секции:
Для второго и третьего
этажа:
Для четвертого этажа:
Продолжительность работ на 1
секции:
Продолжительность работ на 2
секции:
Продолжительность работ на 3
секции:
Продолжительность работ на 4
секции:
1.1.5 Устройство крыши и кровли (№5)
Рассчитываем количество рабочих на устройстве крыши и кровли R5:
-
трудоёмкость устройства крыши и кровли, чел.-дн., по заданию;
К15
- коэффициент выполнения норм времени, по заданию;
Принимаем
,
Рассчитываем
продолжительность работы на фронтах работ:,j - трудоёмкость работ для i секции
на j виде работ, маш.-см., по заданию;
τi,j - продолжительность работ на i секции на j виде работ;
Продолжительность
работ на 1 секции:
Продолжительность
работ на 2 секции:
Продолжительность
работ на 3 секции:
Продолжительность
работ на 4 секции:
1.1.6 Монтаж окон (№6)
Рассчитываем количество рабочих на монтаже окон R6:
-
трудоёмкость монтажа окон, чел.-дн., по заданию;
К16
- коэффициент выполнения норм времени, по заданию;
Принимаем
,
Рассчитываем
продолжительность работы на фронтах работ:,j - трудоёмкость работ для i секции
на j виде работ, маш.-см., по заданию;
τi,j - продолжительность работ на i секции на j виде работ;
Продолжительность
работ на 1 секции:
Продолжительность
работ на 2 секции:
Продолжительность
работ на 3 секции:
Продолжительность
работ на 4 секции:
1.1.7 Монтаж перегородок (№7)
Рассчитываем количество рабочих на монтаже перегородок R7:
-
трудоёмкость отделки фасада, чел.-дн., по заданию;
К18
- коэффициент выполнения норм времени, по заданию;
Принимаем
,
Рассчитываем
продолжительность работы на фронтах работ:,j - трудоёмкость работ для i секции
на j виде работ, маш.-см., по заданию;
τi,j - продолжительность работ на i секции на j виде работ;
Продолжительность
работ на 1 секции:
Продолжительность
работ на 2 секции:
Продолжительность
работ на 3 секции:
Продолжительность
работ на 4 секции:
1.1.8 Отделка фасада (№8)
Рассчитываем количество рабочих на отделке фасада R8:
-
трудоёмкость отделки фасада, чел.-дн., по заданию;
К18
- коэффициент выполнения норм времени, по заданию;
Принимаем
,
Уточняем
продолжительность отделки фасада на строительстве объекта:
1.1.9 1-ый этап электромонтажных работ (№9)
Рассчитываем количество рабочих на 1 этапе электромонтажных работ R9:
-
трудоёмкость 1 этапа электромонтажных работ, чел.-дн., по заданию;
К9
- коэффициент выполнения норм времени, по заданию;
Принимаем
,
Рассчитываем
продолжительность работы на фронтах работ:,j - трудоёмкость работ для i секции
на j виде работ, маш.-см., по заданию;
τi,j - продолжительность работ на i секции на j виде работ;
Продолжительность
работ на 1 секции:
Продолжительность
работ на 2 секции:
Продолжительность
работ на 3 секции:
Продолжительность
работ на 4 секции:
1.1.10 1-ый этап санитарно-технических работ (№10)
Рассчитываем количество рабочих на 1 этапе санитарно-технических работ
R10:
-
трудоёмкость 1 этапа санитарно-технических работ, чел.-дн., по заданию;
К110
- коэффициент выполнения норм времени, по заданию;
Принимаем
,
Рассчитываем
продолжительность работы на фронтах работ:,j - трудоёмкость работ для i секции
на j виде работ, маш.-см., по заданию;
τi,j - продолжительность работ на i секции на j виде работ;
Продолжительность
работ на 1 секции:
Продолжительность
работ на 2 секции:
Продолжительность
работ на 3 секции:
Продолжительность
работ на 4 секции:
1.1.11 Штукатурные работы (№11)
Рассчитываем количество рабочих на штукатурных работ R11:
-
трудоёмкость штукатурных работ, чел.-дн., по заданию;
К111
- коэффициент выполнения норм времени, по заданию;
Принимаем
,
Рассчитываем
продолжительность работы на фронтах работ:,j - трудоёмкость работ для i секции
на j виде работ, маш.-см., по заданию;
τi,j - продолжительность работ на i секции на j виде работ;
Продолжительность
работ на 1 секции:
Продолжительность
работ на 2 секции:
Продолжительность
работ на 3 секции:
Продолжительность
работ на 4 секции:
1.1.12 Благоустройство территории (№12)
Рассчитываем количество рабочих на благоустройстве R12:
-
трудоёмкость благоустройстве, чел.-дн., по заданию;
К112
- коэффициент выполнения норм времени, по заданию;
Принимаем
,
Уточняем
продолжительность благоустройства на строительстве объекта:
1.1.13 1-ый этап устройства полов (№13)
Рассчитываем количество рабочих на 1 этапе устройства полов R13:
-
трудоёмкость 1 этапа устройства полов, чел.-дн., по заданию;
К113
- коэффициент выполнения норм времени, по заданию;
Принимаем
,
Рассчитываем
продолжительность работы на фронтах работ:,j - трудоёмкость работ для i секции
на j виде работ, маш.-см., по заданию;
τi,j - продолжительность работ на i секции на j виде работ;
Продолжительность
работ на 1 секции:
Продолжительность
работ на 2 секции:
Продолжительность
работ на 3 секции:
Продолжительность
работ на 4 секции:
1.1.14 Малярные работы (№14)
Рассчитываем количество рабочих на малярных работах R14:
-
трудоёмкость малярных работ, чел.-дн., по заданию;
К114
- коэффициент выполнения норм времени, по заданию;
Принимаем
,
Рассчитываем
продолжительность работы на фронтах работ:,j - трудоёмкость работ для i секции
на j виде работ, маш.-см., по заданию;
τi,j - продолжительность работ на i секции на j виде работ;
Продолжительность
работ на 1 секции:
Продолжительность
работ на 2 секции:
Продолжительность
работ на 3 секции:
Продолжительность
работ на 4 секции:
1.1.15 2-ой этап санитарно-технических работ (№15)
Рассчитываем количество рабочих на 2 этапе санитарно-технических работ
R14:
-
трудоёмкость 2 этапа санитарно-технических работ, чел.-дн., по заданию;
К115
- коэффициент выполнения норм времени, по заданию;
Принимаем
,
Рассчитываем
продолжительность работы на фронтах работ:,j - трудоёмкость работ для i секции
на j виде работ, маш.-см., по заданию;
τi,j - продолжительность работ на i секции на j виде работ;
Продолжительность
работ на 1 секции:
Продолжительность
работ на 2 секции:
Продолжительность
работ на 3 секции:

1.1.16 2-ой этап электромонтажных работ (№16)
Рассчитываем количество рабочих на 2 этапе электромонтажных работ R16:
-
трудоёмкость 2 этапа электромонтажных работ, чел.-дн., по заданию;
К165
- коэффициент выполнения норм времени, по заданию;
Принимаем
,
Рассчитываем
продолжительность работы на фронтах работ:,j - трудоёмкость работ для i секции
на j виде работ, маш.-см., по заданию;
τi,j - продолжительность работ на i секции на j виде работ;
Продолжительность
работ на 1 секции:
Продолжительность
работ на 2 секции:
Продолжительность
работ на 3 секции:
Продолжительность
работ на 4 секции:
1.1.17 2-ой этап устройства полов (№17)
Рассчитываем количество рабочих на 2 этапе устройства полов R16:
-
трудоёмкость 2 этапа устройства полов, чел.-дн., по заданию;
К117
- коэффициент выполнения норм времени, по заданию;
Принимаем
,
Рассчитываем
продолжительность работы на фронтах работ:,j - трудоёмкость работ для i секции
на j виде работ, маш.-см., по заданию;
τi,j - продолжительность работ на i секции на j виде работ;
Продолжительность
работ на 1 секции:
Продолжительность
работ на 2 секции:
Продолжительность
работ на 3 секции:
Продолжительность
работ на 4 секции:
1.2 Построение линейного календарного графика строительства
объекта. Построение графика работы исполнителей в первую смену
Рисунок 1 - Предварительный линейный график строительства объекта
Рисунок 2 - Организационно-технологическая модель строительства объекта
Неоптимизированный линейный график производства работ находится в
приложении 1.
1.3 Сокращение продолжительности строительства объекта с привлечением
и без привлечения дополнительных исполнителей работ. Построение линейного
календарного графика строительства объекта. Построение графика работы
исполнителей в две смены
Корректировка по критерию "ресурсы" - сложная задача из-за
большой номенклатуры учитываемых ресурсов. Календарный план чаще всего
корректируют по исполнителям, а затем по другим ресурсам.
Оптимизация календарного плана по исполнителям обычно обеспечивает
постоянный состав ведущих бригад и непрерывность их работы; равномерное распределение
рабочих по всему периоду строительства объекта или комплекса объектов,
минимизацию количества рабочих в наиболее многочисленную первую смену.
Методы оптимизации календарного плана по исполнителям сводятся к
планированию выполнения работ в более поздние сроки в пределах резерва времени
работ, к увеличению продолжительности работы в пределах тех же резервов времени
с одновременным уменьшением числа рабочих, переводу части исполнителей из
первой смены во вторую.
) Уменьшение исполнителей на работах:
§ уменьшение числа рабочих на отделке фасада. В первую смену
количество рабочих 8 человек, во 2 смену 7 человек;
2) Изменение сроков выполнения работ:
§ перенос на 5 дней работ: ШР, УП1, МР, С2, ЭР2, УП2;
§ перенос благоустройства на 8 дней.
) Перевод исполнителей из первой смены во вторую с учётом
ограничения на минимальное и максимальное количество исполнителей в смену:
§ перевод исполнителей на подготовительных работах до начала ЗР. В первую
смену количество рабочих 16 человек, во вторую - 5 человек;
§ перевод исполнителей на монтаже перегородок в 182-184 дни, в первую смену
10 человек, во вторую - 4 человека;
§ перевод исполнителей на 1 первом этапе устройства полов в 225-228 дни, в
первую смену 0 человек, во вторую - 7 человек.
Вывод: продолжительность строительства объекта после оптимизации по
использованию рабочих увеличилась на 5 дней.
Оптимизированный график работ находится в приложении 2.
строительный планирование календарный площадка
2.
2. ПРОЕКТИРОВАНИЕ ОБЪЕКТНОГО СТРОЙГЕНПЛАНА
Строительный генеральный план разрабатывается в составе проекта
организации строительства.
Строительный генеральный план составляется отдельно для подготовительного
и основного периодов строительства, с указанием расположения строящихся зданий
и сооружений, участков для размещения временных инвентарных зданий и
сооружений, постоянных и временных железных и автомобильных дорог, основных
инженерных коммуникаций, складов, монтажных кранов, объектов производственной
базы (с выделением объектов, сооружаемых в подготовительный период), а также
существующих и подлежащих сносу строений.
Пояснительная записка к стройгенплану содержит: обоснование потребности в
основных строительных машинах; обоснование потребности в транспортных
средствах, погрузочно-разгрузочных машинах, складском хозяйстве; расчеты
потребности в электроэнергии, воде, паре, сжатом воздухе, а также в инвентарных
зданиях и временных сооружениях для производства строительно-монтажных работ;
мероприятия по охране труда и окружающей природной среды; основные технико-экономические
показатели стройгенплана.
Строительный генеральный план разрабатываются и в составе проекта
производства работ на возведение объекта в целом и на его составные части.
Строительный генеральный план разрабатывается в части, необходимой для
производства работ на объекте. На плане указывается расположение постоянных и
временных транспортных путей, сетей водоснабжения, канализации,
электроснабжения, теплоснабжения, административно-хозяйственной и диспетчерской
связи, монтажных кранов, складов, временных инвентарных зданий, сооружений и
устройств, используемых для обеспечения строительства.
2.1
2.1 Выбор и размещение монтажного крана
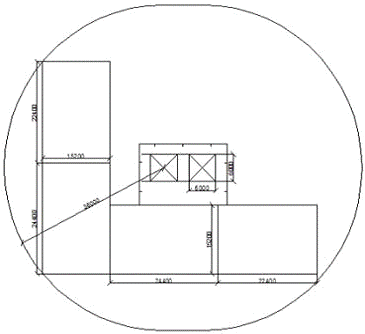
Исходные данные: схема здания и варианты расположения крана.
Рисунок 3 - Исходная схема здания
Схема расчёта высоты подъёма крана:
Рисунок 4 - Схема расчета высоты подъема крана
Подбор крана производится по трем основным параметрам: грузоподъемности,
вылету и высоте подъема.
1. Грузоподъёмность
Ммах
- вес наиболее тяжёлого элемента (вес плиты перекрытия размерами 6х3 - 3,6 т.);
Мгр.пр.
- вес грузового приспособления (вес четырёхветвевого стропа - 0,3 т.);
2. Вылет стрелы
По РД-11-06-2007 для кранов с поворотной башней и числом секций в башне
более двух, расстояния между выступающими частями передвигающегося по наземным
рельсовым путям крана (его поворотной или другой наиболее выступающей частью) и
внешним ближайшим контуром здания (сооружения), включая его выступающие части (козырьки,
карнизы, пилястры, балконы и т.п.) или временные строительные приспособления,
находящиеся на здании или у здания (строительные леса, выносные площадки,
защитные козырьки и т.п.), а также строениями, штабелями грузов и другими
предметами, принимаются не менее 800 мм по всей высоте ввиду возможного
отклонения башни от вертикали.
Задаёмся радиусом поворота крана R = 3,6 м., и получаем привязку
центральной оси путей крана до стены, строящегося объекта 3,6 + 0,8 = 4,4 м.
Рассчитаем требуемый вылет стрелы крана для переноса наиболее удалённого
элемента:
Высота подъёма крюка крана:
Для выбора крана используем технические характеристики кранов третей и
четвёртой размерной группы:
Таблица 1. Технические характеристики башенных кранов
|
Характеристика
|
КБ-403Б.4
|
КБ-404.4
|
КБ-404М
|
|
Грузоподъёмность
|
Максимальная
|
8
|
9
|
9
|
|
При максимальном вылете стрелы
|
4
|
5
|
5
|
|
Вылет стрелы
|
Максимальный
|
35
|
37
|
37
|
|
При максимальной грузоподъёмности
|
16
|
17
|
17
|
|
Высота подъёма крюка
|
При максимальной грузоподъёмности
|
35,4
|
32,2
|
35,4
|
|
Максимальная
|
35,4
|
35,2
|
35,4
|
|
Задние габариты
|
3,8
|
3,8
|
3,8
|
|
База
|
6х6
|
6х6
|
6х6
|
|
Колея
|
6х6
|
6х6
|
6х6
|
|
Установленная мощность электродвигателя
|
116
|
58
|
58
|
Принимаем кран КБ 403Б.4 и получаем привязку от центральной оси путей
крана до стены, строящегося объекта 3,8+0,8=4,6 м.
Продольная привязка подкрановых путей:
Рассчитываем длину подкрановых путей:
кр
- расстояние между крайними стоянками крана, принимаем по чертежу 10,868 м.кр
- база крана (по техническим характеристикам крана 6 м.);торм - длина
тормозного пути, принимаем минимально возможную длину - 1,5 м.;туп 0,5-
расстояние от конца рельсов до тупика;
Рассчитываем количество звеньев, учитывая, что расстояние между звеньями
равно 6,25 м.
Резерв
подкрановых путей
При
работе грузоподъемных машин выделяются зона обслуживания грузоподъемной машины,
опасная зона, возникающая от перемещаемых грузоподъемной машиной грузов, а
также опасная зона, возникающая от перемещения подвижных рабочих органов самой
грузоподъемной машины.
Ширина
опасной зоны работы крана определяется согласно таблице 3 РД 11-06-2007
|
Высота возможного падения груза, м.
|
Минимальное расстояние отлёта груза, м.
|
|
перемещаемого краном
|
падающего со здания
|
|
До 10 м.
|
4
|
3,5
|
|
До 20 м.
|
7
|
5
|
|
До 70 м.
|
10
|
7
|
Расчёт осуществляем методам интерполяции исходя из максимально возможной
высоты падения груза 27,4 м.
Определяем минимально возможное расстояние отлёта перемещаемого груза:
Границы
опасных зон в местах, над которыми происходит перемещение грузов
грузоподъемными машинами, а также вблизи строящегося здания, принимаются от
крайней точки горизонтальной проекции наружного наименьшего габарита
перемещаемого груза или стены здания с прибавлением наибольшего габаритного
размера перемещаемого (падающего) груза и минимального расстояния отлета груза
при его падении
Определяем
опасную зону крана:
Определяем
минимально возможное расстояние падения элемента со здания:
Определяем
размеры монтажной зоны:
Монтажная
зона - пространство, в пределах которого возможно падение груза при остановке и
закреплении элементов: Х+ мах габарит элемента=5,1+6=11,1 м.
Рабочая
зона крана - пространство, находящееся в пределах линии описываемой крюком
крана. Границы зоны определены радиусом, равным максимальному вылету стрелы 35
м.
Рисунок 5 - Строительная площадка в зоне крана
2.2 Проектирование временных дорог
Внутрипостроечные дороги на строительной площадке должны обеспечивать
бесперебойную работу складов и механизированных установок. На строительном
генеральном плане производится уточнение общих решений по устройству подъездных
путей, принятых на строительном генеральном плане в составе проекта организации
строительства.
При проектировании временных внутрипостроечных дорог ширина проезжей
части, и количество полос движения определяются в зависимости от типа
автомобилей и категории дорог и принимаются при движении транспорта в одном
направлении 3,5 и в двух - 6 м. Ширина проходов принимается для людей без груза
1 м и с грузом - 2 м.
Для внутрипостроечных нужд в первую очередь следует использовать
проектируемые постоянные дороги. Постоянные дороги рассчитываются на возможную
интенсивность пропуска строительного транспорта, и в необходимых случаях
предусматривается их усиление. Верхний асфальтовый слой укладывается только
после окончания основных строительных работ, как правило, в период
благоустройства территории в соответствии с решениями ППР. В случае
использования временных автодорог строительство внутриквартальных постоянных
дорог, а также отметок, площадок и пешеходных дорожек к зданиям с выходами на
городские магистрали должны заканчиваться за 5 дней до сдачи объекта в
эксплуатацию.
Ширина полосы движения и проезжей части дорог составляет до 2,7 м. При
применении автомашин шириной до 3,4 м (МАЗ-525, МАЗ-530) ширина проезжей части
увеличивается соответственно до 4 и 8 м. Основные характеристики дорог
приведены в табл. 25.
Таблица 25. Основные характеристики дорог
|
Параметр
|
Показатели для числа полос движения, м.
|
|
1
|
2
|
|
Ширина полосы движения
|
3,5
|
3
|
|
Ширина проезжей части
|
3,5
|
6
|
|
Ширина земляного полотна
|
6
|
8,5
|
|
Наименьший радиус кривых в плане
|
12 - 18
|
12 - 18
|
В зонах разгрузки материалов и конструкций, на дорогах с односторонним
движением устраиваются через каждые 100 м площадки шириной 3-6 м и длиной 8-18
м. В местах пересечения с железной дорогой, ширина проезжей части автодороги
должна быть не менее 4,5 м и иметь в обе стороны на расстоянии 25 м твердое
покрытие.
Временные автодороги могут быть нескольких типов - естественные грунтовые
профилированные или с улучшенным покрытием минеральными материалами; переходные
с твердым покрытием (гравийные, щебеночные, шлаковые); усовершенствованные (из
сборных инвентарных железобетонных плит, деревянных щитов, стальных плит). В
курсовом проектировании применяем автодороги из железобетонных плит. Выбор типа
и конструкции, временных дорог осуществляется в зависимости от типа автотранспортных
средств и грузонапряженности.
Сеть внутрипостроечных дорог должна быть закольцованной. В зонах действия
монтажных кранов дороги следует устраивать с соблюдением требований
строительных норм по технике безопасности и с установкой шлагбаумов и
предупредительных надписей на въездах в опасные и монтажные зоны.
При размещении дорог и проездов необходимо, чтобы расстояние до любого
здания или сооружения от дорог и проездов не превышало 25 м.
При трассировке дорог должны, соблюдены минимальные расстояния, м:
между дорогой и складской площадкой - 0,5...1,0;
между дорогой и подкрановыми путями - 6,5...12,5;
между дорогой и забором, ограждающим строительную площадку, - не менее
1,5;
между существующим домом и опасной зоной работы крана - 1,5...2 (если
условие не соблюдается, следует ограничить работу крана в этом направлении
путем предупреждающих знаков).
В качестве пешеходных трасс и переходов используются постоянные и
временные тротуары и переходы. Ширина временных тротуаров и переходов
принимается 1-2 м. Тип и конструкция временных тротуаров выбираются исходя из
грунтовых и гидрогеологических условий территории, интенсивности движения и
продолжительности эксплуатации. Наиболее целесообразным являются тротуары из
сборных инвентарных бетонных (30ґ30ґ6, 40ґ40ґ6 см) и железобетонных
(320ґ160ґ12, 300ґ160ґ12, 75ґ75ґ6 см) плит. Переходы через траншеи и канавы
выполняются с применением инвентарных мостиков с ограждением (ширина 0,8 - 1 м,
длина 3 м, масса 100 - 150 кг).
2.3 Расчет и размещение приобъектных складов