Задачі проектування систем автоматичного керування

  • Вид работы:
    Курсовая работа (т)
  • Предмет:
    Физика
  • Язык:
    Украинский
    ,
    Формат файла:
    MS Word
    1,5 Мб
  • Опубликовано:
    2014-05-01
Вы можете узнать стоимость помощи в написании студенческой работы.
Помощь в написании работы, которую точно примут!

Задачі проектування систем автоматичного керування

Реферат

Пояснювальна записка до курсового проекту містить 44 сторінок, 25 рисунків, 1 таблиці, 4 джерела.

Об’єктом розробки є система підпорядкованого тиристорного електроприводу постійного струму з двигуном незалежного збудження.

Мета курсового проекту - розв’язання комплексних задач проектування систем автоматичного керування, що задовольняє заданим технологічним вимогам.

Метод дослідження - аналітичний розрахунок і вибір обладнання, математичне моделювання за допомогою сучасних прикладних програм.

Внаслідок роботи була спроектована система двозонного регулювання швидкості з керуванням по колам якоря та збудження. Був обраний комплексний тиристорний електропривод системи КТЕУ з силовим обладнанням. За допомогою пакету MATLAB та його придатку Simulink були отриманні перехідні процеси у системі, проведений аналіз статичних і динамічних показників якості. Розроблена повна принципова схема об’єкту та схема з’єднання комірок.

ТИСТОРНИЙ ЕЛЕКТРОПРИВОД, ДВИГУН, СТРУМ, ШВИДКІСТЬ, ЗБУДЖЕННЯ, КОНТУР, ПРЕДАВАЛЬНА ФУНКЦІЯ, СТАЛА ЧАСУ

Умовні позначення та скорочення

Вступ

1. Вихідні дані та функціональна схема

1.1 Вихідні дані

.2 Функціональна схема електроприводу

. Вибір тиристорного електроприводу

. Визначення параметрів об’єкта регулювання

.1 Розрахунок активного опору якоря двигуна

.2 Розрахунок індуктивності якірного кола

.3 Визначення електромеханічної сталої часу

. Синтез двозонної залежної системи регулювання швидкості

.1 Розрахунок контуру регулювання струму якоря

.2 Розрахунок контуру регулювання струму збудження

.3 Розрахунок контуру регулювання швидкості

.4 Розрахунок контуру регулювання ЕРС

5. Реалізація регуляторів

.1 Реалізація регулятора струму якоря

.2 Реалізація регулятора струму збудження

.3 Реалізація регулятора швидкості

.4 Реалізація регулятора ЕРС

6. Реалізація давачів

6.1 Реалізація давачів струму і напруги

6.2 Реалізація блоку виділення модулю

7. Реалізація задавача інтенсивності

.1 Розрахунок задавача інтенсивності

.2 Реалізація задавача інтенсивності

. Моделювання системи керування

Висновок

Перелік посилань

Умовні скорочення та позначення

тиристорний електропривод опір двигун

ЕРС - електрорушійна сила;

ДС - давач струму;

ЗІ - задавач інтенсивності;

КРС - контур регулювання струму;

КРШ - контур регулювання швидкості;

РС - регулятор струму;

РШ - регулятор швидкості;з.т - напруга задавання струму;з.с - напруга задавання швидкості;з - струм збудження;

Ін - номінальний струм;

М - двигун постійного струму;

ОЗ - обмотка збудження;

РЕ - регулятор ЕРС;

Рн - номінальна потужність;

СІФК - система імпульсно-фазового керування;

СК - система керування;

ТГ - тахогенератор;

Тдс - інерційність ДС;

Тп - інерційність ТП;

Тс - стала часу інтегрування розімкненого КРС;

Тш - стала часу інтегрування розімкненого КРШ;

РП - регулятор положення;

ДПР - давач положення ротора.

Вступ

Для сучасного промислового виробництва характерно широке впровадження автоматизованого електроприводу - основи механізації й автоматизації технологічного процесу. Удосконалювання систем автоматизованого електроприводу з використанням новітніх досліджень науки і техніки є однією з неодмінних при вирішенні задач усілякого підвищення ефективності виробництва, прискорення продуктивності праці і поліпшення якості продукції, що випускається.

Можна вказати на наступні основні причини, що обумовлюють необхідність використання регульованих електроприводів для промислових установок: підвищення експлуатаційного ККД агрегату; поліпшення якості продукції регулюванням і автоматизацією технологічного процесу; перехід від часткової до комплексної чи повної автоматизації виробничих процесів і.т.д.

Електроприводи з двозонними системами застосовуються в тих випадках, коли технологічний агрегат складається з кількох однотипних механізмів, швидкості виконавчих органів змінюються одночасно, з зберіганням між ними визначених співвідношень; ці співвідношення можуть змінюватися у відносно невеликих межах при налаштуванні технологічного агрегату. Такі системи дуже поширені у металургійному виробництві.

1. Вихідні дані та функціональна схема електроприводу

1.1     Вихідні дані

Таблиця 1.1 - Вихідні данні для проектування систем регулювання швидкості

Тип системи керування

Управління по колу

Двигун

Кількість двигунів



Тип

Рн, кВт

Uн, В

nн, об/хв



Двозонна

Якоря і збудження

П 133-4К

125

440

400

1

1:8 1:3


Статична похибка при Wmin і Мсн

Струм упора

Умова розгону

Момент інерції механізму



Момент статичний

Струм якоря двигуна


∆W%

Iуп/Iн

Мсн

Iя/Iн

Jн/Jдв.

10%

2.5

1

2

1.5


По зазначеним у завданні типу двигуна, його номінальним значенням: потужності Рн , напрузі на якорі Uн , швидкості обертання вала nн з довідників [1] - [2].

Номінальна потужність: Рн=125 кВт.

Номінальна напруга: Uн=440 В.

Номінальний струм якоря: Iян=313 А.

Номінальна частота обертання: nн=400 об/хв.

Маховий момент якоря: GD2=86 кг∙м2.

Число полюсів: 2∙p=4.

Номінальна напруга збудження: Uзн=220 В.

Опір обмотки збудження: Rз=16.3 Ом.

Число витків обмотки збудження: wз=677.

Опір обмотки якоря: Rо.я=0.0279 Ом.

Кількість витків обмотки якоря на полюс: Wо.я=135.

Опір обмотки додаткових полюсів: Rк=0.0127 Ом.

Число витків компенсаційної обмотки: Wк=12.

Опір обмотки додаткових полюсів: Rд.п=0.00535 Ом.

Число витків обмотки: додаткових полюсів Wдп=10.

1.2     Функціональна схема електроприводу

Функціональна схема ЕП двозонного типу приведена на рисунку 1.1

На систему керування подаються два задаючих сигнали Uз.ω та Uз.е . Вони подаються, наприклад, з движків потенціометрів, але можуть подаватися із інших джерел. Напруга Uз.е з сигналом задавання ЕРС двигуна та протягом усього часу роботи залишається незмінною. Напруга Uз.ω є сигналом задавання швидкості, причому вона може бути будь-якої полярності, залежно від напрямку обертання. Ця напруга зазвичай подається на задавач інтенсивності, що забезпечує темп зміни швидкості.

У початковому стані системи, коли двигун нерухомий і його ЕРС дорівнює нулю, регулятор ЕРС насичен сигналом завдання Uз.е . Величина вихідної напруги РЕ є сигналом завдання струму збудження , у цьому режимі визначається настройкою блока обмеження БО2 і забезпечується номінальний потік збудження двигуна. У період розгону до номінальної швидкості дійсне значення ЕРС менше заданого, тому на вході регулятора ЕРС має місце позитивний сигнал, що дорівнює різниці сигналів завдання Uз.е та сигналу зворотнього зв’язку по ЕРС. Завдяки присутності у передавальній функції РЕ інтегральної складової, це забезпечує підтримування РЕ у стані насичення, відповідному номінальному магнітному потоку. Таким чином, до тих пір, доки швидкість двигуна нижче номінальної, поле двигуна незмінне.

Якщо сигнал завдання Uз.ω підвищується, то швидкість перевищує номінальне значення, дійсне значення ЕРС стає вище заданого, на вхід РЕ поступає негативний сигнал, регулятор виходе з насичення, що призводить до зменшення його вихідної напруги та як наслідок, послаблення магнітного потоку.

Таким чином, процес послаблення потоку діє внаслідок перевищення ЕРС заданого значення, або іншими словами, за рахунок перерегулювання у кривої ЕРС.

Рисунок 1.1 − Функціональна схема електроприводу.

2. Вибір тиристорного електроприводу

Основними технічними даними комплектних тиристорних електроприводів є номінальний струм Іном і номінальна напруга Uн .

Номінальний струм електроприводу обирається за струмом ТП і може бути більше номінального струму двигуна. Номінальна напруга ЕП визначається номінальною напругою електродвигуна.

Виходячи з цього за початковими даними двигуна Uн=440 В, Ін=313 А обираємо систему КТЕУ потужністю 200 - 2000 кВт.

КТЕУ - 400/440 -13223 - УХЛ4

До складу тиристорного ЕП входять електропривод постійного струму з тахогенератором, ТП для живлення якоря двигуна і ТП для живлення обмотки збудження, силовий трансформатор, комутаційна та захисна апаратура (рисунок 2.1).

Для даної системи використовуємо трансформатор ТСЗП - 250/0,7УЗ

Мережева обмотка:

Потужність Р=235 кВ·А.

Напруга U=380 В.

Вентильна обмотка:

Напруга U=416 В.

Струм І=326 А.

Перетворювач:

Напруга U=460 В.

Струм І=400 А.

Втрати:

Холостого ходу ΔРхх=915 Вт.

Напруга короткого замикання Uк %=4.7 %.

Струм холостого ходу Іхх=3.4 %.

Також відповідно даним обмотки збудження (Iзн=Uзн/Rз=220/13.5=16.3 А) обираємо силовий трансформатор TV2 для живлення ТП обмотки збудження з довідника [2] ТСП -10/0.7- ХЛ4

Мережева обмотка: Потужність Р=7.3 кВ·А.

Напруга U=380 В.

Вентильна обмотка: Напруга U=205 В.

Струм І=20.5 А.

Перетворювач: Напруга U=230 В.

Струм І=25 А.

Втрати: Холостого ходу ΔРхх=130 Вт.

Короткого замикання ΔРкз=320 Вт.

Напруга короткого замикання Uк %=4.7 %.

Струм холостого ходу Іхх=16 %.

Рисунок 2.1 - Силова частина електроприводу серії КТЭУ при Iн=400 А.

3. Визначення параметрів об’єкта регулювання

.1 Розрахунок активного опору якоря двигуна

Активний опір якірного кола:

ят∙( Rоя15+ Rдп15+ Rк15)=1.24·(0.0279+0.00535+0.0127)=0.057 Ом.

де Rя15 - опір обмотки якоря при 150С (Rя15= Rоя15+ Rдп15+ Rк15);

βm=1.24 - коефіцієнт, який враховує зміну опору під впливом температури.

Активний опір фази трансформатору:


Фіктивний опір, визваний комутацією тиристорів:


Максимальна ЕРС перетворювача:


тоді


Активний опір шин та вимірювальних шунтів:

ш=0.1· RЯ=0.1·0.057=0.0057 Ом.

Повний активний опір якірного кола:

ЯΣ= RЯ+ RТР+ RФ+ RШ=0.057+0.0231+0.033+0.0057=0.119 Ом.

3.2 Визначення індуктивнсті якірного кола

Індуктивний опір якірного кола двигуна:


де К=0.15…0.25 - коефіцієнт компенсованої машини (для НКМ К=0.6),

 − номінальна кутова швидкість двигуна.


де m - пульсність перетворювача;

f - частота живильної мережі.

Повна необхідна індуктивність якірного кола:


де Id гр=0.1·Іd H=0.1·400=40 А.

 - діюче значення фазної напруги мережі для живлення випрямовувача.

d0=Ed0=561.8 В - ЕРС холостого ходу перетворювача, розрахованого у пункті 3.1.


 - конструктивна стала машини при номінальному потоку.


Індуктивність згладжуючого дроселя:

ДР=LΣ необ - (LЯД+LТР)=1.448∙10-3-(0.00336+1.1∙10-4)=−2.022∙10-3 Гн.

Оскільки LДР<0, то необхідність встановлення дросселя відсутня.

Повна індуктивність якірного кола:

Я= LЯД+LТР =0.00336+1.1∙10-4=0.00347 Гн.

Стала часу якірного кола:


3.3     Визначення електромеханічної сталої часу

Момент інерції:

Σ= JДВ+ JН= JДВ+ 1.5·JДВ=2.5·JДВ=2.5·GДВ/4 =2.5·86/4=53.75 кг·м2.

Електромеханічна стала часу електроприводу:


3.4 Розрахунок параметрів кола збудження

Номінальний струм збудження:


Розрахунок номінального магнітного потоку:

,

де  − ЕРС двигуна при номінальному навантаженні, В;

Nя − кількість ефективних провідників в обмотці якоря.

,

D − діаметр якоря, мм, визначається в функції відносного параметра

=485 мм − висота вісі обертання двигуна.


З графіка рис. 3.1. [3, с. 17] вибираємо μ=1. Тоді:


З графіка рис. 3.2. [3, с. 17] вибираємо А=3.5∙104 А/м. Тоді:


Індуктивність обмотки збудження:


де wз - кількість витків обмотки;

р=4 - число полюсів;

ΔФ=ФН=0.147 Вб.

ΔIззн=16.3 А - номінальний струм збудження.

Індуктивність розсіювання:


де Фsн=0.6·(σ-1)·Фн=0.6·(1.15-1)·0.147=0.0132 Вб - номінальний магнітний потік розсіювання

Стала часу обмотки збудження:


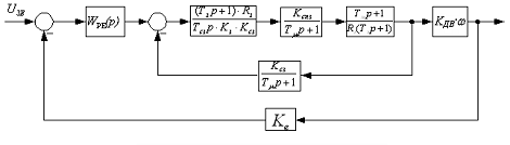
4. Синтез системи регулювання швидкості

Систему регулювання швидкості двигуна для спрощення розрахунку розіб’ємо на дві:

1. по струму якоря;

2. по потоку збудження.

Рисунок 4.1 − Структурна схема системи керування швидкості по колу якоря.

4.1 Розрахунок контура регулювання струму якоря

Структурна схема крся наведена рисунку 4.2

Рисунок 4.2 − Структурна схема контуру регулювання струму якоря.

Розрахунок КРСЯ ведуть за спрощеною схемою, наведеною на рисунку 4.2, що можливо при наступних припущеннях:

·   проти-ЕРС не впливає на динаміку електроприводу;

·   усі малі сталі часу відносять до вентильного перетворювача.

З умови компенсації впливу великих сталих часу та для отримання астатизму 1-го порядку передавальна функція регулятора струму має наступний вигляд:


де Тс - стала часу інтегрування розімкненого КРСЯ, що за умовами модульної оптимізації дорівнює:

Тс=2·Тμ=2·0.005=0.01 с.

де Тμ - мала некомпенсована стала часу, приймаємо Тμ=0.005 с.

Передавальна функція замкненого КРСЯ має вигляд:


Коефіцієнт зворотного зв’язку за струмом якоря, обираємо таким чином, щоб при максимальному струму давача не перевищувала 10 В


Коефіцієнт підсилювання тиристорного перетворювача


4.2 Розрахунок контуру регулювання струму збудження

Структурна сема регулювання КРСЗ наведена на рисунку 4.3

Рисунок 4.3 − структурна схема КРСЗ.

З умови компенсації великих сталих часу приймаємо ПІ-регулятор струму збудження з передавальною функцією:


Згідно з модульним оптимумом Тсз=2·Тμз=2·0.005=0.01 с (Тμз - мала некомпенсована стала часу).

Коефіцієнт підсилення тиристорного перетворювача у колі збудження:


де Uп мах - максимальна напруга керування СІФК.

Коефіцієнт зворотного зв’язку за струмом збудження


де Uмах - максимальна вихідна напруга давача.

4.3 Розрахунок контуру регулювання швидкості

Структурна схема КРШ наведена на рисунку 4.4

Рисунок 4.4 − Структурна схема КРШ.

Регулятор швидкості беремо П-типу з наступною передавальною функцією:


Його настройку слід проводити при максимальному значенні потоку.

У цьому виразі Тμш - стала часу контуру швидкості, що враховує інерційність в каналі зворотного зв’язку

Тμшсωдн

Фільтр за сталою часу Тω встановлюється у каналі зворотного зв’язку за швидкістю для значення пульсацій на виході тахогенератора. Це можливо реалізувати за схемою, наведеною на рисунку 4.5

Рисунок 4.5 - Реалізація зворотнього зв’язку за швидкістю двигуна

Максимальна швидкість:


Для системи необхідним є тахогенератор типу ПТ-120 з напругою Uтгн=230 В та швидкістю обертання nтгн=1200 об/хв.

Кутова швидкість тахогенератора


Коефіцієнт передачі тахогенератора


Швидкість ідеального холостого ходу двигуна:


Необхідний коефіцієнт передачі дільника тахогенератора:


де Umax - максимальна вхідна напруга давача напруги.

Задаємось R1=200 Ом, тоді:


Перевіримо величину kділ:


Коефіцієнт зворотного зв’язку за швидкістю:


Стала часу фільтра:

 обираємо С=5∙10−6 Ф.

Сталу часу давача напруги приймаємо Тдн=0.001 с.

Остаточно маємо:

Тμшсωдн=0.01+9.5 ∙10−4+0.001=0.01195 с.

Як видно з структурної схеми КРШ він має нелінійність, тому що магнітний потік змінюється у значних межах. Це можна усунути шляхом лінеаризації КРШ.

З метою лінеаризації КРШ, тобто для того, щоб забезпечити незмінність коефіцієнта підсилення КРШ, використовуємо схему рис. 4.6. Принцип лінеаризації випливає з відношення , де  знаходиться в знаменнику передавальної функції РШ.

Рисунок 4.6 - Лінеаризація контуру регулювання швидкості.

.4 Розрахунок контура регулюваня ЕРС

Структурна схема контуру має вигляд

Рисунок 4.6 − Структурна схема КРЕРС.

Передавальна функція регулятора ЕРС має вигляд:


де Те - стала інтегрування контуру ЕРС, яка при настроюванні системи за МО має наступне значення

Те =2·Тсз=2·0.01=0.02 с.

Коефіцієнт зворотного зв’язку по ЕРС


Сигнал зворотного зв’язку за ЕРС формується за допомогою ЗЗ за струмом якоря.

Коефіцієнт передачі дільника


де  - коефіцієнт передачі двигуна.

Задаємось R1=100 Ом, тоді:


Перевіримо величину kділ:


Приведемо схему сумування сигналів

Рисунок 4.7 − Структурна схема сумування сигналів для отримання зворотного зв’язку за ЕРС.

КЕнясядв·Кде·Кднся


Величина ЕРС залишається позитивної полярності протягом роботи, тому необхідно у зворотній зв’язок встановити блок виділення модулю.

Схема реалізації давача ЕРС показана на рисунку 4.8.

Для обчислення ЕРС двигуна потрібна інформація про поточні значення напруги і струму, яка отримується від відповідних давачів. Якщо вихідні напруги давачів напруги і струму UДН=KU∙UЯ і UДС=KI∙IЯ, то слід забезпечити такі параметри схеми (рисунок 4.8), щоб

 

Рисунок 4.8 − Схема реалізації давача ЕРС.

5. Реалізація регуляторів

.1 Реалізація регулятора струму якоря

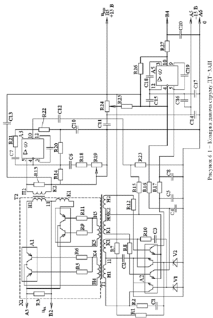
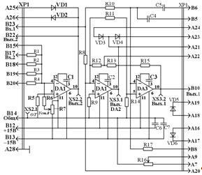
Регулятор струму якоря реалізується на базі комірки РТ−1АИ (рисунок 5.1), його передавальна функція має вигляд:

Т1Я=0.0292 с;


Сталу часу інтегрування Т2 встановлюємо потенціометром R41


де - установка підстроєного резистора R41,

,

при цьому опір R/41 дорівнює


Операційний підсилювач ОП А2 формує сигнал в залежності від заданого і фактичних значень регульованої величини і обмежує швидкість зростання струму, значення якого визначається коефіцієнт підсилення А2 і напругами обмеження, які настраюваються резисторами R4 і R9. Коефіцієнт підсилення ОП А2 встановлюється резисторами R14, R22, R25, для заколочування яких на платі передбачені спеціальні контакти. Для забезпечення коефіцієнту підсилення 1 треба закоротити R14 і R25.

ОП А3 служить для подачі сигналу на вибір групи в СІФК. Напруга завдання струму Uзся подається на вхід А7, а сигнал зворотного зв’язку за струмом якоря - на В6. Вихід ОП А2 (канал В26) з’єднується з входом ОП А4 (канал В8). Вхід ОП А3 (канал А18) з’єднується з каналом А7 (сигнал Uзсз), а його вихід (канал В19) - до СІФК (вибір робочої групи вентилів). Вихідний сигнал ОП А4 (канал В10) - це напруга керування СІФК. Сигнал з виходу ОП А2 (канал В26) подається на вхід ОП А4 (канал В8).

5.2 Реалізація регулятору струму збудження

Передавальна функція РСЗ має вигляд:

де Т13=1.971 с;


У схемі комірки реалізовано ПІ-регулятор струму з внутрішнім контуром (інерційним) напруги, з вузлами регулювання швидкості наростання струму і вибору випрямної групи в реверсивних електроприводах.

Для отримання необхідних сталих часу Т1, Т2 використовуємо операційний підсилювач ОП А4, який і є безпосередньо регулятором струму.

Сталу часу інтегрування Т2 встановлюємо потенціометром R41


де - установка підстроєчного резистора R41,


при цьому опір R/41 дорівнює


Сталу часу Т1 встановлюємо резистором R40 і R39



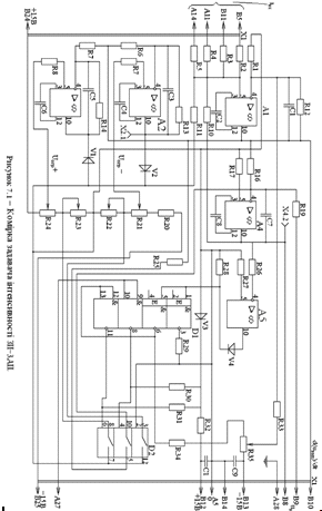
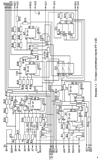
5.3 Реалізація регулятора швидкості

Реалізація регулятора швидкості може бути здійснена на базі комірки РС-1АИ, схема якої наведена на рисунку 5.2. ОП А1 формує і підсилює сигнал різниці між заданими і фактичними значеннями регульованої величини.

Реалізація регулятора швидкості може бути здійснена на базі комірки РС-1АИ, схема якої наведена на рисунку 5.2. ОП А1 формує і підсилює сигнал різниці між заданими і фактичними значеннями регульованої величини.

Передавальна функція регулятора швидкості має вигляд:

R41=1 кОм, R42=1 кОм,

 

Операційні підсилювачі А3, А4 створюють схему жорсткого обмеження вихідної напруги регулятора. Рівні обмеження регулюються потенціометрами R29, R34. Напруга завдання швидкості подається на вхід В7, сигнал зворотного зв’язку за швидкістю на вхід В8. Вихід ОУ А5 треба з’єднати з входами ОУ А3 і ОУ А4 (канал А21). Входи В5, В26 треба з’єднати з нульовою точкою схеми (канал А5), на вхід В22 -15В, на вхід А27 +15В.

Безконтактні ключі D2.1, D2.2 закорочують вхід-вихід ОУ А1, А5 в режимі стоянки електроприводу.

В якості блока перемноження використовуємо комірку МД-3АИ (рис. 5.3). Коефіцієнт передачі комірки дорівнює 0,1. Сигнал, пропорційний частоті обертання, подаємо на вхід Y, а сигнал з виходу РШ - на вхід Х.

5.4 Реалізація регулятора ЕРС

В електроприводах серії КТEУ регулятором ЕРС реалізуються за допомогою комірки РС-1АИ.

Підсилювач А1 використовуємо для формування сигналу розсоглосуваня завдання ЕРС та фактичної ЕРС.

Щоб завдати сигнал завдання використовуємо вхід В7, а фактичні значення ЕРС використовуємо вхід В8 (формується на ОП А2).

Давач ЕРС реалізується на ОП А5


Необхідно закоротити R42, а R41 встановити у положення 25.1 кОм та підключити

С16. С1516=5∙10−5 Ф.

Але у цьому випадку ми отримуємо РЕ виду , а не . Щоб компенсувати форсуючу складову на вході комірки РС-1АИ встановлюємо блок У7-АИ (рисунок 5.4).

Рисунок 5.4− Комірка підсилювачів У7−2АИ.

6. Реалiзацiя давачiв

.1 Реалізація давачів струму і напруги

Давачі струму якоря та струму збудження реалізуються на базі комірки давача струму ДТ-3АИ (рисунок 6.1).

Робота давача основана на принципі модуляції - трансформування - підсилення змінної напруги - демодуляція. Модуляція виконується з частотою 30-40 кГц, яка формується генератором виконаним за схемою А2 та трансформатором Т1. Модулятор виконаний на ключах А1 та А3. ОП А4 підсилює трансформовану напругу, а А5 здійснює фазочутне випрямування. Давач забезпечує приведену похибку 1 %, температурний дрейф нуля дорівнює 2.2 мВ/град, а температурний дрейф коефіцієнта передачі 0.065%/град.

Величиною входу ДТ-3АИ є сигнал, який знімається з шунта встановленого у якірному колі або у колі обмотки збудження. Вихід вмикається на вхід РС. Вихідний сигнал ДТ-3АИ, як давача струму якоря, використовується також для формування сигналу пропорційного ЕРС двигуна. Схема комірки ДТ-3АИ наведена на рисунку 6.2.

Давач напруги реалізується на базі комірки ДН-2АИ, створеною для вводу у систему регулювання сигналу зворотного зв’язку за напругою з одночасним гальванічним поділом вхідного та вихідного полів.

Перший давач напруги вмикається у коло зворотного зв’язку за швидкістю.

На вхід ДН-2АИ вмикається тахогенератор з номінальною частотою обертання 200 об/хв. Збудження тахогенератору - магнітно-електричне. Вихід давача використовується у даному і вмикається на вхід фільтру, який увімкнений у канал завдання на вході поля регулювання швидкості.

Другий давач напруги використовується для формування сигналу, пропорційного ЕРС двигуна. Сигнал о величині напруги якоря поступає на ДН-2АИ, а далі вихід давача вмикається до фільтру, вихід вмикається до давача ЕРС.

6.2     Реалізація блоку відділення модулю

Для його реалізації використовуємо комірку ВМ-2АИ, схема якої наведена на рисунку 6.3. для отримання вихідної напруги від’ємної полярності слід з’єднати А20 з А24 та А22 з А23. Вхідний сигнал через резистори R8, R10 поступає одночасно на підсилювачі ДА2, ДА3. Вхідна напруга схеми знімається з входу ДА3 (канал В10).


Рисунок 6.3 - Комірка виділення модулю ВМ-2АИ.

7. Реалізація задавача інтенсивності

7.1     Розрахунок задавача інтенсивності

Задавач інтенсивності необхідний для формування необхідного закону зміни швидкості під час розгону та гальмування приводу. Структурна схема задавача інтенсивності наведена на рисунку 7.1.

Рисунок 7.1 − Структурна схема задавача інтенсивності.

Розрахуємо tр:


Е - прискорення.

7.2     Реалізація задавача інтенсивності

Задавач інтенсивності реалізується на базі комірки ЗИ-ЗАИ, схема якої наведена на рисунку 7.2. Він реалізован на ОП А1, який працює в режимі суматора, та ОП А2 - інтегратора. Вхід ЗІ канал В6, вихід канал В8.

Вихідна наруга суматора ОП А1 поступає на вхід ОП А2 через резистор R18.

Необхідна стала часу задавача інтенсивності встановлюється резистором R18 та ємністю С7, а також рівнем обмеження виходу ОП А1, яке виконано на ОП А3, А4.


Якщо взяти С7=300 мкФ, R18 обчислімо наступним чином:



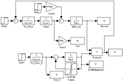
8. Моделювання системи керування

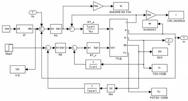
Для перевірки реалізації заданих умов розгону проектуємого приводу необхідно його промоделювати. Моделювання системи виконано у відносних величинах. За базисну сталу часу приймаємо Тμ. Далі розраховуємо параметри моделі, зображеної на рисунку 5.1.

Ебн, Iб=Iкз, Iзб= Iзн, ωб= ωн.

При моделюванні системи були досліджені пуск, реверс, та гальмування без навантаження та під навантаженням. Отримані графіки перехідних процесів зображені на рисунках 8.2 та 8.3.

Рисунок 8.1 − Модель системи.

Рисунок 8.2 − Модель двигуна (блок ТП-Д).

Рисунок 8.3 − Перехідні процеси у системі без навантаження.

Рисунок 8.4 − Перехідні процеси у системі з навантаженням.

Висновок

В ході курсової роботи була спроектована двозонна система керування швидкості (з залежним керуванням) приводу постійного струму, були синтезовані регулятори струму якоря та струму збудження, швидкості та ЕРС на основі комірок УБСР-АИ.

В якості тиристорного електроприводу був обраний електропривод серії КТЕУ - 400/440 -13223 - УХЛ4

Регулятори були зібрані на базі комірок РТ-1АИ, РС-1АИ, ДН-2АИ, ДТ-3АИ, МД−3АИ ЗИ-3АИ, ВМ-2АИ.

Були створені пропорційно-інтегральні регулятори струму якоря збудження, пропорційний регулятор швидкості та інтегральний регулятор ЕРС.

Перелік посилань

1.   Довідкові дані по електроустаткуванню. Т.1. Електричні машини загального призначення/ - М.-Л: Енергія. 1964. - 329 с.

2.       Комплектні тиристорні електроприводи: Довідник / И.Х. Евзеров, А.С. Горобец, Б.И. Мошкович и др.; За редакцією канд. техн. наук В.М. Перельмутера. - М.: Енергоіздат, 1988. - 319 с.

.         Синтез вентильних приводів постійного струму: Навч. посібник/ Коцегуб П.Х. - Київ, ІЗМН, 1997.-122с.

.         Елементи автоматизованого електропривода. Терехов В.М.-М.:Енергоатоміздат, 1987р.

Похожие работы на - Задачі проектування систем автоматичного керування

 

Не нашли материал для своей работы?
Поможем написать уникальную работу
Без плагиата!
Без нейросетей!