|
№
|
|
|
|
|
|
|
|
|
|
|
|
|
|
кН
|
м/с
|
мм
|
мм
|
м
|
м
|
м
|
м
|
м
|
м
|
м
|
м
|
|
5
|
15
|
1,0
|
60
|
25
|
0,3
|
2,2
|
1,5
|
2,1
|
2,6
|
0,4
|
1,1
|
1,5
|
Введение
Задачей данной контрольно-курсовой работы
является закрепление полученных знаний и выяснение возможности приложения этих
знаний каждым студентом к конкретному проекту гидропривода. При выполнении этой
работы студенты приобретают навыки расчета и проектирования гидравлических
систем прессов, знакомятся со справочниками и каталогами по гидравлическому
оборудованию, с ГОСТами и отраслевыми руководящими материалами.
Проектируемый насосный гидропривод должен
отвечать общим техническим требованиям по ГОСТ 17411-72, а его технические
параметры соответствовать ГОСТ 12445-87 (давление), ГОСТ 12448-67 (номинальные
емкости), ГОСТ 13825-88 (номинальные потоки) и ГОСТ 16516-70 (условные проходы
гидролиний). В отношении техники безопасности должны быть удовлетворенны
требования ГОСТа 16028-70.
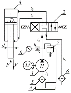
1. Расчет гидроцилиндра
Исходными данными для проектирования и расчета
гидроцилиндра обычно являются величины усилия, скорости и хода поршня,
возможные диаметральные размеры гидроцилиндра и его схема (тип).
Рабочее давление
,[Па]
гидроцилиндра вычисляется по формуле
, (1)
где
-
рабочее усиление на штоке, Н;
- диаметр поршня,
м;
- механический КПД
гидроцилиндра (
).
,
Расчет на прочность гидроцилиндра производится
по условному давлению -
, которое превышает
рабочее на 20-30 %
. (2)
.
Их условно делят по отношению наружного диаметра
гидроцилиндра
к внутреннему:
тонкостенные
толстостенные
Тонкостенные гидроцилиндры применяются при
давлениях до 10 МПа, а толстостенные - при большем давлении. Так как Р
<
10 МПа, следовательно принимаем цилиндр тонкостенный.
Минимальная толщина стенки для гидроцилиндра
определяется по формуле
(4)
где
допускаемое
напряжение в стенке гидроцилиндра;
- предел прочности
материала цилиндра;
Назначаем материал цилиндра - кованые из
низколегированной стали с
прибавка,
обусловленная точностью обработки. Назначаем С=0,7мм
МПа;
Окончательная толщина стенки гидроцилиндра
принимается с учетом стандартных размеров труб, используемых для изготовления
цилиндров по ГОСТ 8734-68 и ГОСТ 8732-68. По ГОСТу 16516-70 выбираем
.
Проведем проверку
;
получаем
тонкостенные гидроцилиндры. Условие выполняется.
После этого выбирается конструкция
гидроцилиндра, определяются размеры гидравлических каналов подвода и отвода
рабочей жидкости, выбираются типы уплотнений поршня, штока и крышек и
определяются их размеры.
Конструкцию гидроцилиндра выбирают по
справочникам.
Сечение каналов подвода и отвода рассчитывают по
допустимым скоростям и расходу рабочей жидкости.
Расход гидроцилиндра подсчитывается по формуле,
[м3/с]
; (6)
где V - рабочая скорость штока, м/с.
- объемный к.п.д.
гидроцилиндра. В расчетах принять
.
;
Диаметр подводящих каналов, [м]
, (7)
где
-
допустимая скорость жидкости в каналах гидроцилиндра. Назначаем
=3м/с.
м,
По ГОСТу 16516-70 выбираем
,
Поршневой цилиндр.
Рисунок 1. Поршневой цилиндр:
1-втулка; 2-штуцер;
3-удерживающий
упор;
4-уплотнение;
5-поршень;
6-уплотнение
кольцом;
7-конус;8-шток;
9-труба;
10-уплотнение;
11-передняя
крышка;
12-гайка;
13-штоковое
уплотнение; 14-чистильщик;
15-резьбовый
конец;
16-бронзовая
втулка;
17-застопоренная
гайка;
18-конический
хвостовик; 19-проушина крышки.
Поршневые цилиндры являются цилиндрами
двустороннего силового действия. Они бывают с одно- и двусторонним штоком.
Наибольшее распространение в горных машинах получили цилиндры с односторонним
штоком.
Поршневой цилиндр(рисунок 1) состоит из трубы 9,
штока 8, имеющего резьбовый конец 15, поршня 5, передней крышки 11, крепящейся
к цилиндру гайкой 12, задней крышки 19, приваренной к трубе цилиндра,
подводящих штуцеров 2 и уплотнений. Труба 9, образующая основной рабочий объем,
имеет тщательно обработанную поверхность, по которой и совершает в процессе
работы возвратно-поступательные движение поршень 5 с уплотнениями 4,
удерживающими упорами 3. Шток 8 в зависимости от длины и нагрузок или других
факторов может быть сплошным или пустотелым. Пустотелые штоки, как правило,
выполняются сварными.
В проушину крышки 19 запрессована втулка 1 для
шарнирного соединения с органами машины.
Шток движется в бронзовой втулке 16,
запрессованной в переднюю крышку 11. Рабочие поверхности штока в последнее
время подвергают хромированию, улучшающему его износостойкость и
антикоррозионные свойства. Крепления
поршня 5, уплотненного кольцом 6, на штоке 8 осуществляется застопоренной
гайкой 17. В передней крышке 11 размещаются уплотнение 10, герметизирующее
место соединения крышки с трубой 9 цилиндра, штоковое уплотнение 13 и
чистильщик 14. Кроме конического
хвостовика 18 перед поршнем устанавливается конус 7. Конические поверхности
предназначены для смягчения ударов в конце хода. При движении штока 8 влево в
конце хода хвостовик 18 входит в отверстие задней крышки. Вытесняемая из-под
поршня жидкость проходит через образовавшуюся кольцевую щель с большим
сопротивлением, создавая противоположно направленное усилие. Происходит
смягчение удара, притормаживание. Типы
и размеры уплотнений выбираются в зависимости от рабочего давления и размеров
гидроцилиндров по справочнику [I] (с.193-222).
. Выбор насоса
Давление насоса можно определить как
, (8)
,
где коэффициент 1,2 учитывает все потери
давления в гидравлических линиях.
Подача насоса [м3/с] определяется по
заданной скорости
выходного звена
гидродвигателя и его активной площади
,
вычисленной при расчете гидроцилиндра.
, (9)
,
где множитель 1,1 учитывает объёмные потери
(утечки) в гидроаппаратуре и в гидроцилиндре.
Выбираем пластинчатый насос БГ12-26АМ.
Пластинчатый насос
Рисунок 2. Пластинчатый насос типа
Г12-2: 1-нагнетательное
отверстие;2-фланец;3-вал;4-корпус;5-диск;6-пружина;7-ротор;8-статор;9-диск;10-крышка;11-лопатки;12,13-окно;14-штуцер;15,16-резиновое
кольцо;
Пластинчатые, или лопастные насосы - это
ротационные нерегулируемые насосы двойного действия, предназначенные для работы
как на давлениях до 6,3Мпа, так и на давлениях до 12,5Мпа.
Пластинчатые нерегулируемые насосы двойного
действия с постоянным направлением потока масла предназначены для нагнетания
масла в гидросистему одним потоком (насосы в одинарном исполнении) или двумя
независимыми потоками (насосы в сдвоенном исполнении). Наибольшее
распространение эти насосы получили в различных установках подземного и
поверхностного транспорта угольных шахт: толкателях, качающихся площадках,
агрегатах для обмена вагонеток в клетях, а также в некоторых буровых установках
для выполнения вспомогательных операций.
В корпусе 4 насоса типа Г12-2(Рисунок 2)
помещается стальное закаленное кольцо 8 - статор, по внутренней профилированной
поверхности которого скользят лопатки 11, свободно перемещающиеся в радиальных
пазах ротора 7 (число лопаток может быть разным у различных типов). Ротор сидит
на шлицах вала 3, вращающегося в шариковых подшипниках.
К торцам статора и ротора пружинами 6 прижаты
диски 5 и 9. В диске 9 имеются два окна 12 для всасывания, а в диске 5 - два
окна 13 для нагнетания масла( вращение вала насоса по часовой стрелке при
положении наблюдателя со стороны вала насоса).
Лопатки 11 под действием центробежных сил и
давления масла, подведенного через отверстия, прижаты к внутренней поверхности
статора. Внутренняя поверхность статора спрофилирована так, что каждая камера
между двумя соседними лопатками во время соединения с окнами всасывания 12
увеличивает свой объем и заполняется через них маслом, а во время соединения с
окнами нагнетания 13 уменьшает свой объем, вытесняя масло через них в линию
нагнетания. За один оборот ротора производится два цикла всасывания и два цикла
нагнетания. Благодаря диаметрально расположенным подводам и отводам нагрузка на
ротор от давления масла уравновешена и подшипники насоса разгружены, а вал
передает только крутящий момент.
Соединение крышки 10 с корпусом 4 уплотнено
резиновым кольцом 15. Вал 3 уплотнен манжетами, установленными во фланце 2.
Диск 5 в корпусе 4 уплотнен резиновым кольцом 16.
Нагнетательное 1 и всасывающее отверстия
соединены с соответствующими окнами литыми каналами. Отвод утечек производится
через штуцер 14, к которому подсоединяется дренажный трубопровод.
Насос БГ12-26АМ
Насос БГ12-26АМ пластинчатый, двойного действия
является нерегулируемый с постоянным направлением потоком масла. Диапазон
температур от 0 до 50
С. Требуемая
тонкость фильтрации 0,04 мм. Рекомендуемые марки масел: турбинное 22 и 22Л по
ГОСТ 32-53 и ВНИИНП-403, ГОСТ 16728-71. Вязкость минеральных масел 200-400мм
/с
при давлении 12,5 МПа. Допустимая продолжительность работы насоса на
максимальном давлении не более 30% общей долговечности.
Техническая характеристика насоса БГ12-26АМ
|
Рабочий
объем, см /об
|
Номинальная
производительность, дм /с
|
Давление
|
Мощность,кВт
|
Диапазон
частот вращения, об/с
|
К.п.д
|
Долговечность,ч
|
Масса,кг
|
|
|
Номинальное,
МПа
|
Максимальное,МПа
|
|
|
объемный
|
общий
|
|
|
|
140
|
3,34
|
12,5
|
45
|
16-32
|
0.96
|
0,91
|
2000
|
40
|
Рисунок 3. Предохранительный клапан
Г52-2:
1-пружина;2-шарик;3-крышка;4-седло;5-пружина;6-золотник;7-корпус;8-депфер;9-отверстие
вспомогательного переключателя. А,Б,В,Г-полости
3. Выбор
гидроаппаратуры
Предохранительный клапан
выбирается по полной подаче и наибольшему давлению насоса. Если наибольшее
давление не оговорено в задании и в технической характеристике насоса, то
давление настройки предохранительного клапана выбирается на 20% больше давления
насоса. Выбираем предохранительный клапан Г52-2.
Предохранительный клапан Г52-2
Конструкция клапана типа Г52-2 приведена на
рисунке 3. Жидкость к клапану подводится от насоса к полости Б и одновременно
через систему отверстий поступает в полости А и Г. Когда давление в системе
преодолевает усилие пружины 1 шарикового клапана, шарик 2 отходит от седла 4 и
масло в небольшом количестве из полости А через клапан и отверстия в крышке 3 и
корпус 7 поступает в полость В слива, подключенную к баку. Давление в полости А
благодаря демпферу 8 падает, в результате чего золотник 6 приподнимается и
соединяет полости Б и В. При падении давления в сети золотник 6 под действием
пружины 5 возвращается в исходное положение.
Дистанционное управление разгрузкой
осуществляется подсоединением через отверстие 9 вспомогательного
переключателя(крана или золотника управления), которой соединяет полость А со
сливом.
Для
подсоединения переключателя к клапанам резьбового и фланцевого присоединений
необходимо вместо пробки установить штуцер с трубкой.
Технические характеристики предохранительных
клапанов типа Г52-2
|
Расход
|
Давление
|
Условный
проход,мм
|
Перепад
давления при изменении расхода от номинального до наименьшего,не более,МПа
|
Давление
разгрузки,МПа
|
Время
набора давления после разгрузки, не более,с
|
Масса,
кг
|
Типоразмер
|
|
номинальный,
дм /с
|
Наименьший,
дм /с
|
номинальное,МПа
|
Наименьшее,МПа
|
|
|
|
|
|
|
|
4,17
|
0,08
|
6,3
|
0,5
|
40
|
0,3
|
0,3
|
0,2
|
8,6
|
Г52-26
|
Гидрораспределитель
Гидрораспределитель
выбирается по справочникам и каталогам в зависимости от давления и подачи
примененного насоса с учетом задания и специальных технических требований.
Допускается применять гидрораспределители при увеличенных расходах, но не более
чем на 40%, по сравнению с указанными в их технических характеристиках. Потеря
давления при этом подсчитывается по выражению:
; (10)
где
-
соответственно потеря давления и расход при номинальном режиме, указанном в
технической характеристике гидрораспределителя.
;
Выбираем реверсивный распределитель с
гидравлическим управлением по МН 5782-65.
Рисунок 4. Распределитель типа Г72-3:
1,6-пружина;2,7-крышка;3-пробка;4-золотник;5-корпус;8,9-отверстие;10-дроссели;11-контргайка.
Реверсивные распределители с гидравлическим
управлением по МН 5782-65 выпускаются серийно харьковским заводом
"Гидропривод". Устройство распределителей по МН 5782-65 аналогично
устройству золотников типа Г72-3. На
рисунке 4 приведена конструкция распределителя типа Г72-3, выполненного по
первой схеме. Золотник 4 может занимать нейтральное и два рабочих положения. В
нейтральном положение золотник устанавливается с помощью пружин 1 и 6,
расположенных в крышках 2 и 7.
Под действием давления управления, подводимого
через отверстие 8 или 9 в корпусе 5 под торцы золотника 4, последний занимает
два крайних положения - правое или левое, соответствующих двум направлениям
движения рабочего органа машины. Скорость перемещения золотника 4 регулируется
с помощью дросселей 10, расположенных в крышках 2 и 7 и зафиксированных
контргайками 11. В четырехлинейных
золотниках резьбового присоединения левое сливное отверстие заглушено. При
перестройке на пятилинейные золотники заглушку со сливного отверстия необходимо
снять, а пробку 3 заменить на заглушку 12, предварительно сняв крышку 2.
Технические характеристики реверсивного
распределителя с гидравлическим управлением по МН 5782-65
Фильтр тонкой очистки
рабочей жидкости устанавливается в сливной гидролинии проектируемого
гидропривода и выбирается по расходу в этой линии
; (11)

,
где
-активная
площадь штоковой полости гидроцилиндра.
м
.
дм
/с;
Выбираем тип фильтра по требуемой тонкости
фильтрации, рабочей жидкости, которая дается в рабочих характеристиках насосов.
Берем фильтр тонкой очистки типа ФП7(Г43-5).
Рисунок 5. Фильтр тонкой очистки типа ФП7(Г43-5)
Технологические характеристики фильтров тонкой
очистки типа ФП7(Г43-5)
|
Параметры
|
Единица
имерения
|
ФП-
|
|
Условный
проход
|
мм
|
25
|
|
Номинальная
пропускная способность
|
дм /с
|
1,67
|
|
Номинальное
давление
|
МПа
|
|
Перепад
давления при номинальной пропускной способности
|
МПа
|
0,17
|
|
Тонкость
фильтрации: Номинальная Абсолютная
|
мк
|
25
50
|
|
Давление
открытия перепускного клапана
|
МПа
|
0,6
|
|
Масса
фильтра
|
кг
|
22
|
|
Число
фильтрующих элементов
|
-
|
2
|
|
Обозначение
фильтрующего элемента
|
-
|
340
- 023/25
|
|
Масса
фильтрующего элемента
|
кг
|
0,514
|
Фильтр грубой очистки
устанавливается на входе во всасывающую гидролинию непосредственно в гидробаке
не ближе двух диаметров этой линии от дна.
;
где
-
рабочий объем насоса, [м3/об];
-
частота вращения вала насоса, об/с.
;
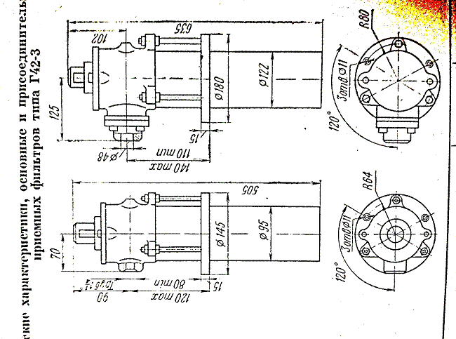
Выбираем фильтр грубой очистки типа Г42-35.
Рисунок 6. Фильтр грубой очистки типа Г42-3.
Технологические характеристики, основные и
присоединительные размеры приемных фильтров типа Г42-3
|
Параметры
|
Единица
измерения
|
Г42-35
|
|
Номинальная
пропускная способность
|
дм /с
|
2,34
|
|
Тонкость
фильтрации
|
мм
|
0,08
|
|
Гидравлическое
сопротивление при наибольшей допустимой загрязненности фильтрующего элемента
|
МПа
|
0,008-0,01
|
|
Гидравлическое
сопротивление , соответствующее открытию перепускного клапана
|
МПа
|
0,011-0,012
|
|
Условный
проход
|
мм
|
50
|
|
Масса
фильтра
|
кг
|
11
|
4. Определение диаметров гидролиний
В проектируемом насосном гидроприводе необходимо
определить диаметры трех гидролиний:
всасывания (от гидробака до насоса)-
,
напорной (от насоса до гидродвигателя)-
,
сливной (от гидродвигателя до гидробака)-
.
Диаметры гидролиний определяются по формуле [м]:
; (12)
;
Округляем по ГОСТ 16516-70
;
Округляем по ГОСТ 16516-70
;
Округляем по ГОСТ 16516-70
Скорость потока жидкости для всасывающих
трубопроводов принимаем
.
Скорость потока жидкости для нагнетательных
трубопроводов принимаем
.
Скорость потока жидкости для сливных
трубопроводов принимаем
.
В которую подставляются соответствующие расходы
и скорости потока жидкости.
Расход в линии всасывания -
,
[м3/с]
; (13)
;
Расход в напорной линии -
равен
номинальной подаче насоса по технической характеристике, или
(14)
где
-
объемный к.п.д. насоса из технической характеристики.
Расход в сливной гидролинии -
,
[м3/с]
;
дм
/с;
Допустимые скорости в нагнетательных линиях
=3м/с
5. Определение давления насоса
гидроцилиндр поршневый насос фильтр
Скорости
,
,
считаем
через соответствующие расходы
,
,Q
.
; (16)
;
;
Определяем режим течения жидкости в трубопроводе
по числу Рейнольса:
, (20)
где
-
кинематическая вязкость жидкости, [м2/с]. Для индустриального масла
И-40А
=
< 2300 - ламинарный
режим.
<2300
- ламинарный режим.
<2300
- ламинарный режим.
При ламинарном режиме
, (19)
где
-
критерий Рейнольса - величина характеризующая режим движения жидкости.
;
;
;
Определение потерь
напора:
;
;
;
где
-
плотность рабочей жидкости, [кг/м3]Для индустриального масла И-40А
=900 кг/м3 ;
Нижний индекс:
г.р. - гидрораспределитель
ф.т.о. - фильтр тонкой очистки
ф.г.о. - фильтр грубой очистки
;
;
Определяем давление
по
формуле:
(17)
где
и
-
общие потери давления при прохождении соответствующих расходов
и
по
напорной и по сливной гидролиниям, [Па];
- коэффициент
соотношения площадей гидроцилиндра;
- высота подъема
жидкости в напорной гидролинии, [м].
;
где
м
;
м
.
;
Определяем давление
по
формуле:
;
где
-
внешнее давление в гидробаке, [Па] p
=101
325 Па. В гидроприводах с разомкнутой циркуляцией рабочей жидкости чаще всего
внешнее давление равно атмосферному.
-
высота всасывания, [м];
;
Согласно ГОСТ 17389-72 давление насоса
[Мпа]
определяется по выражению
, (15)
где
и
-
абсолютное давление и скорость потока жидкости в напорном канале насоса; [Па],
[м/с];
и
-
абсолютное давление и скорость потока жидкости в канале всасывания насоса;
[Па], [м/с];
и
-
высоты центров сечения напорного и всасывающего каналов насоса [м]. Для
большинства насосов станочных гидроприводов разностью этих высот можно
пренебречь;
=1;
=1;
-
коэффициент Кориолиса.
-
плотность рабочей жидкости, [кг/м3];
-
ускорение силы тяжести, [м/c2].
Определяем полезную мощность насоса [кВт]:
. (24)
где
-
в МПа и
-
в м3/с.
.
Мощность насоса, по которой выбирается приводной
электродвигатель, определяется по формуле
, (25)
где
-
к.п.д. насоса из технической характеристики.
,
Вычисленные значения давлений в гидролиниях
системы позволяют выбрать тип трубы или шланга для гидролиний. Необходимая
толщина стенки трубы
[м] определяется
по формуле
, (26)
где
условное
расчетное давление в трубе, [Па];
;
- принятый диаметр
гидролинии, м;
допускаемое
напряжение в стенке трубы, [Па];
;
предел прочности
материала трубы.
;
МПа;
;
;
;
По ГОСТ 16516-70 округляем полученные диаметры
до ближайщего большего значения
Давление в сливной магистрали определяется по
выражению
;
;
6. Определение емкости гидробака
Определяем количество энергии выделяемое при
работе привода, [кВт];
;
где
;
- полезная мощность насоса.
;
Назначаем ориентировочный объем рабочей жидкости
W,[м
],
равный 3 минутной производительности насоса.

;
где
-
подача насоса[м3/с]
;
Определяем площадь бака по формуле:
;
м3;
Пусть нижняя сторона бака - поверхность с
затрудненной циркуляцией воздуха, а остальные 5 сторон - свободно-обтекаемые
поверхности.
Рассчитаем теряемую мощность исходя из наших
данных,[Вт]:
;
где
-
установившиеся температура,[К];
- температура окружающей
среды,[К];
- коэффициент
теплопередачи для нижней стороны бака, [Вт/(м2К)];
коэффициент теплопередачи для остальных сторон
бака, [Вт/(м2К)];
площадь поверхности теплопередачи, [м2].
;
Сделаем вывод о том, что принудительные
мероприятия по охлаждению гидросистемы не требуются.
. Определение подачи насоса
Объемный к.п.д. при расчетном давлении насоса
можно определить по формуле:
, (32)
где
-
паспортные значения давления и к.п.д. насоса.
;
Утечки в гидрораспределителе -
[м3/с],
которые подсчитываются по формуле:
, (33)
где
-
паспортные данные давления и утечек в гидрораспределителе.
Таким образом, истинная (расчетная) частота вращения
насоса должна быть [об/с]:
; (34)
.
Заключение
В выполненной контрольно-курсовой работе был
спроектирован насосный гидропривод.
Рабочей жидкостью в данном гидроприводе является
индустриальное масло И - 40А.
Выбрана следующая гидроаппаратура:
. Поршневой цилиндд.
. Пластинчатый насос БГ12-26АМ на
мощность 12,5-14 МПа.
3. Предохранительный клапан Г52-2
4. Реверсивный распределитель с
гидравлическим управлением по МН 5782-65
. Фильтр тонкой очистки типа ФП7(Г43-5).
. Фильтр грубой очистки типа Г42-35.
Были получены следующие расчетные параметры
данной гидросистемы:
,
,
,
,
.
Гидроаппаратура подобрана по выполненным
расчетам. Выбранный насос имеет сравнительно высокую стоимость, но полностью
подходит по производительности и мощности к данному приводу.
Список литературы
1. Башта Т.М.
Машиностроительная гидравлика / Т.М. Башта. - М.: Машиностроение, 1971. - 672
с.
. Ковалевский В.Ф. Справочник
по гидроприводам горных машин / В.Ф. Ковалевский, Н.Т. Бейлин Ю.Е. Железняков -
М.: Недра, 1973. - 504 с.
. Рабинович Е.З. Гидравлика /
Е.З. Рабинович. - М.: Недра, 1980. - 278 с.