Анализ хозяйственной деятельности ООО 'ЭкоХлеб'

  • Вид работы:
    Отчет по практике
  • Предмет:
    Эктеория
  • Язык:
    Русский
    ,
    Формат файла:
    MS Word
    233,9 Кб
  • Опубликовано:
    2014-02-15
Вы можете узнать стоимость помощи в написании студенческой работы.
Помощь в написании работы, которую точно примут!

Анализ хозяйственной деятельности ООО 'ЭкоХлеб'

Содержание

Введение

1. Краткая характеристика предприятия ООО "ЭкоХлеб"

1.1 Ассортимент выпускаемой продукции

2. Описание машинно-аппаратурной схемы производства подового хлеба

3. Описание конструкции основных единиц технологического оборудования

4. Энергоснабжение предприятия

4.1 Теплоснабжение

4.2 Холодоснабжение

4.3 Водоснабжение

4.4 Электроснабжение

5. Охрана окружающей среды и рационально использование природных ресурсов

5.1 Основное производство

5.2 Воздействие загрязняющих веществ на человека

5.3 Очистка сточных вод на предприятии

5. Технология изготовления хлеба заварного с изюмом

6.1 Описание технологического процесса

6.2 Машинно-аппаратурная схема производства хлеба заварного с изюмом

6.3 Описание конструкции основных единиц технологического оборудования

Заключение

Список использованных источников

Введение

Хлеб и продукты хлебопекарной промышленности играют огромную роль в нашей жизни. Хлеб занимает важное место в пищевом рационе человека, особенно в нашей стране, где производство хлеба связано с глубокими и давними традициями. Русский хлеб издавна славился богатым вкусом, ароматом, питательностью, разнообразием ассортимента. Ассортимент вырабатываемой продукции огромен. Сейчас можно приобрести не только различные виды формового и подового хлеба, но и большое количество батонообразных изделий, кондитерских изделий, а также весь сектор продукции хлебопекарной промышленности.

Хлеб - полезный биологический продукт, который содержит большое количество веществ, необходимых для организма человека. Это белки, белковые соединения, крахмал, а также витамины. Особенно в хлебе много витаминов группы В, необходимых для нормального функционирования нервной системы человека. Процесс производства хлеба достаточно гибок, сложен и трудоемок. Для того чтобы буханка хлеба вышла из печи, необходимо, чтобы она прошла через множество технологических операций. Процесс производства может длиться свыше двенадцати часов. Технологический процесс производства хлеба и хлебобулочных изделий включает в себя следующие этапы: прием и хранение сырья, подготовка сырья к производству, приготовление теста, разделка теста, выпечка тестовых заготовок, хранение их и отправка готового изделия в сеть. Одной из главных задач хлебозавода является бесперебойное снабжение населения хлебом, повышение его качества и пищевой ценности. А также рациональное расходование сырья, сокращение потерь сырья, полуфабрикатов и готовой продукции, экономное использование топливно-энергетических ресурсов, максимальное использование производственной мощности. С чем наша хлебопекарная промышленность успешно справляется. На рынке представлен огромный ассортимент хлебобулочных изделий с различной пищевой и энергетической ценностью.

1. Краткая характеристика предприятия ООО "ЭкоХлеб"


Основным видом деятельности ООО "ЭкоХлеб" является производство хлебобулочных изделий.

Предприятие начало действовать с 2004 года. Численность основных рабочих, занятых в производстве, насчитывала 6 человек при односменном режиме работы, прерывном технологическом цикле и объеме производства 60 тыс. шт. в месяц. Ассортимент производимой продукции насчитывал менее 20 наименований традиционных видов хлебобулочных и сдобных изделий. Реализация продукции осуществлялась только в розницу через 12 киосков ИП Маслов, специализирующихся на торговле хлебобулочными изделиями.

Реализуя концепцию государственной политики в области здорового питания населения и учитывая значительный интерес покупателей к хлебу, полученному не из муки, а из пророщенного и диспергированного зерна, в 2005 году было приобретено специальное оборудование и освоена новая эксклюзивная технология производства цельнозернового хлеба. Внедрено в массовое производство более 10 видов хлеба и хлебобулочных изделий из пророщенного зерна, обладающего помимо приятных вкусовых характеристик лечебно-профилактическими свойствами. Определенные сорта данного хлеба несут целевую функциональную нагрузку для покупателей с проблемами здоровья: хлеб "Морской" с ламинарией (морской капустой) для устранения йододефицита, эко булочка диабетическая - для больных сахарным диабетом, батон Эко молочный - нормализует деятельность органов пищеварения и т.д.

Помимо цельнозерновых хлебобулочных изделий у покупателей г. Воронежа и Воронежской области пользуется популярностью серия продукции "Европейская коллекция", включающая более 10 наименований национальных сортов хлеба Италии, Германии, Австрии, Франции, такие как "Чиабатта", "Венский", "Мюнхенский", "Фокаччо","Бокахо", "Тоскано", "Багет", "Тостовый картофель".

Наряду с европейскими сортами хлеба хлебопеки ООО "ЭкоХлеб" поддерживают исконно русские национальные традиции, создавая коллекцию

"Искусство хлебных традиций": "Бородино", "Прима", "Урожай", "Балтийский", "Колобок", "Емеля", "Черный премиум".

Третьим направлением деятельности ООО "ЭкоХлеб" является производство хлебобулочных изделий по криогенным технологиям: полувыпечка с последующей шоковой заморозкой. Это направление в деятельности является очень перспективным.

1.1 Ассортимент выпускаемой продукции


В настоящее время ООО "ЭкоХлеб" вырабатывает:

· более 15 наименований хлеба (хлеб пшеничный, ржано-пшеничный, заварной; формовой и подовый);

· более 10 наименований булочных изделий (булки, батоны, сдобные изделия);

На предприятии постоянно проводится техническое перевооружение, изучение потребительского предпочтения, изучение и освоение рынков сбыта, что позволяет постоянно совершенствовать качество и ассортимент вырабатываемой продукции.

Ассортимент выпускаемой продукции представлен в приложении.

ассортимент хлебобулочное изделие продукция

2. Описание машинно-аппаратурной схемы производства подового хлеба


Муку доставляют на хлебозавод в автомуковозах, принимающих до 7…8 т муки. Автомуковоз взвешивают на автомобильных весах и подают под разгрузку. Для пневматической разгрузки муки автомуковоз оборудован воздушным компрессором и гибким шлангом для присоединения к приемному щитку 8. Муку из емкости автомуковоза под давлением по трубам 10 загружают в силосы 9 на хранение, ёмкостью 35 тонн. Количество муки в каждом силосе контролируют на дисплейном щитке через пензодатчики.

В специальных устройствах готовят растворы соли и сахара, дрожжевую разводку и расплав жира (маргарина). Эти полуфабрикаты хранят в расходных емкостях, из которых через дозирующие устройства они поступают на замес. На рис. показаны емкости 20 и 21 для хранения раствора соли и дрожжевой разводки.

При работе линии муку из силосов 9 выгружают в бункер 12 с применением системы аэрозольтранспорта, который кроме труб включает в себя компрессор 4, ресивер 5 и воздушный фильтр 3. Расход муки из каждого силоса регулируют при помощи роторных питателей 7 и переключателей 11. Для равномерного распределения сжатого воздуха при различных режимах работы перед роторными питателями устанавливают ультразвуковые сопла 6.

Программу расхода муки из силосов 9 задает производственная лаборатория хлебозавода на основе опытных выпечек хлеба из смеси муки различных партий. Далее рецептурную смесь муки очищают от посторонних примесей на просеивателе 13, снабженном магнитным уловителем, и загружают через промежуточный бункер 14 и автоматические весы 15 в производственные силосы 16.

В данной линии для получения хорошего качества хлеба используют двухфазный способ приготовления теста. Первая фаза - приготовление опары, которую замешивают в тестомесильной машине 17. В нее дозируют муку из производственного силоса 16, также оттемперированную воду и дрожжевую разводку через дозировочную станцию 18. Для замеса опары используют от 40 до 70 % муки. Из машины 17 опару загружают в шестисекционный бункерный агрегат 19.

После брожения в течение 3,0…4,5 ч опару из агрегата 19 дозируют во вторую тестомесильную машину с одновременной подачей оставшейся части муки, воды, растворов соли и сахара, расплава жира. Вторую фазу приготовления теста завершают его брожением в емкости 22 в течение 1…2 ч. Плотность пшеничного теста после замеса составляет 1200 кг/м, в конце брожения - 500 кг/м.

Готовое тесто стекает из емкости 22 в приемную воронку тестоделительной машины 23, предназначенной для получения порций теста одинаковой массы.

После обработки порций теста в округлительной машине 24 образуются тестовые заготовки шарообразной формы, которые с помощью маятникового укладчика 1 раскладывают в расстойный шкаф 2.

Расстойка тестовых заготовок проводится в течение 35…50 мин. При относительной влажности воздуха 80…85 % и температуре 35…40 °С в результате брожения структура тестовых заготовок становится пористой, объем их увеличивается в 1,4…1,5 раза, а плотность снижается на 30…40 %. Заготовки приобретают ровную гладкую эластичную поверхность.

На входном участке пекарной камеры заготовки 2…3 мин подвергаются гигротермической обработке увлажнительным устройством при температуре 100…160 °С и относительной влажности воздуха 70…85 °С. Выпечка производится при переменном температурном режиме печи 150…250 °С в течение 10…60 мин, в зависимости от рецептуры и массы порции выпекаемого хлеба.

Выпеченные изделия с помощью укладчика 26 загружают в контейнеры 27 и направляют через остывочное отделение в экспедицию.

Общая продолжительность приготовления хлеба от подачи муки до получения готовой продукции обычно составляет 9…10 ч.

Рис. 1. Машинно-аппаратурная схема производства подового хлеба.

3. Описание конструкции основных единиц технологического оборудования


Тестоокруглительная машины с конической чашеобразной несущей поверхностью.

Тестоокруглительная машина Т1-ХТС (рис.2) предназначена для округления тестовых заготовок из пшеничной муки массой 0,2-1,1 кг. Состоит из корпуса 4, внутри которого размещены приводной электродвигатель 2, двухступенчатая клиноременная передача и червячный редуктор 3. Внутри пустотелого вала червячного колеса 12 расположен пустотелый вал 5, на котором закреплены формующая спираль 11 и воздухоподающие патрубки 10, служащие для обдувки заготовок воздухом с целью устранения залипания теста на рабочих поверхностях машины.

Для установления выходного участка спирали в нужном для согласования технологического потока направлении спираль можно поворачивать и фиксировать с помощью диска 8 с отверстиями и пальца 9. Для регулирования зазора между стенкой чаши и формующей спиралью служит винт 7. Загрузка заготовок осуществляется через приемную воронку 6. Изменяя положение загрузочной воронки, можно изменять в небольших пределах длительность проработки заготовки в округлителе.

Воздух для обдувки подается в машину по трубе 1, к которой подключается центральная воздухоподающая магистраль.

В приводе машины предусмотрена двухручьевая клиноременная передача с различным передаточным отношением, что позволяет иметь две частоты вращения чаши.

К достоинствам машины следует отнести простоту конструкции и удобство обслуживания, устройство для регулирования зазора между чашей и спиралью.

Аналогичную конструкцию имеет тестоокруглительная машина марки Т1-ХТС для мелкоштучных булочных изделий. Она отличается конструкцией спирали и уменьшенными размерами.

Рис. 2. Тестоокруглительная машина Т1-ХТС с конической чашеобразной несущей поверхностью.

Техническая характеристика

Масса формуемых кусков, кг 0.2-1.1

Производительность, шт. /миндо 63

Частота вращения чаши, об/мин40; 62.5

Мощность, кВт

Электродвигателя 1.1

нагревателя воздуха -

Габаритные размеры, мм

Длина 1015

Ширина 930

Диаметр формующего органа, мм 800

Масса, кг 277

Закаточно-формовочная машина ВМ 54

Закаточно-формовочная машина ВМ 54 (рис. 4) - это универсальная машина для всех сортов теста для белого хлеба и смешанных сортов с содержанием ржаной муки до 40%. Машина подходит для формового и подового хлеба длиной 150 - 440 мм и весом куска теста 400 - 1000 грамм. Машина имеет максимальную мощность не менее 3000 штук/час при 1000 грамм, прекрасно подходит для автоматической переработки теста при круглосуточном производстве.

Над протягивающим конвейером находится прессовочная плита. Это пластина, которая устанавливается на разную высоту путём поворотом винта. Высота передней и задней стороны плиты могут устанавливаться независимо друг от друга.

Если запоры винтов потянуть на себя, прессовая плита будет разблокирована и может быть закреплена выше. За счет конструкции газовой рессоры плита останется сама на том же месте. С какой стороны закрепить пластину зависит от того с какой стороны машина будет обслуживаться.

Куски теста доставляются с подъёмника по транспортёру и прокатывается между двумя парами вальцов. Вальцы могут быть отрегулированы независимо друг от друга (рукоятки настройки находятся на боковой стороне машины, указания находятся на большой передней панели).

После прокатки между второй парой вальцов куски теста поступают на конвейер. Скорость этого конвейера можно менять. Настроечный рычаг на передней стороне, показания скорости можно увидеть на этом рычаге. Скорость закаточного конвейера должка быть такая, что кусок теста плавно и натянуто но без складок переносится со вторых вальцов на ленту, где находятся отбивающая и закаточная сети

Каждая сеть может быть установлена по высоте в одно из трех положений.

В начале закаточной сети есть противовес для дополнительного веса, чтобы закатка производилась равномерно натянуто. Закаточная сеть подвешена на задней стороне, где также может быть установлена в три положения по высоте

После закаточной сети кусок теста переносится на протягивающий конвейер.

Рис. 3. Закаточно-формовочная машина ВМ 54.

Техническая характеристика

Длина тестовой заготовки, мм 150 - 440

Масса куска теста, грамм 400 - 1000

Производительность, штук/час 3000

4. Энергоснабжение предприятия


4.1 Теплоснабжение


Осуществляется от городских тепловых сетей и имеет цель покрывать тепловые нагрузки по отоплению. Параметры теплоносителя: t = 150-170°С, р = 8-4 кг/см3. Технологическое теплоснабжение осуществляется от собственной котельной. Котлы типа "Универсал" в количестве 4-х штук работают на газовом топливе. Резервного вида топлива не предусмотрено.

Водоподготовка состоит из 2-х стадий, экономайзеры отсутствуют. На хвостовой поверхности нагрева смонтированы котелки - бойны для приготовления горячей воды. Контроль расхода пара не осуществляется. Косвенный учет проводится по количеству воды и сжигаемого топлива.

Пароснабжение осуществляется в виде острого пара, который используется для теплоснабжения в расстойно-печных агрегатах. Отработанный пар возвращается в котельную в бачки и далее используется в качестве питательной воды.

На предприятии для получения пара на технологические нужды, а также горячего водоснабжения и теплоснабжения построена собственная котельная с установкой паровых котлов. При отсутствии возможности теплоснабжения от ТЭЦ в котельной проектируются водоподогревательные установки для приготовления воды с высокой температурой, идущей на нужды отопления и вентиляции.

Котельная включает 4 котла типа "Универсал", производительностью до 1 т/ч каждый, оборудованного горелкой ИГК-8, работающей на газе. Расход газа составляет 3.980.000 м3/год. Кроме котлов здесь размешаются вспомогательное оборудование и транспортные устройства очаговых остатков.

К вспомогательному оборудованию относятся: тягодутьевая установка с химводоподготовкой. В котельной разрешается устанавливать утилизаторы тепла отходящих газов от печей. Котельную надо располагать ближе к основным потребителям тепла, по возможности, в самом низком месте застройки. Уровень конденсатного бака должен быть ниже отметки любого потребителя пара.

Эти требования на хлебозаводе выполнены, т.к. котельная размещается в пристройке, над которой нет других помещений. Она имеет выход в цех и обязательный выход на улицу.

На хлебозаводах обычно устанавливают для технических нужд котлы стальные с давлением до 0,8 МПа, а для отопления и вентиляции - чугунные.

Водоподготовка осуществляется следующим образом. Поступая из сети, вода идет на химочистку, где проходит через Na-катионитовый фильтр, при этом значительно снижается жесткость воды. После этого вода прогревается в деаэраторе до необходимой температуры, затем подается в котлы.

Таким образом, в процессе очистки вода отделяется от различных примесей и смягчается, т.е. соли Са и Mg заменяются на соли Na. Это необходимо для борьбы с накипью внутри котлов.

Образующийся в ходе работы конденсат полностью возвращается в котельную. Конденсат с водобаков возвращается в деаэратор для подготовки воды. Выработанный пар используется на технические цели: подается к печам, в расстойные шкафы, к заварочной машине.

Для автоматического отмеривания порций и автоматического регулирования воды, необходимой для замеса опары или теста, на предприятии установлен автоводобак марки АВБ-100.

Техническая характеристика

Полезная емкость бачка

100 дм3

Градуировка делений шкалы водомерного стекла по

5 дм3

Пределы регулирования количества воды, дм3

3-100

Точность регулирования количества воды, %

± 0,5

Точность регулирования температуры смеси воды,°С

± 1

Пределы регулирования температуры воды, °С

20-60

Вес, кг

140


4.2 Холодоснабжение


Устройство аммиачно-холодильной установки: компрессор, конденсатор, испаритель.

В компрессоре хладагент сжимается до давления 14-16 атм., в конденсаторе происходит охлаждение рассола до температуры окружающей среды, превращение в жидкость. В испарителе с помощью терморегулируемого вентиля идет разбрызгивание жидкого аммиака и его испарение. Иногда сопровождается охлаждением. На этом основан холодильный фильтр в качестве хладагента используется раствор CaCO2 р=1,28 кг/см3 и незамерзающий при температуре - 25°С. Рассоловый насос, прогоняя хладагент через трубопровод, испаритель доставляет холод в камеру охлаждения.

Холодопроизводимость стационарной холодильной камеры типа АУ-90 - 90000 ккал/час.

4.3 Водоснабжение


Осуществляется от городского водопровода. По двум источникам вода, через узел учета, с водомером типа ВКС-80 подается в резервуары-накопители (2 резервуара объемом 200 м3). Из резервуаров насосом типа k-20-З0 с электродвигателем и противопожарными насосами типа к-50-80 с электродвигателем подается вода на производство.

4.4 Электроснабжение


Осуществляется по трем независимым линиям, 6 кВт преобразуется до уровня 380/220 В. Транспортировка напряжения осуществляется транспортной подстанцией РП-630-614. Подача электроэнергии осуществляется по системе электрических кабелей с напряжением 380/220 В.

Потребители электроэнергии: электроприводы компрессоров, насосов, транспортеров, электроосвещение и др.

Для обеспечения безопасности потребителей, корпуса машин преднамеренно соединяются с контуром заземления, а там, где преднамеренно соединяются корпуса машин и металлоконструкций с нулевой жилой кабеля - заглубления.

Способы экономии электроэнергии:

·   Оптимальная загрузка электрооборудования;

·   Применение равномерной круглосуточной загрузки оборудования.

5. Охрана окружающей среды и рационально использование природных ресурсов


На промышленной площадке осуществляют свою производственную деятельность следующие структурные подразделения предприятия:

.        Производственный участок (основной).

2.      Вспомогательное производство. Котельная предназначена для обеспечение технологических процессов паром и горячей водой, а также для отопления зданий и сооружений. В котельной установлено 3 паровых котла типа ДЕ-65/14ГМ, работающих на природном газе; гараж - в состав автомобильного парка предприятия входит 30 единиц техники; ремонтные мастерские; столярные участки; административно-бытовой корпус; столовая.

5.1 Основное производство


Производственный участок - это основной корпус с замкнутой технологической линией по производству хлебобулочных изделий. Основным сырьем данного участка является мука. На хлебозаводе специфическими выбросами являются мучная и сахарная пыль, отработанные газы сжигания топлива, газы, отводимые из компрессорно-воздушных установок, для получения сжатого воздуха, предназначенного для аэрозольтранспорта муки.

Отходами основного производственного участка являются: хлебная крошка - после выпечки и сортировки; брак хлебобулочных изделий - хлебная крошка и брак хлебобулочных изделий после предварительной подготовки возвращаются в технологическую линию в качестве добавок к замесу, что допускается стандартной рецептурой на хлебобулочные изделия.

Предприятие не имеет отходов производства I и II класса опасности, а из общей массы образующихся отходов производства и потребления отходы III класса опасности составляют 1,52%, а отходы IV класса опасности 97,77%. Отходы основного производства - 8,27%; отходы потребления - 65%. Данное предприятие по оценке воздействия отходов на окружающую среду относится ко второй категории.

Воздействие загрязняющих веществ на окружающую среду. Пищевая промышленность занимает 14 место среди отраслей и производств промышленного цикла по уровню загрязнения окружающей среды. До 10% сточных вод промышленных предприятий приходится на долю пищевых производств. Хлебозавод в той или иной степени загрязняет окружающую природную среду за счет выброса ряда вредных веществ в атмосферу, образования сточных вод и твердых отходов.

Источниками выделения и выбросов загрязняющих веществ в атмосферу являются:

газовые печи для выпечки хлебобулочных изделий;

технологическое оборудование участка замешивания и вызревания теста.

Загрязнения окружающей среды при поступлении муки на предприятие и перекачки ее в технологические силоса не происходит. На завод мука поступает в автомуковозах и далее пневмотранспортом, в зависимости от ее вида и сорта, перекачивается в один из силосов склада БХМ. Избыток воздуха из силосов поступает в рабочее пространство производства, не имеющего вентиляционной системы, все силосы оборудованы индивидуальными тканевыми фильтрами. Остатки мучной пыли оседают в складском помещении и удаляются при влажной уборке, которая проводится не реже трех раз в смену и после каждой разгрузки автомуковоза. Поэтому поступление мучной пыли из помещения в наружную окружающую среду при такой технологической операции практически не происходит.

Качественный состав загрязняющих веществ от всех источников выбросов предприятия, поступающих в атмосферу, определяется физико-химическими превращениями, составляющими основу технологических процессов производства.

Количественные характеристики выбрасываемых в атмосферу загрязняющих веществ (т/год) приведены по усредненным годовым значениям.

Таблица 1. - Загрязняющие вещества предприятия, выбрасываемые в атмосферу

Наименование вещества

ПДК, мг/м³

Суммарные выбросы ПДВ, т/год

1. Твердые загрязняющие вещества: пыль древесная

 

 

 0,003

 пыль неорганическая (20-70%)

0,1

3

0,001

 оксиды марганца

0,001

2

0,002

 пыль абразивная

-

-

0,003

 бенз (а) пирен

0,000001

1

0,009

 оксид железа

0,04

3

0,032

 сажа

0,05

3

0,002

 пыль муки

0,15

3

0,576

2. Группа оксидов серы, углерода, азота: оксид углерода

 3

 4

 20,381

 диоксид азота

0,04

2

2,794

 оксид азота

0,06

3

0,450

 оксид серы

0,05

3

0,002

3. Углеводороды без летучих органических соединений: углеводороды по керосину

 

 3

 0,004

4. Летучие органические соединения: углеводороды по бензину

 1,5

 3

 0,020

5. Прочие загрязняющие вещества: серная кислота

 0,1

 2

 7Е-0,5



5.2 Воздействие загрязняющих веществ на человека


Лимитирующим показателем вредности, характеризующим направленность биологического воздействия, являются рефлекторное и резорбтивное действие.

Под рефлекторным действием понимается реакция со стороны рецепторов верхних дыхательных путей (ощущение запахов, раздражение слизистых оболочек, задержка дыхания и так далее), которое обычно возникает при кратковременном воздействии вредных веществ. Рефлекторное действие на органы оказывает этиловый спирт.

Под резорбтивным действием учитывается возможность развития общетоксичных, эмбриотоксичных, мутагенных, канцерогенных и других эффектов, возникновение которых зависит не только от концентраций вредного вещества, но и от продолжительности воздействия. Резорбтивным действием на организм обладают следующие компоненты выбросов: оксид железа, бенз (а) пирен.

Рефлекторно - резорбтивное действие оказывают вещества: диоксид азота, оксид азота, уксусная кислота и альдегид, сажа, диоксид серы, оксид углерода, марганец и его соединения.

Загрязняющие вещества, для которых установлены ОБУВ: пыль абразивная, пыль древесная.

5.3 Очистка сточных вод на предприятии


Существует ряд способов очистки сточных вод от нефтепродуктов. Эти методы эффективны, когда содержание нефтепродуктов не превышает 100 мг/л. К этим методам можно отнести озонирование, ультрафильтрацию, фильтрование через фильтрующие материалы, фильтрацию через зернистый слой, адсорбцию.

Перечисленные методы обладают рядом существенных недостатков и являются дорогостоящими. Кроме того, их внедрение повлечет за собой существенную перестройку имеющихся очистных сооружений, в которых проектом предусмотрено использование рамочных фильтров с адсорбентами. Стоки, образующиеся от мойки автотранспортной техники, в объеме с площадки для мойки машин собираются в колодце, а оттуда направляются в горизонтальный отстойник, затем на фильтры первой и второй ступени и затем на очистные сооружения, откуда стоки сбрасываются.

В настоящее время очистка стоков не проводится из-за отсутствия фильтров на очистных сооружениях. Попадая на почву, нефтепродукты загрязняют окружающую среду и наносят экологический ущерб.

Для того, чтобы исключить попадание нефтепродуктов в почву, дождевые стоки необходимо очищать. Максимальное содержание нефтепродуктов в дождевых стоках на основании проектных данных достигает 50 мг/л, по взвешенным веществам - 100 мг/л.



Таблица 2. Природоохранные мероприятия, проводимые на предприятии

Природоохранные мероприятия

Срок выполнения

I. Охрана атмосферы воздуха 1. Контроль нормативов ПДВ

 В течение года

 2. Контроль токсичных выхлопных газов собственного автотранспорта

Ежеквартально

3. Ремонт системы автоматизации котлов ДЕ-6,5 14ГМ (газ, воздух, разреженность)

В течение года

II. Охрана водного бассейна 1. Замена фильтров в очистных сооружения ливневых вод

 В течение года

2. Ремонт запорной арматуры

В течение года

3. Чистка канализационных отстойников от грязи

В течение года

4. Контроль за содержанием загрязняющих веществ в стоки воды в городском коллекторе

Постоянно

5. Контроль за ливневыми стоками воды в каменный лог после очистных сооружений

Постоянно

6. Ввод в эксплуатацию мойки автомобильного транспорта

В течение года

7. Завершение реконструкции очистных сооружений

В течение года

Природоохранные мероприятия

Срок выполнения

III. Охрана земельных ресурсов. 1. Приведение территории перед заводом в надлежащее санитарное состояние, посадка кустарников, зеленых насаждений

 Постоянно

2. Содержание территории хлебозавода, клумб, газонов в хорошем санитарном состоянии

Постоянно

3. Вывод ТБО

Постоянно

4. Уборка территории, полив насаждений, озеленения

По мере необходимости

5. Утилизация отработанных масел

По мере необходимости

6. Утилизация автотранспортных и аккумуляторных батарей

По мере необходимости

7. Утилизация ртутьсодержащих ламп

По мере накопления

8. Вывоз металлолома

По мере накопления



5. Технология изготовления хлеба заварного с изюмом


Хлеб заварной с изюмом вырабатывают из муки ржаной обдирной или обойной, пшеничной высшего, первого или второго сорта, муки ржаной набухающей обойной или обдирной (заварки сухой), солода ржаного ферментированного или концентрата квасного сусла, заварки сухой ржаной комплексной "Вега-1" или "Вега-3", тмина, изюма или других видов сырья, формовым и подовым массой 0,3 кг и более.

Содержание основных пищевых веществ и энергетическая ценность 100 г хлеба:

Показатели

формового

подового

Белки, г

6,4

6,6

Жиры, г

1,1

1,1

Углеводы, г

52,8

54,9

Калорийность, ккал

220

228


6.1 Описание технологического процесса


Тесто для хлеба заварного с изюмом с применением муки набухающей или ЗСРК "Вега-1" можно готовить однофазным (безопарным) или двухфазным (опарным или на осахаренном полуфабрикате) способами с подкислением теста традиционными ржаными заквасками (густой, жидкой с заваркой или без нее) или добавкой подкисляющей комплексной "Цитрасол". При применении ЗСРК "Вега-3" тесто готовят однофазным способом без дополнительного подкисления.

При наличии на предприятии установки по получению традиционной заварки допускается использовать ее вместо муки набухающей (заварки сухой) или ЗСРК "Вега", при этом тесто готовят на заварке осахаренной или заквашенной традиционными ржаными заквасками (густой, жидкой) или ускоренным способом на добавке подкисляющей комплексной "Цитрасол".

Тесто готовят непрерывно или порционно в дежах тестомесильной машины.

При приготовлении теста с использованием муки набухающей для подкисления теста можно использовать традиционные ржаные закваски или добавку подкисляющую комплексную "Цитрасол".

При подкислении теста добавкой подкисляющей комплексной "Цитрасол" приготовление теста производят следующим образом. Муку набухающую, солод, муку ржаную и пшеничную, добавку подкисляющую комплексную "Цитрасол" предварительно смешивают в тестомесильной машине, затем вносят остальное сырье и воду. Производят замес теста до получения однородной массы и оставляют для брожения.

Для приготовления закваски тмин в виде целых или перетертых семян смешивают с солодом и мукой и при перемешивании заваривают водой с температурой 95-98°С. Приготовление заварки можно осуществлять также путем прогревания водно-мучной смеси острым паром в течение 30-40 мин до температуры 65-70° С. Осахаривание заварки осуществляют в течение 90-120 мин. Осахаренную заварку охлаждают до 32-34°С и расходуют на замес опары или теста. Готовность опары и теста определяют по кислотности, установленной технологическим режимом с учетом качества муки.

Выброженное тесто разделывают на куски; тестовые заготовки укладывают на поды и направляют на расстойку. Продолжительность расстойки 45-65 мин в зависимости от массы тестовых заготовок и условий расстойки.

Продолжительность выпечки хлеба 30-60 мин (в зависимости от массы) при температуре 200-210°С.

Хлеб при выемке из печи опрыскивают водой.

Таблица 3. Рецептура хлеба заварного с изюмом (ТУ 9113-010-11163857-98)

Наименование сырья

Расход сырья, кг, при приготовлении теста с применением:

добавки подкисляющей комплексной "Цитрасол"

заварки сухой ржан. компл. "Вега-3"

Мука ржаная хлебопекарная обойная или обдирная

60,0

45,0

45,0

60,0

45,0

45,0

45,0

Мука пшеничная высшего, первого или второго сорта

35,0

35,0

35,0

35,0

35,0

35,0

35,0

Мука ржаная набухающая обойная или обдирная

-

15,0

-

-

15,0

-

-

Солод ржаной ферментированный

5,0

5,0

-

5,0

5,0

-

-

Заварка сухая ржаная компл. "Вега-1"

-

-

20,1

-

-

20,1

-

Заварка сухая ржаная компл. "Вега-3"

-

-

-

-

-

-

23,0

Дрожжи хлебопекарные прессованные

1,0

1,0

1,0

1,2

1,2

1,2

1,2

Соль поваренная пищевая

1,3

1,3

1,3

1,3

1,3

1,3

1,3

Сахар-песок

4,0

4,0

4,0

4,0

4,0

4,0

Виноград сушеный (изюм)

8,0

8,0

8,0

8,0

8,0

8,0

8,0

Тмин (кориандр, анис, фенхель)

0,1

0,1

-

0,1

0,1

-

-

Добавка подкисляющая комплексная "Цитрасол"

-

-

-

3,5

3,5

3,5

-

ИТОГО:

114,4

114,4

114,4

118,1

118,1

118,1

117,5



6.2 Машинно-аппаратурная схема производства хлеба заварного с изюмом


Рис. 4. Линия производства хлеба заварного с изюмом:


6.3 Описание конструкции основных единиц технологического оборудования


Ротационная печь Г4-ПРЭ

Печь такого типа предназначена для выпечки хлебобулочных изделий на металлических листах, установленных на контейнере.

Печь (рис. 6) состоит из следующих основных частей: кожуха 10, теплоизоляции 6, теплообменника 9, двери 8, механизма вращения контейнера 3, системы пароувлажнения 2, рециркуляционного 5 и вытяжного 4 вентиляторов, блока 7 и панели управления 1.

Работа ротационной печи осуществляется следующим образом. На панели управления 1 согласно режиму выпечки задаются необходимые температура и продолжительность выпечки, а также время подачи воды на пароувлажнительный каскад 2. Закрываются дверь печи и заслонка вытяжного вентилятора 4. Включаются автоматические выключатели, и через блок управления 7 в силовую сеть подается напряжение.

С помощью кнопочного выключателя подается напряжение на цепи управления, при этом должны включиться рециркуляционный вентилятор 5 и механизм вращения контейнера 3. На панели управления 1 переключатель "Нагрев" устанавливается в положение "Автомат". Поступающий в печь воздух нагревается ТЭ новой секцией теплообменника 9 и проходит через жалюзи в пекарную камеру. Через технологические отверстия воздух из пекарной камеры опять поступает к электронагревателям.

По достижении заданной температуры внутри пекарной камеры открывается дверь 8 печи, и на платформу вручную закатывается и фиксируется контейнер с заготовками. Дверь печи закрывается и включается реле контроля продолжительности выпечки. Для увлажнения среды пекарной камеры на пароувлажнительный каскад 2 подается вода.

По окончании выпечки автоматически подается звуковой сигнал. Отключаются электронагреватели, открывается заслонка и включается привод вытяжного вентилятора 4.

Затем дверь печи открывается, контейнер с готовой продукцией выкатывается, а на платформу печи закатывается новый. Дверь печи закрывается, вытяжной вентилятор выключается.

Рис. 5. Печь ротационная Г4-ПРЭ.

Технические характеристики

Единицы измерения

Г4-ПРЭ

Габаритные размеры

мм

2635х1770х2660

Масса

т

2,34

Производительность (техническая)

кг/ч

179

Установленная мощность

кВт

71


Расстойный шкаф

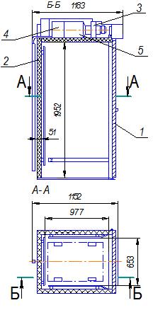
В шкафу расстойка тестовых заготовок происходит в контейнерах, периодически загружаемых в рабочее пространство.

Такой расстойный шкаф снабжен электронагревателями и представляет собой сборную изотермическую камеру, которая состоит из комплекса унифицированных панелей с теплоизоляцией, что обеспечивает отсутствие конденсата на внутренних стенках камеры, выполненных из нержавеющей стали. Двери шкафа оснащаются силиконовым уплотнителем и специальными петлями, которые обеспечивают опускание их на пол в закрытом положении и тем самым герметизацию расстойной камеры по нижнему срезу дверей.

Используемый в шкафу тангенциальный вентилятор с рабочим колесом малого диаметра и большой ширины необходим для плавной и равномерной циркуляции воздуха в камере расстойки.

Шкаф состоит из следующих основных частей: кожуха 1, теплоизоляции 2, технологического кондиционера 6, в состав которого входит вентиляторный агрегат 3, камера орошения 4, калорифер 5.

Технические характеристики

Ширина

880

Глубина

мм

1580

Высота

мм

2300

Кол-во дверей

шт.

1

Ширина двери

мм

820

Мощность при нагревании

кВт

4


Рис. 6. Расстойный шкаф (общий вид)

Рис. 7. Расстойный шкаф (разрез)

Заключение


В процессе прохождения производственной практики на предприятии ООО "ЭкоХлеб" были рассмотрены линии производства подового хлеба, хлеба заварного с изюмом. Также были изучены конструкции основных единиц технологического оборудования и рассмотрен принцип их действия.

Дополнительно произвелось ознакомление с теплоснабжением, холодоснабжением, водоснабжением и канализацией, электроснабжением, способами очистки сточных вод на предприятии.

Список использованных источников


1. Хромеенков В.М. Технологическое оборудование заводов и макаронных фабрик. Технологическое оборудование отрасли. Часть 1. - СПБ.: ГИОРД, 2008. - 480 с.: ил.

. Сборник рецептур и технологических инструкций по приготовлению хлебобулочных изделий с использованием ржаной муки/ Рос. акад. с. - х. наук, Гос. науч. Учреждение Гос. НИИ Хлебопекар. пром-сти, Санкт-Петерб. фил. - Санкт-Петербург: Береста, 2007.

. Лабораторный практикум по технологическому оборудованию пищевых производств: Учеб. пособие для вузов: / С.Т. Антипов, А.М. Гавриленков, В.Е. Добромиров, Ю.А. Завьялов, В.Е. Игнатов, И.Т. Кретов, А.Н. Остриков, К.В. Харченков, С.В. Шахов; Воронеж. гос. технол. акад. Воронеж, 1999.440 с.

. http://www.revent-ural.ru/revent_pro7000. htm

Похожие работы на - Анализ хозяйственной деятельности ООО 'ЭкоХлеб'

 

Не нашли материал для своей работы?
Поможем написать уникальную работу
Без плагиата!
Без нейросетей!