Релейная защита системы электроснабжения

  • Вид работы:
    Курсовая работа (т)
  • Предмет:
    Физика
  • Язык:
    Русский
    ,
    Формат файла:
    MS Word
    1,04 Мб
  • Опубликовано:
    2014-01-09
Вы можете узнать стоимость помощи в написании студенческой работы.
Помощь в написании работы, которую точно примут!

Релейная защита системы электроснабжения

Введение

Системы электроснабжения являются сложными производственными объектами, все элементы которых участвуют в едином производственном процессе, основными специфическими особенностями являются быстрота явлений и неизбежность повреждений аварийного характера. Поэтому надёжное функционирование системы электроснабжения возможно лишь при автоматическом управлении ими. Для этой цели используют комплекты автоматических устройств, среди которых первоначальное значение имеют устройства релейной защиты и автоматики.

Рост потребления электроэнергии и усложнение систем электроснабжения требует постоянного совершенствования этих устройств. Наблюдается тенденция создания автоматизированных систем управления на основе использования цифровых универсальных и специализированных вычислительных машин. Вместе с тем широко применяются и простые средства защиты и автоматики: плавкие предохранители, автоматические выключатели, магнитные пускатели, реле прямого действия, трансформаторы тока и др. Наиболее распространены токовые защиты, устройства автоматического повторного включения, автоматического включения резервного источника питания, автоматической частотной разгрузки и т.д., используемые в установках с включателями, оборудованными грузовыми и пружинными приводами.

Значение релейной защиты и системной автоматики для обеспечения надёжной и экономичной работы потребителей электрической энергии весьма велико. Необходимо принимать во внимание удобство последующей эксплуатации проектируемой аппаратуры, надёжность её работы, стоимость и возможность использования типовых решений.

В данной работе ведется расчет защит для разных элементов электрической системы.

При выборе защитных и коммутационных устройств предпочтение отдается полупроводниковым или микропроцессорным устройствам.

Целью работы является разработка простой и надежной системы защиты фрагмента системы электроснабжения от основных видов повреждений. Поставленные задачи решаются с помощью методик и способов расчета. Предлагаемые решения являются «классическими» и широко распространены в существующих узлах энергосистемы.

         Выбор автоматических выключателей

1.1     Выбор отходящего автомата QF3

Определяется максимальный рабочий ток отходящего присоединения 0.4 кВ, исходя из Кзагр=0.63, и из того, что ток наиболее загруженной линии равен 50 процентам от всей нагрузки трансформатора

 

=286.4 А.

По условиям [1, с. 404], для тепловых расцепителей автоматов серий ВА: kзап=1. Откуда номинальный ток теплового расцепителя расчетный

 

 

В соответствии с условием

(3)

где паспортная величина номинального тока расцепителя автоматического выключателя

По таблице 2.7 [2] выбирается автоматический выключатель ВА51-37 с комбинированным (термомагнитным) двухступенчатым расцепителем. Номинальный ток автомата: Iном.а=400А; номинальный ток теплового расцепителя: Iрц.ном=320 А.

Кратность срабатывания первой ступени защиты (отсечки) по отношению к Iрц.ном :

.

Кратность срабатывания третьей ступени защиты по отношению к Iрц.ном

 

Откуда

 

 

 

 

Время срабатывания третьей ступени защиты при протекании тока перегрузки I=6* (рисунок 2.6 [2]) не регулируется и равно 8 с.

1.2     Выбор секционного автомата QF2

Максимальный рабочий ток определяется исходя из полной загрузки одной секции шин:

 

=572,9 А.

По условиям [1, с. 404], для микропроцессорных расцепителей серии МРТ5 автоматов серий «Электрон»: kзап=1.1 (заявленная заводом 10-процентная погрешность срабатывания). Откуда номинальный ток расцепителя расчетный по (2):

 

В соответствии с условием (3) по таблице 1 [3] принимаем автоматический выключатель «Электрон» Э06С с микропроцессорным трехступенчатым расцепителем МРТ5 производства завода «Контактор». Номинальный ток автомата: Iном.а=800 А; номинальный ток теплового расцепителя устанавливается равным:

рц.ном=kрег* Iном.а ; (7)

рц.ном=0,8*800=640А;

где kрег=0,8 - уставка номинального тока расцепителя, кратного номинальному току автомата.

Ток срабатывания третьей ступени защиты по (4):

 

Уставка расцепителя МРТ по времени для тока перегрузки, равному 6-кратному номинальному току расцепителя выбирается:

 

Ток срабатывания второй ступени защиты - токовой отсечки с выдержкой времени  отстраивается от допустимого тока перегрузки:

 

 

Условие выбора уставки:

 

где коэффициент отстройки от токов перегрузки для микропроцессорного расцепителя [1, с. 406].

 

Выбирается стандартная кратность из ряда уставок, с учетом требования согласования с характеристикой защиты нижестоящей ступени:

 

где - уставка срабатывания второй ступени защиты в кратности к .

Выдержка времени второй ступени защиты выбирается из ряда уставок равной:

 

Ток срабатывания токовой отсечки без выдержки времени (первой ступени защиты) не регулируется и принимается равным

 

 

Максимальное время срабатывания токовой отсечки, по данным производителя не превышает

 

1.3     Выбор вводного автомата QF1

Максимальный рабочий ток определяется исходя из условия длительного обеспечения питания двух секций шин при отключении одного из трансформаторов подстанции

 

=1145,8 А.

К установке принимается автоматический выключатель серии «Электрон» по таблицам 1, 2 [3], завода «Контактор», с микропроцессорным расцепителем МРТ5. Выбор автомата и расчет характеристики осуществляется по выражениям (7)-(10) аналогично автомату QF2.

По (2):

 

Выбирается Выключатель Э25С с Iном.а=1600 А; номинальный ток теплового расцепителя устанавливается равным по (7):

рц.ном=0,85*1600=1360 А;

где kрег=0,85 уставка номинального тока расцепителя, кратного номинальному току автомата.

Кратность срабатывания третьей ступени защиты по (4):

 

Уставка времени срабатывания третьей ступени защиты при I=6*Iрц.ном:

 

Ток допустимой перегрузки по (8):

 

По (9):

 

Выбирается:

 

где =3 - уставка срабатывания второй ступени защиты в кратности к .

Выдержка времени второй ступени защиты выбирается из ряда уставок равной:

 

По (10):

 

1.4     Проверка чувствительности автоматических выключателей QF1 и QF2

Чувствительность оценивается с помощью значения тока металлического однофазного КЗ за трансформатором, приведенного к стороне НН, по [4, стр.31, (11)]

 

где фазное напряжение сети 0.4 кВ;

сопротивление трансформатора мощностью 630 кВА, приведенное к стороне НН для схемы соединения обмоток звезда/звезда с заземленной нейтралью, по табл. 3[5].

16046,5 А.

 

 

Для QF2 аналогично:

 

1.5     Выбор плавкой вставки предохранителя F.

Выбор плавкой вставки осуществляется из условия:

 

где номинальный ток трансформатора для стороны ВН:

 

 

 

По каталогу [5], с. 20 выбирается предохранитель ПКТ производства Курского Электроаппаратного Завода с

Время перегорания плавкой вставки при токе двухфазного КЗ в точке установки (К5):

 

определяется по кривым срабатывания предохранителя, приведенным в [5]. По каталожным кривым, время перегорания не превышает 0.01 c.

 

         Расчет защит кабельной линии W6

2.1     Расчет двухступенчатой защиты от КЗ

Защита кабельной линии от коротких замыканий выполняется на попупроводниковых (статических) двухфазных реле максимального тока серии РС80М2 производства группы компаний «Энергоинтеграция». [7] Мощность потребляемая одним реле - 1.5 ВА на фазу. Реле не требуют дополнительного источника питания.

2.1.1  Расчет параметров срабатывания первой ступени защиты - токовой отсечки

Ток срабатывания отсечки отстраивается от максимального тока внешнего короткого замыкания:

 

где

Коэффициент запаса принимается равным 1.1 по [6, с. 40] для цифровых реле из диапазона .

 

Для оценки чувствительности используется величина тока минимального (двухфазного) короткого замыкания в месте установки защиты:

 

где

 

Так как требуемая чувствительность не выполняется, с соответствии с [1, с.220] допустимо уменьшение тока срабатывания отсечки, поскольку защищаемая линия является радиальной и питает один трансформатор. Допуская срабатывание защиты при повреждениях в трансформаторе, ток срабатывания отсечки отстраивается от максимального тока короткого замыкания за трансформатором (точка К6). С учетом приведения тока КЗ в точке К6 к стороне 10 кВ получаем:

 

С учетом обеспечения требуемого уровня чувствительности принимаем ток срабатывания первой ступени защиты:

 

В случае отстройки тока срабатывания защиты от тока КЗ за трансформатором, чувствительность оценивается по минимальному току КЗ в конце защищаемой линии - точка К5, по [1, c.221], при этом коэффициент чувствительности должен быть не меньше 1.5:

 

 

 

Производится оценка зоны срабатывания отсечки с помощью графика изменения тока короткого замыкания вдоль линии W6:

Зона защиты линии W6 превышает минимально требуемые для отсечки по [1] 20% длины (см. графическую часть, рисунок 5).

2.1.2  Расчет параметров срабатывания второй ступени защиты - МТЗ

Максимальный рабочий ток кабельной линии, приведенной к стороне 10 кВ, рассчитывается исходя из нагрузки двух трансформаторов, с учетом коэффициента загрузки по формуле (11):

=45,83А.

Ток срабатывания второй ступени отстраивается по формуле:

 

где по [6, c.16] для статических реле:

коэффициент запаса надежности при несрабатывании принимается равным1,15;

коэффициент самозапуска ;

коэффициент возврата

 

Проверка чувствительности второй ступени защиты в основном и резервном режиме работы:

 

 

 

 

Для обеспечения требуемой селективности с плавким предохранителем, и сохраняя необходимую чувствительность МТЗ, увеличиваем ток срабатывания МТЗ:

 

 

Ток срабатывания окончательно принимается меньше наименьшего из двух значений:

 

Время срабатывания МТЗ:

 

где максимальное время срабатывания ближайшей нижестоящей защиты, в данном случае время перегорания плавкой вставки предохранителя F.

 ступень селективности.

 

2.2     Выбор трансформатора тока

Максимальный ток короткого замыкания в месте установки трансформатора тока:

 

Максимальный рабочий ток в месте установки трансформатора тока:

45,83А.

Принимается к установке трансформатор тока типа ТОЛ-10-200/5 производства ОАО «Свердловского завода трансформаторов тока» [8].

Данные ТТ:

номинальный первичный ток:

номинальный вторичный ток:

коэффициент трансформации:

номинальная вторичная нагрузка:

действительная вторичная нагрузка (одно реле РС80М2): 1.5 ВА

номинальная предельная кратность вторичной обмотки для защиты класса 10Р при вторичной нагрузке равной 3ВА [8, таблица А1]: .

Предельная расчетная кратность

 

 

 

<27.

Трансформатор тока удовлетворяет условиям выбора.

2.3     Выбор уставок реле и выбор промежуточных и сигнальных реле

Двухступенчатая защита линии W6 от КЗ стоится по двухфазной однорелейной схеме «неполная звезда». Реле максимального тока включается на полные токи двух фаз. Коэффициент схемы в таком случае равен:

 

Рассчитываются токи срабатывания реле

 

 

Ток срабатывания второй ступени - МТЗ рассчитывается аналогично:

 

Из ряда уставок тока срабатывания МТЗ для реле РС80М2 выбираем ближайшее значение:

 

Уставка отсечки задается в кратности к току срабатывания МТЗ, она равна:

 

Из ряда уставок реле выбирается значение:

 

Уточненные токи срабатывания защит после выбора уставок:

 

 

Выбирается уставка выдержки времени реле при токе реле :

 

С учетом выбранных уставок и схемы соединения с трансформаторами тока, принимается к установке двухфазное реле типа РС80М2-8 [7].

Для установки в оперативные цепи постоянного тока (по заданию) принимаются реле промежуточные типа РП23 УХЛ4 производства [9] на номинальное напряжение постоянного тока 220 В; реле указательное токового типа на номинальное напряжение 220 В постоянного тока номинальным током 0.025 A РУ21-1/0.025 УХЛ 4 [10]. Данные реле производятся Чебоксарским электроаппаратным заводом.

трансформатор ток релейный электрический

         Расчет токовой ступенчатой защиты воздушной линии W1

3.1     Расчет параметров срабатывания защиты

Токовая ступенчатая защита с независимыми выдержками времени выполняется на реле типа РСТ40 [11].

Максимальный рабочий ток защищаемой линии по заданию

 

Ток срабатывания третьей ступени защиты МТЗ отстраивается от максимального рабочего тока по формуле аналогичной (19) с учетом:

коэффициент запаса1,15 [1, с. 234];

коэффициент самозапуска [1, с. 234];

коэффициент возврата

 

Выдержка времени третьей ступени защиты принимается равной:

 

где максимальная выдержка времени срабатывания МТЗ отходящих линий, по заданию.

 

Ток срабатывания второй ступени защиты по [1, с. 226, (5.10)]:

 

где коэффициент отстройки

наибольший из токов срабатывания отсечки отходящих линий, по заданию.

 

Выдержка времени срабатывания второй ступени принимается равной :

∆t=0.3 c.

Ток срабатывания первой ступени защиты - токовой отсечки:

 

где максимальный ток внешнего тока короткого замыкания:

 

коэффициент надежности  по [1, c.220]:

 

Осуществляется проверка чувствительности ступеней защиты воздушной линии W1. Чувствительность МТЗ (третьей ступени) оценивается только при срабатывании в основном режиме - по минимальному току короткого замыкания в конце защищаемо линии:

 

 

Чувствительность второй защиты оценивается так же, как и чувствительность третьей

 

 

Чувствительность токовой отсечки анализируется для минимального тока короткого замыкания вместе установки защиты - точка K2 на схеме:

 

 

Таким образом, рассчитанные значения токов срабатывания удовлетворяют требованиям чувствительности.

3.2     Выбор трансформаторов тока

К установке принимается трансформатор тока типа ТОЛ-35III-IV-5-400/5 двухобмоточный 0,2S/10P производства ОАО «Свердловский завод трансформаторов тока», [12].

Максимальный ток короткого замыкания в месте установки трансформатора тока:

 

Максимальный рабочий ток в месте утсановки трансформатора тока:

131А

Данные ТТ:

номинальный первичный ток:

номинальный вторичный ток:

коэффициент трансформации:

номинальная вторичная нагрузка:

номинальная предельная кратность вторичной обмотки для защиты класса 10Р при вторичной нагрузке равной номинальной [12, табл. 3]:

Предельная расчетная кратность по (22):

 

 

,715<12.

Трансформатор тока удовлетворяет условиям выбора.

3.3     Выбор уставок реле

Трехступенчатая защита линии W1 от КЗ стоится по двухфазной трехрелейной схеме «неполная звезда».

Реле максимального тока включаются на полные токи фаз. Коэффициент схемы в таком случае равен:

 

Рассчитываются токи срабатывания реле трех ступеней по (23):

 

 

 

 

Ток срабатывания реле типа РСТ-40 регулируется непрерывно (потенциометром), поэтому фактический ток срабатывания реле принимается равным расчетному.

Уставки времени срабатывания отдельных реле РСТ-40 также регулируются непрерывно и настраиваются равными временам соответствующих ступеней защиты, рассчитанным в п.п. 3.1.

С учетом выбранных уставок принимаются к установке:

Однофазное реле максимального тока с оперативным питанием, с независимой выдержкой времени типа РСТ40-1В/100 для третьей ступени защиты[11];

Однофазное реле максимального тока с оперативным питанием, с независимой выдержкой времени типа РСТ40-1В/20 для второй ступени защиты [11];

Однофазное реле максимального тока с оперативным питанием, без выдержки времени типа РСТ40-1/6 для первой ступени защиты [11];

Мощность потребляемая реле первой, второй и третьей ступени от измерительных трансформаторов соответственно не превышает 0.4 ВА, 0.4 ВА, 1.5 ВА.

Для установки в оперативные цепи постоянного тока (по заданию) принимаются реле промежуточные типа РП23 УХЛ4 производства [9] на номинальное напряжение постоянного тока 220 В и реле указательные токового типа на номинальное напряжение 220 В постоянного тока номинальным током 0.025 A РУ21/0.025 УХЛ 4 [10].(3 шт.) Данные реле производятся Чебоксарским электроаппаратным заводом.

3.4     Проверка выбранного трансформатора тока

Действительное сопротивление вторичных цепей трансформатора тока отличается от номинального и равно:

 

где сопротивление токовых обмоток всех реле во вторичной цепи трансформатора тока, Ом:

 

Мощность, потребляемая катушками реле тока;

 ток, при котором указано значение потребляемой мощности (ток минимальной уставки реле).

 

Сопротивление алюминиевых проводов

 

где расчетная длина проводов вторичных цепей;

 длина проводов от трансформатора тока до места установки реле;

;

- сечение алюминиевых жил вторичных кабелей для токовых цепей, по ПУЭ.

По [13, с.71] для ОРУ класса напряжения 35 кВ принимается:=60 м, тогда:

 

Сопротивление контактов реле

Тогда:

Мощность, потребляемая вторичной цепью:

 

где - номинальный ток вторичной обмотки трансформатора тока.

 

По таблице А.1 для ТОЛ-35III-IV-5 [12] для

=12.

Таким образом, кратность вторичной обмотки, рассчитанная в п.п.3.2:

 

не превышает допустимой кратности вторичной обмотки данного трансформатора тока для нагрузки 30 ВА:

.715<12.

Действительная вторичная нагрузка трансформатора тока не превышает номинальной:

 

.1 ВА<30 ВА

Таким образом, выбранный трансформатор тока отвечает условиям проверки.

         Расчет АПВ ВЛЭП W1

Однократное автоматическое повторное включение линии реализуется на базе реле РПВ-01 Чебоксарского Электроаппаратного завода [14].

Согласно [15, c.63], для одиночных линий с односторонним питанием величина выдержки времени АПВ выбирается по двум условиям:

.        По условиям деионизации среды

 

 

.

Тогда первое условие имеет вид

с.

.        По условию готовности привода выключателя к повторному включению после отключения

 

гдевремя готовности электромагнитного привода ПЭМУ-500 вакуумного выключателя ВВУ-35 [16].

Второе условие запишется:

 

Из двух получившихся значений выбирается большее:

 

Уставка реле равна

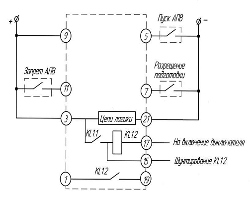
Рисунок 1 - Схема электрическая подключения реле типа РПВ-01

Время автоматического возврата АПВ в исходное положение (время готовности) должно обеспечивать однократность действия АПВ.

Время возврата в исходное положение должно быть

 

где  наибольшая выдержка времени защиты линии W1;

 

Из ряда уставок времени готовности реле РПВ выбирается ближайшее значение:

 

Действие АПВ происходит от несоответствия положения ключа и контактов выключателя.

         Расчет защиты от замыканий на землю кабельной линии W6

К установке принимается трансформатор тока нулевой последовательности типа ТЗЛ-1 05.1 производства ЗАО «Свердловский завод трансформаторов тока» [17]. Коэффициент трансформации ТЗЛ равен 25/1.

Расчет емкостных токов кабельных линий и присоединения с электродвигателем М1.

Линия W6.

Для сечения жилы кабеля 50 мм2 напряжением 10кВ удельный емкостной ток составляет по [18, табл.3]:

 

Тогда емкостной ток линии длиной l=1.15 км:

 

 

Расчет для КЛ 7 и 8 производится аналогично.

W7, сечение 185 мм2, длина 2.5 км.

 

 

W8, сечение 185 мм2, длина 3.2 км.

 

 

W5, сечение 70 мм2 ,длина 0,03 км.

 

 

Емкость двигателя М1 определятся по формуле:

 

где - паспортные данные двигателя М1.

 


 

 

Суммарный емкостной ток:

 

 

Ток замыкания на землю, обусловленный емкостью всей электрически связанной цепи равен

 

 

Так как  защита выполняется действующей на сигнал и отключение.

Защита выполняется с выдержкой времени:

 

действующей на отключение защищаемой линии.

Ток срабатывания защиты принимается равным

 

где - коэффициент отстройки для защиты с выдержкой времени, по согласованию с руководителем проекта.

 

С учетом коэффициента трансформации ТЗЛ ток срабатывания реле будет равен:

 

Проверка чувствительности защиты от замыканий на землю [1, с. 282]

 

 

Защита обладает достаточной чувствительностью.

Защита от замыканий на землю выполняется на базе реле тока с повышенной чувствительностью РТЗ-51 производства ОАО «Чебоксарский электроаппаратный завод» [19]. Реле требует оперативного питания постоянным напряжением 220 В. Пределы регулирования уставки тока срабатывания реле: 0,02-0,12 А.

Выбирается уставка реле:

.

Кроме реле тока, к установке принимаются промежуточные реле типа РП23 [9] и указательные РУ21 [10], аналогичные принятым ранее в пункте 3.3. К установке принимаются статические реле времени типа РСВ14 УХЛ4 производства ООО «Реле и автоматика» [28]. Выдержка времени данных реле регултруется дискретно в диапазоне 0.05-3 c, с щагом 0.025 с. Уставка реле принимается:

 

Реле РСВ14 требует оперативного питания от шин постоянного оперативного напряжения 220 В.

6        Расчет защиты электродвигателя М1

6.1     Расчет защиты от КЗ

Ток срабатывания защиты от КЗ:

 

где - пусковой ток двигателя;

- коэффициент запаса, учитывающий апериодическую составляющую пускового тока машины [18, c.5].

Номинальный ток двигателя:

 

 

 

где  кратность пускового тока.

 

 

Проверка чувствительности защиты осуществляется по формуле:

 

 

Защита удовлетворяет требованию необходимой чувствительности.

6.2     Выбор трансформатора тока

К установке принимаются трансформаторы тока типа ТОЛ-10-100/5 [8]. Защита строится по двухфазной однорелейной схеме «разность токов двух фаз», коэффициент схемы в таком случае равен:

 

Данные трансформатора тока:

номинальный первичный ток:

номинальный вторичный ток:

коэффициент трансформации:

номинальная вторичная нагрузка:

номинальная предельная кратность вторичной обмотки для защиты класса 10Р при вторичной нагрузке равной номинальной [8, табл А1]: .

Предельная расчетная кратность:

 

 

 

,8<10.

Трансформатор тока удовлетворяет условию выбора.

6.3     Расчет защиты от перегрузки

Ток срабатывания защиты от перегрузки

 

где коэффициент отстройки от тока нормального режима работы, по [1, с.565];

коэффициент возврата.

 

Выдержка времени реле отстраивается от времени пуска двигателя, с учетом того, что время пуска указано для режима холостого пуска:

 

 

 выдержка времени срабатывания защиты от перегрузки.

 

Ток срабатывания реле:

 

;

.

 

Тогда кратность тока срабатывания защиты от КЗ относительно тока срабатывания от перегрузки:

 

Защита двигателя от токов перегрузки и короткого замыкания производится на базе однофазного двухступенчатого реле типа РС80М-4 [20]. Реле не требует дополнительного источника питания. Реле включается на разность токов фаз А и С. Из ряда стандартных уставок реле выбирается ток срабатывания реле от перегрузки:

 

Кратность срабатывания защиты при КЗ:

 

Тогда ток срабатывания реле для защиты от КЗ:

 

Защита настроена верно.

6.4     Расчет защиты от замыканий на землю

В разделе 5 были определены емкостные токи КЛ W5 и электродвигателя М1:

 

 

Суммарный емкостной ток присоединения с электродвигателем:

 

 

Так как суммарный ток замыкания на землю превышает 5 А:

 

защита выполняется без выдержки времени, действующей на отключение защищаемого двигателя, ток срабатывания защиты от ОЗЗ отстраивается от суммы емкостного тока защищаемого двигателя и питающей линий W5:

 

где  - коэффициент отстройки [1, с. 282].

Защита выполняется без выдержки времени, так как отстройка от токов переходного процесса обеспечивается выбором коэффициента отстройки.

 

К установке принимается трансформатор тока нулевой последовательности типа ТЗЛ-1 05.1 производства ЗАО Свердловский завод трансформаторов тока [17]. Коэффициент трансформации ТЗЛ равен 25/1.

Тогда ток срабатывания реле:

 

Защита выполняется на базе реле типа РТЗ51 [19]. Реле требует оперативного питания постоянным напряжением 220 В. Принимается уставка реле:

 

Тогда чувствительность защиты:

 

 

Таким образом, защита от однофазных замыканий на землю обладает достаточной чувствительностью.

6.5     Минимальная защита напряжения

Защита выполняется двухступенчатой. Первая ступень отключает неответственных потребителей - линии W7 и W8.

Напряжение срабатывания и выдержка времени первой ступени:

 

 

Выдержка времени срабатывания первой ступени на ступень селективности больше времени срабатывания быстродействующей защиты двигателя от коротких замыканий.

Вторая ступень защиты отключает от сети защищаемый двигатель М1, так как его самозапуск не допускается.

Напряжение срабатывания и выдержка времени второй ступени:

 

 

Защита выполняется двухступенчатой на базе четырех однофазных электронных универсальных реле напряжения РН-112 производства ООО «Новатек-Электро» [21]. РН112 не требуют оперативного питания. К установке принимается два трансформатора напряжения однофазных типа НОМ-10-У3 производства Кентауского трансформаторного завода [22]. Кроме реле минимального напряжения к установке принимаются промежуточные реле типа РП23 [9] и указательные РУ21 [10], аналогичные принятым ранее. Трансформаторы напряжения соединяются в неполную звезду, по два реле напряжения включаются на межфазные напряжения АВ и ВС.

Данные трансформатора:

Номинальное напряжение первичной обмотки: 10 кВ

Номинальное напряжения вторичной обмотки: 100 В.

Напряжения срабатывания реле:

 

 

         Расчет дифференциальной защиты трансформатора

Для расчета дифференциальной защиты трансформатора токи короткого замыкания в точках 2 и 4 приводятся к напряжению стороны ВН - 110 кВ:

 

 

Далее защита предварительно отстраивается от наибольшего сквозного тока внешнего трехфазного короткого замыкания - в точке К2:

Дифференциальная защита трансформатора реализуется на реле РСТ15 УХЛ4 производства ОАО «Чебоксарский электроаппаратный завод» [23]. Реле требует оперативного питания постоянным напряжением 220 В.

Ток срабатывания защиты по условию отстройки от броска тока намагничивания:

 

где -коэффициент запаса по [24, с. 5];

номинальный ток трансформатора на стороне 110 кВ;

 

Производится расчет тока срабатывания защиты по условию отстройки от тока небаланса.

Первая составляющая тока небаланса, обусловленная разнотипностью трансформаторов тока:

 

где  - допустимая полная погрешность трансформаторов тока;

трансформаторов тока для дифференциальной защиты трансформатора [1, с.503].

 для реле РСТ15, так как оно отстроено от бросков тока намагничивания с апериодической составляющей [25, с. 62];

 - ток трехфазного короткого замыкания в точке К2, приведенный к стороне 110 кВ.

 

Вторая составляющая тока небаланса обусловлена наличием устройства РПН:

 

где диапазон регулирования напряжения под нагрузкой.

 

Суммарный ток небаланса:

 

 

Тогда первичный ток срабатывания защиты на стороне 110 кВ:

 

 

где коэффициент запаса принимается равным

1.3 - [6, с.216]

Принимается большее из двух предварительных значений, таким образом расчетным условием для выбора  является отстройка от тока небаланса:

 

 

Предварительная проверка чувствительности. Чувствительность оценивается по минимальному току двухфазного КЗ в точке К4, приведенному к стороне 110 кВ:

 

Выбираются трансформаторы тока таким образом, чтобы номинальные вторичные токи не превышали 5 А.

К установке на стороне ВН принимается ТОЛ-110III-200/5 производства ТД трансформатор [26]; К установке на стороне СН принимается ТОЛ-35-III-IV-1 600/5 производства ОАО «Свердловский завод трансформаторов тока»[12]; К установке на стороне НН принимается ТОЛ-10-2000/5 производства ОАО «Свердловский завод трансформаторов тока» [8]. Производится проверка на допустимую кратность перегрузки при КЗ по (48), при этом производится приведение токов срабатывания защиты к сторонам 35 и 10 кВ:

 

 

Для ВН:

 

Для СН:

 

Для НН:

 

Выбранные трансформаторы тока удовлетворяют условию проверки на допустимую перегрузку.

Таблица 1 - Расчет вторичных токов трансформаторов тока в номинальном режиме

Наименование

Обозначение, формула

Расчет на ст. ВН

Расчет на ст. СН

Расчет на ст. НН

Ном. ток трансформатора

 

10000/(*110) =52,5 А

10000/(*35) =164,96 А

10000/(*10) =577,35 А

Схема соединения обмоток


Y0

Y

Y

Схема соединенияТТ


Y

Y

Y

Коэффициент схемы

 

1

1

1

Коэффициент трансформации ТТ

 

200/5=40

600/5=120

2000/5=400

Номинальный вторичный ток ТТ

 

1,31

1,37

1,44


В качестве основной выбирается сторона НН 10 кВ.

Ток срабатывания защиты, рассчитанный для стороны ВН, приводится к основной стороне:

 

 

В качестве ориентировочных принимаются следующие первоначальные уставки реле РСТ15:

к=2;

 

 

МДС срабатывания реле:

 

Расчетный ток срабатывания реле:

 

 

Число витков основной стороны, которое соответствует току срабатывания:

 

Ближайшее значение из ряда уставок:

 

Расчетное число витков на неосновных сторонах:

 

Принимается:

 

Принимается:

Предварительная проверка равенства МДС по условию:

 

 

 

Условие проверки выполняется.

Составляющая тока небаланса, обусловленная неравенством расчетных и принятых значений чисел витков обмотки реле:

 

Для стороны ВН:

 

Для стороны СН:

 

К дальнейшему расчету принимается большая составляющая тока небаланса на стороне СН:

 

Уточненное значение тока небаланса:

 

 

Уточненный ток срабатывания защиты по (59):

 

Уточненный ток срабатывания защиты на стороне НН:

 

Расчетный уточненный ток срабатывания реле на стороне НН:

 

 

Определяется уставка реле относительно уточненного тока срабатывания защиты:

 

 

Из ряда уставок принимается ближайшее:

 

Уточнение тока срабатывания защиты:

 

 

Окончательная проверка чувствительности:

 

Что не является допустимым [1, c.504].

Кроме дифференциального реле к установке принимаются промежуточные реле типа РП23 [9] и указательные типа РУ21 [10], аналогичные принятым в пункте 3.3.

8        Расчет газовой защиты трансформатора

Газовая защита реализуется на базе газовых реле Бухгольца двухпоплавковых типа BF80/10-11 производства фирмы EMB (Германия) [27] с одним замыкающим герконовым контактом верхней системы коммутации (для аварийной сигнализации), и один замыкающим герконовым контактом в нижней цепи коммутации - для цепи отключения.

Параметры реле:

Мощность трансформатора: S≥10 кВА;

Условный проход трубы: 80 мм;

Форма фланца: круглая;

Диаметр фланца: 200 мм.

Заключение

В результате расчета был спроектирован комплекс защиты и автоматики системы электроснабжения, выбраны первичные преобразователи тока и напряжения (трансформаторы тока типов ТОЛ-10, ТОЛ-35, ТОЛ-110, трансформатор тока нулевой последовательности типа ТЗЛ-1, трансформатор напряжения НОМ-10), измерительные, а также промежуточные и указательные органы, рассчитана ката селективности для защит кабельной линии 10 кВ и нижестоящих, а также построены графики защищаемых зон для линий W1, W6. Рассчитаны параметры срабатывания и выбран исполнительный орган повторного включения воздушной линии W1 (реле повторного включения РПВ 01). Спроектированные токовые защиты линий и двигателя обладают достаточной чувствительностью, линии электропередачи 35 и 10 кВ защищены на всей своей длине, надежно защищен асинхронный двигатель М1 от многофазных и однофазных замыканий на землю. Также обеспечена защита отходящих линий 0,4 кВ с помощью соответствующих автоматических воздушных выключателей серий «Электрон» и ВА. Защита трансформаторной подстанции 10/0,4 кВ выполнена с помощью плавких предохранителей, что является очень простым и надежным решением, обладающим малой стоимостью. Дифференциальная продольная защита трансформатора не удовлетворяет основному требованию чувствительности, в связи с чем, рекомендуется построение дифференциальной защиты на реле с торможением. Большинство принятых реле тока и напряжения являются статическими, т.е. не имеют подвижных частей: РС80М, РСТ40, РТЗ51, РН112, РСТ15, что повышает надежность и стабильность работы спроектированной защиты. Защита имеет простую и наглядную схему, пригодную для доловременной эксплуатации.

Cписок использованных источников

1.     Андреев, В. А. Релейная защита и автоматика систем электроснабжения: учебник для вузов/ 6-е изд., стер.- М.: Высш. шк., 2008.- 639 с.: ил.

2.       Андреев, В. А. Релейная защита систем электроснабжения в примерах и задачах: учеб. пособие / В. А. Андреев.- М.: Высш. Шк., 2008.- 252 с.: ил.

.        Каталог автоматических воздушных выключателей серии «Электрон» завода ОАО «Контактор».- Режим доступа: www.kontaktor.ru

.        Шабад, М. А. Защита трансформаторов 10 кВ.- М.: Энергоатомиздат, 1989.- 144 с.: ил.

.        Каталог предохранителей типа ПКТ Курского электроаппаратного завода.- Режим доступа: www.keaz.ru.

.        Шабад, М. А. Расчеты релейной защиты и автоматики распределительных сетей: Монография/ М.А. Шабад.- СПб.: ИЭИПК, 2003.- 4-е изд, перераб. и доп.- 350 с.: ил.

.        Каталог реле типа РС80М2,3 группы компаний «Энергоинтеграция».- Режим доступа: transenergy.ru.

.        Каталог трансформаторов тока типа ТОЛ-10 производства ОАО «Свердловского завода трансформаторов тока».- Режим доступа: www.cztt.ru.

.        Каталог реле РП23 производства ОАО «Чебоксарский электроаппаратный завод».- Режим доступа: www.elec.ru.

.        Каталог реле РУ21 производства ОАО «Чебоксарский электроаппаратный завод».- Режим доступа: производства ОАО «Чебоксарский электроаппаратный завод».- Режим доступа: www.elec.ru.

.        Каталог реле РСТ40 производства ООО «Реле и автоматика».- Режим доступа: www.rele.ru.

.        Каталог трансформаторов тока типа ТОЛ-35 производства ОАО «Свердловского завода трансформаторов тока».- Режим доступа: www.cztt.ru.

.        Леньков Ю. А., Хожин Г. Х. Выбор коммутационных аппаратов и токоведущих частей распределительных устройств электрических станций и подстанций.- Павлодар. Изд-во ПГУ, 2002 - 210 с.

.        Каталог реле РПВ01 производства ОАО «Чебоксарский электроаппаратный завод».- Режим доступа: www.elec.ru.

.        Овчинников В.В. Автоматическое повторное включение.- М.: Энергоатомиздат, 1986.- 96 с.: ил.

.        Каталог вакуумных выключателе типа ВВУ-СЭЩ-35 производства ЗАО "Группа компаний "Электрощит"-ТМ Самара".- Режим доступа: www.electroshield.ru.

.        Каталог трансформаторов тока типа ТЗЛ-1 производства ОАО «Свердловский завод трансформаторов тока».- Режим доступа:

www.cztt.ru.

.       Терминалы релейной защиты синхронных и асинхронных электродвигателей 6-10 кВ, Расчет уставок, Методические указания.- Санкт Петербург, 2012.- Режим доступа: www.mtrele.ru.

19.     Техническое описание реле РТЗ51 производства ОАО «Чебоксарский электроаппаратный завод».- Режим доступа: www.cheaz.ru.

.        Техническое описание реле РС80М.- Режим доступа: rzalab.narod.ru.

.        Технические описание реле РН112 производства ООО «Новатек электро».- Режим доступа: www.novatek-electro.com.

.        Техническое описание трансформатора напряжения НОМ10.- Режим доступа: www.forca.ru.

.        Техническое описание реле РСТ15 производства ОАО «Чебоксарский электроаппаратный завод».- Режим доступа: www.elec.ru.

.        Руководящие указания по релейной защите. Вып. 13Б. Релейная защита понижающих трансформаторов и автотрансформаторов 110-500 кВ: Расчеты.- М.: Энергоатомиздат, 1985,- 96 с., ил.

Похожие работы на - Релейная защита системы электроснабжения

 

Не нашли материал для своей работы?
Поможем написать уникальную работу
Без плагиата!
Без нейросетей!