Расчёт токов короткого замыкания
Министерство образования и науки
Российской Федерации
Федеральное государственное бюджетное
образовательное учреждение высшего профессионального образования
Оренбургский государственный
университет
Электроэнергетический факультет
Кафедра электроснабжения промышленных
предприятий
КУРСОВАЯ РАБОТА
по дисциплине:
Переходные процессы в
электроэнергетических системах
На тему:
Расчёт токов короткого замыкания
Задание на курсовую работу
Расчёт токов короткого замыкания
Исходные данные:
. Расчётная схема;
. Таблицы параметров элементов расчётной схемы
(исходные данные).
Перечень подлежащих разработке вопросов:
1. Определить методом эквивалентных ЭДС начальное
сверхпереходное и установившееся значения тока трёхфазного короткого замыкания;
2. Определить методом типовых кривых токи трёхфазного
короткого замыкания;
. Определить методом типовых кривых при всех видах
несимметричного короткого замыкания токи (для различных моментов времени) и
напряжения (для момента возникновения КЗ);
3.1 Построить зависимости Iк = f(t);
.2 Определить коэффициент несимметрии;
.3 Построить в выбранном масштабе векторные диаграммы
токов и напряжений в месте короткого замыкания.
Перечень графического материала:
Таблицы результатов расчётов, схемы замещения,
векторные диаграммы, кривые зависимостей.
Исходные данные
Таблица 1
Генераторы с АРВ
|
№ Стан.
|
Марка генератора
|
МВА кВx"d о.е.x2
о.е.xσ о.е.Ifхх , АIfн , АОКЗКеn
|
|
|
|
|
|
|
|
|
|
|
1
|
ТВФ-60-2
|
75
|
10,5
|
0,146
|
0,18
|
0,12
|
617
|
1500
|
0,68
|
2
|
-
|
|
2
|
ТВВ-200-2
|
235,29
|
15,75
|
0,19
|
0,232
|
0,166
|
1045
|
2680
|
0,58
|
2
|
6
|
|
3
|
|
103,75
|
13,8
|
0,258
|
0,264
|
0,169
|
692
|
1300
|
1,27
|
1,76
|
6
|
Таблица 2
Трансформаторы
|
Номер станции
|
  
|
|
|
|
|
1
|
80
|
121
|
10,5
|
11
|
|
2
|
200
|
121
|
15,75
|
10,5
|
|
3
|
80
|
121
|
13,8
|
11
|
Таблица 3
Автотрансформатор
|
МВА    
|
|
|
|
|
|
|
|
63
|
230
|
121
|
11
|
35
|
22
|
11
|
Таблица 4
Состояние заземляющих ножей в нейтрали трансформаторов
|
QSG1
|
QSG2
|
QSG3
|
QSG4
|
QSG5
|
|
-
|
-
|
-
|
+
|
+
|
Таблица 5
Линии
|
  
|
|
|
|
|
Длина, км
|
250
|
250
|
300
|
100
|
|
,х Ом/км0,360,360,360,36
|
|
|
|
|
Таблица 6
Нагрузка и питающая система
|
  
|
|
|
|
|
Нагрузка
|
100
|
1150
|
450
|
-
|
|
Система
|
-
|
-
|
-
|
2300
|
Таблица 7
Реакторы
|
 xL, %
|
|
|
|
10
|
2
|
6
|
Аннотация
В данной курсовой работе представлен расчёт симметричного и
несимметричного вида короткого замыкания с помощью метода эквивалентных ЭДС и
типовых кривых.
Осуществляется расчёт тока трёхфазного короткого замыкания (КЗ) методом
эквивалентных ЭДС, т.е. расчёт сверхпереходного и установившегося тока КЗ, а
также методом типовых кривых для различных моментов времени.
Представлен расчёт тока при несимметричных видах КЗ методом типовых
кривых для различных моментов времени, и определены напряжения для начального
момента времени. Построены векторные диаграммы для токов и напряжений при
несимметричном виде КЗ.
Пояснительная записка содержит 58 страниц, в том числе 46 рисунков и 1
таблицу.
Содержание
1. Расчёт трёхфазного
короткого замыкания методом эквивалентных ЭДС
.1 Определение начального
сверхпереходного тока
.1.1 Составление схемы
замещения
.1.2 Определение параметров
схемы замещения
.1.3 Преобразование схемы замещения
без учёта нагрузок
.1.4 Определение характера
нагрузок
.1.5 Преобразование схемы
замещения с учётом нагрузок
.1.6 Определение начального
сверхпереходного и ударного токов короткого замыкания
.2 Определение тока
установившегося короткого замыкания
.2.1 Расчёт параметров
генераторов станции
.2.2 Определение
сопротивлений нагрузок
.2.3 Определение
сопротивлений и ЭДС нагрузок
.2.4 Предварительный выбор
режимов работы генераторов и преобразование схемы замещения
.2.5 Определение токов КЗ в
ветвях генераторов
.2.6 Проверка правильности
выборов режимов работы генераторов
. Расчёт трёхфазного
короткого замыкания методом типовых кривых
.1 Составление и
преобразование схемы замещения
.2 Определение начального
тока КЗ от источников питания и нагрузки
.3 Определение удаленности
генераторов станции от места КЗ
.4 Определение тока КЗ для
различных моментов времени
2.5 Определение
установившегося тока КЗ
3. Расчёт токов при
несимметричных видах КЗ методом типовых кривых
.1 Составление схем замещения
различных последовательностей, определение его параметров, его преобразование и
определение результирующего сопротивления
.1.1 Схема замещения прямой
последовательности
.1.2 Схема замещения обратной
последовательности
.1.3 Схема замещения нулевой
последовательности
.2 Расчёт двухфазного
короткого замыкания
.2.1 Определение начального
действующего значения периодической составляющей тока КЗ прямой
последовательности от каждого источника
.2.2 Определение удалённости
генераторов станции от места КЗ
.2.3 Определение результирующего
тока КЗ прямой последовательности для соответствующего момента времени
.2.4 Определение
результирующего тока КЗ обратной последовательности для соответствующего
момента времени
.2.5 Определение фазных токов
в месте КЗ в соответствующий момент времени
.2.6 Определение симметричных
составляющих и фазных напряжений в месте КЗ в начальный момент времени
.2.7 Определение коэффициента
несимметрии
.2.8 Построение векторных
диаграмм токов и напряжений
.3 Расчёт двухфазного
короткого замыкания на землю
.3.1 Определение начального
действующего значения периодической составляющей тока КЗ прямой
последовательности от каждого источника
.3.2 Определение удалённости
генераторов станции от места КЗ
.3.3 Определение
результирующего тока КЗ прямой последовательности для соответствующего момента
времени
.3.4 Определение
результирующего тока КЗ обратной последовательности для соответствующего
момента времени
.3.5 Определение
результирующего тока КЗ нулевой последовательности для соответствующего момента
времени
.3.6 Определение фазных токов
КЗ в соответствующий момент времени
.3.7 Определение симметричных
составляющих и фазных напряжений в начальный момент времени
.3.8 Определение коэффициента
несимметрии
.3.9 Построение векторных
диаграмм токов и напряжений
.4 Расчёт однофазного
короткого замыкания
.4.1 Определение
результирующего тока КЗ обратной последовательности в соответствующий момент
времени
.4.2 Определение
результирующего тока КЗ прямой и нулевой последовательности
.4.3 Определение фазных токов
КЗ
.4.4 Определение симметричных
составляющих и фазных напряжений в начальный момент времени
.4.5 Определение коэффициента
несимметрии
.4.6 Построение векторных
диаграмм токов и напряжений
4. Результаты
расчётов различных видов токов короткого замыкания и их графическое изображение
Заключение
Список использованных
источников58
1. Расчёт
трёхфазного короткого замыкания методом эквивалентных ЭДС
.1
Определение начального сверхпереходного тока
.1.1
Составление схемы замещения
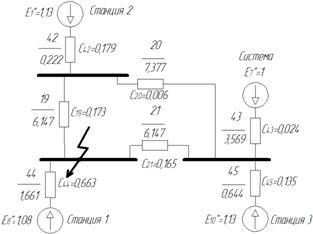
Рисунок 1.1 - Схема замещения без учета нагрузок
1.1.2
Определение параметров схемы замещения
Выбор базисных условий
Базисное напряжение и базисная мощность:
Базисный
ток Iб, кА:
(1.1)
Базисное
сопротивление Xб, Ом:
(1.2)
Определение
коэффициентов трансформации трансформаторов и автотрансформаторов для точного
привидения
(1.3)
где
Uвн1 -
высшее напряжение обмотки трансформатора 1ой станции, кВ;
Uнн1 - низшей напряжение обмотки трансформатора 1ой
станции, кВ.
(1.4)
где
Uвн2 -
высшее напряжение обмотки трансформатора 2ой станции, кВ;
Uнн2 - низшей напряжение обмотки трансформатора 2ой
станции, кВ.
(1.5)
где
Uвн3 -
высшее напряжение обмотки трансформатора 3ей станции, кВ;
Uнн3 - низшей напряжение обмотки трансформатора 3ей
станции, кВ.
(1.6)
где
Uсн -
среднее напряжение обмотки автотрансформатора, кВ;
Uнн4 - высшее напряжение обмотки автотрансформатора, кВ.
(1.7)
где
Uнн -
низшее напряжение обмотки автотрансформатора, кВ;
Определение
приведенных сопротивлений трансформаторов и автотрансформаторов
Сопротивление
трансформаторов:
(1.8)
где
Uк% -
напряжение короткого замыкания трансформатора, %;
Sном - номинальная мощность трансформатора, МВА;
Uн - высшее напряжение обмотки трансформатора, кВ.
Станция
1:
Станция
2:
Станция
3:
Сопротивление
обмоток автотрансформатора:
(1.9)
(1.10)
(1.11)
(1.12)
где
Uномi -
напряжение соответствующей обмотки автотрансформатора, кВ;
Uкв-н; Uкв-с; Uкс-н -напряжения короткого замыкания автотрансформатора,
%;
Sном - номинальная мощность автотрансформатора, МВА.
Определение
сопротивлений линий
(1.13)
где
Х01 - погонное индуктивное сопротивление, Ом/км;
li -
длина i-ой линии, км.
Определение
приведенных сопротивлений генераторов станции и питающей системы
Сопротивление
генераторов станции:
(1.14)
где
- сверхпереходное сопротивление генератора i-ой
станции;
Uномi
- номинальное напряжение генератора i-ой станции, кВ;
Sномi
- номинальная мощность генератора i-ой станции, МВА.
Сопротивление
питающей системы:
(1.15)
где
Uном -
номинальное напряжение высшей обмотки автотрансформатора, кВ;
Sк - мощность питающей системы, МВА.
Определение
приведенного сопротивления реактора
(1.16)
Определение
ЭДС источников
(1.17)
где
ЕGi - среднее значение ЭДС для турбогенератора,
гидрогенератора и питающей системы (в о.е. при номинальных условиях);
UномGi
- номинальное напряжение генераторов и питающей системы, кВ.
1.1.3
Преобразование схемы замещения без учёта нагрузок
Схема замещения, показанная на рисунке 1.1, путем поэтапного
преобразования приводится к итоговому виду в соответствии с рисунком1. 6.
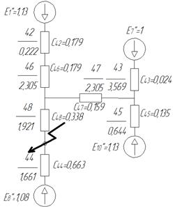
Рисунок 1.2 -Преобразования схемы замещения без учёта нагрузок (этап 1)
Рисунок
1.3 - Преобразования схемы замещения без учёта нагрузок (этап 2)
Преобразование
треугольника в звезду:
Рисунок
1.4 - Преобразования схемы замещения без учёта нагрузок (этап 3)
Рисунок
1.5 - Преобразования схемы замещения без учёта нагрузок (этап 4)
Рисунок
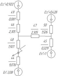
1.6 - Итоговая схема замещения
По
итоговой схеме замещения, показанной на рисунке 6, определяется начальный
сверхпереходный ток в месте короткого замыкания:
1.1.4
Определение
характера нагрузок
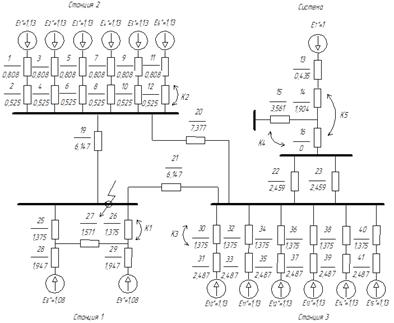
Рисунок 1.7 -Итоговая схема замещения
Рисунок
1.8 -Первый этап развёртывания схемы замещения
Рисунок 1.9 -Второй этап развёртывания схемы замещения
Рисунок
1.10 -Третий этап развёртывания схемы замещения
Рисунок
1.11 -Четвёртый этап развёртывания схемы замещения
Проверка
коэффициентов:
Значения
остаточных напряжений на шинах станций:
Таким
образом, из значений остаточных напряжений
,
,
можно
сделать вывод о том, что нагрузка Н1 является генерирующей, а нагрузки Н2 и Н3
являются не генерирующими, поэтому нагрузка Н1 включается в схему замещения с
ЭДС равной 0,85, а Н2 и Н3 с ЭДС равной нулю.
Для
последующего расчёта необходимо определить приведенные значения сопротивлений
нагрузок:
(1.16)
Uном - номинальное напряжение высшей обмотки
трансформатора, кВ;
Sномi
- мощность i-ой нагрузки, МВА.
1.1.5
Преобразование схемы замещения с учётом нагрузок
Схема замещения с учётом нагрузок берётся частично преобразованной из
рисунка 1.2.
Рисунок 1.12 - Преобразования схемы замещения с учётом нагрузок (этап 1)
Рисунок 1.13 - Преобразования схемы замещения с учётом нагрузок (этап 2)
Рисунок
1.14 - Преобразования схемы замещения с учётом нагрузок (этап 3)
Преобразование
треугольника в звезду:
Рисунок 1.15 - Преобразования схемы замещения с учётом нагрузок (этап 4)
Рисунок
1.16 - Преобразования схемы замещения с учётом нагрузок (этап 5)
Рисунок
1.17 - Итоговая схема замещения с учётом нагрузок
1.1.6
Определение начального сверхпереходного и ударного токов короткого замыкания
Определение сверхпереходного тока короткого замыкания (КЗ):
Определение
ударного тока КЗ:
1.2
Определение тока установившегося короткого замыкания
.2.1
Расчёт параметров генераторов станции
Производится расчёт величин Еq*пр; ХG*пр; Iкр для станции 1:
Продольное сопротивление генератора:
(1.18)
где
ОКЗ - отношение короткого замыкания,
Реактивность
реакции статора по продольной оси:
(1.19)
где
Хσ - индуктивное сопротивление рассеяния.
Ток
возбуждения генератора при базисных условиях, А:
(1.20)
где
Ifхх - ток
возбуждения холостого хода, А.
Ток возбуждения генератора в о.е. при номинальных условиях:
(1.21)
где
IfН -
номинальный ток возбуждения генератора, А.
Предельный
ток возбуждения генератора:
(1.22)
где
ке - коэффициент форсировки.
ЭДС
генератора при токе возбуждения, равный предельному:
(1.23)
где
k = 0,7 - для гидрогенератора; k = 0,8 - для
турбогенератора.
Предельное
синхронное индуктивное сопротивление генератора:
(1.24)
где
SН -
номинальная мощность генератора.
Критический
ток генератора:
(1.25)
Расчёт
величин Еq*пр; ХG*пр; Iкр для станции 2 по формулам (1.18 - 1.25):
Расчёт
величин Еq*пр; ХG*пр; Iкр для станции 3 по формулам (1.18 - 1.25):
1.2.2
Определение сопротивлений и ЭДС нагрузок
Поскольку сопротивления обобщенных нагрузок в установившемся режиме
короткого замыкания иные, чем в сверхпереходном, выполняется их пересчет по
формуле (1.16), где Х*он =1,2:
Нагрузка
1 подключена непосредственно в месте возникновения к. з., никакого влияния на
величину тока короткого замыкания не оказывает и поэтому в схему замещения не
включается.
ЭДС
нагрузок при расчёте установившегося тока КЗ равны нулю.
.2.3
Предварительный выбор режимов работы генераторов и преобразование схемы
замещения
Исходя из расположения точки к. з. можно предположить, что генераторы
станций 2 и 3 работают в режиме нормального напряжения (РНН), а генератор станции
1 в режиме предельного возбуждения (РПВ), и следовательно учитываются в схеме
замещения следующими параметрами:
Исходная
схема замещения для расчёта установившегося тока КЗ представлена на рисунке
1.18.
Рисунок
1.18 - Исходная схема замещения
;
Рисунок 1.19 - Преобразования схемы замещения (этап 1)
Преобразование треугольника в звезду:
Рисунок
1.20 - Преобразования схемы замещения (этап 2)
Рисунок 1.21 - Преобразования схемы замещения (этап 3)
Рисунок
1.22 - Преобразования схемы замещения (этап 4)
Рисунок
1.23 - Итоговая схема замещения
1.2.5
Определение токов КЗ в ветвях генераторов
1.2.6
Проверка правильности выборов режимов работы генераторов
На основании сравнения величины тока короткого замыкания от каждого
генератора с его критическим током можно сделать вывод, что генераторы станции
1 работает в режиме предельного возбуждения, а генераторы станций 2 и 3 в
режиме нормального напряжения. Следовательно, режимы работы генераторов выбраны
верно и ток установившегося к. з. найден правильно. Результаты сравнения представлены
в таблице 1.1.
Таблица 1.1
Определение режимов работы генераторов
|
I*G1=0,17
|
>
|
Iкр1=0,124
|
РПВ
|
|
I*G2=0,171
|
<
|
Iкр2=0,291
|
РНН
|
|
I*G3=0,075
|
<
|
Iкр3=0,526
|
РHH
|
сверхпереходный трехфазный короткий замыкание
2. Расчёт
трёхфазного короткого замыкания методом типовых кривых
2.1
Составление и преобразование схемы замещения
Берётся преобразованная схема замещения из расчёта сверхпереходного тока
КЗ (Рисунок 1.3)
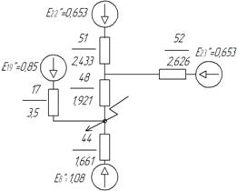
Рисунок 2.1 - Исходная схема замещения
Рисунок
2.2 - Преобразования схемы замещения (этап 1)
Рисунок 2.3 - Итоговая схема замещения
2.2
Определение начального тока КЗ от источников питания и нагрузки
2.3
Определение удаленности генераторов станции от места КЗ
2.4
Определение тока КЗ для различных моментов времени
2.5
Сравнение результатов расчета токов короткого замыкания методом эквивалентных
ЭДС и методом типовых кривых
Расчет тока КЗ из пункта 2.4 сравнивается с расчетом начального
сверхпереходного тока в месте короткого замыкания из пункта 1.1.6
Метод
эквивалентных ЭДС:
Метод
типовых кривых:
Разница
в значениях Δ,
%:
3. Расчёт
токов при несимметричных видах КЗ методом типовых кривых
.1
Составление схем замещения различных последовательностей, определение его
параметров, его преобразование и определение результирующего сопротивления
.1.1 Схема
замещения прямой последовательности
Схема замещения прямой последовательности идентична схеме из рисунка 2.4
Рисунок 3.1 -Схема замещения прямой последовательности
Определяется результирующее сопротивление:
.1.2 Схема
замещения обратной последовательности
Определяются сопротивления обратной последовательности генераторов
станции:
(3.1)
где
- сопротивление обратной последовательности
генератора i-ой станции.
Рисунок
3.2 - Исходная схема замещения обратной последовательности
Рисунок
3.3 - Преобразования схемы замещения обратной последовательности (этап 1)
Рисунок
3.4 - Преобразования схемы замещения обратной последовательности (этап 2)
Рисунок
3.5 - Преобразования схемы замещения обратной последовательности (этап 3)
Рисунок
3.6 - Итоговая схема замещения обратной последовательности
Определяются
результирующие сопротивления:
3.1.3
Схема замещения нулевой последовательности
Рисунок 3.7 - Исходная схема замещения нулевой последовательности
Пересчитывается сопротивление нагрузки:
Определяются
сопротивления линий:
Определяется
сопротивление питающей системы:
Преобразование схемы замещения до трех лучевой звезды:
Рисунок
3.8 - Преобразования схемы замещения нулевой последовательности (этап 1)
Рисунок
3.9 - Преобразования схемы замещения нулевой последовательности (этап 2)
Рисунок
3.10 - Итоговая схема замещения нулевой последовательности
Определяется
результирующее сопротивление:
3.2 Расчёт
двухфазного короткого замыкания
.2.1
Определение начального действующего значения периодической составляющей тока КЗ
прямой последовательности от каждого источника
(3.2)
где
- сверхпереходное ЭДС i-ой ветви;
-
сопротивление прямой последовательности i-ой ветви;
-
сопротивление обратной последовательности i-ой ветви.
3.2.2
Определение удалённости генераторов станции от места КЗ
(3.3)
где
Siном -
номинальная мощность генератора i-ой станции;
ni -
количество генераторов на i-ой станции.
Удалённости
всех генераторов станции меньше 2, следовательно, ток от этих генераторов во
времени не изменяется.
3.2.3
Определение результирующего тока КЗ прямой последовательности для
соответствующего момента времени
3.2.4
Определение результирующего тока КЗ обратной последовательности для
соответствующего момента времени
3.2.5
Определение фазных токов в месте КЗ в соответствующий момент времени




3.2.6
Определение симметричных составляющих и фазных напряжений в месте КЗ в
начальный момент времени
3.2.7 Определение коэффициента несимметрии
(3.4)
(3.5)
(3.6)
3.2.8
Построение векторных диаграмм токов и напряжений
Рисунок 3.10 - Векторная диаграмма токов и напряжений при двухфазном
коротком замыкании
.3 Расчёт
двухфазного короткого замыкания на землю
.3.1
Определение начального действующего значения периодической составляющей тока КЗ
прямой последовательности от каждого источника
3.3.2
Определение удалённости генераторов станции от места КЗ
(3.7)
Удалённость
генераторов первой станции больше 2, следовательно, ток от этих генераторов
изменяется во времени.
.3.3
Определение результирующего тока КЗ прямой последовательности для
соответствующего момента времени
3.3.4
Определение результирующего тока КЗ обратной последовательности для
соответствующего момента времени

3.3.5
Определение результирующего тока КЗ нулевой последовательности для
соответствующего момента времени
3.3.6
Определение фазных токов КЗ в соответствующий момент времени
3.3.7
Определение симметричных составляющих и фазных напряжений в начальный момент
времени
3.3.8
Определение коэффициента несимметрии
(3.8)
(3.9)
(3.10)
(3.11)
.3.9
Построение векторных диаграмм токов и напряжений
Рисунок 3.11 - Векторная диаграмма токов и напряжений при двухфазном
коротком замыкании на землю
3.4 Расчёт
однофазного короткого замыкания
.4.1
Определение результирующего тока КЗ обратной последовательности в
соответствующий момент времени
3.4.2
Определение результирующего тока КЗ прямой и нулевой последовательности
3.4.3
Определение фазных токов КЗ
3.4.4
Определение симметричных составляющих и фазных напряжений в начальный момент
времени
3.4.5 Определение коэффициента несимметрии
(3.12)
(3.13)
(3.14)
3.4.6
Построение векторных диаграмм токов и напряжений
Рисунок 3.12 - Векторная диаграмма токов и напряжений при однофазном
коротком замыкании
4
Графическое изображение различных видов токов короткого замыкания

Рисунок 3.13 - Графики изменения токов короткого замыкания во времени
Заключение
В данной курсовой работе были произведены расчёты всех видов токов
короткого замыкания. Из расчётов видно, что величина тока достигает
максимального значения при симметричном коротком замыкании, т.е. при
трёхфазном. А при несимметричных коротких замыканиях наибольшее значение тока
достигается при двухфазном коротком замыкании на землю.
Список
использованных источников
1. Пилипенко
В.Т. Методические указания к курсовой работе по дисциплине «Переходные
процессы» для студентов специальностей 100400 «Электроснабжение по отраслям» и
100100 «Электрические станции» (Часть 1). - Оренбург: РИК ГОУ ОГУ, 2004. - 49
с.;
. Пилипенко
В.Т. Переходные процессы в электроэнергетических системах: методические
указания к курсовой работе для студентов специальностей 140211.65
«Электроснабжение» и 149204.65 «Электрические станции»: в 2 ч/ В.Т. Пилипенко;
Оренбургский государственный университет - Оренбург: ГОУ ОГУ, 2011.Ч.2 -71с.;
. Ульянов
С.А. Электромагнитные процессы в электрических системах. Учебник для
электротехнических и энергетических вузов и факультетов, - М., «Энергия», 1970
г.;
. Куликов
Ю.А. Переходные процессы в электрических системах: Учебное пособие. -
Новосибирск: НГТУ, М.: Мир ООО «Издательство АСТ», 2003. - 283 с.;
. Руководящие
указания по расчёту токов короткого замыкания и выбору электрооборудования /
Под редакцией Б.Н. Неклепаева. - М.: Изд-во НЦ ЭНАС, 2004. -152 с.