Проектирование городских электрических сетей
Министерство образования и науки
Украины
Приазовский государственный
технический университет
Кафедра электрификации промышленных
предприятий
Специальность - электротехнические системы электропотребления
ПОЯСНИТЕЛЬНАЯ ЗАПИСКА
к курсовому проекту по дисциплине:
Электроснабжение промышленных
предприятий
На тему:
Проектирование городских
электрических сетей
Выполнил студент Дигалов В.А.
Группа И-08 ЭПП
Руководитель проекта
доцент, к.т.н. Бараненко Т.К.
Мариуполь 2011
СОДЕРЖАНИЕ
ВВЕДЕНИЕ
ИСХОДНЫЕ
ДАННЫЕ К КУРСОВОМУ ПРОЕКТУ
1. Оценка
числа жителей микрорайона. Расчет производственных показателей
общественно-коммунальных предприятий и административных зданий
2. Расчет
электрических нагрузок жилых домов и общественных зданий
2.1 Расчет
нагрузки жилых домов
2.2 Расчет
нагрузки общественно-коммунальных предприятий и административных зданий
3. Определение
категорий электроприемников по обеспечению надежности электроснабжения
4. Выбор
числа и мощности трансформаторов 10/0,4 кВ. Расчет нагрузки на шинах 0,4 кВ
трансформаторных подстанций
5. Определение
мест расположения трансформаторных подстанций, построение картограммы
электрических нагрузок
6. Расчет
суммарной нагрузки проектируемого района
. Выбор
числа и мощности силовых трансформаторов подстанции глубокого ввода.
Компенсация реактивной мощности
. Выбор
схемы электрической сети
9. Расчет
распределительной сети 10 кВ
9.1 Выбор
сечений кабелей на участках распределительной сети
9.2 Расчёт
токов короткого замыкания в сети 10 кВ
9.3 Проверка
кабелей на термическую стойкость токам короткого замыкания
9.4 Проверка
кабелей по допустимому отклонению напряжения44
10. Выбор
электрооборудования на напряжение 10 кВ
10.1 Выбор
выключателей
10.2 Выбор
выключателей нагрузки
10.3 Выбор
предохранителей
11. Выбор
средств релейной защиты и автоматики сети 10 кВ
. Расчет
емкостного тока замыкания на землю в сети 10
13. Выбор
и расчет распределительной сети 0,38 кВ
13.1 Выбор
схем электроснабжения зданий
13.2 Выбор
сечений жил кабелей
13.3 Расчет
токов короткого замыкания
13.4 Проверка
кабелей в сети 0,4 кВ по допустимому отклонению напряжения
13.5 Выбор
аппаратов защиты
14. Расчет
отклонений напряжения для режимов максимальных и минимальных нагрузок
ЗАКЛЮЧЕНИЕ
ЛИТЕРАТУРА
Введение
Пояснительная записка содержит: 62 страниц печатного текста; 13 рисунков; 49 таблиц; 1 лист графической части формата А1.
Курсовой проект ставит целью практическое закрепление изучаемого
теоретического материала по курсу, приобретение инженерных навыков при
проектировании городских электрических сетей, развитие творческих способностей
студента при решении конкретно поставленной задачи.
Курсовой проект представляет комплексное задание, включающее в себя как
вопросы оценки числа жителей заданного микрорайона города, так и расчет
электрических нагрузок района, выбор числа, мощности и места расположения
трансформаторных подстанций 10/0,4 кВ, а также другие вопросы, непосредственно
связанные с проектированием городских электрических сетей.
Исходные данные к курсовому проекту
Таблица 1
Исходные данные на курсовой проект
|
№ вар.
|
№ плана
|
Номера домов в соответствии с планом
|
Тип дома
|
Тип плиты
|
Общественные здания
|
|
|
|
|
|
№ здания
|
Наименование здания
|
|
55
|
11
|
1,2,3,13,18,22,25
|
1
|
Г
|
21
|
школа
|
|
|
4,5,8,11,12,15,17
|
24
|
Э
|
39
|
гостиница
|
|
|
20,23,24,26,27
|
1
|
Г
|
16
|
прод.магазин
|
|
|
6,7,9,10,19,29,43,28
|
26
|
Э
|
47
|
универсам
|
|
|
30,32,36,40
|
7
|
Г
|
41
|
больница
|
|
|
31,33,34,35,37
|
33
|
Э
|
42
|
дом быта
|
|
|
44,45,46,48,49,50
|
11
|
Г
|
38
|
театр
|
|
|
51,52,53,54,55
|
1
|
Г
|
|
|
|
|
56,57,58,59
|
43
|
Э
|
|
|
Рисунок
1 - Генеральный план проектируемого района
1. Оценка числа жителей
микрорайона. Расчет производственных показателей общественно-коммунальных
предприятий и административных зданий
На основании исходных данных для заданных типов домов по
табл. А.1 приложения А выбирается
количество квартир. Число жителей микрорайона
, чел., определяется по следующей
формуле:
,
где N - количество типов домов в
соответствии с исходными данными;
- общее количество домов i-того типа;
- суммарное количество квартир j-того типа (однокомнатные, двухкомнатные и т.д.);
- количество жителей проживающих в квартире; принимается
равным 2 человека в однокомнатной, 3 человека в двухкомнатной, 4 человека в
трехкомнатной и 5 человек в четырехкомнатной квартире.
Расчёты жителей микрорайона сводим в таблицу 2.
Таблица 2
Расчёт числа жителей микрорайона
|
Номер дома
|
Кол-во, шт.
|
Тип дома
|
1-х
|
2-х
|
3-х
|
4-х
|
Жителей
|
|
1,2,3,13,18,22,25
|
7
|
1
|
1
|
71
|
72
|
-
|
3521
|
|
4,5,8,11,12,15,17
|
7
|
24
|
1
|
99
|
92
|
-
|
4669
|
|
20,23,24,26,27
|
5
|
1
|
1
|
71
|
72
|
-
|
2515
|
|
6,7,9,10,19,29,43,28
|
8
|
26
|
-
|
50
|
46
|
-
|
2672
|
|
30,32,36,40
|
4
|
7
|
36
|
18
|
-
|
18
|
864
|
|
31,33,34,35,37
|
5
|
33
|
63
|
32
|
32
|
-
|
1750
|
|
44,45,46,48,49,50
|
6
|
11
|
9
|
18
|
9
|
-
|
648
|
|
51,52,53,54,55
|
5
|
1
|
1
|
71
|
72
|
-
|
2515
|
|
56,57,58,59
|
4
|
43
|
15
|
64
|
32
|
-
|
1400
|
|
Сумма
|
51
|
|
|
|
|
|
19154
|
Для
общественно-коммунальных предприятий и административных зданий определяется
производственный показатель (количество рабочих мест, посадочных мест,
квадратных метров площади торгового зала и т. д.) П по формуле:
где
- удельный расчетный показатель, определяемый по
табл. Б.1 приложения Б для заданных
общественно-коммунальных предприятий и административных зданий.
Результаты расчёта сводим в таблицу 3.
Таблица 3
Расчёт производственных показателей для административных зданий
|
номер здания
|
𝑛, зданий
|
наименование
|
|
|
единица измерения
|
|
21
|
1
|
школа
|
150
|
2873
|
учащихся
|
|
39
|
1
|
гостиница
|
5
|
96
|
мест
|
|
16
|
1
|
прод. магазин
|
70
|
1341
|
торгового зала
|
|
47
|
1
|
универсам
|
25
|
479
|
торгового зала
|
|
41
|
1
|
больница
|
30
|
575
|
коек
|
|
42
|
1
|
дом быта
|
2,1
|
40
|
мест
|
|
38
|
1
|
театр
|
8
|
153
|
мест
|
2. Расчет электрических нагрузок
жилых домов и общественных зданий
.1 Расчет нагрузок жилых домов
Расчетная нагрузка квартир жилого дома
, кВт, приведенная к вводу жилого
дома определяется по формуле:
,
где
- удельная расчетная нагрузка квартиры, принимаемая по
в соответствии с табл. В.1
приложения В. В зависимости от типа применяемых кухонных плит и количества
квартир в доме (типы кухонных плит указаны в исходных данных: Э -
электрические, Г - газовые), кВт/квартира;
- количество квартир.
Для дома первого типа:
Количество квартир - 144
Тип плиты - Г
Расчетная нагрузка силовых ЭП
, кВт, приведенная к вводу жилого
дома определяется по формуле:
,
где
- расчетная нагрузка лифтовых установок;
- расчетная нагрузка электродвигателей насосов
водоснабжения, вентиляторов и других санитарно-технических устройств.
Расчетная нагрузка лифтовых установок в кВт определяется следующим
образом:
,
где
- количество лифтовых установок, питаемых линией (принимаем
один пассажирский лифт на подъезд для дома до 9 этажей и один пассажирский и
один грузовой на подъезд для зданий этажностью 12 и более). Принимаем за
номинальные мощности подъёмных установок: для пассажирских
, для грузовых
.
- коэффициент спроса, определяемый по
табл. В.2, в зависимости от
количества лифтовых установок и этажности зданий;
установленная мощность электродвигателя i - того лифта.
Для дома первого типа:
Расчетная нагрузка электродвигателей насосов водоснабжения, вентиляторов
и других санитарно-технических устройств в кВт определяется по их установленной
мощности с учетом коэффициента спроса
, выбираемого по
табл. В.3
,
где
количество электродвигателей насосов;
установленная мощность электродвигателей насосов водоснабжения,
кВт.
Расчёт нагрузок насосных установок ведём из условия одна насосная
установка на один дом. Принимаем мощность насосных установок
Мощность резервных
электродвигателей, а также ЭП противопожарных устройств при расчете
электрических нагрузок не учитываются.
Расчётная нагрузка силовых ЭП, приведенная к вводу жилого дома:
Расчетная нагрузка жилого дома (квартир и силовых ЭП)
кВт, определяется по формуле:
,
где
- коэффициент участия в максимуме нагрузки силовых ЭП (равен
0,9).
Расчетная реактивная мощность для жилого дома
квар, определяется по формуле:
,
где
расчетная реактивная нагрузка квартир, квар;
- расчетная реактивная нагрузка силовых ЭП, квар.
,
где расчетные коэффициенты реактивной мощности
определяются по
табл. В.4.
,
где расчетные коэффициенты реактивной мощности
определяются по
табл. В.4.
Расчётная реактивная мощность для жилого дома:
По аналогии рассчитываем нагрузку остальных домов. Результаты сводим в
таблицу 4.
Таблица 4
Расчёт нагрузок жилых домов
|
Номер дома
|
шт.
|
Тип дома
|
Этаж-ность
|
подъездов, шт.
|
Всего квартир
|
Тип плит
|
кВт/кв
|
шт
|
шт
|
|
|
кВт
|
квар
|
|
1,2,3,13,18,22,25
|
7
|
1
|
9
|
4
|
144
|
Г
|
0,55
|
4
|
0
|
0,7
|
0,29
|
99,54
|
45,63
|
|
4,5,8,11,12,15,17
|
7
|
24
|
12
|
4
|
192
|
Э
|
1
|
4
|
0
|
0,7
|
0,2
|
212,34
|
61,06
|
|
20,23,24,26,27
|
5
|
1
|
9
|
4
|
144
|
Г
|
0,55
|
0
|
0,7
|
0,29
|
99,54
|
45,63
|
|
6,7,9,10,19,29,43,28
|
8
|
26
|
12
|
2
|
96
|
Э
|
1,14
|
2
|
0
|
0,8
|
0,2
|
122,22
|
35,71
|
|
30,32,36,40
|
4
|
7
|
9
|
2
|
72
|
Г
|
0,68
|
2
|
0
|
0,8
|
0,29
|
61,74
|
28,02
|
|
31,33,34,35,37
|
5
|
33
|
16
|
2
|
127
|
Э
|
1,13
|
2
|
2
|
0,8
|
0,2
|
170,69
|
59,37
|
|
44,45,46,48,49,50
|
6
|
11
|
9
|
1
|
36
|
Г
|
0,9
|
1
|
0
|
0,8
|
0,29
|
40,14
|
17,32
|
|
51,52,53,54,55
|
5
|
1
|
9
|
4
|
144
|
Г
|
0,55
|
4
|
0
|
0,7
|
0,29
|
99,54
|
45,63
|
|
56,57,58,59
|
4
|
43
|
16
|
2
|
111
|
Э
|
1,15
|
2
|
2
|
0,8
|
0,2
|
154,83
|
56,20
|
.2 Расчет нагрузки общественно-коммунальных предприятий и
административных зданий
Расчетные электрические нагрузки на вводах в общественно-коммунальные
предприятия и административные здания
, кВт, при ориентировочных расчетах
следует определять по укрупненным удельным нагрузкам в зависимости от их
производственных показателей
где
- удельная расчетная нагрузка единицы производственного
показателя (рабочего места, посадочного места, квадратного метра площади
торгового зала, койко-места и т.д.), принимается по
табл. В.5 приложения В;
- производственный показатель, характеризующий пропускную
способность предприятия, объем производства и т.д., определенный в п. 1.
Расчетная реактивная мощность общественно-коммунальных предприятий и
административных зданий
квар, определяется по формуле:
,
где
- расчетный коэффициент реактивной мощности, определяемый по
табл. В.5.
Результаты расчёта сводим в таблицу 5.
Таблица 5
Расчёт нагрузок общественно-коммунальных предприятий и административных
зданий
|
номер здания
|
шт.
|
Наименование
|
|
|
Удельная нагрузка
|
|
кВт
|
квар
|
|
21
|
1
|
школа
|
150
|
2873
|
0,22
|
0,38
|
632,08
|
240,19
|
|
39
|
1
|
гостиница
|
5
|
96
|
0,22
|
0,75
|
21,07
|
15,80
|
|
16
|
1
|
прод.магазин
|
70
|
1341
|
0,22
|
0,75
|
294,97
|
221,23
|
|
47
|
1
|
универсам
|
25
|
479
|
0,14
|
0,48
|
67,04
|
32,18
|
|
41
|
1
|
больница
|
30
|
575
|
1,2
|
0,48
|
689,54
|
330,98
|
|
42
|
1
|
дом быта
|
2,1
|
40
|
0,5
|
0,48
|
20,11
|
9,65
|
|
38
|
1
|
театр
|
8
|
153
|
0,12
|
0,43
|
18,39
|
7,91
|
3. Определение категорий
электроприемников по обеспечению надежности электроснабжения
Требования к надежности электроснабжения электроприемников проектируемого
района должны соответствовать требованиям ПУЭ и Инструкции по проектированию
городских электрических сетей.
Требования к надежности электроснабжения определяются к ближайшему
вводному устройству, к которому ЭП подключен через коммутационный аппарат. Допускается
категорирование надежности электроснабжения для группы ЭП (например,
операционные помещения больниц), а также для объекта в целом (например, детский
сад, парикмахерская и т.д.).
I
категория: больницы с операционными отделениями, особенно важные элементы
коммунального хозяйства, аварийное освещение зрелищных предприятий.
II
категория: жилые дома и общежития с электрическими плитами, жилые дома выше 6
этажей с газовыми плитами, административно-общественные здания, детские и
учебные учреждения, медицинские учреждения, крытые спортивные и зрелищные
предприятия на 200-800 мест, предприятия общественного питания на 100÷500
посадочных мест,
магазины с торговыми залами площадью от 220 до 1800 м2. бани, дома
бытового обслуживания, хозяйственные блоки и ателье на 50 и более рабочих мест,
водопроводные и канализационные станции районного и микрорайонного значения,
гостиницы.
Для II категории допустимы перерывы
электроснабжения на время, необходимое для включения резервного питания
дежурным персоналом или выездной бригадой (ввод этого питания может
осуществляться неавтоматически).
Исходя из определения ПУЭ: электроснабжение второй категории может
выполняться от одного источника питания при условии, что перерывы
электроснабжения, необходимые для ремонта или замены повреждённого элемента
системы электроснабжения не превышают 1 суток.
Таблица 6
Определение категорий электроприемников по обеспечению надежности
электроснабжения
|
Общественные здания
|
Категория
|
|
школа
|
II
|
|
гостиница
|
II
|
|
прод. магазин
|
II
|
|
универсам
|
II
|
|
больница
|
I
|
|
дом быта
|
II
|
|
театр
|
II
|
4. Выбор числа и мощности трансформаторов 10/0,4
кВ. Расчет нагрузки на шинах 0,4 кВ трансформаторных подстанций
Число трансформаторных подстанций (ТП) проектируемого района определяется
следующим. Во-первых, основным принципом построения распределительной сети 10
кВ для ЭП второй категории (так как она преобладающая) является сочетание
петлевых схем 10 кВ, обеспечивающих двухстороннее питание каждой ТП, и петлевых
схем 0,38 кВ для питания потребителей. При петлевой схеме распределительной
сети 10 кВ должны применяться, как правило, однотрансформаторные подстанции.
Во-вторых, оптимальная мощность трансформаторов ТП в районах многоэтажной
застройки (9 этажей и выше) составляет 630 кВ×А. В нашем случае потребители первой
категории есть, поэтому все ТП проектируем однотрансформаторные, за исключением
одной.
Номинальная мощность
кВ×А, трансформаторов ТП определяется из условия:
где
полная расчётная нагрузка потребителей, подключённых к данной
ТП, кВ×А;
количество трансформаторов ТП;
коэффициент загрузки трансформатора, принимается:
для однотрансформаторных подстанций с резервированием по напряжению 0,38
кВ равным 0,7 - 0,8;
для однотрансформаторных подстанций без резервирования по напряжению 0,38
кВ равным 0,9-0,95;
для двухтрансформаторных подстанций равным 0,65 - 0,7.
Так как преобладают потребители второй категории, то берем коэффициент загрузки 0,7 - 0,8, а для потребителя первой
0,9.
Полная расчетная нагрузка
кВ×А, на шинах 0,4 кВ ТП определяется с учетом того, что для жилых и
общественных зданий компенсация реактивной нагрузки не предусматривается.
где
активная расчётная нагрузка на стороне 0,4 кВ ТП, кВт;
реактивная расчётная нагрузка на стороне 0,4 кВ ТП, квар.
Активная расчетная нагрузка
определяется по формуле:
где
- наибольшая расчетная нагрузка жилого дома (здания) или
группы однотипных жилых домов (зданий) из числа ЭП, подключенных к шинам 0,4 кВ
ТП, кВт;
- расчетная нагрузка других зданий, подключенных к шинам 0,4
кВ ТП, кВт;
- коэффициент участия в максимуме электрических нагрузок
общественных зданий или жилых домов, определяется по
табл. В.6 приложения В.
Аналогично определяем расчетную реактивную нагрузку на шинах 0,4 кВ ТП:
Для всех выбранных ТП требуется определить расчетные значения
коэффициентов загрузки трансформаторов
. Результаты расчетов приведены в
таблицах 7-16.
Таблица 7
Выбор числа и мощности трансформаторов ТП1
|
№ здания
|
,шт
|
,кВт
|
,квар
|
|
кВт
|
квар
|
кВА
|
|
1,2,3
|
3
|
99,54
|
45,6
|
0,9
|
268,758
|
123,201
|
|
|
4,5
|
2
|
212,34
|
61,1
|
1
|
424,68
|
122,12
|
|
|
Итого
|
|
|
|
|
693,44
|
245,32
|
735,55
|
Выбираем один трансформатор типа ТС
1000/10,
Таблица 8
Выбор числа и мощности трансформаторов ТП2
|
№ здания
|
,шт
|
,кВт
|
,квар
|
|
кВт
|
квар
|
кВА
|
|
6,7,9,10
|
4
|
122,22
|
35,7
|
1
|
488,88
|
142,84
|
|
|
8
|
1
|
212,34
|
61,1
|
0,9
|
191,106
|
54,954
|
|
|
Итого
|
|
|
|
|
679,99
|
197,79
|
708,17
|
Выбираем один трансформатор типа ТС - 1000/10,
Таблица 9
Выбор числа и мощности трансформаторов ТП3
|
№ здания ,шт ,кВт ,квар кВт квар кВА
|
|
|
|
|
|
|
|
|
11,12,15
|
3
|
212,34
|
61,1
|
1
|
637,02
|
183,18
|
|
|
13
|
1
|
99,54
|
45,6
|
0,9
|
89,586
|
41,067
|
|
|
Итого
|
|
|
|
|
726,61
|
224,25
|
760,42
|
Выбираем один трансформатор типа ТС - 1000/10,
Таблица 10
Выбор числа и мощности трансформаторов ТП4
|
№ здания
|
,шт
|
,кВт
|
,квар
|
|
кВт
|
квар
|
кВА
|
|
18
|
1
|
99,54
|
45,6
|
0,5
|
49,77
|
22,8
|
|
|
19
|
1
|
122,22
|
35,7
|
0,6
|
73,332
|
21,42
|
|
|
17
|
1
|
212,34
|
61,1
|
0,6
|
127,404
|
36,66
|
|
|
20
|
1
|
99,54
|
45,6
|
0,5
|
49,77
|
22,8
|
|
|
16
|
1
|
294,97
|
221,2
|
1
|
294,97
|
221,23
|
|
|
Итого
|
|
|
|
|
595,25
|
324,91
|
678,15
|
Выбираем один трансформатор типа ТС - 1000/10, 
Выбор числа и мощности трансформаторов ТП5
|
№ здания
|
,шт
|
,кВт
|
,квар
|
|
кВт
|
квар
|
кВА
|
|
21
|
1
|
632,08
|
240,2
|
1
|
632,08
|
240,19
|
|
|
22,25
|
2
|
99,54
|
45,6
|
0,3
|
59,724
|
27,378
|
|
|
23,24,26,27
|
4
|
99,54
|
45,6
|
0,3
|
119,448
|
54,756
|
|
|
Итого
|
|
|
|
|
811,25
|
322,32
|
872,94
|
Выбираем один трансформатор типа ТС - 1000/10,
Таблица 12
Выбор числа и мощности трансформаторов ТП6
|
№ здания
|
,шт
|
,кВт
|
,квар
|
|
кВт
|
квар
|
кВА
|
|
28,29
|
2
|
122,22
|
35,7
|
1
|
244,44
|
71,42
|
|
|
30,32,36,40
|
4
|
61,74
|
28
|
0,9
|
222,264
|
100,872
|
|
|
Итого
|
|
|
|
|
466,70
|
172,29
|
497,49
|
Выбираем один трансформатор типа ТС - 630/10,
Таблица 13
Выбор числа и мощности трансформаторов ТП7
|
№ здания
|
,шт
|
,кВт
|
,квар
|
|
кВт
|
квар
|
кВА
|
|
31,33,34,35,37
|
5
|
170,69
|
59,4
|
1
|
853,45
|
296,85
|
|
|
Итого
|
|
|
|
|
853,45
|
296,85
|
903,60
|
Выбираем один трансформатор типа ТС - 1000/10,
Таблица 14
Выбор числа и мощности трансформаторов ТП8
|
№ здания
|
,шт
|
,кВт
|
,квар
|
|
кВт
|
квар
|
кВА
|
|
38
|
1
|
18,39
|
7,91
|
0,9
|
16,551
|
7,119
|
|
|
39
|
1
|
21,07
|
15,8
|
0,8
|
16,856
|
12,64
|
|
|
44,48
|
2
|
40,14
|
17,3
|
0,9
|
72,252
|
31,176
|
|
|
51,55
|
2
|
99,54
|
45,6
|
0,9
|
179,172
|
82,134
|
|
|
56,58,59
|
3
|
154,83
|
56,2
|
1
|
464,49
|
168,6
|
|
|
Итого
|
|
|
|
|
749,32
|
301,67
|
807,77
|
Выбираем один трансформатор типа ТС - 1000/10,
Таблица 15
Выбор числа и мощности трансформаторов ТП9
|
№ здания ,шт ,кВт ,квар кВт квар кВА
|
|
|
|
|
|
|
|
|
41
|
1
|
689,54
|
331
|
1
|
689,54
|
330,98
|
|
|
42
|
1
|
20,11
|
9,65
|
0,8
|
16,088
|
7,72
|
|
|
43
|
1
|
122,22
|
35,7
|
0,7
|
85,554
|
24,997
|
|
|
Итого
|
|
|
|
|
791,18
|
363,70
|
870,77
|
Выбираем два трансформатора типа ТС
1000/10,
, т.к. есть потребитель первой категории.
Таблица 16
Выбор числа и мощности трансформаторов ТП10
|
№ здания ,шт ,кВт ,квар кВт квар кВА
|
|
|
|
|
|
|
|
|
47
|
1
|
67,04
|
32,18
|
0,8
|
53,632
|
25,744
|
|
|
45,46,49,50
|
4
|
40,14
|
17,3
|
0,9
|
144,504
|
62,352
|
|
|
52,53,54
|
3
|
99,54
|
45,6
|
1
|
298,62
|
136,89
|
|
|
57
|
1
|
154,83
|
56,2
|
0,9
|
139,347
|
50,58
|
|
|
Итого
|
|
|
|
|
636,10
|
275,57
|
693,23
|
Выбираем один трансформатор типа ТС - 1000/10,
Таблица 17
Выбор числа и мощности трансформаторов всех ТП
|
№ подстанции
|
№ зданий
|
,шт
|
кВА
|
|
|
1
|
1,2,3,4,5
|
1
|
1000
|
0,74
|
|
2
|
6,7,8,9,10
|
1
|
1000
|
0,71
|
|
3
|
11,12,13,15
|
1
|
1000
|
0,76
|
|
4
|
16,17,18,19,20
|
1
|
1000
|
0,68
|
|
5
|
21,22,23,24,25,26,27
|
1
|
1000
|
0,87
|
|
6
|
28,29,30,32,36,40
|
1
|
630
|
0,79
|
|
7
|
31,33,34,35,37
|
1
|
1000
|
0,9
|
|
8
|
38,39,44,48,51,55,56,58,59
|
1
|
1000
|
0,81
|
|
9
|
41,42,43
|
2
|
1000
|
0,87
|
|
10
|
45,46,47,49,50,52,53,54,57
|
1
|
1000
|
0,69
|
5. Определение мест расположения
трансформаторных подстанций, построение картограммы электрических нагрузок
Координаты центров электрических нагрузок (или мест установки ТП)
определяются следующим образом:
,
где
- общее число зданий, питающихся от данной ТП;
- координата центра тяжести i-го здания по оси абсцисс, мм;
- координата центра тяжести i-го здания по оси ординат, мм.
Результаты вычислений приведены в таблицах 18-27
Таблица 18
Определение мест расположения ТП1
|
№ здания
|
кВт
|
мм
|
мм
|
кВт мм
|
кВт мм
|
|
1
|
99,54
|
39,5
|
125
|
3931,8
|
12442,5
|
|
2
|
99,54
|
55
|
122
|
5474,7
|
12173,7
|
|
3
|
99,54
|
61
|
116
|
6071,9
|
11516,8
|
|
4
|
212,34
|
29,5
|
118
|
6264,0
|
24950,0
|
|
5
|
212,34
|
45,5
|
116
|
9661,5
|
24631,4
|
|
итого
|
723,3
|
43,4
|
118,5
|
31404,0
|
85714,4
|
Таблица 19
Определение мест расположения ТП2
|
№ здания кВт мм мм кВт мм кВт мм
|
|
|
|
|
|
|
6
|
122,22
|
43,9
|
108
|
5365,5
|
13224,2
|
|
7
|
122,22
|
58
|
103
|
7088,8
|
12613,1
|
|
8
|
212,34
|
49,5
|
97,9
|
10510,8
|
20788,1
|
|
9
|
122,22
|
34,3
|
94,8
|
4192,1
|
11586,5
|
|
10
|
122,22
|
55,5
|
88,9
|
6783,2
|
10865,4
|
|
итого
|
701,22
|
48,4
|
98,5
|
33940,4
|
69077,2
|
Таблица 20
Определение мест расположения ТП3
кВт
|
мм
|
мм
|
кВт мм
|
кВт мм
|
|
11
|
212,34
|
47,5
|
83,9
|
10086,2
|
17815,3
|
|
12
|
212,34
|
35,9
|
81
|
7623,0
|
17199,5
|
|
13
|
99,54
|
53
|
73,8
|
5275,6
|
7346,1
|
|
15
|
212,34
|
42,1
|
71,1
|
8939,5
|
15097,4
|
|
итого
|
736,56
|
43,3
|
78,0
|
31924,3
|
57458,3
|
Таблица 21
Определение мест расположения ТП4
|
№ здания кВт мм мм кВт мм кВт мм
|
|
|
|
|
|
|
16
|
294,97
|
27,9
|
66,8
|
8229,7
|
19704,0
|
|
17
|
212,34
|
40,8
|
64,4
|
8663,5
|
13674,7
|
|
18
|
99,54
|
50,1
|
57,8
|
4987,0
|
5753,4
|
|
19
|
122,22
|
31,3
|
58,8
|
3825,5
|
7186,5
|
|
20
|
99,54
|
39,5
|
50,9
|
3931,8
|
5066,6
|
|
итого
|
828,61
|
35,8
|
62,0
|
29637,4
|
51385,2
|
Таблица 22
Определение мест расположения ТП5
|
№ здания кВт мм мм кВт мм кВт мм
|
|
|
|
|
|
|
21
|
632,08
|
24,5
|
46,4
|
15486,0
|
29328,5
|
|
22
|
99,54
|
47,9
|
40,1
|
4768,0
|
3991,6
|
|
23
|
99,54
|
36,5
|
35,5
|
3633,2
|
3533,7
|
|
24
|
99,54
|
24
|
31,1
|
2389,0
|
3095,7
|
|
25
|
99,54
|
44,8
|
25
|
4459,4
|
2488,5
|
|
26
|
99,54
|
14,9
|
26,1
|
1483,1
|
2598,0
|
|
27
|
99,54
|
31,9
|
22,4
|
3175,3
|
2229,7
|
|
итого
|
1229,32
|
28,8
|
38,4
|
35394,0
|
47265,6
|
Таблица 23
Определение мест расположения ТП6
|
№ здания
|
кВт
|
мм
|
мм
|
кВт мм
|
кВт мм
|
|
28
|
122,22
|
93,5
|
112
|
11427,6
|
13627,5
|
|
29
|
122,22
|
71,4
|
102
|
8726,5
|
12454,2
|
|
30
|
61,74
|
72,9
|
91,9
|
4500,8
|
5673,9
|
|
32
|
61,74
|
72,5
|
85
|
4476,2
|
5247,9
|
|
36
|
61,74
|
71,2
|
78,8
|
4395,9
|
4865,1
|
|
40
|
61,74
|
70
|
71,9
|
4321,8
|
4439,1
|
|
итого
|
491,4
|
77,0
|
94,2
|
37848,8
|
46307,8
|
Таблица 24
Определение мест расположения ТП7
|
№ здания
|
кВт
|
мм
|
мм
|
кВт мм
|
кВт мм
|
|
31
|
170,69
|
88,9
|
92,8
|
15174,3
|
15840,0
|
|
33
|
170,69
|
87,3
|
83
|
14901,2
|
14167,3
|
|
34
|
170,69
|
96,5
|
79,9
|
16471,6
|
13638,1
|
|
35
|
170,69
|
114
|
77,9
|
19424,5
|
13296,8
|
|
37
|
170,69
|
85,7
|
73,9
|
14628,1
|
12614,0
|
|
итого
|
853,45
|
94,4
|
81,5
|
80599,8
|
69556,2
|
Таблица 25
Определение мест расположения ТП8
|
№ здания кВт мм мм кВт мм кВт мм
|
|
|
|
|
|
|
38
|
18,39
|
103
|
65,9
|
1894,2
|
1211,9
|
|
39
|
21,07
|
119
|
67
|
2509,4
|
1411,7
|
|
44
|
40,14
|
112
|
52,6
|
4487,7
|
2111,4
|
|
48
|
40,14
|
109
|
40,9
|
4371,2
|
1641,7
|
|
51
|
99,54
|
105
|
29
|
10481,6
|
2886,7
|
|
55
|
99,54
|
93,5
|
19,9
|
9307,0
|
1980,8
|
|
56
|
154,83
|
106
|
15,9
|
16381,0
|
2461,8
|
|
58
|
154,83
|
79,9
|
13,2
|
12370,9
|
2043,8
|
|
59
|
154,83
|
94,5
|
10,7
|
14631,4
|
1656,7
|
|
итого
|
783,31
|
97,58
|
22,222
|
76434,4
|
17406,4
|
Таблица 26
Определение мест расположения ТП9
|
№ здания
|
кВт
|
мм
|
мм
|
кВт мм
|
кВт мм
|
|
41
|
689,54
|
68,8
|
63,5
|
47440,4
|
43785,8
|
|
42
|
20,11
|
77,2
|
60,5
|
1552,5
|
1216,7
|
|
43
|
122,22
|
82,9
|
61,7
|
10132,0
|
7541,0
|
|
итого
|
831,87
|
71,1
|
63,2
|
59124,9
|
52543,4
|
Таблица 27
Определение мест расположения ТП10
|
№ здания
|
кВт
|
мм
|
мм
|
кВт мм
|
кВт мм
|
|
45
|
40,14
|
67
|
56
|
2689,4
|
2247,8
|
|
46
|
40,14
|
65,8
|
49,2
|
2641,2
|
1974,9
|
|
47
|
67,04
|
76,8
|
44,6
|
5148,7
|
2990,0
|
|
49
|
40,14
|
64,2
|
42,5
|
2577,0
|
1706,0
|
|
50
|
40,14
|
63
|
36,1
|
1449,1
|
|
52
|
99,54
|
72,9
|
29,1
|
7256,5
|
2896,6
|
|
53
|
99,54
|
56,4
|
24,2
|
5614,1
|
2408,9
|
|
54
|
99,54
|
77
|
22,1
|
7664,6
|
2199,8
|
|
57
|
154,83
|
65,1
|
16
|
10079,4
|
2477,3
|
|
итого
|
681,05
|
67,84
|
29,881
|
46199,6
|
20350,3
|
На генеральном плане района укажем все рассчитанные центры электрических
нагрузок, в которых будут установлены ТП (рисунок 2). Если по каким-либо причинам
установить ТП в центре электрических нагрузок невозможно, ее можно сместить по
направлению к источнику питания (т.е. ПГВ), располагая по возможности в
ближайшем от центра электрических нагрузок месте.
Картограмма нагрузок состоит из окружностей. Площадь, ограниченная каждой
из этих окружностей
, равна нагрузке
кВт соответствующей нагрузке зданий.
Картограмму строим для одной ТП на выбор (ТП9).
,
где
масштаб для определения площади круга,
.
радиус окружности, м.
Откуда радиус окружности определяется как:
,
Находим наиболее мощный электроприёмник. Строим для него свою окружность.
Измеряем радиус окружности и пересчитываем масштаб по формуле:
,
Наиболее мощный электроприёмник - это №41.
Находим радиус окружности для заданного ЭП:
Находим масштаб:
Картограмма представлена на генплане района (рисунок 2).
Рисунок
2 - Картограмма нагрузок, размещение ТП проектируемого района
6. Расчет суммарной нагрузки проектируемого
района
Расчётная электрическая нагрузка проектируемого района
кВт определяется по формуле:
где
расчётные нагрузки трансформаторов всех ТП проектируемого
района, кВт;
количество трансформаторов всех ТП;
коэффициент, учитывающий совмещение максимумов нагрузок
трансформаторов (коэффициент участия в максимуме нагрузок), принимается по
по табл. В.7 приложения В.
количество трансформаторов 10, жилая
застройка (75,11% НГ жилых домов 24,89% НГ общественных зданий).
Расчётная реактивная нагрузка определяется выражением:
,
где
коэффициент реактивной мощности, принимаем
. Выбор числа и мощности силовых трансформаторов
подстанции глубокого ввода. Компенсация реактивной мощности
При проектировании схем электроснабжения городов, как правило,
предусматриваются двухтрансформаторные подстанции глубоких вводов (ПГВ) 110 кВ
и выше для питания отдельных районов города.
В данном курсовом проекте предполагается, что от проектируемой ПГВ
питается несколько районов города. При этом суммарная нагрузка проектируемого
района составляет 25% от нагрузки всех потребителей, питающихся от ПГВ. Таким
образом, следует предусмотреть по три отходящих присоединения от каждой секции
шин ПГВ, наряду с присоединениями для питания нагрузок проектируемого района.
Выбор номинальной мощности трансформаторов ПГВ осуществляется по полной
расчетной мощности по формуле:
,
где
расчётная активная мошность ПГВ, МВт;
расчётная реактивная мощность ПГВ, Мвар;
мощность компенсирующих устройств, Мвар.
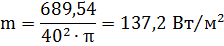
Для определения полной расчетной мощности нагрузок проектируемой ПГВ,
требуется произвести выбор компенсирующих устройств. Затем необходимо выбрать
мощность трансформаторов ПГВ, рассчитать коэффициенты загрузки в нормальном и
аварийном режимах. Расчёт мощности компенсирующих устройств производим методом
экономического коэффициента мощности, принимаем
Расчет мощности КУ:
Выбор КУ из ряда стандартных:
квар
Полная мощность:
кВА
Выбираем трансформаторы ПГВ:
,
где
полная суммарная расчётная мощность на стороне 10 кВ;
число трансформаторов ПГВ;
коэффициент загрузки трансформаторов ПГВ.
Принимаем
Выбираем два трансформатора типа ТРДН - 25000/110
Паспортные данные трансформатора:
Коэффициент загрузки в нормальном режиме:
Коэффициент загрузки в послеаварийном режиме:
Трансформатор проверку по послеаварийному режиму проходит.
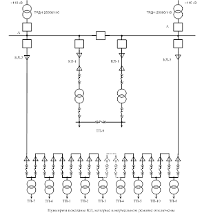
8. Выбор схемы электрической сети
Принцип построения городской распределительной сети по условиям
обеспечения необходимой надежности электроснабжения потребителей, как правило,
выбирается применительно к основной массе ЭП рассматриваемого района города.
Принятый способ построения дополняется необходимыми мерами по созданию
требуемой надежности электроснабжения для отдельных приемников высшей категории
(при их наличии).
Пропускная способность линий и трансформаторов определяется принятым
способом построения сети, расчетными режимами ее работы с учетом допустимой
перегрузки оборудования и кабелей в послеаварийных режимах.
Основным принципом построения распределительной сети 10 кВ является
сочетание петлевых линий 10(6) кВ и радиальных линий 0,38 кВ к потребителям.
Петлевая линия предусматривает двухстороннее питание. Эта линия может работать
по разомкнутой схеме. Пример построения указанной схемы распределительной сети
приведен на рисунке 3.
Рисунок 3 - Упрощённая однолинейная схема распределительной сети 10 кВ
Как показано на рисунке распределительные линии 10 кВ (КЛ1 и КЛ2)
присоединены к разным источникам питания. В нормальном режиме линии 10 кВ
работают раздельно (размыкание в точке потокораздела), и питают определенное
количество ТП.
Схема распределительной сети 0,38 кВ для всего проектируемого района не
выбирается, так как эта задача предполагает выполнение сравнительных
технико-экономических расчетов и является весьма трудоемкой. В дальнейшем будет
рассмотрена сеть 0,38 кВ только для одной из ТП.
В связи с тем, что распределительная сеть 0,38 кВ всего района не
выбирается, то в данном курсовом проекте принимается следующее допущение: в
любом послеаварийном режиме, когда происходит резервирование электроснабжения
потребителей 0,38 кВ, перегрузка выбираемого оборудования (трансформаторов ТП,
кабельных линий 10 кВ и др.) не будет превышать допустимую.
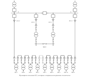
В результате имеем одно кольцо, состоящее из 9ти подстанций, и одну
отдельно подключенную подстанцию к которой подключен потребитель первой
категории. Распределительная сеть 10 представлена на рисунке 4.
Рисунок
4 - Схема петлевой распределительной сети 10 кВ
9. Расчет распределительной сети 10 кВ
.1 Выбор сечений кабелей на участках распределительной сети
Линии электропередачи до 20 кВ на селитебной территории городов, в
районах застройки зданиями высотой 4 этажа и выше должны выполняться, как
правило, кабельными.
Кабельные линии следует, как правило, прокладывать в земле (в траншеях)
по непроезжей части улиц (под тротуарами), по дворам и техническим полосам в
виде газонов.
Сечения жил кабелей должны выбираться по экономической плотности тока в
нормальном режиме и проверяться по допустимому длительному току в аварийном и
послеаварийном режимах, а также по допустимому отклонению напряжения. При
проверке кабельных линий по допустимому длительному току должны быть учтены
поправочные коэффициенты: на количество работающих кабелей, лежащих рядом в
земле, на допустимую перегрузку в послеаварийном режиме, фактическую
температуру среды, удельное сопротивление грунта и на отличие номинального
напряжения кабеля от номинального напряжения сети.
Минимальное сечение кабелей с алюминиевыми жилами в распределительных
сетях 10 (6) кВ при прокладке их в траншеях рекомендуется принимать сечением не
менее 70 мм2.
Сечение кабелей по участкам линии следует принимать с учетом изменения
нагрузки участков по длине. При этом на одной линии допускается применение
кабелей не более трех различных сечений.
Прежде чем приступать к выбору сечения кабельных линий, необходимо
определить токораспределение в выбранной схеме электрической сети 10 кВ.
Выбор экономических сечений жил кабельных линий, имеющих промежуточные
отборы мощности, следует производить для каждого из участков, исходя из
соответствующих расчетных токов участков. При этом для соседних участков
допускается принимать одинаковое сечение, соответствующее экономическому для
наиболее протяженного участка, если разница между значениями экономического
сечения для этих участков находиться в пределах одной ступени по шкале
стандартных сечений.
Экономически целесообразное сечение жил кабельных линий
определяется по формуле:
,
где
расчётный ток
-той линии в нормальном режиме, А;
нормированное значение экономическо плотности тока,
,
где
расчётная мощность
-того участка, кВА;
номинальное напряжение сети, кВ.
Для кабелей с бумажной, резиновой и полихлорвиниловой изоляцией с
алюминиевыми жилами экономическая плотность тока принимается равной 1,4 А/мм2
при числе часов использования максимума нагрузки 3000 ÷
5000 ч. в год.
Далее выбранные экономические сечения жил кабелей проверяются по условиям
длительно допустимого нагрева. При этом должно выполняться следующее
соотношение:
,
где
максимальный расчетный ток в послеаварийном режиме;
коэффициент аварийной перегрузки, принимается равным 1,25;
поправочный коэффициент на температуру окружающей среды,
принимается по
табл. Г.1 приложения Г;
поправочный коэффициент, учитывающий отличие удельного
сопротивления грунта от 120 см·К/Вт, принимается по
табл. Г.2 приложения Г;
поправочный коэффициент на количество работающих кабелей,
проложенных рядом в земле, принимается по
табл. Г.3;
поправочный коэффициент для кабелей, работающих не при
номинальном напряжении, при равенстве номинальных напряжений кабеля и сети
длительно допустимый ток одиночного
кабеля при нормальных условиях прокладки, А.
Максимальный расчетный ток
определяется по наиболее тяжелому
режиму, который создается поочередным обрывом головных участков. Так как для
наиболее экономично сеть будет работать с размыканием в точке естественного
потокораздела, то необходимо определить данную точку. Определим точку
потокораздела по методу расчета простой замкнутой (кольцевой) сети.
Таблица 28
Исходные данные для расчёта кольцевой сети
|
№ подстанции
|
кВт
|
квар
|
Участок
|
,м
|
|
ТП-7
|
853,45
|
296,85
|
А-7
|
284,82
|
|
ТП-6
|
466,70
|
172,29
|
7-6
|
151,5
|
|
ТП-1
|
693,44
|
245,32
|
6-1
|
266,64
|
|
ТП-2
|
679,99
|
197,79
|
1-2
|
145,44
|
|
ТП-3
|
726,61
|
224,25
|
2-3
|
181,8
|
|
ТП-4
|
595,25
|
324,91
|
3-4
|
115,14
|
|
ТП-5
|
811,25
|
322,32
|
4-5
|
175,74
|
|
ТП-10
|
636,10
|
275,57
|
5-10
|
218,16
|
|
ТП-8
|
749,32
|
301,67
|
10-8
|
163,62
|
|
Сумма
|
6212,11
|
2360,97
|
8-А
|
248,46
|
Рассчитаем потокораспределение в имеющимся кольце. На рисунке 5 приведена
расчётная схема кольцевой сети. В первом приближении принимаем, что сечение
всех участков сети одного сечения. После этого допущения сопротивления участков
можно заменить на длины соответствующих участков.
,
,
где
расчётные мощности i-тых подстанций, кВА;
расстояния между i-той точкой и точкой
, м;
расстояния между i-той точкой и точкой
, м;
расстояние между точками
м.
Результаты вычислений проверим по сетевому балансу:
,
где
потоки мощностей на головных участках, кВА;
мощности i-тых
подстанций.
Сетевой баланс выполняется, потоки на головных участках найдены
правильно. Потоки мощностей на остальных участках определяем как разность между
потоком на головном участке и соответствующей мощностью ТП. Результаты
приведены на рисунке 6. Как видно из рисунка, точка 3 - точка потокораздела.
Минимальная мощность протекает по участку 2 - 3. Поэтому в нормальном режиме
этот участок будет отключён.
Рисунок 5 - Расчётная схема кольцевой сети
Рисунок 6 - Результаты расчёта потоков мощностей для кольца
Для выбора сечения жил кабеля на участках сети разделим сеть в точке
потокораздела и определим мощности и токи в соответствующих линиях двигаясь от
точки потокораздела к источнику. При этом учитываем несовпадение максимумов
нагрузок.
Аналогично находим потоки мощности и токи для других участков. Выбранные
кабели типа АПвПу (кабель с изоляцией из сшитого полиэтилена, в оболочке из
полиэтилена, в усиленной оболочке). Результаты приведены в таблице 29.
Рассмотрим на примере участка 2-1:
Таблица 29
Выбор кабелей
|
Участок
|
|
|
|
|
|
|
|
|
|
2-1
|
679,99
|
1
|
680,0
|
292,4
|
42,73
|
30,52
|
70
|
165
|
|
1-6
|
1373,43
|
0,9
|
1236,1
|
531,52
|
77,68
|
55,48
|
70
|
165
|
|
6-7
|
1840,13
|
0,85
|
1564,1
|
672,57
|
98,29
|
70,21
|
95
|
205
|
|
7-А
|
2693,58
|
0,85
|
2289,5
|
984,5
|
143,8
|
102,77
|
120
|
240
|
|
3-4
|
726,61
|
1
|
726,6
|
312,44
|
45,66
|
32,61
|
70
|
165
|
|
4-5
|
1321,86
|
0,9
|
1189,7
|
511,56
|
74,76
|
53,40
|
70
|
165
|
|
5-10
|
2133,11
|
0,85
|
1813,1
|
779,65
|
113,94
|
81,39
|
95
|
205
|
|
10-8
|
2769,21
|
0,85
|
2353,8
|
1012,1
|
147,92
|
105,66
|
120
|
240
|
|
8-А
|
3518,53
|
0,85
|
2990,8
|
1286
|
187,95
|
134,2
|
150
|
275
|
|
А-9
|
791,18
|
0,9
|
712,1
|
306,19
|
44,75
|
31,96
|
2х70
|
165
|
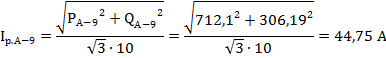
Определим максимальный расчётный ток, путём поочерёдного обрыва головных
участков в кольцах. После этого проведём проверку на нагрев токами нагрузки в
послеаварийном режиме. Значение коэффициентов принимаем равным:
. Принимаем расстояние между кабелями
в свету 100 мм. Данные приведены в таблице 30.
электрический сеть нагрузка электроприемник
Таблица 30
Проверка кабелей на нагрев токами нагрузки в послеаварийном режиме
|
Участок
|
|
|
Обрыв А-7
|
|
|
|
|
|
|
|
|
|
|
|
7-6
|
95
|
205
|
853,45
|
1
|
853,5
|
367,0
|
53,64
|
1
|
256,25
|
|
6-1
|
70
|
165
|
1320,15
|
0,9
|
1188,1
|
510,9
|
74,67
|
1
|
206,25
|
70
|
165
|
2013,59
|
0,85
|
1711,6
|
736,0
|
107,56
|
1
|
206,25
|
|
2-3
|
70
|
165
|
2693,58
|
0,85
|
2289,5
|
984,5
|
143,89
|
1
|
206,25
|
|
3-4
|
70
|
165
|
3420,19
|
0,85
|
2907,2
|
1250,1
|
182,70
|
1
|
206,25
|
|
4-5
|
70
|
165
|
4015,44
|
0,8
|
3212,4
|
1381,3
|
201,88
|
1
|
206,25
|
|
5-10
|
95
|
205
|
4826,69
|
0,8
|
3861,4
|
1660,4
|
242,67
|
1
|
256,25
|
|
10-8
|
120
|
240
|
5462,79
|
0,8
|
4370,2
|
1879,2
|
274,65
|
1
|
300
|
|
8-А
|
150
|
275
|
6212,11
|
0,8
|
4969,7
|
2137,0
|
312,33
|
1
|
343,75
|
|
А-9
|
70
|
165
|
791,18
|
0,9
|
712,1
|
306,2
|
44,75
|
0,9
|
185,625
|
|
Участок
|
|
|
Обрыв А-8
|
|
|
|
|
|
|
|
|
|
|
|
8-10
|
120
|
240
|
749,32
|
1
|
749,3
|
322,2
|
47,09
|
1
|
300
|
|
10-5
|
95
|
205
|
1385,42
|
0,9
|
1246,9
|
536,2
|
78,36
|
1
|
256,25
|
|
5-4
|
70
|
165
|
2196,67
|
0,85
|
1867,2
|
802,9
|
117,34
|
1
|
206,25
|
|
4-3
|
70
|
165
|
2791,92
|
0,85
|
2373,1
|
1020,4
|
149,14
|
1
|
206,25
|
|
3-2
|
70
|
165
|
3518,53
|
0,85
|
2990,8
|
1286,0
|
187,96
|
1
|
206,25
|
|
2-1
|
70
|
165
|
4198,52
|
0,8
|
3358,8
|
1444,3
|
211,09
|
1
|
206,25
|
|
1-6
|
70
|
165
|
4891,96
|
0,8
|
3913,6
|
1682,8
|
245,95
|
1
|
206,25
|
|
6-7
|
95
|
205
|
5358,66
|
0,8
|
4286,9
|
1843,4
|
269,42
|
1
|
256,25
|
|
7-А
|
120
|
240
|
6212,11
|
0,8
|
4969,7
|
2137,0
|
312,33
|
1
|
300
|
Условия проверки выполняются не для всех участков. На участках 2-1, 1-6, 6-7, 7-А условия проверки на нагрев не выполняются, а значит, следует
выбрать кабели с большим сечением.
Таблица 31
Замена кабелей
|
Участок
|
|
|
|
|
|
|
2-1
|
70
|
165
|
→
|
95
|
205
|
|
1-6
|
70
|
165
|
→
|
95
|
205
|
|
6-7
|
95
|
205
|
→
|
120
|
240
|
|
7-А
|
120
|
240
|
→
|
150
|
275
|
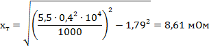
9.2 Расчёт токов короткого замыкания в сети 10 кВ
Для правильной эксплуатации электрической сети и оборудования, кроме
расчетов нормальных электрических режимов производятся расчеты возможных
аварийных режимов. Электрическая сеть и оборудование выбираются таким образом,
чтобы они выдерживали без повреждения действие наибольших возможных токов КЗ.
Величина тока КЗ зависит от мощности источника питания, величины
сопротивления сети (удаленности КЗ от источника питания), от вида, а также
момента возникновения КЗ и длительности его действия.
В сети выше 1000 В обычно рассчитывается ток трехфазного КЗ, как наиболее
тяжелый режим.
В данном курсовом проекте требуется рассчитать токи КЗ на шинах
подстанции и в начале каждой кабельной линии. Расчет токов КЗ выполняется
приближенно в относительных единицах, в соответствии с методикой, приводимой в
курсе "Электромагнитные переходные процессы".
При расчете токов КЗ принимаем, что на шинах 110 кВ трансформатора ГПП
мощность короткого замыкания
.
Рисунок 7 - Упрощённая однолинейная схема для расчётов токов КЗ
Рисунок 8 - Схема замещения для расчётов токов КЗ
Рассчитаем токи КЗ на шинах 10 кВ подстанции и в начале каждой КЛ.
Принимаем:
,
где
базисная мощность, МВА;
базисное напряжение первой ступени, кВ.
Сопротивление системы:
,
где
базисная мощность, МВА;
мощность короткого замыкания на шинах 110 кВ.
где
реактивное сопротивление системы, о.е..
Сопротивление трансформатора ГПП:
,
где
напряжение короткого замыкания трансформатора, %;
базисная мощность, МВА;
номинальная мощность трансформатора, МВА.
,
где
потери короткого замыкаия трансформатора, кВт;
базисная мощность, МВА;
номинальная мощность трансформатора, МВА.
Сопротивление кабельных линий (на примере участка А-9):
,
,
где
погонное индуктивное сопротивление кабельной линии,
погонное активное сопротивление кабельной линии,
длина участка, м;
базисная мощность, МВА;
базисное напряжение первой ступени, кВ.
Ток КЗ определяется выражением:
,
где
ЭДС системы. о.е.;
индуктивное сопротивление участка о.е.;
активное сопротивление участка о.е.;
базисный ток первой ступени, кА.
Таблица 32
Расчёт параметров кабельных линий
|
Участок
|
|
|
|
|
|
|
|
2-1
|
145,4
|
95
|
0,083
|
0,33
|
0,24
|
0,96
|
|
1-6
|
266,64
|
95
|
0,083
|
0,33
|
0,44
|
1,76
|
|
6-7
|
151,2
|
120
|
0,081
|
0,25
|
0,24
|
0,76
|
|
7-А
|
284,82
|
150
|
0,079
|
0,2
|
0,45
|
1,14
|
|
3-4
|
115,1
|
70
|
0,086
|
0,43
|
0,2
|
0,99
|
|
4-5
|
175,7
|
70
|
0,086
|
0,43
|
0,3
|
1,51
|
|
5-10
|
218,1
|
95
|
0,083
|
0,33
|
0,36
|
1,44
|
|
10-8
|
163,6
|
120
|
0,081
|
0,25
|
0,27
|
0,82
|
|
8-А
|
248,5
|
150
|
0,079
|
0,2
|
0,39
|
0,99
|
|
2-3
|
181,8
|
70
|
0,086
|
0,43
|
0,31
|
1,56
|
|
А-9
|
327,24
|
70
|
0,086
|
0,43
|
0,56
|
2,81
|
Таблица 33
Расчёт токов КЗ
|
|
|
|
К1
|
9,03
|
0,45
|
12,17
|
|
К2
|
9,59
|
3,26
|
10,86
|
|
К3
|
9,48
|
1,59
|
11,45
|
|
К4
|
9,72
|
2,34
|
11,00
|
|
К5
|
10,16
|
4,10
|
10,03
|
|
К6
|
10,4
|
5,06
|
9,51
|
|
К7
|
10,55
|
6,2
|
8,99
|
|
К8
|
10,35
|
5,21
|
9,49
|
|
К9
|
10,04
|
3,70
|
10,27
|
|
К10
|
9,68
|
2,26
|
11,06
|
|
К11
|
9,42
|
1,44
|
11,54
|
.3 Проверка кабелей на термическую стойкость токам короткого замыкания
Степень термического воздействия тока КЗ на проводники и электрические
аппараты определяется по значению интеграла Джоуля
. Если выполняется условие
для расчёта интеграла Джоуля можно
воспользоваться выражением:
,
где
периодическая составляющая тока КЗ от системы, кА;
постоянная времени затухания апериодической составляющей тока
КЗ от системы, принимается 0,05 с.;
расчётная продолжительность действия тока КЗ, с.
,
где
полное время отключения выключателя, с;
время действия релейной защиты, с.
Минимальное сечение по кабеля по тепловому воздействию определяется
выражением:
,
где
теповой импульс среднеквадратического тока,
температурный коэффициент, для алюминиевых кабелей
.
Для вакуумных выключателей время отключения составляет 0,1 с. Время
срабатывания МТЗ на микропроцессорной основе составляет 0,2 с. При этом имеем
Значение интеграла Джоуля и минимального
сечение по тепловому импульсу представлены в таблице 40.
Таблица 34
Расчёт интеграла Джоуля и минимального сечения
|
Участок
|
|
Номер точки
|
|
|
|
|
А-9
|
70
|
К1
|
12,17
|
51,84
|
80,00
|
|
А-7
|
150
|
К1
|
12,17
|
51,84
|
80,00
|
|
А-8
|
150
|
К1
|
12,17
|
51,84
|
80,00
|
|
2-1
|
95
|
К5
|
10,03
|
35,21
|
65,93
|
|
1-6
|
95
|
К4
|
11,00
|
42,35
|
72,31
|
|
6-7
|
120
|
К3
|
11,45
|
45,89
|
75,27
|
|
3-4
|
70
|
К8
|
9,49
|
31,52
|
62,38
|
|
4-5
|
70
|
К9
|
10,27
|
36,92
|
67,51
|
|
5-10
|
95
|
К10
|
11,06
|
42,81
|
72,70
|
|
10-8
|
120
|
К11
|
11,54
|
46,61
|
75,86
|
Как видно из расчётов минимальное сечение по тепловому воздействию не
превосходит 95
а минимальное выбранное сечение составляет 70
, на участке А-9. Следовательно, на этом участке кабельную линию необходимо
заменить линией с большим сечением, т.е. на участке А-9 примем сечение 95
.
Кабель обладает достаточной термической стойкостью, если его конечная
температура нагрева
током КЗ не превышает допустимую
, т.е. выполняется условие:
,
где
для кабелей с бумажной пропитанной изоляцией напряжением до
10 кВ.
Конечная температура нагрева
определяется по кривой зависимости
этой температуры от функции
,
, которая определяется выражением:
,
где
сечение жилы кабеля,
интеграл Джоуля,
значение функции
соответсвующего начальной
температуре нагрева кабеля,
.
При отсутствии данных о предшествующей нагрузке кабеля его начальную
температуру принимают равной допустимой температуре продолжительного режима.
Для кабелей с бумажной изоляцией напряжением 10 кВ
. Этой температуре соответствует
Результаты расчётов сводим в таблицу
41. По
стр. 292 определяем
в зависимости от величины
.
Таблица 35
Проверка кабелей на термическую стойкость
|
Участок КЛ
|
Номер точки
|
|
|
|
|
|
|
|
А-9
|
К1
|
95
|
80,00
|
51,8
|
0,4
|
0,57
|
0,97
|
|
А-7
|
К1
|
150
|
80,00
|
51,8
|
0,4
|
0,23
|
0,63
|
|
А-8
|
К1
|
150
|
80,00
|
51,8
|
0,4
|
0,23
|
0,63
|
|
2-1
|
К5
|
95
|
65,93
|
35,2
|
0,4
|
0,39
|
0,79
|
|
1-6
|
К4
|
95
|
72,31
|
42,4
|
0,4
|
0,47
|
0,87
|
|
6-7
|
К3
|
120
|
75,27
|
45,9
|
0,4
|
0,32
|
0,72
|
|
3-4
|
К8
|
70
|
62,38
|
31,5
|
0,4
|
0,64
|
1,04
|
|
4-5
|
К9
|
70
|
67,51
|
36,9
|
0,4
|
0,75
|
1,15
|
|
5-10
|
К10
|
95
|
72,70
|
42,8
|
0,4
|
0,47
|
0,87
|
|
10-8
|
К11
|
120
|
75,86
|
46,6
|
0,4
|
0,32
|
0,72
|
Для
по
стр. 292 определяем
Как видно из расчётов максимальное
значение
и, следовательно, температура не
превосходит
. Значит все кабельные линии проверку проходят.
.4 Проверка кабелей по допустимому отклонению напряжения
Выбранные сечения кабелей должны быть проверены по допустимому отклонению
напряжения в нормальном и послеаварийном режимах. Согласно ГОСТ 13109-97
нормально допустимые значения отклонений напряжения на зажимах ЭП составляют
а предельно допустимые
. Указанные значения отклонений
напряжения на зажимах потребителей 0,4 кВ будут обеспечиваться в том случае,
если в распределительной сети 10 кВ расчетное значение потерь напряжения будет
находиться в пределах максимальной располагаемой потери напряжения. На стадии
проектирования принимается усредненное значение расчетных потерь напряжения,
которое для сети 10 кВ составляет около 6 % в нормальном режиме.
Расчет потерь
напряжения на участке сети в процентах производится по следующей формуле:
,
где
активная мощность участка сети, кВт;
реактивная мощность участка сети, квар;
активное и реактивное сопротивление участка сети, Ом;
номинальное напряжение, кВ.
Полученное значение сравниваем
сравниваем с допустимым
(располагаемым) значением
При этом должно соблюдаться соотношение:
.
Полученные значения потерь напряжения сводим в таблицу 36.
Таблица 36
Расчёт потерь напряжения
|
Параметры линии
|
Нормальный режим
|
Послеаварийный режим
|
|
Линия
|
|
Ом
|
Ом
|
кВт
|
квар
|
|
кВт
|
квар
|
|
|
2-1
|
95
|
0,012
|
0,05
|
680,0
|
292,4
|
0,02
|
3358,8
|
1444,3
|
0,11
|
|
1-6
|
95
|
0,022
|
0,09
|
1236,1
|
531,52
|
0,07
|
3913,6
|
1682,8
|
0,23
|
|
6-7
|
120
|
0,012
|
0,04
|
1564,1
|
672,57
|
0,04
|
4286,9
|
1843,4
|
0,12
|
|
7-А
|
150
|
0,023
|
0,06
|
2289,5
|
984,5
|
0,11
|
4969,7
|
2137,0
|
0,23
|
|
3-4
|
70
|
0,01
|
0,05
|
726,6
|
312,44
|
0,02
|
2907,2
|
1250,1
|
0,09
|
|
4-5
|
70
|
0,015
|
0,08
|
1189,7
|
511,56
|
0,06
|
3212,4
|
1381,3
|
0,15
|
|
5-10
|
95
|
0,018
|
0,07
|
1813,1
|
779,65
|
0,09
|
3861,4
|
1660,4
|
0,19
|
|
10-8
|
120
|
0,013
|
0,04
|
2353,8
|
1012,1
|
0,07
|
4370,2
|
1879,2
|
0,13
|
|
8-А
|
150
|
0,02
|
0,05
|
2990,8
|
1286
|
0,12
|
4969,7
|
2137,0
|
0,20
|
|
А-9
|
70
|
0,028
|
0,14
|
712,1
|
306,19
|
712,1
|
306,2
|
0,06
|
|
2-3
|
70
|
0,016
|
0,08
|
0
|
0
|
0,00
|
2990,8
|
1286,0
|
0,15
|
Так как расчётные значения потерь напряжения не превышают допустимые, то
сечения кабелей проверку по потере напряжения проходят.
. Выбор электрооборудования на
напряжение 10 кВ
.1 Выбор выключателей
В данном курсовом проекте требуется выбрать выключатели вводов 10 кВ и
всех отходящих присоединений проектируемой ГПП. Рассмотрим выбор на примере
вводного выключателя (Q1),
(рисунок 9). Результат расчёта сводим в таблицу 37.
Таблица 37
Пример выбора выключателя отходящего присоединения 10 кВ
|
Условия выбора
|
Расчётные данные
|
Паспортные данные
|
|
|
|
|
|
|
|
|
|
|
|
|
|
|
|
|
|
|
|
|
|
|
|
|
Таблица 38
Пример выбора выключателя отходящего присоединения 10 кВ
|
Условия выбораРасчётные данныеПаспортные данные
|
|
|
|
|
|
|
|
|
|
|
|
|
|
|
|
|
|
|
|
|
|
|
|
|
|
|
Выбираем выключатель типа BB/TEL-10-20/400 У2
Таблица 39
Пример выбора выключателя ввода 10 кВ
|
Условия выбораРасчётные данныеПаспортные данные
|
|
|
|
|
|
|
|
|
|
|
|
|
|
|
|
|
|
|
|
|
|
|
|
|
|
|
Выбираем выключатель типа BB/TEL-10-20/1600 У2
Таблица 40
Пример выбора секционного выключателя 10 кВ
|
Условия выбораРасчётные данныеПаспортные данные
|
|
|
|
|
|
|
|
|
|
|
|
|
|
|
|
|
|
|
|
|
|
|
|
|
|
|
Выбираем выключатель типа BB/TEL-10-20/1000 У2
Рисунок 9 - Упрощённая однолинейная схема
.2 Выбор выключателей нагрузки
В городских сетях выключатели нагрузки (серии ВН) применяют в
присоединениях силовых трансформаторов на стороне высшего напряжения вместо
силовых выключателей. Выключатели нагрузки предназначены для включения и
отключения нагрузочных токов цепей, вплоть до номинальных токов аппаратов. Они
не предназначены для отключения тока КЗ, но включающая их способность
соответствует электродинамической стойкости при КЗ. Поскольку выключатели
нагрузки не рассчитаны на отключение тока КЗ, функции автоматического
отключения трансформаторов возлагаются на плавкие предохранители.
Условия выбора выключателей нагрузки:
1. Номинальное напряжение выключателя
где
номинальное напряжение сети.
. Номинальный ток выключателя
где
- расчетное значение тока в
нормальном режиме работы.
.
, где
максимальный расчетный ток в
послеаварийном режиме;
коэффициент перегрузки, принимается равным 2.
. Ток динамической стойкости выключателя (мгновенное значение)
где
- ударный ток КЗ установки
(мгновенное значение тока).
. Ток термической стойкости выключателя
(действующее значение) в течение
времени термической стойкости
должен удовлетворять неравенству:
, где
интеграл Джоуля.
. Номинальный ток отключения выключателя
где
расчетное значение тока отключения
(принимается равным расчетному значению тока в нормальном режиме работы
).
7. Номинальный ток включения выключателя
где
расчетное значение тока включения
(принимается равным периодической составляющей тока КЗ в начальный момент
времени
).
Таблица 41
Выбор выключателей нагрузки
|
Условия выбораРасчётные данныеПаспортные данные
|
|
|
|
|
|
|
|
|
|
|
|
|
|
|
|
|
|
|
|
|
|
|
|
|
|
|
|
|
|
|
Выбираем выключатель типа ВНПу-10/400-10У3 для повсеместной установки
.3 Выбор предохранителей
Для защиты трансформаторов ТП со стороны 10 кВ используются
предохранители с кварцевым наполнителем серии ПК.
Условия выбора высоковольтных предохранителей:
1. Номинальное напряжение предохранителя
где
номинальное напряжение сети.
. Номинальный ток предохранителя
, где
- номинальный ток установки.
. Номинальный ток отключения
где
периодическая составляющая
ожидаемого тока КЗ (принимается равной периодической составляющей тока КЗ в
начальный момент времени
).
. Предохранитель, расположенный в первичной цепи силового трансформатора,
должен выдерживать 10-кратный номинальный первичный ток (
в течение 0,1с).
Рассмотрим на примере выбора одного предохранителя:
Таблица 42
Выбор предохранителя для ТП №1
|
Условие выбораРасчётные данныеПаспортные данные
|
|
|
|
|
10
|
10
|
|
|
57,74
|
100
|
|
|
10,03
|
31,5
|
|
|
577,4
|
1000
|
Выбираем предохранитель ПКТ104-10-100-31,5УЗ
Таблица 43
Выбор предохранителей
|
№ п.ст.
|
|
|
|
|
10-ти кратный ток, А
|
|
ТП1
|
10
|
1000
|
57,74
|
10,03
|
577,4
|
|
ТП2
|
10
|
1000
|
57,74
|
9,51
|
577,4
|
|
ТП3
|
10
|
1000
|
57,74
|
8,99
|
577,4
|
|
ТП4
|
10
|
1000
|
57,74
|
9,49
|
577,4
|
|
ТП5
|
10
|
1000
|
57,74
|
10,27
|
577,4
|
|
ТП6
|
10
|
630
|
36,37
|
11,0
|
363,7
|
|
ТП7
|
10
|
1000
|
57,74
|
11,45
|
577,4
|
|
ТП8
|
10
|
1000
|
57,74
|
11,54
|
577,4
|
|
ТП9
|
10
|
1000
|
57,74
|
10,86
|
577,4
|
|
ТП10
|
10
|
1000
|
57,74
|
11,06
|
577,4
|
Принимаем к установке предохранитель типа ПКТ104-10-100-31,5 У3
11. Выбор средств релейной защиты
и автоматики сети 10 кВ
Релейная защита и автоматика в городских электрических сетях должна
выполнятся с учетом требований ПУЭ.
Для сети 10 кВ с изолированной нейтралью должны быть предусмотрены
устройства РЗ от многофазных и однофазных замыканий на землю действующие на
сигнал. Защиту от межфазных замыканий следует предусмотреть в двухфазном
исполнении и включать в одни и те же фазы по всей сети данного напряжения.
На шинах с двухсторонним питанием рекомендуется применят 2-х ступенчатую
токовую защиту, первая ступень которой выполнена в виде ТО, а вторая - МТЗ с
независимой или зависимой характеристикой выдержки времени.
На кабельных линиях с односторонним питанием, отходящих от шин ГПП ТО
должны быть выполнены без выдержки времени и запас их действия должен быть
определён из условия отключения КЗ, сопровождающееся остаточным напряжением на
шинах ПГВ (0,5¸0,6)Uн.
Для трансформаторов должны быть предусмотрены устройства РЗ от следующих
видов повреждений и ненормальных режимов работы:
многофазные замыкания в обмотках;
витковые замыкания;
токи в обмотках, обусловленные внешними КЗ;
токи в обмотках, обусловленные перегрузкой;
понижение уровня масла.
В этих случаях необходимы следующие защиты:
газовая защита, действующая на сигнал и на отключение;
дифференциальная защита трансформатора
Автоматика для сети 10 кВ должна состоять из устройств: автоматического
повторного включения (АПВ), которое должно быть установлено на шинах отходящих
присоединений; автоматическое включение резерва (АВР), которое должно быть
установлено на секционном выключателе ПГВ.
12. Расчет емкостного тока
замыкания на землю в сети 10 кВ
Максимальное значение емкостного тока однофазного замыкания на землю, А,
определяется по приближенной формуле:
где
- номинальное напряжение сети, кВ;
- суммарная длина кабельных линий, отходящих от ГПП, км.
Суммарная длина кабельных линий
рассчитывается из предположения, что
длина кабельных линий 10 кВ проектируемого района составляет 25 % от
.
Согласно ПУЭ, величина однофазного тока замыкания на землю в сети 10 кВ
не должна превышать значения 20 А. В случае превышения
сверх допустимого, необходимо произвести выбор
дугогасящих реакторов для компенсации емкостного тока замыкания на землю.
Так как
, то установка дугогасящих реакторов не требуется.
13. Выбор и расчет
распределительной сети 0,38 кВ
13.1 Выбор схем электроснабжения зданий
Построение схем электроснабжения зданий зависит от следующих основных
факторов: напряжения сети, электрических нагрузок, требований к надежности
электроснабжения, экономичности, простоты и удобства обслуживания,
конструктивных и планировочных особенностей зданий. Схемы питания
электроприемников зданий различны. В городских сетях наиболее распространены
радиальные и магистральные схемы.
В данном курсовом проекте требуется выбрать и рассчитать электрическую
сеть 0,38 кВ для питания потребителей, подключенных к трансформаторной
подстанции ТП-3. Выбираем радиальную схему
электроснабжения с двумя взаимно резервируемыми линиями и переключателями на
вводах у потребителей.
Рисунок
10 - Схема распределительной сети 0,4 кВ
13.2 Выбор сечений жил кабелей
Выбор сечений жил кабелей 0,38 кВ производится аналогично п. 9.1, при
условии, что максимальный расчётный ток
для трехфазной четырехпроводной и
трехпроводной сетей определяется следующим образом:
,
где
расчетная максимальная нагрузка в послеаварийном режиме, кВ×А;
номинальное линейное напряжение, В.
В нормальном режиме по каждой из кабельных линий (КЛ-11, КЛ-12, КЛ-15 и
КЛ-13) протекает половина от мощности
соответствующего жилого дома. В послеаварийном режиме по кабельной линии будет
протекать вся мощность жилого дома. Расчёт проводим аналогично п. 9.1 и
результат заносим в таблицу 44.
Таблица 44
Выбор сечения кабелей напряжением 0,38 кВ
|
Линия
|
|
|
|
|
|
|
|
|
КЛ-11
|
212,34
|
61,1
|
159,46
|
2х70
|
400
|
318,92
|
500
|
|
КЛ-12
|
212,34
|
61,1
|
159,46
|
2х70
|
400
|
318,92
|
500
|
|
КЛ-15
|
212,34
|
61,1
|
159,46
|
2х70
|
400
|
318,92
|
500
|
|
КЛ-13
|
99,54
|
45,6
|
79,01
|
70
|
200
|
158,03
|
250
|
Выбираем кабели с алюминиевыми жилами в непроводящей оболочке типа АПВг.
.3 Расчет токов короткого замыкания
Расчет токов КЗ в сети 0,38 кВ необходим для выбора и проверки
коммутационно-защитной аппаратуры. При этом расчетными видами КЗ являются:
трехфазное и однофазное.
При расчетах токов КЗ в электроустановках до 1 кВ необходимо учитывать:
активные и индуктивные сопротивления элементов короткозамкнутой цепи, активные
сопротивления различных контактов и контактных соединений. Токи КЗ
рекомендуется рассчитывать в именованных единицах. При составлении
эквивалентных схем замещения параметры элементов исходной расчетной схемы
следует приводить к ступени напряжения сети, на которой находится точка КЗ, а
активные и индуктивные сопротивления всех элементов схемы замещения выражать в
миллиомах.
Эквивалентное индуктивное сопротивление системы
мОм, приведенное к ступени низшего
напряжения сети, рассчитывается по формуле:
где
среднее номинальное напряжение сети, подключенной к обмотке
низшего напряжения трансформатора, В;
среднее номинальное напряжение сети, к которой подключена
обмотка высшего напряжения трансформатора, В;
действующее значение периодической составляющей тока при
трехфазном КЗ у выводов обмотки высшего напряжения трансформатора, кА;
условная мощность короткого замыкания у выводов обмотки
высшего напряжения трансформатора, МВА.
Паспортные данные трансформатора типа ТС - 1000/10:
Активное сопротивление трансформатора:
,
где
потери короткого закмыкания трансформатора, кВт;
номинальное напряжение на вторичной обмотке, кВ;
номинальная мощность трансформатора, кВА.
Индуктивное сопротивление трансформатора:
,
где
напряжение короткого замыкания трансформатора, %;
номинальная мощность трансформатора, кВА;
номинальное напряжение на вторичной обмотке, кВ.
Определим параметры трансформатора:
Остальные значения сопротивлений принимаем из
:
Сопротивление предохранителя:
Сопротивление разъёмных контактов автоматов:
Сопротивление автоматических выключателей:
Сопротивление контактов соединительных кабелей (учитываем по 2 контакта
на 1 кабель):
Рисунок
11 - Расчётная схема для расчёта токов КЗ в сети 0,4 кВ
Таблица 45
Расчёт сопротивлений прямой и нулевой последовательности кабельных линий
|
КЛ
|
|
|
|
|
|
|
|
|
|
|
|
КЛ-11
|
2х70
|
42,42
|
0,549
|
0,065
|
2,039
|
0,741
|
11,64
|
1,38
|
43,25
|
15,72
|
|
КЛ-12
|
2х70
|
18,18
|
0,549
|
0,065
|
2,039
|
0,741
|
4,99
|
0,59
|
18,53
|
6,74
|
|
КЛ-15
|
2х70
|
18,18
|
0,549
|
0,065
|
2,039
|
0,741
|
4,99
|
0,59
|
18,53
|
6,74
|
|
КЛ-13
|
70
|
60,6
|
0,549
|
0,065
|
2,039
|
0,741
|
33,27
|
3,94
|
123,56
|
44,90
|
Рисунок 12 - Схема замещения прямой последовательности (для расчёта
трёхфазного тока КЗ
Рисунок
13 - Схема замещения нулевой последовательности (для расчёта однофазного тока
КЗ)
Ток
трёхфазного короткого замыкания определяем по формуле:
,
где
среднее номинальной напряжение сети, в которой произошло КЗ,
В;
суммарные соответственно активное и индуктивное сопротивления
схемы замещения прямой последовательности относительно точки КЗ, включая
сопротивления аппаратов и переходные сопротивления контактов, начиная от
нейтрали понижающего трансформатора, мОм.
Ток однофазного короткого замыкание определяется по формуле:
,
где
среднее номинальное напряжение сети, В, где произошло КЗ;
суммарные соответственно активное и индуктивное сопротивления
схемы замещения прямой последовательности относительно точки КЗ, включая
сопротивления аппаратов и переходные сопротивления контактов, начиная от
нейтрали понижающего трансформатора, мОм;
суммарные соответственно активное и индуктивное
сопротивления схемы замещения нулевой последовательности относительно точки КЗ,
включая сопротивления аппаратов и переходные сопротивления контактов, начиная
от нейтрали понижающего трансформатора, мОм.
Сопротивления нулевой последовательности трансформатора с низшим
напряжением до 1кВ при схеме соединения обмоток
принимаем равными сопротивлениям
прямой последовательности.
При определении тока однофазного КЗ необходимо составить схему прямой
обратной и нулевой последовательности. Сопротивления обратной
последовательности (равно сопротивлению прямой последовательности. При
определении тока однофазного КЗ в сопротивлении прямой последовательности нужно
учитывать активное сопротивление дуги. Для всех точек мы находим ток КЗ без
учета дуги, определяем сопротивление цепи КЗ
и после по графику зависимости
приведенную в
стр.43, определяем значение
Значение тока однофазного КЗ, найденное без учета
сопротивления дуги умножаем на коэффициент
При расчёте трёхфазного К.З., максимального тока К.З., будем считать, что
нагрузки питаются по двум линиям, а при расчёте однофазного К.З., минимального
К.З., будем считать, что питание осуществляется по одной линии.
Рассчитываем ток трёхфазного КЗ в точке К1.
Суммарное активное сопротивление равно:
Суммарное реактивное сопротивление равно:
Ток трехфазного КЗ равен:
Рассчитываем ток однофазного КЗ в точке К1.
Суммарное активное сопротивление прямой и обратной последовательностей
равно:
Суммарное реактивное сопротивление прямой и обратной последовательностей
равно:
Суммарное активное сопротивление нулевой последовательностей равно:
Для всех остальных точек выполняем аналогичный расчет. Результаты сводим
в таблицу 46.
Таблица 46
Расчёт токов КЗ в сети 0,4 кВ
|
№ точки
|
|
|
|
|
|
|
|
|
|
|
|
К1
|
2,84
|
9,8
|
22,63
|
2,84
|
9,8
|
2,84
|
8,78
|
29,63
|
0,75
|
17,54
|
|
К2
|
2,85
|
9,8
|
22,63
|
2,85
|
9,8
|
2,85
|
8,78
|
29,64
|
0,75
|
17,53
|
|
К3
|
14,54
|
11,18
|
12,59
|
14,54
|
11,18
|
46,15
|
24,5
|
88,65
|
0,87
|
6,80
|
|
К4
|
2,85
|
9,8
|
22,63
|
2,85
|
9,8
|
2,85
|
8,78
|
29,64
|
0,75
|
17,53
|
|
К5
|
7,89
|
11,77
|
16,29
|
7,89
|
11,77
|
21,43
|
15,52
|
53,96
|
0,81
|
10,40
|
|
К6
|
2,85
|
9,8
|
22,63
|
2,85
|
9,8
|
2,85
|
8,78
|
29,64
|
0,75
|
17,53
|
|
К7
|
7,89
|
11,77
|
16,29
|
7,89
|
11,77
|
21,43
|
15,52
|
53,96
|
0,81
|
10,40
|
|
К8
|
2,85
|
9,8
|
22,63
|
2,85
|
9,8
|
2,85
|
8,78
|
29,64
|
0,75
|
17,53
|
|
К9
|
36,17
|
15,71
|
5,855
|
36,17
|
15,71
|
126,46
|
53,68
|
216,3
|
0,97
|
3,11
|
13.4 Проверка кабелей в сети 0,4 кВ по допустимому отклонению напряжения
Выбранные сечения кабелей должны быть проверены по допустимому отклонению
напряжения аналогично проверке кабелей напряжением 10 кВ. При этом допустимое
значение расчетных потерь напряжения в сети 0,38 кВ
составляет 4 - 6 %. Большие значения
относятся к линиям, питающим здания с малой потерей напряжения во внутридомовых
сетях (малоэтажные и односекционные здания), меньшие значения - к линиям,
питающим здания с большей потерей напряжения во внутридомовых сетях
(многоэтажные, многосекционные жилые здания, крупные общественные здания и
учреждения).
Таблица 47
Проверка кабелей 0,4 кВ по допустимой потере напряжения
|
Параметры линии
|
Нормальный режим
|
Послеаварийный режим
|
|
Линия
|
|
мОм
|
мОм
|
кВт
|
квар
|
|
кВт
|
квар
|
|
|
КЛ-11
|
2х70
|
11,64
|
1,38
|
106,17
|
30,55
|
0,80
|
212,34
|
61,1
|
1,60
|
|
КЛ-12
|
2х70
|
4,99
|
0,59
|
106,17
|
30,55
|
0,34
|
212,34
|
61,1
|
0,68
|
|
КЛ-15
|
2х70
|
4,99
|
0,59
|
106,17
|
30,55
|
0,34
|
212,34
|
61,1
|
0,68
|
|
КЛ-13
|
70
|
33,27
|
3,94
|
49,77
|
22,8
|
1,09
|
99,54
|
45,6
|
2,18
|
Все кабели проверку проходят
.5 Выбор аппаратов защиты
При эксплуатации электрических сетей длительные перегрузки проводов и
кабелей, а также короткие замыкания вызывают повышение температуры
токопроводящих жил и изоляции свыше допустимых величин, вследствие чего
изоляция преждевременно изнашивается. Это может в некоторых случаях привести к
пожару или поражению людей электрическим током. Для предотвращения указанных
повреждений в сетях устанавливают защитные аппараты (плавкие предохранители,
автоматические выключатели), которые обеспечивают отключение участка цепи при
непредвиденном увеличении токовой нагрузки сверх длительно допустимой.
Для защиты отдельных элементов распределительных сетей 0,38 кВ
подавляющее применение находят плавкие предохранители благодаря простоте их
конструкции, малой стоимости, надежности в работе и других преимуществ. В
городских распределительных сетях в основном применяются предохранители типа
ПН-2.
Автоматические выключатели обеспечивают быструю и надежную защиту
проводов и кабелей от токов перегрузи и токов КЗ. Они могут быть также
использованы для нечастых коммутаций (включений и отключений) цепи. Таким
образом, автоматические выключатели одновременно выполняют функции защиты и
управления. В электрических сетях общественных и жилых зданий и коммунальных
предприятий широко распространены автоматы серий А3100, АП-50, АЕ-2000, А3700 и
др.
Выбор предохранителей производят по условиям:
)
,
)
,
)
,
,
- номинальное напряжение сети, кВ;
- максимальный ток к.з. сети, А;
- максимальный расчётный ток, А;
- коэффициент перегрузки, учитывающий превышение тока
двигателя сверх номинального значения в режиме пуска. Предполагаем, что у нас
легкий пуск и примем коэффициент перегрузки равным 2,5;
- пусковой ток двигателя, А.
Кроме указанных условий, токи плавких вставок должны соответствовать
кратностям допустимых длительных токов (согласование с сечением)
)
,
где
- длительно допустимый ток защищаемого участка сети;
а также проходить по условию чувствительности:
)
,
где
- минимальный ток к.з.
Выбор автоматических выключателей производим по условиям:
)
,
где
- наибольший расчетный ток нагрузки;
- номинальный ток расцепителя автоматического выключателя.
)
,
пиковый ток группы электроприёмников, А
) Отстройка от длительно допустимых токов:
для автоматических выключателей только с электромагнитным расцепителем
(отсечкой):
,
для автоматических выключателей с нерегулируемой обратно зависящей от
тока характеристикой (независимо от наличия или отсутствия отсечки):
,
для автоматических выключателей с регулируемой характеристикой (если
имеется отсечка, то ее кратность не ограничивается):
,
) Отстройка от минимальных токов короткого замыкания:
для автоматических выключателей только с электромагнитным расцепителем:
при
,
при
,
для автоматических выключателей с регулируемой характеристикой:
,
5) Проверка по отключающей способности:
,
Расчёт пикового тока дома №11
Т.к. дома №11,12,15 подключенные к ТП-3 одинаковые, значит и пиковые токи этих домов тоже будут
одинаковые и равны
Расчёт пикового тока дома №13
Расчёт пикового тока ТП №3
Таблица 48
Выбор предохранителей в сети 0,4 кВ
|
№
|
|
|
|
|
|
|
|
|
|
|
|
|
Тип
|
|
11
|
318,92
|
385,74
|
154,29
|
2х70
|
400
|
1200
|
400
|
400
|
1200
|
6,8
|
12,59
|
ПН2-400
|
|
12
|
318,92
|
385,74
|
154,29
|
2х70
|
400
|
1200
|
400
|
400
|
1200
|
10,4
|
40
|
11,77
|
ПН2-400
|
|
15
|
318,92
|
385,74
|
154,29
|
2х70
|
400
|
1200
|
400
|
400
|
1200
|
10,4
|
40
|
11,77
|
ПН2-400
|
|
13
|
158,03
|
224,85
|
89,94
|
70
|
400
|
1200
|
250
|
200
|
600
|
3,11
|
100
|
5,55
|
ПН2-250
|
Таблица 49
Выбор автоматического выключателя в сети 0,4 кВ
|
Место установки
|
Расчётные данные
|
Паспортные данные
|
|
|
|
|
|
|
|
|
|
|
|
ТП №3
|
380
|
795,96
|
1121,35
|
5,84
|
22,63
|
380
|
1600
|
1600
|
40
|
|
Выбираем выключатель: Э63
|
14. Расчет отклонений напряжения
для режимов максимальных и минимальных нагрузок
В процессе проектирования городских сетей возникает вопрос определения их
параметров с учетом уровней напряжения в различных точках сетей в пределах
действующих требований к качеству напряжения.
Согласно ГОСТ 13109-97 значения допустимых отклонений напряжения от
номинального напряжения на зажимах ЭП составляют:
±5% - нормально допустимые значения отклонений напряжения;
±10% - предельно допустимые значения.
Параметры сети должны быть выбраны таким образом, чтобы независимо от
режима работы и местоположения ЭП в сети на их зажимах выдерживались отмеченные
уровни напряжения. С этой целью вся сеть от центра питания (ЦП) до ЭП должна
быть проверена на допустимые отклонения напряжения с учетом режимов отклонения
напряжения на шинах ЦП. В случаях, когда отклонения выходят за указанные
пределы, необходимо вносить изменения в принятые параметры сети или
использовать соответствующие технические мероприятия по поддержанию напряжения.
При рассмотрении отклонений напряжения необходимо различать ЭП, ближайшие
к ЦП и наиболее удаленные от него. При этом напряжение у ближайшего приемника
не должно превышать номинального на допустимое отклонение
(верхний предел отклонения).
Напряжение у наиболее отдаленного приемника не должно отклоняться на допустимый
предел
(нижний предел отклонения). Кроме
того, расчет отклонений напряжения производится для режимов максимальных и
минимальных нагрузок.
Расчет отклонений напряжения в любой точке сети одного уровня напряжения
в общем случае производится по формуле:
,
где
алгебраическая сумма добавок напряжения, создаваемых
регулирующими средствами, %;
сумма потерь напряжения до рассматриваемой точки, %.
В курсовом проекте сумма потерь напряжения на вводе рассматриваемого
здания будет складываться из потерь напряжения в сети 10 кВ
потерь напряжения в трансформаторе
ТП
и потерь напряжения в сети 0,38 кВ
. Следует принять, что специальные
устройства для регулирования напряжения на линиях отсутствуют. В
предварительном расчете считаем, что устройства ПБВ трансформаторов ТП
находятся в нейтральном положении.
Тогда расчет отклонения напряжения в любой точке сети для системы двух
напряжений приближенно производится по формуле:
,
где
- отклонение напряжения на шинах ЦП, принимается
.
Расчет потерь напряжения в сетях 10 кВ и 0,38 кВ для режима максимальных
нагрузок произведен соответственно в п.п. 9.4 и 13.2. Для расчета потерь
напряжения в режиме минимальных нагрузок принимаем, что минимальная нагрузка
распределительной сети составляет 30 % от максимальной.
Потери напряжения в обмотках двухобмоточного трансформатора в %
определяются по формуле:
,
где
активная нагрузка трансформатора, МВт;
реактивная нагрузка трансформатора, Мвар;
напряжение на зажимах трансформатора, кВ;
номинальное напряжение сети, кВ;
активное сопротивление обмоток трансформатора, Ом;
реактивное сопротивление трансформатора.
,
где
номинальное напряжение обмоток трансформатора, кВ;
номинальная мощность трансформатора, МВ×А;
потери короткого замыкания в трансформаторе, МВт.
,
где
номинальное напряжение обмоток трансформатора, кВ;
номинальная мощность трансформатора, МВ×А;
напряжение короткого замыкания трансформатора, %.
Для максимального режима:
Для минимального режима:
Тогда, в соответствии с определёнными ранее величинами для максимального
режима, с учётом того, что наиболее удалённая нагрузка от ТП3 - дом №13:
Тогда, в соответствии с определёнными ранее величинами для минимального
режима, с учётом того, что наиболее приближенная нагрузка для ТП3 - дом №15:
Таким образом, расчётные значения отклонений напряжения во всех режимах
не превышают допустимого отклонения, и, соответственно, нет необходимости
производить выбор уставок ПБВ сетевых трансформаторов.
Заключение
В данном курсовом проекте был произведён расчёт городской сети. При
разработке курсового проекта учитывалось то, что система электроснабжения должна
обладала высокими технико-экономическими показателями и обеспечивать
соответствующую степень качества и требуемую степень надежности
электроснабжения проектируемого объекта.
При расчёте использовались методика расчёта нагрузок методом коэффициента
спроса и методом удельных нагрузок, рассчитывалось количество жителей
микрорайона, выбор числа, мощности, места расположение ТП, выбор
трансформаторов ГПП, решались вопросы компенсации реактивной мощности в сети 10
кВ. Были рассчитаны токи КЗ в сети 10 кВ и в сети 0,4 кВ. По полученным
результатам токов были проверены все элементы на действие токов КЗ. Кабельные
линии, питающие нагрузки, были проверены по потере напряжения и все КЛ проверку
прошли. Была выбрана защитно-коммутационная аппаратура. Также был произведён
расчёт отклонений напряжение. Данные отклонений напряжений находятся в предела
ГОСТа.
Литература
1. Методические
указания к курсовому проекту "Проектирование городских электрических
сетей"- Мариуполь, ПГТУ, 2003 г.
. Электрическая
часть станций и подстанций / Под ред. А.А. Васильева. - М.: Энергоатомиздат,
1990.
3. ГОСТ
28249-93 Межгосударственный стандарт «Короткие замыкания в электроустановках до
1000 В».
4. Козлов
В.А. Городские распределительные электрические сети. - Л.: Энергоатомиздат, 1982.
. ГОСТ
13109-97 Межгосударственный стандарт «Нормы качества электрической энергии в
системах электроснабжения общего назначения»
6. Правила
устройства электроустановок
. Неклепаев
Б.Н., Крючков И.П. Электрическая часть станций и подстанций. Справочные материалы
для курсового и дипломного проектирования: Учебное пособие для вузов. - 4-е
изд., перераб и доп.