Определение эффективности аккумуляторов
Факультет
мониторинга окружающей среды
Кафедра
Энергоэффективные технологии
Лабораторная
работа
"Определение
эффективности аккумуляторов"
Выполнили
Студенты группы 408
Мотасова Виктория
Ивашкевич Павел
Молокович Егор
Василенко Наталья
Минск
Цель работы:
изучить принципы действия химических источников тока, определить токовую и
энергетическую эффективность аккумуляторов.
Приборы и оборудование:
блок
питания (3 -15В), NiCd
аккумулятор емкостью 300 мА∙ч, NiMH
аккумулятор емкостью 300 мА∙ч, свинцовый аккумулятор емкостью 1300 мА∙ч,
два мультиметра, коммутационный блок, секундомер.
Результаты работы.
· напряжение определялась с помощью
мультиметра.
· значение протекающего тока определяется по
формуле
· заряд, который протекает через электрическую
цепь за каждый промежуток времени, определяется по формуле
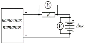
1. Первый опыт. Проверка зарядки
аккумулятора. Электрическая цепь изображена на рисунке 1. В качестве нагрузки
использовался резистор сопротивлением 6 Ом. На источнике питания установлено
напряжение 9 В. Данные, полученные в ходе опыта, представлены в таблице 1.
ток аккумулятор заряд электрический
Таблица 1
|
время,
мин
|
напряжение
на аккумуляторе, В
|
напряжение
на нагрузки, В
|
ток,
А
|
заряд,
мАч
|
температура
аккумулятора, оС
|
|
1
|
4,520
|
4,440
|
0,740
|
12,333
|
25
|
|
2
|
4,610
|
4,350
|
0,725
|
12,083
|
25
|
|
3
|
4,640
|
4,330
|
0,722
|
12,028
|
26
|
|
4
|
4,650
|
4,320
|
0,720
|
12,000
|
27
|
|
5
|
4,660
|
4,310
|
0,718
|
11,972
|
28
|
|
6
|
4,670
|
4,300
|
0,717
|
11,944
|
29
|
|
7
|
4,680
|
4,290
|
0,715
|
11,917
|
29
|
|
8
|
4,700
|
4,280
|
0,713
|
11,889
|
30
|
|
9
|
4,720
|
4,260
|
0,710
|
11,833
|
31
|
|
10
|
4,740
|
4,240
|
0,707
|
11,778
|
31
|
|
11
|
4,760
|
4,210
|
0,702
|
11,694
|
32
|
|
12
|
4,790
|
4,190
|
0,698
|
11,639
|
33
|
|
13
|
4,820
|
4,160
|
0,693
|
11,556
|
34
|
|
14
|
4,840
|
4,130
|
0,688
|
11,472
|
34
|
|
15
|
4,870
|
4,100
|
0,683
|
11,389
|
35
|
|
16
|
4,900
|
4,080
|
0,680
|
11,333
|
36
|
|
17
|
4,930
|
4,050
|
0,675
|
11,250
|
37
|
|
18
|
4,960
|
4,020
|
0,670
|
11,167
|
38
|
|
19
|
4,970
|
4,020
|
0,670
|
11,167
|
41
|
|
20
|
4,960
|
4,020
|
0,670
|
11,167
|
42
|
|
21
|
4,950
|
4,020
|
0,670
|
11,167
|
44
|
|
22
|
4,950
|
4,030
|
0,672
|
11,194
|
47
|
Определяем суммарный заряд,
полученный аккумулятором во время зарядки
256 мА∙ч. Номинальной емкостью
аккумулятора составляет 300 мА∙ч.
2. Первый опыт. Проверка разрядки
аккумулятора. Для этого подключили к аккумулятору вольтметр и нагрузку 6 Ом.
Данные, полученные в ходе опыта, представлены в таблице 2.
Таблица 2
|
время,
мин
|
напряжение
на аккумуляторе, В
|
ток,
А
|
заряд,
мАч
|
|
1
|
3,800
|
0,633
|
10,556
|
|
2
|
3,720
|
0,620
|
10,333
|
|
3
|
3,630
|
0,605
|
10,083
|
|
4
|
3,600
|
0,600
|
10,000
|
|
5
|
3,580
|
0,597
|
9,944
|
|
6
|
3,560
|
0,593
|
9,889
|
|
7
|
3,520
|
0,587
|
9,778
|
|
8
|
3,510
|
0,585
|
9,750
|
|
9
|
3,500
|
0,583
|
9,722
|
|
10
|
3,480
|
0,580
|
9,667
|
|
11
|
3,460
|
0,577
|
9,611
|
|
12
|
3,440
|
0,573
|
9,556
|
|
13
|
3,410
|
0,568
|
9,472
|
|
14
|
3,390
|
0,565
|
9,417
|
|
15
|
3,340
|
0,557
|
9,278
|
|
16
|
3,140
|
0,523
|
8,722
|
|
17
|
2,100
|
0,350
|
5,833
|
Определяем суммарный заряд, отданный
аккумулятором во время разрядки
162 мА∙ч. Номинальной емкостью
аккумулятора составляет 300 мА∙ч
График 1. Зарядные и разрядные
характеристики NiCd аккумулятора.
Определяем токовую эффективность (отношение
заряда, прошедшего через нагрузку при разряде аккумулятора, к количеству
электричества, прошедшему через аккумулятор при зарядке) = 63%
3. Второй опыт. Проверка зарядки
аккумулятора. В качестве нагрузки использовался резистор сопротивлением 20 Ом.
На источнике питания установлено напряжение 9 В. Данные, полученные в ходе
опыта, представлены в таблице 3.
Таблица 3
|
время,
мин
|
напряжение
на аккумуляторе, В
|
напряжение
на нагрузки, В
|
ток,
А
|
заряд,
мАч
|
температура
аккумулятора, оС
|
|
1
|
4,07
|
4,97
|
0,828
|
13,806
|
32
|
|
2
|
4,1
|
4,94
|
0,823
|
13,722
|
31
|
|
3
|
4,11
|
4,9
|
0,817
|
13,611
|
31
|
|
4
|
4,13
|
4,91
|
0,818
|
13,639
|
31
|
|
5
|
4,14
|
4,9
|
0,817
|
13,611
|
31
|
|
6
|
4,14
|
4,9
|
0,817
|
13,611
|
30
|
|
7
|
4,15
|
4,9
|
0,817
|
13,611
|
31
|
|
8
|
4,16
|
4,89
|
0,815
|
13,583
|
30
|
|
9
|
4,17
|
4,88
|
0,813
|
13,556
|
30
|
|
10
|
4,18
|
4,88
|
0,813
|
13,556
|
29
|
|
11
|
4,19
|
4,88
|
0,813
|
13,556
|
29
|
|
12
|
4,19
|
4,85
|
0,808
|
13,472
|
29
|
|
13
|
4,2
|
4,84
|
0,807
|
13,444
|
29
|
|
14
|
4,21
|
4,84
|
0,807
|
13,444
|
28
|
|
15
|
4,21
|
4,84
|
0,807
|
13,444
|
28
|
|
16
|
4,22
|
4,83
|
0,805
|
13,417
|
28
|
|
17
|
4,23
|
4,83
|
0,805
|
13,417
|
28
|
|
18
|
4,23
|
0,803
|
13,389
|
27
|
|
19
|
4,23
|
4,75
|
0,792
|
13,194
|
27
|
|
20
|
4,24
|
4,79
|
0,798
|
13,306
|
27
|
|
21
|
4,24
|
4,81
|
0,802
|
13,361
|
27
|
|
22
|
4,25
|
4,8
|
0,800
|
13,333
|
26
|
|
23
|
4,25
|
4,8
|
0,800
|
13,333
|
27
|
|
24
|
4,26
|
4,79
|
0,798
|
13,306
|
27
|
|
25
|
4,26
|
4,79
|
0,798
|
13,306
|
26
|
|
26
|
4,26
|
4,78
|
0,797
|
13,278
|
26
|
|
27
|
4,27
|
4,78
|
0,797
|
13,278
|
27
|
|
28
|
4,27
|
4,77
|
0,795
|
13,250
|
27
|
|
29
|
4,27
|
4,77
|
0,795
|
13,250
|
27
|
|
30
|
4,28
|
4,76
|
0,793
|
13,222
|
27
|
|
31
|
4,28
|
4,76
|
0,793
|
13,222
|
26
|
|
32
|
4,28
|
4,76
|
0,793
|
13,222
|
26
|
|
33
|
4,29
|
4,76
|
0,793
|
13,222
|
26
|
|
34
|
4,29
|
4,76
|
0,793
|
13,222
|
26
|
|
35
|
4,29
|
4,76
|
0,793
|
13,222
|
26
|
|
36
|
4,29
|
4,75
|
0,792
|
13,194
|
26
|
|
37
|
4,29
|
4,75
|
0,792
|
13,194
|
26
|
|
время,
мин
|
напряжение
на аккумуляторе, В
|
напряжение
на нагрузки, В
|
ток,
А
|
заряд,
мАч
|
температура
аккумулятора, оС
|
|
38
|
4,3
|
4,75
|
0,792
|
13,194
|
26
|
|
39
|
4,3
|
4,74
|
0,790
|
13,167
|
26
|
|
40
|
4,31
|
4,73
|
0,788
|
13,139
|
26
|
|
41
|
4,32
|
4,73
|
0,788
|
13,139
|
26
|
|
42
|
4,32
|
4,72
|
0,787
|
13,111
|
26
|
|
43
|
4,33
|
4,71
|
0,785
|
13,083
|
26
|
|
44
|
4,33
|
4,71
|
0,785
|
13,083
|
26
|
|
45
|
4,34
|
4,7
|
0,783
|
13,056
|
26
|
|
46
|
4,36
|
4,68
|
0,780
|
13,000
|
26
|
|
47
|
4,37
|
4,41
|
0,735
|
12,250
|
26
|
|
48
|
4,38
|
4,63
|
0,772
|
12,861
|
26
|
|
49
|
4,39
|
4,66
|
0,777
|
12,944
|
26
|
|
50
|
4,4
|
4,65
|
0,775
|
12,917
|
26
|
|
51
|
4,42
|
4,64
|
0,773
|
12,889
|
26
|
|
52
|
4,44
|
4,63
|
0,772
|
12,861
|
26
|
|
53
|
4,45
|
4,61
|
0,768
|
12,806
|
26
|
|
54
|
4,47
|
4,59
|
0,765
|
12,750
|
26
|
|
55
|
4,49
|
4,57
|
0,762
|
12,694
|
26
|
|
56
|
4,53
|
4,55
|
0,758
|
12,639
|
26
|
|
57
|
4,54
|
4,53
|
0,755
|
12,583
|
26
|
|
58
|
4,56
|
4,51
|
0,752
|
12,528
|
26
|
|
59
|
4,58
|
4,48
|
0,747
|
12,444
|
26
|
|
60
|
4,6
|
4,44
|
0,740
|
12,333
|
27
|
|
61
|
4,62
|
4,43
|
0,738
|
12,306
|
27
|
|
62
|
4,63
|
4,4
|
0,733
|
12,222
|
27
|
|
63
|
4,65
|
4,39
|
0,732
|
12,194
|
27
|
|
64
|
4,65
|
4,39
|
0,732
|
12,194
|
27
|
|
65
|
4,66
|
4,39
|
0,732
|
12,194
|
27
|
|
66
|
4,65
|
4,39
|
0,732
|
12,194
|
27
|
|
67
|
4,65
|
4,39
|
0,732
|
12,194
|
28
|
|
68
|
4,65
|
4,4
|
0,733
|
12,222
|
28
|
Определяем суммарный заряд,
полученный аккумулятором во время зарядки
889 мА∙ч. Номинальной емкостью
аккумулятора составляет 300 мА∙ч.
4. Второй опыт. Проверка разрядки
аккумулятора. Для этого подключили к аккумулятору вольтметр и нагрузку 20 Ом.
Данные, полученные в ходе опыта, представлены в таблице 4.
Таблица 4
|
время,
мин
|
напряжение
на аккумуляторе, В
|
ток,
А
|
заряд,
мАч
|
|
1
|
4,200
|
0,210
|
3,500
|
|
2
|
4,100
|
0,205
|
3,417
|
|
3
|
4,050
|
0,203
|
3,375
|
|
4
|
4,010
|
0,201
|
3,342
|
|
5
|
3,970
|
0,199
|
3,308
|
|
6
|
3,940
|
0,197
|
3,283
|
|
7
|
3,910
|
0,196
|
3,258
|
|
8
|
3,890
|
0,195
|
3,242
|
|
9
|
3,870
|
3,225
|
|
10
|
3,850
|
0,193
|
3,208
|
|
11
|
3,830
|
0,192
|
3,192
|
|
12
|
3,810
|
0,191
|
3,175
|
|
13
|
3,800
|
0,190
|
3,167
|
|
14
|
3,790
|
0,190
|
3,158
|
|
15
|
3,780
|
0,189
|
3,150
|
|
16
|
3,770
|
0,189
|
3,142
|
|
17
|
3,760
|
0,188
|
3,133
|
|
18
|
3,760
|
0,188
|
3,133
|
|
19
|
3,750
|
0,188
|
3,125
|
|
20
|
3,750
|
0,188
|
3,125
|
|
21
|
3,740
|
0,187
|
3,117
|
|
22
|
3,740
|
0,187
|
3,117
|
|
23
|
3,740
|
0,187
|
3,117
|
|
24
|
3,730
|
0,187
|
3,108
|
|
25
|
3,730
|
0,187
|
3,108
|
|
26
|
3,730
|
0,187
|
3,108
|
|
27
|
3,730
|
0,187
|
3,108
|
|
28
|
3,730
|
0,187
|
3,108
|
|
29
|
3,730
|
0,187
|
3,108
|
|
30
|
3,730
|
0,187
|
3,108
|
|
31
|
3,730
|
0,187
|
3,108
|
|
32
|
3,730
|
0,187
|
3,108
|
|
33
|
3,730
|
0,187
|
3,108
|
|
34
|
3,730
|
0,187
|
3,108
|
|
35
|
3,730
|
0,187
|
3,108
|
|
36
|
3,730
|
0,187
|
3,108
|
|
37
|
3,730
|
0,187
|
3,108
|
|
38
|
3,720
|
0,186
|
3,100
|
|
39
|
3,720
|
0,186
|
3,100
|
|
40
|
3,720
|
0,186
|
3,100
|
|
41
|
3,720
|
0,186
|
3,100
|
|
42
|
3,720
|
0,186
|
3,100
|
|
43
|
3,720
|
0,186
|
3,100
|
|
44
|
3,720
|
0,186
|
3,100
|
|
45
|
3,720
|
0,186
|
3,100
|
|
46
|
3,710
|
0,186
|
3,092
|
|
47
|
3,710
|
0,186
|
3,092
|
|
48
|
3,710
|
0,186
|
3,092
|
|
49
|
3,710
|
0,186
|
3,092
|
|
50
|
3,710
|
0,186
|
3,092
|
|
51
|
3,700
|
0,185
|
3,083
|
|
52
|
3,700
|
0,185
|
3,083
|
|
53
|
3,700
|
0,185
|
3,083
|
|
54
|
3,700
|
0,185
|
3,083
|
|
55
|
3,700
|
0,185
|
3,083
|
|
56
|
3,690
|
0,185
|
3,075
|
|
57
|
3,690
|
0,185
|
3,075
|
|
58
|
3,690
|
0,185
|
3,075
|
|
59
|
3,680
|
0,184
|
3,067
|
|
60
|
3,680
|
0,184
|
3,067
|
|
61
|
3,680
|
0,184
|
3,067
|
|
62
|
3,670
|
0,184
|
3,058
|
|
63
|
3,670
|
0,184
|
3,058
|
|
64
|
3,660
|
0,183
|
3,050
|
|
65
|
3,660
|
0,183
|
3,050
|
|
66
|
3,660
|
0,183
|
3,050
|
|
67
|
3,650
|
0,183
|
3,042
|
|
68
|
3,640
|
0,182
|
3,033
|
|
69
|
3,640
|
0,182
|
3,033
|
|
70
|
3,630
|
0,182
|
3,025
|
|
71
|
3,630
|
0,182
|
3,025
|
|
72
|
3,620
|
0,181
|
3,017
|
|
73
|
3,610
|
0,181
|
3,008
|
|
74
|
3,610
|
0,181
|
3,008
|
|
75
|
3,600
|
0,180
|
3,000
|
|
76
|
3,590
|
0,180
|
2,992
|
|
77
|
3,580
|
0,179
|
2,983
|
|
78
|
3,570
|
0,179
|
2,975
|
|
79
|
3,560
|
0,178
|
2,967
|
|
80
|
3,540
|
0,177
|
2,950
|
|
81
|
3,530
|
0,177
|
2,942
|
|
82
|
3,500
|
0,175
|
2,917
|
|
83
|
3,460
|
0,173
|
2,883
|
|
84
|
3,370
|
0,169
|
2,808
|
|
85
|
3,120
|
0,156
|
2,600
|
|
86
|
2,500
|
0,125
|
2,083
|
|
87
|
2,130
|
0,107
|
1,775
|
|
88
|
2,120
|
0,106
|
1,767
|
Определяем суммарный заряд, отданный
аккумулятором во время разрядки
269 мА∙ч. Номинальной емкостью
аккумулятора составляет 300 мА∙ч
График 2. Зарядные и разрядные характеристики
NiCd аккумулятора.
Определяем токовую эффективность (отношение
заряда, прошедшего через нагрузку при разряде аккумулятора, к количеству
электричества, прошедшему через аккумулятор при зарядке) = 30%
Вывод:
В ходе проведения лабораторной работы было выявлено, что суммарный заряд,
полученный аккумулятором во время зарядки, несколько выше номинальной емкости
аккумулятора, в отличие от суммарного заряда, отданного аккумулятором во время
разрядки. Что привило к снижению токовой эффективности. Причиной этого мог
послужить так называемый эффект памяти.