Метод совпадений и антисовпадений
Введение
В экспериментальной
ядерной физике и во многих прикладных задачах часто возникает необходимость в
нахождении временных корреляций между двумя или многими событиями. В некоторых
исследованиях определяется одновременность появления или непоявления нескольких
событий. Для этого применяют методы совпадений и антисовпадений, которые широко
используют в различных годоскопических системах, служащих для выделения и
регистрации частиц в пространстве и во времени.
Метод совпадений и
антисовпадений - один из важнейших экспериментальных методов ядерной физики и
физики элементарных частиц. Он позволяет регистрировать частицы и кванты с
заданной между ними корреляцией в пространстве и во времени. Схема совпадений и
антисовпадений является фактически логическими элементами И и НЕ.
1.
Классические схемы совпадений и антисовпадений
Известно большое
число типов схем совпадений, построенных на разных принципах и различных
активных элементах. В ядерной электронике схемы совпадений наиболее
целесообразно классифицировать по характеру реакции этих схем на входные
импульсы. Такая классификация особенно рациональна для схем наносекундного
диапазона. Она показывает, в каком направлении должно идти развитие этих схем
для получения предельных параметров. Обозначая x(t) и у(t) входные импульсы, a f (x, у) - реакцию выхода, схемы
совпадений можно разделить на четыре основные группы.
. Схемы, основанные
на нелинейном сложении. Для них
(1)
где Ф(х) и Ф(у) -
характеристики нелинейных элементов (транзисторов и диодов), причем Ф(0)=0. В
некоторых задачах, требующих определения кратности совпадений, применяются
также схемы с линейным сложением - мажоритарные схемы совпадений. Они будут
рассмотрены отдельно.
. Схемы, основанные
на умножении. Для них f (х у)~ху.
. Схемы выбора
меньшего. В этих схемах выходной сигнал пропорционален меньшему из двух входных
сигналов, f(x, у) ~ min (х, у).
4. Фазовые схемы. В них
выходной сигнал зависит только от фазы входных импульсов и не зависит от
амплитуды, f (x, у) ~
, где
,
-
фазы входных сигналов.
Приведенная
классификация отражает только основные явления, происходящие в схемах. В
реальных схемах, особенно в схемах наносекундного диапазона, часто на основные
явления накладываются побочные; так, характеристики этих схем иногда больше
зависят от нелинейных элементов, чем от принципа построения. Ниже будут
рассмотрены различные типы схем совпадений, получившие наибольшее
распространение.
Схемы совпадений,
основанные на нелинейном сложении. Типичной схемой с нелинейным сложением
является схема Росси, первоначально разработанная на электронных лампах.
Транзисторный вариант схемы приведен на рис. 1, а. Схема выполняется на двух
или нескольких транзисторах, имеющих общую нагрузку и работающих в ключевом
режиме. Сопротивление нагрузки
выбирается
значительно больше сопротивления ключей в проводящем состоянии r. При частичных совпадениях, когда закрывается часть ключей,
напряжение на выходе меняется мало. При полных совпадениях, когда все ключи
заперты, напряжение на выходе имеет максимальное значение и стремится к Ек.
Анализ основных
процессов в схеме удобно вести при помощи эквивалентной схемы, в которой
транзисторы заменены сопротивлениями r
и ключами К
…
Кп..Определим коэффициент отбора совпадений без учета паразитных
емкостей схемы, т.е. для импульсов большой длительности
(2)
где 
-
изменение напряжения на коллекторах при совпадении на п входах, a 
-изменение напряжения на
коллекторах при совпадении на п-1 входе.
и
можно
определить через соответствующие потенциалы коллектора
=
(3)
(4)


(5)
-потенциал коллекторов
относительно земли при совпадении на п-1 входе,
(6)
UKn
- потенциал коллекторов относительно земли при совпадении на п входах,
(7)
Подставляя (5) - (7) в
выражения (2) - (4), определяем коэффициент отбора
Из этого выражения
видно, что для получения лучшего коэффициента отбора следует увеличивать
коллекторную нагрузку и применять активные элементы с малым внутренним
сопротивлением.
Схема Гарвина. Эта схема
сначала была предложена для повышения разрешения схемы Росси. Идея схемы
состоит в том, что-параллельно общей анодной или коллекторной нагрузке вводится
нелинейный элемент - диод. В результате увеличивается разность между сигналами
полных и частичных совпадений, а следовательно, увеличивается коэффициент
отбора и уменьшается время разрешении.
Схемы совпадений,
основанные на умножении. В транзисторном варианте эти схемы составляют из
нескольких последовательно включенных транзисторов (рис. 2). В исходном
состоянии все транзисторы заперты, поскольку потенциал баз относительно
эмиттеров отрицателен. На выходе схемы возникает сигнал только при
одновременном открывании всех транзисторов.
При работе
транзисторов в режиме насыщения время разрешения невелико и имеет
неопределенное значение. Объясняется это тем, что после перевода входными
импульсами транзисторов в насыщенный режим требуется значительное время для
рассасывания неосновных носителей. Возможен, например, такой случай. Вначале
поступил сигнал только на первый вход. Естественно, что при этом на выходе
сигнала нет, так как остальные транзисторы заперты. Однако при одновременном
поступлении через некоторое время сигналов на два других входа возникает сигнал
совпадений. Такое положение объясняется тем, что не успели рассосаться
неосновные носители, вызванные сигналом, поступившим до этого на первый вход.
Для получения от
рассмотренной схемы времени разрешения порядка долей микросекунды следует
применять высокочастотные транзисторы и обеспечить режим их работы в активной
области.
Схемы совпадений,
основанные на выборе меньшего. В схемах совпадений, основанных на выборе
меньшего из совпадающих сигналов, выходной сигнал пропорционален меньшему из
входных сигналов. Из схем этого типа наибольшее распространение получили
диодные схемы совпадений.
Фазовые схемы
совпадений. Идеальная схема совпадений должна отвечать только на фазовые
соотношения сигналов, и на ее работу не должны влиять длительность и амплитуда
входных импульсов. Фазовые схемы совпадений в значительной степени удовлетворяют
этим требованиям. Обычно это схемы дифференциального типа. В них используются
два элемента отбора совпадений, между входами которых вводится задержка.
совпадение ядерный
частица корреляция
2.
Способы повышения временного разрешения схем совпадений
Большинство схем
совпадений и временных преобразователей работает от входных импульсов
стандартной формы и определенной амплитуды, которые должны быть получены из
сигналов детектора с помощью какой-либо нелинейной операции, сохраняющей по
возможности временную информацию. Для медленных и умеренно-быстрых схем
совпадений используются выходные импульсы амплитудных дискриминаторов с
отметкой времени нулевым пересечением или без него. Если необходимо, то после
дополнительного формирования получается импульс стандартной длительности с
выхода однавибратора. Для быстрых схем Совпадений с очень малым разрешающим
временем необходимы специальные формирующие каскады, присоединенные
непосредственно к выходу детектора или через специальный, очень
быстродействующий усилитель.
Практическое использование схем
совпадений связано с определенными трудностями методического характера. Четкое
представление об этих трудностях и о путях их преодоления необходимо для
правильной постановки и интерпретации физических экспериментов. Одна из таких
трудностей связана с относительностью понятия одновременности.
Момент появления сигнала с детектора
на соответствующем входе схемы совпадения зависит, в основном, от:
задержки срабатывания детекторов tд, величина которой, в зависимости от типа детектора, может
составлять от ~10-9 до ~10-6 с;
задержки электронных узлов и
соединительных кабелей tэл.
Таким образом, целый ряд факторов
приводит к тому, что между моментом образования интересующей нас частицы (или
моментом попадания ее в детектор) и моментом срабатывания соответствующей
электронной аппаратуры проходит некоторое время tзад, определенное следующим образом:
tз = tгеом + tд + tэл.
Поскольку время tз представляет собой случайную величину, его конкретное значение
для каждого акта регистрации не может быть предугадано, и можно говорить только
о законе распределения интервалов tз в вероятностном смысле.
Распределение суммарной задержки P(tз) характеризуется
средним значением
tз = tгеом + tд + tэл
и среднеквадратичной флуктуацией
σз
=
,
которые в общем случае
зависят от рода регистрируемого излучения, типа примененного детектора и других
характеристик экспериментальной установки. Очевидно, что среднее значение
задержки tз можно измерить и учесть при обработке результатов измерений,
разброс же значений tз,
характеризуемый величиной σз,
вносит в измерения некоторую неустранимую неоднозначность и определяет, таким
образом, погрешность временных измерений.
Практически любая схема
совпадений обладает конечным временем разрешения τс,
т.е. регистрирует наряду с совпадающими событиями и события, разделенные
интервалами времени t ≤ τс.
Для большинства схем совпадений значение времени разрешения совпадает в первом
приближении с длительностью сформированных входных импульсов. Действительно,
импульс на выходе схемы совпадений (импульс, совпадения) образуется, если
входные импульсы хоть немного перекрываются, т.е. если интервал времени t между ними не превышает их длительности (рис. 1) Это дает
возможность, изменяя длительность входных импульсов, регулировать время
разрешения схемы совпадений, которое, как было показано выше, должно выбираться
с учетом ширины кривыхP(tз).
Отсюда следует, что необходимое условие применения схемы совпадений - точное
определение и правильный выбор времени разрешения схемы τс.
Из рисунка видно, что
ширина кривых на половине высоты максимума совпадает с удвоенным
временем разрешения схемы совпадений τс
(при τс/σз >>1, в практике - наиболее часто используемый случай),
характер кривых зависит от соотношения между τс
и σз. Действительно, если τс
выбрано приблизительно равным ширине распределения P(Δtз) (τс
= 4σз,
кривая 1 на рис. 2), то при нулевой задержке будут считаться практически все
совпадения, но даже небольшая задержка tз
в одном из каналов приведет к уменьшению числа совпадений, так как импульсы,
соответствующие «хвостам» кривых P(tз), окажутся разделенными интервалами, большими τс,
и перестанут регистрироваться схемой совпадений. Если τс
< 4σз
(кривая 2 на рис. 2), то даже при нулевой задержке в канале часть импульсов
совпадений, соответствующих крыльям распределения P(tз), не будет регистрироваться и высота кривой станет меньше единицы
- уменьшается значение эффективности схемы совпадений. При τс
<< σз
ширина кривой приближается к 2,36σз
и практически не зависит от τс,
эффективность F становится очень малой, а при τс
→ 0 и F → 0. Действительно, если удалось сконструировать схему
совпадений с нулевым временем разрешения, она не зарегистрировала бы ни одного
события, ибо вероятность точного совпадения во времени двух физических событий
равна нулю. Таким образом, приходим к выводу, что время разрешения схемы
совпадений должно быть конечным и, для большинства физических экспериментов
достаточно выполнения условия τс
≥ (3-4)σз.
Увеличение времени
разрешения (τс >> σз,
кривая 3 на рис. 2), на первый взгляд, не ухудшает параметров схемы совпадений.
Во всяком случае, эффективность схемы совпадений не ухудшается. Увеличение τс
приводит к росту числа случайных совпадений, следовательно, значение времени
разрешения τс ≈ (3-4)σз
является оптимальным. Иногда даже выбирают τс
несколько меньшим, чем 4 σз, так как при небольшом уменьшении τс
скорость счета случайных совпадений падает быстрее, чем эффективность схемы
совпадений (при τс = σз,
F(tз = 0) = 0,52, а число случайных совпадений, пропорциональное τс,
уменьшается в четыре раза). При необходимости регистрации событий с очень
высокой эффективностью (например, при регистрации космического γ-излучения
эффективность антисовпадательных детекторов должна быть ~99,9999%) время
разрешения τс устанавливается больше, чем 4σз,
чтобы обеспечить регистрацию событий на хвостах распределения P(tз) (конкретное значение τс
зависит от вида распределения P(tз)).
3. Использование
стандартных интегральных схем
Логические
интегральные элементы широко используют при построении схем совпадений. Схемы
совпадений с разрешающим временем, лежащим в наносекундном диапазоне, выполняют
обычно на элементах транзисторно-транзисторной логики (ТТЛ) и логики с
эмиттерными связями (ЭСТЛ). Как правило, эти элементы рассчитаны на
стандартизованные сигналы, поэтому в схемы совпадений необходимо вводить
формирователи.
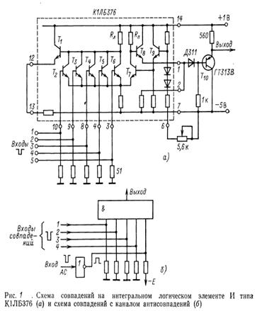
В качестве примера на
рис. 1, а приведена схема совпадений, выполненная на логическом элементе И типа
К1ЛБ376. Сформированные отрицательные сигналы поступают на базы
эмиттерно-связанных транзисторов
, входящих в левое плечо
дифференциального каскада, в правой плече которого стоит
.
Через нагрузку левого плеча Rл
течет ток до тех пор, пока открыт хотя бы один из транзисторов
При
совпадении сигналов на всех входах ток через
прекращается; с выхода
схемы снимается отрицательный импульс совпадений. Включенный на выходе
эмиттерный повторитель повышает нагрузочную способность схемы. Минимальное
разрешающее время этой схемы по совпадениям 5 НЕ.
В схему совпадений
на логическом элементе И легко ввести канал антисовпадений (рис. 1,6). Для
этого один из эмиттерно-связанных транзисторов смещается напряжением - Е, а
поступающий на базу этого транзистора сигнал инвертируется схемой НЕ. При
одновременном поступлении сигналов на входы 1-4 на выходе схемы возникает
сигнал совпадений. Если в это время есть-сигнал антисовпадений, то он благодаря
инвертору держит открытым подключенный к каналу транзистор н сигнал совпадений
не возникает. Для четкой работы схемы необходимо, чтобы поступающий по входу АС
сигнал появлялся' немного раньше, а исчезал немного позже сигналов, приходящих
по каналам совпадений. Это обеспечивается формирователями и задержками.

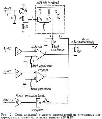
Данную схему легко
дополнить каналом антисовпадений (см. на рис. 2). В канале имеется инвертор,
токовый выход которого также соединяется с общим резистором
.
При поступлении сигнала на, вход антисовпадений АС и одновременном приходе
сигналов на остальные входы совпадение регистрироваться не будет, так как на
поступает
положительный импульс инвертора.
Разрешающее время по
совпадениям у схем на элементах с эмиттерно-связанной логикой в основном
определяется длительностью сформированных импульсов и обычно составляет
несколько наносекунд.
Разобранные примеры
показывают, что быстродействующие интегральные элементы позволяют выполнять
схемы совпадений с такими же высокими параметрами, как и на дискретных
элементах. Преимущества интегральных схем особенно проявляются при создании
сложных устройств совпадений и годоскопических систем с расширенной логической
структурой. Интегральные схемы также позволяют создавать цифровые мажоритарные
схемы с высокой кратностью совпадений.
4. Программируемые
логические матрицы
Программируемые логические матрицы -
наиболее традиционный тип программируемых логических интегральных схем (ПЛИС),
имеющий программируемые матрицы «И» и «ИЛИ». В зарубежной литературе
соответствующими этому классу аббревиатурами являются FPLA (Field Programmable
Logic Array) и FPLS (Field Programmable Logic Sequensers). Примерами таких ПЛИС
могут служить отечественные схемы K556PT1, PT2, PT21.
Посторенние ПЛМ основано на том, что
любая комбинационная функция может быть представлена в виде логической суммы
(операция ИЛИ) логических произведений (операций И). Тогда схема реализующая
комбинационную функцию может быть представлена а следующем виде.
Недостаток такой
архитектуры - слабое использование ресурсов программируемой матрицы «ИЛИ»,
поэтому дальнейшее развитие получили микросхемы, построенные по архитектуре
программируемой матричной логики (PAL - Programmable Array Logic) - это ПЛИС,
имеющие программируемую матрицу «И» и фиксированную матрицу «ИЛИ». К этому
классу относятся большинство современных ПЛИС небольшой степени интеграции. В
качестве примеров можно привести отечественные ИС КМ1556ХП4, ХП6, ХП8, ХЛ8,
ранние разработки (середина-конец 1980-х годов) ПЛИС фирм INTEL, ALTERA, AMD,
LATTICE и др. Разновидностью этого класса являются ПЛИС, имеющие только одну
(программируемую) матрицу «И», например, схема 85C508 фирмы INTEL. Следующий
традиционный тип ПЛИС - программируемая макрологика. Они содержат единственную
программируемую матрицу «И-НЕ» или «ИЛИ-НЕ», но за счёт многочисленных
инверсных обратных связей способны формировать сложные логические функции. К
этому классу относятся, например, ПЛИС PLHS501 и PLHS502 фирмы SIGNETICS,
имеющие матрицу «И-НЕ», а также схема XL78C800 фирмы EXEL, основанная на
матрице «ИЛИ-НЕ»
Вышеперечисленные
архитектуры ПЛИС содержат небольшое число ячеек, к настоящему времени морально
устарели и применяются для реализации относительно простых устройств, для
которых не существует готовых ИС средней степени интеграции. Естественно, для
реализации алгоритмов ЦОС они непригодны.
Заключение
В ходе работы мы
подробно познакомились с методом совпадений и антисовпадений, узнали
классические схемы совпадений и антисовпадений. Узнали какие бывают
характеристики схем совпадений, в частности временное разрешение. Также
ознакомились с интегральными схемами и местами их применения и в небольшом
объеме рассмотрели логические матрицы.
Список
литературы
1) Цитович А.П., Ядерная
электроника
2) Ковальский Е., Ядерная
электроника